澳大利亚风荷载取值范例
- 格式:pdf
- 大小:1.09 MB
- 文档页数:12
加拿大风荷载规范1,本条规定了围护结构的风荷载标准值,其制订依据及说明如下所述。
1,外压。
内压与净压。
在来流湍流和建筑湍流。
或称为特征湍流,的共同作用下。
建筑物外表面形成随时间,空间不断脉动变化的风压力或风吸力,围护结构外表面承受的最大风压力和最大风吸力统称为风荷载最值。
其中,风吸力垂直于屋盖外表面并且方向背离屋盖表面。
采用负值表示风吸力,最大风吸力即风荷载最小值。
风压力垂直于屋盖外表面并且方向指向屋盖表面,采用正值表示,最大风压力即风荷载最大值,外表面风荷载最值需要进行概率分析。
以最值发生概率的分位数作为其估计值。
另一方面。
对于封闭式建筑物或半开敞式建筑物。
气流通过孔隙。
洞口进入或流出室内,室内形成风压力或风吸力,其波动幅度相对较小,通常将室内风压看作常数,根据风洞试验结果确定内压,室内风压力的方向指向室内屋盖。
墙面。
采用正值表示。
室内风吸力的方向背离室内屋盖。
墙面。
采用负值表示。
在美国,加拿大,日本。
澳大利亚。
英国。
欧洲等国家,地区的风荷载规范中。
均采用了外表面风压最值与内压之差表达封闭式,半开敞式建筑物围护结构的风荷载,现行国家标准,建筑结构荷载规范,GB。
50009规定了围护结构外表面风荷载标准值的计算公式,亦规定了围护结构的内压系数。
借鉴国内外标准的相关规定。
综合考虑围护结构外表面。
内表面的风荷载作用,本标准将封闭式房屋屋盖围护结构的风荷载表示为外表面风压最值与内压之差的形式,对于开敞式建筑物,应根据围护结构表面的净风压,进行极值的概率分析和估计,确定开敞式建筑物围护结构风压最值,本标准采用外表面净风压表达开敞式建筑物围护结构的风荷载。
此时不考虑内压。
2。
平均速压与阵风速压。
在国外荷载标准的风荷载条文规定中。
参考速压采用平均速压或者阵风速压,其中平均速压时距为10min或者1h,阵风速压的时距为3s。
对于围护结构风荷载。
外表面风压最值表达为风压系数最值与平均速压或阵风速压之积的形式,内压表达为内压系数与平均速压或阵风速压之积的形式,加拿大。
澳大利亚结构标准
澳大利亚有一些建筑结构标准,旨在确保建筑物的安全性和合规性。
以下是一些常见的澳大利亚建筑结构标准:
1. AS 3600:混凝土结构设计;
2. AS 3678: 高强度钢板与薄钢板的结构应用规范;
3. AS 4100:钢结构设计;
4. AS 1170:结构设计负载;
5. AS 1664:防火灾规范;
6. AS 1720:木结构;
7. AS 2870:基础设计;
8. AS 3604:居住区建筑的木结构。
此外,还有一些行业特定的标准,例如:
- AS 4100.8:桥梁设计的详细规范;
- AS 1657:楼梯、门、平台和栏杆等工作台标准;
- AS 1170.4:风荷载设计;
- AS 1170.2:地震荷载设计。
这只是一部分常用的澳大利亚建筑结构标准,具体的标准要根据建筑物的类型和用途来确定。
建筑师、设计师和工程师在设计和建造过程中应遵守这些标准以确保建筑物的安全性和合规性。
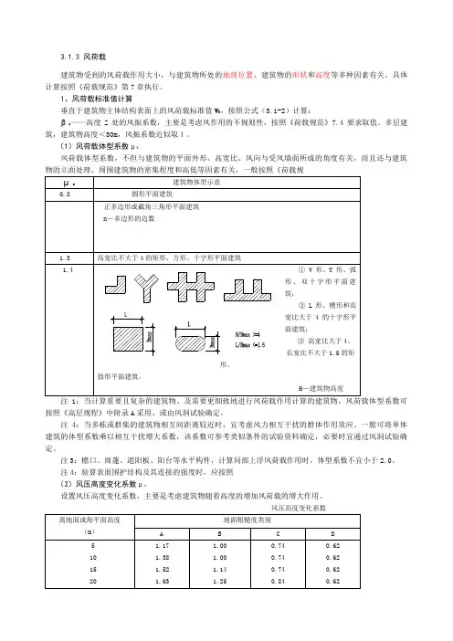
3.1.3 风荷载建筑物受到的风荷载作用大小,与建筑物所处的地理位置、建筑物的形状和高度等多种因素有关,具体计算按照《荷载规范》第7章执行。
1、风荷载标准值计算垂直于建筑物主体结构表面上的风荷载标准值W K,按照公式(3.1-2)计算:βz——高度Z处的风振系数,主要是考虑风作用的不规则性,按照《荷载规范》7.4要求取值。
多层建筑,建筑物高度<30m,风振系数近似取1。
(1)风荷载体型系数μS风荷载体型系数,不但与建筑物的平面外形、高宽比、风向与受风墙面所成的角度有关,而且还与建筑物的立面处理、周围建筑物的密集程度和高低等因素有关,一般按照《荷载规注1:当计算重要且复杂的建筑物、及需要更细致地进行风荷载作用计算的建筑物,风荷载体型系数可按照《高层规程》中附录A采用、或由风洞试验确定。
注4:当多栋或群集的建筑物相互间距离较近时,宜考虑风力相互干扰的群体作用效应。
一般可将单体建筑的体型系数乘以相互干扰增大系数,该系数可参考类似条件的试验资料确定,必要时宜通过风洞试验确定。
注3:檐口、雨蓬、遮阳板、阳台等水平构件,计算局部上浮风荷载作用时,体型系数不宜小于2.0。
注4:验算表面围护结构及其连接的强度时,应按照(2)风压高度变化系数μz设置风压高度变化系数,主要是考虑建筑物随着高度的增加风荷载的增大作用。
风压高度变化系数关于地面粗糙程度的分类:A类:近海海面、海岛、海岸、湖岸及沙漠地区;B类:田野、乡村、丛林、丘陵以及房屋比较稀疏的乡镇和城市郊区;C类:有密集建筑群的城市市区;D类:有密集建筑群和且房屋较高的城市市区。
(3)基本风压值W0基本风压值W0,单位kN/m2,以当地比较空旷平坦场地上离地10m高、统计所得50年一遇10分钟平均最大风速为标准确定的风压值,各地的基本风压可按照《荷载规范》附录D中的全国基本风压分布图查用,主要城镇基本风压取值参考表。
2、基本风压的取值年限《荷载规范》在附录D中分别给出了n=10年、n=50年、n=100年一遇的基本风压标准值,工程设计中根据建筑物的使用性质与功能要求,一般按照下列方法选用风压标准值的取值年限:①临时性建筑物:取n=10年一遇的基本风压标准值;②一般的工业与民用建筑物:取n=50年一遇的基本风压标准值;③特别重要的建筑物、或对风压作用比较敏感的建筑物(建筑物高度大于60m):取主要城镇基本风压(kN/m2)取值参考表n=100年一遇的基本风压标准值;在没有100年一遇基本风压标准值的地区,可近似将50年一遇的基本风压值标准值乘以1.1(经验系数)以后采用。
资料范本本资料为word版本,可以直接编辑和打印,感谢您的下载风荷载标准值计算方法地点:__________________时间:__________________说明:本资料适用于约定双方经过谈判,协商而共同承认,共同遵守的责任与义务,仅供参考,文档可直接下载或修改,不需要的部分可直接删除,使用时请详细阅读内容按老版本规范风荷载标准值计算方法:风荷载标准值的计算方法幕墙属于外围护构件,按建筑结构荷载规范(GB50009-2001 2006年版)计算:wk=βgzμzμs1w0 ……7.1.1-2[GB50009-2001 2006年版]上式中:wk:作用在幕墙上的风荷载标准值(MPa);Z:计算点标高:15.6m;βgz:瞬时风压的阵风系数;根据不同场地类型,按以下公式计算(高度不足5m按5m计算):βgz=K(1+2μf)其中K为地面粗糙度调整系数,μf为脉动系数A类场地:βgz=0.92×(1+2μf) 其中:μf=0.387×(Z/10)-0.12B类场地:βgz=0.89×(1+2μf) 其中:μf=0.5(Z/10)-0.16C类场地:βgz=0.85×(1+2μf) 其中:μf=0.734(Z/10)-0.22D类场地:βgz=0.80×(1+2μf) 其中:μf=1.2248(Z/10)-0.3对于B类地形,15.6m高度处瞬时风压的阵风系数:βgz=0.89×(1+2×(0.5(Z/10)-0.16))=1.7189μz:风压高度变化系数;根据不同场地类型,按以下公式计算:A类场地:μz=1.379×(Z/10)0.24当Z>300m时,取Z=300m,当Z<5m时,取Z=5m;B类场地:μz=(Z/10)0.32当Z>350m时,取Z=350m,当Z<10m时,取Z=10m;C类场地:μz=0.616×(Z/10)0.44当Z>400m时,取Z=400m,当Z<15m时,取Z=15m;D类场地:μz=0.318×(Z/10)0.60当Z>450m时,取Z=450m,当Z<30m时,取Z=30m;对于B类地形,15.6m高度处风压高度变化系数:μz=1.000×(Z/10)0.32=1.1529μs1:局部风压体型系数;按《建筑结构荷载规范》GB50009-2001(2006年版)第7.3.3条:验算围护构件及其连接的强度时,可按下列规定采用局部风压体型系数μs1:一、外表面1. 正压区按表7.3.1采用;2. 负压区-对墙面,取-1.0-对墙角边,取-1.8二、内表面对封闭式建筑物,按表面风压的正负情况取-0.2或0.2。
中美澳三国风荷载规范比较的开题报告一、研究背景和目的在工程设计中,风荷载是不可忽视的重要因素之一。
不同的国家和地区制定了不同的风荷载规范,根据当地气象条件和工程特性等因素制定。
本文旨在比较中美澳三国风荷载规范,分析其主要差异,并结合工程实例进行探讨。
二、研究内容和方法1. 研究对象本文将比较中美澳三国的风荷载规范,包括中国GB 50009-2012《建筑结构荷载规范》、美国ASCE7-16《Minimum Design Loads and Associated Criteria for Buildings and Other Structures》和澳大利亚AS/NZS 1170.2-2002《Structural Design Actions - Wind Actions》三个标准。
2. 研究内容比较中美澳三国风荷载规范的主要内容包括:(1)适用范围和等级(2)基本风速和设计风速的确定方法(3)风荷载计算公式及系数(4)特殊结构物风荷载的计算方法(5)风荷载试验方法及其应用3. 研究方法本研究采用文献资料法和实例分析法相结合的方法。
首先,通过查阅相关文献资料,梳理三国风荷载规范的主要差异。
然后,通过分析具体工程实例,探讨不同规范的适用性和优劣。
三、研究意义本研究可以对中美澳三国风荷载规范进行比较,发现差异所在,从而更好地理解不同规范的适用性与局限性。
同时,对于处于多国合作项目设计阶段的工程师和相关人员,了解各国规范的异同,有助于在设计过程中避免误差和风险。
四、论文结构本文将按照如下结构展开:第一章研究背景和目的第二章研究内容和方法第三章中美澳三国风荷载规范比较第四章工程实例分析第五章总结与展望。
不同标准下的风载荷取值研究徐军【摘要】基于不同设想和考虑,澳大利亚、欧洲、中国标准对风荷载的计算是不同的,在工程设计中,设计标准和风的基本参数应该明确,特别是重现期,是用来确定设计风速的基础条件。
%Different calculation methods of wind load are selected in Australia code,Euro code and Chinese National Code based on various assumptions and concepts. The design criteria and basic wind parameters should be determined in the engineering design. Especially the return period is the basic factor to confirm the design wind speed.【期刊名称】《港工技术》【年(卷),期】2014(000)005【总页数】3页(P36-38)【关键词】风荷载;标准;参数;设计风速【作者】徐军【作者单位】中交机电工程局有限公司,北京 100088【正文语种】中文【中图分类】TU312+.11 概述对于大跨距钢结构建筑,风荷载是设计条件中极其重要的参数,也是设计难点,笔者结合某海外工程项目,在对风荷载基础数据的分析过程中,针对几种不同国际标准相关风荷载计算方法进行了对比,提出了风荷载基础数据核实的建议及合理取值。
1.1 风荷载设计条件拟建工程地风力载荷的设计依据如下所述:港口的地形类别:2;重要性等级:2;平均重现期(间隔年数):R=500;区域:A4(由Worley Parsons根据AS1170.2准则选定);区域因素:FD=1.1;可作业条件下的3 s阵风风速:Vop=20 m/s;不可作业条件下的3 s阵风风速:Vno=45 m/s,项目现场50 km的机场历史数值为41.3 m/s,该数据采集于10 m高处;实测风速:Vcy=37 m/s。
国外输电线路风荷载计算摘要:在我国“一带一路”战略的指引下,国内工程公司承接国外项目的机会越来越多,因此熟悉国外工程建设的规划、设计、施工和运维等各阶段的规程规范变成非常的迫切。
本文主要对印度输电线路规范风荷载进行计算,为国内设计单位对尼泊尔甚至是印度输电线路设计提供参考和借鉴。
关键词:一带一路;输电线路;IS 802;风荷载Wind Load Calculation for Transmission Lines of AbroadDing Jian(Shanghai Investigation,Design,& Research Institute Co.,Shanghai 200434 China)Abstract:under the direct of the strategy of " the Belt and Road" in China,there are more and more chance for domestic engineering companies to contract foreign projects. Therefore,it is very urgent to familiarise themselves with the specifications and codes in the stages of planning,design,construction,operation and maintenance of foreign construction projects. The mainly calculate the wind load using Indian transmission line code in the article,which provides reference for domestic design company to design transmission line in Nepal and even India.Key words:the Belt and Road;transmission line;IS 802;wind load 在我国“一带一路”战略的指引下,国内工程公司承接国外项目的机会越来越多,因此熟悉国外工程建设的规划、设计、施工和运维等各阶段的规程规范变成非常的迫切。
AS/NZS 1170.2:2002附上第1项的修改澳大利/新西兰标准结构设计作用第二部分:风荷载的作用AS/NZS 1170.2:2002COPYRIGHTBD-006技术协会联合修订了澳大利亚/新西兰联合标准,总体设计要求和结构荷载。
他被2002年3月29日澳大利亚标准委员会和2002年3月28日新西兰标准委员会的代表批准。
在2002年6月4日出版。
下面是BD-006协会的叙述:澳大利亚工程顾问的协会澳大利亚建筑标准团体澳大利亚钢结构协会新西兰建筑研究协会澳大利亚水泥和混凝土协会澳大利亚联邦科学与工业研究组织,建筑,结构和工程技术暴风实验站-James Cook 大学澳大利亚供电协会房屋工业协会澳大利亚工程师协会新西兰专业工程师协会澳大利亚建筑商新西兰重点工程研究协会澳大利亚钢加强件协会Newcastle 大学奥克兰大学(新西兰)新西兰Canterbury 大学墨i 匀大学Tyndall 和Hanham保持标准的更新升级标准是一本活的文件,它反应了在科学、技术和系统方面的发展。
保持它们的正确性,所有的标准分阶段性的重新复查,新的版本出版。
在这些版本之间,改正的部分被使用。
标准也被回收的。
在购买标准前,对于使用者来说,使用包含一些已经出版的修正的部分的正确的标准,这是很重要的。
澳大利亚/新西兰联合标准的详细信息在澳大利亚标准网址.au 或新西兰标准网址 和在网上目录中查找相关标准。
二中选一的,两个组织出版了详细的标准的目录。
对于更常用的修订的、修正的和回收的清单和说明,澳大利亚标准和新西兰标准提供了一些更新的选项。
关于这部分的信息,使用者应该与个别的国际标准组织联系。
我们也欢迎在我们的标准中提出可以提高的建议,特别鼓励对一些错误和不明确的地方立即通知我们的读者。
请写出你的内容给澳大利亚国际标准或新西兰国际标准的首席执行,在信封后面表明地址。
AS/NZS 1170.2:20023AS/NZS 1170.2:2002澳大利/新西兰标准结构设计作用第二部分:风荷载的作用附上第1项的修改第一节概要 (7)1.1范围 (7)1.2应用 (8)1.3参考档案 (8)1.4风荷载的测定 (8)1.5单位 (8)1.6定义 (8)1.7符号 (8)第2节风荷载的计算 (9)2.1概要 (9)2.2位置风速 (9)2.3设计风速 (9)2.4设计风压和分布式的力 (11)2.4.1设计风压 (11)2.4.2风的分布式力设计 (11)2.5风荷载 (11)2.5.1概要 (11)2.5.2考虑的方向 (12)2.5.3表面或结构部件的力 (12)2.5.3.1起源于风压的力 (12)2.5.3.2起源于摩擦力的力 (12)2.5.3.3力起源于力的系数 (12)2.5.4完成结构的力和力矩 (12)2.5.5部件的敏感疲劳性能 (13)2.5.6结构风敏感的适用性 (13)第3节区域风速 (13)3.1概要 (13)3.2区域风速(Vr) (13)3.3风向系数 (14)3.3.1区域A和W (14)3.3.2区域B,C和D (14)3.4区域C和D(Fc,Fd)因数 (14)第4节地点位向系数 (16)4.1概要 (16)4.2海拔/高度系数(Mz,cat) (17)4.2.1海拔种类定义 (17)4.2.2确定海拔高度系数(Mz,cat) (17)4.2.3地形种类改变 (18)4.3保护的系数(Ms) (20)4.3.1概要 (20)4.3.2建筑的供应保护 (20)4.3.3保护的参数(s) (21)4.4地质系数Mt (21)4.4.1概要 (21)4.4.2斜坡形状系数(M (21)4.4.3背风的系数( (23)第5节空气动力学形态因数 (23)5.1概要 (23)AS/NZS 1170.2:20025 5.2 空气动力学形态因数评估 (25)5.3围绕矩形建筑物的内压力 (25)5.3.1 概要 (25)5.3.3支配开启 (26)5.4围绕矩形建筑物的外部压力(Cp.e) (27)5.4.2屋面和边墙的面积缩减因数(Ka) (30)5.4.3结合因数(Kc) (30)5.4.4扣板局部的压力因数(Kt) (31)5.4.5屋面和边墙的扣板渗透性缩减(变形)因数(Kp) (33)5.5围绕建筑的摩擦拉力 (34)第6节动态响应因数 (34)6.1动态响应因数评估 (34)6.2大的建筑物和塔楼的沿风响应 (35)6.2.1概要 (35)6.2.2 动态响应因数(Cdyn) (35)6.3侧风响应 (37)6.3.1概要 (37)6.3.2 大的围绕建筑和矩形交叉剖面塔的侧风响应 (38)6.3.2.1 等同的静态风力 (38)6.3.2.3 侧风基本翻倒力矩 (38)6.3.3圆形的交叉剖面烟囱,masts和poles的侧风响应 (41)6.3.3.1侧风尖端偏斜 (41)6.4 沿风和侧风响应的结合 (42)附录 (42)附录A 定义(标准) (42)Sruton numbe (44)附录B 符号(标准) (45)附录C 围绕建筑附加的压力系数(标准化的) (50)附录D 独立墙临时围墙和雨棚(标准化的) (56)附录E 对于暴露的结构构件、框和分格塔架的空气动力体形系数(标准化) (65)外形比率的修正系数(K (66)附录F FLAGS标记和圆形的形态(标准化的) (76)F2 标志 (77)F3 圆形的形态 (77)附录G 结构易受风影响的加速度(提供信息的) (78)G1适用性加速度 (78)AS/NZS 1170.2:2002前言BD-006技术协会联合修订了澳大利亚/新西兰联合标准,总体设计要求和结构荷载,取代1990年AS1170。
1.1 风荷载:1.2 正常使用活荷载标准值〔KN/m2〕:〔1〕住宅、宿舍取2.0;其走廊、楼梯、门厅取2.0;〔2〕办公、教室取2.0;其走廊、楼梯、门厅取2.5;〔3〕食堂、餐厅取2.5;其走廊、楼梯、门厅取2.5;〔4〕一般阳台取2.5;〔5〕人流可能密集的走廊/楼梯/门厅/阳台、高层住宅群间连廊/平台取3.5;〔6〕卫生间取2.0~2.5〔按荷载标准〕;设浴缸、座厕的卫生间取4.0;〔7〕住宅厨房取2.0,中小型厨房取4.0,大型厨房取8.0〔超重设备另行计算〕;〔8〕多功能厅、阶梯教室有固定坐位取3.0;无固定坐位取3.5;〔9〕商店、展览厅、娱乐室取3.5;其走廊、楼梯、门厅取3.5;〔10〕大型餐厅、宴会厅、酒吧、舞厅、健身房、舞台取4.0;〔11〕礼堂、剧场、影院、有固定坐位的看台、公共洗衣房取3.0;〔12〕小汽车通道及停车库取4.0;〔13〕消防车通道:单向板取35.0;双向板楼盖、无梁楼盖取20.0;注:消防车超过300KN时,应按结构等效原那么,换算为等效均布荷载。
结构荷载输入:无覆土的双向板〔板跨≥2.7m〕:板、次梁取28,主梁取20;覆土厚度≥0.5m 的双向板〔板跨≥2.7m〕:板取≤28, 梁参考院部?消防车等效荷载取值计算表?;〔14〕书库、档案库取5.0;〔15〕密集柜书库取12.0;〔16〕大型宾馆洗衣房取7.5;〔17〕微机房取3.0;大中型电子计算机房取≥5.0,或按实际;〔18〕电梯机房、通风机房取7.0;通风机平台取6〔≤5号风机〕或8〔8号风机〕;〔19〕制冷机房、宾馆储藏室、布草间、公共卫生间〔包括填料隔墙〕取8.0;〔20〕水泵房、变配电房、发电机房、银行金库及票据仓库取10.0;〔21〕管道转换层取4.0;〔22〕电梯井道下有人到达房间的顶板取5.0。
1.3 屋面活荷载标准值〔KN/m2〕:〔1〕上人屋面取2.0;〔2〕不上人屋面取0.5;〔3〕屋顶花园取3.0〔不包括花圃土石材料〕;注:施工或维修荷载较大时,屋面活荷载应按实际情况采用;因排水不畅、堵塞等,应加强构造措施或按积水深度采用。
关于风载荷的计算:
按公式:F W=C W.P W.A
F W:风载荷,单位为N.
C W:风力系数
P W:计算风压单位Pa
A:迎风面积
P W的计算
P W=0.613V W2
一般工作状态
但通常工作状态的风压分两种:
1、取PW1=150PA,用于选择电动机功率的阻力计算和机械
零部件的疲劳强度和发热验算。
2、取PW2=250PA,是工作状态最大风压,用于计算机构零
件和金属结构强度,刚度和稳定性、验算传动装置、过载能力和整体抗倾翻稳定性。
非工作状态下的PW4,按表选取。
风力系数CW的选取,分单片结构和非单片结构,如果是单片结构按表选取,其它的有特殊要求和规定。
3、迎风面积的计算:
A=ωA1
ω:充实率查表。
A1 :结构外形轮廓面积
如果对前后两片并列结构,考虑前片对后片的挡风作用。
A=A1+ηA2
A1:前片迎风面积
A2:后片迎风面积
η:挡风折减系数。
澳标幕墙计算书(一)工程概况(二).设计参数1.玻璃幕墙最高标高为62m,取62m处风压变化系数μz=1.48 2.基本风压W0=0.35KN/m23.年最大温差 : △T=80 C4.玻璃厚度取: 6 1.2=7.2mm(三)荷载及作用1. 风荷载标准值计算:WK= D·S·Z· W0WK:作用在幕墙上的风荷载标准值KN/m2;D:阵风风压系数,取D=2.25;S:风荷载体型系数±1.5;Z:60米高处风压变化系数1.48(C类);10米高处风压变化系数0.71(C类)W0:基本风压:北京地区取0.35KN/m2WK1= D·S·Z·W0=2.25×(±1.5)×1.48×0.35=±1.78 KN/m2WK2= D·S·Z·W0=2.25×(±1.5)×0.71×0.35=±0.838KN/m2按《规范》取WK2=±1.0KN/m22.幕墙构件重力荷载玻璃为 6(钢化)+12A+6(钢化) gb=25.6 0.006 2=0.3072KN/m2 幕墙所用铝材、附件:GL=0.11KN/m2单元玻璃幕墙自重荷载:G = Gb+ GL =0.3072+0.11=0.42KN/m2幕墙单元构件重量:G1=G·L1·b1=0.42 1.228 2.5=1.29KN幕墙最大玻璃块重量:G2=Gb•L2·b2 =0.3072×1.228×2.157=0.81KN3.玻璃幕墙构件所受的地震作用:A.幕墙平面外的水平地震作用:qea= E·max·G1qea:水平地震作用标准值(KN);E:动力放大系数取3.0;max:水平地震影响系数最大值按8度抗震设防设计取0.16G:幕墙构件(墙面和骨架)的重力: G1=1.29KN;qea= E·bmax·G1=3 0.16 1.29=0.62KNB.幕墙平面内的垂直地震作用:PEG= E·max·G1PEG:幕墙构件在平面内的垂直地震作用 :KN/m2E:动力放大系数,取3.0vmax :地震垂直作用影响系数,按烈度8度抗震设计设防取0.08G1:单元玻璃幕墙构件自重1.29KNPEG=3 0.08 1.29=0.31KNC.垂直于幕墙平面分布水平地震作用,qE= fec/A= E·max·G1/AA:玻璃幕墙构件面积1.228 2.5=3.07m2qE=0.62/3.07=0.2KN/m24. 玻璃幕墙所受荷载与作用效应的组合:(强度计算时用)A.水平荷载和作用效应组合:(最不利组合)S1 = ΨW·γW·WK +ΨE·γE·qEa.水平荷载和作用效应的分项系数γW:风荷载分项系数,γW =1.4γE:地震作用分项系数,γE =1.3b.水平荷载和作用效应的组合系数ΨW:风荷载组合系数,ΨW =1.0ΨE:地震作用组合系数,ΨE=0.6WK :风荷载标准值,WK =1.78KN/m2qE : 垂直于幕墙平面分布水平地震作用,qE=0.2KN/m2S11 =1.4 1.0 1.78+0.6 1.3 0.2=2.65KN/m2S12 =1.4 1.0 1.0+0.6 1.3 0.2=1.56KN/m2B.垂直方向荷载和作用效应组合:(最不利组合)S2 =ΨG·γG·SG+ΨE·γE·qEa.荷载和作用组合的分项系数γG:重力荷载分项系数,γG=1.2γE:地震荷载分项系数,γE=1.3b.垂直荷载和效应组合系数ΨG:重力荷载组合系数,ΨG=1ΨE:地震荷载组合系数,ΨE=1SG : 单元玻璃幕墙构件重量,SG =G=1.29KNqE : 单元玻璃幕墙构件平面内的垂直地震作用,qE=0.31KN S2 =1×1.2×1.29+1×1.3×0.31=1.95KN5. 玻璃幕墙所受荷载与作用效应的组合:(挠度计算时用)水平荷载和作用效应组合:(最不利组合)S31 =ΨW·rW·WK +ΨE·rE·qEa.水平荷载和作用效应的分项系数rW:风荷载分项系数,rW =1.0rE:地震作用分项系数,rE =1.0。
风荷载标准值风荷载标准值关于风荷载计算风荷载是高层建筑主要侧向荷载之一,结构抗风分析(包括荷载,内力,位移,加速度等)是高层建筑设计计算的重要因素。
脉动风和稳定风风荷载在建筑物表面是不均匀的,它具有静力作用(长周期哦部分)和动力作用(短周期部分)的双重特点,静力作用成为稳定风,动力部分就是我们经常接触的脉动风。
脉动风的作用就是引起高层建筑的振动(简称风振)。
以顺风向这一单一角度来分析风载,我们又常常称静力稳定风为平均风,称动力脉动风为阵风。
平均风对结构的作用相当于静力,只要知道平均风的数值,就可以按结构力学的方法来计算构件内力。
阵风对结构的作用是动力的,结构在脉动风的作用下将产生风振。
注意:不管在何种风向下,只要是在结构计算风荷载的理论当中,脉动风一定是一种随机荷载,所以分析脉动风对结构的动力作用,不能采用一般确定性的结构动力分析方法,而应以随机振动理论和概率统计法为依据。
从风振的性质看顺风向和横风向风力顺风向风力分为平均风和阵风。
平均风相当于静力,不引起振动。
阵风相当于动力,引起振动但是引起的是一种随机振动。
也就是说顺风向风力除了静风就是脉动风,根本就没有周期性风力会引起周期性风振,绝对没有,起码从结构计算风载的理论上顺风向的风力不存在周期性风力。
横风向,既有周期性振动又有随机振动。
换句话说就是既有周期性风力又有脉动风。
反映在荷载上,它可能是周期性荷载,也可能是随机性荷载,随着雷诺数的大小而定。
有的计算方法根据现有的研究成果,风对结构作用的计算,分为以下三个不同的方面:(1)对于顺风向的平均风,采用静力计算方法(2)对于顺风向的脉动风,或横风向脉动风,则应按随机振动理论计算(3)对于横风向的周期性风力,或引起扭转振动的外扭矩,通常作为稳定性荷载,对结构进行动力计算风荷载标准值的表达可有两种形式,其一为平均风压加上由脉动风引起导致结构风振的等效风压;另一种为平均风压乘以风振系数。
由于在结构的风振计算中,一般往往是第1振型起主要作用,因而我国与大多数国家相同,采用后一种表达形式,即采用风振系数βz,它综合考虑了结构在风荷载作用下的动力响应,其中包括风速随时间、空间的变异性和结构的阻尼特性等因素。
"欧洲国际社区"荷载计算书酒店:一、楼面永久荷载标准值(kN/m2)1、公共区域(商业、酒店用房、走廊)等:大理石楼面做法厚度(mm) 容重(kN/m3) 重量(kN/m2) 20厚大理石块面层水泥浆擦缝12 28 0.33620厚1:2干硬性水泥砂浆粘合20 20 0.4020厚1:3水泥砂浆找平20 20 0.40吊顶20 20 0.40合计:Σ= 1.536(kN/m2) 实际输入取1.5 kN/m22、卫生间、更衣室等:地砖楼面做法厚度(mm) 容重(kN/m3) 重量(kN/m2) 地砖面层(a、b、c)水泥浆擦缝8 20 0.1620厚1:2干硬性水泥砂浆粘合20 20 0.40改性沥青一布四涂防水层1:3水泥砂浆找坡层,最薄20 40 20 0.80吊顶20 20 0.40合计:Σ= 1.76(kN/m2) 实际输入取1.7 kN/m23、办公标准层内部房间:地砖楼面做法厚度(mm) 容重(kN/m3) 重量(kN/m2) 地砖面层10 25 0.2520厚1:2干硬性水泥砂浆粘合20 20 0.4020厚1:3水泥砂浆找平20 20 0.40吊顶20 20 0.40合计:Σ= 1.45(kN/m2) 实际输入取1.5 kN/m24、酒店标准层客房:地毯楼面(更衣区间做法为大理石楼面,楼面永久荷载按卫生间做法取1.7kN/m2)做法厚度(mm) 容重(kN/m3) 重量(kN/m2) 地毯- - -20厚1:2干硬性水泥砂浆粘合20 20 0.4020厚1:3水泥砂浆找平20 20 0.40吊顶20 20 0.40合计:Σ= 1.2(kN/m2) 实际输入取1.2 kN/m25、游泳池地面做法做法厚度(mm) 容重(kN/m3) 重量(kN/m2) 沥青蛭石找坡,最薄40mm 5 0.720厚1:2.5水泥砂浆结合层20 20 0.401.2厚高分子卷材 1.2 12.5 0.01520厚1:2.5水泥砂浆保护层20 20 0.4040厚细实混凝土40 25 1.0020厚1:2.5水泥砂浆结合层20 20 0.4010厚面砖10 20 0.20吊顶0.60合计:Σ= 3.715(kN/m2) (找坡荷载:(0.04+12x2%)/2X5=0.7kN/m2)实际输入取3.75 kN/m26、厨房:增加250mm厚炉渣回填14x0.25(按实际高度降)=3.5,其他构造同2项地砖楼面实际输入取1.7+3.5=5.2 kN/m2二、楼面活荷载(kN/m2)商业、酒店用房、大堂、餐厅等: 3.5kN/m2公共卫生间: 2.5kN/m2健身房、家俱库 4.0kN/m2办公: 3.0kN/m2(考虑1.0隔墙荷载)酒店客房: 2.0kN/m2避难层、楼梯: 3.5kN/m2其他楼面活荷载详后附《楼面荷载标准值表》三、屋面永久荷载标准值(kN/m2)1、裙房屋面(建筑找坡):(屋面设备部分荷载计入活荷载)卷材防水上人屋面做法厚度(mm) 容重(kN/m3) 重量(kN/m2) 20厚1:2.5水泥砂浆结合层20 20 0.401.2厚高分子卷材 1.2 12.5 0.01520厚1:2.5水泥砂浆保护层20 20 0.40泡沫混凝土保温找坡,最薄120mm - 5 1.1540厚细实混凝土40 25 1.0020厚1:2.5水泥砂浆结合层20 20 0.4010厚面砖10 20 0.20吊顶20 20 0.40合计:Σ= 3.965(kN/m2) (找坡荷载:(0.12+17x2%)/2X5=1.15kN/m2)实际输入:4.0kN/m22、裙房屋面(游泳池屋面)<不上人屋面>:做法厚度(mm) 容重(kN/m3) 重量(kN/m2) 压型钢板- 0.120厚1:2.5水泥砂浆结合层20 20 0.401.5厚高分子卷材 1.5 12.5 0.01520厚1:2.5水泥砂浆保护层20 20 0.40120厚泡沫混凝土保温层120 5 0.640厚细实混凝土40 25 1.0020厚1:2.5水泥砂浆结合层20 20 0.4010厚面砖10 20 0.20合计:Σ= 3.12(kN/m2) (吊顶:0.7 kN/m2;设备重4 kN/m2;设备基础重1.5 kN/m2)实际输入:9.35kN/m23、裙房屋面(宴会厅屋面)<不上人屋面>:屋面构造同裙房屋面2,吊顶荷载为:1.5 kN/m2实际输入:4.65kN/m24、57F上人屋面:除找坡厚度不同,其他屋面构造同裙房屋面1。