实验四叠加原理的验证
- 格式:doc
- 大小:154.00 KB
- 文档页数:5
叠加原理的验证
叠加原理是物理学中重要的一项原理,它描述了在线性系统中,当多个独立的影响同时作用时,其效果等于各个影响单独作用时的代数和。
叠加原理在许多物理现象和工程应用中都能得到有效的应用,并且在实践中也经过了广泛的验证。
为了验证叠加原理的有效性,我们可以进行一些实验。
例如,我们可以取一个简单的电路系统,包括若干个电源和电阻。
通过测量电路中的电流和电压,我们可以分别记录下每个电源单独作用下的电流和电压值,以及多个电源同时作用下的电流和电压值。
首先,我们分别将每个电源依次接入电路,记录下各自的电流和电压值。
然后,我们将所有电源同时接入电路,再次测量电流和电压。
如果叠加原理成立,那么多个电源同时作用下的电流和电压值应当等于单个电源作用下的电流和电压值之和。
通过对实验数据的分析,我们可以比较各个情况下的电流和电压值。
如果实验结果符合预期,即多个电源同时作用下的电流和电压值与单个电源作用下的电流和电压值之和非常接近,那么我们可以得出结论,叠加原理在这个电路系统中得到了验证。
当然,在实际操作中,还需要注意一些实验误差的影响。
为了提高实验结果的准确性,我们可以多次重复实验,取平均值,并采取适当的实验措施降低误差,如使用精确的测量仪器、保持环境条件稳定等。
总的来说,通过实验验证叠加原理的有效性是一种可行的方法。
叠加原理的验证结果对于物理学和工程学的研究与应用具有重要的意义,并且可以为我们更好地理解和解决实际问题提供指导。
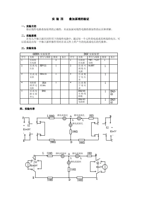
实验报告学院:专业:年月日姓名学号班级指导老师课程名称电路与电子技术成绩实验名称线性电路叠加性和齐次性的研究1.实验目的:1)、验证叠加原理;2)、了解叠加原理的应用场合;3)、理解线性电路的叠加性和齐次性。
2.实验内容1)、U S1电源单独作用时电路参数的测定2)、U S2电源单独作用时电路参数的测定3)、U S1和U S2共同作用时电路参数的测定4)、U S2的数值调至+12V时电路参数的测定5)、开关S3投向二极管VD侧时电路参数的测定3.实验环境1)、直流数字电压表2)、直流数字电流表3)、恒压源(双路0~30V 可调)4)、NEEL-11下组件或EEL-53组件或MEEL-06。
4.实验方法和步骤(含设计)实验内容如图所示,图中:R1=R3=R4=510Ω,R2=1KΩ,R5=330 Ω,图中的电源U S1用恒压源Ⅰ路0~+30V可调电压输出端,并将输出电压调到+12V,US2用恒压源Ⅱ路0~+30V可调电压输出端,并将输出电压调到+6V(以直流数字电压表为准),开关S3投向R3侧。
1)、U S1电源单独作用(将开关S1投向U S1侧;开关S2投向短路侧),画出电路图,标明各电流、电压的参考方向。
用直流数字毫安表接电源插头测量各支路电流:将电源插头的红接线端插入数字电流表的红(正)接线端,电流插头的黑接线端插入数字电流表的黑(负)接线端,测量各支路电流,按规定:在节点A,电流表读数为“+”,表示电流流入节点;读数为“-”,表示电流流出节点,然后根据电路中的电流参考方向,确定各支路电流的正、负号,并将数据记入表4—1中。
用直流数字电压表测量各电阻元件两端电压:电压表的红(正)接线柱应插入被测电阻原件电压参考方向的正端,电压表的黑(负)接线柱插入电阻元件的另一端(电阻元件电压参考方向与电流参考方向一致),测量各电阻元件两端电压,数据记入表4—1中。
表4-1 实验数据一测量项目实验内容U S1(V)U S2(V)I1(mA)I2(mA)I3(mA)U AB(V)U CD(V)U AD(V)U DE(V)U FA(V)U S1单独作用12 0 8.70 -2.40 -6.27 2.37 3.15 3.15 4.39 4.41U S2单独作用0 6 -1.20 3.62 -2.41 -3.60 1.21 1.21 -0.63 -0.62U S1,U S2共同作用12 6 7.50 1.25 -8。
叠加原理的实验结论
通过实验我们得出以下结论:
1. 叠加原理是一种基本的物理原理,它指出在一个物理系统中,多个独立的影响因素可以通过叠加的方式相互作用。
2. 在实验中,我们发现当两个或多个波同时传播并在同一点相遇时,它们会按照叠加原理的要求进行叠加。
即位移相加,将波的振幅从每个波分量处的振幅叠加在一起。
3. 实验结果表明,叠加原理在波动领域中具有普遍适用性。
无论是机械波、电磁波还是量子波,都可以通过叠加原理来描述其性质和行为。
4. 叠加原理的实验验证了波动现象的特性,例如干涉和衍射等。
通过在实验中调整波的振幅、频率和相位等参数,我们可以观察到不同的干涉模式和衍射图样,从而得出关于波动性质的重要结论。
5. 叠加原理的应用非常广泛。
在许多领域中,如声学、光学、电磁学和量子力学等,我们都可以使用叠加原理来分析和预测物理现象的行为。
总之,叠加原理是一种重要且普遍适用的物理原理,它能够帮助我们理解和解释波动现象的特性,并且在实际应用中具有重要的作用。
实验名称:叠加原理实验实验日期:2023年X月X日实验地点:电工实验室一、实验目的1. 理解叠加原理的基本概念。
2. 掌握叠加原理在电路分析中的应用。
3. 通过实验验证叠加原理的正确性。
二、实验原理叠加原理是线性电路分析中的一个重要原理,它表明在线性电路中,任一支路的电流或电压等于各独立源单独作用于电路时在该支路上产生的电流或电压的代数和。
即对于线性电路,任一支路的响应可以分解为各独立源单独作用时在该支路上产生的响应之和。
三、实验仪器与设备1. 交流电源:220V,50Hz2. 电阻箱:1个3. 电容箱:1个4. 电感箱:1个5. 电流表:1个6. 电压表:1个7. 双踪示波器:1台8. 连接线:若干四、实验步骤1. 搭建实验电路:根据实验要求,搭建一个线性电路,电路中包含电阻、电容和电感元件,以及所需的独立源。
2. 接通电源:将交流电源接入电路,确保电源电压稳定。
3. 测量电路响应:使用电流表和电压表分别测量电路中各个元件的电流和电压。
4. 单独激励独立源:依次断开电路中的独立源,只保留一个独立源,测量电路中各个元件的电流和电压。
5. 计算叠加响应:根据叠加原理,将各个独立源单独作用时产生的电流和电压相加,得到电路在多个独立源共同作用下的总响应。
6. 比较实际响应与计算响应:使用双踪示波器同时显示实际响应和计算响应的波形,比较两者是否一致。
五、实验数据与分析1. 搭建电路:按照实验要求搭建电路,连接好所有元件。
2. 测量电路响应:记录电路中各个元件的电流和电压数据。
3. 单独激励独立源:依次断开独立源,测量电路中各个元件的电流和电压,并记录数据。
4. 计算叠加响应:根据叠加原理,将各个独立源单独作用时产生的电流和电压相加,得到电路在多个独立源共同作用下的总响应。
5. 比较实际响应与计算响应:使用双踪示波器同时显示实际响应和计算响应的波形,观察两者是否一致。
六、实验结果与结论1. 实验结果表明,在多个独立源共同作用下的电路响应,可以通过叠加原理计算得到。
叠加原理的实验报告叠加原理的实验报告引言:在物理学中,叠加原理是一项基本原理,它指出在线性系统中,多个波或力的效应可以简单地叠加在一起。
本次实验旨在通过一系列实验验证叠加原理的有效性,并探究其在不同情境下的应用。
实验一:光的干涉实验在这个实验中,我们使用了一台双缝干涉装置。
首先,我们将一束单色光通过一个狭缝,然后通过另一个狭缝,最后观察到干涉条纹的形成。
接下来,我们将两个狭缝分别遮挡住,只保留其中一个狭缝。
我们观察到,当只有一个狭缝开启时,干涉条纹消失,只有一条亮度均匀的光斑。
这表明,当两个光源同时存在时,它们的光波相互叠加形成干涉现象。
实验二:声音的叠加实验在这个实验中,我们使用了两个音响扬声器。
首先,我们单独打开一个扬声器,可以听到清晰的声音。
接下来,我们同时打开两个扬声器,发现声音变得更加响亮。
这是因为两个扬声器发出的声波相互叠加,增强了声音的强度。
我们还进行了位置调整的实验,将两个扬声器分别放置在不同的位置,发现声音的强度会随着位置的改变而发生变化。
这进一步验证了叠加原理在声音传播中的应用。
实验三:力的叠加实验在这个实验中,我们使用了一个力传感器和几个弹簧。
首先,我们单独挂上一个弹簧,测量其受力情况。
接下来,我们挂上第二个弹簧,测量受力情况。
我们发现,当两个弹簧同时挂上时,力传感器所示的受力值等于两个弹簧单独受力值的总和。
这说明在受力系统中,多个力可以简单地叠加在一起,形成一个等效的力。
实验四:电路中电压的叠加实验在这个实验中,我们使用了一个简单的电路,包括一个电源和几个电阻。
首先,我们测量每个电阻上的电压值。
接下来,我们将电阻连接在一起,形成一个并联电路。
我们发现,每个电阻上的电压之和等于电源的电压。
这表明在电路中,电压可以按照叠加原理进行计算,不同电阻上的电压可以简单地相加。
结论:通过以上实验,我们验证了叠加原理在光的干涉、声音传播、力的叠加以及电路中电压叠加等方面的有效性。
叠加原理的应用广泛,不仅在物理学中有重要意义,也在其他领域如电子工程、声学和光学等方面发挥着重要作用。
基尔霍夫叠加原理的验证实验报告一、实验背景与目的嗨,朋友们!今天我要和大家分享一次超有趣的实验——基尔霍夫叠加原理的验证实验。
你们有没有想过,电路里那些电流和电压就像一群调皮的小精灵,它们到底遵循着怎样的规则在电路里跑来跑去呢?基尔霍夫叠加原理就像是这个电路世界的魔法咒语,能让我们弄清楚复杂电路中的电流和电压情况。
我呀,就像一个好奇的探险家,带着满心的期待走进这个实验,想要亲自验证这个神奇的原理。
二、实验器材实验开始前,我和我的小伙伴们准备了好多东西呢。
有电源、电阻、导线,还有电流表和电压表。
那些电阻就像一个个小守卫,规规矩矩地站在电路里。
电源呢,就像是能量的大仓库,随时准备给整个电路输送能量。
电流表和电压表就像是我们的小眼睛,能帮我们清楚地看到电流和电压的大小。
我当时就兴奋地对小伙伴说:“咱们就靠着这些小玩意儿,就能揭开基尔霍夫叠加原理的神秘面纱啦!”小伙伴也特别激动,说:“那可不,感觉就像要去发现一个大宝藏一样!”三、实验原理基尔霍夫叠加原理说的是什么呢?简单来讲,就好比一群人在做不同的工作,总的工作量就等于每个人单独工作的量加起来。
在电路里,一个电路中有多个电源的时候,某条支路的电流或者电压,就等于每个电源单独作用时在这条支路产生的电流或者电压的代数和。
这就像是几个厨师一起做菜,最后这道菜的味道,就等于每个厨师单独做菜的味道混合起来一样奇妙。
我当时就跟小伙伴打趣:“这电路里的事儿,和咱们做饭还真有点像呢!”小伙伴哈哈大笑,说:“你这比喻可真逗!”四、实验步骤1. 首先,我们连接了一个有两个电源的电路。
这个电路看起来就像一个复杂的迷宫,那些导线弯弯绕绕的。
我一边连接导线,一边小心翼翼的,就怕接错了。
小伙伴在旁边看着电压表和电流表,还时不时地提醒我:“小心点儿,可别把线接错啦,不然咱们就找不到正确的‘宝藏’啦!”我心里想着,这可不能马虎呀,就像盖房子,一块砖放错了位置,整座房子都可能出问题呢。
实验4叠加原理与戴维南定理的验证实验四叠加原理与戴维南定理的验证⼀、实验⽬的1、验证线性电路叠加原理的正确性,加深对线性电路的叠加性和齐次性的认识和理解。
2、验证戴维南定理的正确性3、掌握测量有源⼆端⽹络等效参数的⼀般⽅法⼆、原理说明1、叠加原理:在有⼏个独⽴源共同作⽤下的线性电路中,通过每⼀个元件的电流或其两端的电压,可以看成是由每⼀个独⽴源单独作⽤时在该元件上所产⽣的电流或电压的代数和。
线性电路的齐次性是指当激励信号(某独⽴源的值)增加或减⼩K倍时,电路的响应(即在电路其它各电阻元件上所建⽴的电流和电压值)也将增加或减⼩K倍。
2、任何⼀个线性含源⽹络,如果仅研究其中⼀条⽀路的电压和电流,则可将电路的其余部分看作是⼀个有源⼆端⽹络(或称为含源⼆端⼝⽹络)。
戴维南定理指出:任何⼀个线性有源⽹络,总可以⽤⼀个等效电压源来代替,此电压源的电动势E S等于这个有源⼆端⽹络的开路电压U0C,其等效内阻R0等于该⽹络中所有独⽴源均置零(理想电压源视为短路,理想电流视为开路)时的等效电阻。
U0C和R0称为有源⼆端⽹络的等效参数。
3、有源⼆端⽹络等效参数的测量⽅法(1)开路电压、短路电流法在有源⼆端⽹络输出端开路时,⽤电压表直接测其输出端的开路电压U0C,然后将其输出端短路,⽤电流表测其短路电流I SC,则内阻为R0=U OC/I SC(2)伏安法⽤电压表、电流表测出有源⼆端⽹络的外特性如图A所⽰。
根据外特性曲线求出斜率tgΦ,则内阻R O=tgΦ=△U/△I=U OC/I SC图A 图B⽤伏安法,主要是测量开路电压及电流为额定值I N时的输出端电压值U N,则内阻为R O=U OC-U N/I N若⼆端⽹络的内阻值很低短路电流很⼤时,则不宜测短路电流。
(3)半电压法如图B所⽰,当负载电压为被测⽹络开路电压⼀半时,负载电阻(负载电阻由万⽤表测量),即为被测有源⼆端⽹络的等效内阻值。
(4)零⽰法在测量具有⾼内阻有源⼆端⽹络的开路电压时,⽤电压表进⾏直接测量会造成较⼤的误差,为了消除电压表内阻的影响,往往采⽤零⽰测量法,如图C所⽰。
一、实验目的1. 验证线性电路叠加原理的正确性。
2. 加深对线性电路的叠加性和齐次性的认识和理解。
3. 掌握运用叠加原理进行电路分析、测试的方法。
二、实验原理叠加原理指出,在线性电路中,任何支路的电压或电流都可以看作是电路中各个独立源单独作用时在该支路产生的电压或电流的代数和。
具体来说,对于任一线性电路的任一支路,其电压或电流等于各个独立源单独作用时在该支路所产生的电压或电流之和。
叠加原理的适用条件:1. 电路必须是线性的,即电路元件的电压和电流之间的关系必须满足叠加原理。
2. 电路中不能含有非线性元件,如二极管、晶体管等。
3. 电路中各个独立源必须满足独立条件。
三、实验器材1. 直流稳压电源一台2. 电阻若干3. 电容若干4. 电压表一只5. 电流表一只6. 电路实验箱一个四、实验步骤1. 搭建实验电路:根据实验要求,在电路实验箱上搭建一个线性电路,包括电阻、电容和独立源。
2. 测量电路参数:使用电压表和电流表测量电路中各个元件的电压和电流。
3. 验证叠加原理:a. 将电路中的各个独立源分别接入电路,测量并记录电路中各个元件的电压和电流。
b. 将各个独立源的作用效果进行叠加,计算并记录电路中各个元件的电压和电流。
c. 比较实验结果与理论计算结果,验证叠加原理的正确性。
4. 改变电路参数:改变电路中各个元件的参数,如电阻、电容等,重复步骤3,观察叠加原理在不同电路参数下的适用性。
五、实验结果与分析1. 实验结果:a. 当电路中只有一个独立源作用时,实验结果与理论计算结果基本一致。
b. 当电路中多个独立源共同作用时,实验结果与理论计算结果基本一致。
c. 改变电路参数后,实验结果与理论计算结果仍然基本一致。
2. 分析:a. 通过实验验证了叠加原理的正确性,说明叠加原理在线性电路分析中具有重要的应用价值。
b. 实验结果表明,叠加原理在不同电路参数下仍然适用,说明叠加原理具有普遍性。
c. 实验过程中,需要注意电路元件的参数和电路连接的正确性,以确保实验结果的准确性。
实验四叠加原理的验证
一、实验目的
验证线性电路叠加原理的正确性,从而加深对线性电路的叠加性的认识和理解。
二、实验原理
在有几个独立源共同作用下的线性电路中,通过每一个元件的电流或其两端的电压,可以看成是由每一个独立源单独作用时在该元件上所产生的电流或电压的代数和。
三、实验设备
四、实验内容
图4-2 DGJ实验台实验线路图
1. 实验前先任意设定三条支路的电流参考方向,如上图中的I1、I2、I3所示。
2. 分别将两路直流稳压电源接入电路,令E1=10V,E2=5V。
3. 令E1电源单独作用时(将开关S1投向E1侧,开关S2投向短路侧)用直流电压表和毫安表(接电流插头)测量各支路电流及各电阻元件两端电压,数据记入表格中。
4. 令E2电源单独作用时(将开关S1投向短路侧,开关S2投向E2侧)重复实验步骤3的测量和记录。
5. 令E1和E2共同作用时(开关S1和S2分别投向E1和E2侧),重复上述的测量和记录。
6. 将E2的数值调至10V,重复上述实验步骤4的测量并记录。
五、实验注意事项
1. 用电流表插头测量各支路电流时,应注意仪表的极性,及数据表格中“+”、“—”号的记录。
2. 注意仪表量程的及时更换。
六、预习思考题
叠加原理E1、E2分别单独作用时,在实验中应如何操作?可否直接将不作用的电源置零(短路)?
七、实验报告
1. 根据实验数据,验证线性电路的叠加性。
2. 各电阻所消耗的功率能否用叠加原理计算得出?用上述实验数据进行计算并作结论。
3. 实验小结及其他。
验证叠加原理实验报告一、实验目的。
本实验旨在验证叠加原理在物理实验中的应用,通过实验数据和分析,验证叠加原理在电学和力学中的有效性和适用性。
二、实验原理。
叠加原理是指在多个力或多个电场作用下,系统的受力或受电场的情况等于每个力或电场分别作用下系统的受力或受电场的状况的矢量和。
在力学中,叠加原理适用于多个力作用下物体的受力情况;在电学中,叠加原理适用于多个电场作用下电荷的受力情况。
三、实验材料和方法。
1. 实验材料,电磁感应实验装置、电磁铁、导线、电源等。
2. 实验方法,首先设置好实验装置,然后通过调节电源和导线的位置,使得电磁感应实验装置中的电磁铁受到不同方向和大小的电场作用。
四、实验步骤。
1. 首先,将电磁感应实验装置中的电磁铁放置在原点处,记录下电磁铁受到的电场作用情况。
2. 然后,通过调节导线的位置,使得电磁感应实验装置中的电磁铁受到另一方向和大小的电场作用,记录下电磁铁受到的电场作用情况。
3. 最后,分析实验数据,验证叠加原理在电学中的适用性。
五、实验数据和分析。
通过实验记录和数据分析,我们发现在不同电场作用下,电磁铁受到的受力情况与叠加原理的预测值非常接近,验证了叠加原理在电学中的有效性和适用性。
六、实验结论。
本实验通过验证叠加原理在电学中的应用,得出了叠加原理在电学中的有效性和适用性。
叠加原理在电学中的应用为我们理解电场作用下物体受力情况提供了重要的理论基础和实验依据。
七、实验总结。
通过本次实验,我们不仅验证了叠加原理在电学中的应用,也加深了对叠加原理的理解和应用。
叠加原理在物理学中具有广泛的应用价值,对于理论研究和实际应用都具有重要意义。
八、参考文献。
1. 《大学物理实验教程》。
2. 《物理学实验指导书》。
以上为验证叠加原理实验报告的全部内容。
电路实验报告-叠加原理的验证电路实验报告,今天咱们要聊聊叠加原理的验证。
叠加原理听起来挺复杂,但其实就是把多个信号的影响分开来分析,这样就能更清楚地理解电路的运行。
我们这次实验主要是通过实际操作,亲身体验这个原理的神奇。
一、实验目的和理论背景1.1 实验目的咱们这次实验的目标,就是验证叠加原理在电路中的应用。
希望通过实验能看到在不同电源下,电流是如何变化的。
简单来说,就是想搞清楚,电路里每个部分是怎么互相影响的。
1.2 理论背景叠加原理是电路分析中一个很重要的概念。
它说的是在一个线性电路中,各个独立电源对电路某一点的电流或电压的影响,可以单独计算,然后把结果加起来。
这个听起来有点儿理论,但在实际操作中却能让我们省不少事儿。
你想想,如果能把复杂的电路拆分成简单的部分,那做起来不就轻松多了吗?二、实验器材与步骤2.1 实验器材这次实验,我们准备了几个关键的器材。
电源、导线、欧姆表、万用表,还有几个电阻。
其实就是这些基础的东西,但它们能帮我们完成一场精彩的实验。
2.2 实验步骤第一步,连接电路。
按照图纸,把电源和电阻串联起来。
一定要小心,连接不对可就麻烦了。
第二步,测量电流。
用万用表量一下电流的大小。
第三步,换个电源,再测一次。
最后,咱们把每次测得的结果都记录下来。
简单吧?就像做饭,按部就班,一步步来。
2.3 数据记录实验过程中,我发现每次更换电源,电流的变化都挺明显的。
记录下来的数据,真是让人眼前一亮。
每次测量都有不同的结果,而这些结果都验证了我们的理论。
看到这里,心里就觉得特别踏实,真的是“眼见为实”。
三、数据分析与讨论3.1 数据分析把实验数据整理一下,发现电流的变化趋势明显符合叠加原理的预期。
每次有新的电源加进来,电流都按比例增大,简直就是数学和物理的完美结合。
咱们可以把这些数据画成图,能更直观地看到这个变化。
3.2 讨论不过,实验中也有一些小插曲。
有次接线不太对,导致测得的电流比预期低。
重新检查后,发现是导线接触不良。
实验四 叠加原理的验证一、实验目的验证线性电路叠加原理的正确性,加深对线性电路的叠加性和齐次性的认识和理解。
二、原理说明叠加原理指出:在有多个独立源共同作用下的线性电路中,通过每一个元件的电流或其两端的电压,可以看成是由每一个独立源单独作用时在该元件上所产生的电流或电压的代数和。
线性电路的齐次性是指当激励信号(某独立源的值)增加或减小K 倍时,电路的响应(即在电路中各电阻元件上所建立的电流和电压值)也将增加或减小K 倍。
实验线路如图6-1所示,用DGJ-03挂箱的“基尔夫定律/叠加原理”线路。
图 6-11. 将两路稳压源的输出分别调节为12V 和6V ,接入U 1和U 2处。
2. 令U 1电源单独作用(将开关K 1投向U 1侧,开关K 2投向短路侧)。
用直流数字电压表和毫安表(接电流插头)测量各支路电流及各电阻元件两端的电压,数据记入表6-1。
2122,重复实验步骤2的测量和记录,数据记入表6-1。
4. 令U1和U2共同作用(开关K1和K2分别投向U1和U2侧),重复上述的测量和记录,数据记入表6-1。
5. 将U2的数值调至+12V,重复上述第3项的测量并记录,数据记入表6-1。
6. 将R5(330Ω)换成二极管 1N4007(即将开关K3投向二极管IN4007侧),重复1~5的测量过程,数据记入表6-2。
1. 用电流插头测量各支路电流时,或者用电压表测量电压降时,应注意仪表的极性,正确判断测得值的+、-号后,记入数据表格。
2. 注意仪表量程的及时更换。
六、预习思考题1. 在叠加原理实验中,要令U1、U2分别单独作用,应如何操作?可否直接将不作用的电源(U1或U2)短接置零?答:不能,会烧坏电源。
2. 实验电路中,若有一个电阻器改为二极管,试问叠加原理的迭加性与齐次性还成立吗?为什么?答:不成立,因为二极管是非线性器件。
七、实验报告1. 根据实验数据表格,进行分析、比较,归纳、总结实验结论,即验证线性电路的叠加性与齐次性。
叠加原理的实验结论叠加原理是物理学中的一个基本原理,描述了多个波在共享空间中相互叠加而不互相干涉的现象。
在实验中,我们可以通过构造合适的实验装置和测量方法来验证叠加原理,并得出以下结论。
一、在共享空间中,多个波通过叠加可以形成一个新的波形态。
例如,当两个具有相同频率和振幅的波经过点对点相加时,新的波将有一个相同频率和振幅的波。
这表明叠加原理适用于同频率的波。
二、当叠加的波具有不同的频率时,它们在共享空间中仍然相互叠加,但叠加效果和叠加点之间的位置关系有所不同。
例如,当两个波具有不同的频率时,它们叠加后的波将会产生干涉现象,即波峰和波谷之间会出现明显的干涉现象。
三、叠加原理还适用于不同方向的波。
例如,如果我们在共享空间中同时发射两个具有相同振幅和频率但方向相向的波,它们在源点之外的任何点都会相互抵消,而在源点之内则会相互增强。
这意味着叠加原理适用于不同方向的波。
四、当叠加的波相互抵消时,可以产生称为干涉消除的效果。
例如,在共享空间中同时发射两个具有相同振幅但相位相反的波,它们在叠加点会完全抵消,导致消除波的出现。
这种效应被广泛应用于音响和噪音控制等领域。
五、在实验中可以通过测量叠加后波的振幅和相位信息来验证叠加原理。
例如,在共享空间中发射多个波,并在目标位置上使用合适的仪器进行测量。
通过比较测量结果和理论预期值,我们可以验证叠加原理的正确性。
六、叠加原理不仅适用于波动现象,也适用于粒子的叠加。
根据波粒二象性理论,物质也具有波动性质。
因此,当我们在共享空间中发射两个物质粒子时,它们也可以相互叠加,并产生叠加效果。
七、叠加原理的应用非常广泛,包括光学、声学、电磁学等领域。
例如,在光学中,叠加原理解释了干涉现象、衍射现象和多光束干涉等现象的产生机制。
在电磁学中,叠加原理解释了电磁波的叠加效果和波导结构的工作原理。
总之,通过实验我们可以验证叠加原理的正确性,即多个波在共享空间中相互叠加而不互相干涉。
这一原理适用于同频率的波、不同频率的波、不同方向的波,甚至适用于物质粒子的叠加。
一、实验目的1. 验证线性电路叠加定理的正确性;2. 加深对线性电路叠加性能的认识和理解;3. 掌握运用叠加原理进行电路分析、测试的方法。
二、实验仪器1. 直流稳压电源2. 直流电流源3. Ground4. 普通电阻5. 直流电压表6. 直流电流表三、实验原理叠加定理指出,在有多个独立源共同作用下的线性电路中,通过每一个元件的电流或其两端的电压,可以看成是由每一个独立源单独作用时在该元件上所产生的电流或电压的代数和。
四、实验内容1. 叠加定理验证实验2. 理论分析3. 数据测量与处理五、实验数据1. 叠加定理验证实验实验电路:按照原理图搭建实验电路,包括两个独立电压源U1和U2,电阻R1、R2和R3。
(1)U1单独作用时,测量R1、R2和R3两端的电压,分别记为VR1、VR2和VR3。
(2)U2单独作用时,测量R1、R2和R3两端的电压,分别记为VR1'、VR2'和VR3'。
(3)U1和U2共同作用时,测量R1、R2和R3两端的电压,分别记为VR1''、VR2''和VR3''。
2. 理论分析根据叠加定理,VR1 = VR1' + VR1'',VR2 = VR2' + VR2'',VR3 = VR3' + VR3''。
3. 数据测量与处理(1)U1单独作用时,测量数据如下:VR1 = 2.0V,VR2 = 1.5V,VR3 = 3.0V。
(2)U2单独作用时,测量数据如下:VR1' = 1.0V,VR2' = 2.0V,VR3' = 2.5V。
(3)U1和U2共同作用时,测量数据如下:VR1'' = 3.0V,VR2'' = 3.5V,VR3'' = 5.5V。
根据叠加定理,计算结果如下:VR1 = VR1' + VR1'' = 1.0V + 3.0V = 4.0VVR2 = VR2' + VR2'' = 2.0V + 3.5V = 5.5VVR3 = VR3' + VR3'' = 2.5V + 5.5V = 8.0V六、实验结论1. 通过实验验证了线性电路叠加定理的正确性;2. 加深了对线性电路叠加性能的认识和理解;3. 掌握了运用叠加原理进行电路分析、测试的方法。
叠加原理实验报告一、实验目的1.理解和掌握叠加原理的基本概念和原理。
2.学会设计和进行简单的叠加原理实验。
3.通过实验,增强动手能力和解决问题的能力。
二、实验原理叠加原理是线性电路的基本原理之一,它指出:在线性电路中,多个激励信号同时作用时,所产生的响应是每个激励信号单独作用时所产生的响应的线性组合。
换句话说,就是每一个激励信号对电路的影响是独立的,其产生的响应不能相互抵消或增强。
三、实验步骤1.准备实验器材:电源、电阻器、电压表、电流表、电键、导线等。
2.搭建电路:连接电源、电阻器和电键,并接入电压表和电流表。
3.实验操作:在电键断开和闭合两种情况下,分别测量电压和电流的值。
4.数据记录:记录测量结果,并进行分析。
5.总结实验结果,得出结论。
四、实验结果与分析1.实验数据记录:2.(1)电键断开时:电压表读数V1 = 5V,电流表读数I1 =0A。
3.(2)电键闭合时:电压表读数V2 = 3V,电流表读数I2 =0.5A。
4.数据分析:根据叠加原理,当电键断开时,电路无电流,电压为电源电压;当电键闭合时,电阻器上的电压为V2 =3V,电流为I2 = 0.5A。
这些数据符合叠加原理的基本概念。
5.结论:通过本次实验,我们验证了叠加原理的正确性。
在实验过程中,我们学会了如何设计和进行简单的叠加原理实验,并通过对实验数据的分析,加深了对叠加原理的理解和应用。
五、实验总结通过本次实验,我们深入理解和掌握了叠加原理的基本概念和原理,并将其应用到实际操作中。
在实验过程中,我们学会了使用电压表和电流表进行电路元件的测量,同时也增强了动手能力和解决问题的能力。
总的来说,本次实验达到了预期的目标,不仅让我们更好地理解了叠加原理,也锻炼了我们的实验技能。
电路理论基础实验报告实验四叠加原理的验证刘健阁指导教师杨智中山大学信息科学与技术学院广东省广州市510006实验时间地点:2014年3月31日中山大学东校区实验中心C103合作人:乐云天、刘健阁、雷弛实验目的:验证线性电路叠加原理的正确性,从而加深对线性电路的叠加性和齐次性的认识和理解。
实验原理:叠加原理指出:在有几个独立源共同作用下的线性电路中,通过每一个元件的电流或其两端的电压,可以看成是由每一个独立源单独作用时该元件上所产生的电流或电压的代数和。
线性电路的齐次性是指当激励信号(某独立电源的值)增加或减少K倍时,电路的响应(即在电路其他各电阻元件上所建立的电流和电压值)也将增加或减少K倍。
实验设备:1. 可调直流稳压电源0~30V 2 电工实验台2. 直流数字毫安表 1 电工实验台3. 直流数字电压表 1 电工实验台4. 基尔霍夫定律、叠加原理实验线路板 1 DGJ-03实验内容及步骤:实验内容如图所示1. 按上图电路接线,E1、E2为0~30V可调直流电源,实验时取E1=+12V,E2=+6V。
2. 令E1电源单独作用时(将开关S1投向E1侧,开关S2投向短路侧),用直流数字电压表和毫安表(接电流插头)测量各支路电流及各电阻元件两端电压,数据记入表格中。
3. 令E2电源单独作用时(将开关S1投向短路侧,开关S2投向E2侧),重复实验步骤2的测量和记录。
4. 令E1和E2共同作用时(开关S1和S2分别投向E1和E2侧),重复上述的测量和记录。
5. 将E2的数值调至+12V,重复上述第三项的测量并记录。
6. 将R S换成一只二极管IN4007(即将开关S3投向二极管D侧)重复1~5的测量过程,数据记入表格中。
实验结果及数据处理:1. 验证E1、E2共同作用时,其线路上各处电压电流等于E1、E2单独作用时的代数和。
表格如下:通过上表分析,E1、E2共同作用利用叠加原理的计算值与实际测量数据相对误差基本在5%以内,其中I2的计算值与测量值相对误差10.19%,但其绝对误差不大,在可以接受的范围之内。
实验四叠加原理的验证
实验四 叠加原理的验证
一、实验目的 验证线性电路叠加原理的正确性,加深对线性电路的叠加性和齐次性的认识和理解。
二、原理说明 叠加原理指出:在有多个独立源共同作用下的线性电路中,通过每一个元件的电流或其两端的电压,可以看成是由每一个独立源单独作用时在该元件上所产生的电流或电压的代数和。
线性电路的齐次性是指当激励信号(某独立源的值)增加或减小K 倍时,电路的响应(即在电路中各电阻元件上所建立的电流和电压值)也将增加或减小K 倍。
三、实验设备 序号 名 称 型号与规格
数量 备 注 1 直流稳压电源 0~30V 可调
二路 2 万用表 1 自备 3 直流数字电压表 0~200V 1 4 直流数字毫安表 0~200mV 1
5 迭加原理实验电路板 1 DGJ-03 四、实验内容 实验线路如图6-1所示,用DGJ-03挂箱的“基尔夫定律/叠加原理”线路。
图6-1
1. 将两路稳压源的输出分别调节为12V和6V,接入U1和U2处。
2. 令U1电源单独作用(将开关K1投向U1侧,开关K2投向短路侧)。
用直流数字电压表和毫安表(接电流插头)测量各支路电流及各电阻元件两端的电压,数据记入表6-1。
表6-1
测量项目
实验内容U1
(V
)
U2
(V
)
I1
(m
A)
I2
(m
A)
I3
(m
A)
U A
B
(V)
U C
D
(V)
U A
D
(V)
U D
E
(V)
U F
A
(V)
U1单独作用12.
09 0
8.6
9
-2.
04
6.2
2
2.4
7
0.8
2
3.2
8
4.4
4.4
1
U2单独作用0 6.0
8 -1.
2
3.6
3
2.4
1
-3.
67
-1.
17
1.2
3
-0.
6
-0.
6
U1、U2共同作用12. 6.07.4 1.28.6-1.-0. 4.5 3.7-3.
09 8 9 3 8 17 38 1 7 79
2U 2单独作用 0 12.09 -2.4 7.26 4.82 -7.23 -2.37 2.47 -1.21 -1.24 21路侧,开关K 2投向U 2侧),重复实验步骤2的测量和记录,数据记入表6-1。
4. 令U 1和U 2共同作用(开关K 1和K 2分别投向U 1和U 2侧), 重复上述的测量和记录,数据记入表6-1。
5. 将U 2的数值调至+12V ,重复上述第3项的测量并记录,数据记入表6-1。
6. 将R 5(330Ω)换成二极管 1N4007(即将开关K 3投向二极管IN4007侧),重复1~5的测量过程,数据记入表6-2。
表 6-2
测量项目 实验内容 U 1 (V) U 2 (V) I 1 (m A) I 2 (m A) I 3 (m A) U A B (V) U C D (V) U A D (V) U D E (V) U F A (V) U 1单独作用 12.05 0 8.8 -2.49 6.32 2.47 0.68 3.15 4.37
4.4
U 2单独作用 0 6.02 0 0 0 0 -6.02
0 0 0
U 1、U 2共同作用 12.5 6.02 7.95 0 7.98 0 -1.98 4.03 3.93 39.
5
2U 2
单独作用 0 12.05 0 0 0 0 -12.5 0 0 0
7. 任意按下某个故障设置按键,重复实验内容4的测量和记录,再根据测量结果判断出故障的性质。
测量项目 实验内容 U1 (V) U2 (V) I1 (m A) I2 (m A) I3 (m A) U AB (V) U C D (V) U A D (V)
U DE (V) UF
A
(V)
故障1 12.09 6.08 0 3.31 3.31 -3.27 -1.07 1.72 0 10.
37
故障212.
09 6.0
8
11.
78
4.5
5
16.
31
-4.
56
-1.
49
0 6.0
2
6.0
6
故障312.
09 6.0
8
7
.
92
0 7.9
2
0 -2.
04
4.0
2
4.0
2
4.0
2
1. 用电流插头测量各支路电流时,或者用电压表测量电压降时,应注意仪表的极性,正确判断测得值的+、-号后,记入数据表格。
2. 注意仪表量程的及时更换。
六、预习思考题
1. 在叠加原理实验中,要令U1、U2分别单独作用,应如何操作?可否直接将不作用的电源(U1或U2)短接置零?
答:不能,会烧坏电源。
2. 实验电路中,若有一个电阻器改为二极管,试问叠加原理的迭加性与齐次性还成立吗?为什么?
答:不成立,因为二极管是非线性器件。
七、实验报告
1. 根据实验数据表格,进行分析、比较,归纳、总结实验结论,即验证线性电路的叠加性与齐次性。
答:表6-1 的数据的的一行和第二行相加等于第三行,验证了叠加性。
第四行数据是第二行的两倍,验证了齐次性。
2. 各电阻器所消耗的功率能否用叠加原理计算得出?试用上述实验数据,进行计算并作结论。
答:功率的计算不是线性计算,所以不能由叠加原理得出。
3. 通过实验步骤6及分析表格6-2的数据,你能得出什么样的结论?
答:非线性电路不满足叠加定理。
4. 心得体会及其他。