八年级上册物理分组实验教案
- 格式:docx
- 大小:148.63 KB
- 文档页数:36
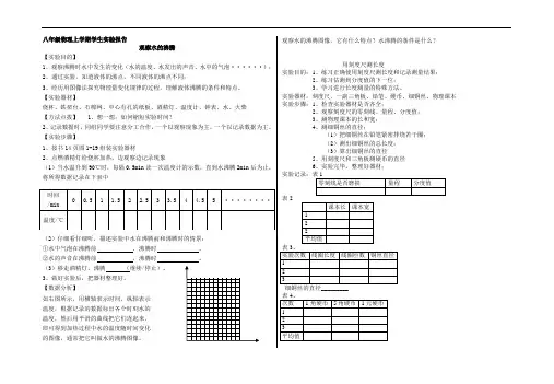
八年级物理上学期学生实验报告观察水的沸腾【实验目的】1、观察沸腾时水中发生的变化(水的温度、水发出的声音、水中的气泡······);2、通过实验,知道液体的沸点,不同液体的沸点不同;3、经历用图像法探究物理量变化规律的过程,理解液体沸腾的条件和特点。
【实验器材】烧杯、铁架台、石棉网、中心有孔的纸板、酒精灯、温度计、钟表、水、火柴【方法点拔】 1、想一想:如何缩短实验时间?2、记录数据时,同组同学要注意分工合作,一个以观察现象为主,一个以记录数据为主。
【实验步骤】1、按书14页图1-19组装实验器材2、点燃酒精灯给烧杯加热,边观察边记录现象(1)当水温升到90℃时,每隔0.5min读一次温度计的示数,直到水沸腾2min后为止,将所得数据记录在下表中(2)仔细看仔细听,描述实验中水在沸腾前和沸腾时的情景:①水中气泡在沸腾前,沸腾时。
②水的声音在沸腾前,沸腾时。
(3)移走酒精灯,沸腾(继续/停止)。
3、做好实验后,把器材整理好。
【数据分析】如右图所示,用横轴表示时间,纵轴表示温度,根据记录的数据标出各个时刻水的温度,然后用平滑的曲线把它们连起来,即可得到加热过程中水的温度随时间变化的图像,通常把它叫做水的沸腾图像。
观察水的沸腾图像,它有什么特点?水沸腾的条件是什么?用刻度尺测长度实验目的:1、练习正确使用刻度尺测长度和记录测量结果;2、练习估测到分度值的下一位;3、学习进行长度测量的特殊方法。
实验器材:刻度尺,一副三角板、铅笔、硬币、细铜丝、物理课本实验步骤:1、检查实验器材是否齐全;2、观察刻度尺的零刻线、量程、分度值;3、测物理课本的长和宽;4、测细铜丝的直径;(1)把细铜丝在铅笔紧密排绕若干圈;(2)测出细铜丝的总长度;(3)算出细铜丝的直径5、用刻度尺和三角板测硬币的直径6、实验完毕,整理好器材;表2测量物质密度的实验报告实验目的 1、练习托盘天平的使用2、测量液体和不规则的石块的密度。
八年级上册物理分组实验教案第一章:认识摩擦力1.1 实验目的(1)了解摩擦力的概念;(2)学习使用弹簧测力计;(3)掌握摩擦力大小的影响因素。
1.2 实验原理摩擦力是两个互相接触的物体,在相对运动时,在接触面上产生的一种阻碍相对运动的力。
1.3 实验器材弹簧测力计、木块、毛巾、滑轮组、细线、铁架台。
1.4 实验步骤(1)将木块放在水平桌面上,用弹簧测力计水平拉动物体,记录弹簧测力计的示数;(2)将木块放在毛巾上,用弹簧测力计水平拉动物体,记录弹簧测力计的示数;(3)将木块放在滑轮组上,用弹簧测力计水平拉动物体,记录弹簧测力计的示数;(4)分析摩擦力大小与接触面粗糙程度的关系。
1.5 实验注意事项(1)实验过程中,保持拉动物体的速度恒定;(2)确保弹簧测力计的示数准确;(3)避免实验过程中物体与桌面发生滑动。
第二章:探究重力势能与高度的关系2.1 实验目的(1)了解重力势能的概念;(2)学习使用能量守恒定律分析实验现象;(3)掌握重力势能与高度的关系。
2.2 实验原理重力势能是指物体在重力作用下,由于位置的高低而具有的能量。
2.3 实验器材铁球、木架台、尺子、海绵。
2.4 实验步骤(1)将铁球从不同高度自由落下,落在海绵上,观察海绵的形变;(2)记录铁球下落的高度和海绵的形变量;(3)分析重力势能与高度的关系。
2.5 实验注意事项(1)确保铁球从同一位置释放;(2)测量海绵形变量时,要保持尺子垂直于海绵;(3)避免实验过程中铁球与地面发生碰撞。
第三章:制作简易指南针3.1 实验目的(1)了解地磁场的分布;(2)学习制作简易指南针;(3)掌握指南针的原理。
3.2 实验原理地球本身就是一个大磁体,地磁场对放入其中的小磁针产生磁力作用,使小磁针的北极指向地磁南极。
3.3 实验器材铁针、磁铁、棉线、透明胶带。
3.4 实验步骤(1)将铁针放在磁铁上,使铁针磁化;(2)用棉线将磁化的铁针吊起,保持自由旋转;(3)观察铁针静止时北极的指向;(4)制作简易指南针。
初中物理实验操作教案年级学科:八年级物理教材内容:1. 实验目的:学习使用刻度尺、量筒等测量工具,提高学生的实际操作能力。
2. 实验原理:长度、体积的测量方法。
3. 实验器材:刻度尺、量筒、水、细线、石块。
教学目标:1. 知识与技能:学会使用刻度尺、量筒等测量工具,掌握长度、体积的测量方法。
2. 过程与方法:通过实际操作,培养学生的动手能力、观察能力及问题解决能力。
3. 情感态度价值观:培养学生对物理实验的兴趣,增强学生合作意识,提高学生综合素质。
教学重点与难点:重点:刻度尺、量筒的使用方法,长度、体积的测量。
难点:刻度尺、量筒的读数方法,误差分析。
教学过程:一、导入(5分钟)教师简要介绍本节课的实验内容,激发学生的兴趣,引导学生思考长度、体积的测量方法。
二、实验操作(15分钟)1. 学生分组,每组两人。
2. 教师发放实验器材,讲解刻度尺、量筒的使用方法。
3. 学生动手操作,测量石块的长度和体积。
4. 教师巡回指导,解答学生疑问。
5. 学生记录实验数据,准备进行数据处理。
三、数据处理与误差分析(15分钟)1. 学生汇报实验结果,分享测量方法。
2. 教师引导学生进行数据处理,计算平均值。
3. 学生分析实验过程中可能出现的误差,讨论如何减小误差。
4. 教师总结误差来源,演示如何减小误差。
四、课堂小结(5分钟)1. 学生回顾本节课的实验内容,总结刻度尺、量筒的使用方法。
2. 教师强调实验操作注意事项,提醒学生在日常生活中注意测量。
五、课后作业(课后自主完成)1. 复习本节课的实验内容,整理实验报告。
2. 思考如何将实验原理应用到日常生活中。
教学反思:本节课通过实际操作,让学生掌握了刻度尺、量筒的使用方法,提高了学生的动手能力。
在实验过程中,学生积极参与,合作意识较强。
通过对实验数据的处理和误差分析,培养了学生的观察能力和问题解决能力。
然而,在实验过程中,仍有个别学生对测量工具的使用不够熟练,需要在课后加强练习。
初中八上物理教案一、教学目标:1. 让学生通过实验和观察,了解光的折射现象,掌握折射定律。
2. 培养学生运用物理知识解决实际问题的能力。
3. 引导学生通过合作、探究、交流的方式,提高科学素养。
二、教学内容:1. 光的折射现象2. 折射定律3. 折射现象在生活中的应用三、教学重点与难点:1. 重点:光的折射现象,折射定律的运用。
2. 难点:折射定律的理解和应用。
四、教学方法:1. 实验法:通过实验让学生观察光的折射现象,培养学生的实验操作能力和观察能力。
2. 问题驱动法:引导学生提出问题,分析问题,解决问题,提高学生的思维能力。
3. 合作学习法:分组讨论,共同完成实验,培养学生的团队协作能力。
4. 讲授法:讲解折射定律,使学生掌握物理知识。
五、教学步骤:1. 导入:通过复习光在同一均匀介质中沿直线传播的知识,引出光的折射现象。
2. 实验观察:让学生分组进行实验,观察光从一种介质进入另一种介质时的折射现象,引导学生总结折射定律。
3. 讲解与演示:讲解折射定律,并通过动画演示光的折射过程,让学生直观地理解折射定律。
4. 应用练习:让学生运用折射定律解决实际问题,如计算物体在水中的深度、眼镜的度数等。
5. 课堂小结:总结本节课的主要内容,强调光的折射现象和折射定律的重要性。
6. 作业布置:布置一些有关光的折射的练习题,巩固所学知识。
六、教学反思:在课后,教师应认真反思本节课的教学效果,针对学生的掌握情况,调整教学策略,以提高教学效果。
同时,关注学生的学习兴趣和需求,不断改进教学方法,激发学生的学习积极性。
七、教学评价:通过课堂表现、作业完成情况和实验操作能力等方面,对学生的学习情况进行综合评价,了解学生对光的折射现象和折射定律的掌握程度,为下一步教学提供依据。
初中物理试验目录八年级上应做分组演示实验Document serial number【NL89WT-NY98YT-NC8CB-NNUUT-NUT108】初中物理试验目录八年级(上)应做分组、演示实验:初中物理试验目录物理实验八年级(上)应做分组、演示实验:(苏教版)引言:科学家是怎样进行科学探究的活动:1、哪一支蜡烛先灭器材:玻璃罩、蜡烛活动:2、分组:探究磁铁隔着不同材料对铁钉吸引的变化器材:磁铁、细线、铁钉、各种金属片、塑料片、纸、硬币、玻璃、布、海绵等拓展活动:哪来的气泡器材:水槽、注射器第一章:声现象活动:1、分组:探究声音的产生器材:树叶、吉它、口琴、音*等各种乐器,活动:2、声音能在固体、液体、空气、真空中传播器材:衣架、细绳、水槽、石块、电子钟、玻璃钟罩、抽气机、泡沫塑料活动:3、探究声音的强弱与什么因素有关器材:音*、乒乓球、活动:4、探究决定声音高低的因素器材:卡片、木梳、钢尺活动:5、辨别声音器材:各种乐器、活动:6、估测声音传播的快慢器材:卷尺、小铜锣和小槌、数字式秒表、温度计活动:7、比较材料的隔声性能器材:闹钟、纸盒、泡沫塑料盒活动:8、测一测你听觉的顺序范围器材:音频发生器和扬声器一台拓展活动:探究影响琴弦音调高低的因素器材:日常生活中常见的弦乐器、四根长约1米粗细相同的尼龙线,一根长短\粗细与尼龙线相同的钢丝,直尺一把,纸杯两只,质量相同的弹子若干第二章:物态变化活动:1、观察水的三种状态及其特征器材:酒精灯、烧杯、石棉网、三角架、冰块活动:2、分组:练习使用温度计器材:温度计、烧杯冰块、水、热水活动:3、观察蒸发现象器材:温度计、酒精活动:4、分组:观察水的沸腾器材:温度计、烧杯、酒精灯、石棉网、三角架、秒表、铅笔、热水活动:5、模拟大自然中“雨”的形成器材:圆锥瓶、蒸发皿、烧杯、温水、冰块活动:6、探究冰、松香的溶化特点器材:酒精灯、温度计、烧杯、石棉网、三角架、铁架台、冰块、松香活动:7、人工造“雪”器材:碘锤、酒精灯、滴管、水活动:8、认识水循环器材:搜索水循环和水资源的有关资料拓展活动:探究沸腾前水温的变化规律器材:温度计、烧杯、酒精灯、石棉网、三角架、铁架台、水第三章:光现象活动:1、分组:分解太阳光器材:三棱镜、平面镜、白色的光屏、带缝的挡光板、光源活动:2、观察色光的混合器材:各种颜色的玻璃纸、光源、图片活动:3、分组:颜料的混合器材:各种颜色的颜料、调色盘、水等活动:4、探测红光外侧的热效应器材:三棱镜、温度计、带缝的挡光板、涂有荧光物质的纸条(如有荧光标志的人民币)、白屏活动:5、做几个有趣的影子游戏器材:手电筒、玩具激光笔、水槽、橡皮、白色光屏等活动:6、探究平面镜成像的特点器材:平面镜成像实验器活动:7、探究光的反射规律器材:光的反射演示器拓展活动:探究圆形光斑形成的原因带学生观察树阴下的光斑第四章:透镜及其应用活动:1、分组:观察凸透镜和凹透镜器材:凸透镜和凹透镜活动:2、辨别凸透镜和凹透镜器材:凸透镜和凹透镜,光具座、光屏、光源活动:3、测定远视眼镜的焦距器材:圆规、凸透镜、白纸、直尺活动:4、分组:探究凸透镜成像的规律器材:光源、光屏、凸透镜活动:5、视力的矫正器材:视力表、红绿双色测试图活动:6、通过两个透镜观察物体器材:凸透镜和凹透镜、伽俐略望远镜模型活动:7、自制水滴显微镜器材:凸透镜、水活动:8、观察光从空气射入水中时的折射情况器材:光的折射演示器或者玩具激光笔、玻璃水槽、白色光屏、清水、牛奶、蚊香活动:9、分组:观察光通过玻璃砖的折射情况器材:玻璃砖、激光笔拓展活动:试管透镜实验1、亮线和黑影器材:试管、水、白纸2、“凸透镜”也能成正立的、缩小的虚像器材:水槽、硬币、试管、橡皮塞3、直线变曲线器材:试管、水、用彩色笔在白纸上画红、蓝双色线条,并互相垂直、第五章:物体的运动活动:1、比较课桌的长、宽、高活动:2、观察刻度尺器材:几种分度值不同的刻度尺活动:3、分组:用刻度尺测量纸张的厚度器材:刻度尺、书本、细线、硬币活动:4、学会使用秒表器材:秒表或停种活动:5、比较纸片下落的快慢器材:与课本差不多的纸张两张活动:6、测量纸片下落的速度器材:课本大小的纸两张、米尺一把、秒表一块活动:7、研究充水玻璃管中气泡的运动规律器材:秒表、刻度尺、玻璃管、橡皮塞、橡皮筋(红线)、清水、红墨水、坐标纸、铅笔拓展活动:怎样根据人的脚印长度来判断人的身高第六章:物质的物理属性活动:1、探究物体的形状、物质的状态以及地理位置的变化对质量大小的影响器材:天平、砝码、橡皮泥、冰块、烧杯活动:2、分组:测量一枚大头针的质量器材:天平、砝码、一盒大头针活动:3、测量水的质量器材:天平、砝码、烧杯、水、盐水活动:4、分组:探究物体的质量与体积之间的关系器材:天平、砝码、长方体铁块、三组体积不同的铁块、塑料块、铝块、松木块几种、硬币几种活动:5、分组:用量筒和天平测量小石块的密度器材:天平、砝码、量筒、量杯、石块演示器材:50ml、100ml、250ml等规格量筒活动:6、比较物质的硬度器材:玻璃、钢锯条、塑料尺、粉笔、铅笔心、铜钥匙等拓展活动:猜一猜我分类的理由器材:一个塑料盘、多种硬币、多种纽扣、多种文具、黑色笔一支、白纸若干张第七章:从粒子到宇宙活动:1、选择一种模型器材:素描炭笔、白纸、放大镜、高锰酸钾颗粒、清水、烧杯、玻璃管、酒精等、活动:2、收集分子运动的实验证据器材:烧杯、红墨水、冷水、热水、二氧化氮气体活动:3、支持分子间存在吸引力的证据器材:内聚力演示器、大砝码、四角拴有绳子的玻璃板、弹簧秤、活动:4、磨擦起电器材:塑料尺、塑料笔管、毛皮、丝绸、纸屑、气球拓展活动:为气体建军立一个模型器材:布朗运动演示器、气球、第八章:力活动:1、观察物体形变大小与外力大小的关系器材:两个等到高的木块、重物、塑料板、弹簧、钩码三只、铁架台、插有毛细管的大红墨水瓶活动:2、分组:观察弹簧测力计器材:弹簧测力计、钩码两只活动:3、探究影响物体重力大小的因素器材:泡沫塑料、橡皮泥、弹簧测力计、钩码、槽码活动:4、判断重力的方向器材:支架一套、细线、小球、玻璃水槽、三角板、铁架台、重锤活动:5、探究改变磨擦力大小的方法器材:木块、木板、毛巾、棉布、弹簧测力计、砝码、多支圆珠笔心等活动:6、研究自行车的磨擦器材:自行车、钢丝钳、螺丝刀、润滑油等活动:7、分组:探究影响塑料刻度尺形变的因素器材:塑料刻度尺、重物、细线、钢锯条活动:8、物体间的作用是相互的吗?器材:铅笔一支、小车和条形磁铁各两个、透明胶带纸、旱冰鞋等拓展活动:探究橡皮筋的伸长特性器材:小橡皮筋圈若干、1元硬币40-50枚、刻度尺、回形针、细线、支架、小塑料袋一个、红色签字笔等到第九章:压强与浮力活动:1、观察与作用活动:2、探究压力作用的效果器材:的钉子作为桌腿的小桌、泡沫塑料、重物、木板,装有黄沙的水槽、气球、排钉板等活动;3、利用体重和方格纸测量人站立时对地面的压强器材:方格纸、体重计活动:4、分组:探究影响液体内部压强大小的因素器材:塑料袋、可乐瓶、液体对器壁压强演示器一套、帕斯卡球一只、液体压强与深度关系实验器活动:5、体验大气压的存在器材:易拉罐、铁架台、酒精灯、橡皮泥、熟鸡蛋、广口瓶、酒精棉花、大号注射器、玻璃杯、硬纸片、水活动:6、估测大气压的值器材:50ml的注射器一支、弹簧测力计一个、刻度尺一把、活动;7、探究流速大小对流体压强的影响器材:薄纸条、园柱纸筒、绳子、带有橡皮管的漏斗、乒乓球活动:8、下沉的物体是否受到浮力的作用器材:弹簧秤、烧杯、金属块、石块、水活动:9、分组:浮力的大小器材:塑料袋、弹簧秤、盐水或阿基米德定律演示器、潜水艇浮沉演示器拓展活动:有趣的虹吸实验1、用注水法及抽气法产生虹吸2、用加热法产生虹吸3、借助毛细管产生虹吸4、间歇虹吸装置5、马特里奥容器第十章:力与运动活动:1、分组:怎样使物体上浮和下沉器材:烧杯、水、橡皮泥、硬币、泡沫塑料、带盖的小玻璃瓶、自备各种小物体活动:2、探究物体浮沉的条件器材:浮沉子演示器、弹簧测力计、量筒、水、小瓶、配重物、针、线、抹布等活动:3、观察与思考器材:小车、木块活动:4、探究二力平衡的条件器材:铁架台两面三个、小卡车、线、钩码三个、滑轮等活动:5、分组:探究阻力对物体运动的影响器材:斜面、棉布、木板、玻璃板、小车活动:6、观察惯性现象器材:塑料板、鸡蛋、水、杯子拓展活动:研究运动鞋与桌面间的磨擦力器材:三种不同类型的运动鞋,最大刻度为5NT20N的弹簧测力计各一个、天平、砝码、胶带、大号回形针等第十一章:简单机械和功活动:1、做一做:拔图钉器材:木板、图钉、钳子、锤子、起子活动:2、分组:探究杠杆的平衡的条件器材:杠杆、钩码、弹簧称、铁架台活动:3、如何把木料运上楼器材:定滑轮、动滑轮、木块活动:4、分组:探究使用定滑轮和动滑轮的特点器材:定滑轮、动滑轮、钩码、弹簧称、活动:5、探究斜面器材:木板、木块、小车、钩码活动:6、估测人的功率器材:自备活动:7、再探动滑轮器材:木块、弹簧称、动滑轮、钩码综合实践活动:设计、制作一个组合的简单机械器材:杠杆、定滑轮、动滑轮、第十二章:机械能和内能活动:1、探究动能的大小与哪些因素有关器材:斜面、木块、小车、重物活动:2、卡片为什么会跳起来器材:卡片、橡皮筋活动:3、模拟打桩器材:沙子、铁钉做的桌子、木块活动:4、分组:观察摆球的动能和势能的转化器材:摆球、铁架台活动:5、研究做功能否改变物体的内能器材;铁丝、空气压缩引火仪活动:6、演示点火爆炸——将内能转化为机械能器材:塑料盒、电火花发生器、酒精、活动:分组:比较质量相同的不同燃料充分燃料时放出的热量器材:烧杯、温度计、燃烧皿、酒精、碎纸片第十三章:电路初探活动:1、分组:观察手电筒器材:手电筒活动:2、怎样使一个小灯泡亮起来器材:电池、小灯泡、灯座、开关、导线活动:3、怎样使两边个小灯泡亮起来器材:电池、小灯泡、灯座、开关、导线活动:4、分组:串联电路和并联电路的比较器材:电池、小灯泡、灯座、开关、导线活动:5、分组:观察电流表器材:电流表、电源、开关、小灯泡、导线若干活动:6、分组:探究串联电路中的电流器材:电流表、电源、开关、小灯泡、导线若干活动:7、分组:探究并联电路中的电流器材:电源、开关、小灯泡、导线若干活动:8、分组:学习使用电压表器材:电压表、电源、开关、小灯泡、导线若干活动:9、自制水果电池器材;一只橙子、铜片、铁片、活动:10、分组:探究串联电路中的电压器材:电压表、电源、开关、小灯泡、导线若干活动:11、病房呼叫电路的设计器材:小灯泡、电线、电源、电铃第十四章:欧姆定律活动:1、尝试改变电路中电流的大小器材:电流表、小灯泡、开关、不同材料的金属丝、干电池两节活动:2、探究影响导体电阻大小的因素器材;电阻定律演示器活动:3、分组:用?铅笔心使电路中的电流连续地变化器材:干电池两节、小灯座、开关、电流表、导线、铅笔心活动:4、分组:学习使用滑动变阻器器材:滑动变阻器、干电池两节、小灯座、开关、电流表、导线、活动:5、分组:探究通过导体的电流与电压、电阻的关系器材:滑动变阻器、干电池两节、电压表、开关、电流表、导线活动:6、分组:测量定值电阻的阻值器材:电源、电流表、电压表、开关、定值电阻、滑动变阻器、导线活动:7、分组:测量小灯泡的电阻器材:电源、电流表、电压表、开关、小灯泡、滑动变阻器、导线综合实线活动:设计和制作一个模拟的调光电灯器材:直流电源、灯泡、灯座、开关、各种铅笔、导线、金属回形针、各种规格的定值电阻、电流表、电压表、各种工艺材料和工具。
八年级上册物理分组实验教案一、实验目的1. 培养学生的实验操作能力和团队协作精神。
2. 巩固和加深对物理知识的理解。
3. 提高学生的实验观察能力和问题解决能力。
二、实验内容1. 实验一:探究重力对物体运动的影响【实验原理】物体在重力作用下从不同高度释放,观察其运动情况。
【实验器材】斜面、小车、重物、尺子【实验步骤】1. 将斜面固定在实验台上,确保斜面倾斜角度可调。
2. 将小车放在斜面底部,释放重物,观察小车的运动情况。
3. 分别在不同的高度释放重物,重复步骤2。
4. 记录实验数据,分析重力对物体运动的影响。
2. 实验二:测定物体密度【实验原理】利用浮力原理,通过测量物体在液体中的浮力来计算物体的密度。
【实验器材】量筒、液体、物体、尺子【实验步骤】1. 准备一定量的液体,倒入量筒中,记录液体体积。
2. 将物体完全浸没在液体中,记录液体体积变化。
3. 计算物体受到的浮力,根据浮力计算物体的密度。
3. 实验三:测定摩擦力【实验原理】通过测量物体在水平面上受到的摩擦力,研究摩擦力的性质。
【实验器材】滑轮组、弹簧测力计、物体、尺子【实验步骤】1. 组装滑轮组,将物体悬挂在滑轮组上。
2. 使用弹簧测力计匀速拉动物体,记录测力计示数。
3. 计算摩擦力,分析摩擦力的变化规律。
4. 实验四:奥斯特实验【实验原理】通过观察电流周围是否存在磁场,验证电流的磁效应。
【实验器材】电流表、导线、小磁针、电池【实验步骤】1. 连接电流表和电池,形成闭合电路。
2. 将小磁针放置在电流表附近,观察小磁针的偏转情况。
3. 改变电流方向,观察小磁针的偏转情况。
5. 实验五:制作简易电动机【实验原理】利用通电导线在磁场中受力的原理,制作简易电动机。
【实验器材】导线、电池、磁铁、滑轮组【实验步骤】1. 将导线缠绕在磁铁上,形成线圈。
2. 将线圈连接到电池上,形成闭合电路。
3. 观察线圈在磁场中的运动情况,制作简易电动机。
三、实验要求1. 学生分组进行实验,每组3-4人。
学生分组实验教案初中物理年级:八年级教材:《初中物理实验教程》实验目的:1. 学习使用天平和量筒等实验仪器;2. 掌握密度公式及其应用;3. 培养学生的实验操作能力和团队协作精神。
实验原理:密度公式:ρ = m/V其中,ρ 表示密度,m 表示质量,V 表示体积。
实验器材:1. 天平;2. 量筒;3. 细线;4. 棉花;5. 物体(如石头、铁块等)。
实验步骤:1. 学生分组,每组3人,明确实验目的和实验原理;2. 各组领取实验器材,并在实验桌面上摆放整齐;3. 首先使用天平测量物体的质量,记录在实验报告纸上;4. 将量筒中倒入适量水,读取体积V1,记录在实验报告纸上;5. 用细线将物体系住,放入量筒中,使其完全浸没在水中,读取体积V2,记录在实验报告纸上;6. 计算物体的体积:V = V2 - V1;7. 根据密度公式计算物体的密度:ρ = m/V;8. 将计算结果填写在实验报告纸上;9. 各组互相交流实验结果,讨论实验过程中遇到的问题;10. 实验结束,整理实验器材,清理实验桌面。
注意事项:1. 测量质量时,要确保天平平衡,准确读取质量值;2. 测量体积时,要确保量筒内水位稳定,准确读取体积值;3. 物体放入水中时,要完全浸没,避免气泡产生;4. 计算体积时,要准确无误;5. 实验过程中,要保持安静,遵守实验纪律。
实验拓展:1. 尝试使用不同物体进行实验,比较它们的密度大小;2. 探讨影响物体密度的因素,如温度、压力等。
教学反思:通过本次实验,学生掌握了密度公式的应用,学会了使用天平和量筒等实验仪器。
在实验过程中,学生分组合作,培养了团队协作精神。
但部分学生在实验操作中仍存在一些失误,如读取体积值不准确等,需要在今后的实验中加强指导。
同时,可以增加一些拓展内容,让学生更深入地了解密度及相关知识。
八年级物理分组实验教案第一章:引言1.1 实验目的让学生通过分组实验,提高观察和动手能力,培养科学思维和团队协作精神。
1.2 实验要求学生分组,每组4-6人,每组选择一个实验项目进行探究。
第二章:测量长度2.1 实验项目:尺子测量2.2 实验器材:尺子、记录本2.3 实验步骤:(1) 学生用尺子测量课桌长度、宽度、高度等;(2) 将测量数据记录在记录本上;(3) 小组内讨论,分析测量结果的准确性。
2.4 实验思考:如何提高测量的准确性?第三章:观察物体3.1 实验项目:放大镜观察3.2 实验器材:放大镜、记录本3.3 实验步骤:(1) 学生用放大镜观察课本上的细微部分;(2) 将观察到的现象记录在记录本上;(3) 小组内分享,讨论观察到的细微部分的特点。
3.4 实验思考:放大镜观察物体时,如何选择合适的观察距离?第四章:力的作用4.1 实验项目:拉力实验4.2 实验器材:弹簧测力计、绳子、钩子、记录本4.3 实验步骤:(1) 学生用弹簧测力计测量拉力;(2) 将测量数据记录在记录本上;(3) 小组内讨论,分析力的作用效果与力的大小、方向、作用点的关系。
4.4 实验思考:如何准确地测量力的作用效果?第五章:浮力现象5.1 实验项目:浮力实验5.2 实验器材:浮力计、水、物体、记录本5.3 实验步骤:(1) 学生用浮力计测量物体的浮力;(2) 将测量数据记录在记录本上;(3) 小组内讨论,分析浮力与物体体积、密度的关系。
5.4 实验思考:如何判断物体在液体中的浮沉状态?第六章:声音的产生6.1 实验项目:声音产生实验6.2 实验器材:尺子、桌子、记录本6.3 实验步骤:(1) 学生将尺子放在桌子上,拨动尺子使其振动;(2) 观察并记录尺子振动时产生的声音;(3) 小组内讨论,分析声音的产生与振动的关系。
6.4 实验思考:如何改变尺子振动的频率来产生不同的音调?第七章:光的传播7.1 实验项目:光的传播实验7.2 实验器材:激光笔、白纸、记录本7.3 实验步骤:(1) 学生用激光笔照射白纸,观察光的传播路径;(2) 将观察到的光传播路径记录在记录本上;(3) 小组内讨论,分析光的传播特点。
初中物理分组实验教案一、教学目标1. 让学生通过实验观察光的折射现象,理解折射定律。
2. 培养学生的动手操作能力、观察能力和分析问题的能力。
3. 培养学生的团队合作意识,提高学生的实验技能。
二、教学内容1. 光的折射现象2. 折射定律3. 实验操作步骤4. 数据处理与分析三、教学过程1. 导入:回顾光的传播和反射现象,引导学生思考光在从一种介质进入另一种介质时会发生什么现象。
2. 讲解光的折射现象:通过示例和动画,讲解光从空气进入水、玻璃等介质时的折射现象。
3. 介绍折射定律:讲解折射定律的内容,即入射角、折射角和两种介质的折射率之间的关系。
4. 分组实验:将学生分成若干小组,每组分发实验器材(玻璃棒、水、酒精、测量尺等),引导学生按照以下步骤进行实验:(1)将玻璃棒垂直插入水中,观察并记录入射角和折射角。
(2)改变玻璃棒的角度,重复步骤1,记录多组数据。
(3)利用折射定律计算水的折射率。
(4)重复步骤1-3,分别用酒精和玻璃作为另一种介质,计算它们的折射率。
5. 数据处理与分析:让学生整理实验数据,分析折射率与介质性质的关系。
6. 总结与反思:引导学生总结实验现象,提出问题,如为什么折射率与介质性质有关?如何解释这一现象?四、教学评价1. 学生能正确操作实验仪器,观察并记录数据。
2. 学生能运用折射定律计算折射率,并分析实验结果。
3. 学生能积极参与讨论,提出问题,展示团队合作精神。
五、教学资源1. 实验器材:玻璃棒、水、酒精、测量尺、实验桌等。
2. 教学软件:动画、示例图片等。
3. 参考书籍:物理教材、实验指导书等。
六、教学建议1. 实验前,教师应检查实验器材是否齐全,确保学生安全。
2. 实验过程中,教师应引导学生注意观察现象,避免主观臆断。
3. 实验结束后,教师应组织学生进行讨论,引导学生思考问题。
4. 针对不同学生的学习情况,教师应给予个别辅导,提高学生的实验技能。
5. 鼓励学生在课后进行拓展研究,如探究其他光的折射现象。
初中物理实验分组教案一、教学背景随着新课程改革的不断深入,初中物理实验教学逐渐受到广泛关注。
实验教学不仅有助于激发学生的学习兴趣,培养学生的动手能力,而且有助于提高学生的科学素养,培养学生的创新精神。
为了更好地实施实验教学,本节课采用分组教学模式,将学生分为若干小组,以小组为单位进行实验探究。
二、教学目标1. 知识与技能:了解实验基本原理,掌握实验操作方法,提高实验技能。
2. 过程与方法:通过小组合作,培养学生的团队协作精神,提高学生的问题解决能力。
3. 情感态度与价值观:激发学生对物理实验的兴趣,培养学生的创新意识,增强学生的自信心。
三、教学内容1. 实验原理:介绍实验所涉及的基本原理。
2. 实验器材:明确实验所需器材及作用。
3. 实验步骤:详细讲解实验操作步骤。
4. 实验注意事项:强调实验安全,提醒学生注意实验过程中的关键事项。
四、教学过程1. 课前准备:教师提前准备好实验器材,确保实验安全。
2. 课堂导入:简要介绍实验背景,激发学生兴趣。
3. 实验分组:将学生分为若干小组,每组4-6人。
4. 实验讲解:教师详细讲解实验原理、器材、步骤及注意事项。
5. 实验操作:各小组按照实验步骤进行操作,教师巡回指导。
6. 实验总结:各小组汇报实验结果,教师进行点评。
7. 拓展延伸:引导学生思考实验中的问题,提出改进措施。
8. 课堂小结:总结本节课的实验内容,强调重点知识点。
五、教学评价1. 学生实验操作的正确性、熟练程度。
2. 学生小组合作、问题解决的能力。
3. 学生对实验原理、实验步骤的理解程度。
4. 学生对实验过程中遇到问题的处理能力。
六、教学建议1. 注重实验安全教育,确保实验过程中学生的人身安全。
2. 鼓励学生积极参与实验,培养学生的动手能力。
3. 教师要关注学生在实验过程中的表现,及时发现问题,给予指导。
4. 注重实验数据的处理,培养学生分析问题、解决问题的能力。
5. 适当增加实验课时,让学生有更多机会动手实践。
初中物理小组实验教案一、教学目标1. 让学生了解声音的产生原理,知道声音是由物体的振动产生的。
2. 培养学生动手操作实验的能力,提高学生的观察能力和分析问题的能力。
3. 培养学生团队合作精神,增强学生的实践操作能力。
二、教学内容1. 声音的产生原理2. 实验操作步骤3. 实验数据分析4. 结论三、教学过程1. 导入:通过一个简单的例子,让学生思考声音是如何产生的。
例如,敲击一个铃铛,铃铛发出声音,是因为铃铛振动产生了声音。
2. 讲解声音的产生原理:声音是由物体的振动产生的。
当物体振动时,它周围的空气也跟着振动,形成声波,从而产生声音。
3. 分组实验:将学生分成若干小组,每组学生准备一个实验器材(如一个铃铛、一个鼓等)。
学生通过敲击、摩擦等方式使器材振动,观察并记录产生的声音。
4. 实验数据分析:让学生观察并记录实验中振动幅度、振动频率等因素对声音的影响。
例如,振动幅度越大,声音的响度越大;振动频率越高,声音的音调越高。
5. 结论:通过实验数据的分析,让学生得出声音的产生与物体的振动有关,振动幅度和频率影响声音的响度和音调。
6. 拓展:引导学生思考声音传播的条件,如在真空中声音无法传播等。
四、教学评价1. 学生能正确理解声音的产生原理,知道声音是由物体的振动产生的。
2. 学生能熟练操作实验器材,观察并记录实验数据。
3. 学生能分析实验数据,得出结论。
4. 学生能积极参与小组讨论,展示自己的观点。
五、教学资源1. 实验器材:铃铛、鼓等。
2. 实验记录表:用于学生记录实验数据。
3. 教学PPT:用于辅助讲解声音的产生原理。
六、教学建议1. 实验操作过程中,教师要关注学生的安全,避免发生意外。
2. 在学生进行实验操作时,教师要加强对学生的指导,确保实验的准确性。
3. 实验结束后,教师要引导学生认真分析实验数据,得出正确结论。
4. 针对不同学生的实际情况,教师要给予个别辅导,提高学生的物理素养。
分组物理实验教案
教案标题:分组物理实验教案
教学目标:
1. 学生能够理解物理实验的基本原理和方法。
2. 学生能够合作完成实验,培养团队合作能力。
3. 学生能够独立设计和进行简单的物理实验。
教学内容:
1. 实验原理:重力、摩擦力、弹簧力等基本物理原理。
2. 实验方法:使用简单的实验仪器和材料进行实验。
3. 实验设计:学生自主设计实验方案,完成实验报告。
教学过程:
1. 导入:通过简单的实例引入物理实验的重要性和实验方法。
2. 理论学习:介绍实验原理和方法,让学生对实验有基本的了解。
3. 分组实验:将学生分成小组,每组选择一个实验课题进行实验。
4. 实验报告:学生完成实验后,撰写实验报告并进行展示。
教学方法:
1. 合作学习:通过小组合作完成实验,培养学生的团队合作能力。
2. 实践操作:让学生亲自动手进行实验操作,提高他们的实验技能。
3. 自主学习:鼓励学生自主设计实验方案,培养他们的创新能力。
教学评估:
1. 实验报告评定:评估学生的实验设计和实验报告撰写能力。
2. 实验操作评定:评估学生在实验中的操作技能和实验结果的准确性。
3. 团队合作评定:评估学生在小组合作中的表现和团队合作能力。
教学反思:
1. 教师应该在实验前做好充分的准备工作,确保实验材料和仪器的准备齐全。
2. 教师要关注学生在实验中的表现,及时给予指导和帮助,确保实验的顺利进行。
3. 教师应该鼓励学生在实验中提出问题和探索思路,培养他们的实验精神和创新能力。
分组实验教案授课人课题用刻度尺测量长度内容与过程目的练习正确使用毫米刻度尺测长度,正确记录测量结果;练习估测到最小刻度值的下一位。
1.学生检查实验器材是否齐全,观察刻度尺的量程和分度值,观察刻度尺的零刻度线是否磨损。
2.用毫米刻度尺正确测量作业本和物理课本的长度和宽度,在记录时要求估读到分度值的下一位,并将测量结果记录下来。
3.用毫米刻度尺和三角板测量硬币的直径,在记录时要求估读到分度值的下一位,并将测量结果记录下来。
4.用毫米刻度尺和铅笔测量细铜丝的直径,先将细铜丝紧密地緾在铅笔上,数出细铜丝在铅笔上的圈数,用刻度尺测量出总圈数的长度,在记录时要求估读到分度值的下一位,算出细铜丝的直径。
重点长度的间接测量方法、如何使用时间的测量和正确读写难点长度的间接测量方法、如何使用时间的测量和正确读书,误差授课方式分组实验授课时间2021.9.17 课时1课时实验器材毫米刻度尺,三角板(2块),物理课本,硬币,约30cm长细铜丝,铅笔。
说明:内容与过程部分应根据教师教案内容填写教学的主要内容和过程小结三、误差:测量值与真实值之间总会有差别,这种差别就是误差。
错误:由于不遵守测量仪器的使用规则,或读取、记录测量结果时粗心等原因造成的误差不能消除,但可以减小,例如多测量几次。
错误可以消除分组实验教案授课人课题 用温度计测水温内容与过程目的 练习使用温度计,用温度计测水的温度1.学生检查实验器材。
2.在测量水的温度前,思考下面哪些做法和读数方法是正确的,哪些是错误的,错误的错在哪里。
3.使用温度计前要先估计被测物体(热水和冷水)的温度,选择适当的温度计,测量前要看清温度计的量程和分度值。
这样才能正确读出所测量的温度,并且不会损坏温度计。
4.用温度计测量热水和冷水的温度,测量时应将温度计的玻璃泡全部浸入被测的水中,不要碰到玻璃杯底或容器壁,要竖直放置。
5.温度计的玻璃泡浸入被测的水后要稍微等一会,待温度计的示数稳定后再读数。
八年级上册物理实验教学工作计划10篇八年级上册物理实验教学工作计划 (1) 本学期将在学校的领导下和物理组全体老师共同努力下,结合新教材实验教学的实际,把实验工作开展得扎实有效,为使今后的工作有条不紊地开展,现将本学期八年级物理实验教学计划如下:一、目的要求:1、目的:使学生对物理事实获得具体的认识,培养学生的观察和实验的能力,分析问题的能力以及实事求是的科学态度。
2、要求:大纲规定的学生分组实验和演示实验都力求做好,要求学生认真思考和操作,同时,鼓励学生课外做一些小实验,小发明,小创作,养成学生科学的态度的遵守实验规则的良好习惯。
二、本学期的学生实验平面镜成像,探究凸透镜成像的规律,探究串并联电路的电流规律三、抓常规,促使实验规范化1.学期开始,就要制定详细的实验计划和年级详细的实验进度。
实验开出率(包括演示,分组)均达到100%2.抓备课,使实验扎实进行。
演示实验备课交待器材,操作过程,让学生观察什么现象,得出什么结论;分组实验备课要求有实验目的,原理,器材,实验步骤,结论等。
通过一个月一次组检查备课和听课,物理组全体教师都能高要求的完成实验3.上好新授课中的演示实验,跟踪课堂每个细节。
落实素质教育课堂是首要途径,在课堂上培养学生的观察思维能力,创新意识的观念已深深在老师心中生根。
每一个演示实验都能达到用科学的态度尊重事实,达到客观性强,生动形象,效果明显,对学生由直观思维上升理性认识起到至关重要的作用。
分组实验:在实验前要求学生预习,教师实验前要做示范,引导学生认真观察实验现象,记录数据,分析数据,得出结论,每次实验完毕要填写实验报告,老师做到全批全改。
四、严格遵守学校实验制度:严格如实地填写实验通知单。
演示实验提前三天通知,分组实验提前7天,如实填写实验记录。
培养学生遵守实验制度,爱护实验器材,节约用水,电,药品,养成勤俭节约的美德;培养学生严谨求学,一些不苟的学风,培养学生井然有序的工作习惯。
八年级物理分组实验教案一、实验目的和要求1. 实验目的(1)让学生通过观察和操作,巩固和加深对物理概念和规律的理解。
(2)培养学生的动手能力、观察能力、思维能力和创新能力。
(3)培养学生的团队合作精神,提高实验操作的技能和技巧。
2. 实验要求(1)学生在实验前要充分预习,了解实验原理、方法和步骤。
(2)实验过程中要严格遵守实验规程,注意安全。
二、实验内容1. 实验一:测量物体的长度(1)实验目的:学习使用刻度尺测量物体长度。
(2)实验器材:刻度尺、物体。
(3)实验步骤:①观察刻度尺,了解其量程和分度值。
②选择合适的刻度尺,测量物体长度。
③记录数据,计算平均值。
2. 实验二:探究重力对物体下落的影响(1)实验目的:探究重力对物体下落速度的影响。
(2)实验器材:不同质量的物体、计时器、高度计。
(3)实验步骤:①测量不同质量的物体的下落高度和时间。
②记录数据,分析重力对下落速度的影响。
3. 实验三:测定电流表和电压表的使用(1)实验目的:学习使用电流表和电压表测量电路中的电流和电压。
(2)实验器材:电流表、电压表、电路元件(灯泡、电阻等)。
(3)实验步骤:①连接电路,使电流表和电压表与电路串联。
②测量电路中的电流和电压,记录数据。
③分析数据,得出结论。
4. 实验四:制作简易的潜望镜(1)实验目的:学习制作简易的潜望镜,了解光的折射现象。
(2)实验器材:平面镜、塑料管、光线。
(3)实验步骤:①制作潜望镜,使其能够观察到远处的物体。
②观察光的折射现象,分析潜望镜的工作原理。
5. 实验五:测定摩擦力的影响因素(1)实验目的:探究摩擦力与接触面积、压力、接触面的粗糙程度的关系。
(2)实验器材:弹簧测力计、不同接触面积的物体、不同粗糙程度的接触面。
(3)实验步骤:①利用弹簧测力计测量不同接触面积、不同粗糙程度的物体受到的摩擦力。
②记录数据,分析摩擦力与各影响因素的关系。
三、实验评价1. 实验态度:是否认真预习、遵守实验规程、积极参与实验操作。
班级:姓名:实验组别:学生分组实验:《探究凸透镜的成像特点》一.实验目的:探究凸透镜成放大和缩小实像的条件。
二.实验器材:光具座,标明焦距的凸透镜、光屏、蜡烛、火柴、粉笔。
三.实验要求 1.提出问题:凸透镜成缩小实像需要什么条件?2.猜想与假设:(1)凸透镜成缩小实像时,物距u_______2f。
(“大于”、“小于”或“等于”)(2)凸透镜成放大实像时,物距u_______2f。
(“大于”、“小于”或“等于”)3.设计和进行实验:A.检查器材,了解凸透镜焦距,并记录。
B.把凸透镜、光屏安装在光具座上,位置基本正确。
将点燃的蜡烛,安装在光具座上,调节高度,使透镜,光屏和烛焰中心大致在同一高度.C.找出2倍焦距点,移动物体到2倍焦距以外(又称:物距大于2倍焦距)某处,再移动光屏直到屏幕上成倒立缩小的清晰的实像时为止,记下此时对应的物距。
D.找出2倍焦距点,移动物体到2倍焦距与1倍焦距之间某处,再移动光屏直到屏幕上成倒立放大的清晰的实像时为止,记下此时对应的物距。
(用不透光的物体将凸透镜遮拦一半试试有什么不同)E.找出1倍焦距点,移动物体到1倍焦距以内(又称:物距小于焦距)某处,再移动光屏看能不能在光屏上成像,若不能成像,则取下光屏,透过凸透镜去看火焰,记下此时成什么样的像。
F.熄灭蜡烛,将凸透镜、光屏取下放回原处。
4.分析与论证:G.根据实验完成下表格。
根据表格中的数据得出结论。
四.实验记录和结论:3.实验结论:物体(蜡烛)到凸透镜的距离大于2倍焦距时,成、、像。
物体(蜡烛)到凸透镜的距离小于2倍焦距大于焦距时,成、的(缩小或等于物体大小)像。
由此可知:凸透镜成像时当物距变小像将变。
五.反思与拓展(1)根据表中1、2两次实验推理:当物距u=2f时,凸透镜成像。
(2)本次实验如果“透镜、光屏和烛焰中心不在同一高度”,对实验可能有什么影响?(3)当凸透镜成实验像时,若用不透光的物体将凸透镜遮拦一半,对像有什么影响?(选择“能”或“不能”)成像,像的大小将(选择“变化”或“不变化”),像将(选填“变亮”、“变暗”或“亮度不变”。
八年级上册物理教案(最新8篇)八年级物理上册教案篇一教学目标1.在常见的力现象中,知道哪些力是弹力;知道弹力是由于物体发生形变而产生的力。
2.了解弹簧测力计的构造和使用方法。
3.经历使用弹簧测力计测力的实际过程,通过实际操作学会弹簧测力计测量力的大小。
教学重、难点1.重点(1)让学生经历用弹簧测力计测力的过程。
(2)掌握用弹簧测力计测力的正确方法。
2.难点(1)微小形变。
(2)弹簧测力计原理。
教学方法实验法、观察法、讨论、交流法。
教具准备学生分组实验:弹簧测力计、钩码若干个、几条橡皮筋、一块硬纸板、一个瓶盖、一个回形针、绵线。
演示实验:大号墨水瓶、红玻璃管、红墨水、弹簧拉力器。
教学过程一、新课内容1.弹力。
演示实验:当用手拉(或压)弹簧时,弹簧受力发生形变,这时,弹簧对手也产生一个拉(或推)的力。
举例:跳水运动员向下压跳板时,跳板受压后变弯,发生形变。
同时,变弯的跳板也在向上推运动员。
师:当物体发生形变时,会产生一个力的作用。
这种因物体发生形变而产生的力叫做弹力。
师:你还知道哪些物体在哪种情况下产生弹力?生甲:撑杆跳高运动员在撑杆跳时,将杆压弯,杆会产生一个向上的力,这个力就是弹力。
生乙:我将手中的尺子压弯时,尺子对手有力的作用,这个力也是弹力。
生丙:射箭运动员射箭时,将弓拉弯,被拉弯的弓对手也有力的作用,这个力就是弹力。
生丁:我将手中的橡皮筋拉长,橡皮筋也会产生弹力。
生戊:打篮球时,球与地面挤压(或碰撞),也会产生弹力。
师:以上同学都说得很好,生活中产生弹力的例子还很多,例如我们通常所说的压力、支持力,其实质都是弹力。
举例:把手指压在桌面上,手指发生形变,对桌面有一个力(弹力)的作用,同样,桌面发生形变,对手也有力(弹力)的作用,手对桌面的弹力就是压力,而桌面对手的弹力就是支持力。
师:对这个问题同学们有疑问吗?生:桌面发生形变我们都看不出来。
师:我们来看一个演示实验。
关于物体微形变的演示实验:演示玻璃瓶的形变。