吊顶、地漏、锁具验收标准
- 格式:doc
- 大小:51.50 KB
- 文档页数:6
吊顶施工质量验收标准吊顶施工是建筑装饰的重要环节之一,对于保证建筑物整体美观和实用性起着重要作用。
为了确保吊顶施工质量达到标准要求,以下是吊顶施工质量验收的标准:一、材料验收在进行吊顶施工前,首先要对吊顶使用的材料进行验收。
材料应符合国家标准,并且检查吊顶面板是否完整无损、吊顶龙骨是否牢固、铺贴材料是否符合规定等。
二、施工工艺验收1. 吊顶平整度吊顶的平整度是评判吊顶施工质量的重要指标之一。
应该使用水平仪测量吊顶的水平度和垂直度,并确保吊顶表面没有明显的凹凸不平。
2. 吊顶连接处吊顶的连接处应该牢固可靠,没有松动或脱落的现象。
连接处的处理应平整、美观,无明显的痕迹。
3. 吊顶板材拼接吊顶板材的拼接应无裂缝、开裂或者明显的缝隙。
板材之间的拼接要牢固,不能存在松动或脱落的情况。
4. 吊顶线条吊顶线条的固定要牢靠,无松动现象。
线条的连接处要处理好,不能存在明显的间隙或者错位。
三、外观验收1. 吊顶表面吊顶表面应该平整、洁净、无划痕、无漆面脱落和明显的污渍。
吊顶的颜色要均匀、协调,不应有色差现象。
2. 吊顶边缘吊顶边缘应牢固可靠,没有断裂、松动或者脱落的情况。
边缘的处理要平整、美观,不能有毛刺或者粗糙现象。
3. 吊顶与墙面连接处吊顶与墙面的连接处应无明显空隙和缝隙,处理要平整、美观。
连接处不能存在开裂、脱落或者错位的情况。
四、防水性能验收1. 吊顶材料防水处理吊顶材料应进行防水处理,以确保吊顶在潮湿环境下不产生变形、开裂和脱落的情况。
防水层的涂料或者材料要均匀、牢固。
2. 吊顶防水层连接处吊顶防水层连接处应无松动、脱落的现象,处理要密实,不能有明显的裂缝或者空隙。
五、验收记录在进行吊顶施工质量验收时,应有详细的记录,包括验收时间、验收人员、验收结果等。
同时,还应对吊顶施工中存在的问题或不合格项提出整改要求,并在整改完成后进行复验。
总结以上是吊顶施工质量验收的标准,通过严格按照这些标准进行验收,可以确保吊顶施工质量符合要求。
吊顶验收标准及方法
吊顶的验收标准及方法如下:
1. 吊顶工程所用材料的品种、规格、颜色以及基层构造、固定方法应符合设计要求。
2. 各类龙骨吊顶必须固定牢固,固定完毕后要进行一次全面检查和校平,并检查安装位置是否正确。
3. 扣板表面不应有气泡、起皮、裂纹、缺角、污垢和图案缺损等缺陷,表面应平整,边缘应整齐,色泽应一致。
4. 扣板孔距应排列整齐,如使用的是胶合板或者木质纤维板,不应脱胶、变色和腐朽。
5. 检查选用的龙骨是否符合设计要求,保证质量。
所有在吊顶内零配件、龙骨应为镀锌件。
镀锌件主要用于防止腐蚀,能显著提高其防护性和装饰性。
6. 检查龙骨、吊杆、连接件位置是否正确,材料平整、顺直、连接牢固,无松动。
凡有悬挂的承重件(电器等)都必须增加横向的次龙骨。
7. 整体吊顶的表面应平整,不得有污染、折裂、缺棱掉角或锤伤等缺陷。
8. 用2米靠尺检查,平整度误差在3㎜以内。
光带、造型部分平直、无波浪,弧形、圆形吊顶光滑、顺畅。
9. 装饰线条接缝光滑、顺畅,色差小,阴阳角接口严密。
扣板施工平整顺直,板面不能有污染、划痕、损伤。
按照以上步骤进行吊顶的验收,可以确保吊顶的质量和安全性。
如需了解更多验收标准,建议查阅相关的施工规范或咨询装修业内人士。
吊顶验收流程及标准一、吊顶工程验收流程1.准备工作:在进行吊顶工程验收之前,需要做好以下准备工作:a.确保吊顶工程已经完工,且所有的工具和材料已经移除;b.准备好验收所需的工具,如测量尺、水平仪、手电筒等;c.确定验收标准和验收项目,了解验收重点和难点。
2.检查吊顶工程整体外观:对整个吊顶工程的外观进行检查,包括平整度、顺直度、色泽等。
观察是否存在明显的瑕疵和不足。
3.检查吊顶内部结构:打开吊顶内部结构进行检查,包括龙骨的布置、连接方式、固定件的安装等。
确保内部结构牢固、稳定,符合设计要求。
4.检查吊顶灯具安装:对所有灯具的安装进行检查,包括灯具的固定方式、线路连接等。
确保灯具安装牢固,使用安全。
5.检查吊顶风口、喷淋头等设备:对风口、喷淋头等设备进行检查,观察其安装位置、型号是否符合设计要求。
确保设备安装牢固,能够正常工作。
6.检查吊顶表面质量:对吊顶表面进行检查,观察是否存在划痕、凹凸等质量问题。
确保表面平整、光滑,色泽均匀。
7.检查吊顶安装质量:对整个吊顶工程的安装质量进行检查,包括材料的质量、安装精度等。
确保安装质量符合要求。
8.检查验收文件:对验收文件进行检查,包括文件的格式、内容等。
确保文件完整、真实,符合相关规定。
二、吊顶工程验收标准1.尺寸标准:吊顶工程的尺寸应该符合设计要求,允许偏差值应符合相关规定。
例如,吊顶高度允许偏差值为±10mm。
2.平整度标准:吊顶表面应该平整,无明显的凹凸、划痕等问题。
平整度允许偏差值为2mm/2m。
3.涂层厚度标准:吊顶涂层的厚度应该符合设计要求,涂层厚度允许偏差值为-5%~10%。
4.连接牢固度标准:吊顶内部的龙骨和固定件应该连接牢固,无松动现象。
连接牢固度应通过检查验收。
5.灯具安装标准:灯具的安装应该符合设计要求,固定方式正确,线路连接规范。
灯具安装允许偏差值为±5mm。
6.风口、喷淋头等设备安装标准:风口、喷淋头等设备的安装应该符合设计要求,位置正确,设备牢固。
吊顶的验收标准
吊顶的验收标准可以包括以下几个方面:
1. 材料检查:吊顶材料应符合设计要求,包括板材的规格、厚度、颜色、质地等。
2. 安装要求:吊顶的安装应符合规范要求,包括安装位置、尺寸、高度等。
3. 平整度检查:吊顶表面应平整,不应有明显的凹凸、起皮、起拱等现象。
4. 颜色一致性检查:吊顶的颜色应一致,不应有色差,可以通过目测或者色差仪进行检查。
5. 连接件检查:连接件使用应牢固可靠,不应有松动、断裂等情况。
6. 防水、防潮性能检查:吊顶的防水、防潮性能应符合设计要求,可以通过加水测试或者湿度测量等方法进行检查。
7. 照明灯具检查:吊顶上的照明灯具应符合设计规定,安装位置合理,照明效果良好。
8. 火灾安全性检查:吊顶的阻燃性能应符合相关标准,不应有易燃、易爆等安
全隐患。
9. 清洁性检查:吊顶的清洁性应良好,不易积灰、污染。
以上是吊顶的一般验收标准,具体验收标准可以根据项目要求和设计要求进行制定。
吊顶工程施工验收分为
一、验收流程
1. 施工完成后,施工队交付验收标准合格证明书和相关材料给业主。
2. 业主根据设计方案和质量标准初步验收吊顶工程。
3. 业主和施工队双方确定进入最终验收阶段。
4. 双方在施工现场进行最终验收,验收结果写成验收报告。
二、验收标准
1. 吊顶表面应平整、光滑,无凹凸不平、裂缝和色差。
2. 吊顶连接处应紧密且无缝隙。
3. 吊顶吊装系统应稳固、结实,无明显晃动。
4. 吊顶材料应符合国家标准,无变形、开裂、发霉等现象。
5. 吊顶边缘线条应整齐、平直,无错位和缺陷。
三、验收注意事项
1. 验收前应对吊顶工程的施工过程和资料进行全面了解,确保施工符合设计要求。
2. 验收过程中应仔细检查吊顶的每一个部位,确保吊顶的质量符合标准。
3. 验收时应根据设计文件和规范要求,对吊顶的每一个环节进行检查和测量。
4. 验收报告中应详细记录吊顶工程的验收内容、问题和处理意见,并要求施工队及时整改。
5. 验收完毕后,要及时向监理单位和业主提交验收报告,确保工程交接。
通过以上介绍,我们了解到吊顶工程施工验收是一个细致、全面的过程。
只有严格按照验
收流程和标准进行操作,才能确保吊顶工程的质量和安全性。
希望各位业主在验收时能够
认真对待,确保自己的家居装修质量有保障。
室内装修验收标准1. 前言本文档旨在确定室内装修的验收标准,以确保装修工程的质量和合规性。
通过对每个装修项目进行细致的检查和评估,以保证整体室内装修符合预期标准。
2. 验收标准2.1 墙面装修- 墙面应平整,无凹凸不平的现象。
- 墙面上不得有漏涂、粉刷不均匀的情况。
- 墙面上无开裂或渗漏现象。
2.2 地面装修- 地面应平整,无明显高低差。
- 地面无明显的破损、裂缝或变形。
- 地砖、地板等材料应牢固、防滑。
2.3 天花板装修- 天花板应平整,无明显裂缝或开裂。
- 天花板涂料应均匀、无滴漏。
2.4 门窗装修- 门窗应开闭自如,无卡顿或松动现象。
- 门窗密封性良好,无漏风现象。
- 门窗玻璃无裂缝或破损。
2.5 空调、照明等设备- 空调运转正常,制冷和制热效果良好。
- 照明设备应正常工作,无灯管闪烁或短暂故障。
2.6 厨房和卫生间装修- 水龙头和下水道无漏水现象。
- 厨房橱柜和卫生间洁具安装牢固。
- 厨房和卫生间墙面、地面防潮性好。
2.7 室内环境- 室内空气清新,无异味。
- 室内无明显的噪音污染。
3. 检查及验收程序- 由验收组组长带领,按照装修项目依次进行检查。
- 检查过程中,记录每个装修项目的情况,包括有无问题、问题解决情况等。
- 验收组成员对每个项目进行评估和讨论,最后形成共识。
4. 验收结果处理- 若出现不符合标准的情况,装修方应及时整改至符合标准为止。
- 若全部装修项目符合标准,则正式完成验收。
5. 验收责任- 验收组具有最终验收决策权。
- 验收过程中,装修方负有与验收组积极沟通和配合的责任。
以上是室内装修验收的完整标准,希望本文档对您在室内装修验收上有所帮助。
木工吊顶验收标准及方法
1. 平整度:木工吊顶的平整度应达到国家质量标准要求,无鼓泡、开裂等现象。
验收时可使用平板、垂线等工具进行测量。
2. 缝隙度:木工吊顶的拼缝处应平整、紧密,缝隙度应小于
0.5mm。
验收时可使用毛刷、荧光灯等工具进行检查。
3. 颜色和质感:木工吊顶的颜色应与施工图纸或样板一致,质
感应满足要求。
验收时可进行目视检查,对颜色、纹理进行比对。
4. 安装质量:木工吊顶应安装平稳、可靠,暴露配件、钉子等
应美观、整齐。
验收时可对吊顶的水平、垂直、倾斜等方向进行检查。
5. 防火性能:木工吊顶的防火性能应符合国家相关标准。
验收
时可进行火源测试、防火涂刷测试等检查。
6. 绿色环保:木工吊顶材料应符合环保要求,检测报告应齐全。
验收时可要求施工方提供环保检测报告。
7. 吊顶辅材:吊顶辅材(如吊牙、滴水线等)应符合要求,材
料应与吊顶主材相匹配。
验收时可对辅材的材质、安装位置等进行检查。
8. 清洁度:吊顶施工后应保持干净整洁,无残留的木屑、灰尘等。
验收时可进行目视检查。
以上是木工吊顶验收的主要标准和方法,验收时应仔细检查各项
指标,确保木工吊顶的质量和效果符合预期。
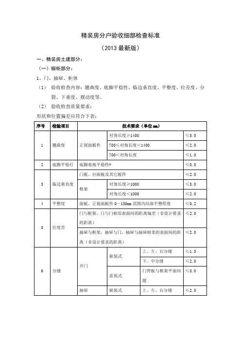
精装房分户验收细部检查标准(2013最新版)一、精装房土建部分:(一)橱柜部分:1、门、抽屉、柜体(1)验收检查内容:翘曲度、底脚平稳性、临边垂直度、平整度、位差度、分裂、下垂度、摆动度等。
(2)验收检查质量要求:形状和位置偏差应符合下表:2、人造石台面(1)验收检查内容:不平整度、表面外观、粘结缝、缺陷等。
(2)验收检查质量要求:①台面前缘不做挡水边,但应制作滴水线,须距离门板或箱体侧板至少1cm,确保水滴不会落到门板上或进入橱柜内部。
②台面后挡水相对于台面高度不得低于50mm,后挡水与墙体瓷砖接缝处使用国产或进口硅酮胶粘结(硅酮胶品牌在投标前确定)。
③后挡水与台面粘结处应倒内圆角,圆角应均匀一致。
④后挡水与墙面之间距离应≤4.0mm。
3、拉手(1)验收检查内容:牢固度、表面外观、垂直度等(2)验收检查质量要求:①拉手安装应该牢固,无晃动;②拉手的安装应与门板垂直或平行;③拉手表面不允许有划痕,缺陷。
4、水槽柜(1)验收检查内容:牢固度、表面观感、开孔角等。
(2)验收检查质量要求:①水槽安装应该牢固,在水槽底部中央加10Kg的重物,加载时间1小时,检查水槽与台面连接处,不得有拉裂的痕迹,水槽盆底距柜底的距离在加载重物前后变化不应超过3mm。
②水槽内不允许有划痕、锈迹、缺陷。
③水槽台上安装,人造石台面开孔转弯处应承圆角,不允许直角转弯或切割过度的情况出现,使用木方对开孔四周进行加固。
④如水槽采用台下安装,则技术要求如下:人造石台面开孔转弯处应承圆角,不允许直角转弯或切割过度的情况出现,内边需倒角,使用木方对开孔四周进行加固。
5、炉灶柜(1)验收检查内容:开孔角、通风等。
(2)验收检查质量要求:①炉灶柜部分人造石台面开孔转弯处应承圆角,不允许直角转弯或切割过度的情况出现,内边需倒角,使用木方对开孔四周进行加固。
②炉灶柜门必须注意有通风设计,防止煤气泄漏在柜体内积聚,并有考虑与下方消毒柜的关系,防止烹调污物流淌污染。
吊顶施工工艺验收标准吊顶施工是室内装修中非常重要的一环,其质量直接关系到整个装修工程的美观度和使用寿命。
为了确保吊顶施工的质量,制定了一系列的验收标准,以便对施工工艺进行全面检查和评估。
首先,吊顶施工的验收标准包括以下几个方面:1. 材料验收,施工前需要对吊顶所使用的材料进行验收,包括吊顶板材、龙骨、吊顶龙骨连接件等。
材料的质量直接关系到吊顶的稳固性和美观度,因此必须保证材料的质量符合相关标准。
2. 设计方案验收,验收施工单位提供的吊顶设计方案,包括吊顶的结构设计、安装方式、吊顶与其他装饰材料的接口等。
设计方案的合理性和可行性是吊顶施工的关键,必须对设计方案进行全面评估。
3. 施工工艺验收,验收施工单位的施工工艺,包括吊顶的安装、连接、固定等工艺流程。
施工工艺的合理性和规范性直接关系到吊顶的稳固性和美观度,必须对施工工艺进行严格把关。
4. 完工验收,验收吊顶施工完工后的效果,包括吊顶的平整度、垂直度、表面光洁度等。
吊顶的完工质量是最终验收的重点,必须对吊顶的完工质量进行全面评估。
在进行吊顶施工工艺验收时,需要注意以下几点:1. 严格按照相关标准进行验收,不偏离标准要求。
2. 对吊顶施工的每个环节进行全面检查,确保每个细节都符合要求。
3. 针对发现的问题,及时提出整改意见,并进行复验确认。
4. 对验收结果进行记录和归档,形成完整的验收报告,作为后续工程的参考依据。
吊顶施工工艺验收标准的制定和执行,对于保障吊顶施工质量具有重要意义。
只有严格执行验收标准,才能确保吊顶施工的质量达到要求,为室内装修工程提供稳固美观的吊顶效果。
因此,各相关单位在进行吊顶施工验收时,务必严格按照验收标准执行,确保吊顶施工的质量符合要求,为室内装修工程的顺利进行提供保障。
吊顶工程质量验收内容和要求1. 吊顶工程概述吊顶工程,其实就是在房间的顶上装个“帽子”,这帽子可不简单,能美观,又能隐藏各种管线,简直就是“面子”和“里子”的双赢。
想象一下,家里或办公室的顶上悬着一片整齐划一的吊顶,瞬间就提升了空间的档次,给人一种“哇塞”的感觉。
不过,想要吊顶看起来好,质量得过关,这可是一门大学问。
我们今天就来聊聊吊顶工程质量验收的那些事儿,让你在装潢时能更明白一些。
2. 吊顶验收的内容2.1 材料的选择首先,咱们得说说材料。
吊顶的材料有很多种,比如石膏板、矿棉板、铝扣板等等,挑选材料可不能马虎,毕竟这是“建材界”的面子活儿。
材料的质量好,才能确保吊顶不容易变形、掉落,更重要的是,得环保,不能让室内空气质量变差。
买材料时,记得要看说明书,找那些合格证、环保标志,别一时大意,给自己家添麻烦。
2.2 安装工艺然后,安装工艺也是一个重点。
吊顶的安装可不是随便往上一挂那么简单,得有一套流程。
先得找好平整的水平线,确保每一块吊顶都能稳稳当当地挂在那儿。
安装的时候,还得注意吊杆的间距,太远了可就容易出问题。
一般来说,吊杆间距要符合设计要求,像这种细节,可不能掉以轻心。
3. 验收标准3.1 外观质量说到验收,外观质量自然是首要关注的。
吊顶的表面要平整、光滑,没有明显的缝隙和裂纹,颜色要均匀。
如果吊顶上有瑕疵,简直就是“画蛇添足”,让人心里犯嘀咕。
记得验收时多走几步,观察不同角度,确保一切都不马虎。
再说了,别人看你家吊顶,第一眼就是外观,千万不能给别人留下“土里土气”的印象。
3.2 结构安全当然,除了外观,结构安全更是重中之重。
你想想,吊顶挂在那儿,可不是小事,得保证它稳如泰山。
验收时,要检查吊杆和龙骨的安装是否牢固,能否承受一定的重量。
如果吊顶“晃晃悠悠”的,真的是心里不踏实。
再者,检查电线管道是否安全,避免后续出现漏电之类的安全隐患,毕竟,安全第一嘛!4. 总结吊顶工程的质量验收,就像是一场“面子与里子”的考验,既要外表美观,又得结实耐用。
吊顶工程验收要点、标准及方法
吊顶工程验收的要点、标准及方法包括以下几个方面:
1. 材料验收:检查吊顶材料是否符合设计要求和标准,如天花板板材的质量是否达标、防火等级是否符合要求、吊顶龙骨材料的规格尺寸是否一致等。
2. 工艺验收:检查吊顶工艺是否符合设计要求和标准,如吊顶板材的拼接是否平顺、龙骨安装是否牢固、封边处理是否规范等。
3. 规格验收:检查吊顶规格是否符合设计要求和标准,如吊顶的高度、平整度、垂直度是否符合设计要求。
4. 视觉验收:检查吊顶的表面效果是否符合设计要求和标准,如吊顶的颜色、装饰效果是否一致。
5. 功能验收:检查吊顶的功能是否符合设计要求和标准,如吊顶的隔音、防火、隔热等性能是否达标。
验收标准可以参考国家相关标准,企业内部的施工规范以及设计方案中的技术要求。
验收方法可以采用目视检查、尺寸测量、压力测试、抽检等方式进行。
根据不同的吊顶工程特点,可以选择合适的验收方法。
需要注意的是,在验收过程中,要与施工方和设计方进行充分的沟通与协商,确保验收结果的真实性和客观性。
任何不符合要求的问题都应当及时提出,让施工方进行整改。
吊顶施工验收要求吊顶施工是装修的重要环节之一,而验收则是确保吊顶的质量和稳定性的必要步骤。
以下是吊顶施工验收的要求和步骤:1. 平整度要求。
在验收过程中,需要用水平仪检测吊顶的平整度。
对于整个吊顶的平均落差,其范围应在2mm以内,而对于一个小的区域内,需要在2mm以内。
如果发现一些凸起或凹陷的部位,必须及时予以修改。
2. 表面平整度要求。
在进行验收时,也需要做好吊顶表面的平整度要求。
所有的拼接处必须平整,理顺,并且无缝隙。
3. 管件和布线完整性要求。
在验收中还需要检查管件和布线是否完整。
可以检查未灌浆的地方,如果发现缺失,应及时补齐。
如果存在管件与吊顶板材之间出现的空隙,空隙大小不得超过5mm。
如果存在断线或磨损的情况,应及时更换。
4. 吊顶板件图案晰清。
在验收时也需要注意是否打出了预期的图案。
吊顶板件的图案应该与设计方案一致,不能出现偏差。
需要特别注意的是图案的色差问题,尤其对于有一定色彩要求的工程。
5. 灯具安装平衡性。
在进行吊顶施工验收时,也要检查灯具的安装情况。
灯具的安装点应该做到有水平和垂直校准,以确保灯具不会倾斜或抖动。
也需要检查灯具安装的时候是否牢固。
完成吊顶施工验收之后,还需要对验收结果进行合理记录。
对于不存在的问题可以签字仔细认真。
对于存在问题的地方,应填写详细进度记录,清晰描述吊顶施工中需要再次打磨或修整的部分,或者进行了一定的更改或调整。
验收记录应该清楚,以方便后续处理。
总而言之,吊顶施工的验收是保障室内的质量和美观的重要步骤,只有认真地执行吊顶施工验收的各项要求和步骤,才能确保吊顶能够优质完成。
木工吊顶验收标准(一)木工吊顶验收标准引言木工吊顶的验收对于整个工程的质量至关重要,在验收时需要严格按照标准进行,以确保工程质量符合要求。
验收标准1.吊顶安装位置是否符合设计要求,垂直度是否满足规定标准;2.吊顶的连接是否牢固,是否有松动现象;3.吊顶的表面是否光滑,是否存在明显缺陷;4.吊顶下方是否有积水,是否有漏水现象;5.吊顶装饰是否与设计方案完全一致,如颜色、纹理等;6.吊顶装饰材料是否符合相关标准,如环保标准等;7.吊顶装饰是否有明显的色差现象。
验收方法1.检查吊顶的位置、垂直度以及连接是否牢固,可以采用目视检查或者使用工具进行测量;2.检查吊顶的表面光滑度,可以用眼睛观察或者使用手触摸;3.检查吊顶下方是否有积水或者漏水现象,可以用手触摸或者使用水平仪等仪器进行测量;4.比较吊顶的装饰材料与设计方案的图纸进行比对,判断是否完全一致;5.采用专业仪器进行颜色比较,判断装饰是否存在色差现象。
总结验收木工吊顶时,需要严格按照标准进行,检查吊顶的位置、垂直度、连接、表面光滑度、积水漏水等问题,同时还需比较吊顶装饰材料是否一致和是否存在明显色差现象。
通过严格的验收,可确保工程质量符合要求。
注意事项1.验收人员应该具备相关的专业知识和经验,能够对吊顶进行准确的判断和分析;2.验收前应该确保吊顶已经完成安装,且尚未运用或使用;3.验收时应注意安全,避免发生意外伤害;4.对于发现的问题,应及时记录并通知相关人员进行处理;5.验收结果应该在验收记录表中进行详细记录。
结论木工吊顶的验收对于提高施工质量和工程质量至关重要,需要在施工前就制定验收标准,并在验收时进行详细的检查和判断。
只有严格执行验收标准,才能确保木工吊顶工程质量符合要求,满足设计要求,并保证后续使用的安全和舒适。
吊顶验收标准和验收方法我之前搞吊顶那会,也是一头雾水,完全不知道从哪下手验收。
说实话吊顶这事,我一开始也是瞎摸索。
先说这吊顶的验收标准吧。
平整度很重要,你就想啊,这吊顶就像你家地上铺地砖似的,要是不平,看着就膈应人。
我检查的时候就拿根长点的直尺,或者那种长点的铝合金条也行,放在吊顶上,要是和吊顶之间有大缝隙,那肯定不行。
缝隙要是超过个三毫米,我觉得就有问题了,这个三毫米就是我自己摸索出来感觉看着就不太舒服的一个界限,不过我也不确定这个数据是不是特准确。
还有就是吊顶的牢固程度。
我就吃过这亏啊。
有一回我以为看起来稳稳当当的就没事了,哪知道后来有点小松动。
之后我就知道了,得用手敲一敲,要是听到那种空空的声音,可能里面就没固定好。
还得看看那些连接的地方,像螺丝啊,钉子啊有没有露出来,要是露出来不仅不美观,还可能划伤手。
有次我家孩子就在吊顶下玩,差点被划到,从那之后我就更在意这个了。
再来说说验收方法。
我试过在灯光下检查吊顶的表面。
就像你在太阳下看东西一样,有瑕疵很容易就看出来了。
如果吊顶上有漆面,你看那漆面是不是光滑平整,有没有气泡或者流坠的情况。
就像我们涂指甲油要是不均匀就会有一坨一坨的或者小气泡,吊顶漆面也一样。
我见过一家的吊顶,漆面流坠得像小瀑布似的,难看死了。
另外就是看吊顶内部,要是能看到的话。
看里面的龙骨安装得规不规整,龙骨就相当于这个吊顶的骨架,骨架要是歪歪扭扭的,能好到哪去呢。
我有一次去看一个朋友家装修,他那吊顶看起来表面挺好的,结果后来有点变形,就是因为龙骨没弄好。
我还问过工人师傅,他们说龙骨的间距也很重要,但是具体怎么个重要法,我也不是特别清楚。
不过我想啊,要是太近了浪费材料,要是太远了,支撑肯定不够呗。
最后就是看吊顶周围的收口处理。
这个收口衔接得好不好就像咱们衣服的边缘有没缝好一样。
要是收口那里参差不齐,那整个吊顶看起来也不精致。
你要是看见收口那里有裂缝或者缝隙很大,那也不合格。
这就是我在吊顶验收方面的一点经验,希望能有点用。
吊顶工程外观及尺寸偏差检查标准(试行)1 总则为贯彻集团的质量方针和质量目标,提高建筑装饰装修吊顶工程的施工质量,按照国家有关标准,结合企业的施工及管理水平制定本标准。
2 适用范围适用于集团施工的各种类型及各种不同材料的明、暗龙骨吊顶工程。
3 外观质量检查3.1标准要求3.1.1饰面材料表面应洁净、色泽一致,不得有翘曲、裂缝及缺损。
饰面板与明龙骨的搭接应平整、吻合,压条应平直、宽窄一致。
3.1.2饰面板上的灯具、烟感器、喷淋头、风口篦子等设备的位置应合理、美观,与饰面板的交接应吻合、严密。
3.1.3金属龙骨的接缝应平整、吻合、颜色一致,不得有划伤、擦伤等表面缺陷。
木质龙骨应平整、顺直,无劈裂。
3.1.4吊顶内填充吸声材料的品种和铺设厚度应符合设计要求,并应有防散落措施。
3.1.5吊顶标高、尺寸、起拱和造型应符合设计要求。
3.1.6饰面材料的材质、品种、规格、图案和颜色应符合设计要求。
当饰面材料为玻璃板时,应使用安全玻璃或采取可靠的安全措施。
3.1.7饰面材料的安装应稳固严密。
明龙骨吊顶饰面材料与龙骨的搭接宽度应大于龙骨受力面宽度的2/3。
3.1.8暗龙骨吊顶工程的吊杆、龙骨和饰面材料的安装必须牢固。
3.1.9吊杆、龙骨的材质、规格、安装间距及连接方式应符合设计要求。
金属吊杆、龙骨应经过表面防腐处理;木吊杆、龙骨应进行防腐、防火处理。
3.1.10石膏板的接缝应按其施工工艺标准进行板缝防裂处理。
安装双层石膏板时,面层板与基层板的接缝应错开,并不得在同一根龙骨上接缝。
3.1.11吊杆距主龙骨端部距离不得大于300mm,当大于300 mm时,应增加吊杆。
当吊杆长度大于1.5 m时,应设置反支撑。
当吊杆与设备相遇时,应调整并增设吊杆。
3.1.12重型灯具、电扇及其他重型设备严禁安装在吊顶工程的龙骨上。
3.2检查方法:全数观察、尺量3.2.1每个检验批应至少抽查10%,并不得少于3间;不足3间时应全数检查。
吊顶施工验收要求
1.吊顶基础验收:在吊顶施工前,应对原建筑物的梁、柱、板、墙等进行检查验收。
确保原建筑物的结构安全、稳定,不影响吊顶施工安全。
2. 吊顶材料验收:施工前应对吊顶所需的材料进行验收。
吊顶材料应符合国家标准,无明显瑕疵、裂纹、色差、变形等缺陷。
3. 吊顶施工验收:吊顶施工应按照设计方案和施工方案进行,施工现场应保持整洁、有序。
吊顶的水平度、垂直度、平整度应符合设计要求,无明显缝隙、起翘、掉落等现象。
4. 吊顶安装验收:吊顶安装应按照设计方案和施工方案进行,安装过程中应保证吊顶的整体性和稳定性,应无虚浮、松动现象。
5. 吊顶防火验收:吊顶施工应符合国家消防标准要求,吊顶材料应具有良好的防火性能,吊顶表面应平整无明显凹凸,不得有漏涂、漏刷等现象。
6. 吊顶照明验收:吊顶照明应符合国家电器安全标准,照明灯具应安装牢固,照度均匀、明亮,无闪烁、抖动等现象。
7. 吊顶保养验收:吊顶施工完成后,应对吊顶进行保养和清洁,定期检查吊顶的安全性和稳定性,发现问题及时处理。
注:本文仅供参考,具体验收要求应根据实际情况和相关标准进行确定。
- 1 -。
装饰装修验收标准
1. 墙面:颜色应均匀、色泽均匀、无污渍及起皮、缝隙及曲缝等问题不得有明显缺陷。
2. 地面:表面完好、拼花牢固、有面排驳型设计,边缘无明显缺陷。
3. 天花板:表面完好、有设计师要求的花纹设计,无明显缺陷。
4. 吊顶:表面均匀、不含尘点、无漏铺、排列规整,无明显缺陷。
5. 窗户:框架安装牢固,试用时无漏风、漏雨现象,帘布整齐、缝制规范,滑动自如,无明显缺陷。
6. 门:表面完好,无划痕,框架及装饰正确、牢固,开启自如,无明显缺陷。
7. 洁具:安装牢固,无破损、滴螺纹松动、漏水现象,操作舒适,无明显缺陷。
8. 电器:安装牢固、功能使用正常,安全性好,无明显缺陷。
吊顶客户及工长验收标准金属板吊顶验收规范1.金属板的吊顶基底工程必须符合基底工程有关规定。
2.吊顶用金属板的材质、品种、规格、颜色及吊顶的造型尺寸,必须符合设计要求和国家现行有关标准规定。
3.金属板与龙骨连接必须牢固可靠,不得松动变形。
4.设备口、灯具的位置应布局合理,按条、块分格对称,美观。
套割尺寸准确边缘整齐,不露缝。
排列顺直、方正。
检验方法:观察、手扳、尺量检查。
(2)基本项目金属板的安装质量应符合以下规定:优良:板面起拱度准确;表面平整;接缝、接口严密;条形板接口位置排列错开有序、板缝顺直,无错台错位,宽窄一致;阴阳角收边方正;装饰线肩角、割向正确,拼缝严密异形板排放位置合理、美观。
金属板表面应符合以下规定:优良:表面整洁,无翘曲、碰伤,镀膜完好无划痕,颜色协调一致、美观。
检验方法:观察、拉线、尺量检查。
吊顶质量及工艺标准一、铝板板吊施工工艺1.1.材料及构配件:1.1.1轻钢骨架分U形骨架和T形骨架两种,并按荷载分上人和不上人两种。
1.1.2 轻钢骨架主件有大、中、小龙骨;配件有吊挂件、连接件、挂插件。
1.1.3 零配件有吊杆、花篮螺丝、射钉、自攻螺钉。
1.1.4 罩面板按设计要求选用,材料的品种、规格、质量应符合设计要求。
1.1.5 胶粘剂:应按主粘材的性能选用,使用前做粘结试验。
1.2 主要机具:1.2.1 电锯、无齿锯、射钉枪。
1.2.2 手锯、手刨子、钳子、螺丝刀、扳子、方尺、钢尺、钢水平等。
1.3 作业条件:1.3.1 结构施工时,应在现浇混凝土楼板或预制混凝土楼板缝中,按设计要求间距预埋φ6~φ10钢筋吊杆,一般间距为900mm、1200mm。
1.3.2 当吊顶房间的墙、柱为砖砌体时,应在砌筑时按顶棚标高预埋防腐木砖,木砖沿墙间距900mm~1200mm,木砖在柱中每边应埋设两块以上。
1.3.3 安装完顶棚内的各种管线及设备,确定好灯位、通风口及各种露明孔口位置。
1.3.4 各种材料全部配套备齐。
1.3.5 顶棚罩面板安装前,应做完墙、地湿作业工程项目。
1.3.6 搭好顶棚施工操作手台架子。
1.3.7 轻钢骨架顶棚在大面积施工前,应做样板间,对顶棚的起拱度、灯槽、通风口等处进行构造处理,通过做样板间决定分块及固定方法,经鉴定认可后再大面积施工。
2.操作安装2.1 流程:弹顶棚标高水平线→ 划龙骨分档线→安装主龙骨吊杆→安装主龙骨→安装次龙骨→ 安装罩面板→刷防锈漆→安装压条2.2 弹顶棚标高水平线:根据楼层标高水平线,用尺竖向量至顶棚设计标高,沿墙、往四周弹顶棚标高水平线。
2.3 划龙骨分档线:按设计要求的主、次龙骨间距布置,在已弹好的顶棚标高水平线上划龙骨分档线。
2.4 安装主龙骨吊杆:弹好顶棚标高水平线及龙骨分档位置线后,确定吊杆下端头的标高,按主龙骨位置及吊挂间距,将吊杆无螺栓丝扣的一端与楼板预埋钢筋连接固定。
未预埋钢筋时可用膨胀螺栓。
2.5 安装主龙骨:2.5.1 配装吊杆螺母。
2.5.2 在主龙骨上安装吊挂件。
2.5.3 安装主龙骨:将组装好吊挂件的主龙骨,按分档线位置使吊挂件穿入相应的吊杯螺栓,拧好像母。
2.5.4 主龙骨相接处装好连接件,拉线调整标高、起拱和平直。
2.5.5 安装洞口附加主龙骨,按图集相应节点构造,设置连接卡固件。
2.5.6 钉固边龙骨,采用射钉固定。
设计无要求时,射钉间距为1000mm。
2.6 安装次龙骨:2.6.1 按已弹好的次龙骨分档线,卡放次龙骨吊挂件。
2.6.2 吊挂次龙骨:按设计规定的次龙骨间距,将次龙骨通过吊挂件吊挂在大龙骨上,设计无要求时,一般间距为500mm~600mm。
2.6.3 当次龙骨长度需多根延续接长时,用次龙骨连接件,在吊挂次龙骨的同时相接,调直固定。
2.6.4 当采用T型龙骨组成轻钢骨架时,次龙骨的卡档龙骨应在安装罩面板时,每装一块罩面板先后各装一根卡档次龙骨。
2.7 安装罩面板:在安装罩面板前必须对顶棚内的各种管线进行检查验收,并经打压试验合格后,才允许安装罩面板。
顶棚罩面板的品种繁多,一般在设计文件中应明确选用的种类、规格和固定方式。
罩面板与轻钢骨架固定的方式分为:罩面板自攻螺钉钉固法、罩面板胶结粘固法,罩面板托卡固定法三种。
2.7.l 罩面板自攻螺钉钉固法:在已装好并经验收的轻钢骨架下面,按罩面板的规格、拉缝间隙、进行分块弹线,从顶棚中间顺通长次龙骨方向先装一行罩面板,作为基准,然后向两侧伸延分行安装,固定罩面板的自攻螺钉间距为150mm~170mm。
2.7.2 罩面板胶结粘固法:按设计要求和罩面板的品种、材质选用胶结材料,一般可用401胶粘结,罩面板应经选配修整,使厚度、尺寸、边楞一致、整齐。
每块罩面板粘结时应领装,然后在预装部位龙骨框底面刷胶,同时在罩面板四周边宽10mm~15mm的范围刷胶,经5min后,将罩面板压粘在预装部位;每间顶棚先由中间行开始,然后向两侧分行粘结。
2.7.3 罩面板托卡固定法:当轻钢龙骨为T形时,多为托卡固定法安装。
T型轻钢骨架通长次龙骨安装完毕,经检查标高、间距、平直度和吊挂荷载符合设计要求,垂直于通长次龙骨弹分块及卡档龙骨线。
罩面板安装由顶棚的中间行次龙骨的一端开始,先装一根边卡档次龙骨,再将罩面板槽托入T形次龙骨翼缘或将无槽的罩面板装在T形器缘上,然后安装另一侧长档次龙骨。
按上述程序分行安装,最后分行拉线调整T形明龙骨。
2.8 安装压条:罩面板顶棚如设计要求有压条,待一间顶棚罩面板安装后,经调整位置,使拉缝均匀,对缝手整,按压条位置弹线,然后接线进行压条安装。
其固定方法宜用自攻螺钉,螺钉间距为300mm;也可用胶结料粘贴。
2.9 刷防锈漆:轻钢骨架罩面板顶棚,碳钢或焊接处末做防腐处理的表面(如预埋件、吊挂件、连接件、钉固附件等),在各工序安装前应刷防锈漆。
3.质量标准3.1 保证项目:3.1.1 轻钢骨架和罩面板的材质。
品种、式样、规格应符合设计要求。
3.1.2 轻钢骨架安装,吊杆、主、次龙骨必须位置正确,连接牢固,无松动。
3.1.3 罩面板应无脱层、翘曲、折裂、缺楞、掉角等缺陷;安装必须牢固。
3.2 基本项目:3.2.1 轻钢骨架整面应顺直,无弯曲、无变形;吊挂件、连接件应符合产品组合的要求。
3.2.2 罩面板表面手整、洁净,颜色一致;无污染、反锈等缺陷。
3.2.3 罩面板接缝形式应符合设计要求,拉缝和压条宽窄一致,平直、整齐,接缝应严密。
地漏的质量标准1.1本体材质可采用铸铁、工程塑料(ABS)、硬聚氯乙烯(PVC- U),也可采用铜合金或不锈钢等材料。
1.2防水翼环、调节段部件和管接口应采用与本体同种材质。
1.3箅子采取和盖板可采用铜合金、不锈钢和工程塑料材质。
1.4箅子采取螺钉固定时应选用全铜或不锈钢沉头螺钉。
当选用铜合金或工程塑料时,表面宜镀铬处理,其镀层厚度应符合GB/T11379-1989规定。
1.5铸铁成型地漏应符合GB/T9439-1988和GB/T3420-1982规定。
1.6塑料成型地漏的材料性能应符合表1规定。
1.7铜合金铸造的地漏应符合GB/T1176-1987和GB/T13819-1992规定。
1.8不锈钢材质应符合GB/T2100-2002规定。
2外观内外表面应光滑、平整、不允许有气泡、裂口和明显的痕纹、凹陷,并应完整无缺损,浇口及溢边应平整。
塑料地漏不允许有色泽不均及分解变色线。
3性能和构造3.1有水封地漏的水封深度应不小于50mm。
3.2直通式地漏由本体、调节段和防水翼环组成。
3.3实用型地漏除由本体、箅子、调节段和防水翼环组成外,尚应有包含满足其使用要求的部件。
3.3.1密闭型地漏不排水时,其盖板的密闭性应能承受0.04MPa 水压10min无水溢出。
3.3.2带网框地漏应便于拆洗滤网,滤网孔径或孔宽宜为4~ 6mm,过水部分孔隙总面积应不小于2.5倍排出口断面面积。
3.3.3防溢地漏应能防止返溢水通过箅子溢至地面。
其性能应符合在0.04MPa水压条件下30min不返溢。
3.3.4多通道地漏接口尺寸和方位应便于连接器具接管,进口中心线位置应高于水封面,且排出口断面应大于进口接管断面之和。
3.3.5侧墙式地漏的构造应满足:(a)地漏底边低于进水口底部的高度不小于15mm。
(b)距地面20mm高度内箅子的过水断面不小于排出口断面的75%。
3.3.6直埋式地漏总高度不宜大于250mm。
3.4本体构造:(a)有足够强度,承受水压不小于0.2MPa,30s本体无泄漏、无变形; (b)排水中的杂物不易沉淀下来; (c)各部分的过水断面面积应大于排出管的截面积,且流道截面的净宽不宜小于10mm; (d)最小壁厚不宜小于表2规定。
3.5地漏箅子:3.5.1开孔总面积应不小于排出口断面面积,孔径或孔宽宜为6~8mm。
3.5.2箅子的承载能力应满足表3规定。
3.5.3供家用洗衣机排水用的箅子需带Φ32接口,并配有可紧固的孔盖。
3.6调节段:可调节高度应不小于20mm,并应有调节后的固定措施。
3.7防水翼环:应在本体上,其最小宽度应不小于15mm,翼环位置距地漏最低调节面宜为20mm。
3.8地漏内构成水封的部件应与地漏本体有固定结构。
4连接口尺寸4.1塑料产品的承口中部平均内径和承口深度、壁厚等应符合GB/T5836.2-1992规定。
4.2铸铁产品的承插连接尺寸应符合GB/T12772-1999和CJ/T178-2 003规定。
4.3管螺纹连接尺寸应符合GB/T7307-2001 和GB/T12716-2002规定。
4.4铸铁产品的卡箍式连接尺寸应符合CJ/T177-2002规定。
5耐热性能地漏本体及各个部件应能承受75℃水温30min,不变形、不渗漏。
对于排水水温要求较高的场所,可采用工程塑料聚碳酸酯。
6排水流量地漏最小排水流量应符合表4规定。
7自清能力当不可拆卸清洗时,有水封地漏的自清能力应能达到90%以上;当可拆卸清洗时,有水封地漏的自清能力应能达到80%以上。
8水封稳定性有水封地漏在正常排水的情况下,当排水管道负压为-400 ±10Pa并持续10s时,地漏中的水封剩余深度应不小于20mm。
锁具验收标准一看材质市场上的锁具材料基本分成不锈钢、铜、锌合金。
不锈钢强度高、耐腐蚀性强、不变色,是最佳的造锁材料;铜比较通用,机械性能优越,价格较高;高品质锌合金坚固耐磨,耐腐蚀性强,且容易成型,多用于中档锁。
三看表面处理表面处理大致分为电镀、喷涂和着色三种,通过表面处理在产品表面形成一层致密保护膜,起到防腐和防锈的作用,让产品更加美观耐用。
同时也是衡量产品质量的标准,质量好的锁具,多采用电镀处理,镀层细腻光滑,均匀适中,色泽鲜艳,无气泡、生锈及氧化迹象。
四看执行标准国外对于五金锁具都有非常严格的标准规定,所以进口产品的质量相对也比较高一些。