150t履带吊起重曲线
- 格式:xls
- 大小:65.50 KB
- 文档页数:1
1 基本尺寸图(一)
4 作业姿势
5 S杆工况额定起重量表和工况载荷曲线图
6 SW杆工况额定起重量表
7 SW杆工况载荷曲线图
8 SD工况额定起重量表
9 SD工况额定起重量表
10 SDB工况载荷曲线图
11 SWD工况额定起重量表
12 SWD工况额定起重量表
13 SWD/SWDB工况载荷曲线图
14 SW杆工况额定起重量表
15 SW杆工况载荷曲线图
16 SDWB杆工况额定起重量表
17 SDWB杆工况载荷曲线图
18 SDWB工况额定起重量表
19 SDWB工况载荷曲线图
20 运输时的重量和外形尺寸
21 作业时的有关技术数据
22 配备图
三、250t(CKE 2500)
1 基本尺寸图
2 主臂工况扬程曲线图
5 副臂工况扬程曲线图
6 部件尺寸详图
7 运输计划
8 臂架布置
9 配备图
四、250t(SCX 2500)
1 基本尺寸图。
履带起重机系列SCC1500DSCC1500D 履带起重机AAS C C 1500DA SCC1500D 履带起重机03整机基本尺寸04主要技术特点05主要性能参数表06运输尺寸07安装示意图11B设备简介13上车14下车16作业设备17安全装置18主要机构参数20C工况组合21工况组合22轻型主臂H L 工况23固定副臂FJ 工况282 SCC1500D04 05 06 07 11SCC1500D 履带起重机A整机基本尺寸整机基本尺寸AB4 SCC1500DSCC1500D 履带起重机A主要技术特点主要技术特点1. 安全的控制系统:工作和安装两种操作模式方便可靠;配有水平度实时显示、离机停止动作、紧急电气控制、防雷击保护、行走自动调向、闭路监控等功能,安全及监控装置齐全。
2. 卓越的操作性能:负荷传感、极限负荷调节以及电液比例微速控制使各个动作微动性极佳,操作更平稳。
3. 可靠的功能保证:关键部件全部采用国际知名品牌;结构和机构设计的安全余量充分;控制系统可在高寒、高温、高原以及大风沙恶劣环境中稳定运行。
4. 方便的维护技术:需调整部位接近时间不大于10min/人,需日常保养部位接近时间不大于30min/人,最长维修接近时间不大于2h/人;并配有GPS 远程监控系统方便用户进行设备维护与管理。
5. 强大的起重能力:主臂最大起重能力112.5t ×8m=900t.m ,最长主臂81m 。
6. 高效的自装卸技术:整机可自行安装及拆卸,主机安装只需3h ;桅杆一键扳起同步控制专利技术具有自主知识产权。
7. 优化的运输方案:本体运输宽度仅3m 、运输重量仅41t ,可全球无限制运输。
8. 大底盘设计:轨距为6m 的底盘保证360°回转范围内出色的作业稳定性。
9. 行走自动正向:回转180度自动调整正向行走。
10. 选配燃油加热器:可满足高寒地区的低温启动。
11. 发动机二级过滤:可满足国产柴油机使用。
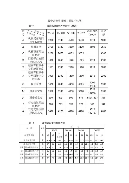
履带式起重机械主要技术性能表— 4履带式起重机外型尺寸(毫米)符外起重机W1-50 W1-100 W1-200 2-1252 西北 78D 布尼型名型号称( 80D)茶A 机橱尾部到回2900 3300 4500 3540 3450 6000 转中心距离B 机栅高度2700 3120 3200 3120 3500 2630C 机栅顶部距地3220 3675 4125 3675 4200 面高度D 回转平台底面1000 1045 1190 1095 1220 1500 距地面高度E 起重臂枢轴中1555 1700 2100 1700 1850 2000 心距地面高度起重臂枢轴中F 心至回转中心1000 1300 1600 1300 1340 2300的距离G 履带长度3420 4005 4950 400545006200 ( 4450)M 履带架宽度2850 3200 4050 320032503100 ( 3500)N 履带板宽度550 675 800 675 680(760)550I 行走底架距地300 275 390 270 310 340 面高度K双足支架顶部3480 4170 4300 418047204600 距地面高度( 5270)表— 5 履带式起重机机械性能参数单位型号W1 -100 W1-200 Г-1252W1-50起重臂长度1813 23 1530 40 20 25 米10 18带鸟嘴最大起重半径米最小起重半径米65起重最小起重半径时吨量最大起重半径时吨82 起重最小起重半径时米高度最大起重半径时米(1)W1-50型履带式起重机图 4 中:1 —— L=18 米有鸟嘴时,R— H 曲线2 —— L=18 米时, R— H 曲线3 —— L=10 米时, R— H 曲线1’—— L=18 米有鸟嘴时,Q— R曲线2’—— L=18 米时, Q— R 曲线3’—— L=10 米时, Q— R 曲线图 4 W1-50 型履带式起重机性能曲线表— 6 W1—100 型起重机主要技术性能名称性能参数单位最大起重量15 吨起重臂长度13 23 米回转半径 6 10 1517 米起重量1510 8 3 吨(2)W1-100型履带式起重机图 5 中:1 ——起重臂长23 米时起重高度曲线2 ——起重臂长23 米时起重重量曲线3 ——起重臂长13 米时起重高度曲线4 ——起重臂长13 米时起重重量曲线图 5 W1-100 型履带式起重机工作曲线表— 7 W1—100A 型起重机主要技术性能名称性能参数单位起重臂长度25 25 带横伸臂米回转半径1923 米起重最大高度12 米起重量16 6 3 吨(3) W1-100A 型履带式起重机图6 W1-100A 型履带式起重机工作曲线图6 中:1 ——起重臂长25 米带横伸臂时起重高度曲线2 ——起重臂长25 米时起重高度曲线3 ——起重臂长12.5 米时起重高度曲线4 ——起重臂长12.5 米时起重重量曲线5 ——起重臂长25 米时起重重量曲线6 ——起重臂长25 米带横伸臂时起重重量曲线(4) W-200 型履带式起重机图7 W1-200 型履带式起重机工作曲线图7 中:1—— L=40 米时, R— H 曲线2—— L=30 米时, R— H 曲线3—— L=15 米时, R— H 曲线1’—— L=40 米时, Q— R 曲线2’—— L=30 米时, Q— R 曲线3’—— L=15 米时, Q— R 曲线。
150T起重机起重(全配重)起重性能表
1. 基本信息:
- 起重机型号:150T起重机
- 起重方式:全配重
- 额定起重量:150吨
- 有效起重范围:0-150吨
- 工作半径:根据实际需求可调整
2. 起重性能:
- 0-10吨:起升速度 12米/分钟,升高高度 83米起升速度 12米/分钟,升高高度 83米起升速度 12米/分钟,升高高度 83米- 10-50吨:起升速度 9米/分钟,升高高度 80米起升速度 9米/分钟,升高高度 80米起升速度 9米/分钟,升高高度 80米- 50-100吨:起升速度 6米/分钟,升高高度 75米起升速度 6米/分钟,升高高度 75米起升速度 6米/分钟,升高高度 75米- 100-150吨:起升速度 3米/分钟,升高高度 70米起升速度 3米/分钟,升高高度 70米起升速度 3米/分钟,升高高度 70米
3. 功能特点:
- 配备全配重系统,能够有效提升起重机的稳定性和安全性。
- 采用先进的智能控制系统,操作简单,具备故障自动检测和
报警功能。
- 支持远程无线遥控操作,提高操作的灵活性和安全性。
- 设备具有超载保护系统,能够在超载情况下自动停机,确保
起重过程安全可靠。
4. 适用范围:
- 150T起重机起重(全配重)适用于工地、码头、车站等需要大
吨位起重作业的场所。
- 可用于起吊重量较大、尺寸较大的物品,如各类机器设备、
建筑材料等。
请注意:以上起重性能表仅供参考,具体参数以实际设备为准。