渗透探伤报告模板
- 格式:doc
- 大小:27.00 KB
- 文档页数:1
钢结构渗透探伤检测报告1.引言1.1 概述概述钢结构渗透探伤检测是一种非破坏性检测方法,通过利用渗透液在钢结构表面的渗透性,来发现和评估钢结构内部的缺陷和损伤。
这种检测方法被广泛应用于建筑、桥梁、航空航天等领域,可以有效地检测到隐藏在钢结构内部的裂缝、气孔、孔洞、粘接不良等缺陷,为钢结构的安全使用提供了重要的保障。
本文将对钢结构渗透探伤检测的原理、方法、优势以及应用前景进行全面的介绍和分析。
首先,我们将详细介绍渗透探伤检测的工作原理,包括渗透液的作用机制、渗透液的选择以及渗透过程中的表面张力作用等。
随后,我们将介绍常见的渗透探伤检测方法,包括可见光渗透法、紫外光渗透法和荧光渗透法等,对它们的原理、适用范围和操作步骤进行详细说明。
在结论部分,我们将总结渗透探伤检测的优势,包括无损伤、高灵敏度、操作简便等特点,并展望渗透探伤检测在未来的应用前景。
我们相信,随着科学技术的不断进步和纳米材料的广泛应用,钢结构渗透探伤检测将在工程领域发挥越来越重要的作用,为钢结构的设计、制造和维护提供更加可靠的依据。
通过本文的阅读,读者将能够全面了解钢结构渗透探伤检测的基本原理和方法,并对其在实际应用中的优势和前景有更深入的了解。
希望本文对广大读者在钢结构渗透探伤检测领域的学习和研究有所帮助。
文章结构部分的内容可以写成如下形式:1.2 文章结构本文将分为以下几个部分来讨论钢结构渗透探伤检测的相关内容:1. 引言:首先对钢结构渗透探伤检测进行概述,介绍其背景和意义。
2. 正文:主要包括渗透探伤检测原理和方法的详细介绍。
在渗透探伤检测原理部分,将讲解其基本原理、工作原理以及相关理论知识。
在渗透探伤检测方法部分,将介绍不同的渗透探伤方法、步骤以及具体操作技术。
3. 结论:总结渗透探伤检测的优势,探讨其在钢结构领域中的应用前景。
通过以上三个部分的内容,希望读者能够全面了解钢结构渗透探伤检测的相关知识和技术,进一步认识其重要性和应用前景。
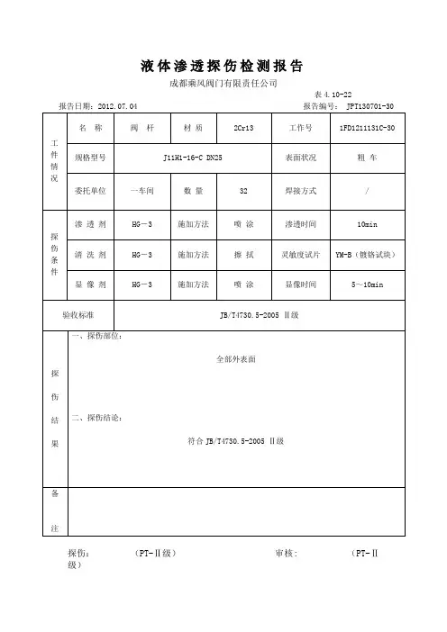
渗透检测报告Penetration TEST REPORT报告编号:委托单位Client项目名称Project Name记录编号Record Number零部件名称Name of spareparts零部件编号Parts Numbers规格/材质material/Specifications表面状态Surface condition 检测时机Time ofInspection检测标准Acc. Standard合格级别Examined Percentage 检测部位Test site检测比例Detection ratio渗透剂型号Penetrant model检测方法Examinationmethod试块型号Coupon Type渗透时间Penetrationtime干燥时间Drying time显像时间Developingtime工艺参数观察时间Viewing time观察方法Observationmethod观察亮度Observationbrightness 缺陷的记录与评定Evaluation Record序号No.检测部位编号Parts No.焊缝长度Weld length缺陷类型Flaw No缺陷痕迹尺寸MmFlaw Size评定级别Result备注:Remarks :结果:□合格■不合格Result :Accept Reject检测/级别:Examined By (Level): PTⅡ级审核(级别):Reviewed By (Level): PTⅡ级日期Date: 年月日日期Date: 年月日PT检测位置示意图SKETCH FOR THE PT LOCATION 报告编号:.零部件名称 零部件编号Part NO.检测(级别):Examined By (Level): PTⅡ级审核(级别):Reviewed By (Level): PTⅡ级日期Date: 年月日日期Date: 年月日。
着色渗透探伤实验报告.pdf实验八着色渗透探伤一、实验目的 1. 通过实验了解着色渗透探伤的基本原理; 2. 掌握着色渗透探伤的操作方法,以及缺陷的检查评定。
二、实验原理着色渗透探伤是采用带有红色染料的渗透剂的渗透作用,显示缺陷痕迹的无损探伤法。
渗透探伤是检验表面开口缺陷的常规方法。
渗透探伤的基本原理是在被检工件表面涂上某种具有高渗透能力的渗透液,利用液体对固体表面细小孔隙的渗透作用,使渗透液渗透到工件表面的开口缺陷中,然后用水或其它清洗液将工件表面多余的渗透液清洗干净,待工件干燥后再把显像剂涂在工件表面,利用毛细管作用将缺陷中的渗透液重新吸附出来,在工件表面形成缺陷的痕迹,根据显示的缺陷痕迹对缺陷进行分析、判断。
其基本原理及基本步骤见图 1。
a) b) c) d) e) 图 1 渗透探伤的基本原理及步骤 a) 前清洁处理 b)渗透处理 c)清洗去除处理 d)显像处理 e)检查评定焊接件的探伤:(1)表面预处理焊缝及热影响区表面容易粘有焊渣、焊剂、飞溅物、氧化物等污物,在进行着色检测前要进行清理,常用的清理方法是机械清理法。
污物清理干净后,再用清洗液清洗焊缝表面的油污,最后用压缩空气吹干。
(2 )渗透由于焊接工件的尺寸一般较大,所以施加渗透液时,常采用喷涂或刷涂,一般应在焊缝上反复施加 3~ 4 次,每次间隔 3~5min ,小型工件可采用浸涂法(3 )去除先用干燥、洁净不脱毛的布或纸按一个方向进行依次擦拭,直至大部分多余渗透剂被去除后,再用蘸有清洗剂的干净不脱毛布或纸进行擦拭,将被检面上多余的渗透剂全部擦净。
(4 )干燥清洗干净的焊缝及热影响区表面可经自然风干或用压缩空气吹干。
(5 )显像和观察利用压缩空气或压力喷罐将溶剂悬浮显像粉均匀地喷洒在焊缝及热影响区表面,显像 3~5 分钟后,可用肉眼或借助 3~ 5 放大镜观察所显示的图像,为发现。
渗透检测实验报告一、实验目的:了解渗透检测的基本原理、方法和操作过程,了解渗透检测缺陷的类型及应用特点。
二、实验容:用气保护焊堆焊,采用渗透检测的方法对焊缝的裂纹缺陷进行评定。
三、实验要求:1.了解气保护焊的原理及堆焊技术应用;2.掌握渗透检测技术的原理与方法;3.对焊缝进行表面质量检测和质量评定。
四、实验装置:试板一块,渗透剂、显影剂、清洗剂各一瓶,纱布若干,锤子一把,钢丝刷一把。
五、实验步骤:1. 将焊缝表面的渣壳、将污染物清理干净。
2. 用清洗剂清洗焊缝表面。
3. 用肉眼观察焊缝表面的裂纹情况,并记录裂纹的数量。
4. 在焊缝表面喷涂渗透剂,保持湿润约5-10分钟。
5. 擦去试件表面多余的渗透剂,用清洗剂昅洁焊弝表面。
6. 待表面干后,在焊缝表面喷涂显影剂。
7记录喷涂显影剂后显示的裂纹数量。
六、实验数据及处理1.将肉眼观测到的裂纹数量和渗透检测出的裂纹数量进行对比。
2.对焊缝的质量进行评定。
七、实验报告要求1.说明渗透检测的原理、方法和操作步骤。
原理:是利用荧光染料(荧光法)或红艰染料(着色法)渗透剂的渗透作用, 显示缺陷痕迹。
方法:在被检工件表面涂覆渗透液渗ဏ液渗入到工件表面开口的缺陷中去除工件表面多余的渗透液在工件表面涂上显象剂缺陷中的渗透液被吸到工件的表面形成缺陷的痕迹步骤:预清洗渗透中间清洗干燥显像观察2.说明渗透检测缺陷的类型及应用特点。
类型:适用于各种金属材料和非金属材料构件、表面开口缺陷的质量检验应用特点:渗透探伤由于检验对象不受材料组织结构和化学成分的限制,因而广泛应用于黑色和有色金属锻件、铸件、焊接件、机加工件以及瓷、玻璃、塑料等表面缺陷的检查。
它能检查出裂纹、冷隔、夹杂、疏松、折叠、气孔等缺陷;但对于结构疏松的粉末冶金零件及其他多孔性材料不适用。
3.对实验的现象和结果进行分析,并对焊缝的质量进行评定。
本次实验中采用的是着色法,是将含有着色染料物质的渗透液涂敷在被探伤件表面,通过毛细作用渗入表面缺陷中,然后清洗去表面的渗透液,将缺陷中的渗透液保留下来,进行显像。
探伤检测报告
探伤检测报告
根据你方要求,我方于xx年xx月xx日在xx地区对xx材料
进行了探伤检测。
现将检测结果报告如下:
一、检测目的:
本次探伤检测的目的在于评估被测材料的质量状况,确保其能够满足设计和使用要求。
二、检测方法:
本次探伤检测采用了超声波探伤方法,通过对被测材料进行超声波探测,收集和分析超声波信号来识别材料中的缺陷。
三、检测设备:
本次检测所使用的设备为XX型号的超声波探伤仪,该设备具有高灵敏度和高分辨率的特点,能够精确检测出材料中的缺陷。
四、检测结果:
经过仔细检测,共发现xx处缺陷,具体情况如下:
1. 缺陷位置:xx处;
缺陷类型:表面裂纹;
缺陷长度:xx mm;
缺陷深度:xx mm;
缺陷宽度:xx mm。
2. 缺陷位置:xx处;
缺陷类型:内部气孔;
缺陷长度:xx mm;
缺陷深度:xx mm;
缺陷宽度:xx mm。
五、结论与建议:
根据以上检测结果,被测材料存在表面裂纹和内部气孔缺陷。
根据相关标准,裂纹长度和深度已超过允许范围,属于不合格品。
建议您对被测材料进行修复或更换,以确保其使用安全和质量。
六、检测人员信息:
本次探伤检测由我方认证的探伤工程师完成,其资格证书编号为XX,有效期至XX年。
请注意,本次检测结果仅针对被测材料的当前状态,若材料在使用过程中受到外力或其他因素影响,可能导致缺陷的进一步发展或产生新的缺陷。
因此,建议您定期对材料进行检测,以确保其长期安全可靠的使用。
如对本报告内容有任何疑问或需要进一步了解,请随时与我方联系。
引言概述:着色渗透探伤检测是一种非破坏性检测方法,用来发现材料表面和近表面的缺陷和裂纹。
本次报告针对被测材料进行了着色渗透探伤,将在本文中详细描述实验步骤、结果和结论。
本报告旨在提供对被测材料的质量和可靠性进行评估的依据,以实现相关工程和制造行业的需求。
正文:1.实验步骤1.1准备工作1.1.1确定被测材料的规格和几何形状。
1.1.2清洁被测材料的表面,确保无油、灰尘等污染物。
1.2表面处理1.2.1对被测材料进行表面研磨,以去除氧化层和毛刺。
1.2.2清洁被测材料的表面,以确保无留存的油脂、污垢等。
1.3渗透剂涂布1.3.1选择适当的渗透剂,根据被测材料的特性和检测要求。
1.3.2均匀涂布渗透剂于被测材料表面,确保全面覆盖。
1.4渗透时间1.4.1根据渗透剂的要求和被测材料的特性,确定合适的渗透时间。
1.4.2在渗透时间结束后,将渗透剂从被测材料表面擦拭干净,不留渗透剂残留。
1.5影像记录1.5.1选取合适的光源和摄像设备,以捕捉被测材料表面的渗透剂残留。
1.5.2按照标准要求,将渗透剂残留的影像记录下来,作为渗透检测的基础。
2.结果分析2.1渗透剂残留观察2.1.1根据影像记录,观察渗透剂在被测材料表面的残留情况。
2.1.2分析渗透剂残留的分布、形状和大小,判断表面缺陷和裂纹的情况。
2.2缺陷定位2.2.1根据渗透剂残留的位置和形状,确定可能存在的缺陷区域。
2.2.2结合实际应用情况和工程要求,对缺陷进行定位和标记。
2.3缺陷评估2.3.1根据渗透剂残留的大小、形状和分布,进行缺陷的评估。
2.3.2利用相关标准和规范,对缺陷的严重程度和影响进行评估。
2.4缺陷分类2.4.1根据缺陷的特征和影响范围,对缺陷进行分类。
2.4.2建立缺陷分类标准,以便在今后的检测中进行参考和比对。
2.5结果报告2.5.1将实验结果整理成报告形式,包括对缺陷的描述、缺陷的评估和相应的建议。
2.5.2报告中应包含检测过程的详细记录、影像图像和分析结果的数据。
钢结构渗透探伤检测报告一、引言钢结构渗透探伤检测是一项非常重要的技术,它能够及时发现钢结构中的缺陷和隐患,为工程安全提供可靠的保障。
本报告旨在对某钢结构进行渗透探伤检测,并详细呈现检测结果。
二、检测对象和方法本次渗透探伤检测的对象为一座钢结构建筑,该建筑是一栋多层框架结构。
在检测中,我们采用了液体渗透法进行检测。
该方法通过涂覆渗透剂、渗入缺陷、清洗、干燥等步骤,能够有效地检测出钢结构中的裂纹、气孔、夹杂物等缺陷。
三、检测结果经过仔细的检测,我们发现了一些缺陷和隐患。
具体情况如下:1. 缺陷一:在某一梁柱连接处,发现了一处裂纹。
该裂纹长度约为10cm,宽度为0.5mm。
根据我们的经验,这种裂纹虽然目前并没有对结构造成严重的影响,但仍需要进行修复和加固,以避免未来可能的安全隐患。
2. 缺陷二:在某一楼板上,我们发现了一处气孔。
该气孔直径约为2mm,深度为3mm。
虽然这种气孔的大小并不算大,但如果长时间暴露在外部环境中,有可能导致钢结构的腐蚀和损坏,因此需要及时进行修复。
3. 缺陷三:在某一梁上,发现了一处夹杂物。
该夹杂物形状不规则,大小约为5mm×5mm×1mm。
这种夹杂物的存在可能会影响钢结构的强度和稳定性,因此需要进行清除和修复。
四、修复建议根据上述检测结果,针对各个缺陷和隐患,我们提出以下修复建议:1. 对于裂纹缺陷,建议采用焊接和补强的方法进行修复。
首先,需要将裂纹处进行打磨和清洗,以去除杂质和锈蚀。
然后,使用合适的焊接材料进行补焊,增加结构的强度。
最后,进行表面处理和防腐涂层的施工,以保护修复部位。
2. 对于气孔缺陷,建议采用填充和封闭的方法进行修复。
首先,需要将气孔处进行清洗和除锈,以确保修复材料能够充分附着。
然后,使用合适的填充材料填充气孔,使其与周围结构紧密连接。
最后,进行表面处理和防腐涂层的施工,以保护修复部位。
3. 对于夹杂物缺陷,建议采用切割和更换的方法进行修复。
渗透探伤实验指导书及实验报告一、实验目的:学会利用渗透探伤实验检测焊接等工件的表面或近表面的裂纹、气孔等缺陷。
更重要的是要同学们熟练的掌握并学会运用无损检测技术。
二、实验内容:利用带有荧光染料(荧光法)或红色染料(着色法)渗透剂的渗透作用,显现缺陷痕迹的无损检验法。
三、实验原理:在被检测工件表面涂覆某些渗透力较强的渗透液,在毛细作用下渗透液被渗入到工件表面开口的缺陷中,然后去除工件表面上多余的渗透液(保留渗透到表面缺陷中的渗透液),再在工件表面上涂上一层显象剂,缺陷中的渗透液在毛细作用下重新被吸到工件的表面,从而形成缺陷的痕迹。
根据在黑光(荧光渗透液)或白光(着色渗透液)下观察到的缺陷显示痕迹,作出缺陷的评定。
四、实验方法:渗透探伤的步骤:预处理(干燥,去除铁锈、氧化皮、油渍、污渍等)、渗透、中间清洗、干燥、显象、观察、质量评定。
五、实验步骤:1、预处理在渗透探伤前,应对受检表面及附近30㎜范围内进行清理,不得有污垢、锈蚀、焊渣、氧化皮等。
当受检表面妨碍显示时,应打磨或抛光处理。
在喷、涂渗透剂之前,需清洗受检表面,如用丙酮干擦,再用清洗剂将受检表面洗净,然后烘干或晾干。
2、渗透用浸浴、刷涂或喷涂等方法将渗透剂施加于受检表面。
采用喷涂法时,喷嘴距受检表面宜为20~30㎜,渗透剂必须湿润全部受检表面,并保证足够的渗透时间(一般为15~30min)。
若对细小的缺陷进行探测,可将工件预热到40~50℃然后进行渗透。
3、乳化当使用后乳化型渗透剂时,应在渗透后清洗前用浸浴、刷涂或喷涂方法将乳化剂施加于受检表面。
乳化剂的停留时间可根据受检表面的粗糙度及缺陷程度确定,一般为1~5min,然后用清水洗净。
4、清洗施加的渗透剂达到规定的渗透时间后,可用布将表面多余的渗透剂除去,然后用清洗剂清洗,但需注意不要把缺陷里面的渗透剂洗掉。
若采用水清洗渗透剂时,可用水喷法。
水喷法的水管压力为0.2Mpa,水温不超过43℃,当采用荧光渗透剂时,对不宜在设备中洗涤的大型零件,可用带软管的管子喷洗,且应由上往下进行,以避免留下一层难以去除的荧光薄膜。
渗透探伤实验指导书及实验报告一、实验目的:学会利用渗透探伤实验检测焊接等工件的表面或近表面的裂纹、气孔等缺陷。
更重要的是要同学们熟练的掌握并学会运用无损检测技术。
二、实验容:利用带有荧光染料(荧光法)或红色染料(着色法)渗透剂的渗透作用,显现缺陷痕迹的无损检验法。
三、实验原理:在被检测工件表面涂覆某些渗透力较强的渗透液,在毛细作用下渗透液被渗入到工件表面开口的缺陷中,然后去除工件表面上多余的渗透液(保留渗透到表面缺陷中的渗透液),再在工件表面上涂上一层显象剂,缺陷中的渗透液在毛细作用下重新被吸到工件的表面,从而形成缺陷的痕迹。
根据在黑光(荧光渗透液)或白光(着色渗透液)下观察到的缺陷显示痕迹,作出缺陷的评定。
四、实验方法:渗透探伤的步骤:预处理(干燥,去除铁锈、氧化皮、油渍、污渍等)、渗透、中间清洗、干燥、显象、观察、质量评定。
五、实验步骤:1、预处理在渗透探伤前,应对受检表面及附近30㎜围进行清理,不得有污垢、锈蚀、焊渣、氧化皮等。
当受检表面妨碍显示时,应打磨或抛光处理。
在喷、涂渗透剂之前,需清洗受检表面,如用丙酮干擦,再用清洗剂将受检表面洗净,然后烘干或晾干。
2、渗透用浸浴、刷涂或喷涂等方法将渗透剂施加于受检表面。
采用喷涂法时,喷嘴距受检表面宜为20~30㎜,渗透剂必须湿润全部受检表面,并保证足够的渗透时间(一般为15~30min)。
若对细小的缺陷进行探测,可将工件预热到40~50℃然后进行渗透。
3、乳化当使用后乳化型渗透剂时,应在渗透后清洗前用浸浴、刷涂或喷涂方法将乳化剂施加于受检表面。
乳化剂的停留时间可根据受检表面的粗糙度及缺陷程度确定,一般为1~5min,然后用清水洗净。
4、清洗施加的渗透剂达到规定的渗透时间后,可用布将表面多余的渗透剂除去,然后用清洗剂清洗,但需注意不要把缺陷里面的渗透剂洗掉。
若采用水清洗渗透剂时,可用水喷法。
水喷法的水管压力为0.2Mpa,水温不超过43℃,当采用荧光渗透剂时,对不宜在设备中洗涤的大型零件,可用带软管的管子喷洗,且应由上往下进行,以避免留下一层难以去除的荧光薄膜。
报告编号:
无损检测报告
(含封面共 3 页)
产品(设备)名称:
产品(设备)编号:
委托单位:
检测单位:
(无损检测专用章)
年月日
焊缝渗透检测报告首页第 2 页共 3 页委托单位:报告编号:
设备名称设备编号规格(mm)
材质坡口形式焊接方法
热处理状况环境温度表面状况
检测方法检测部位检测比例
渗透剂型号显像剂型号清洗剂型号
渗透时间显像时间干燥时间
照度计型号照度计编号(辐)光照度
乳化剂施加方法乳化时间执行标准试块观察方式后处理
合格级别工艺卡编号原始记录编号
渗透检测结果评定表
焊缝(部位)
编号规格
检验长度
mm
缺陷位置
缺陷痕迹尺
寸mm
缺陷性质
评定
级别
检验结论:该设备按照标准进行渗透检测,未发现超标缺陷显示,质量级别评定为级合格。
检验人员(资格):检验日期:
报告人(资格):审核人(资格):责任师(资格):监检员:
PT检测部位示意图第 3 页共 3 页
产品编号:F13-11-252 报告编号:F13-11-252-PT
工件名称:椭圆型封头
说明磁粉和渗透检测应标出检测部位和缺陷位置,使其在复检时具有可复位性。
绘制人:审核人:。
附:报告填写说明及考核注意事项
一、板状焊缝试件(缺陷检测参量)探伤报告填写说明
S1:第一组缺陷中最左端缺陷到试板左边线的距离,mm;
S2:第一组缺陷中最右端缺陷到试板左边线的距离,mm;
S3:第一组缺陷中最长缺陷到试板左边线的距离,mm;
S1':第二组缺陷中最左端缺陷到试板左边线的距离,mm;
S2':第二组缺陷中最右端缺陷到试板左边线的距离,mm;
S3':第二组缺陷中最长缺陷到试板左边线的距离,mm;
L1:第一组缺陷中最大缺陷长度,mm;
L2:第二组缺陷中最大缺陷长度,mm;
n1:第一组缺陷总数,mm;
n2:第二组缺陷总数,mm;
二、管状、管板焊缝试件(缺陷检测参量)探伤报告填写说明
缺陷检测参量同板状焊缝试件,其标距以试件钢印号前沿管材母线为缺陷起点,向右展开,其参量记录与板状焊缝试件相似。
三、考核注意事项
1、焊缝板状试件考试时间为60分钟,管状或管板试件考试时间为40分钟。
超时不得大于15分钟。
超时小于或等于5分钟扣2分;超时5~10分钟内扣6分,超时10~15分钟扣10分。
2、焊缝板状试件满分70分,管状或管板试件满分30分。
3、试件编号说明:
P1 10 01:P1代表渗透检测板状焊缝试件,08代表板厚,01代表顺序号;
P2 57 01:P2代表渗透检测管状焊缝试件,57代表管径,01代表顺序号;
P3 108 01:P3代表渗透检测管板焊缝试件,108代表管径,01代表顺序号。