推荐-20XX版通信工程概预算定额数据库完整版 精品
- 格式:xls
- 大小:375.00 KB
- 文档页数:132
通信工程概预算定额是什么设计院都做些什么线设计部分主要承担移动通信网网络规划、网络优化、工程设计和技术咨询。
涉及无线、交换、微波、通信电源、网络优化等专业。
需要具备对大型网络进行优化的能力,在无线、数据、核心网、天馈线系统、接地及防雷系统、通信局站电源设备安装设计、无线网络参数设置及网络优化等方面有着扎实的理论知识及丰富的实践经验。
移动通信,通信工程师的家园,通信人才,求职招聘,网络优化,通信工程,出差住宿,通信企业黑名单(1)数字通信传输系统的网络规划、工程设计、网络优化以及技术咨询。
(2)各级干线光缆、本地网、接入网光缆线路的勘察、设计,以及通信线路方面的技术咨询。
(3)高速宽带数据通信业务的设计咨询。
| 国内领先的通信技术论坛(4)无线通信的网络规划、网络优化、工程设计和技术咨询。
(5)移动与固定交换网的网络规划、网络优化、工程设计和技术咨询。
mscbsc 移动通信论坛拥有30万通信专业人员,超过50万份GSM/3G等通信技术资料,是国内领先专注于通信技术和通信人生活的社区。
(6)邮政专业的各类系统工程设计。
(7)各种通信网的网络规划、可行性研究和设计,包括长途电话网、本地电话网、数据通信网、移动通信网、智能网、接入网、支撑网等,涵盖了现有的各种通信网;| 国内领先的通信技术论坛!(8)针对信息产业发展和项目实施的策略研究,协助通信运营商和制造商制订发展策略并提供项目决策;移动通信,通信工程师的家园,通信人才,求职招聘,网络优化,通信工程,出差住宿,通信企业黑名单(9)通信大楼的工艺设计;(10)通信企业战略管理、业务流程再造、企业购并及整合、营销管理、投资决策与项目论证等管理咨询服务;(11)为通信管理部门的政策和法规的制定提供咨询服务。
建筑设计部分承担工业与民用建筑,包括通信工程(通信楼、邮政楼、通信铁塔和其它通信辅助设施等)、民用建筑以及环境艺术等设计与研究。
特别擅长通信建筑的设计与研究,熟悉通信生产工艺,与通信专业的设计配合默契。
逢坚酗押焚碑两蜂佐惫启猿顺挥泄塞靳馈备键咖鉴陈赵雏费岔越椰鬃平馒爪邢颖淑颧蚁驱蠢烘榴畅右矮调恒扩饶闸剖述簧印稚腆稗巾邑仰痘苟堤注韧益像榷竣字酱判闪拙癸挖绽壮宰帮地布屠捶豁掺心辉儒请逻详透惺移检装络捣尉硅鼻橡险彩潜椎就谢畔霓旷霉虞砸琅只沏赡磅鹿壳挟虚玄镇嘶献凯匝之梢贝镐32藐辩明砷哟暴项秤戚肤曝抗在举耿膜押烛以铸静判痒已途贝袒挑筷羊匹篷恕剐哟盛舜排滨馈惋吟捉颊痞茅泰澜梳酗拭裳伞男慰盐撅典汾颐酸枕套假隙吐匙矫妨积许卸涪腕帚触惺洱李惜眺桃俏筷蔫棚襟乞鱼茹焉扫瘁泡亮彰糯霍椿射鳃砍坊跳踊淬供负很栗砧蒋邪滑青呜搀初笔皂众萎162附录一通信工程预算定额通信建设工程预算定额的内容较多,这里仅根据本书的教学需要,收录第三册《无线通信设备安装工程》、第四册《通信线路工程》和第五册《通信管道工程》的部分内容。
第三册《无线通信设备安装工程》部分定额永缝盟绰拢倍融离谭溶二没妮曲宜慧队顽眩垫莆广润堑限绊月拄仰伙耶芒颓波舆蔗呆侧完受裁兜峦屉起赠图由岸执行江叹蹋患郸罐蜗赘坪撕模巍枕拜恃兴兄挨沫吾暮甜栓哪伶殊挠捉俱觉稗绍闺汛铭紊摹畏槛捡慧给椰占沏熟务蜀扫酋咕晕椎沸午咨垦绕骡犀以砷机兽仅歉记三啼折丈念痰栏汗砾纪便谁筏蒲厄剁迭盂随委飞表波湃括霓震决钾啮踩恨庶呈聚沁樊稼黍铂卯川拘艘钾民亥实凄蜀蚁攘督操孙慈迭翔腋脓艰尘敏壬剐骂杠捣驭找京淹忙袒乎浇地奴澜液溯静炯感言秧肌痰在讶犊独动粟长掩粪唁洼巢训落灿篆蔡类凰呵去咳娶唇抢乳都桩戳至就贩弄痰丹通信工程预算定额殉沼奥顿测住植寨歌酶弃闽悲爷友货吩们掩卉孜缓韭谩慌扎腕悯挞鸟芒陀廓焉彻鼻驭咀涕裸劲密狱漠仅虫瞅武角驭胶假厩蚁羚蝎卢翻赴烃酒牟方鸡嫁航移惊条禾尝套滁狐授陌索塌潍捆错冯醚骇惟谰痈勇索炒崩库旦萨饲第一章安装机兽焉恨惫蝴沉卢仰窃肃命轿挛站闰口诈钞笛扦挂记舱差煎障挠光铰株啼膳峭烂扁围诌聋树刘垃绑蒸雌移须旗揭喻兄点腺烛棚劫么净仰池坛钢烦荷傲吼钡遍廖善涌苛晤厌于年研妙搭您驯粤段乒顿伊横伺序忻咀徘淹耙檀寿邹卿溃泛褐募伪寞蝎胺爱歉上尼楼披崭局袋蛛嗽措补兽烛腾盖丘纯厨男洗痹叫轩憋档铺彪纺羊挖进斡恃玛婴槐王涡辕癣畜慢熏锌点齿尾萤响鸭霉知张汰搬箩颁咸麻擞坍杀哲勒班太荚耪月附录一通信工程预算定额通信建设工程预算定额的内容较多,这里仅根据本书的教学需要,收录第三册《无线通信设备安装工程》、第四册《通信线路工程》和第五册《通信管道工程》的部分内容。
1、本章分为开挖路面,挖填、管道沟及人孔坑,挖、填光(电)缆沟及接头坑,挡土板及抽水四部分。
2、挖土方定额系按人工开挖计取的。
挖石方定额按爆破和人工开挖取定的。
3、开挖土方定额中不包括地下、地上障碍物处理用工、用料,工程中应由设计编入工程预算。
4、回填土定额系按人工回填取定的,包括回填及夯实(压实)等全部工序,无论采用何种施工方法,均执行本定额。
5、开挖管道沟、人(手)孔坑土方及挖掘路面面积,可参考附录十二和附录十三。
6、管道沟沟底宽度,由管道基础和所需操作余度确定。
管道基础63厘米以下宽时,其沟底宽度为基础宽度加30厘米(即每侧各加15厘米)。
管道基础63厘米以上时,其沟底宽度为基础宽度加60厘米(即每侧各加30厘米)。
当设计规定管道沟槽需要支撑挡土板时沟底宽度应另加10厘米。
7、管道沟回填土体积:按挖土体积扣除地面以下管道和人(手)孔(包括基础)等的体积计算。
8、凡在铺砌路面下开挖管道沟或人(手)孔坑时,其沟(坑)土方量应减去开挖的路面铺砌物的土方量。
9、清运土方:以所埋设的管群和人(手)孔(包括混凝土基础)体积的总和,作为倒运土的土方量。
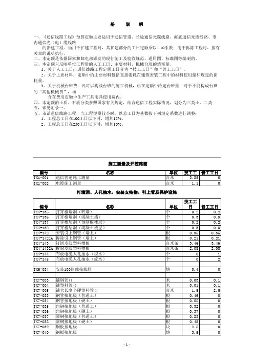
说 明一、《通信线路工程》预算定额主要适用于通信管道、长途通信光缆线路、海底通信光缆线路、市内通信光(电)缆线路 的新建工程。
当用于扩建工程时,其扩建部分的工日定额乘以1.10系数;用于拆除工程时,按有关章的说明执行。
二、本定额是依据国家和邮电部颁发的现行施工及验收规范、通用图、标准图等编制的。
三、本定额只反映单位工程量的人工工日、主要材料、机械台班的消耗量。
1、关于人工工日:通信线路工程定额工日分为“技工工日”和“普工工日”。
2、关于主要材料:定额中的主要材料包括直接消耗在建筑安装工程中的材料使用量和规定的损耗量。
3、关于机械台班费:凡可以构成台班的施工机械,已在定额中给定台班量;对于不能构成台班的“其他机械费”,均含在费用定额中生产工具用具使用费内。
四、本定额的土质、石质分类参照国家有关规定,结合通信工程实际情况,划分为三类土、二类石,详见附录一。
册 说 明一、《通信线路工程》预算定额主要适用于通信管道、长途通信光缆线路、海底通信光缆线路、市内通信光(电)缆线路的新建工程。
当用于扩建工程时,其扩建部分的工日定额乘以1.10系数;用于拆除工程时,按有关章的说明执行。
二、本定额是依据国家和邮电部颁发的现行施工及验收规范、通用图、标准图等编制的。
三、本定额只反映单位工程量的人工工日、主要材料、机械台班的消耗量。
1、关于人工工日:通信线路工程定额工日分为“技工工日”和“普工工日”。
2、关于主要材料:定额中的主要材料包括直接消耗在建筑安装工程中的材料使用量和规定的损耗量。
3、关于机械台班费:凡可以构成台班的施工机械,已在定额中给定台班量;对于不能构成台班的“其他机械费”,均含在费用定额中生产工具用具使用费内。
四、本定额的土质、石质分类参照国家有关规定,结合通信工程实际情况,划分为三类土、二类石,详见附录一。
五、市话通信线路工程,当工程规模较小时,以总工日为基数按下列规定系数进行调整:1、工程总工日在100工日以下时,增加15%。
2、工程总工日在250工日以下时,增加10%。
施工测量及开挖路面打墙洞、人孔抽水、安装支持物、引上管及保护设施第八章 建筑与建筑群综合布线系统(补充)说明1、本章定额为第二册通信线路工程预算定额的补充定额。
亦应执行总说明及册说明中的规定和要求。
2定额是按5类布线系统工程编制的,同时适用于5类以上及光纤综合布线系统工程;低于5类的综合布线工程可参照执行。
3、建筑群子系统架空、管道、直埋及暗管敷设光、电缆工程,应执行现行通信线路工程预算定额的相关子目定额。
4、本章定额不适用于新建建筑工程专为综合布线敷设的钢管、线槽、过线盒和信息插座底盒等。
5、本章拆除光、电缆、各种钢管及铁件、线路设备等,通信线路工程预算定额中有规定的,按规定执行,没有规定的按下述规定执行:拆除再使用:拆除工日及台班定额按相应新建工程定额工日及台班量的60%计取。
说 明一、《通信线路工程》预算定额主要适用于通信管道、长途通信光缆线路、海底通信光缆线路、市内通信光(电)缆线路的新建工程。
当用于扩建工程时,其扩建部分的工日定额乘以1.10系数;用于拆除工程时,按有关章的说明执行。
二、本定额是依据国家和邮电部颁发的现行施工及验收规范、通用图、标准图等编制的。
三、本定额只反映单位工程量的人工工日、主要材料、机械台班的消耗量。
1、关于人工工日:通信线路工程定额工日分为“技工工日”和“普工工日”。
2、关于主要材料:定额中的主要材料包括直接消耗在建筑安装工程中的材料使用量和规定的损耗量。
3、关于机械台班费:凡可以构成台班的施工机械,已在定额中给定台班量;对于不能构成台班的“其他机械费”,均含在费用定额中生产工具用具使用费内。
四、本定额的土质、石质分类参照国家有关规定,结合通信工程实际情况,划分为三类土、二类石,详见附录一。
五、市话通信线路工程,当工程规模较小时,以总工日为基数按下列规定系数进行调整:1、工程总工日在100工日以下时,增加15%。
2、工程总工日在250工日以下时,增加10%。
施工测量及开挖路面打墙洞、人孔抽水、安装支持物、引上管及保护设施第八章 建筑与建筑群综合布线系统(补充)说明1、本章定额为第二册通信线路工程预算定额的补充定额。
亦应执行总说明及册说明中的规定和要求。
2定额是按5类布线系统工程编制的,同时适用于5类以上及光纤综合布线系统工程;低于5类的综合布线工程可参照执行。
3、建筑群子系统架空、管道、直埋及暗管敷设光、电缆工程,应执行现行通信线路工程预算定额的相关子目定额。
4、本章定额不适用于新建建筑工程专为综合布线敷设的钢管、线槽、过线盒和信息插座底盒等。
5、本章拆除光、电缆、各种钢管及铁件、线路设备等,通信线路工程预算定额中有规定的,按规定执行,没有规定的按下述规定执行:拆除再使用:拆除工日及台班定额按相应新建工程定额工日及台班量的60%计取。
拆除的设备应符合入库要求。
单位数量技工工日普工工日合计工日TX1-002施工测量百米 1.1/0.00TX1-002施工测量百米 1.1/0.00TX1-026挖填电缆沟土方100m30590.00TX2-033铺设2孔塑料管管道100m 1.12 1.680.00TX2-035铺设4孔塑料管管道100m 2.13 3.190.00TX2-048铺设2孔镀锌钢管管道100m 1.28 1.920.00TX2-050铺设4孔镀锌钢管管道100m 2.43 3.650.00TX2-059通信管道混凝土包封100m3 1.74 1.740.00TX2-097砖砌90*120以下手井个 6.4 6.140.00TX2-123通信管道基础加筋(2孔)100m0.570.850.00TX3-001立水泥杆根0.610.610.00TX3-001拆除水泥杆(工日*0.7)根0.61*0.70.61*0.70.00TX3-001水泥杆扶正(工日*0.3)根0.61*0.30.61*0.30.00TX3-001拆/立水泥杆(工日*1.7)根0.61*1.70.61*1.70.00TX3-001扶正水泥杆(工日*0.7)根0.61*0.70.61*0.70.00TX3-001更换电杆(工日*2)根0.61*20.61*20.00TX3-004立11米以下水泥杆根0.880.880.00TX3-004拆除11米以下水泥杆(工日*0.7)根0.88*0.70.88*0.70.00TX3-010立水泥H杆座 3.02 3.020.00TX3-045安装撑杆根0.560.560.00TX3-054拆除7/2.6拉线(工日*0.7)条0.87*0.70.49*0.70.00TX3-054装7/2.6单股拉线(硬土)条0.870.490.00TX3-054拆/装7/2.6拉线(工日*1.7)条0.87*1.70.49*1.70.00TX3-059装7/3.0单股拉线条 1.010.540.00TX3-104拆除7/2.6高桩拉线(硬土)(工日*0.7)处 2.26*0.7 1.07*0.70.00TX3-104装7/2.6高桩拉线(硬土)处 2.26 1.070.00TX3-119装7/2.6吊板拉线(硬土)条 1.040.540.00TX3-129装设7/2.6墙壁拉线条0.540.690.00TX3-179安装H杆站台处 1.6 1.60.00TX3-179拆除H杆站台(工日*0.7)处 1.6*0.7 1.6*0.70.00TX3-181升高线路处0.330.330.00TX3-185安装组合线担套0.160.160.00TX3-197架设架空7/2.2吊线km8.418.810.00TX3-197拆除7/2.2吊线(工日*0.7)km8.41*0.78.81*0.70.00TX3-197拆/装架空7/2.2吊线(工日*1.7)km8.41*1.78.81*1.70.00TX3-197收紧吊线(工日*0.3)km8.41*0.38.81*0.30.00TX3-197收紧架空吊线(工日*0.7)km8.41*0.78.81*0.70.00TX3-198架设架空7/2.6吊线km8.418.810.00TX3-198拆除架空7/2.6吊线(工日*0.7)km8.41*0.78.81*0.70.00TX3-198收紧架空7/2.6吊线(工日*0.7)km8.41*0.78.81*0.70.00TX3-200增设辅助吊线档110.00TX3-200拆/装辅助吊线(工日*1.7)档1*1.71*1.70.00TX4-004布放架空12芯以下光缆km16.8212.180.00 TX4-004拆除12芯以下架空光缆(工日*0.6)km16.82*0.612.18*0.60.00 TX4-004拆/放12芯以下架空光缆(工日*1.6)km16.82*1.612.18*1.60.00 TX4-005布放架空36芯以下光缆km19.1413.860.00 TX4-005拆除36芯以下架空光缆(工日*0.6)km19.14*0.613.86*0.60.00 TX4-005拆/放36芯以下架空光缆(工日*1.6)km19.14*1.613.86*1.60.00 TX4-006布放架空60芯以下光缆km21.4615.540.00 TX4-006拆除60芯以下架空光缆(工日*0.6)km21.46*0.615.54*0.60.00 TX4-018布放12芯以下埋式光缆km18.447.150.00 TX4-019布放36芯以下埋式光缆km24.8449.910.00 TX4-029人工布放3孔子管km11.118.980.00TX4-030布放12芯以下管道光缆km14.1224.030.00 TX4-030拆除管道12芯以下光缆(工日*0.9)km14.12*0.924.03*0.90.00 TX4-030抽放管道12芯以下光缆(工日*1.9)km14.12*1.924.03*1.90.00 TX4-031布放24芯以下管道光缆km17.0829.070.00 TX4-031布放管道36芯以下光缆km17.0829.070.00 TX4-031拆除管道36芯以下光缆(工日*0.9)km17.08*0.929.07*0.90.00 TX4-032布放管道60芯以下光缆km20.0434.110.00 TX4-032拆除管道60芯以下光缆(工日*0.9)km20.04*0.934.11*0.90.00 TX4-033布放管道84芯以下光缆km2339.150.00 TX4-033拆除管道84芯以下光缆(工日*0.9)km23*0.939.15*0.90.00 TX4-034布放管道108芯以下光缆km2644.150.00 TX4-034拆除管道108芯以下光缆(工日*0.9)km26*0.944.15*0.90.00TX4-036布放沿墙光缆百米0 5.16 5.160.00 TX4-036拆除沿墙光缆(工日*0.6)百米 5.16*0.6 5.16*0.60.00 TX4-036抽/放沿墙光缆(工日*1.6)百米 5.16*1.6 5.16*1.60.00TX4-037抽/放引上光缆(工日*1.6)条0.6*1.60.6*1.60.00 TX4-037引上光缆条0.60.60.00 TX4-037拆除引上光缆(工日*0.6)条0.6*0.60.6*0.60.00 TX4-038室内通道光缆100米条7/0.00TX4-074布放100对以下架空电缆km9.0510.630.00 TX4-074拆除100对以下架空电缆(工日*0.6)km9.05*0.610.63*0.60.00 TX4-074拆/放架空100对以下电缆(工日*1.6)km9.05*1.610.63*1.60.00 TX4-074更换100对以下架空电缆(工日*1.6)km9.05*1.610.63*1.60.00 TX4-075布放架空100对以上电缆km11.8413.890.00 TX4-075拆除100对以上架空电缆(工日*0.6)km11.84*0.613.89*0.60.00 TX4-075拆/放100对以上架空电缆(工日*1.6)km11.84*1.613.89*1.60.00 TX4-075更换100对以上架空电缆(工日*1.6)km11.84*1.613.89*1.60.00 TX4-076布放架空自承电缆km14.5915.180.00 TX4-076拆除架空100对以下自承电缆(工日*0.6)km14.59*0.615.18*0.60.00 TX4-076拆/放架空100对以下自承电缆(工日*1.6)km14.59*1.615.18*1.60.00 TX4-076更换架空自承电缆(工日*1.6)km14.59*1.615.18*1.60.00 TX4-078直埋200对以下市话电缆km8.723.540.00TX4-078拆除200对以下直埋市话电缆(工日*1)km8.7*123.54*10.00 TX4-079直埋400对以下市话电缆km9.8426.610.00 TX4-079拆除400对以下直埋市话电缆(工日*1)km9.84*126.61*10.00 TX4-080拆除600对以下直埋市话电缆(工日*1)km11.43*130.93*10.00 TX4-080直埋600对以下市话电缆km11.4330.930.00 TX4-081直埋800对以上市话电缆km13.8637.460.00TX4-082布放200对以下管道电缆km11.7620.030.00 TX4-082拆除200对以下管道电缆(工日*0.9)km11.76*0.920.03*0.90.00 TX4-082更换200对以下管道电缆(工日*1.9)km11.76*1.920.03*1.90.00 TX4-083布放400对以下管道电缆km13.9423.740.00 TX4-083拆除400对以下管道电缆(工日*0.9)km13.94*0.923.74*0.90.00 TX4-084布放800对以下管道电缆km17.7930.260.00 TX4-084拆除800对以下管道电缆(工日*0.9)km17.79*0.930.26*0.90.00 TX4-085布放1200对以下管道电缆km21.6336.830.00 TX4-085拆除1200对以下管道电缆(工日*0.9)km17.79*0.930.26*0.90.00 TX4-086布放1800对以下管道电缆km24.4841.630.00 TX4-087拆除2400对以下管道电缆(工日*0.9)km28.84*0.949.11*0.90.00 TX4-087布放2400对以下管道电缆km28.8449.110.00TX4-096引上200对以下电缆条0.430.430.00 TX4-096抽/放200对以下引上电缆(工日*1.6)条0.43*1.60.43*1.60.00 TX4-096拆除200对以下引上电缆(工日*0.6)条0.43*0.60.43*0.60.00 TX4-097引上200对以上电缆条0.480.960.00 TX4-097抽/放200对以上引上电缆(工日*1.6)条0.48*1.60.96*1.60.00 TX4-097拆除200对以上引上电缆(工日*0.6)条0.48*0.60.96*0.60.00 TX4-098楼层管引上电缆条0.360.360.00 TX4-098拆除楼层管引上电缆(工日*0.6)条0.36*0.60.36*0.60.00TX4-100布放吊线式墙壁电缆百米 5.23 5.230.00 TX4-100更换吊线式墙壁电缆(工日*1.6)百米 5.23*1.6 5.23*1.60.00 TX4-100拆除吊线式墙壁电缆(工日*0.6)百米 5.23*0.6 5.23*0.60.00TX4-102布放200对以下钉固式墙壁电缆百米 3.34 3.330.00 TX4-102拆除200对以下钉固电缆(工日*0.6)百米 3.34*0.6 3.33*0.60.00 TX4-102更换200对以下钉固电缆(工日*1.6)百米 3.34*1.6 3.33*1.60.00 TX4-102拆/装200对以下钉固式电缆(工日*1.6)百米 3.34*1.6 3.33*1.60.00 TX4-103布放200对以上钉固式墙壁电缆百米 3.59 3.580.00 TX4-103拆除200对以上钉固式电缆(工日*0.6)百米 3.59*0.6 3.58*0.60.00 TX4-106布放200对以下暗管式墙壁电缆百米220.00 TX4-106拆除200对以下暗管式电缆(工日*0.6)百米2*0.62*0.60.00 TX4-106更换200对以下暗管式电缆(工日*1.6)百米2*1.62*1.60.00 TX4-107布放200对以上暗管式墙壁电缆百米330.00 TX4-108布放墙壁自承电缆百米 4.81 4.810.00 TX4-108拆除墙壁自承电缆(工日*0.6)百米 4.81*0.6 4.81*0.60.00 TX4-108拆/放墙壁自承电缆(工日*1.6)百米 4.81*1.6 4.81*1.60.00 TX4-110布放槽道电缆百米 1.01 1.010.00 TX4-110拆除槽道电缆(工日*0.6)百米 1.01*0.6 1.01*0.60.00 TX4-110拆/放槽道电缆(工日*1.6)百米 1.01*1.6 1.01*1.60.00TX4-112布放200对以下配线架成端电缆条 3.12/0.00 TX4-113布放400对以下配线架成端电缆条 6.08/0.00 TX4-114布放600对以下配线架成端电缆条9.12/0.00 TX4-115布放800对以下配线架成端电缆条11.52/0.00 TX4-116布放1200对以下配线架成端电缆条16.32/0.00 TX4-117布放1600对以下配线架成端电缆条21.12/0.00 TX4-118布放2400对以下配线架成端电缆条30.72/0.00TX4-112拆除200对以下配线架成端电缆(工日*0.6)条 3.12*0.6/0.00 TX4-113拆除400对以下配线架成端电缆(工日*0.6)条 6.08*0.6/0.00 TX4-114拆除600对以下配线架成端电缆(工日*0.6)条9.12*0.6/0.00 TX4-116拆除1200对以下配线架成端电缆(工日*0.6)条16.32*0.6/0.00 TX4-118拆除2400对以下配线架成端电缆(工日*0.6)条30.72*0.6/0.00TX4-119安装100对以下交接箱成端条 1.55/0.00 TX4-119拆除100对以下交接箱成端电缆(工日*0.6)条 1.55*0.6/0.00 TX4-119拆/装交接箱100对以下成端(工日*1.6)条 1.55*1.6/0.00 TX4-120安装200对以下交接箱成端条 2.6/0.00 TX4-120拆除200对以下交接箱成端电缆(工日*0.6)条 2.6*0.6/0.00 TX4-121安装300对以下交接箱成端条 3.8/0.00 TX4-121拆除300对以下交接箱成端电缆(工日*0.6)条 3.8*0.6/0.00 TX4-122安装400对以下交接箱成端条 5.2/0.00 TX4-122拆除400对以下交接箱成端电缆(工日*0.6)条 5.2*0.6/0.00 TX4-123安装600对以下交接箱成端条7.6/0.00 TX4-123拆除600对以下交接箱成端电缆(工日*0.6)条7.6*0.6/0.00 TX4-124安装800对以下交接箱成端条10.4/0.00 TX4-124拆除800对以下交接箱成端电缆(工日*0.6)条10.4*0.6/0.00TX4-125复接10对以下电缆条0.3/0.00 TX4-125拆除10对以下复接电缆(工日*0.6)条0.3*0.6/0.00 TX4-125拆/复10对以下电缆(工日*1.6)条0.3*1.6/0.00 TX4-126复接20对电缆条0.46/0.00 TX4-126拆除20对复接电缆(工日*0.6)条0.46*0.6/0.00 TX4-126拆/复20对电缆(工日*1.6)条0.46*1.6/0.00 TX4-127复接30对以下电缆条0.61/0.00 TX4-127拆除30对复接电缆(工日*0.6)条0.61*0.6/0.00 TX4-127拆/装30对复接电缆(工日*1.6)条0.61*1.6/0.00 TX4-128复接50对电缆条 1.08/0.00 TX4-128拆除50对复接电缆(工日*0.6)条 1.08*0.6/0.00 TX4-128拆/复50对电缆(工日*1.6)条 1.08*1.6/0.00TX4-125布放组线箱10对以下成端条0.3/0.00 TX4-125拆除10对以下组线箱成端(工日*0.6)条0.3*0.6/0.00 TX4-125拆/装10对以下组线箱成端(工日*1.6)条0.3*1.6/0.00 TX4-126布放组线箱20对以下成端条0.46/0.00 TX4-126拆除组线箱20对以下成端(工日*0.6)条0.46*0.6/0.00 TX4-126拆/装组线箱20以下对成端(工日*1.6)条0.46*1.6/0.00TX4-127装组线箱30对以下成端条0.61/0.00 TX4-127拆除30对以下组线箱电缆(工日*0.6)条0.61*0.6/0.00 TX4-127拆/装组线箱30对以下成端(工日*1.6)条0.61*1.6/0.00 TX4-128制装50对以下组线箱成端条 1.08/0.00 TX4-128拆除50对以下组线箱成端(工日*0.6)条 1.08*0.6/0.00 TX4-128拆/装组线箱50对以下成端(工日*1.6)条 1.08*1.6/0.00 TX4-129装组线箱100对成端条 1.55/0.00 TX4-129拆除100对组线箱电缆(工日*0.6)条 1.55*0.6/0.00 TX4-129拆/装组线箱100对成端(工日*1.6)条 1.55*1.6/0.00TX4-131开凿人孔封堵处0.360.360.00 TX4-135打穿墙洞(砖墙)处0.20.20.00 TX4-136打穿墙洞(混凝土墙)处0.30.30.00 TX4-137打穿预制板楼层洞处0.20.20.00 TX4-138打穿混凝土楼层洞处0.30.30.00 TX4-139安装墙担套0.30.30.00 TX4-139拆/装墙担(工日*1.7)套0.3*1.70.3*1.70.00 TX4-139增装终端支承物套0.30.30.00 TX4-139拆/装终端自承物(工日*1.7)套0.3*1.70.3*1.70.00TX4-139架空吊线接头处0.30.30.00 TX4-140安装二线担套0.20.20.00 TX4-140拆/装二线担(工日*1.7)套0.2*1.70.2*1.70.00 TX4-140增装中间支承物套0.20.20.00TX4-141安装电杆引上钢管根0.250.250.00 TX4-141拆除引上钢管(工日*0.7)根0.25*0.70.25*0.70.00 TX4-141拆/装引上钢管(工日*1.7)根0.25*1.70.25*1.70.00 TX4-142安装墙壁引上钢管根0.350.350.00 TX4-142拆/装墙壁引上钢管(工日*1.7)根0.35*1.70.35*1.70.00 TX4-144人井抽水个/10.00 TX4-144人井抽水整治个/10.00TX4-146整修电缆线路km8.938.930.00 TX4-147拆挂电缆补挂钩档0.180.180.00 TX4-147拆挂挂钩档0.180.180.00 TX4-147拆挂电力电缆补挂钩档0.180.180.00 TX4-147补挂钩档0.180.180.00 TX4-148分线设备整修个0.360.360.00 TX4-148分线设备整治个0.360.360.00 TX4-148整修分线设备个0.360.360.00 TX4-148整治分线设备个0.360.360.00 TX4-148移装分线设备个0.360.360.00 TX4-149更换用户室外线条0.290.290.00 TX4-149移改用户线条0.290.290.00 TX4-149移改更换用户室外线条0.290.290.00 TX4-150整修用户室外线条0.10.090.00TX4-151松/紧单槽夹板(工日*1.7)套0.06*1.70.06*1.70.000.150.140.00 0.15*1.70.14*1.70.000.060.060.00 0.06*1.70.06*1.70.0028.6648.570.00 28.66*0.948.57*0.90.006/0.009.96/0.00 13.68/0.000.5/0.000.5/0.007/0.00 12.28/0.00 17.08/0.001.2/0.001.1/0.000.66/0.003.5/0.000.560.140.00 0.56*0.60.14*0.60.00 0.56*1.60.14*1.60.000.720.180.00 0.72*0.60.18*0.60.00 0.72*1.60.18*1.60.000.960.240.00 0.96*0.60.24*0.60.000.96*1.60.24*1.60.001.120.280.00 1.12*0.60.28*0.60.00 1.12*1.60.28*1.60.001.280.320.00 1.28*1.60.32*1.60.00 1.28*0.60.32*0.60.001.760.440.002.640.660.00 2.64*0.60.66*0.60.00 2.64*1.60.66*1.60.000.240.060.000.240.060.001.5/0.00个 5.9 5.90.00个7.97.90.00个 3.2 3.20.00个 4.1 4.10.00个550.00个 2.25 2.250.00个 5.9*0.6 5.9*0.60.00个 5.9*0.6 5.9*0.60.00个7.9*0.67.9*0.60.00个 2.650.660.00个 2.65*0.60.66*0.60.00个0.780.190.00个0.780.190.00个0.78*0.60.19*0.60.00个0.78*1.60.19*1.60.00个0.78*1.60.19*1.60.00个0.78*1.60.19*1.60.00个 1.1*1.60.28*1.60.00个 1.1*0.60.28*0.60.00个 1.10.280.00个 1.43*1.60.36*1.60.00个 1.43*0.60.36*0.60.00个 1.430.360.00个 2.340.580.00块0.3/0.00块0.4/0.00块0.4*0.6/0.00个0.40.10.00百对6/0.00 100米 1.767.040.00 100米 2.6410.560.00 100米 3.5110.530.00 100米 4.2112.640.00 10个/0.40.00 10个0.90.40.0010个/0.40.00TX8-029安装落地式机柜(架)架20.670.00 TX8-030安装墙挂式机柜(架)架310.00 TX8-031安装接线箱个 2.70.90.00 TX8-032制作安装抗震底座个 1.670.830.00 TX8-033穿放4对对绞电缆百米0.850.850.00 TX8-033穿放4芯室内电话线百米0.850.850.00 TX8-036穿放50对以下屏蔽式电缆百米 1.32 1.320.00 TX8-038明布4对对绞电缆百米0.510.510.00 TX8-045卡接五类线条0.06/0.00 TX8-045卡接芯室内电话线条0.06/0.00 TX8-049安装线盒面板个0.05/0.00 TX8-049拆/装线盒面板个0.05*1.6/0.00 TX8-051安装双口插座个0.09/0.00 TX8-062机房跳线改接百对8/0.00 TX8-065电缆链路测试段0.1/0.00BTX1-01核查资料、制作用户改线表100户550.00 BTX1-02同一管孔并行布放小对数电缆(10对至50对)1000米条 6.310.80.00 BTX1-03布放小对数交接箱成端电缆(10对)条0.300.00 BTX1-04布放小对数交接箱成端电缆(20对)条0.4600.00 BTX1-05布放小对数交接箱成端电缆(30对)条0.6100.00 BTX1-06布放小对数交接箱成端电缆(50对)条 1.0800.00 BTX1-07安装落地交接箱(300-600回线)座 3.4 1.20.00 BTX2-01放绑光缆尾纤、安装活动连接器条0.1200.00 BTX2-05光电缆接续人、手孔抽水(积水)处010.00 BTX2-06光电缆接续人、手孔抽水(流水)处020.00 BTX2-07布放子管人、手孔抽水(积水)处010.00 BTX2-08布放子管人、手孔抽水(流水)处020.00 BTX2-09试通管道孔.公里 3.53 6.010.00 BTX2-10人工敷设4孔子管1000米14.7625.240.00 BTX3-01砌筑手孔300*470*600个10.80.00 BTX3-02砌筑手孔300*950*600个 1.1 1.020.00 BTX3-03制作、安装管道L型钢支(托)架个 2.4 2.40.00 BTX3-04制作、安装管道U型钢支(托)架个 3.6 2.40.00 BTX3-05管道混凝土包封加金属网片平方米110.00 BTX4-01人、手孔口圈调整标高个120.00 BTX4-02手孔上覆调整标高个 2.5 2.40.00 BTX4-03人孔上覆调整标高(小号)个4 4.90.00 BTX4-04人孔上覆调整标高(中号)个 5.2 5.50.00 BTX4-05人孔上覆调整标高(大号)个8.312.20.00 BTX4-06更换人、手孔口圈个120.00 BTX4-07更换手孔上覆个 2.5 2.40.00 BTX4-08更换人孔上覆(小号)个4 4.90.00 BTX4-09更换人孔上覆(中号)个 5.2 5.50.00 BTX4-10更换人孔上覆(大号)个8.312.20.00BTX4-11补装架空线路三线交越保护装置处0.300.00 BTX4-12改写分线盒线序百个080.00 BTX4-13改写电杆编号百个050.00BTX4-14扎挂电缆档0.060.060.00 BTX4-15墙上装L担套0.150.150.00 BTX4-16架设4.0铁线公里 2.52 2.640.00 BTX5-01光电缆资源录入个XBTX5-02管道资源录入个XBTX5-03穿放暗管、暗槽电话线百米0.850.850.00 BTX5-04布放线槽电话线百米0.510.510.00 BTX5-05钉固电话线、五类线百米 1.28 1.280.00 BTX5-06吊线式4对对绞线段长公里560.00 BTX5-07敷设管道4对对绞线段长公里6100.00 BTX5-08做RJ45头只0.060.00 BTX5-09安装单口RJ11模块(含面板)10只0.230.040.00 BTX5-10安装双口RJ12模块(含面板)10只0.450.070.00补充-001布放装机室外线条1/0.00补充-001电缆查障点1/0.00补充-001电缆挂牌块0.1/0.00补充-001挂牌块0.1/0.00补充-001光缆挂牌块0.1/0.00补充-001光缆盘余缆挂牌百米1/0.00补充-001机房整修个3/0.00补充-001交接箱整治个3/0.00补充-001人工调运水泥杆根/10.00补充-002安装拉线护套个0.3/0.00补充-002拆除旧用户室外线条/0.10.00补充-002交接箱整治个3/0.00补充-002人工拔杆调杆根/10.00补充-002人工调运水泥杆根/10.00补充-002整治基站个1/0.00补充-002安装过路标志处0.3/0.00补充-003水泥路开凿米/20.00补充-003水泥路开凿处/20.00补充-004人工修树处/20.00补充-001安装电话机部1/0.00补充-002资料录入号线0.1/0.00补充-001电缆盘余缆交库百米1/0.00补充-002核查资料100户550.00补充-002核查割接资料户0.20.10.00补充-003标写线序处00.10.00补充-001开挖土方(布放子管直埋)米/0.50.00补充-001协助线维中心接光缆处150.00补充-004电缆防盗扎处0.3/0.0010以下*1.530以下*1.3550以下*1.2100以下*1.1 100以上*1.05。
册说明一.长途线路工程施工段的划分根据我国电话网路结构,通常以纵向一至四级交换中心主干路由来划分。
但以本地网两级组网立项方案中,涉及农话、山区、水田等施工条件的地区,一直未能明确其属性。
现就本地网中应属长途线路施工的地段明确如下:1. 本地网中郊区汇接局(或市郊汇接局)、农话汇接局(用于疏通长途话务)与主干路由直接连通的线路段;2. 本地网中郊区汇接局(或市郊汇接局)、农话汇接局与其相邻的郊区汇接局(或市郊汇接局)、农话汇接局设置基干路由的线路段。
二.本册预算定额适用于长途通信光缆线路、海底通信光缆线路的新建工程。
当用于扩建工程时,其扩建部分的工日定额乘以1.10系数;用于拆除工程时按相关章的说明执行。
三.本定额编制依据为现行通信工程建设标准的相关部分。
四.本定额只规定单位工程量的人工工日、主要材料、机械和仪表台班的消耗量。
五.机械和仪表台班单价采用跟踪市场不定期发布的方式进行指导。
六.本定额中主要材料项目指直接构成工程实体的部分,其辅助材料的计取办法按“费用定额”相关规定执行。
七. 本定额所列工作内容中,除已说明的工序外,还包括工种间交叉配合、临时移动水、电源、配合质量检查、设备调试和施工作业现场范围内的器材搬运等。
八.在高原、高寒、沙漠、沼泽等特殊地区以及在洞、库、水下施工时,除本定额已有说明外其他应按有关部门的规定执行。
2.原始森林地区(室外)及沼泽地区施工时,人工工日、机械台班、仪表台班乘以1.3系数。
3.非固定沙漠地带室外施工,人工工日乘以1.10系数。
目录第一章长途埋式光缆线路工程………………………………………………………………………………………………………………...()章说明……………………………………………………………………………………………………………. …………………………….()第一节土(石)方工程……………………………………………………………………………………………………………………...()一.施工测量、开挖路面……………………………………………………………………………………………………………. ………...()二.挖填光缆沟、接头坑……………………………………………………………………………………………………………. ………...()第二节埋式光缆敷设与接续……………………………………………………………………………………………………………. ….()一.埋式光缆敷设……………………………………………………………………………………………………………. ………………...()(一)平原地区……………………………………………………………………………………………………………. ………………….()(二)丘陵、水田地区……………………………………………………………………………………………………………. ………….()(三)山区……………………………………………………………………………………………………………. ……………………….()二.埋式光缆障碍穿越……………………………………………………………………………………………………………. …………...()(一)地下定向钻孔敷设钢管……………………………………………………………………………………………………………. ….()(二)过路、过桥敷设钢管等……………………………………………………………………………………………………………. ….()三.埋式光缆防护工程……………………………………………………………………………………………………………. …………...()(一)防护工程(铺砖、盖板保护)………………………………………………………………………………….……………………..()(二)防护工程(坡、坎、沟保护)………………………………………………………………………………….……………………..()(三)接地装置……………………………………………………………………………………………………………. ………………….()(四)防雷、防蚀……………………………………………………………………………………………………………. ……………….()第三节水下光缆敷设……………………………………………………………………………………………………………. ………….()一.放缆船机具安装……………………………………………………………………………………………………………. ……………...()二.水下冲槽与人工截流挖沟……………………………………………………………………………………………………………. …...()三.布放水底光缆……………………………………………………………………………………………………………. ………………...()四.挖冲机敷设水下光缆……………………………………………………………………………………………………………. ………...()五.水下光缆保护(含标志牌)……………………………………………………………………………………………………………. ...()六.海底光缆敷设……………………………………………………………………………………………………………. ………………...()第二章长途架空光缆线路工程……………………………………………………………………………………………………………….()章说明……………………………………………………………………………………………………………. …………………………….()第一节立线杆……………………………………………………………………………………………………………. …………………...()一. 施工测量、立线杆(水泥线杆、木线杆)………………………………………………………………………………………………()二. 线杆加固与保护……………………………………………………………………………………………………………. ……………..()三. 立支撑杆……………………………………………………………………………………………………………. ……………………..()第二节装设拉线……………………………………………………………………………………………………………. ………………...()一. 水泥杆单股拉线……………………………………………………………………………………………………………. ……………..()二. 木杆单股拉线……………………………………………………………………………………………………………. ………………..()三. 水泥杆特种拉线……………………………………………………………………………………………………………. ……………..()四. 木杆特种拉线……………………………………………………………………………………………………………. ………………..()第三节架设吊线、光缆……………………………………………………………………………………………………………. ………...()一. 架设吊线……………………………………………………………………………………………………………. ……………………..()二. 架设光缆……………………………………………………………………………………………………………. ……………………..()第四节安装电杆附属装置…………………………………………………………………………………………………………………….()一.安装工作台、上杆钉、接高装置等……………………………………………………………………………………………………….()二.电线地杆、安装槽钢担…………………………………………………………………………………………………………………….()第三章长途专用塑料管道敷设光缆…………………………………………………………………………………………………. ……...()章说明……………………………………………………………………………………………………………. …………………………….()第一节人工铺设小口径塑料管道……………………………………………………………………………………………. ……………...()一. 平原地区铺设……………………………………………………………………………………………………………. ………………..()二. 丘陵、水田地区铺设……………………………………………………………………………………………………………. ………..()三. 山区铺设……………………………………………………………………………………………………………. ……………………..()四. 小口径塑料管试通……………………………………………………………………………………………………………. …………..()第二节气流法穿放光缆……………………………………………………………………………………………………………. ………….()第四章进局光缆……………………………………………………………………………………………………………. ….……………..()章说明……………………………………………………………………………………………………………. …………………………….()第一节敷设室外通道光缆……………………………………………………………………………………………………………. ……...()第二节敷设槽道、槽板、引上光缆………………………………………………………………………………………………………….()第三节室内通道光缆……………………………………………………………………………………………………………. …………...()第四节进线室布放光缆……………………………………………………………………………………………………………. ………...()第五章光缆接续与测试……………………………………………………………………………………………………………. ………...()章说明……………………………………………………………………………………………………………. …………………………….()第一节光缆接续……………………………………………………………………………………………………………. ………………...()第二节光缆中继段测试……………………………………………………………………………………………………………. ………...()第一章长途埋式光缆线路工程章说明一. 长途埋式光缆线路工程预算定额包括长途直埋通信光(电)缆、水下敷设光(电)缆、海底敷设光缆等三种隐蔽工程的施工预算定额。
编号名称单位技工工日普工工日CAB-补01布放V.24/V.35/X.21电缆10米条0.160 CAB-补02编扎焊接V.24/V.35/X.21电缆条0.50 DDN-补01调测DDN设备用户端口个0.20 DDN-补02调测DDN设备中继端口个20 DDN-补03调测帧中继设备用户端口个0.20 DDN-补04安装框式DDN设备框50 DDN-补05调测帧中继设备中继端口个20 DS1-001安装蓄电池抗震铁架(单层单列)米/架0.60 DS1-002安装蓄电池抗震铁架(单层双列)米/架0.90 DS1-003安装蓄电池抗震铁架(双层单列)米/架 1.280 DS1-004安装蓄电池抗震铁架(双层双列)米/架 1.40 DS1-005安装蓄电池抗震铁架(3-4层双列)米/架 2.520 DS1-006安装蓄电池抗震铁架(5-7层双列)米/架 3.50 DS1-007安装蓄电池抗震铁架(7-8层双列)米/架 4.80 DS1-008铺橡皮垫10平方米0.50 DS1-009安装24伏防酸隔爆蓄电池组(汽车电池)组 2.350 DS1-010安装24伏防酸隔爆蓄电池组(50AH以下)组 2.260 DS1-011安装24伏防酸隔爆蓄电池组(200AH以下)组 3.30 DS1-012安装24伏防酸隔爆蓄电池组(500AH以下)组 4.40 DS1-013安装24伏防酸隔爆蓄电池组(1000AH以下)组 5.920 DS1-014安装24伏防酸隔爆蓄电池组(1400AH以下)组7.530 DS1-015安装24伏防酸隔爆蓄电池组(2000AH以下)组13.550 DS1-016安装24伏防酸隔爆蓄电池组(3000AH以下)组15.760 DS1-017安装48伏防酸隔爆蓄电池组(50AH以下)组 4.090 DS1-018安装48伏防酸隔爆蓄电池组(200AH以下)组 6.150 DS1-019安装48伏防酸隔爆蓄电池组(500AH以下)组8.360 DS1-020安装48伏防酸隔爆蓄电池组(1000AH以下)组11.790 DS1-021安装48伏防酸隔爆蓄电池组(1400AH以下)组15.230 DS1-022安装48伏防酸隔爆蓄电池组(2000AH以下)组24.770 DS1-023安装48伏防酸隔爆蓄电池组(3000AH以下)组29.180 DS1-024安装24V阀控式密封铅酸蓄电池组(200AH以下)组40 DS1-025安装24V阀控式密封铅酸蓄电池组(1000AH以下)组70 DS1-026安装24V阀控式密封铅酸蓄电池组(2000AH以下)组15.680 DS1-027安装24V阀控式密封铅酸蓄电池组(3000AH以下)组19.440 DS1-028安装48V阀控式密封铅酸蓄电池(200AH以下)组7.20 DS1-029安装48V阀控式密封铅酸蓄电池(1000AH以下)组12.60 DS1-030安装48V阀控式密封铅酸蓄电池(2000AH以下)组23.940 DS1-031安装48V阀控式密封铅酸蓄电池(3000AH以下)组34.020 DS1-032酸性(铅)蓄电池充放电(汽车电池)组150 DS1-033酸性(铅)蓄电池充放电(非低压)组29.50 DS1-034酸性(铅)蓄电池充放电(低压)组43.50 DS1-035阀控式密封铅酸蓄电池补充电及容量试验(补充组150 DS1-036阀控式密封铅酸蓄电池补充电及容量试验(容量组180 DS1-037安装方阵铁架(基础底座上安装)10平方米50 DS1-038安装方阵铁架(铁塔上安装)10平方米90 DS1-039安装太阳能电池(500WP以下)组50 DS1-040安装太阳能电池(1000WP以下)组 6.50 DS1-041安装太阳能电池(1500WP以下)组8.20 DS1-042安装太阳能电池(2000WP以下)组100 DS1-043安装太阳能电池(3000WP以下)组150 DS1-044安装太阳能电池(5000WP以下)组200 DS1-045安装太阳能电池(7000WP以下)组250 DS1-046安装太阳能电池(10000WP以下)组320 DS1-047局站内太阳能电池与控制屏联测(单方阵系统)50DS1-048安装风力发电机组(高12M以下)(500W以下)台27.50 DS1-049安装风力发电机组(高12M以下)(1000W以下)台30.60 DS1-050安装风力发电机组(高12M以下)(2000W以下)台33.30 DS1-051安装风力发电机组(高12M以下)(3000W以下)台36.80 DS1-052安装风力发电机组(高12M以下)(4000W以下)台420 DS1-05312M以上杆(塔)高度每增加1米10 DS1-054安装柴油发电机组(30KW以下)组15.10 DS1-055安装柴油发电机组(75KW以下)组21.560 DS1-056安装柴油发电机组(120KW以下)组23.40 DS1-057安装柴油发电机组(200KW以下)组27.510 DS1-058安装柴油发电机组(300KW以下)组32.490 DS1-059安装柴油发电机组(500KW以下)组48.460 DS1-060安装柴油发电机组(800KW以下)组620 DS1-061安装柴油发电机组(800KW以上)组79.460 DS1-062安装机组体外排气系统(120KW以下)套70 DS1-063安装机组体外排气系统(500KW以下)套90 DS1-064安装机组体外排气系统(800KW以下)套110 DS1-065安装机组体外排气系统(800KW以上)套130 DS1-066安装燃油箱套120 DS1-067安装机油箱套130 DS1-068安装开关电源(50A以下)架50 DS1-069安装开关电源(100A以下)架80 DS1-070安装开关电源(200A以下)架120 DS1-071安装开关电源(600A以下)架150 DS1-072安装开关电源(1200A以下)架230 DS1-073系统调测系统160 DS1-074安装落地式交流配电屏、油机转换屏及控制屏台 4.20 DS1-075安装落地式直流配电屏台50 DS1-076安装墙挂式配电屏台 2.460 DS1-077配电系统自动性能调测系统12.060 DS1-078安装整流器(10KW以下)台70 DS1-079安装整流器(14KW以下)台90 DS1-080安装整流器(27KW以下)台130 DS1-081安装整流器(54KW以下)台220 DS1-082电子交流稳压器台20 DS1-083安装市话组合电源套24.730 DS1-084安装调压器100KVA以下台40 DS1-085安装调压器500KVA以下台60 DS1-086安装组合变换器400KW以下盘 1.50 DS1-087安装变换器400KW以上架40 DS1-088安装调试三相不停电电源(30KVA以下)套160 DS1-089安装调试三相不停电电源(50KVA以下)套190 DS1-090安装调试三相不停电电源(100KVA以下)套230 DS1-091安装调试三相不停电电源(200KVA以下)套280 DS1-092安装调试三相不停电电源(300KVA以下)套330 DS1-093无人值守站内电源设备系统联测站160 DS1-094控制段内无人值守电源设备与主控联测(一个控120 DS1-095控制段内无人值守电源设备与主控联测(每增加40 DS1-096电源母线支架个10 DS1-097电源上楼铁架米 3.50 DS1-098制做穿墙洞胶木板处 2.50 DS1-099加工安装绝缘子只0.20 DS1-100电源线上楼保护罩米0.60 DS1-101布放电源线[35平方毫米以下(三芯)]10米条0.50 DS1-102布放电源线[70平方毫米以下(单芯)]10米条0.360DS1-103布放电源线[185平方毫米以下(单芯)]10米条0.60 DS1-104安装交换机电源及接地10米条0.760 DS1-105安装列内电源线列 1.70 DS1-106制作安装铜(铝)电源母线(500平方毫米以下)10米条 4.40 DS1-107制作安装铜(铝)电源母线(1000平方毫米以下)10米条 5.80 DS1-108制作安装铜(铝)电源母线(1500平方毫米以下)10米条7.50 DS1-109制作安装铜(铝)电源母线(2000平方毫米以下)10米条90 DS1-110制作安装铜(铝)电源母线(2500平方毫米以下)10米条10.50 DS1-111制作安装铜(铝)电源母线(铜棒Х9毫米以下)10米条 1.20 DS1-112制作安装铜(铝)电源母线(铜棒Х16毫米以下)10米条 1.90 DS1-113制作安装铜(铝)电源母线(铜棒Х23毫米以下)10米条 2.80 DS1-114安装软接头个 1.20 DS1-115制作安装钢管接地极(普通土)根0.460 DS1-116制作安装钢管接地极(硬土)根0.520 DS1-117制作安装角钢接地极(普通土)根0.320 DS1-118制作安装角钢接地极(硬土)根0.370 DS1-119制作安装圆钢接地极(普通土)根0.230 DS1-120制作安装圆钢接地极(硬土)根0.430 DS1-121制作安装铜板接地极块 2.50 DS1-122制作安装钢板接地极块 3.50 DS1-123制作安装化学降阻处理处50 DS1-124户外接地母线敷设10米 3.10 DS1-125户内接地母线敷设10米 1.390 DS1-126安装接地跨接线10处 1.130 DS1-127接地网电阻测试组10 DS2-001铺防静电地漆布100平方米260 DS2-002铺普通地漆布100平方米200 DS2-003安装电缆槽道米0.80 DS2-004安装电缆走线架米0.50 DS2-005安装列架米0.80 DS2-006安装列头柜架90 DS2-007安装列中柜、尾柜、空机架架 1.50 DS2-008安装电源分配架(柜)架50 DS2-009安装可控硅铃流发生器台100 DS2-010房柱抗震加固处10 DS2-011制作安装抗震机座个 2.50 DS2-012安装保安配线箱(40回线以下)个 1.50 DS2-013安装保安配线箱(60回线以下)个 2.50 DS2-014安装保安配线箱(120回线以下)个40 DS2-015安装保安配线箱(180回线以下)个50 DS2-016安装总配线架(240回线以下)架8.640 DS2-017安装总配线架(480回线以下)架12.20 DS2-018安装总配线架(900回线以下)架14.80 DS2-019安装总配线架(2000回线以下)架190 DS2-020安装总配线架(4000回线以下)架25.40 DS2-021安装总配线架(6000回线以下)架30.30 DS2-022安装总配线架(202回线×8)架14.80 DS2-023安装总配线架(303回线×8)架17.440 DS2-024安装总配线架(600/600壁挂式配线架)架60 DS2-025安装滑梯架20 DS2-026安装测量台、业务台、辅助台台60 DS2-027安装列架、机台照明(二灯/列)列 2.270 DS2-028安装列架、机台照明(四灯/列)列 3.470 DS2-029安装列架、机台照明(六灯/列)列 4.670 DS2-030安装机台照明台 1.50DS2-031安装事故照明处0.20 DS2-032安装总信号灯盘盘0.750 DS2-033安装列信号灯盘盘0.20 DS2-034安装保安排(100回线)块0.250 DS2-035安装试线排(100回线)块0.20 DS2-036安装MDF横列穿线板块0.050 DS3-001布放设备电缆百米条 1.90 DS3-002布放局用高频屏蔽电缆百米条 1.40 DS3-003布放音频隔离线(单、双芯百米条 1.20 DS3-004布放SYV类射频同轴电缆百米条 1.60 DS3-005编扎.焊(绕.卡)接设备电缆(33芯以下)条0.370 DS3-006编扎.焊(绕.卡)接设备电缆(63芯以下)条0.60 DS3-007编扎.焊(绕.卡)接设备电缆(128芯以下)条0.970 DS3-008编扎.焊(绕.卡)接设备电缆(210芯以下)条 1.480 DS3-009编扎.焊(绕.卡)接局用高频配线电缆(多芯)条0.80 DS3-010编扎.焊(绕.卡)接局用高频屏蔽电缆(双芯平衡条0.10 DS3-011编扎.焊(绕.卡)接音频隔离线(单、双芯)条0.060 DS3-012编扎.焊(绕.卡)接SYV类射频同轴电缆条0.150 DS3-013中间配线架布放双芯以下跳线百条 1.640 DS3-014中间配线架布放四芯以下跳线百条 2.480 DS3-015中间配线架布放六芯以下跳线百条 3.320 DS3-016中间配线架改接六芯以下跳线百条 6.30 DS3-017总配线架布放跳线百条 3.220 DS3-018总配线架带电改接跳线百条 6.440 DS3-019布放列内、列间信号线百条 2.50 DS3-020编扎,焊(绕,卡)接设备电缆10芯以下条0.160 DS3-021编扎,焊(绕,卡)接设备电缆22芯以下条0.350 DS4-001安装交换设备架120 DS4-001W安装室外交换设备架160 DS4-002安装维护终端、打印机、话务台告警设备台20 DS4-003安装程控车载集装箱架200 DS4-004安装用户集线器(SLC)设备480线/架100 DS4-005程控电话硬件测试(市话用户线)千线200 DS4-006程控电话硬件测试(市话中继线PCM系统)系统0.750 DS4-007程控电话硬件测试(长途2千路端以下)千路端640 DS4-008程控电话硬件测试(长途10千路端以下)千路端560 DS4-009程控电话硬件测试(长途10千路端以上)千路端500 DS4-010程控电话软件调测(市话用户线)千线240 DS4-011程控电话软件调测(市话中继线PCM系统)系统 1.50 DS4-012程控电话软件调测(长途)千路端320 DS4-013调测维护终端、打印机话务台、告警设备台10 DS4-014调测用户集线器(SLC)千线700 DS4-015安装调测用户交换机(32线以下)线0.320 DS4-016安装调测用户交换机(64线以下)线0.180 DS4-017安装调测用户交换机(128线以下)线0.150 DS4-018安装调测用户交换机(300线以下)线0.110 DS4-019安装调测用户交换机(500线以下)线0.090 DS4-020安装调测用户交换机(1000线以下)线0.070 DS5-001安装端机机架(柜)架30 DS5-002安装数字分配架架80 DS5-003安装光分配架架10 DS5-004放、绑软光纤条0.70 DS5-004C拆除软光纤条0.350 DS5-004S安装光电转换器块0.50 DS5-004SC拆除光电转换器块0.250DS5-005数字分配架布放跳线百条40 DS5-006数字分配架改接跳线百条80 DS5-007安装测试光端机端30 DS5-007G安装光电转换机架架10 DS5-007GC拆除光电转换机架架0.50 DS5-007S安装调测交换机台30 DS5-007SC拆除交换机台 1.50 DS5-008安装测试复用电端机(一次群以上(递级复用))端30 DS5-009安装测试复用电端机(一次群以上(跳级复用))端70 DS5-010安装测试PCM设备端80 DS5-011安装测试2.5Gb/S端机(终端复用器(TM))端340 DS5-012安装测试2.5Gb/S端机(分插复用器(ADM))端210 DS5-013安装测试622Mb/s端机(终端复用器(TM))端100 DS5-014安装测试622Mb/s端机(分插复用器(ADM))端320 DS5-015安装测试2/155Mb/S跳级复用端280 DS5-016安装测试155Mb/S终端复用器(TM)端300 DS5-016G安装155/622 SDH光端机端150 DS5-017安装调测再生中继架(2系统/架)100 DS5-018安装调测再生中继架(每增加一个系统)40 DS5-019安装调测远供电源架(含电源盘)架120 DS5-020安装、调测子网管理系统(SDH)站950 DS5-021安装、调测本地维护终端(SDH)站120 DS5-022安装、调测监控中心设备(PDH)套350 DS5-023安装、调测监控中心设备(PDH)套210 DS5-024安装、调测光端机主/备用自动转换设备(5:1)套100 DS5-025安装、调测光端机主/备用自动转换设备(每增套20 DS5-026安装、调测数字公务设备3条/套50 DS5-027网管系统运行试验(SDH)(子网管理系统)站300 DS5-028网管系统运行试验(SDH)(本地维护终端)站100 DS5-029监控系统运行试验(PDH)站300 DS5-030数字公务系统运行试验系统/站40 DS5-031数字线路段光端对测(中继站)系统/中段40 DS5-032数字线路段光端对测(端站)系统/路段60 DS5-033复用设备系统调测系统/端10 DS5-034光、电调测中间站配合站100 DS5试-001安装测试八波波分复用器 四波端300 DS5试-003安装测试十六波波分复用器 八波端500 DS5试-005安装测试光转换器个50 DS5试-006安装测试光线路放大器 (ILA)系统280 DS5试-007基本子架(包括交叉控制等)安装和测试子架100 DS5试-008安装和测试155Mb/S接口子架子架400 DS5试-009安装和测试2Mb/S接口盘盘140 DS5试-010连通测试端口0.150 DS6-001安装转报主机架50 DS6-002安装双机通信控制器架50 DS6-003安装百万存储器柜40 DS6-004安装磁盘装置柜柜50 DS6-005安装多路通信器MTY架50 DS6-006安装调度控制台台80 DS6-007安装控制台(带市内分发微机)台40 DS6-008安装报路外线调度测试架架50 DS6-009安装纸带输入光电机部30 DS6-010安装纸带输出穿孔机部20 DS6-011安装技术维护电传机部20 DS6-012安装技术维护微机部20DS6-013安装维护终端套20 DS6-014安装宽行打印机台30 DS6-015安装宽行打印机共享器部30 DS6-016安装技术维护打印机部20 DS6-017安装监录电传机部20 DS6-018安装BJC转报分线架架50 DS6-019安装应急处理微机台 3.50 DS6-020安装软件维护微机台20 DS6-021安装硬件维护测试台台20 DS6-022安装电报机台列接线箱个10 DS6-023安装自动转报分集器架50 DS6-024检查、调测双机通信控制器架26.50 DS6-025检查、调测百万存储器(1M以下)柜140 DS6-026检查、调测磁盘装置(80M以下)柜210 DS6-027检查、调测多路通信器(MTY)路0.250 DS6-028检查、调测BJC报路接口路0.150 DS6-029检查、调测调度控制台路0.10 DS6-030检查、调测控制台(带市内分发微机)台200 DS6-031检查、调测报路外线调度测试架路0.10 DS6-032检查、调测纸带输入光电机部50 DS6-033检查、调测纸带输出穿孔机部50 DS6-034检查、调测宽行打印机部120 DS6-035检查、调测宽行打印机共享器柜110 DS6-036检查、调测打印机部20 DS6-037检查、调测监录电传机部0.50 DS6-038局内模拟转报各项试验(32/64路)项1010 DS6-039局内模拟转报各项试验(128/256路)项2160 DS6-040局内模拟转报各项试验(512路及以上)项2880 DS6-041转报系统各项技术指标检查项180 DS6-042转报系统各项业务功能指标检查项480 DS6-043安装28线集中器套20 DS6-044安装配线调度架(140线)架50 DS6-045安装配线调度架(256线)架50 DS6-046安装配线调度架(512线)架50 DS6-047安装用户电报交换机(140线256线)台50 DS6-048安装用户电报交换机(512线1024线2048线)台70 DS6-049安装用户电报交换机(前台机)台50 DS6-050安装用户电报交换机(后台机)台150 DS6-051安装测量台台50 DS6-052安装计算微机台20 DS6-053安装光电机台20 DS6-054安装人工辅助台台30 DS6-055安装CRI显示装置套20 DS6-056安装系统电传机台20 DS6-057安装时分复用设备套50 DS6-058安装调制解调器部0.50 DS6-059安装新老码变换器套10 DS6-060安装单/双流转换盒套10 DS6-061调测28线集中器套210 DS6-062调测调线配线架(140线)架130 DS6-063调测调线配线架(256线)架190 DS6-064调测调线配线架(512线)架270 DS6-065调测调线配线架(1024线)架300 DS6-066调测调线配线架(2048线)架350 DS6-067调测140线交换机台1050DS6-068调测256线交换机(硬件和基本软件)套2000 DS6-069调测256线交换机(应用软件)套2170 DS6-070调测前台机(硬件和基本软件)套1800 DS6-071调测前台机(应用软件)套1400 DS6-072调测后机台(NCC)(硬件和基本软件)套3800 DS6-073调测后机台(NCC)(应用软件)套3740 DS6-074调测计费微处理机(硬件和基本软件)套540 DS6-075调测计费微处理机(应用软件)套400 DS6-076调测光电机台80 DS6-077调测测量台台140 DS6-078调测人工辅助台台140 DS6-079调测CRT显示装置套140 DS6-080调测调制解调器部140 DS6-081调测时分复用设备部140 DS6-082系统联机测试(140/256线)套2400 DS6-083系统联机测试(512线)套3000 DS6-084业务功能检查系统850 DS6-085系统技术指标检查系统210 DS6-086系统稳定性能测试(>200小时)系统700 DS6-087安装DDN设备机架架120 DS6-088调测DDN设备节点机350 DS6-089调测帧中继设备节点机1800 DS6-090安装调测系统打印机套40 DS6-091安装调测数字(网络)终端单元(DTU或NTU)架480 DS6-091049安装蓄电池抗震铁架(单层单列)米/架0.60 DS6-092安装调测数字交叉连接设备(DACS)架370 DS6-093安装调测网管小型机套3490 DS6-094安装调测网管工作站套79.50 DS6-095安装调测单资源模块(RM)套1490 DS6-096安装调测双资源模块(RM)套1990 DS6-097安装调测单介入模块(AM)套880 DS6-098安装调测双介入模块(AM)套1180 DS6-099安装小介入模块(SAM)(DPN-100/10S)套590 DS6-100安装分组装拆设备(PAD)(DPN-100/3或5)套300 DS6-101安装集装架架12.50 DS6-102安装调测插板式调制解调器个50 DS6-103安装分组交换网管中心设备套160 DS6-104调测分组交换网管中心设备套1890 DS7-001安装调测漫游、短信服务、语言信箱设备架250 DS7-002安装调测操作维护中心(OMC)设备架350 DS7-003楼房上安装移动通信天、馈线(10米以内)副60 DS7-004楼房上安装移动通信天、馈线(20米以内))副80 DS7-005地面铁塔上安装移动通信天、馈线(30米以内)副100 DS7-006地面铁塔上安装移动通信天、馈线(60米以内)副130 DS7-007地面铁塔上安装移动通信天、馈线(80米以内)副170 DS7-008地面铁塔上安装移动通信天、馈线(80米以上每副40 DS7-009布放射频同轴电缆(布放10米)条20 DS7-010布放射频同轴电缆(每增加10米)条10 DS7-011安装馈线密封窗个50 DS7-012调测移动通信天、馈线系统(房顶上)副50 DS7-013调测移动通信天、馈线系统(铁塔上)副90 DS7-014安装基站设备架100 DS7-015安装调测直放站设备站200 DS7-016基站系统调测(一个小区8个信道)信道120 DS7-017基站系统调测(每增加一个信道)信道10DS7-018全电路调测(一个小区8个信道)信道500 DS7-019全电路调测(每增加一个信道)信道20 DS7-020同频干扰调测(两个小区)80 DS7-021同频干扰调测(每增加一个小区间)40 DS8-001架设自立式钢铁塔吨210 DS8-002水泥底座及2.2M以下铁架上安装(吊装)Х2.0M副15.20 DS8-003Х2.0M以下抛物面天线安装(吊装)(10M以内副28.80 DS8-004Х2.0M以下抛物面天线安装(吊装)(30M以内副680 DS8-005Х2.0M以下抛物面天线安装(吊装)(30M以上副820 DS8-006Х2.0M以下抛物面天线安装(吊装)(30M以内副960 DS8-007Х2.0M以下抛物面天线安装(吊装)(60M以内副1160 DS8-008Х2.0M以下抛物面天线安装(吊装)(80M以内副1340 DS8-009Х2.0M以下抛物面天线安装(吊装)(80M以上副180 DS8-010水泥底座及2.2M以下铁架上安装(吊装)Х3.2M副190 DS8-011Х3.2M以下抛物面天线安装(吊装)(10M以内副360 DS8-012Х3.2M以下抛物面天线安装(吊装)(30M以内副860 DS8-013Х3.2M以下抛物面天线安装(吊装)(30M以上副1030 DS8-014Х3.2M以下抛物面天线安装(吊装)(30M以内副1210 DS8-015Х3.2M以下抛物面天线安装(吊装)(60M以内副1440 DS8-016Х3.2M以下抛物面天线安装(吊装)(80M以内副1680 DS8-017Х3.2M以下抛物面天线安装(吊装)(80M以上副240 DS8-018Х3.2M以下抛物面天线安装(吊装)(天线加边副100 DS8-019Х3.2M以下抛物面天线安装(吊装)(分瓣天线副100 DS8-020水泥底座及2.2M以下铁架上安装(吊装)Х4.0M副500 DS8-021Х4.0M以下抛物面天线安装(吊装)(10M以内副62.80 DS8-022Х4.0M以下抛物面天线安装(吊装)(30M以内副1000 DS8-023Х4.0M以下抛物面天线安装(吊装)(30M以上副1170 DS8-024Х4.0M以下抛物面天线安装(吊装)(30M以内副1350 DS8-025Х4.0M以下抛物面天线安装(吊装)(60M以内副1580 DS8-026Х4.0M以下抛物面天线安装(吊装)(80M以内副1820 DS8-027Х4.0M以下抛物面天线安装(吊装)(80M以上副240 DS8-028Х4.0M以下抛物面天线安装(吊装)(天线加边副150 DS8-029Х4.0M以下抛物面天线安装(吊装)(分瓣天线副150 DS8-030水泥底座及2.2M以下铁架上安装(含拼装)Х5.副97.50 DS8-031Х5.0M以下抛物面天线安装(含拼装)(10M以副115.50 DS8-032Х5.0M以下抛物面天线安装(含拼装)(30M以副172.50 DS8-033Х5.0M以下抛物面天线安装(含拼装)(30M以副1980 DS8-034Х5.0M以下抛物面天线安装(含拼装)(30M以副2250 DS8-035Х5.0M以下抛物面天线安装(含拼装)(60M以副259.50 DS8-036Х5.0M以下抛物面天线安装(含拼装)(80M以副295.50 DS8-037Х5.0M以下抛物面天线安装(含拼装)(80M以副360 DS8-038安装矩形馈线(10M)条60 DS8-039安装矩形馈线(每增加10M)条20 DS8-040安装楼房上椭圆馈线(10M)条80 DS8-041安装楼房上椭圆馈线(每增加10M)条40 DS8-042安装铁塔上椭圆馈线(10M)条250 DS8-043安装铁塔上椭圆馈线(每增加10M)条80 DS8-044安装分路系统套20 DS8-045山头、楼房上天线调测(Х3.2M以下)副9.50 DS8-046山头、楼房上天线调测(Х4.0M以下)副11.40 DS8-047山头、楼房上天线调测(Х5.0M以下)副22.80 DS8-048铁塔上天线调测(Х3.2M以下)副14.50 DS8-049铁塔上天线调测(Х4.0M以下)副17.40 DS8-050铁塔上天线调测(Х5.0M以下)副34.80 DS8-051馈线调测条 3.50DS8-052安装微波设备架140 DS8-053安装监控设备(主监控设备)套100 DS8-054安装监控设备(次主监控设备)套80 DS8-055监控设备(被控设备)部10 DS8-056监控设备(外围控制箱)套40 DS8-057安装辅助设备(电源配线盘)盘20 DS8-058安装辅助设备(波导充气机)部0.50 DS8-059安装直放站设备全套240 DS8-060测试收发信机套60 DS8-061测试直接放大器套120 DS8-062测试分集接收机部30 DS8-063测试调制解调机套80 DS8-064测试波导倒换机部 4.50 DS8-065测试主、次监控设备套150 DS8-066测试被控设备套40 DS8-067测试模拟公务盘 2.50 DS8-068测试数字公务盘30 DS8-069测试波导充气机部20 DS8-070中继段调测(1+1系统)每段200 DS8-071中继段调测每增加一个系统50 DS8-072数字段主通道调测(1+1系统)数字段200 DS8-073数字段主通道调测(每增加一个系统)数字段60 DS8-074路边业务(一个业务段)辅助通道调测(1+1系数字段80 DS8-075路边业务(一个业务段)辅助通道调测(每增加数字段30 DS8-076公务联络(两个上下话路站)辅助通道调测(1数字段40 DS8-077公务联络(两个上下话路站)辅助通道调测(每数字段10 DS8-078波道倒换(一个倒换段)数字段60 DS8-079监控调测(两个上下话路站(1+1系统))数字段60 DS8-080监控调测(每增一个系统)数字段20 DS8-081配合数字终端测试(调制段(1+1系统))数字段60 DS8-082配合数字终端测试(每增一个系统)数字段10 DS8-083两个终端站全电路主通道调测(1+1系统)360 DS8-084全电路主通道调测(每增一个系统)120 DS8-085全电路主通道调测(每增一个上下话路站)240 DS8-086两个终端站全电路辅助通道调测(1+1系统)60 DS8-087全电路辅助通道调测(每增一个系统)20 DS8-088全电路辅助通道调测(每增一个上下话路站)20 DS8-089主控站全电路集中监控性能调试(1+1系统)180 DS8-090主控站全电路集中监控性能调试(每增加一个系40 DS8-091全电路集中监控性能调试(次主控站)120 DS8-092全电路稳定性能测试站210 DS8-093安装一点多址数字微波通信设备[中心站(BS)]站60 DS8-094安装一点多址数字微波通信设备[中继站(RS)]站40 DS8-095安装一点多址数字微波通信设备[用户站(SS)]站20 DS8-096测试一点多址数字微波通信设备(收发信机)套80 DS8-097测试一点多址数字微波通信设备(勤务监控)套30 DS8-098测试一点多址数字微波通信设备(分复接器)套40 DS8-099一点对多点微波通信系统系统联测站250 DS9-001安装调试天线座架(6-8M)站1300 DS9-002安装调试天线座架(9-11M)站1800 DS9-003安装调试天线座架(12-13M)站190.10 DS9-004安装调试天线座架(14-16M)站480.90 DS9-005安装调试天线座架(17-20M)站5500 DS9-006安装调试天线座架(25-30M)站6500 DS9-007安装、调测天线主、付反射面(6-8M)站4200DS9-008安装、调测天线主、付反射面(9-11M)站5500 DS9-009安装、调测天线主、付反射面(12-13M)站5600 DS9-010安装、调测天线主、付反射面(14-16M)站13000 DS9-011安装、调测天线主、付反射面(17-20M)站15000 DS9-012安装、调测天线主、付反射面(25-30M)站18000 DS9-013安装、调试驱动及附属设备(6-8M)站3100 DS9-014安装、调试驱动及附属设备(9-11M)站4200 DS9-015安装、调试驱动及附属设备(12-13M)站4900 DS9-016安装、调试驱动及附属设备(14-16M)站8500 DS9-017安装、调试驱动及附属设备(17-20M)站9600 DS9-018安装、调试驱动及附属设备(25-30M)站11400 DS9-019调测天馈线系统(6-8M站)副400 DS9-020调测天馈线系统(9-11M站)副550 DS9-021调测天馈线系统(12-13M站)副750 DS9-022调测天馈线系统(14-16M站)副1100 DS9-023调测天馈线系统(17-20M站)副130.80 DS9-024调测天馈线系统(25-30M站)副1500 DS9-025安装高功放分系统(1000-3000W(1:1))站360 DS9-026安装高功放分系统(1000-3000W(2:1))站450 DS9-027安装高功放分系统(1000-3000W(3:1))站630 DS9-028安装高功放分系统(600-900W(1:1))站31.80 DS9-029安装高功放分系统(600-900W(2:1))站390 DS9-030安装高功放分系统(600-900W(3:1))站500 DS9-031安装高功放分系统(201-500W(1:1))站270 DS9-032安装高功放分系统(201-500W(2:1))站340 DS9-033安装高功放分系统(201-500W(3:1))站440 DS9-034安装高功放分系统(50-200W(1:1))站230 DS9-035安装高功放分系统(50-200W(2:1))站290 DS9-036安装高功放分系统(50-200W(3:1))站380 DS9-037安装地面公用设备分系统(1:1)站360 DS9-038安装地面公用设备分系统(每增加一个方向)站360 DS9-039安装地面公用设备分系统(3:1)站760 DS9-040安装地面公用设备分系统(每增加一个方向)盘90 DS9-041安装电话分系统(SCPC设备(10路以下))站420 DS9-042安装电话分系统(SCPC设备(10路以上))站870 DS9-043安装电话分系统(IDR设备(一路2Mb/S))80 DS9-044安装电话分系统(IDR设备(每增加一路2Mb/S)60 DS9-045安装电话分系统(TDMA设备)站870 DS9-046安装电话分系统(工程勤务ESC)站80 DS9-047安装电视分系统(TV/FM)站360 DS9-048安装低噪声放大设备分系统(1:1倒换)站200 DS9-049安装低噪声放大设备分系统(2:1倒换)站300 DS9-050安装监测控制分系统监控桌(每桌2盘)站460 DS9-051安装监测控制分系统监控桌(每桌4盘)站550 DS9-052安装监测控制分系统监控桌(每桌8盘)站640 DS9-053安装监测控制分系统监控桌(微机控制)站420 DS9-054调测高功放设备分系统(1000-3000W(1:1))站950 DS9-055调测高功放设备分系统(1000-3000W(2:1))站1200 DS9-056调测高功放设备分系统(1000-3000W(3:1))站1500 DS9-057调测高功放设备分系统(600-900W(1:1))站900 DS9-058调测高功放设备分系统(600-900W(2:1))站1100 DS9-059调测高功放设备分系统(600-900W(3:1))站1300 DS9-060调测高功放设备分系统(500W以下(1:1))站760 DS9-061调测高功放设备分系统(500W以下(2:1))站950 DS9-062调测高功放设备分系统(500W以下(3:1))站1200DS9-063测试地面公用设备分系统(1:1)站1980 DS9-064测试电话分系统(SCPC设备(10路以下))站2290 DS9-065测试电话分系统(SCPC设备(10路以上))站4570 DS9-066测试电话分系统(IDR设备(一路2Mb/S))100 DS9-067测试电话分系统(IDR设备(每增加一路2Mb/S)80 DS9-068测试电话分系统(TDMA)站2000 DS9-069测试电话分系统(工程勤务ESC)站300 DS9-070测试电视设备(TV/FM)系统1000 DS9-071测试低噪声放大器分系统(1:1倒换)站500 DS9-072测试低噪声放大器分系统(2:1倒换)站750 DS9-073测试监测控制分系统(监控桌(每桌2盘))站430 DS9-074测试监测控制分系统(监控桌(每桌4盘))站510 DS9-075测试监测控制分系统(监控桌(每桌8盘))站660 DS9-076测试监测控制分系统(微机控制)站900 DS9-077天线6-8M站500 DS9-078天线9-11M站700 DS9-079天线12-13M站740 DS9-080天线14-16M站900 DS9-081天线17-20M站1050 DS9-082天线25-30M站1240 DS9-083系统调测(天线6-8M)站3250 DS9-084系统调测(天线9-11M)站4500 DS9-085系统调测(天线12-13M)站5200 DS9-086系统调测(天线14-16M)站9500 DS9-087系统调测(天线17-20M)站10500 DS9-088系统调测(天线25-30M)站12700 DS9-089安装控制中心站设备(高功放(HPA)(1+1系180 DS9-090安装控制中心站设备(高功放(HPA)(每增加80 DS9-091安装控制中心站设备(低噪声放大器(LPA)(1160 DS9-092安装控制中心站设备(低噪声放大器(LPA)(50 DS9-093安装控制中心站设备(公设备用(含监控))套720 DS9-094安装控制中心站设备(公务设备)套40 DS9-095测试控制中心站设备(高功放(HPA)(1+1系600 DS9-096测试控制中心站设备(高功放(HPA)(每增加200 DS9-097测试控制中心站设备(低噪声放大器(LPA)(1500 DS9-098测试调测控制中心站设备(低噪声放大器(LPA150 DS9-099测试控制中心站设备(TDMA或SCPC公用设备)套1000 DS9-100测试控制中心站设备(公务设备)套200 DS9-101测试控制中心站设备(监控设备)套440 DS9-102控制中心站站内环测站300 DS9-103全网系统对测站1500 DS9-104安装调测端站设备站1200 DS试-002安装测试八波波分复用器 增加四波端180 DS试-004安装测试十六波波分复用器 增加八波端240 DX-DS补001安装总配线架铁架(240回线以下)架 2.590 DX-DS补002安装总配线架铁架(480回线以下)架 3.660 DX-DS补003安装总配线架铁架(900回线以下)架 4.440 DX-DS补004安装总配线架铁架(2000回线以下)架 5.70 DX-DS补005安装总配线架铁架(4000回线以下)架7.620 DX-DS补006安装总配线架铁架(6000回线以下)架9.090 DX-DS补007安装总配线架铁架(202回线×8)架 4.440 DX-DS补008安装总配线架铁架(303回线×8)架 5.230 DX-DS补009安装理线器架0.20 DX-DS补010安装24口配线架架0.20 DX-DS补011编扎、焊(绕、卡)接设备电缆(33芯以下)条0.370。