公路水运工程监理企业基本试验检测能力或仪器设备配备标准
- 格式:doc
- 大小:35.00 KB
- 文档页数:3
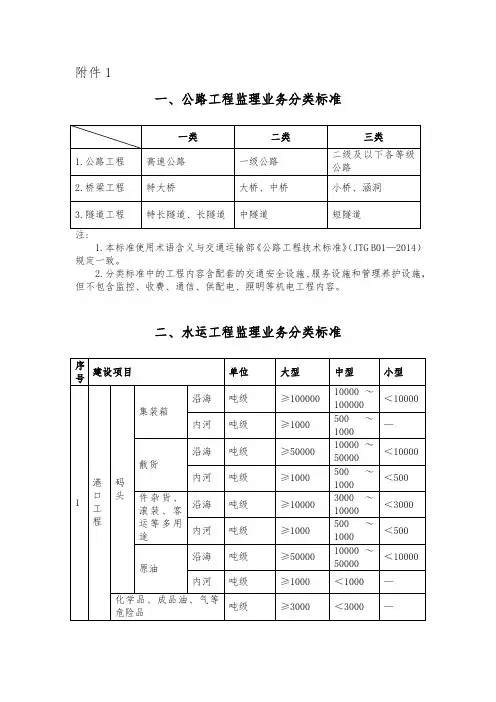
附件1一、公路工程监理业务分类标准1.本标准使用术语含义与交通运输部《公路工程技术标准》(JTG B01—2014)规定一致。
2.分类标准中的工程内容含配套的交通安全设施、服务设施和管理养护设施,但不包含监控、收费、通信、供配电、照明等机电工程内容。
二、水运工程监理业务分类标准附件2公路水运工程监理企业资质等级条件一、公路工程(一)甲级监理资质条件1.人员、业绩和人员结构条件企业负责人和技术负责人中至少有2人具有公路或者相关专业高级技术职称,10年以上从事公路、桥梁、隧道工程工作经历,5年以上监理或者建设管理工作经历,已取得监理工程师资格。
企业拥有中级职称以上各类专业技术人员不少于50人。
其中,持监理工程师资格证书的人数不少于30人,工程系列高级专业技术职称人数不少于10人;高、中级经济师,高、中级会计师或者造价工程师不少于3人。
上述各类人员中,与企业签订3年以上劳动合同的人数不低于70%。
企业具有公路工程乙级监理资质,且具备不少于5项二类公路工程监理业绩,其中桥梁、隧道类业绩不超过2项。
持监理工程师证书人员中,不少于9人具有2项一类公路工程监理业绩,不少于3人具有一类公路工程监理业绩总监理工程师或驻地监理工程师经历;上述人员与企业签订的劳动合同期限不少于3年。
2.企业拥有材料、路基路面等工程试验检测设备和测量放样等仪器(见附件3)。
3.企业具有完善的规章制度和组织体系。
4.企业作为工程质量安全事故当事人,已经有关主管部门认定无责任,或者虽受到有关主管部门的行政处罚但处罚实施已满1年。
5.企业信誉。
参与公路建设市场全国综合信用评价的,最近一期评价等级不低于A级。
6.甲级监理资质延续,应当满足上述第1、2、3项条件,并符合下列要求,但第1项条件中的企业业绩、监理工程师的个人业绩和经历不再考核:(1)原资质有效期内,监理企业具备2项一类公路工程监理业绩,或者同时具备1项一类和2项二类公路工程监理业绩。
公路水运工程监理企业资质管理规定文章属性•【制定机关】交通部(已撤销)•【公布日期】2004.06.30•【文号】交通部令2004年第5号•【施行日期】2004.10.01•【效力等级】部门规章•【时效性】失效•【主题分类】公路正文交通部令(2004年第5号)《公路水运工程监理企业资质管理规定》,已于2004年6月22日经第15次部务会议通过,现予公布,自2004年10月1日起施行。
部长张春贤二00四年六月三十日公路水运工程监理企业资质管理规定第一章总则第一条为加强公路、水运工程监理企业的资质管理,规范公路、水运建设市场秩序,保证公路、水运工程建设质量,根据《中华人民共和国公路法》和《建设工程质量管理条例》的有关规定,制定本规定。
第二条本规定适用于公路、水运工程监理企业资质的行政许可及其监督管理活动。
第三条监理企业资质,是指监理企业的人员组成、专业配置、测试仪器的配备、财务状况、管理水平等方面的综合能力。
第四条监理企业从事公路、水运工程监理活动,应当按照本规定取得资质后方可开展相应的监理业务。
第五条交通部负责全国公路、水运工程监理企业资质管理工作,其所属的质量监督机构受交通部委托具体负责全国公路、水运工程监理企业资质的监督管理工作。
省、自治区、直辖市人民政府交通主管部门负责本行政区域内公路、水运工程监理企业资质管理工作,其所属的质量监督机构受省、自治区、直辖市人民政府交通主管部门委托具体负责本行政区域内公路、水运工程监理企业资质的监督管理工作。
第二章资质等级和从业范围第六条公路、水运工程监理企业资质按专业划分为公路工程和水运工程两个专业。
公路工程专业监理资质分为甲级、乙级、丙级三个等级和特殊独立大桥专项、特殊独立隧道专项、公路机电工程专项;水运工程专业监理资质分为甲级、乙级、丙级三个等级和水运机电工程专项。
第七条公路、水运工程监理企业应当按照其获得的资质等级和业务范围开展监理业务:(一)获得公路工程专业甲级监理资质,可在全国范围内从事一、二、三类公路工程、桥梁工程、隧道工程项目的监理业务;(二)获得公路工程专业乙级监理资质,可在全国范围内从事二、三类公路工程、桥梁工程、隧道工程项目的监理业务;(三)获得公路工程专业丙级监理资质,可在企业所在地的省级行政区域内从事三类公路工程、桥梁工程、隧道工程项目的监理业务;(四)获得公路工程专业特殊独立大桥专项监理资质,可在全国范围内从事特殊独立大桥项目的监理业务;(五)获得公路工程专业特殊独立隧道专项监理资质,可在全国范围内从事特殊独立隧道项目的监理业务;(六)获得公路工程专业公路机电工程专项监理资质,可在全国范围内从事各等级公路、桥梁、隧道工程通讯、监控、收费等机电工程项目的监理业务;(七)获得水运工程专业甲级监理资质,可在全国范围内从事大、中、小型水运工程项目的监理业务;(八)获得水运工程专业乙级监理资质,可在全国范围内从事中、小型水运工程项目的监理业务;(九)获得水运工程专业丙级监理资质,可在企业所在地的省级行政区域内从事小型水运工程项目的监理业务。
公路水运工程试验检测机构等级标准
一、公路工程试验检测机构等级标准
表1 公路工程试验检测人员配备
注:表中黑体字为强制性要求,一项不满足视为不通过。
表2 公路工程试验检测能力基本要求及主要仪器设备
注2:表中黑体字标注的参数和仪器为强制性要求,少一项视为不通过。
注3:申请交通工程专项中6增项的应同时增加第3、第4、第5三项。
注4:申请交通工程专项8~13增项的应同时增加第1、第2两项,申请第9项的还应增加第7项。
注5:交通工程专项中第6项交通安全设施部分强制性测试项目中含有的非强制性参数列于该项后面。
表3 公路工程试验检测环境
注:此表为强制性要求。
二、水运工程试验检测机构等级标准表1 水运工程试验检测人员配备
注:表中黑体字为强制性要求,一项不满足视为不通过。
表2 水运工程试验检测能力基本要求及主要仪器设备
注1:所列设备功能、准确度均应符合所测参数现行规范的要求。
注2:表中黑体字标注的参数和仪器为强制性要求,少一项视为不通过。
表3 水运工程试验检测环境
注:此表为强制性要求。
附件2公路水运工程监理企业基本试验检测能力或仪器设备配备标准一、公路工程 (一)甲级监理资质 1.土工试验(筛分、密度、含水量、塑液限、击实) 2.石灰试验(有效钙镁含量) 3.水泥混凝土(塌落度、抗压强度、抗折强度)、砂浆强度试验、配合比设计 4.沥青指标试验(针入度、延度、软化点) 5.沥青混凝土配合比设计 6.路面基层材料试验(击实、无侧限抗压强度、灰剂量、配合比设计) 7.路基、路面、构造物几何尺寸检测 8.路基路面检测(压实度、厚度、平整度、弯沉、路面构造深度、摩擦系数) 9.砌石工程常规试验检测 10.钢材、焊接试验 11.测量设备(经纬仪、水准仪、测距仪、全站仪) (二)乙级监理资质 1.土工试验(筛分、密度、含水量、塑液限、击实) 2.石灰试验(有效钙镁含量) 3.水泥混凝土(塌落度、抗压强度、抗折强度)、砂浆强度试验、配合比设计 4.沥青指标试验(针入度、延度、软化点) 5.路面基层材料试验(击实、无侧限抗压强度、灰剂量、配合比设计) 6.路基、路面、构造物几何尺寸检测 7.路基路面检测(压实度、厚度、平整度、弯沉、路面构造深度、摩擦系数) 8.砌石工程常规试验检测 9.钢材、焊接试验 10.测量设备(经纬仪、水准仪、测距仪) (三)丙级监理资质 1.土工试验(筛分、密度、含水量、塑液限、击实) 2.石灰试验(有效钙镁含量) 3.水泥混凝土(塌落度)、砂浆强度试验、配合比设计4.路基、路面、构造物几何尺寸检测 5.路基路面(压实度、厚度、平整度、摩擦系数) 6.砌石工程常规试验检测 7.测量设备(经纬仪、水准仪) (四)公路机电工程专项监理资质 1.光功率计/光源 2.光时域反射仪 3.误码仪 4.音频信号发生器 5.SDH综合测试仪 6.音频性能分析仪 7.声压计 8.数据通信测试分析仪 9.PCM综合测试仪 10.综合布线认证分析仪 11.计算机网络分析仪 12.秒表 13.低速数据测试仪 14.脉冲数字线路故障测试器 15.视频分析仪/信号源 16.色彩色差计 17.雷达测速器 18.数字式功率计 19.风速仪 20.闭路电视测试仪 21.远红外线湿度测试仪 22.轻便气象综合测试仪 23.交流电源分析仪 24.绝缘电阻测试仪 25.耐压强度测试仪 26.数字式地阻仪 27.直流高压发生器 28.钳流表 29.照度测试仪 30.经纬仪 31.亮度计 32.电缆故障测试仪 33.焊口探伤仪 34.数字万用表 35.数显卡尺 36.材料阻燃性能分析仪 37.RCL测试仪 38.逆反射系数测定仪 39.双臂电桥 40.电子涂层测厚仪 41.超声波测厚仪 42.数字存储示波器 二、水运工程 (一)甲级监理资质 1.测量(经纬仪、水准仪、测距仪、全站仪) 2.砂试验(筛分、含泥量、泥块含量、密度) 3.石试验(筛分、含泥量、泥块含量、密度、压碎指标)4.混凝土、砂浆试验(配合比设计、稠度、强度) 5.钢筋试验(钢筋力学和工艺性能、焊接接头机械性能)6.土工试验(筛分、密度、含水率、强度) 7.非破损检测 (二)乙级监理资质 1.测量(经纬仪、水准仪、测距仪) 2.砂试验(筛分、含泥量、泥块含量、密度) 3.石试验(筛分、含泥量、泥块含量、密度、压碎指标)4.混凝土、砂浆试验(配合比设计、稠度、强度) 5.土工试验(筛分、密度、含水量、击实) 6.非破损检测 (三)水运机电工程专项监理资质 1.经纬仪、水准仪、测距仪 2.拉压力传感器 3.荷重传感器 4.手持数字转速表 5.数字多用表 6.数字钳形表 7.绝缘电阻表 8.照度计 9.超声波测厚仪 10.超声波探测仪 11.超声波涂层测厚仪 12.尺寸检测量具 13.红外式温度计 14.接地电阻测试仪 15.噪声计 16.水平仪 17.风速仪。
公路工程工地试验室仪器设备配备基本要求
公路工程工地试验室仪器设备配备基本要求(续)
注:1、本表所列以外的试验检测项目(或参数),应委托符合条件的试验检测机构进行检测。
2、简易工地试验可将表中带※的试验检测项目(或参数)委托符合条件的试验检测机构检测,相
应带※的仪器设备可以不配置。
水运工程工地试验室仪器设备配备基本要求
注:1、本表所列以外的试验检测项目(或参数),应委托符合条件的试验检测机构进行检测。
2、简易工地试验可将表中带※的试验检测项目(或参数)委托符合条件的试验检测机构检测,相
应带※的仪器设备可以不配置。
中华人民共和国交通部令2004年第5号《公路水运工程监理企业资质管理规定》,已于2004年6月22日经第15次部务会议通过,现予公布,自2004年10月1日起施行。
部长张春贤二00四年六月三十日公路水运工程监理企业资质管理规定第一章总则第一条为加强公路、水运工程监理企业的资质管理,规范公路、水运建设市场秩序,保证公路、水运工程建设质量,根据《中华人民共和国公路法》和《建设工程质量管理条例》的有关规定,制定本规定。
第二条本规定适用于公路、水运工程监理企业资质的行政许可及其监督管理活动。
第三条监理企业资质,是指监理企业的人员组成、专业配置、测试仪器的配备、财务状况、管理水平等方面的综合能力。
第四条监理企业从事公路、水运工程监理活动,应当按照本规定取得资质后方可开展相应的监理业务。
第五条交通部负责全国公路、水运工程监理企业资质管理工作,其所属的质量监督机构受交通部委托具体负责全国公路、水运工程监理企业资质的监督管理工作。
省、自治区、直辖市人民政府交通主管部门负责本行政区域内公路、水运工程监理企业资质管理工作,其所属的质量监督机构受省、自治区、直辖市人民政府交通主管部门委托具体负责本行政区域内公路、水运工程监理企业资质的监督管理工作。
第二章资质等级和从业范围第六条公路、水运工程监理企业资质按专业划分为公路工程和水运工程两个专业。
公路工程专业监理资质分为甲级、乙级、丙级三个等级和特殊独立大桥专项、特殊独立隧道专项、公路机电工程专项;水运工程专业监理资质分为甲级、乙级、丙级三个等级和水运机电工程专项。
第七条公路、水运工程监理企业应当按照其获得的资质等级和业务范围开展监理业务:(一)获得公路工程专业甲级监理资质,可在全国范围内从事一、二、三类公路工程、桥梁工程、隧道工程项目的监理业务;(二)获得公路工程专业乙级监理资质,可在全国范围内从事二、三类公路工程、桥梁工程、隧道工程项目的监理业务;(三)获得公路工程专业丙级监理资质,可在企业所在地的省级行政区域内从事三类公路工程、桥梁工程、隧道工程项目的监理业务;(四)获得公路工程专业特殊独立大桥专项监理资质,可在全国范围内从事特殊独立大桥项目的监理业务;(五)获得公路工程专业特殊独立隧道专项监理资质,可在全国范围内从事特殊独立隧道项目的监理业务;(六)获得公路工程专业公路机电工程专项监理资质,可在全国范围内从事各等级公路、桥梁、隧道工程通讯、监控、收费等机电工程项目的监理业务;(七)获得水运工程专业甲级监理资质,可在全国范围内从事大、中、小型水运工程项目的监理业务;(八)获得水运工程专业乙级监理资质,可在全国范围内从事中、小型水运工程项目的监理业务;(九)获得水运工程专业丙级监理资质,可在企业所在地的省级行政区域内从事小型水运工程项目的监理业务。
公路水运工程监理企业资质管理规定(交通部令2004年第5号)《公路水运工程监理企业资质管理规定》,已于2004年6月22日经第15次部务会议通过,现予公布,自2004年10月1日起施行。
部长张春贤二○○四年六月三十日公路水运工程监理企业资质管理规定第一章总则第一条为加强公路、水运工程监理企业的资质管理,规范公路、水运建设市场秩序,保证公路、水运工程建设质量,根据《中华人民共和国公路法》和《建设工程质量管理条例》的有关规定,制定本规定。
第二条本规定适用于公路、水运工程监理企业资质的行政许可及其监督管理活动。
第三条监理企业资质,是指监理企业的人员组成、专业配置、测试仪器的配备、财务状况、管理水平等方面的综合能力。
第四条监理企业从事公路、水运工程监理活动,应当按照本规定取得资质后方可开展相应的监理业务。
第五条交通部负责全国公路、水运工程监理企业资质管理工作,其所属的质量监督机构受交通部委托具体负责全国公路、水运工程监理企业资质的监督管理工作。
省、自治区、直辖市人民政府交通主管部门负责本行政区域内公路、水运工程监理企业资质管理工作,其所属的质量监督机构受省、自治区、直辖市人民政府交通主管部门委托具体负责本行政区域内公路、水运工程监理企业资质的监督管理工作。
第二章资质等级和从业范围第六条公路、水运工程监理企业资质按专业划分为公路工程和水运工程两个专业。
公路工程专业监理资质分为甲级、乙级、丙级三个等级和特殊独立大桥专项、特殊独立隧道专项、公路机电工程专项;水运工程专业监理资质分为甲级、乙级、丙级三个等级和水运机电工程专项。
第七条公路、水运工程监理企业应当按照其获得的资质等级和业务范围开展监理业务:(一)获得公路工程专业甲级监理资质,可在全国范围内从事一、二、三类公路工程、桥梁工程、隧道工程项目的监理业务;(二)获得公路工程专业乙级监理资质,可在全国范围内从事二、三类公路工程、桥梁工程、隧道工程项目的监理业务;(三)获得公路工程专业丙级监理资质,可在企业所在地的省级行政区域内从事三类公路工程、桥梁工程、隧道工程项目的监理业务;(四)获得公路工程专业特殊独立大桥专项监理资质,可在全国范围内从事特殊独立大桥项目的监理业务;(五)获得公路工程专业特殊独立隧道专项监理资质,可在全国范围内从事特殊独立隧道项目的监理业务;(六)获得公路工程专业公路机电工程专项监理资质,可在全国范围内从事各等级公路、桥梁、隧道工程通讯、监控、收费等机电工程项目的监理业务;(七)获得水运工程专业甲级监理资质,可在全国范围内从事大、中、小型水运工程项目的监理业务;(八)获得水运工程专业乙级监理资质,可在全国范围内从事中、小型水运工程项目的监理业务;(九)获得水运工程专业丙级监理资质,可在企业所在地的省级行政区域内从事小型水运工程项目的监理业务。
公路工程试验检测能力基本要求及主要仪器设备(综合甲级)序号项目主要试验检测参数设备配置标准筛,摇筛机,密度计,电子天平,土颗粒级配,界限含水率,最大1,干密度,最佳含水率,CBR 烘箱,光电液塑限联合测定仪,自动击实仪,脱模器,CBR 试验装置(路,回弹模量,比重,天然稠度面材料强度仪或其他荷载装置),比重粗粒土最大干密度,凝聚力,瓶,杠杆压力仪,承载板及测力装置,内摩擦角,自由膨胀率,烧失表面振动压实仪,量,有机质含量三轴仪,自由膨胀率测定装置、高温炉,分析天平集料颗粒级配,针片状颗粒含量,标准筛(砂、石筛),摇筛机,烘箱,2电子天平,规准仪,游标卡尺,压碎压碎值,磨耗值,磨光值,细集料含泥量,砂当量,吸水率,值试验仪,压力机,洛杉矶磨耗机,加速磨光机,摆式摩擦系数测定仪,密度,坚固性,碱活性,软弱,李氏比重瓶,细集料棱角颗粒含量,细集料棱角性,含砂当量仪性测定仪,叶轮搅拌机,测长仪及配件,水率,泥块含量,有机质含量,,矿粉亲水系亚甲篮值MBV 应力环及测试装置,数,岩石,抗冻性,含水压力机,电动切石机,游标卡尺,砂单轴抗压强度3轮磨平机,率,密度,毛体积密度,吸水低温试验箱,电子天平,烘箱,抽气设备率电子天平,Blaine 透气仪,透气比表水泥密度,比表面积,标准稠度用4面积仪,水泥净浆搅拌机,标准法维卡水量,凝结时间,安定性,胶砂强度,胶砂流动度,烧失量,仪,沸煮箱,雷氏夹,胶砂搅拌机,含量MgO SO3 含量,振实台,标准恒温恒湿养护箱,电动抗折试验机,恒应力压力机,凝结,水泥胶砂流动度测试仪,时间测定仪高温炉,滴定装置水泥抗压强度,抗折强度,抗压弹标准养护室,水泥混凝土搅拌机,振5性模量,配合比设计,混凝坍落度,动台,压力机(材料试验机),抗折试,土验夹具,千分表,坍落度筒,含气量含气量,混凝土凝结时间,抗砂测定仪,混凝土贯入阻力仪,混凝土浆,泌水率,劈渗性,表观密度,劈裂试验夹具,冻渗透仪,容量筒裂抗拉强度,抗折弹性模量,融试验机,混凝土动弹性模量测定仪,抗冻性,耐磨性,砂浆稠度,混凝土磨耗试验机,水泥砂浆搅拌机,分层度,干缩率水泥砂浆稠度仪,水泥砂浆分层度仪,干缩养护箱,比长仪pH 值,氯离子含量,减水率,酸度计,分析天平,滴定设备,烘箱,水、外6压力机,不溶,混凝土贯入阻力仪,含气量加剂泌水率比,抗压强度比测定仪,阳极极化仪或钢筋锈蚀测量仪物含量,可溶物含量,硫酸盐及硫化物含量,含气量,凝结时间差,外加剂的钢筋锈蚀,匀质性无机最大干密度,最佳含水量,无自动击实仪,压力机,路面材料强度7仪,脱模器,标准养护室,滴定设备,侧限抗压强度,水泥或石灰剂结合电子天平,负压筛析仪,烘箱,电炉,稳量,石灰有效钙镁含量,粉煤料分析天平,高温炉,Blaine 透气仪,粉煤定材灰细度,粉煤灰烧失量、SiO2 、Al2O3 灰比表面积,料含量Fe3O4沥青密度,针入度,针入度指数,比重瓶,分析天平,自动针入度仪,8恒温水槽,烘箱,低温延度仪,软化延度,软化点,薄膜加热试验,点仪,闪点仪,薄膜烘箱,电子天平,旋转薄膜加热试验,闪点,蜡旋转薄膜烘箱,蜡含量测定仪,真空含量,粘附性,动力粘度,布减压毛细管粘度计,秒表,布氏旋转氏旋转粘度,改性沥青弹性恢粘度仪复率,改性沥青的离析性,沥,毛细管粘度计,真空泵,恩格拉粘度计,粘韧性试验仪,滤筛青化学组分,运动粘度,恩格( 1.18mm),电极板,沥青乳液稳定性拉粘度,粘韧性,乳化沥青蒸试验管,标准筛,电炉,冰箱发残留物含量,乳化沥青筛上残留物含量,乳化沥青微粒粒子电荷,乳化沥青储存稳定性,乳化沥青破乳速度沥青配合比设计,密度,马歇尔稳沥青混合料拌和机,浸水天平,电子,9天平,烘箱,马歇尔自动击实仪,马混定度,空隙率,矿料间隙率,合歇尔稳定度仪,恒温水槽,脱模器,流值,最大理论密度,动稳定料真空负压装置,轮碾成型机,车辙试度,沥青用量,矿料级配,抗验机,沥青抽提仪(或燃烧炉),标准弯拉强度,冻融劈裂强度比,筛,摇筛机,路面材料强度仪,恒温沥青析漏损失,飞散损失冰箱10钢筋抗拉强度,屈服强度,伸长率,万能材料试验机,弯曲装置,游标卡(含冷弯尺,标距打点机接头)锚最大力,规定非比例延伸力,大行程万能试验机,引伸仪,锚具试11验系统,洛氏硬度计最大力总伸长率,锚固效率系,松弛试验机,具、钢疲劳试验机,弹性绞线数,总应变,洛氏硬度模量,松弛率,组装件疲劳试验,周期荷载试验,辅助性试验压力机(≥5000kN ),剪切侧向加载系式抗压弹性模量,抗剪弹性模板12统,老化箱,游标卡尺,变形测量装橡胶量,极限抗压强度,抗剪粘结置支座性能,抗剪老化土工拉伸强度,延伸率,梯形撕裂材料试验机,各种专用夹具,厚度测13定仪,电子天平,钢尺,渗透系数测合成强度,顶破强度,厚度,单位定仪,垂直渗透系数面积质量材料路基厚度,压实度,平整度,土基路面雷达测试系统,环刀,灌砂筒,14天平,取芯机,激光平整度仪,承载路面回弹模量,弯沉,构造深度,板,贝克曼梁,自动弯沉仪(落锤或摩擦系数,渗水系数,车辙、连续式),激光构造深度测试仪,摩擦几何尺寸系数测试设备(横向力或制动力式),摆式仪,路面渗水仪,车辙自动测定、水仪,全站仪(或经纬仪、测距仪)准仪、钢尺、核子密度仪或无核密度仪地基承载力,地表沉降,基桩承载板及测试装置,水准仪,基桩动地基15基础、完整性,基桩承载力,深层水测仪,超声波检测仪,千斤顶加载装基桩置,位移测试装置平位移,成孔质量,静力触探仪,动(配标准测斜仪,百米钻机力触探仪,贯入设备,泥浆泵,岩芯管钻头,取样器等),成孔质量检测装置结构强度,混凝土碳化深度,钢筋回弹仪,取芯机,压力机,非金属超16声波检测仪,碳化深度测量装置,钢位置及保护层厚度,表观及内混凝筋保护层测定仪,裂缝测量装置部缺陷,钢筋锈蚀电位,氯离,钢土筋锈蚀测量仪,子含量,混凝土电阻氯离子含量测定仪或化学滴定装置,混凝土电阻率测量仪率17桥梁静态、动态应变(应力),变静态应变测量与采集设备(至少两种100),动原理设备,测点总数不少于结构、形(位移),模态参数(频率、态应变测量、采集与分析设备(不少振型、阻尼比)构件,承载能力于16 通道),全站仪,变形测量装置,精密水准仪,测振传感器,裂缝测量装置,钢筋锈蚀测量仪,氯离子含量测定仪或化学滴定装置,桥梁检查车(平台)隧道断面尺寸,锚杆拉拔力,支护激光断面仪,锚杆拉拔仪,地质雷达,18收敛计,精密水准仪,CO 浓度检测仪,(衬砌)背后的空洞,衬砌厚光透过率仪,照度计,精密声级计度,地质观察,周边位移,拱浓度,烟雾浓度,CO 顶下沉,照度,噪声交通外观及几何尺寸,反光标志逆几何测量量(刃)具,反光标志逆反19射系数测试仪,反光标线逆反射系数安全反射系数,反光标线逆反射系测试仪,标线涂层厚度测试仪,摆式设数,标线涂层厚度,标线抗滑施摩擦系数测定仪,突起路标发光强度标(性能,突起路标发光强度系系数测试仪,色彩色差仪(表面色)数,色度性能(表面色)志,标,金,磁性涂层测厚仪,超声波测厚仪,电线,护属构件防腐层性能,立柱(支涡流涂层测厚仪,分析天平,电子天撑)竖直度栏,隔,拼接螺栓抗拉荷1.0,级电平,气流式盐雾腐蚀试验箱载,反光膜抗拉荷载,反光膜栅离子万能材料试验机(量程不小于附着性能,玻璃珠含量,涂料等级电子万能材料试验机,200kN ),0.5 抗压强度,涂料耐磨耗性能,突起路标抗压荷载,突起路标反光膜附着性能测定仪,玻璃珠筛分抗冲击性能器,恒温恒湿环境试验箱(均匀性不超过±1℃),漆膜磨耗仪,突起路标抗冲击试验装置或落球冲击试验机。
公路水运工程监理企业资质认定办事指南文章属性•【制定机关】青海省交通运输厅•【公布日期】•【字号】•【施行日期】•【效力等级】地方规范性文件•【时效性】现行有效•【主题分类】公路,水运正文公路水运工程监理企业资质认定办事指南一、申请条件和限制申请公路水运工程监理企业资质许可应当具备以下条件:1.公路水运工程监理企业资质等级条件2.公路水运工程监理企业基本试验检测能力或仪器设备配备标准数量限制:无禁止性要求:无二、申请材料监理企业在申请公路水运监理企业资质许可时应提交以下纸质材料。
1.《公路水运工程监理企业资质申请表》申请人应当按照规定,将以下人员、业绩、仪器设备等资料,录入全国或者省级交通运输公路、水运建设市场信用信息管理系统。
1.《企业法人营业执照》(复印件)2.企业章程和制度;3.监理工程师和中级职称以上人员名单4.企业、人员从业业绩清单5.主要试验检测仪器和设备清单三、申请方式窗口申请四、办理方式窗口办理五、办理时限20个工作日((不包括专家评审时间60天)六、收费情况不收费七、结果送达:窗口领取八、咨询电话:************九、监督投诉渠道:************十、预约办理:无十一、办理进程和结果查询1.现场查询青海省交通运输厅706室2.电话查询************十二、办理地点和时间:办理时间:法定工作日,上午09:00-12:00;下午13:00-17:00。
办理地点:西宁市城西区西川南路53号文博大厦省政务服务监督管理局。
十三:完整版指南查询途径和获取方式:在青海政务服务网(https://)下载。
公路水运工程监理企业资质试验检测仪器设备配备要求一、公路工程(一)甲级监理企业资质:1. 土工试验:烘箱、天平、电子秤、标准筛、摇筛机、液塑限联合测定仪、标准击实仪;2,水泥混凝土、砂浆试验:坍落度仪、压力试验机(2000kN> 300kN各1台);3.沥青试验:针入度仪、延度仪、软化点试验仪、恒温水槽(控温精度.无机结合料稳定材料试验:滴定设备、路面材料强度试验仪、标准养护箱;5,混凝土强度检测:回弹仪;.路基路面检测:灌砂仪、路面取芯钻机、连续式平整度仪、贝克曼梁(含百分表);6.钢材与连接接头试验:伺服万能试验机、弯曲装置(含弯头)、反向弯曲装置(含弯头);.测量设备:水准仪、全站仪。
(二)乙级监理企业资质:1. 土工试验:烘箱、天平、电子秤、标准筛、摇筛机、液塑限联合测定仪、标准击实仪;2,水泥混凝土、砂浆试验:坍落度仪、压力试验机(2000kN. 300kN各1台);3.沥青试验:针入度仪、延度仪、软化点试验仪、恒温水槽(控温精度0.1 ℃);.石灰试验:滴定设备;4.混凝土强度检测:回弹仪;.路基路面检测:灌砂仪、路面取芯钻机、连续式平整度仪;5.测量设备:经纬仪、水准仪。
(三)机电专项监理企业资质:1.光功率计/光源;.光时域反射计;2.数字式地阻仪;.钳形电流表;3.照度计;.数字万用表;4.数显卡尺;. RCL测试仪;9,涂镀层测厚仪(磁性、电涡流);10.超声波测厚仪。
二、水运工程(一)甲级监理企业资质:1. 土工试验:烘箱、天平、电子秤、标准筛、摇筛机、液塑限联合测定仪、标准击实仪;.水泥混凝土、砂浆试验:坍落度仪、压力试验机(2000kN> 300kN各1台);2.集料试验:压碎指标测定仪;4,混凝土强度检测:回弹仪;5.钢材与连接接头试验:伺服万能试验机、弯曲装置(含弯头)、反向弯曲装置(含弯头);.测量设备:水准仪、全站仪。
(二)乙级监理企业资质:1.土工试验:烘箱、天平、电子秤、标准筛、摇筛机、液塑限联合测定仪、标准击实仪;2,水泥混凝土、砂浆试验:坍落度仪、压力试验机(2000kN、300kN各1台);3.集料试验:压碎指标测定仪;4,混凝土强度检测:回弹仪;5.测量设备:水准仪、全站仪。
公路水运工程监理企业基本试验检测能力或仪器设备配备标准
一、公路工程
(一)甲级监理资质
1、土工试验(筛分、密度、含水量、塑液限、击实)
2、石灰试验(有效钙镁含量)
3、水泥混凝土(塌落度、抗压强度、抗折强度)、砂浆强度试验、配合比设计
4、沥青指标试验(针入度、延度、软化点)
5、沥青混凝土配合比设计
6、路面基层材料试验(击实、无侧限抗压强度、灰剂量、配合比设计)
7、路基、路面、构造物几何尺寸检测
8、路基路面检测(压实度、厚度、平整度、弯沉、路面构造深度、摩擦系数)
9、砌石工程常规试验检测
10、钢材、焊接试验
11、测量设备(经纬仪、水准仪、测距仪、全站仪)
(二)乙级监理资质
1、土工试验(筛分、密度、含水量、塑液限、击实)
2、石灰试验(有效钙镁含量)
3、水泥混凝土(塌落度、抗压强度、抗折强度)、砂浆强度试验、配合比设计
4、沥青指标试验(针入度、延度、软化点)
5、路面基层材料试验(击实、无侧限抗压强度、灰剂量、配合比设计)
6、路基、路面、构造物几何尺寸检测
7、路基路面检测(压实度、厚度、平整度、弯沉、路面构造深度、摩擦系数)
8、砌石工程常规试验检测
9、钢材、焊接试验
10、测量设备(经纬仪、水准仪、测距仪)
(三)丙级监理资质
1、土工试验(筛分、密度、含水量、塑液限、击实)
2、石灰试验(有效钙镁含量)
3、水泥混凝土(塌落度)、砂浆强度试验、配合比设计
4、路基、路面、构造物几何尺寸检测
5、路基路面(压实度、厚度、平整度、摩擦系数)
6、砌石工程常规试验检测
7、测量设备(经纬仪、水准仪)
(四)公路机电工程专项监理资质
1、光功率计/光源
2、光时域反射仪
3、误码仪
4、音频信号发生器
5、SDH综合测试仪
6、音频性能分析仪
7、声压计
8、数据通信测试分析仪
9、PCM综合测试仪
10、综合布线认证分析仪
11、计算机网络分析仪
12、秒表
13、低速数据测试仪
14、脉冲数字线路故障测试器
15、视频分析仪/信号源
16、色彩色差计
17、雷达测速器
18、数字式功率计
19、风速仪
20、闭路电视测试仪
21、远红外线湿度测试仪
22、轻便气象综合测试仪
23、交流电源分析仪
24、绝缘电阻测试仪
25、耐压强度测试仪
26、数字式地阻仪
27、直流高压发生器
28、钳流表
29、照度测试仪
30、经纬仪
31、亮度计
32、电缆故障测试仪
33、焊口探伤仪
34、数字万用表
35、数显卡尺
36、材料阻燃性能分析仪
37、RCL测试仪
38、逆反射系数测定仪
39、双臂电桥
40、电子涂层测厚仪
41、超声波测厚仪
42、数字存储示波器
二、水运工程
(一)甲级监理资质
1、测量(经纬仪、水准仪、测距仪、全站仪)
2、砂试验(筛分、含泥量、泥块含量、密度)
3、石试验(筛分、含泥量、泥块含量、密度、压碎指标)
4、混凝土、砂浆试验(配合比设计、稠度、强度)
5、钢筋试验(钢筋力学和工艺性能、焊接接头机械性能)
6、土工试验(筛分、密度、含水率、强度)
7、非破损检测
(二)乙级监理资质
1、测量(经纬仪、水准仪、测距仪)
2、砂试验(筛分、含泥量、泥块含量、密度)
3、石试验(筛分、含泥量、泥块含量、密度、压碎指标)
4、混凝土、砂浆试验(配合比设计、稠度、强度)
5、土工试验(筛分、密度、含水量、击实)
6、非破损检测
(三)水运机电工程专项监理资质
1、经纬仪、水准仪、测距仪
2、拉压力传感器
3、荷重传感器
4、手持数字转速表
5、数字多用表
6、数字钳形表
7、绝缘电阻表
8、照度计
9、超声波测厚仪
10、超声波探测仪
11、超声波涂层测厚仪
12、尺寸检测量具
13、红外式温度计
14、接地电阻测试仪
15、噪声计
16、水平仪
17、风速仪。