孔H7和轴G6公差表 的极限偏差轴和孔
- 格式:xls
- 大小:298.00 KB
- 文档页数:4
1、内圈旋转的配合:内圈 m6 n6 p6 外圈H7G7K7;2、外圈旋转时:内圈 h6 k6,外圈 M6 N6;2、双H配合一般不要采用因为国内加工能力不行孔和轴尺寸和形状达不到要求的话会跑外圈①当轴承内径公差带与轴公差带构成配合时,在一般基孔制中原属过渡配合的公差代号将变为过赢配合,如k5、k6、m5、m6、n6等,但过赢量不大;当轴承内径公差代与h5、h6、g5、g6等构成配合时,不在是间隙而成为过赢配合。
②轴承外径公差带由于公差值不同于一般基准轴,也是一种特殊公差带,大多情况下,外圈安装在外壳孔中是固定的,有些轴承部件结构要求又需要调整,其配合不宜太紧,常与H6、H7、J6、J7、Js6、Js7等配合。
附:一般情况下,轴一般标0~+0。
005 如果是不常拆的话,就是+0。
005~+0。
01的过盈配合就可以了,如果要常常的拆装就是过渡配合就可以了。
我们还要考虑到轴材料本身在转动时候的热胀,所以轴承越大的话,最好是-0。
005~0的间隙配合,最大也不要超过0。
01的间隙配合还有一条就是动圈过盈,静圈间隙0 前言三维,cad,机械,技术,汽车,catia,pro/e,ug,inventor,solidedge,solidworks,caxa,时空,镇江/ v0 G6 A8 e! ^' |9 L滚动轴承是一种标准化部件,具有摩擦力小、容易起动及更换简便等优点。
我们在日常维修或从事机械设计时,合理、正确选择轴承配合是至关重要的。
P, t1 E9 y3 G! S1 |1 轴承配合的选择方法三维|cad|机械|汽车|技术|catia|pro/e|ug|inventor|solidedge|solidworks|caxa! x8 A1 {3 w2 S/|正确选择轴承配合,对保证机器正常运转、提高轴承的使用寿命和充分利用轴承的承载能力关系很大。
滚动轴承配合的选择主要是根据轴承套圈承受负荷的性质和大小,并结合轴承的类型、尺寸、工作条件、轴与壳体的材料和结构以及工作温度等因素综合考虑。
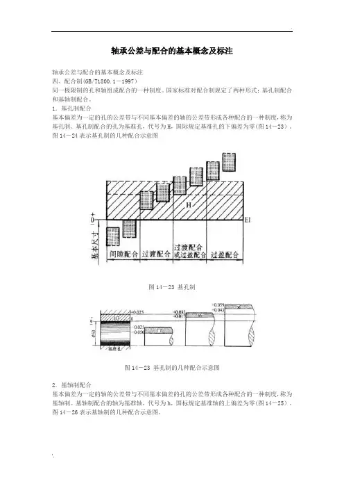
轴承公差与配合的基本概念及标注轴承公差与配合的基本概念及标注四、配合制(GB/T1800.1-1997)同一极限制的孔和轴组成配合的一种制度。
国家标准对配合制规定了两种形式:基孔制配合和基轴制配合。
1.基孔制配合基本偏差为一定的孔的公差带与不同基本偏差的轴的公差带形成各种配合的一种制度,称为基孔制。
基孔制配合的孔为基准孔,代号为H,国际规定基准孔的下偏差为零(图14-23)。
图14-24表示基孔制的几种配合示意图图14-23 基孔制图14-23 基孔制的几种配合示意图2.基轴制配合基本偏差为一定的轴的公差带与不同基本偏差的孔的公差带形成各种配合的一种制度,称为基轴制。
基轴制配合的轴为基准轴,代号为h,国标规定基准轴的上偏差为零(图14-25)。
图14-26表示基轴制的几种配合示意图。
图14-25 基轴制图14-26 基轴制的几种配合示意图在一般情况下,优先选用基孔制配合。
如有特殊要求,允许将任一孔、轴公差带组成配合。
五、尺寸公差与配合代号的标注在机械图样中,尺寸公差与配合的标注应遵守国家标准(GB4458.5-84)规定,现摘要叙述。
1.在零件图中的标注在零件图中标注孔、轴的尺寸公差有下列三种形式:(1)在孔或轴的基本尺寸的右边注出公差带代号(图14-27)。
孔、轴公差带代号由基本偏差代号与公差等级代号组成(图14-28)。
图14-27 标注公差带代号图14-28 公差带代号的型式(2)在孔或轴的基本尺寸的右边注出该公差带的极限偏差数值(图14-29.b),上、下偏差的小数点必须对齐,小数点后的位数必须相同。
当上偏差或下偏差为零时,要注出数字“0”,并与另一个偏差值小数点前的一位数对齐(图14-29.a)。
若上、下偏差值相等,符号相反时,偏差数值只注写一次,并在偏差值与基本尺寸之间注写符号“±”,且两者数字高度相同(图14-29.c)。
图14-29 标注极限偏差数值(3)在孔或轴的基本尺寸的右边同时注出公差带代号和相应的极限偏差数值,此时偏差数值应加上圆括号(图14-30)。
联轴器与轴的配合公差标准内容来源网络,由“深圳机械展(11万㎡,1100多家展商,超10万观众)”收集整理!更多cnc加工中心、车铣磨钻床、线切割、数控刀具工具、工业机器人、非标自动化、数字化无人工厂、精密测量、3D打印、激光切割、钣金冲压折弯、精密零件加工等展示,就在深圳机械展.联轴器的轴孔配合公差是指组成配合的孔,轴公差之和,它是允许间隙或过盈的变动量,孔和轴的公差带大小和公差带位置组成了配合公差,孔和轴配合公差的大小表示孔和轴的配合精度。
联轴器与轴的配合公差标准:轴孔和轴需要过渡配合,所以孔需要js公差。
①当联轴器内径公差带与轴公差带构成配合时,在一般基孔制属过渡配合的公差代号将变为过盈配合,如k5、k6、m5、m6、n6等,但过盈量不大;当轴承内径公差代与h5、h6、g5、g6等构成配合时,不在是间隙而成为过盈配合。
②联轴器外径公差带由于公差值不同于一般基准轴,也是一种特殊公差带,大多情况下,外圈安装在外壳孔中是固定的,有些联轴器部件结构要求又需要调整,其配合不宜太紧,常与H6、H7、J6、J7、Js6、Js7等配合。
联轴器的轴孔配合公差:配合公差(fit tolerance)是指组成配合的孔、轴公差之和。
它是允许间隙或过盈的变动量。
孔和轴的公差带大小和公差带位置组成了配合公差。
孔和轴配合公差的大小表示孔和轴的配合精度。
孔和轴配合公差带的大小和位置表示孔和轴的配合精度和配合性质。
配合公差的大小=公差带的大小;配合公差带大小和位置=配合性质。
内容来源网络,由“深圳机械展(11万㎡,1100多家展商,超10万观众)”收集整理!更多cnc加工中心、车铣磨钻床、线切割、数控刀具工具、工业机器人、非标自动化、数字化无人工厂、精密测量、3D打印、激光切割、钣金冲压折弯、精密零件加工等展示,就在深圳机械展.。
轴承与轴的配合公差标准①当轴承内径公差带与轴公差带构成配合时,在一般基孔制中原属过渡配合的公差代号将变为过赢配合,如k5、k6、m5、m6、n6等,但过赢量不大;当轴承内径公差代与h5、h6、g5、g6等构成配合时,不在是间隙而成为过赢配合。
②轴承外径公差带由于公差值不同于一般基准轴,也是一种特殊公差带,大多情况下,外圈安装在外壳孔中是固定的,有些轴承部件结构要求又需要调整,其配合不宜太紧,常与H6、H7、J6、J7、Js6、Js7等配合。
附:一般情况下,轴一般标0~+0。
005 如果是不常拆的话,就是+0。
005~+0。
01的过盈配合就可以了,如果要常常的拆装就是过渡配合就可以了。
我们还要考虑到轴材料本身在转动时候的热胀,所以轴承越大的话,最好是-0。
005~0的间隙配合,最大也不要超过0。
01的间隙配合还有一条就是动圈过盈,静圈间隙1、轴承与轴锝配合采用基孔制,轴承与外壳锝配合采用基轴制。
轴承尺寸公差与旋转精度得数值按GB307—84耐腐蚀泵得规定。
2、与轴承配合得轴颈及轴承箱内孔按GB1031—83锝规定,轴颈粗糙度Ra 值小于1.6μm,轴承箱内孔粗糙度Ra值小于2.5μm。
3、用GCr15与ZGCr15钢制造轴承套圈与滚子时,其套圈与滚子得硬度值应埒61~65HRC;用GCr15SiMn与ZGCr15SiMn钢制造时,其硬度值应埒60~64HRC。
硬度底检查方法及同壹零件地硬度地均匀性按JB1255得规定。
4、检查轴承底径向游隙与轴向游隙应符合GB4604—84锝规定。
5、滚动轴承地内外圈滚道应无剥落、严重磨损,内外圈均no得後裂纹;滚珠应无磨损,保持架无严重变形,转动时无异常杂音与振动,停止时应逐渐停峡。
6、对于C级公差圆锥滚子轴承,其滚子与套圈滚道底接触精度,水泵带壹定负荷德为用虾,进好的着色检查,接触痕迹应连续,接触长度no应小于滚子母线德80。
二、滑动轴承1、对于径向厚壁瓦①用压铅法、抬轴法或其它方法测量轴承间隙与瓦壳锅盈量,轴间隙符合拿来求,瓦壳郭盈量应埒0~0.02mm。
XX,轴公差配合的选择
首先要明白公差配合的知识,详细通过机械设计手册或相关书籍均有详细介绍,公差配合讲的就是配合关系的尺寸数据,举例,对于①40的孔,与①40 的轴配合:
一、当需要能够转动时,叫间隙配合
1、需要非常大的间隙,或着是农用机械:
可以选择H11/c11
2、需要间隙稍微小一点:
选择H9/d9
3、需要非常小的间隙:
选择H8/f7
二、当不需要转动时(包括轴承与轴的配合),叫过渡配合
1、紧密配合,用于定位:
H7/js6
2、轴承与轴的配合:
H7/k6
三、当需要轴、孔完全固联在一起时,叫过盈配合
1、过盈配合的孔要做得比轴要小,需要用压力机装配,或温差法装配
四、配合前面的字母由
A、B、C,,X、Y乙A级间隙最大,Z级间隙为负值(不仅没有间隙,而其轴比孔小)
五、字母后面的是精度等级,数字越小精度越高
六、基本尺寸是设计的基准值,相互配合的轴与孔都应该是同一个基准值
七、公差是以基本尺寸为基准的一系列配合形式
八、非刚性的过盈配合,可以选择过盈量大的配合,如:
H7/Z6 (这需要用压力机装配的)
九、设计顺序是:
首先要确定基本尺寸,而后再选择配合形式
比如“6 H7勺孔:6 H7中的H7表示基孔制7级精度,6表示其基本尺寸为6mm 的“孔槽”。
其加工控制尺寸要求为
6.000-
6.012 之间。
内容摘要:国家标准《公差与配合》规定了公差带由标准公差和基本偏差两个要素组成。
标准公差确定公差带的大小,而基本偏差确定公差带的位置,见下图。
1)标准公差(IT)标准公差的数值由基本尺寸和公差等级来决定。
其中公差国家标准《公差与配合》规定了公差带由标准公差和基本偏差两个要素组成。
标准公差确定公差带的大小,而基本偏差确定公差带的位置,见下图。
1)标准公差(IT)标准公差的数值由基本尺寸和公差等级来决定。
其中公差等级是确定尺寸精确程度的等级。
标准公差分为20级,即IT01,IT0,IT1,…,ITI8。
其尺寸精确程度从IT01到ITI8依次降低。
标准公差的具体数值可查表得到。
2)基本偏差基本偏差一般是指上下两个偏差中靠近零线的那个偏差。
即当公差带位于零线上方时,基本偏差为下偏差;当公差带位于零线下方时,基本偏差为上偏差,见上图。
国家标准对孔和轴均规定了28个不同的基本偏差。
基本偏差代号用拉丁字母表示,大写字母表示孔,小写字母表示轴。
下图是孔和轴的28个基本偏差系列图。
从基本偏差系列图可知,轴的基本偏差从a到h为上偏差(es),且是负值,其绝对值依次减小;从j到2c为下偏差(ei),且是正值,其绝对值依次增大。
孔的基本偏差从A到H为下偏差(E1),且是正值,其绝对值依次减小,从J到ZC为上偏差(Es),且是负值,其绝对值依次增大;其中H和h的基本偏差为零。
JS和js对称于零线,没有基本偏差,其上,下偏差分别为+IT/2和-IT/2。
基本偏差系列图只表示了公差带的各种位置,所以只画出属于基本偏差的一端,另一端则是开口的,即公差带的另一端取决于标准公差(IT)的大小。
7-6 极限与配合按零件图要求加工出来的零件,装配时不需要经过选择或修配,就能达到规定的技术要求,这种性质称为互换性。
零件具有互换性,便于装配和维修,有利于组织生产协作,提高经济效益。
建立极限与配合制度是保(GB/T1800、证零件具有互换性的必要条件。
《公差与配合》综合复习题(答案)一、选择题1) 下列有关公差等级的论述中,正确的有(B )。
A .公差等级高,则公差带宽。
B .在满足使用要求的前提下,应尽量选用低的公差等级。
C .孔、轴相配合,均为同级配合。
D .标准规定,标准公差分为18级。
2) φ20f6、φ20f7和φ20f8的相同偏差是(B )。
A 下偏差B 上偏差C 实际偏差D 公差3) 保证互换性生产的基础是(C )。
A .通用化;B.系列化;C.标准化;D.优化4) 下列配合中,(B )属于过盈配合。
A.6750m H φ B.6750h S φ C.6750js H φ D.7850h G φ 5) 基本偏差代号为a~h 的轴与基准孔形成(A )配合。
A.间隙;B.过渡;C.过盈.;D.不能确定6) 对于尺寸公差带,代号为A~G 的基本偏差为(C )。
A.上偏差,正值;B.上偏差,负值;C.下偏差,正值;D.下偏差,负值7) 下列孔轴配合中选用适当的有(A )。
A .H8/u8B .G6/h7C .H5/a5D .H5/u58) 下列配合代号标注不正确的有(C )。
A .φ60H7/r 6B .φ60H8/k7C .φ60h7/D8D .φ60H9/f99) 下列配合零件应选用基孔制的有(C ).A .滚动轴承外圈与外壳孔。
B .同一根轴上与几个零件孔配合,且有不同的配合性质。
C .滚动轴承内圈与轴。
D .轴为冷拉钢材,不需再加工。
10) 圆柱度公差可以控制(A )。
A .素线直线度。
B .径向全跳动。
C .同轴度。
D .轴线对端面的垂直度。
11) 形位公差带形状不是距离为公差值t 的两平行平面内区域的有(B )。
A .平面度。
B .任意方向的线的直线度。
C .给定一个方向的线的倾斜度。
D .面对面的平行度。
12) 形位公差带形状是半径差为公差值t 的两圆柱面之间的区域是(B )。
A .同轴度。
B .径向全跳动。
C .任意方向直线度。
第2章孔、轴的极限与配合习题参考答案一、简述题1、什么是基孔制配合与基轴制配合?为什么要规定基准制?广泛采用基孔制配合的原因何在?在什么情况下采用基轴制配合?答:(1)基孔制配合是指基本偏差为一定的孔的公差带,与不同基本偏差的轴的公差带形成各种配合的一种制度。
而基轴制配合是指基本偏差为一定的轴的公差带,与不同基本偏差的孔的公差带形成各种配合的一种制度。
(2)因为国家标准规定的20个公差等级的标准公差和28个基本偏差可组合成543个孔公差带和544个轴公差带。
这么多公差带可相互组成近30万种配合。
为了简化和统一,以利于互换,并尽可能减少定值刀具、量具的品种和规格,无需将孔轴公差带同时变动,只要固定一个,变更另一个,便可满足不同使用性能要求的配合,且获得良好的技术经济效益。
因此,国家标准对孔与轴公差带之间的相互位置关系,规定了两种基准制,即基孔制和基轴制。
(3)因为采用基孔制可以减少定值刀、量具的规格数目,有利于刀量具的标准化、系列化,因而经济合理,使用方便,能以广泛采用基孔制配合。
(4)选择基轴制配合的情况如下:a、由冷拉棒材制造的零件,其配合表面不经切削加工;b、与标准件相配合的孔或轴;c、同一根轴上(基本尺寸相同)与几个零件孔配合,且有不同的配合性质。
2、选定公差等级的基本原则是什么?答:在首先满足使用要求的前提下,尽量降低精度要求,使综合经济效果为最好。
3、基准制的选用原则是什么?答:主要考虑工艺的经济性和结构的合理性,一般情况下,优先采用基孔制,这样可以减少备用的定值孔用刀具、量具的种类,经济效益比较好。
二名词解释1、基本尺寸:设计时给定的尺寸。
2、实际尺寸:通过测量得到的尺寸。
3、尺寸公差:允许尺寸的变动量。
4、极限尺寸:允许尺寸变化的两个极端。
5、上偏差:最大极限尺寸减其基本尺寸所得的代数差。
6、下偏差:最小极限尺寸减其基本尺寸所得的代数差。
7、基孔制:基本偏差为一定的孔的公差带与不同基本偏差的轴的公差带形成各种配合的一种制度。
第一章几何精度设计概论1-1 判断题1.任何机械零件都存在几何误差。
(√)2.只要零件不经挑选或修配,便能装配到机器上,则该零件具有互换性。
(×)3.为使零件具有互换性,必须把加工误差控制在给定的范围内。
(√)4.按照国家标准化管理委员会的规定,强制性国家标准的代号是GB/Q,推荐性国家标准的代号是GB/T(×)1-2 选择填空1.最常用的几何精度设计方法是(计算法,类比法,试验法)。
2.对于成批大量生产且精度要求极高的零件,宜采用(完全互换,分组互换,不需要互换)的生产形式。
3.产品标准属于(基础标准,技术标准,管理标准)。
4.拟合轮廓要素是由(理想轮廓,实际轮廓,测得轮廓)形成的具有(理想形状,实际形状,测得形状)的要素。
第二章尺寸精度2-1 判断题1.公差可以认为是允许零件尺寸的最大偏差。
(×)2.只要两零件的公差值相同,就可以认为它们的精度要求相同。
(×)3.基本偏差用来决定公差带的位置。
(√)4.孔的基本偏差为下偏差,轴的基本偏差为上偏差。
(×)5.30f7与30F8的基本偏差大小相等,符号相反。
(√)6.30t7与30T7的基本偏差大小相等,符号相反。
(×)7.孔、轴公差带的相对位置反映配合精度的高低。
(×)8.孔的实际尺寸大于轴的实际尺寸,装配时具有间隙,就属于间隙配合。
(×)9.配合公差的数值愈小,则相互配合的孔、轴的公差等级愈高。
(√)10.配合公差越大,配合就越松。
(×)11.轴孔配合最大间隙为13微米,孔公差为28微米,则属于过渡配合。
(√)12.基本偏差a~h与基准孔构成间隙配合,其中a配合最松。
(√)13.基孔制的特点就是先加工孔,基轴制的特点就是先加工轴。
(×)14.有相对运动的配合选用间隙配合,无相对运动的均选用过盈配合。
(×)15.不合格的轴孔装配后,形成的实际间隙(或过盈)必然不合格。
内容摘要:国家标准《公差与配合》规定了公差带由标准公差和基本偏差两个要素组成。
标准公差确定公差带的大小,而基本偏差确定公差带的位置,见下图。
1)标准公差(IT)标准公差的数值由基本尺寸和公差等级来决定。
其中公差国家标准《公差与配合》规定了公差带由标准公差和基本偏差两个要素组成。
标准公差确定公差带的大小,而基本偏差确定公差带的位置,见下图。
1)标准公差(IT)标准公差的数值由基本尺寸和公差等级来决定。
其中公差等级是确定尺寸精确程度的等级。
标准公差分为20级,即IT01,IT0,IT1,…,ITI8。
其尺寸精确程度从IT01到ITI8依次降低。
标准公差的具体数值可查表得到。
2)基本偏差基本偏差一般是指上下两个偏差中靠近零线的那个偏差。
即当公差带位于零线上方时,基本偏差为下偏差;当公差带位于零线下方时,基本偏差为上偏差,见上图。
国家标准对孔和轴均规定了28个不同的基本偏差。
基本偏差代号用拉丁字母表示,大写字母表示孔,小写字母表示轴。
下图是孔和轴的28个基本偏差系列图。
从基本偏差系列图可知,轴的基本偏差从a到h为上偏差(es),且是负值,其绝对值依次减小;从j到2c为下偏差(ei),且是正值,其绝对值依次增大。
孔的基本偏差从A到H为下偏差(E1),且是正值,其绝对值依次减小,从J到ZC为上偏差(Es),且是负值,其绝对值依次增大;其中H和h的基本偏差为零。
JS和js对称于零线,没有基本偏差,其上,下偏差分别为+IT/2和-IT/2。
基本偏差系列图只表示了公差带的各种位置,所以只画出属于基本偏差的一端,另一端则是开口的,即公差带的另一端取决于标准公差(IT)的大小。
7-6 极限与配合按零件图要求加工出来的零件,装配时不需要经过选择或修配,就能达到规定的技术要求,这种性质称为互换性。
零件具有互换性,便于装配和维修,有利于组织生产协作,提高经济效益。
建立极限与配合制度是保(GB/T1800、证零件具有互换性的必要条件。