软包装工艺流程
- 格式:ppt
- 大小:591.00 KB
- 文档页数:14
软包装制袋工艺资料 Coca-cola standardization office【ZZ5AB-ZZSYT-ZZ2C-ZZ682T-ZZT18】制袋工艺资料目录一、软包装工艺流程和工序介绍1、工艺流程2、工序介绍二、热封材料简介三、制袋机各组成结构及功能1、合掌机2、切袋机3、边封机四、制袋工艺1、合掌工艺2、切袋工艺3、边封工艺4、热封的三要素5、复合物熟化工艺规定五、制袋生产控制要点六、制袋工序品质自检要求七、制袋品质量要求八、制袋常见故障和排除措施一、软包装工艺流程和工序介绍软包装:采用软性材料包装商品的统称。
用塑料薄膜或塑料薄膜复合材料包装的称为塑料软包装。
版上的图文转移到承印物上。
按印版种类类分:凹版、柔性版、丝网版、凸版、平版印刷方式。
我国软包装大多采用凹版印刷工艺生产,生产时,印刷材料经放卷装置放出进入印刷装置,印版表面的油墨被刮刀刮去,网点内的油墨在印材被压下发生接确时转移到印材上,之后进入烘箱内,油墨中的溶剂成分在加热、吹风的烘箱内挥发掉。
印刷膜从烘箱出来后经过冷却辊时,降温定形。
在多色印刷时,电脑自动套印装置控制各色间的套印。
印刷完成后,收卷装置把印品卷取成卷状膜。
③、品检工序是把印刷出的半成品经品检机,将印出的不合格品检出并剔除的过程。
减少后工序生产损耗的增加和品检的难度。
④、复合工序是将两种或两种以上的材料复合在一起,形成一体的材料。
复合材料既可保持单层材料的优良特性,又可克服其各自的不足,复合后具有新的特性,满足食品等商品对复合材料的不同要求。
复合分类:干式复合法、湿式复合法、挤出复合法、无溶剂复合法、热熔复合法、共挤复合法。
软包装大部分是采用干式复合法工艺生产,生产时,上胶基材经放卷装置放出进入涂胶装置,涂胶辊表面的胶水被刮刀刮去,网点内的胶水在上胶基材被压下发生接确时转移到上胶基材面上,之后进入烘箱内,胶水中的溶剂成分在加热、吹风的烘箱内挥发掉。
从烘箱出来后,与另一放卷装置放出的基材,在加热、加压的复合夹辊内,贴合为一体。
包装印刷软包装干式复合工艺概述包装印刷软包装干式复合工艺是一种常用的包装加工技术,适用于各种食品、医药、日化、农化等领域的产品包装。
该工艺通过合理的复合设计和生产流程,能够满足不同产品对包装的物理、化学、生物等性能要求,提高产品的市场竞争力。
本文将对包装印刷软包装干式复合工艺作一概述。
一、工艺流程包装印刷软包装干式复合工艺主要分为以下工序:1、基材处理:首先对基材进行处理和调配,包括选用合适的基材、处理表面、印刷等。
2、涂布胶粘剂:将胶粘剂制成一定粘度的液体,按照产品的性能要求,在基材上均匀地涂布。
3、复合:将经过涂布处理的基材和另一种基材通过热合或压合的方式进行连续复合。
4、成品卷取和切割:将连续复合后的膜材料按照客户要求切割成相应长度的辊或袋。
二、胶粘剂胶粘剂是干式复合的核心环节之一,影响复合品质和产品性能。
为了满足不同产品对于复合品质的需求,胶粘剂需要根据不同的基材种类、厚度、表面性质等进行处理和定量。
主要的胶粘剂类型:1、聚乙烯:聚乙烯胶粘剂是一种常见的胶粘剂,具有良好的耐水性和化学性能,并且具有优良的强度和黏性。
2、聚氯乙烯:聚氯乙烯胶粘剂具有优异的耐水性和化学性能,并且可与各种基材进行复合。
3、丙烯酸酯:丙烯酸酯胶粘剂通常是聚酯、聚醚或脂肪族胶粘剂树脂的制品,具有优良的耐热性和黏度。
四、基材包装印刷软包装干式复合工艺的基材多种多样,需根据不同的产品和市场需求进行选择。
主要包括以下几种类型:1、聚酰亚胺:聚酰亚胺基材具有优异的耐热性、耐化学性和优良的机械强度,能适应高温或残留有机物的包装要求。
2、聚酯膜:聚酯膜具有良好的透明性和耐热性,适用于各类物品的包装。
3、纸质材料:纸质材料具有优良的阻氧性、导电性和纵向强度,适用于灭菌袋、衣服袋等。
五、常见问题及解决方法1、复合强度不佳。
这可能是由于复合前两种基材的表面处理不当,或者胶粘剂定量不当。
解决方法:严格按照工艺要求进行表面处理和胶粘剂定量,保证复合品质。
软包装工艺流程范文软包装是一种广泛应用于各个领域的包装方式。
它采用柔软的材料进行包装,适用于食品、医药、化妆品等各个行业。
软包装工艺流程是完成软包装的各个环节和步骤的有序组合,确保产品的质量和生产的效率。
下面将详细介绍软包装的工艺流程。
1.设计和策划阶段在软包装的设计和策划阶段,需要根据产品的特点和要求进行包装设计的初步规划。
这个阶段的主要任务是确定包装形式、材料的选择和印刷方式等。
2.材料准备阶段软包装的关键组成部分是包装材料。
在这个阶段,需要根据设计和策划阶段的要求,选择合适的包装材料,如塑料薄膜、铝箔、纸张等,并进行预处理,如切割和涂覆等。
3.印刷工艺阶段印刷是软包装工艺中非常重要的一环,它直接决定了产品的外观质量和印刷效果。
在这个阶段,可以采用凸版印刷、凹版印刷、柔版印刷等不同的印刷方式。
印刷工艺还需要涉及到版材的制作和印刷机的调试和运行。
4.复合工艺阶段复合是将多层材料通过一定的工艺方式粘合在一起,形成一个完整的软包装材料。
这个阶段需要进行复合材料的选择、复合工艺的确定和复合机的调试和运行。
5.制袋工艺阶段制袋是将复合材料切割成所需的包装袋形状的工艺步骤。
根据产品的不同要求,可以采用不同的袋型,如三边封袋、立体袋等。
制袋还需要包括制袋机的调试和运行。
6.检测和包装阶段软包装工艺流程的完整性和高效性可以帮助企业提高产品质量,提升生产效率,降低生产成本。
合理的工艺流程设计和严格的质量控制可以为企业创造更大的市场竞争力。
因此,软包装工艺流程的完整性和可行性是包装生产企业应该关注和重视的问题。
软包装工艺流程范文软包装是一种常见的产品包装形式,广泛应用于食品、医药、化妆品、日化用品等行业。
软包装工艺流程包括设计、印刷、复合、切割、制袋、检验、包装等多个环节。
下面将详细介绍软包装的工艺流程。
一、设计阶段设计是软包装工艺流程的第一步,也是最关键的一步。
设计师根据产品的特点和要求,综合考虑包装形式、颜色、图案等要素,设计出合适的包装外观。
在设计过程中,还需要与客户进行交流、沟通,不断修改和改进设计方案,确保最终的设计能够满足客户的需求。
二、印刷阶段印刷是软包装的核心工艺之一、根据设计稿,印刷师选择合适的印刷设备和印刷工艺,印刷出包装纸张。
常用的印刷工艺包括平版印刷、凹版印刷、柔版印刷等。
在印刷过程中,需要控制好色彩的准确度和印刷质量的稳定性,以确保印刷出的包装纸张达到要求。
三、复合阶段复合是指将印刷好的包装纸张与其他材料进行粘合。
常见的复合方法有干式复合和湿式复合两种。
干式复合是将印刷好的包装纸张和其他复合材料通过热压粘合在一起;湿式复合是将印刷好的包装纸张通过涂布机涂布一层胶水,再与其他复合材料粘合在一起。
在复合过程中,需要控制好复合剂的用量和粘合的质量,以确保复合后的包装材料能够达到要求。
四、切割阶段切割是将复合好的包装材料按照要求进行切割成适合包装产品的尺寸和形状。
常见的切割方法有平刀切割、旋转刀切割、模切等。
在切割过程中,需要控制好刀具的尺寸和速度,以确保切割出的包装材料尺寸准确、边缘光滑。
五、制袋阶段制袋是 softbag 包装工艺流程的重要环节。
根据包装要求,将切割好的包装材料通过热压或粘合机械设备制成包装袋。
制袋过程中需要注意袋子的尺寸、密封效果和包装材料的质量。
六、检验阶段在软包装工艺流程中,质量检验是非常重要的环节。
对于印刷、复合、切割、制袋等每个环节的产品都需要进行质量检验。
检验内容包括印刷效果、复合质量、切割尺寸等。
通过质量检验,及时发现和解决质量问题,确保产品的质量。
制袋工艺资料目录一、软包装工艺流程与工序介绍1、工艺流程2、工序介绍二、热封材料简介三、制袋机各组成结构及功能1、合掌机2、切袋机3、边封机四、制袋工艺1、合掌工艺2、切袋工艺3、边封工艺4、热封得三要素5、复合物熟化工艺规定五、制袋生产控制要点六、制袋工序品质自检要求七、制袋品质量要求八、制袋常见故障与排除措施ﻬ一、软包装工艺流程与工序介绍软包装:采用软性材料包装商品得统称、用塑料薄膜或塑料薄膜复合材料包装得称为塑料软包装。
网点,再现原稿图像色彩、②、印刷工序就是使用承印物、印版、油墨、印刷机械实现图文复制得过程。
即将印版上得图文转移到承印物上。
按印版种类类分:凹版、柔性版、丝网版、凸版、平版印刷方式、 我国软包装大多采用凹版印刷工艺生产,生产时,印刷材料经放卷装置放出进入印刷装置,印版表面得油墨被刮刀刮去,网点内得油墨在印材被压下发生接确时转移到印材上,之后进入烘箱内,油墨中得溶剂成分在加热、吹风得烘箱内挥发掉。
印刷膜从烘箱出来后经过冷却辊时,降温定形、在多色印刷时,电脑自动套印装置控制各色间得套印、印刷完成后,收卷装置把印品卷取成卷状膜、③、品检工序就是把印刷出得半成品经品检机,将印出得不合格品检出并剔除得过程。
减少后工序生产损耗得增加与品检得难度。
④、复合工序就是将两种或两种以上得材料复合在一起,形成一体得材料。
复合材料既可保持单层材料得优良特性,又可克服其各自得不足,复合后具有新得特性,满足食品等商品对复合材料得不同要求、复合分类:干式复合法、湿式复合法、挤出复合法、无溶剂复合法、热熔复合法、共挤复合法。
软包装大部分就是采用干式复合法工艺生产,生产时,上胶基材经放卷装置放出进入涂胶装置,涂胶辊表面得胶水被刮刀刮去,网点内得胶水在上胶基材被压下发生接确时转移到上胶基材面上,之后进入烘箱内,胶水中得溶剂成分在加热、吹风得烘箱内挥发掉。
从烘箱出来后,与另一放卷装置放出得基材,在加热、加压得复合夹辊内,贴合为一体。
软包装的生产工艺软包装是一种以柔性材料为基础制造的包装形式,通常由塑料薄膜、铝箔、纸张等材料制成。
软包装的生产工艺包括材料准备、印刷、复合、切割、制袋等多个环节。
首先,在软包装的生产工艺中,材料准备是第一步。
根据产品的要求和客户的需求,选择适当的材料。
常见的软包装材料包括聚丙烯(PP)、聚乙烯(PE)、尼龙(NY)等塑料薄膜,以及铝箔和纸张等。
这些材料需要经过检验和筛选,确保符合质量要求。
接下来是印刷环节。
印刷是软包装的一个重要步骤,可以将产品的信息、图案、文字等印刷在包装材料上,增加产品的美观性和吸引力。
常用的印刷技术包括凸版印刷、平版印刷、凹版印刷等。
印刷过程中,需要注意颜色的准确性、图案的清晰度以及印刷速度的控制。
印刷完成后,接下来是复合环节。
复合是将多个材料层通过热压或胶黏剂粘合在一起,形成复合膜。
复合可以提高软包装的强度、抗撕裂性和阻隔性能。
常见的复合方法包括干式复合和湿式复合。
干式复合是将两个或多个材料层叠加在一起,通过热压粘合。
湿式复合是在复合过程中加入胶黏剂,将两个或多个材料层粘合在一起。
复合完成后,需要进行切割。
切割是将复合膜按照一定的尺寸和形状进行切割制作。
常见的切割方法包括模切、热切等。
模切是使用模切机将复合膜切割成所需的形状,如平口袋、立体袋等。
热切是使用热切机通过高温切割复合膜,常用于制作封口袋和切边。
最后是制袋环节。
制袋是将切割好的复合膜折叠、定位、焊接成袋的过程。
制袋可以通过机械制袋机、手动封口机等设备完成。
制袋过程中需要注意袋口的封口牢固性和袋子的整齐度。
总结起来,软包装的生产工艺包括材料准备、印刷、复合、切割、制袋等多个环节。
通过这些工艺,可以制作出各种形状、尺寸、用途的软包装。
随着技术的不断发展,软包装的生产工艺也在不断创新和提高,以满足市场的需求。
塑料薄膜软包装材料的印刷与复合工艺塑料薄膜软包装材料的印刷与复合工艺是塑料包装行业中的一个重要环节。
在塑料包装生产中,经过印刷与复合工艺的处理,可以给包装材料赋予一定的装饰性,提升产品的附加值和市场竞争力。
本文将介绍塑料薄膜软包装材料的印刷与复合工艺的流程、常用设备以及需要注意的事项。
一、印刷与复合工艺流程:1.印刷前处理:将塑料薄膜送至印刷车间,进行静电除尘和适度的烘干处理,保证薄膜表面的清洁和干燥。
2.印刷:选择合适的印刷设备,一般为柔版印刷机。
根据客户需求和产品特性选择适当的印刷工艺,如凹版印刷、屏幕印刷、凸版印刷等。
根据印刷工艺的不同,选择相应的版材和油墨。
3.烘干:印刷后的薄膜需要进行烘干处理,去除油墨中的溶剂,保证印刷品的质量。
烘干方式一般是通过热风或者红外线烘干机进行。
4.复合:将印刷好的薄膜与另一种薄膜进行复合,形成复合膜。
复合方式一般有干式复合和湿式复合两种。
干式复合是通过高温高压将两片薄膜进行复合,气密性较好;湿式复合是通过涂布胶水将两片薄膜复合在一起,速度较快。
5.再次烘干:复合后的膜需要进行再次烘干处理,确保复合层间的胶水充分固化,增加复合膜的牢度。
二、常用设备:1.印刷设备:柔版印刷机是印刷塑料薄膜软包装材料的常用设备之一、根据产品需求和工艺要求,可以选择多色印刷机或者单色印刷机。
2.烘干设备:可以选择热风烘干机或者红外线烘干机。
热风烘干机适用于水性油墨,通过高温烘干将油墨中的溶剂挥发掉;红外线烘干机适用于溶解性油墨,通过红外线辐照将溶剂挥发掉。
3.复合设备:复合设备一般分为干式复合机和湿式复合机。
干式复合机通过高温高压将两片薄膜进行复合,复合速度较慢但复合牢度较好;湿式复合机通过涂布胶水将两片薄膜复合在一起,速度较快但复合牢度相对较低。
三、注意事项:1.选择合适的版材和油墨:根据客户需求和产品特性,选择适合的版材和油墨。
不同的版材和油墨具有不同的特性,如抗刮擦、抗磨损、耐化学品等,需要根据产品的使用环境和要求进行选择。
软包装生产流程
一、生产准备阶段
1.确定产品规格
(1)确定软包装的尺寸和形状
(2)确定包装材料和印刷方式
2.购买原材料
(1)采购塑料薄膜或纸张等包装材料(2)采购印刷油墨和相关辅助材料
二、设计与印刷阶段
1.制作设计稿
(1)设计包装图案和文字内容
(2)确定印刷颜色和图案布局
2.制版和印刷
(1)制作印刷版和色彩校对
(2)使用印刷机进行批量印刷
三、制袋与成型阶段
1.切割材料
(1)将印刷好的材料进行切割
(2)根据产品尺寸要求进行切割加工
2.制袋加工
(1)使用制袋机进行袋子的制作
(2)进行袋口封合和底部成型
四、印刷后加工阶段
1.后续加工
(1)进行局部烫金、凸印等特殊工艺处理(2)进行袋口开口、拉链安装等加工
2.检验质量
(1)对成品进行质量抽检和外观检查(2)确保产品质量符合标准要求
五、包装与出货阶段
1.包装产品
(1)将成品包装入标准包装袋或箱中(2)标注产品信息和批次号码
2.发货出厂
(1)安排物流运输或客户自提
(2)出具发货清单和相关证明文件。
软包装印刷工艺流程软包装印刷工艺流程是指通过一系列的工艺步骤,将印刷图案和文字转移到软包装材料上的过程。
软包装是一种使用软性材料制成的包装形式,如塑料薄膜、铝箔等。
下面是软包装印刷工艺的大致流程。
首先,选择合适的软包装材料。
软包装材料的选择要考虑到产品的特点和保鲜要求。
常用的软包装材料有聚乙烯、聚丙烯、聚酯等。
根据产品需求选择合适的材料,进行裁切和处理。
接下来,进行印刷准备工作。
首先进行版面设计,确定印刷图案和文字的位置和大小。
然后制作印刷版,可以使用平版印刷、凸版印刷、网印印刷等不同的印刷方法。
根据印刷材料的不同,选择合适的印刷方式。
印刷版制作完成后,进行印刷准备工作。
首先调整印刷设备的状况,确保印刷机的稳定性和印刷质量。
然后进行颜色调整,根据印刷图案的要求,调整油墨的颜色和浓度。
接下来是印刷过程。
将软包装材料送入印刷机,采用合适的印刷方式进行印刷。
印刷机会将印刷版上的图案和文字传输到软包装材料上,形成所需的印刷效果。
印刷完成后,进行印刷后处理。
软包装材料可能需要进行干燥、切割、覆膜等工艺,以达到产品的质量要求。
进行干燥处理可以加快印刷品的干燥速度,使其更快上市。
切割可以根据贴合要求将印刷品裁剪成合适的尺寸。
覆膜可以增加印刷品的光亮度和耐磨性。
最后,进行质量检查。
对印刷品进行检验,确保印刷效果和质量符合要求。
常用的检查项目包括图案对位、颜色一致性、印刷品平整度等。
对不合格品进行处理,及时修复或重新印刷。
软包装印刷工艺流程中需要注意每个环节的操作细节,以确保印刷品质量的稳定性和一致性。
同时,还要关注环保问题,采用低污染、低能耗的印刷工艺,减少对环境的影响。
软包装印刷工艺流程是一个复杂的过程,需要经验丰富的印刷工程师和专业的印刷设备,才能够保证印刷品的质量和效果。
随着科技的发展,软包装印刷工艺也在不断创新,采用更先进的技术和设备,提高印刷效率和品质,满足市场需求的多样化和个性化。
塑料薄膜软包装材料的印刷与复合工艺塑料薄膜软包装材料是一种轻薄、柔软的材料,具有良好的阻隔性能和保鲜性能,广泛应用于食品、医药、日化、电子等领域。
在软包装材料的生产过程中,印刷与复合工艺是至关重要的环节,决定了包装材料的外观效果、印刷质量和使用性能。
本文将重点介绍塑料薄膜软包装材料的印刷与复合工艺。
一、塑料薄膜软包装材料的印刷工艺1.印刷前的准备工作在进行印刷之前,需要对印刷设备进行清洁和维护,确保设备处于良好的工作状态。
同时,还需要准备好印刷所需的版材、油墨、溶剂等材料,并对印刷原稿进行审核和处理,确保印刷效果符合要求。
2.印刷工艺流程(1)表面处理:在进行印刷之前,需要对塑料薄膜表面进行处理,使其能够与油墨粘附牢固。
通常采用的处理方法有喷火处理、喷雾处理、电子束处理等。
(2)印刷:将油墨通过网版、凸版、凹版等版材印刷到薄膜表面上,形成图案和文字。
印刷设备主要有柔性版印刷机、凸版印刷机、凹版印刷机等。
(3)固化:印刷完成后,需要将油墨固化,提高印刷品的耐磨性和耐腐蚀性。
通常采用的固化方法有自然干燥、热风干燥、紫外固化等。
3.印刷质量控制在印刷过程中,需要不断监控和调整印刷参数,保证印刷品的质量。
主要包括印刷速度、印刷压力、印刷温度、油墨粘度等参数的控制。
二、塑料薄膜软包装材料的复合工艺1.复合前的准备工作在进行复合之前,需要准备好复合设备、基材、涂覆涂层、压辊等材料和工具。
同时还需要对基材进行处理,使其表面清洁平整,能够与涂层牢固结合。
2.复合工艺流程(1)基材涂覆:将涂覆涂层通过涂布机或浸涂机涂覆到基材表面上,形成复合膜。
(2)干燥:将涂覆过的基材送入烘干室进行干燥,使涂层固化。
(3)复合:将已经干燥的基材与另一薄膜进行复合,通过压合机或热压机进行加热压实,使两者紧密结合。
3.复合质量控制在复合过程中,需要不断监控和调整复合参数,确保复合膜的质量。
主要包括复合温度、复合压力、复合速度、复合厚度等参数的控制。
软包装工艺及生产流程下载温馨提示:该文档是我店铺精心编制而成,希望大家下载以后,能够帮助大家解决实际的问题。
文档下载后可定制随意修改,请根据实际需要进行相应的调整和使用,谢谢!并且,本店铺为大家提供各种各样类型的实用资料,如教育随笔、日记赏析、句子摘抄、古诗大全、经典美文、话题作文、工作总结、词语解析、文案摘录、其他资料等等,如想了解不同资料格式和写法,敬请关注!Download tips: This document is carefully compiled by theeditor. I hope that after you download them,they can help yousolve practical problems. The document can be customized andmodified after downloading,please adjust and use it according toactual needs, thank you!In addition, our shop provides you with various types ofpractical materials,such as educational essays, diaryappreciation,sentence excerpts,ancient poems,classicarticles,topic composition,work summary,word parsing,copy excerpts,other materials and so on,want to know different data formats andwriting methods,please pay attention!软包装是一种常见的包装形式,其制作工艺和生产流程如下:1. 设计与排版:软包装的制作首先需要进行设计与排版工作。
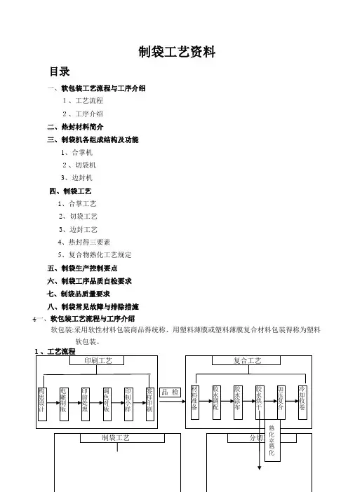
制袋工艺资料目录一、软包装工艺流程和工序介绍1、工艺流程2、工序介绍二、热封资料简介三、制袋机各构成构造及功能1、合掌机2、切袋机3、边封机四、制袋工艺1、合掌工艺2、切袋工艺3、边封工艺4、热封的三因素5、复合物熟化工艺规定五、制袋生产控制重点六、制袋工序质量自检要求七、制袋质量量要求八、制袋常有故障和清除举措一、软包装工艺流程和工序介绍软包装:采纳软性资料包装商品的统称。
用塑料薄膜或塑料薄膜复合资料包装的称为塑料软包装。
1、工艺流程印刷工艺复合工艺构电印调印签品检材胶胶胶加冷料水水水压却思雕前色制样准调涂烘复收设制处对小印备配布干合卷计版理版样刷熟化室熟化制袋工艺分切工艺成速压温规材检验收调下出材校刀卷料包品度力度格料卷张位纠准装检调设设设准切力置偏备出验整定定定备料货2、工序介绍①、制版工序是制造在印刷中起转移油墨到印材上作用的印版的过程。
经过印版上制作的网点,再现原稿图像色彩。
②、印刷工序是使用承印物、印版、油墨、印刷机械实现图文复制的过程。
马上印版上的图文转移到承印物上。
按印版种类类分:凹版、柔性版、丝网版、凸版、平版印刷方式。
我国软包装大多采纳凹版印刷工艺生产,生产时,印刷资料经放卷装置放出进入印刷装置,印版表面的油墨被刮刀刮去,网点内的油墨在印材被压下发生接确时转移到印材上,以后进入烘箱内,油墨中的溶剂成分在加热、吹风的烘箱内挥发掉。
印刷膜从烘箱出来后经过冷却辊时,降温定形。
在多色印刷时,电脑自动套印装置控制各色间的套印。
印刷达成后,收卷装置把印品卷取成卷状膜。
③、品检工序是把印刷出的半成品经品检机,将印出的不合格品检出并剔除的过程。
减少后工序生产消耗的增添和品检的难度。
④、复合工序是将两种或两种以上的资料复合在一同,形成一体的资料。
复合资料既可保持单层资料的优秀特征,又可战胜其各自的不足,复合后拥有新的特征,知足食品等商品对复合资料的不一样要求。
复合分类:干式复合法、湿式复合法、挤出复合法、无溶剂复合法、热熔复合法、共挤复合法。
塑料软包装生产工艺流程塑料软包装生产工艺流程一般包括原料准备、印刷、复合、分切、制袋等环节。
以下是对各环节进行简要介绍的一个700字的塑料软包装生产工艺流程。
首先是原料准备。
塑料软包装的主要原料是塑料薄膜,常见的有聚丙烯(PP)、聚乙烯(PE)等。
在生产前,需要按照产品要求选择合适的原料,并进行加工处理,以确保薄膜的质量和性能。
接下来是印刷环节。
印刷是为了在包装上加上图案、文字或标识,使包装更具吸引力和识别度。
常用的印刷方式有平版印刷、凹版印刷、柔版印刷等。
在印刷前,需要根据产品要求进行设计和制版,然后通过印刷机将图案等内容印刷到薄膜上。
完成印刷后,需要进行复合环节。
复合是将印刷好的薄膜与其他材料进行层合,以提高包装的耐磨、抗湿、防氧化等性能。
常见的复合方式有干复合和湿复合两种,选择合适的复合方式取决于包装要求和产品特性。
分切是将复合好的薄膜进行切割,得到合适尺寸的包装材料,以便进行后续制袋等加工。
分切一般使用分切机进行,根据产品要求和订单需要调整切割尺寸和速度,确保分切的精确和高效。
最后一步是制袋。
制袋是将分切好的薄膜进行包装袋的制作。
制袋一般分为三边封、侧封和开合封三种方式。
根据产品要求和客户需求,可以选择不同的制袋方式,并加入拉链、孔口、悬挂孔等辅助装置,以提高包装的方便性和实用性。
整个塑料软包装生产工艺流程中,每个环节都需要严格按照标准操作,确保产品质量和生产效率。
此外,需要注意环保问题,减少对环境的污染,尽量选择无毒、无味的原料和低污染的生产工艺。
综上所述,塑料软包装生产工艺流程包括原料准备、印刷、复合、分切、制袋等环节。
通过对每个环节进行精细化管理,可以生产出质量稳定、性能优良的塑料软包装产品。
同时,需要关注环保问题,做好环境保护工作,确保生产过程的可持续发展。
软包装印刷工艺流程
《软包装印刷工艺流程》
软包装印刷是一种常见的印刷工艺,适用于食品、医药、化妆品等行业的包装。
它可以将产品的品牌和信息直观地展现给消费者,提升产品的竞争力和吸引力。
而软包装印刷工艺流程则是软包装印刷的关键步骤,下面就为大家详细介绍一下软包装印刷的工艺流程。
首先是设计稿。
在软包装印刷工艺流程中,设计稿是起始点。
包装设计师根据产品的特点和市场需求,设计出合适的包装图案和结构。
设计稿完成后,就进入了印刷制版的阶段。
其次是制版。
印刷版是印刷的必备工具,它直接影响着印刷品的成色和效果。
软包装印刷采用柔性版的印刷方式,一般采用胶印或者凹版印刷。
所以在软包装印刷工艺流程中,需要根据设计稿制作出对应的印刷版。
接着是印刷。
软包装印刷一般采用印刷机进行印刷,印刷机可以根据印刷版上的图案进行快速、高效地印刷。
印刷的过程中需要控制好色彩和印刷质量,确保印刷品的质量和稳定性。
最后是印后处理。
印后处理是软包装印刷的最后一个环节,它包括切纸、复合、裁切、模切等多个工序。
印后处理的质量对最终的印刷品质量有着直接的影响,所以要严格控制每一个环节的质量和细节。
软包装印刷工艺流程是一个综合性的工序,需要设计师、制版师、印刷工、印后工等多个岗位的合作,才能够完成一份优质的印刷品。
希望通过上面的介绍,大家对软包装印刷工艺流程有了更深入的了解。