最新版EPS(XPS)板抹灰外墙外保温系统节能分项工程检验批质量验收记录
- 格式:xls
- 大小:41.00 KB
- 文档页数:1
表6-001墙体节能工程检验批质量验收统计
你是什么保温?胶粉颗粒?保温板?
检验批做《墙体节能工程检验批/分项工程质量验收表》, 这个表在网上搜到, 里面内容依据实际情况打勾就好。
隐蔽工程就填你用保温材料, 我们工地用是胶粉颗粒, 我就填胶粉颗粒、抗裂砂浆、玻纤网格布。
就是依据实际施工材料, 每种材料都要送检, 而且要有厂家合格证。
材料规格你就抄合格证上。
除了这些, 还要做技术交底、外墙保温专题施工方案, 保温系统现场检测汇报(这个检测站会做, 就是需要你们通知), 仿佛就这些了。
对了, 最终还要做节能验收汇报, 这个就等门窗、屋面、地面等节能都做完了以后才需要。
追问
前面说我都懂, 最终一句不太明白。
顺便说一下: 我们是分包单位, 包是石材和保温, 不过我们企业专业是做石材干挂, 所以保温我们又分包了, 因为我没有做过保温资料, 所以不明白。
根据上面补充, 最终一项还需要吗?是不是要施工单位做啊?
回复
是, 是施工单位做。
节能验收汇报包含外墙节能、门窗节能、屋面、地面等节能。
外墙外保温工程检验批质量验收统计表。
表3-3
EPS 板现浇混凝土外墙保温工程检验批质量验收记录表
DBJ04—239—2005
031104
表3-4
EPS 钢丝网架板现浇混凝土外墙保温工程检验批质量验收记录表
DBJ04—239—2005
031105
表3-5
机械固定EPS 钢丝网架板外墙保温工程检验批质量验收记录表
DBJ04—239—2005
表3-6
现喷硬泡聚氨酯外墙保温工程检验批质量验收记录表
DBJ04—239—2005
031107
表3-7
粉刷石膏 EPS 板外墙保温工程检验批质量验收记录表
DBJ04—239—2005
表3-8
纸面石膏板岩棉外墙保温工程检验批质量验收记录表
DBJ04—239—2005
031203
表3-9
门窗保温工程检验批质量验收记录表
DBJ04—239—2005
030306
表3-10
管理和设备保温工程检验批质量验收记录表
DBJ04—239—2005
050507。
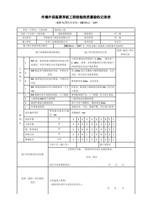
陕西省建设工程质量验收技术资料统一用表C7 分项工程检验批质量验收记录EPS板薄抹灰外墙外保温检验批质量验收记录填写说明一、验收依据1、《建筑节能工程施工质量验收规范》GB504112、《外墙外保温工程技术规程》JGJ144二、规范摘要1、检验批划分原则采用相同材料、工艺和施工做法的墙面,每500~1000m2面积划分为一个检验批,不足500m2也作为一个检验批。
也可根据与施工流程相一致且方便施工与验收的原则,由施工单位与监理(建设)单位共同商定。
2、主控项目⑴第4.2.1条:用于墙体节能工程的材料、构件等,其品种、规格应符合设计要求和相关标准的规定。
检验方法:观察、尺量检查;核查质量证明文件。
检查数量:按进场批次,每批随机抽取3个试样进行检查;质量证明文件应按照其出厂检验批进行核查。
⑵第4.2.2条:墙体节能工程使用的保温隔热材料,其导热系数、密度、抗压强度或压缩强度、燃烧性能应符合设计要求。
检验方法:核查质量证明文件及进场复验报告。
检查数量:全数检查。
⑶第4.2.3条:墙体节能工程采用的保温材料和粘结材料等,进场时应对其下列性能进行复验,复验应为见证取样送检;①保温材料的导热系数、密度、抗压强度或压缩强度;②粘结材料的粘接强度;③增强网的力学性能、抗腐蚀性能。
检验方法:随机抽样送检,核查复验报告。
检查数量:同一厂家同一品种的产品,当单位工程建筑面积在20000m2以下时各抽检不少于3次;当单位工程的建筑面积在20000m2以上时各抽检不少于6次。
《外墙外保温工程技术规程》JGJ144⑷第6.1.6条:应按本规程附录B第B。
1条规定做基层与胶粘剂的拉伸粘接强度检验,粘接强度不应低于0.3MPa,并且粘接界面脱开面积不应大于50%,《建筑节能工程施工质量验收规范》GB50411⑸第4.2.4条:严寒和寒冷地区外保温使用的粘结材料,其冻融试验结果应符合该地区最低气温环境的使用要求。
检验方法:核查质量证明文件。
表3-3
EPS 板现浇混凝土外墙保温工程检验批质量验收记录表
DBJ04—239—2005
031104
表3-4
EPS 钢丝网架板现浇混凝土外墙保温工程检验批质量验收记录表
DBJ04—239—2005
031105
表3-5
机械固定EPS 钢丝网架板外墙保温工程检验批质量验收记录表
DBJ04—239—2005
表3-6
现喷硬泡聚氨酯外墙保温工程检验批质量验收记录表
DBJ04—239—2005
031107
表3-7
粉刷石膏 EPS 板外墙保温工程检验批质量验收记录表
DBJ04—239—2005
表3-8
纸面石膏板岩棉外墙保温工程检验批质量验收记录表
DBJ04—239—2005
031203
表3-9
门窗保温工程检验批质量验收记录表
DBJ04—239—2005
030306
表3-10
管理和设备保温工程检验批质量验收记录表
DBJ04—239—2005
050507。
外墙外保温薄抹面层节能工程检验批施工质量验收记录一、项目概述外墙保温工程是指在建筑外墙表面增加一层保温材料,以提高建筑物的热绝缘性能,降低能耗,改善室内舒适度的工程。
外墙外保温薄抹面层是外墙保温系统的末道工序,对于保温效果和工程质量有着重要的影响。
二、施工单位信息1.单位名称:4.地址:三、施工工艺和材料1.施工工艺:按照设计文件和施工图纸要求进行施工,采用XXX工艺。
2.施工材料:主要使用XXX材料,包括保温板、抹面砂浆、聚合物改性薄抹面砂浆、胶粉等。
3.施工机具和设备:按照要求配备相应的施工机具和设备,如刮平机、抗裂网剪刀、喷涂设备等。
四、工程验收内容及结果1.工艺要求验收:按照设计要求,对施工工艺进行验收,包括保温系统的保温材料固定、砂浆抹面均匀度、抗裂网铺设等。
结果为合格。
2.材料验收:对施工所使用的材料进行验收,包括保温板的厚度、密度和平整度、抹面砂浆的配合比、聚合物改性薄抹面砂浆的涂刷厚度等。
结果为合格。
3.工程质量验收:对施工质量进行全面验收,包括保温层的厚度和稳定性、抹面砂浆的平整度和附着力等。
结果为合格。
4.工程安全验收:对施工过程中的安全措施和施工现场进行验收,确保施工过程中的安全性。
结果为合格。
五、施工记录和问题整改1.施工记录:记录施工过程中的重要问题和技术要求,包括材料使用情况、施工环境、工艺操作等。
2.问题整改:针对施工过程中的问题,制定整改措施和时间要求,并在验收后进行整改。
六、检测机构及结果1.检测机构:XXX检测中心。
2.检测结果:经检测,保温层厚度符合设计要求,抹面砂浆均匀度合格,抗裂网铺设质量达到要求。
七、施工验收结论根据以上的施工验收内容和结果,对外墙外保温薄抹面层节能工程的施工质量进行了全面验收。
经评定,该工程的施工质量符合设计要求和相关规范,可以进行最终验收和结算。
八、施工责任1.施工单位责任:对施工质量承担主要责任,按照设计文件和相关规范进行施工,保证施工质量。
保温装饰板外墙外保温系统节能分项工程检验批质量验收记录今天咱们来聊聊“保温装饰板外墙外保温系统节能分项工程检验批质量验收记录”这个话题。
听着是不是有点儿拗口?别担心,咱们慢慢捋,边聊边说,保准让你一听就懂。
啥是保温装饰板外墙外保温系统?简单来说,就是咱们给建筑外面穿上一件“保温衣”,让它在寒冷的冬天不怕冻,夏天又不怕热。
这不,就是外墙上的那种看起来又漂亮又能隔热的板子,既能装饰房子,还能帮助节能。
说白了,就是让咱们住得更舒服,能源消耗少,钱包也能轻松点。
挺好的吧!今天咱们说的这个“节能分项工程检验批质量验收记录”其实就像是一个“质量通行证”。
啥意思呢?就是说,这些保温装饰板装上去之后,得经过一系列的检查,看看是不是符合标准,能不能发挥它的作用。
就像咱们做饭一样,菜做出来得尝尝,咸不咸,甜不甜,合不合口味,才能上桌,不然大家都吃不下。
这个验收记录就相当于是饭菜的“合格证”,没问题才能吃,不能有一点马虎。
检查的过程其实挺细致的,啥都得看,连个小小的接缝都不放过。
你想,外墙外保温系统毕竟是个大工程,一旦出现问题,那可真不小,万一保温效果不好,不仅影响建筑物的能源使用,浪费了热能,还可能给住户带来不必要的麻烦。
所以,咱们得保证每一项都合格,检查得像是做精细活儿一样,一丝不苟。
比如说,板材是不是牢固地固定在墙面上,外面那层保护膜是不是完整无损,接缝处是不是严丝合缝,绝对不能留一点瑕疵。
而且啊,这个验收记录可不是随便写写的,它要符合一系列标准。
得有板材的相关参数,比如厚度、材质等,得写得清清楚楚,不然谁知道这块板子到底好不好?咱还得记录安装过程,比如说板子是怎么粘贴上去的,用了什么胶水,按规定的顺序铺设没有,是否有出现错位、空鼓的情况。
这些小细节,能决定一个项目的成败,咱们得细心检查。
就像你买个手机,外面包装没问题,拆开一看,电池没装好,屏幕开裂,结果不就白费劲了吗?质量验收也是这个理儿。
现场检查的工程师就像是“大侦探”,站在墙前一看,眼睛得像鹰一样锐利,发现一丝不对劲的地方立马给指出来。
外墙保温砂浆分项工程检验批质量验收记录在建筑工程中,外墙保温砂浆分项工程是确保建筑物节能与保温效果的重要环节。
而对外墙保温砂浆分项工程检验批质量进行严格的验收,是保障工程质量的关键步骤。
这份验收记录不仅是对施工质量的评估,更是对建筑整体性能和安全性的考量。
一、工程概况本次验收的外墙保温砂浆分项工程位于具体工程名称,施工面积为具体面积。
该工程的建筑结构类型为结构类型,外墙保温采用的是保温砂浆的具体类型和品牌。
二、验收依据1、设计图纸及相关变更文件,明确了外墙保温砂浆的施工要求和技术指标。
2、相关的施工规范和标准,如《外墙外保温工程技术规程》(JGJ 144-2019)、《建筑节能工程施工质量验收标准》(GB 50411-2019)等。
3、施工单位编制并经审批的施工方案,确保施工过程的规范性和可控性。
三、验收内容1、所用材料的质量验收保温砂浆的品种、规格、性能应符合设计要求和相关标准的规定。
检查产品合格证、出厂检验报告和进场复验报告,确保材料的质量合格。
对保温砂浆的外观进行检查,不应有结块、受潮等现象。
用于增强的玻纤网等材料,其质量和规格也应符合要求。
2、基层处理验收基层表面应平整、清洁,无油污、脱模剂等妨碍粘结的附着物。
基层的平整度和垂直度应符合规范要求,偏差在允许范围内。
对于基层存在的空鼓、开裂等缺陷,应进行处理并验收合格。
3、保温砂浆施工质量验收保温砂浆的厚度应符合设计要求,且不得有负偏差。
通过现场测量,检查保温层的厚度是否均匀一致。
保温砂浆的涂抹应分层进行,每层厚度不宜超过规定厚度,且应压实、抹平。
检查涂抹的平整度和表面质量,不应有裂缝、起皮等缺陷。
保温砂浆与基层之间及各层之间的粘结应牢固,无脱层、空鼓现象。
通过现场拉拔试验,检验粘结强度是否符合要求。
4、细部处理验收门窗洞口、阴阳角等部位的保温砂浆施工应符合设计要求,加强处理应到位。
保温层的收头部位应处理得当,密封严实,防止雨水渗透。
5、成品保护验收施工过程中,应采取有效的保护措施,避免对已施工的保温层造成损坏。