人教版九年级物理上综合练习题( 含答案)
- 格式:docx
- 大小:173.74 KB
- 文档页数:10
人教版九年级物理第十八单元《电功率》综合检测题(含答案)[测试范围:第十八章时间:40分钟分值:100分]一、选择题(每题3分,共33分)1.如图所示为几种常见的用电器,其中额定功率最接近800 W的用电器是 ()2.如图所示电路中,闭合开关,发现甲灯不发光,乙灯发光。
经检查,电路连接正确,两只灯泡都完好无损。
则甲灯不发光的原因最有可能是()A.甲灯的实际功率较大B.甲灯两端的电压远小于乙灯两端的电压C.通过甲灯的电流远大于通过乙灯的电流D.甲灯的实际功率太小3.在相同时间内,电流通过电阻丝甲产生的热量比通过电阻丝乙产生的热量多,则下列说法中正确的是()A.甲的电阻一定大于乙的电阻B.甲两端的电压一定大于乙两端的电压C.甲中的电流一定大于乙中的电流D.甲的实际功率一定大于乙的实际功率4.如图所示,阻值为R的电阻丝,用四种方法分别接在电压为U或2U的电源上,闭合开关后,在相同时间内虚线框里的电阻丝产生的总热量最多的是()5.如图所示,闭合开关,将滑动变阻器的滑片P向上滑动时,下列说法中正确的是()A.灯泡变暗,电压表示数变大B.灯泡变亮,电压表示数不变C.电路消耗的总功率变小,电压表示数不变D.电路消耗的总功率变大,电压表示数变大6.如图所示,电源电压保持不变,闭合开关S,当滑片P向右移动时,下列说法中错误的是()A.电压表的示数变大B.电流表的示数变小C.灯L的亮度不变D.电路的总功率变小7.把标有“12 V12 W”的灯L1和“12 V 6 W”的灯L2串联起来接在电源电压为12 V的电路中,下列说法中正确的是()A.两灯均不能正常发光,但灯L1较亮B.两灯均不能正常发光,但灯L2较亮C.两灯均能正常发光D.把电源电压提高到24 V,两灯都能正常发光8.如图所示是电阻甲和乙的I-U图象,下列说法中正确的是 ()A.电阻甲和乙都是阻值不变的电阻B.当乙两端电压为2 V时,R乙=5 ΩC.甲、乙串联在电路中,当电路中电流为0.2 A时,电源电压为2 VD.甲、乙并联在电路中,当电源电压为2 V时,电路总功率为1.2 W9.为检查驾驶员是否饮酒而设计的电路如图甲所示,R为酒精气体传感器,其阻值随酒精气体浓度的变化曲线如图乙所示,R0为定值电阻,电源电压不变。
一、选择题1.“花饽饽”是山东省非物质文化遗产。
下列关于蒸饽饽的过程中,说法错误的是()A.燃料的化学能转化为饽饽的内能B.蒸笼中最下层的饽饽离水面近,所以比最上层的饽饽熟得早C.饽饽香气四溢说明分子在不停地运动D.水沸腾后即使加大火力,也不能提高水的温度B解析:BA.蒸饽饽时消耗了燃料的化学能,饽饽的内能增多,故燃料的化学能转化为饽饽的内能。
故A正确,不符合题意;B.在给蒸笼加热过程中,锅底的水发生汽化现象,产生大量的高温水蒸气向上升起,当水蒸气遇到冷的蒸笼盖时,发生液化现象,放出很多热量,使上层饽饽先熟;故B错误,符合题意;C.蒸饽饽时香气四溢是扩散现象,说明分子在不停地做无规则运动。
故C正确,不符合题意;D.根据液体沸腾的特点可知,水在沸腾过程中,吸收热量,内能增加,温度保持沸点不变,故D正确,不符合题意。
故选B。
2.如图所示,是小普同学跟爷爷学习气功的四个基本动作,由此他联想到热机的四个冲程,以下与排气冲程最相似的是()A.鼻孔吸气B.气沉丹田C.排山倒海D.打完收工D解析:D小普同学跟爷爷学习气功的四个基本动作,鼻孔吸气相当于吸气冲程,气沉丹田相当于压缩冲程,排山倒海时对外做功,相当于做功冲程,打完收工相当于排气冲程。
故选 D。
3.如图所示,用同样的器材进行实验,现要求仅根据温度计示数的变化(t∆),比较不同物质的吸热本领(实验1)或者比较不同燃料的热值(实验2),则以下说法中正确的是()A.这两个实验均需要控制被加热的物质的种类一样B.这两个实验均需要控制实验中用完全相同的燃料C.正确完成实验1后,若t∆越小,则该物质的比热容越大D.在实验2中,加热相同时间后,若t∆越大,则该燃料的热值一定越大D解析:DA.由于比较不同物质的吸热本领(实验1),所以,实验需要控制被加热的物质不是同一种类;由于比较不同燃料的热值(实验2),所以,实验需要控制被加热的物质相同质量的同一种类,故A错误;B.比较不同物质的吸热本领时,需要燃烧相同燃料,且相同时间,即保证吸收相同的热量,通过比较温度的变化,然后比较吸热本领的强弱;而比较不同燃料的热值时,需要不同的燃料,故B错误;C.实验1中,在液体升高相同温度时,加热时间越长,液体吸收的热量越多,吸热本领越强,说明该物质的比热容越大,故C错误;D.在实验2中,加热相同时间后,若t∆越大,说明释放的热量越多,即该燃料的热值一定越大,故D正确。
综合测试题时间:90分钟满分:100分一、选择题(每小题3分,共36分)1.(滨州中考)下列说法不正确的是( C )A.炒菜时,满屋飘香,表明分子在不停地做无规则运动B.用水作为汽车发动机的冷却剂,主要是因为水的比热容较大C.煤的热值比干木柴的大,煤燃烧时放出的热量比干木柴燃烧时放出的热量多D.四冲程汽油机的做功冲程中,内能转化为机械能2.(岳阳中考)把毛皮摩擦过的橡胶棒靠近轻质小球,小球被吸引,则这个小球( D ) A.一定不带电 B.一定带负电 C.一定带正电 D.可能不带电3.(南宁中考)某种电脑键盘清洁器有两个开关,开关S1只控制照明用的小灯泡L,开关S2只控制吸尘用的电动机M。
如图所示的四个电路中,符合上述要求的是( D )4.(聊城中考)在家庭电路中,插座、螺口节能灯和开关的连接正确的是( B )5.(北京中考)下列选项中符合安全用电要求的是( B )A.用湿手按已接电的插座上的开关B.及时更换家庭电路中绝缘皮老化、破损的导线C.在未断开电开关的情况下,用湿布擦拭电视机D.把用电器的三脚插头改为两脚插头接在两孔插座上使用6.(绵阳中考)电视机、微波炉等家用电器给我们的生活带了许多方便,微波炉使用的电磁波波长很短,但比电视机遥控器所用的波长要长些。
下列电磁波成分中波长比电视机遥控器所用波长长的是( D )A.γ射线 B.可见光 C.红外线 D.无线电波7.(黄石中考)下列关于能与可持续发展及信息的传递的叙述中正确的是( D )A.太阳内部每时每刻都在发生着核裂变释放巨大的核能B.石油是可再生能C.激光在光导纤维中始终沿直线传播D.黄石交通广播电台的频率是103.3 MH,广播电台发射的电磁波是靠迅速变化的电流实现的8.(衡阳中考)在探究“通电螺线管外部磁场分布”的实验中,开关断开时小磁针甲、乙的指向如图所示,当开关闭合时,通电螺线管有磁性,则下列说法正确的是( B ) A.小磁针甲偏转,小磁针乙不偏转B.小磁针乙偏转,小磁针甲不偏转C.小磁针甲、乙均偏转D.滑动变阻器滑片P从右向左滑动时,通电螺线管的磁性逐渐增强9.(苏州中考)在“探究影响电流热效应的因素”实验中,可通过观察玻璃管中煤油柱的高度变化比较电阻丝产生热量的多少(如图)。
人教版九年级物理上册第十三章综合素质评价一、选择题(每题3分,共9分)1.[2023·广州荔湾区期末]有关分子热运动,下列说法正确的是() A.注射器中的液体很难被压缩,说明液体分子之间存在引力B.用手捏海绵,海绵的体积变小了,说明分子间有间隙C.大量PM2.5尘粒在空中飞舞,这是分子在做无规则运动D.将墨水滴入水中做扩散实验,水的温度越高扩散就越快2.向一端封闭的玻璃管中注入酒精和水后,让它们充分混合,观察到液面的位置会有所下降。
为了使实验现象更有说服力,关于注入液体的顺序正确的是() A.先注入水,后注入酒精B.先注入酒精,后注入水C.水和酒精要同时注入D.注入液体的顺序对实验结果无影响3.广东潮汕地区有种茶叶非常有名,叫做“鸭屎香”。
如图是小明冲茶时的情景,小明发现冲出的茶温度越高,人闻到的香味就越浓;反之冲出的茶温度越低,人闻到的香味就越淡。
如果用汤勺搅拌一下放置一段时间后的茶,人闻到的香味会比搅拌前浓一些。
以下关于上述现象的说法正确的是()A.茶越浓,分子无规则运动越剧烈B.茶逐渐变凉的过程是茶的内能逐渐减小的过程C.搅拌后闻到的香味浓一些,是搅拌使茶的内能增加了的缘故D.随着茶的温度逐渐降低,茶的比热容将逐渐变小二、填空题(每空1分,共12分)4.[地方特色]“红心海鸭蛋”是广东沿海地区的特色美食。
腌制海鸭蛋时盐进入海鸭蛋中是一种________现象,烧水煮海鸭蛋是利用________的方式改变海鸭蛋的内能。
煮熟的红心海鸭蛋,切开后咸香扑鼻,这是因为带有香味的分子在永不停息地做无规则运动,这种现象在其刚出锅的时候特别明显,因为________越高,分子热运动越剧烈。
5.[立德树人·中国自信]2022年9月3日,我国使用长征四号丙运载火箭,成功将遥感三十三号02星发射升空。
火箭在上升过程,其外壳与大气摩擦后内能________(填“增大”“不变”或“减小”),温度升高,这是通过________的方式改变内能。
人教版九年级物理第18章电功率综合训练(含答案)一、选择题1. 下列用电器工作时,能量转化的主要形式与电饭锅相同的是()A. 电烤箱B. 空调C. 电风扇D. 洗衣机2. 小萌在更换灯泡时发现灯泡上标有“220 V40 W”的字样.下列说法中正确的是()A. 该灯泡只能在220 V电压下工作B. 该灯泡的实际功率是40 W不变C. 该灯泡每秒消耗的电能是40 WD. 该灯泡正常发光时的功率是40 W3. 把标有“220 V40 W”的灯泡L1和“220 V60 W”的灯泡L2串联接入220 V电路两端,下列说法正确的是()A. 两灯泡的额定电压都变小了B. 两灯泡的额定电功率都变小了C. 灯泡L1两端的实际电压比L2两端的实际电压大D. 通过灯泡L1的实际电流比L2的实际电流大4. 图甲中的A、B分别为小灯泡和定值电阻的I-U图像,小灯泡和电阻的连接情况如图乙所示,电源电压8 V,下列说法正确的是()A. 小灯泡电阻随温度的增大而减小B. 灯泡的实际电功率为0.6 WC. 电阻的阻值为0.05 ΩD. 电阻的电功率为0.8 W5. 图是检测酒精浓度的测试仪的原理图,图中电源电压恒为8 V,R1为定值电阻,酒精气体传感器R2的阻值随酒精气体浓度的增大而减小。
当酒精浓度为0时,R2=60 Ω,此时电压表示数为2 V。
以下说法错误的是()A.若酒精气体浓度变大,电压表和电流表示数都变大B.定值电阻R1的阻值为20 ΩC.酒精浓度为0时,电路消耗的总功率为0.6 WD.若电流表示数达到0.2 A时,表示酒驾,此时R2消耗的电功率为0.8 W6. 小明家上次查看电能表示数为,本次查看时电能表示数如图所示,则下列说法正确的是()A.他家在这段时间内消耗的电能为903 kW·hB.电能表是测量电功率的仪表C.若只让一个标有“220 V1000 W”的电热水器正常工作10 min,则电能表的转盘转了600转D.这个电能表的额定功率为2200 W7. 如图所示的电路,闭合开关后,当滑片P向左移动时,下列说法正确的是()A. 灯泡L变亮B. 电压表示数变大C. 电流表示数变小D. 电路消耗的总功率变大8. 如图所示,电源电压6 V保持不变,定值电阻R1标有“10 Ω0.5 A”字样,滑动变阻器R2标有“20 Ω 1 A”字样,电流表量程为0~0.6 A,电压表量程为0~3 V。
人教版九年级物理上册第十五章综合素质评价(B)一、选择题(每题3分,共9分)1.生活中的静电,有的可以利用,有的需要防治,下列选项属于利用静电的是() A.复印时,让硒鼓带电吸引墨粉B.地毯中编织了细小的钢丝C.油罐车的尾部通常拖了一条铁链D.高楼顶部装上避雷针2.如图所示为小灯泡与一节干电池连接的几种方式,其中能使小灯泡发光的是()A.①③B.②③④C.②③D.②④3.如图所示,开关闭合时电流表示数为0.3 A,若通过L1的电流为I1,通过L2的电流为I2,则()A.I1=I2=0.3 AB.I1=0 A;I2=0.3 AC.I1=I2=0.15 AD.I1=0.3 A;I2=0 A二、填空题(每空1分,共12分)4.如图甲所示,电流表的读数为________A。
为了选定电流表适合的量程测量,应该先用电流表的大量程“________”一下;某次测量时电流表示数如图乙所示,则测出的电流是________mA。
5.学习了电学知识后,小伟带着问题思考家里面的电现象。
如图是一款迷你台灯扇,小伟发现它的照明和吹风两个功能可以独立实现,台灯扇的灯和电动机在电路中应是________(填“串联”或“并联”)的。
小伟妈妈做饭时,不小心把胡椒粉洒在粗粒盐上了,小伟拿塑料小勺在毛皮上摩擦了几下,然后把小勺靠近胡椒粉,胡椒粉立刻被吸到勺子上,成功将胡椒粉和粗粒盐分开,这利用了带电体__________________的性质。
用丝绸摩擦过的玻璃棒靠近吸管的一端,吸管被排斥,由此推测吸管的这端带________电。
6.[易错题]很多公共场所都配有手机充电宝,方便人们出行时为手机应急充电。
用充电宝为手机充电时,充电宝相当于________,充电宝充电线的三个插头可为三部不同类型的手机充电,如果三部手机同时充电,那么这三部手机的连接方式是________(填“串联”或“并联”)。
充电时,电流的方向是________(“①既有插头到手机又有手机到插头”或“②只有插头到手机”,填序号)。
人教版九年级物理第十三章内能综合练习考试时间:90分钟;命题人:物理教研组考生注意:1、本卷分第I卷(选择题)和第Ⅱ卷(非选择题)两部分,满分100分,考试时间90分钟2、答卷前,考生务必用0.5毫米黑色签字笔将自己的姓名、班级填写在试卷规定位置上3、答案必须写在试卷各个题目指定区域内相应的位置,如需改动,先划掉原来的答案,然后再写上新的答案;不准使用涂改液、胶带纸、修正带,不按以上要求作答的答案无效。
第I卷(选择题 30分)一、单选题(10小题,每小题3分,共计30分)1、表明组成物体的大量分子无规则运动的现象是()A.看到大雾在弥漫B.随风飘来一股香气C.打扫房间时尘土飞扬D.春天柳絮飞扬2、当分子间的距离增大时,下列判断正确的是()A.分子间的引力增大,斥力减小B.分子间的斥力增大,引力减小C.分子间的引力和斥力都增大D.分子间的引力和斥力都减小,但引力大于斥力3、实验室有温度为0℃的水、-4℃的冰块,对于只有0℃的水和-4℃的冰组成的系统,下列说法正确的是()A.0℃的水的内能一定大于-4℃的冰的内能B.将-4℃冰块放入0℃水中,水的质量变小C.将-4℃冰块放入0℃水中,能量通过做功的方式从水传递给冰块D.将-4℃冰块放入0℃水中,温度通过热传递的方式从水传递给冰块4、生活中热现象随处可见,下列说法中正确的是()A.气体扩散比固体快,表明气体温度一定比固体高B.冬天很冷的时候搓手就感到暖和,是用热传递的方式改变内能C.用零下18℃的盐水使水凝固,此过程中水的内能不变D.0℃的冰块有内能5、关于比热容,下列说法正确的是()A.沙子的比热容小,所以沙漠地区昼夜温差大B.北方楼房中的“暖气”用水作为介质,是由于水的比热容较小C.因为c水>c煤油,所以质量相等的水和煤油,吸收相同的热量,水的温度升得更高D.比热容与物体的质量、吸热多少、温度变化大小有关6、两个相同的容器分别装了质量相同的两种液体,用同一热源分别对其加热,液体温度与加热时间的关系如图所示。
2022学年九年级物理上学期期末复习第十八章《电功率》综合练习卷一、单选题1.关于电功,下列说法中正确的是()A.电功是表示电流做功快慢的物理量B.电流越大,电流做的功就越多C.电功是表示电流做功多少的物理量D.电流做功越多,消耗的电能不一定越多2.有两个电路元件A和B,流过元件的电流与其两端电压的关系如图(甲)所示;把它们串联在电路中,如图(乙)所示。
闭合开关S,这时电路中的电流为0.2A,则电源电压和元件A在10s电流做的功分别是()A.2V,2J B.3V,2J C.3V,6J D.2V,4J 3.有甲、乙两盏电灯,甲灯上标有“36V60W”,乙灯上标有“220V60W”,当它们分别在其额定电压下工作发光时,其亮度是()A.乙灯比甲灯更亮B.甲灯比乙灯更亮C.两盏灯一样亮D.无法判定哪盏灯更亮4.小明利用电能表测量某个家用电器的电功率,当电路中只有这个电器连续工作时,测得在1h内,消耗的电能为1.2kW•h,那么用这个电器是()A.液晶电视机B.台式计算机C.家用空调D.电冰箱5.标有“6V 3.6W”的小灯泡,通过它的电流随两端电压的变化关系如图所示。
若把这种规格的两只灯泡串联在6V的电源两端,则每只灯泡的实际电阻和实际功率分别为()A.10Ω,0.9W B.6Ω0.9W C.6Ω 1.5W D.10Ω 1.8W 6.下列关于电功和电功率的说法中正确的是()A.电流做功的过程,实际是把其他形式的能转化为电能的过程B.电流通过导体时所做功的多少取决于导体两端的电压、通过导体的电流和导体的电阻C.电流做功的快慢取决于用电器两端的电压和通过导体的电流D.电功率越大的用电器,电流做功越多7.如图所示电路,电源电压保持不变,闭合开关S后,滑动变阻器滑片P向左移动的过程中(不考虑灯丝的电阻受温度的影响),下列说法正确的是()A.电压表示数逐渐变大B.电流表示数逐渐变小C.小灯泡的亮度逐渐变暗D.滑动变阻器两端的电压逐渐变大8.如图所示是新型节能应急台灯电路示意图,台灯充好电后,使用时可通过调节滑动变阻器接入电路的阻值R改变灯泡的亮度,假定电源电压、灯泡电阻不变,则灯泡两端电压U随R变化的图象是()A.B.C.D.9.如图所示的电路中,电源电压保持不变,闭合开关S后,将滑动变阻器R的滑片向左移动,在此过程中,下列表述正确的是()①电流表示数变小②灯泡L亮度不变③电压表示数不变④变阻器连入电路的电阻变小A.①②③④B.只有①②C.只有③④D.只有①②③10.图中“+”、“﹣”分别表示电表的正负接线柱,可以测量R消耗的电功率的电路图是()A.B.C.D.11.如图甲,闭合开关S,调节滑动变阻器的滑片从最右端滑至最左端时,小灯泡恰好正常发光,电流表示数与两电压表示数的关系图象如图乙。
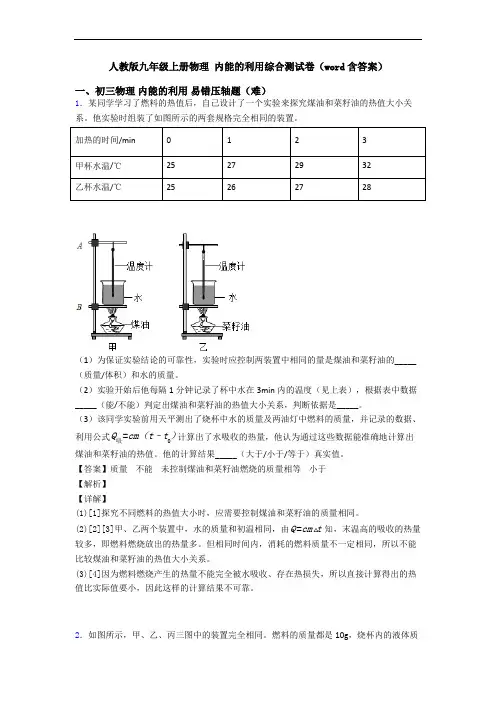
人教版九年级上册物理 内能的利用综合测试卷(word 含答案)一、初三物理 内能的利用 易错压轴题(难)1.某同学学习了燃料的热值后,自己设计了一个实验来探究煤油和菜籽油的热值大小关系。
他实验时组装了如图所示的两套规格完全相同的装置。
加热的时间/min0 1 2 3 甲杯水温/℃25 27 29 32 乙杯水温/℃ 25 26 27 28(1)为保证实验结论的可靠性,实验时应控制两装置中相同的量是煤油和菜籽油的_____(质量/体积)和水的质量。
(2)实验开始后他每隔1分钟记录了杯中水在3min 内的温度(见上表),根据表中数据_____(能/不能)判定出煤油和菜籽油的热值大小关系,判断依据是_____。
(3)该同学实验前用天平测出了烧杯中水的质量及两油灯中燃料的质量,并记录的数据、利用公式吸0=Q cm (t ﹣t )计算出了水吸收的热量,他认为通过这些数据能准确地计算出煤油和菜籽油的热值。
他的计算结果_____(大于/小于/等于)真实值。
【答案】质量 不能 未控制煤油和菜籽油燃烧的质量相等 小于【解析】【详解】(1)[1]探究不同燃料的热值大小时,应需要控制煤油和菜籽油的质量相同。
(2)[2][3]甲、乙两个装置中,水的质量和初温相同,由=Q cmt 知,末温高的吸收的热量较多,即燃料燃烧放出的热量多。
但相同时间内,消耗的燃料质量不一定相同,所以不能比较煤油和菜籽油的热值大小关系。
(3)[4]因为燃料燃烧产生的热量不能完全被水吸收、存在热损失,所以直接计算得出的热值比实际值要小,因此这样的计算结果不可靠。
2.如图所示,甲、乙、丙三图中的装置完全相同。
燃料的质量都是10g ,烧杯内的液体质量也相同。
(1)比较不同燃料的热值,应选择________两图进行实验,实验通过________比较液体吸收热量的多少;(2)比较不同物质的比热容,选用如图合适装置加热相同时间后,液体a 升温多,由此可知,液体a 吸收的热量____(选填“大于”、“小于”或“等于”)液体b 吸收的热量,液体_____的比热容大;(3)若甲图烧杯中为50mL 的水,10g 酒精完全燃烧温度计示数升高了20℃,则水吸收了______J 热量,若按酒精完全燃烧放出的热量全部被水吸收计算,算出的热值比标准值____选填“偏大”“偏小”或“一样”。
人教版九年级物理 第十四章综合测试卷01一、选择题(每小题3分,共30分)1.汽油机的一个工作循环是由四个冲程组成的,如图表示排气冲程的是( )ABCD2.关于热机,下列说法正确的是( ) A .随着科学技术的发展,热机的效率可达到100%B .四冲程汽油机在工作过程中,进气门和排气门同时关闭的冲程是做功冲程或压缩冲程C .柴油机上安装一个笨重的飞轮,是为了提高它的效率D .柴油机的效率比汽油机的高,这是因为柴油的热值比汽油的大3.如图所示,水沸腾后会将软木塞冲开,其能量转化情况和四冲程内燃机的哪一个工作冲程相似( ) A .吸气冲程B .压缩冲程C .做功冲程D .排气冲程4.煤炭是一种重要能源,区别煤的优劣的科学办法是检测下列哪个物理量( ) A .比热容 B .密度 C .热值D .温度5.由Qq m=的关系,在讨论一种燃料的热值时,下述结论正确的是( ) A .热值与燃料完全燃烧时放出的热量成正比 B .热值与燃料的质量成反比C .热值与燃料完全燃烧时放出的热量成正比,与燃料质量成反比D .热值与燃料燃烧时放出的热量及燃料质量无关,是由燃料本身的性质决定的6.A 、B 两种燃料,完全燃烧时能放出热量之比:5:3A B Q Q =,它们的热值之比:2:3A B q q =,则两种燃料的质量之比:m m是()A BA.10:9B.9:10C.5:2D.2:57.甲、乙两台热机,甲的效率比乙的低,其含义是()A.甲热机比乙热机做的有用功少B.甲热机比乙热机消耗的燃料多C.在做有用功相同的条件下,甲消耗的燃料多D.在做有用功相同的条件下,甲损失的能量比乙少8.下列现象中,只有能的转移而不发生能的转化的过程是()A.用弹弓将石子弹出B.植物吸收太阳光进行光合作用C.自行车刹车时刹车片发热D.用热水取暖9.自由运动的滚摆,每次上升的高度逐渐减小,下列说法正确的是()A.机械能守恒B.能量逐渐消失C.只存在动能和势能的相互转化D.减小的那部分机械能转化为其他形式的能,但总的能量守恒10.下列说法错误的是()A B C DA.将菜炒熟的过程中,分子热运动加剧,香味越来越浓B.将活塞迅速压下时,筒内空气的温度升高,蘸了乙醚的棉花燃烧起来C.1 kg的汽油在汽缸内燃烧放出的热量,就是汽油的热值D.由于沙子的比热容比海水的小,导致沙漠地区的昼夜温差比沿海地区的大二、填空题(每空2分,共30分)11.下图是一个“简易冰箱”,水通过毛巾从铁箱上面的水盆渗透到下面的水盆中,毛巾上的水会_________(填物态变化的名称)上司吸热使箱内的温度降低,这是通过_________(选填“做功”或“热传递”)来改变物体内能的。
九年级物理全一册第十七章《欧姆定律》综合检测卷-人教版(含答案)一、计算题1.将两个电阻R1、R2串联在恒为6V的电源上,电阻R1=10Ω,R2=20Ω,闭合开关,求:通过电路的电流。
2.如图电源电压为3V,电阻R1为5Ω。
闭合开关S时,电流表A的示数为0.8A,求:(1)通过电阻R1的电流;(2)通电1min整个电路消耗的电能。
3.在如图所示的电路中,R1和R2是两个定值电阻,阻值分别为R1=2Ω,R2=8Ω,电源两端的电压保持不变。
闭合开关S后,10s内通过R1的电荷量是20C。
求:(1)通过R1的电流;(2)电源电压;(3)通过R2的电流。
4.有一个电动机接在电压为6V不变的电源上,用手捏住电动机不让它转动,电流为3A,松手后电动机稳定转动,电流为0.3A.求:(1)电动机稳定转动时,线圈1min产生的热量;(2)电动机稳定转动1min输出的机械能;(3)此电动机将电能转化为机械能的效率为多少?5.在如图所示的电路中,电阻R1的阻值为10Ω,电流表的示数为1.2A。
(1)求电源电压U;(2)若在电路中接入一个电阻R2,使得接入前后电流表的示数变化了0.4 A,求电阻R2 的阻值。
6.在某一温度下,两个电路元件A和B中的电流与其两端电压的关系如图所示.则由图可知,元件A和B的电阻分别为为多少Ω ?7.在如图(a)所示的电路中,电源电压为12伏,电阻1R的阻值为10欧。
闭合开关S,电压表的示数为 4.8伏。
R的电流。
(1)求通过电阻1R的阻值。
(2)求电阻2(3)现用电阻0R替换电阻1R、2R中的一个,替换后闭合开关,电压表经过调整量程后,指针正好指在满刻度处,如图(b)所示。
求电阻0R的阻值及电流表的示数。
8.如图是某家用电炖锅的简化电路图。
电源电压为220V,1R和2R均为加热电阻。
当开关S 接1时为加热状态,功率为880W;开关S接2时为保温状态,功率为220W。
试求:(1)电炖锅保温状态下电路中的电流是多少?(2)电阻1R的阻值是多少?(3)电炖锅保温状态下工作10min,电阻2R产生热量是多少?9.如图所示,电源电压为6V且保持不变,闭合开关S,电压表V1示数为4V,电流表示数为0.4A,求:(1)电阻R1的阻值大小;(2)电阻R2的阻值大小;10.如图所示的电路中,电阻R1的阻值为20Ω,电源电压不变。
一、选择题1.下列关于温度、热量和内能的说法中正确的是()A.0℃的冰没有内能B.冬天在火炉边取暖是利用热传递来改变内能C.物体温度越高,所含有的热量越多D.物体内能增加时,温度一定升高B解析:BA.内能是物体所有分子动能与分子势能的总和,0℃的冰也有内能,故A错误;B.改变内能的方式有做功和热传递两种,冬天在火炉边取暖是利用热传递来改变内能,故B正确;C.热量是过程量,不能用含有,故C错误;D.晶体熔化时吸热,内能增加,温度保持不变,故D错误。
故选B。
2.下列关于内能的说法中,正确的是()A.一个物体的温度越高,它具有的内能就一定越大B.一个物体的内能越大,它的温度就一定越高C.一个物体的温度升高,一定是从外界吸收了热量D.一个物体吸收了热量,它的温度就一定会升高A解析:AA.同一个物体质量不变,故物体的温度越高,它具有的内能就一定越大,故此项正确;B.一个物体的内能越大,它的温度不一定越高,有可能它的状态正在发生变化,比如正在熔化,故此项错误;C.一个物体的温度升高,不一定是从外界吸收了热量,有可能是外界对物体做了功,故此项错误;D.一个物体吸收了热量,它的温度不一定会升高,有可能它的状态正在发生变化,比如正在熔化,故此项错误。
故选A。
3.下列现象中,通过做功使物体内能增大的是()A.老人晒太阳B.电饭锅煮饭C.下滑时小孩屁股会热D.冰箱冷藏食物C解析:CA.老人晒太阳,老人从太阳光中吸收热量,是通过热传递的方式改变内能的,故A不符合题意;B.电饭锅煮饭,米饭从电饭锅吸收热量,是通过热传递的方式改变物体的内能,故B不符合题意;C.小孩在滑梯上下滑的过程中,屁股与滑梯之间相互摩擦做功,机械能转化为内能,是通过做功改变了物体的内能,故C符合题意;D.冰箱冷藏食物,食物放出热量温度降低,是通过热传递的方式改变物体的内能,故D 不符合题意。
故选C。
4.对于以下几幅图说法正确的是()A.如图甲,瓶中上方清水和下方蓝色硫酸铜溶液静置几天,界面模糊——这个现象形成主要原因是分子间存在相互作用的引力B.如图乙,两个底面很平、很干净的铅柱压在-起后好像“粘”成一个整体,甚至在下面挂上重物也拉不开——这个现象说明分子是不停运动的C.如图丙,玻璃片的重力为G,当测力计显示的示数比G大一些时,才能将玻璃片从水面提起——这个现象主要说明水分子与玻璃分子之间存在引力D.如图丁,两位同学分别握住处于原长的弹簧的两瑞,可以将人比作组成某些物质的分子,物质被压缩,分子间表现出斥力;物质被拉伸,分子间表现为引力,由此可知分子之间引力和斥力不能同时存在C解析:CA.瓶中上方清水和下方蓝色硫酸铜溶液静置几天,界面模糊——这个现象形成主要原因是扩散现象,即分子在不停地做无规则运动,故A错误;B.两个底面很平、很干净的铅柱压在-起后好像“粘”成一个整体,甚至在下面挂上重物也拉不开——这个现象说明分子间存在引力,故B错误;C.玻璃片的重力为G,当测力计显示的示数比G大一些时,才能将玻璃片从水面提起——这个现象主要说明水分子与玻璃分子之间存在引力,同种物质的分子之间存在引力,不同物质的分子之间也存在引力,故C正确;D.两位同学分别握住处于原长的弹簧的两瑞,可以将人比作组成某些物质的分子,物质被压缩,分子间表现出斥力;物质被拉伸,分子间表现为引力,分子之间的引力和斥力是同时存在的,故D错误。
第十三章综合测试题时间:90分钟满分:100分一、单项选择题(每小题3分,共30分)1.下列事例中,不能说明分子在永不停息做无规则运动的是( B )A.炒菜时加点盐,菜就有了咸味B.在显微镜下,看到细菌在活动C.排放工业废水,污染整个水库D.房间里放一箱苹果,满屋飘香2.把磨得很光滑的铅片和金片紧压在一起,在室温下放置5年后再将它们切开,可以看到它们相互渗入约1 mm深。
这个现象说明( A )A.固体分子在不停地运动B.温度越高,固体分子运动越剧烈C.固体分子之间存在着引力和斥力D.固体分子之间只有引力,没有斥力3.我国研制的“神舟十一号”实验飞船在返回地面通过大气层的飞行中,下列说法中不正确的是( A )A.飞船的机械能保持不变B.飞船的一部分机械能转化为内能C.飞船的势能越来越小D.飞船的外表温度会升高4.爆米花是将玉米放入铁锅内,边加热边翻动一段时间后,“砰”的一声变成了玉米花,下列说法正确的是( B )A.玉米粒主要是通过翻动铁锅对其做功,使其内能增加B.玉米粒主要通过与铁锅间的热传递,使其内能增加C.玉米粒内水分受热膨胀对粒壳做功爆开,内能不变D.玉米粒内水分受热膨胀对粒壳做功爆开,内能增加5.下列关于功、内能、热量的描述正确的是( C )A.机械能为零的物体,内能也一定为零B.热量总是从内能大的物体向内能小的物体传递C.做功和热传递都能改变物体的内能D.物体的内能增大,温度一定升高6.家用电器中大功率电子元件在工作时会产生较多的热量,为了尽快散热,通常在大功率元件上加装金属散热片。
下表是四种材料的比热容,选作散热片最好的材料是( A )7.由c=Qm(t-t0),关于同一种物质的比热容c,下列说法正确的是( D ) A.若吸收的热量增大一倍,则比热容增大一倍B.若质量增大一倍,则比热容减至一半C.若加热前后的温度差增大一倍,则比热容增大一倍D.无论质量多大,比热容都一样8.汽车发动机常用水作冷却剂,主要是因为水的( A )A.比热容较大B.比热容较小C.密度较大D.密度较小9.两个相同的容器分别装满了质量相同的甲、乙两种液体。
第十四章综合测试题时间:90分钟满分:100分一、单项选择题(每小题3分,共30分)1.下列说法正确的是( B )A.物体的内能增加,它的温度一定升高B.汽油机在吸气冲程中吸入汽缸的是汽油和空气的混合物C.外界对物体做功,它的温度一定升高D.“黄沙漫天”说明分子在永不停息地做无规则运动2.如图所示,对于图片中所描述的物理过程,下列分析中正确的是( C )A.图甲:厚玻璃筒内的空气被压缩时,空气的内能减少B.图乙:瓶子内的空气推动塞子跳起时,空气的内能增大C.图丙:试管内的水蒸气推动塞子冲出时,水蒸气的内能减少D.图丁:汽缸内的气体推动活塞向下运动时,气体的内能增大3.四冲程汽油机的工作示意图如下,其中使汽车获得动力的冲程是( C )4.如图所示,用酒精灯给试管中的水加热,一段时间后橡皮塞被冲开,下列说法正确的是( C )A.酒精灯中酒精的质量越大,酒精的热值越大B.酒精燃烧放出的热量能全部被试管中的水吸收C.试管中水的内能是通过热传递的方式增加的D.橡皮塞被冲开的过程与内燃机的压缩冲程都是内能转化为机械能的过程5.下列热现象的说法中正确的是( C )A.沿海地区昼夜温差比内陆地区小,是因为水的比热容小B.汽油机压缩冲程把内能转化为机械能C.火箭用氢作燃料主要是因为氢的热值高D.冬天搓手取暖是利用热传递来改变内能6.关于热机,下列说法错误的是( C )A.热机性能好坏的重要标志之一是热机效率B.在四冲程内燃机中减少废气带走的大量热量,可以大大提高热机效率C.通过技术改进,热机效率可达100%D.火箭发动机属于热机7.小军同学发现他爸爸有一个燃气打火机,只要用大拇指压一下打火机上的按钮,就会形成火花放电,从而点燃可燃气体。
为什么手一压就会产生电火花呢?小军同学查了一下资料,知道了这是一种叫做压电陶瓷的电子元件,当对它挤压或拉伸时,它的两端就会形成一定的电压,这种现象称为压电效应。
手压打火机按钮时会产生10 kV~20 kV的高压。
九年级物理全一册第十八章《电功率》综合检测卷-人教版(含答案)时间:60分钟总分:100分一、选择题(每小题4分,共20分)1. 小明家上次查看电能表示数为 ,本次查看时电能表读数如图所示,则下列说法正确的是( )A.他家在这段时间内消耗的电能为903 kW·hB.电能表是测量电功率的仪表C.若只让一个标有“220 V 1 000 W”的电热水器正常工作10 min,则电能表的铝盘转600转D.这个电能表的额定功率为2 200 W2. 根据额定电压为 2.5 V的小灯泡的I-U图像(如图所示)分析,下列结论正确的是( )A.当小灯泡两端的电压为0 V时,其电阻为0 ΩB.当通过小灯泡的电流为0.1 A时,其实际功率为0.1 WC.通过小灯泡的电流与其两端的电压成正比D.小灯泡的额定功率为0.625 W3. 将规格为“2.5 V0.3 A”的小灯泡L1和规格为“3.8 V0.3 A”的小灯泡L2串联,接在3 V的电源上,忽略灯丝电阻随温度的变化,下列判断正确的是 ( )A.L1的电阻大于L2的电阻B.L1的亮度比L2的亮度更小C.两只灯泡都正常发光D.两只灯泡实际功率相等4. 在如图甲所示的电路中,分别把定值电阻R1、R2(R1>R2)接入A、B之间进行实验,并根据电流表和电压表示数画出A、B之间电阻的P-U图像,如图乙所示.如果把R1和R2并联后接入A、B之间进行实验,同理,可以在图乙中画出A、B之间电阻的P-U图像③.则图像①所对应的电阻和图像③所在的区域分别是 ( )A.R1和ⅠB.R1和ⅢC.R2和ⅠD.R2和Ⅲ5. 如图,电源电压恒为4.5 V, 的量程为“0~0.6 A”, 的量程为“0~3 V”,灯泡上标有“2.5 V 1.25 W”(不考虑灯丝电阻变化),滑动变阻器R的规格为“20 Ω 1 A”.闭合开关,在保证电路安全的情况下,移动滑片P的过程中( )A. 的示数最大为0.6 AB.灯泡的最小功率为0.12 WC.电路的最大总功率为2.7 WD.滑动变阻器接入电路的最小电阻为4 Ω二、填空题(每空2分,共20分)6. 如图所示,电热水壶上标有“220 V 1 800 W”,小明发现烧水过程中热水壶的发热体部分很快变热,但连接的电线却不怎么热,这是因为导线的电阻比发热体的电阻.在额定电压下,烧开一壶水用时3 min 20 s,这段时间内电热水壶发热体产生的热量为J.7. 某手机电池的容量为4 200 mA·h,电压为3.7 V.用一个标有“输出5 V 4 A”的快速充电器,将手机电池从零电量充满,充电效率为84%,需要min.快充充电线比普通手机充电线要粗一些,这是因为正常工作时,通过快充充电线的较大. 8. 如图,灯L标有“4 V 2 W”,R=20 Ω,闭合开关S时,灯L正常发光(灯丝的电阻不受温度影响),电流表示数为A,通电1 min 电路中产生的热量为J.9. 灯A标有“220 V100 W”字样,灯B标有“220 V25 W”字样,设它们的电阻不随温度的变化而变化,如果将它们串联起来,接在220 V的电路中,A灯两端的电压为V,A与B的电功率之和为W.10. 如图甲所示的电路中,电源电压保持不变,闭合开关S,滑动变阻器的滑片P从a端移动到b端的整个过程中,电流表示数I与电压表示数U的关系图像如图乙所示.则定值电阻R1的阻值为Ω;当变阻器的滑片P处于a端时,定值电阻R1的电功率为W.三、实验探究题(第11小题9分,第12小题14分,第13小题14分,共37分)11. 某科学小组对电流通过导体产生热的多少与哪些因素有关进行了研究.装置如图,甲、乙两个烧瓶内装满煤油,瓶塞上各插1根玻璃管,瓶内各装1根阻值不同的电阻丝R R乙.甲和猜想一:通电时间相同时,电热跟电流的大小有关,电流越大电热越多.猜想二:通电时间相同时,电热跟导体的电阻大小有关,电阻越大电热越多.为验证猜想一,设计以下方案:①将电阻丝R甲和R乙串联在电路中,标出2根玻璃管内液面的位置,闭合开关记下电流表的读数I1,经过一段时间后标出2根玻璃管内液面的位置;②断开开关,当2根玻璃管中的液面降到原来的高度后,减小滑动变阻器接入电路的阻值,闭合开关,记下电流表的读数I2,经过相同时间后标出2根玻璃管内液面的位置.请回答下列问题:(1)为使实验现象明显,经常会采用转换或放大的思想,为比较电热丝产生热量的多少,实验中体现这些思想的设计有(写出一条即可).(2)为验证猜想一,必须比较同一个烧瓶中前后两次玻璃管内液面上升的高度,原因是.(3)科学研究倡导有依据的猜想,请说出生活中支持猜想二的一个实例: .12. 在“探究小灯泡在不同电压下工作时的电功率是否相同”实验中,实验室提供了如下器材:电源(电压U恒为8 V),滑动变阻器(规格为“20 Ω 2 A”),小灯泡(额定电压U额= 2.5 V,额定功率小于1.2 W),两个阻值分别为10 Ω、20 Ω的定值电阻(定值电阻用R0表示).(1)为使小灯泡两端电压有一较大的调节范围,小聪设计了如图甲所示的电路,请用笔画线代替导线,完成图乙中实物电路的连接.(2)正确连接电路后,进行实验,记录的数据如下表所示.当电压表示数为2.5 V时,电流表示数如图丙所示,小灯泡的额定功率为W.(3)分析表中数据可得出结论:小灯泡工作时,电功率随电压的增大而.根据数据还可判断出,小聪在实验中选用的是R0= Ω的定值电阻.(4)完成实验后,爱动脑筋的小聪又想出一种测量小灯泡额定功率的方法,设计了如图丁所示的电路,所用电压表量程为“0~15 V”,请将以下实验步骤补充完整.①检查电路无误后,闭合开关S,将开关S1拨至“1”,调节滑动变阻器滑片直至电压表示数为;②滑片不动,再将开关S1拨至“2”,读出电压表示数为U0;③小灯泡的额定功率:P额= .(用U额、U0、R0表示)若步骤②中,在将开关S1拨至“2”时,不小心将滑片向右移动了少许,其他操作正确,则测出的小灯泡额定功率(填“偏大”或“偏小”).13. “西电东送”是将我国西部发电厂发出的电传输到我国东部.由发电厂输出的电功率是一定的,它取决于发电机组的发电能力.根据P=UI中发电机的功率不变效应,若提高输电线路中的电压U,那么线路中的电流I一定会减小;反之亦然.输电线路的电能损耗主要是输电线的电流热效应,输电线损失的热功率P=I2R,所以采用的输电线的电阻要尽量小.如果线路中电流降低到原来的12,那么线路中损失的热功率就减小为原来的14,因此提高电压可以很有效地降低输电线路中的热功率损失.设发电厂的输出电功率P0=1.1×108 W,输电线路上的总电阻为10 Ω.(1)若采用110 kV的高压输送电能,输电线路的电流I1= A,输电线路损失的热功率P1= W,其与发电厂的输出电功率P0之比P1∶P0= .(2)若采用1100 kV超高压输送电能,输电线路损失的热功率P2= W,其与高压输送电能损失的热功率P1之比P2∶P1= ,所以采用超高压远距离输电可以大大降低输电线路的的损失.(3)若想使输电线路中的热功率损耗为零,还可以采用作为输电线材料.四、计算题(第14小题10分,第15小题13分,共23分)14. 如图所示是某型号的爆米花机的电路图,该爆米花机具有制作和保温的功能.只闭合开关S1时,R1加热,电动机搅拌,开始制作爆米花;只闭合开关S2时,R2保温,防止爆米花变凉.爆米花机的铭牌如表所示.[c玉米=1.2×103J/(kg·℃)](1)将100 g、20 ℃的玉米粒加热到300 ℃成为爆米花时,求玉米粒需要吸收的热量;(2)电阻R1发热,把100 g、20 ℃的玉米粒加热成为爆米花,需要用时5 min,求R1的加热效率;(3)求保温电阻R2的阻值.15. 如图所示,电源电压恒为4.5 V,灯泡L上标有“3 V 1.5 W”字样,滑动变阻器R2上标有“15 Ω 1 A”字样,定值电阻R1的阻值为10 Ω,电流表量程为0~3 A,电压表量程为0~3 V,不计温度对灯丝电阻的影响.求:(1)灯泡正常工作时的电阻.(2)当开关S、S1、S2闭合,S3断开时,电路的最小总功率.(3)当开关S、S3闭合,S1、S2断开时,在确保电路元件安全的情况下,滑动变阻器R2的取值范围.参考答案一、选择题1.C 电能表的两次示数之差就是小明家在这段时间所消耗的电能,W=8 633.5 kW·h-8 543.2 kW·h=90.3 kW·h,A错;电能表是测量家用电器消耗的电能的仪表,B错;“220 V1 000 W”的电热水器正常工作10 min 消耗的电能W'=Pt =1 000 W×10×60 s=6×105J,根据电能表上的参数“3 600 r/(kW·h)”可知,电能表的铝盘转动一转表示用电器消耗的电能W 1=13 600×3.6×106 J=1×103 J,所以该电能表的铝盘转动的转数n =6×105J1×103J =600,C 正确;该电能表所在电路允许同时工作的用电器的总功率P'=UI =220 V×10 A=2 200 W,但这不是电能表的额定功率,D 错.2.D 导体的电阻是导体本身的一种性质,当导体两端的电压为0时,导体的电阻不会为0,故A 错;由题图知,当通过小灯泡的电流为0.1 A 时,小灯泡两端的电压为0.5 V,其实际功率P 实=IU =0.1 A×0.5 V=0.05 W,故B 错;由题图可知,小灯泡的I-U 图像不是一条直线,所以通过小灯泡的电流与其两端的电压不成正比,C 错误;小灯泡的额定电压为2.5 V,由图像可知此时通过小灯泡的电流为0.25 A,故小灯泡的额定功率为P 额=I 额U 额=0.25 A×2.5 V=0.625 W,故选D.3.B 根据R=U I ,可知L 1的电阻小于L 2的电阻,A 错误;两灯串联在3 V 的电源两端时,通过计算可知电路中的电流小于0.3 A,因此两灯均不能正常发光,C 错误;根据P=I 2R 可知,L 1的实际功率小于L 2的实际功率,因此L 1的亮度比L 2的亮度更小,B 正确,D 错误.4.C A 、B 之间电阻的电功率P=U 2R ,当电压U 相等时,由于R 1>R 2,则P 1<P 2,故①表示R 2的P-U 图像,②表示R 1的P-U 图像;当将R 1与R 2并联后接入A 、B 间进行实验时,A 、B 间的电阻R 并<R 2<R 1,当电压U 相等时,P 并>P 2>P 1,故将A 、B 并联后,A 、B 间电阻的P-U 图像在Ⅰ区域.故选C.5.D 由灯泡的铭牌信息知,灯泡的额定电流I额=P 额U 额=1.25 W2.5 V=0.5 A,灯丝的电阻R L =U 额2P 额=(2.5 V)21.25 W =5 Ω.分析电路图知,灯泡与滑动变阻器串联,电压表测量灯泡两端电压,电流表测电路中的电流,电流表选用0~0.6 A 量程,滑动变阻器允许通过的最大电流为1 A,故电路中允许通过的最大电流为0.5 A,即电流表的最大示数为0.5 A,A 错误;电路的最大总功率P 总=UI最大=4.5 V×0.5 A=2.25 W,C 错误;电路中电流最大时,滑动变阻器连入电路的电阻最小为4.5 V0.5 A -5 Ω=4 Ω,D 正确;滑动变阻器连入电路的阻值最大为20 Ω,电路中的总电阻最大为R 总=R L +R 变=5 Ω+20 Ω=25 Ω,电路中的最小电流I 小=U R 总=4.5 V25 Ω=0.18A,灯泡的最小电功率P 小=I 小2R L =(0.18 A)2×5 Ω=0.162 W,B 错误.二、填空题6.【答案】 小 3.6×105【解析】 用电热水壶烧水时,发热体部分和连接的电线串联,电流相等,通电时间相等,电线不怎么热,即Q 较小,由Q=I 2Rt 可知,导线的电阻小.电热水壶发热体产生的热量Q=W=Pt =1 800 W×(3×60 s+20 s)=3.6×105 J.7.【答案】 55.5 电流【解析】 电池充满电时储存的电能W 储=3.7 V×4 200×10-3 A×3 600 s=55 944 J,由充电效率η=84%可得,充电器消耗的电能W充=W 储η=55 944J84%=6.66×104J ,由W=UIt 可得,选用快速充电器将电池从零电量充满需要的时间t=W 充UI=6.66×104 J5V×4 A =3 330 s =55.5 min .正常工作时,通过快充充电线的电流较大,由于导线有电阻,因此充电过程中导线会产生热量,快充充电线做得粗一些,目的是减小充电线的电阻,使充电过程中导线产生的热量少一些.8.【答案】 0.7 168【解析】 闭合开关S 时,L 和R 并联,电流表测干路中的电流,由L 正常发光可知U=U R =U L =4 V,电流表示数I=I R +I L =U R +P L U L=4 V 20 Ω+2 W4 V =0.7 A;通电1 min 电路中产生的热量Q=W=UIt =4 V×0.7 A×60 s=168 J.9.【答案】 44 20 【解析】 灯A 的电阻R A =U 2P A=(220 V)2100 W =484 Ω,灯B 的电阻R B =U 2P B=(220 V)225 W =1 936 Ω,两灯串联接在220 V 的电路中,灯A 两端的电压U A =R A R A +R B U =484 Ω484 Ω+1 936 Ω×220 V=44 V;A 和B的电功率之和P=U 2R A +R B=(220 V)2484 Ω+1 936 Ω=20 W. 10.【答案】 10 0.1【解析】 闭合开关S,R 1与R 2串联,电流表测电路中的电流,电压表测R 1两端的电压.滑片从a 端向b 端移动的过程中,滑动变阻器连入电路中的电阻变小,故电路中电流变大,电压表示数变大,由题中的I-U 图像可知,当滑片P 在b 端时,电压表的示数为3 V,电流表的示数为0.3 A,则R 1=3 V0.3 A =10 Ω;当滑片P 在a 端时,电压表的示数为1 V,电流表的示数为0.1 A,则此时R 1的电功率为P 1=1 V×0.1 A=0.1 W. 三、实验探究题11.【答案】 (每空3分)(1)通过玻璃管内液面上升的高度来反映电热丝产生热量的多少(答案合理即可) (2)保持前后两次电阻的大小相同 (3)相同时间内电水壶中的发热体比连接电水壶的导线放热多(答案合理即可) 12.【答案】 (每空2分)(1)如图所示.(2)1.05 (3)增大10 (4)①5.5 V(或U-U额) ③U额U0R0偏小【解析】(2)由题图丙知,电流表的示数为0.42 A,小灯泡的额定功率为P=UI=2.5 V×0.42 A=1.05 W.(3)由P=UI和表中数据可得出结论:小灯泡工作时,电功率随电压的增大而增大.当小灯泡两端的电压为3.0 V时,滑动变阻器和定值电阻的总阻值为R'=U′I′=8V−3.0V0.44A≈11.4 Ω,因为R'<20 Ω,所以选用的定值电阻应为10 Ω的.(4)①闭合开关S,将开关S1拨至“1”时,小灯泡、R0与滑动变阻器串联,电压表测R0和滑动变阻器两端的总电压,调节滑动变阻器直至电压表示数为5.5 V时,小灯泡两端的电压为8 V-5.5 V=2.5 V=U额,此时小灯泡正常发光;②滑片不动,再将开关S1拨至“2”,读出电压表示数为U0,此时电路中的电流I0=I额=U0R0;③小灯泡的额定功率P额=U额I额=U额×U0R0=U额U0R0.若在步骤②中不小心将滑片向右移动了少许,则电路中的总电阻变大,电流变小,R0两端电压变小,使测得的U0偏小,则测得的额定功率偏小.13.【答案】(每空2分)(1)1 000 1×1071∶11(2)1×1051∶100热功率(3)超导体【解析】(1)由P=UI,可知I1=P0U =1.1×108W110×103V=1 000 A;根据P=I2R可得P1=I12R=(1 000 A)2×10 Ω=1×107 W,则热功率与发电厂的输出功率之比P1∶P0=1∶11.(2)由P=UI可知I2=P0U′=1.1×108W1100×103V=100 A;根据P=I2R可得P2=I22R=(100 A)2×10 Ω=1×105W,则P2∶P1=1∶100,采用超高压远距离输电可以大大降低损失功率,从而降低输电线路的热功率的损失.(3)根据P=I2R可知,如果输电线路的电阻为0,不存在热功率损耗,可采用超导体作为输电线材料.四、计算题14.解:(1)玉米粒需要吸收的热量Q吸=c玉米mΔt=1.2×103J/(kg·℃)×0.1 kg×(300 ℃-20 ℃)=3.36×104 J;(2)W=P加热t时=200 W×5×60 s=6×104 J,η=Q 吸W ×100%=3.36×104 J6×104J ×100%=56%; (3)R 2=U 2P 保温=(220V)222 W =2 200 Ω.15.解:(1)灯泡正常工作时的电阻R L =U 额2P 额=(3 V)21.5 W =6 Ω.(2)当开关S 、S 1、S 2闭合,S 3断开时,灯泡L 被短路,定值电阻R 1与滑动变阻器R 2并联,当滑动变阻器R 2连入电路的阻值最大为15 Ω时,电路中的总电流最小,电路的总功率最小,此时通过R 1的电流I 1=U R 1=4.5 V10 Ω=0.45 A,通过滑动变阻器R 2的电流I 2=U R 2=4.5 V15 Ω=0.3 A, 电路的最小总功率P 最小=U ×(I 1+I 2)=4.5 V×(0.45 A+0.3 A)=3.375 W.(3)当开关S 、S 3闭合,S 1、S 2断开时,R 1断路,灯泡L 与滑动变阻器R 2串联,电压表测滑动变阻器R 2两端电压, 灯泡的额定电流I 额=P 额U 额=1.5 W3 V =0.5 A, 因为灯泡的额定电流I 额=0.5 A,电流表量程为0~3 A,滑动变阻器标有“15 Ω 1 A”字样,所以在确保电路元件安全的情况下,电路中的最大电流为I 最大=0.5 A,此时滑动变阻器连入电路的阻值最小, 电路最小总电阻R 最小=UI最大=4.5 V0.5 A =9 Ω,滑动变阻器R 2连入电路的最小阻值R 2最小=R 最小-R L =9 Ω-6 Ω=3 Ω,因为电压表量程为0~3 V,所以在确保电路元件安全的情况下,滑动变阻器两端电压最大为U R 2=3 V 时,滑动变阻器连入电路的阻值最大, 此时电路中电流最小,为I 最小=U−U R 2R L =4.5 V−3 V6 Ω=0.25 A, 滑动变阻器R 2连入电路的最大阻值R 2最大=U R 2I 最小=3 V0.25 A =12 Ω,综上所述,滑动变阻器R 2的取值范围为3~12 Ω.。
人教版九年级物理第14章内能的利用综合训练一、选择题(本大题共10道小题)1. 下列说法不正确的是()A. 能量在转化过程中是守恒的,所以能源是“取之不尽,用之不竭”的B. 植物的光合作用是将光能转化为化学能C. 为节约能源,我们应该从小养成“人走灯关”的好习惯D. 在能源的利用中,总会有一部分能量未被利用就损失了2. 一台单缸四冲程汽油机飞轮的转速是800 r/min,做功冲程中燃气推动活塞一次做功1500 J,那么这台汽油机的功率为( )A.10 kW B.15 kWC.20 kW D.1200 kW3. 有甲、乙两台汽油机,甲的功率是乙的1.5倍,甲的效率为20%,乙的效率为2 5%,那么甲与乙每小时消耗油量之比为( )A.6∶5 B.15∶8 C.5∶6 D.8∶154. 2018·益阳关于热机的效率,下列说法正确的是( )A.一般情况下柴油机的效率比汽油机的高B.热机的效率越高,在做功同样多的情况下消耗的能量越多C.热机的效率越高说明做功越快D.热机损失的能量中,废气带走的能量较少,主要是由于机械摩擦损失的5. 如图所示是某内燃机能量流向图,该内燃机的热机效率是( )A.25% B.35% C.40% D.75%6. 2018·济南自然界的能量可以从一个物体转移到另一个物体,也可以从一种形式转化为其他形式。
以下事例中,能量发生了转移的是( )A.用太阳能电池给十字路口的红绿灯供电B.电动共享汽车在电动机驱动下加速前进C.水库中的水从高处泻落冲击水轮机转动D.流星从夜空快速地滑过发出耀眼的光亮7. 下列关于内燃机说法正确的是()A.柴油机吸气冲程吸入的是柴油和空气的混合物B.汽油机汽缸顶部有喷油嘴C.做功冲程中内能转化为机械能D.内燃机功率越大,效率越高8. 四冲程汽油机的剖面图如图所示,依靠飞轮惯性使活塞向上运动完成的冲程是( )①吸气冲程②压缩冲程③做功冲程④排气冲程A.①和②B.③和④C.①和③D.②和④9. 某品牌无人驾驶汽车在一段平直公路上匀速行驶6.9 km,用时5 min45 s,消耗燃油1.5 kg,已知汽车的牵引力是2000 N,燃油的热值为4.6×107J/kg,假设燃油完全燃烧。
人教版九年级物理上综合练习题一、选择题1、在国际单位制中,功的单位是 : A .N B .kg C .Pa D .J2、夜晚,看到月亮在云中穿行,这时选择的参照物是:A .云B .月亮C .地面D .观看的人 3、如图1所示的四种简单机械中,属于费力杠杆的是:4、如图2所示,物体m 从斜面的顶端下滑到底端,已知斜面是光滑的,则在下滑过程中物体m 的能量变化情况是: A .动能减小,势能减小,机械能减小 B .动能增大,势能减小,机械能不变 C .动能不变,势能减小,机械能减小 D .动能不变,势能不变,机械能不变5、下列说法中正确的是:A.机械效率越高,机械做功一定越快 B.做功越多的机械,机械效率一定越高 C.功率越大的机械做功一定越多 D.做功越快的机械,功率一定越大 6、浸没于水中的钢球,在继续下沉的过程中,它受到的:A 、浮力变小,压强变大B 、浮力变小,压强变小C 、浮力不变,压强变大D 、浮力不变,压强变小7、一只底面积为S 的箱子,放在面积为2S 的水平桌面的中央时,箱子对桌面的压强为P ;当放在面积为2S的水平凳面时,箱子对凳面的压强是: A .0.5P B .P C .2P D .4P8、你注意观察过家里的自行车吗?下列关于自行车增大摩擦或减小摩擦的说法,哪个是错误的?A .轮胎上做有凸凹不平的花纹,是为了增大摩擦A .天平B .火钳C .钉撬D .老虎钳图1B.刹车时用力捏刹车柄是为了增大摩擦C.往车轮轴承上加润滑油是为了减小摩擦D.车轮上装有滚动轴承,是为了增大摩擦9、如图3所示,用纸片把盛满水的杯子的杯口盖上,再使杯口向下,纸片不会掉下,水也不会流出,主要是因为:A、纸片很轻B、水粘住纸片C、空气有浮力D、大气对纸片有向上的压力图310、一本物理书放在水平课桌上处于静止状态,下列各对力中,属于平衡力的是:A、书受到的重力和桌面对书的支持力B、书受到的重力和书对桌面的压力C、课桌受到的重力和桌面对书的支持力D、书对桌面的压力和桌面对书的支持力11、如图4所示,每个钩码质量相等,轻杠杆处于平衡状态,若在两边钩码下各再挂上一个相同的钩码,这时A、杠杆仍在水平位置平衡B、杠杆右端下降C、杠杆左端下降D、杠杆右端上升图412、如图5所示,三个规格相同的烧杯甲、乙、丙,分别盛上质量相等的酒精、水和硫酸。
那么,杯底受到液体的压强A、甲最大B、乙最大C、丙最大D、甲、乙、丙一样大甲乙丙图5二、填空题13、运动员踢球时,对球施力的物体是:,这时也受到球的作用力;人用手拍桌面,手会感到痛,这是因为。
14、汽车驾驶员在驾驶汽车时要注意系好 且要和前面的汽车保持一定的 ,这是为了防止急刹车时人和车由于具有 而和前面的障碍物发生碰撞而造成伤害。
某驾驶员的车正向广州的方向开去,看见路边的指示牌如图6所示,车内的速度表如图7所示,若车一直以这个速度行驶,经过 h 可到达广州。
15、小李同学在测斜面机械效率的实验中,使用如图8所示的装置,他将木块从斜面底部用弹簧测力计沿斜面方向匀速拉到顶部,请在下面的表格中填上缺少的有关数据。
图8 木块重 G /N 斜面高 h /m 沿斜面的拉力F /N 斜面长 s /m 有用功 W 有/J 总功 W 总/J 机械效率η2 0.210.516、死海是世界著名的咸水湖,人可自由漂浮在海面上。
人们在死海中游泳时,若身体完全潜入水中,人受到的浮力____________人受到的重力;此时人继续下潜,人受到的浮力将_______________;当人们漂浮在海面上时,人受到的浮力___________人的重力。
17、有一个直径小于2cm ,体积小于10cm 3的金属螺帽,它可能是由铜、铁或铝制成。
为了探究金属螺帽到底是由什么材料制成,小芳设计了 “测量金属螺帽密度ρ”的部分实验方案。
实验器材:弹簧测力计、金属螺帽、细线、烧杯、水。
实验步骤:① 测量前将弹簧测力计的指针对准零刻度线;② 用细线绑住金属螺帽并系于弹簧测力计挂钩上,读出弹簧测力计的示数值F 1广州120km图6图7③将金属螺帽浸没于水中,读出弹簧测力计示数值F2④计算出金属螺帽的密度。
请你回答:(1) 金属螺帽受到的浮力的表达式: F浮= ___________________________(2) 金属螺帽的体积表达式:V =金属螺帽密度的表达式:ρ= 。
三、作图题18、如图9所示,河边一棵树上挂着的重为2牛的小球正在摆动着.请画出小球在图中位置时受到重力的示意图。
图919、图10是一吊灯挂在天花板的示意图,在该图中画出吊灯受力的示意图.图1020、如图11所示的杠杆,请画出杠杆的动力臂和阻力臂.FG图1121、如图12所示,用一根硬棒撬一个大石块,棒的上端A是动力作用点。
请标出如图所示的动力的力臂,并标明此时的支点O。
图12四、计算题22、一个容积为5×10-4m 3的玻璃瓶放在水平地面上,里面盛有0.3kg 的水,把小鹅卵石块,逐个投入瓶内。
当总共投了0.5kg 的石块后,水面刚好升到瓶口。
求: 水的体积; 石块的密度。
23、一个体重为500N 的同学骑自行车上学,在水平路面上以4m /s 的速度匀速行驶. 有关数据如右表所示.在行驶过程中,车对地面的压强是多大? 该同学骑车沿直线匀速行驶10min 至少做了多少功?五、实验与探究题24、写出下列仪器所测量的数据、如图13所示,物体的长度是________cm 。
图 13(2)、如图14所示,弹簧测力计的读数是______N 。
.图14、用天平和量筒测定矿石的密度.把矿石放在调节好的托盘天平的左盘中,当天平平衡时,右盘中的砝码以及游码在标尺上的位置如图15所示,则矿石的质量是___________g ,矿石放入量筒前、后,量筒中水面位置如图16所示,则矿石的体积是________cm 3,矿石的密度是___________kg/m 3。
自行车净重200N行驶过程轮胎与地面接触总面积 1×10-2m 2 匀速行驶过程中的总阻力 30N 车轮直径0.61m 轮胎承受的最大压强1.2×105Pa图15 图16 25、在研究滑动摩擦力与哪些因素有关的实验中:木块在水平放置的毛巾、木板、棉布的表面上运动时必须保持_________运动,根据_________的道理,得到摩擦力大小。
由下面的数据表1得到的结论是:压力_________,滑动摩擦力就_________;由表2得到的结论是:接触面越_________,滑动摩擦力就_________。
表1 表226.在观察如图17所示小球摆动时动能和势能转化的实验中,小涛发现小球每摆一个来回的时间似乎都相同.于是他产生了猜想,小球来回摆动一次所用时间t : ①可能跟小球质量m 有关; ②可能跟绳子长度L 有关; ③可能跟小球移开的距离s 有关;为验证自己的猜想,他在竖直的木板上画出方格,用瓶子代替小球,并在瓶内装大米以改变质量,则:(1)、除如图18所示的器材外,还需要______________、________________; (2)、在测出不同条件下,瓶子来回摆动一次所用的时间t 后,得到表中的数据.则:为了研究t 与L 关系,应选择序号为_________的数据进行分析;毛巾 棉布 木板 压力F 1.96 1.96 1.96 摩擦力f1.280.730.4123压力F 0.98 1.47 1.96 摩擦力f 0.20.30.4(3)、通过分析表中的数据可以得出初步的结论:t与__________无关,与________有关.图17 图18六、问答题27.随着人类能量消耗的迅速增加,如何有效地提高能量利用率是人类所面临的一项重要任务.如图19所示是某一地铁车站的设计方案,与站台连接的轨道有一个小的坡度.请你从提高能量利用效率的角度分析这种设计的优点.图19九年级物理期末考试参考答案一、选择题二、填空题13、运动员,运动员;力的作用是相互的,手也会受到桌面施加的力的作用。
14、安全带,距离,惯性, 1.5 。
15、0.4 ,0.5 ,80% 。
16、 大于 , 不变 , 等于 。
17、 F 1—F 2 , /(ρ水g) , F 1 ρ水/ 。
三、作图题18、 19、20、 21、四、计算题 22、解:由公式ρ = m/V得水的体积为:V 水 = m 水/ρ水 = 0.3kg/(1×103 kg /m 3) = 3×10-4m 3 石块的总体积为:V 石 = V -V 水 = 5×10-4m 3-3×10-4m 3= 2×10-4m 3 石块的密度为:ρ石 = m 石/V 石 = 0.5kg/(2×10-4 kg /m 3) = 2.5×103 kg /m 3 23.解:自行车对地面的压力F=G 人+G 车=500N+200N=700N自行车对地面的压强P =a p m N S F 422107101700⨯=⨯=- 自行车行驶的距离S=vt =4m/s ×10×60s=2400m 自行车匀速行驶,动力等于阻力 W=FS =30N ×2400m=7.2×104JG=2NLOF Gl 2l 1五、实验与探究题24、 2.2 (2)4.6 (3) 53.4, 20, 2.67×10325、匀速直线,二力平衡越大,越大;粗糙,越大26、天平、停表3 6 7m、s,L六、问答题27.答:车进站时的部分动能转化为重力势能,减小因刹车消耗的机械能;车出站时储存的重力势能又转化为动能,起到节能的作用.。