厂房及房间编号管理规程
- 格式:doc
- 大小:281.50 KB
- 文档页数:12
目的:规范车间、仓库区域房间编号管理规程。
范围:适用于各生产车间、仓库区域内的所有房间。
责任:生产部、质量管理部、设备部负责实施。
内容:
1、厂区建筑分布如下表:
2、各建筑内房间编号规则:建筑编号+该建筑楼层编号+3位顺序号;
例:2A1001:表示2号楼A区1层仓库编号为001的房间。
3、房间应编有唯一号码,给定后不得更改,如因厂房改造,内部房间发生变化,则由设备部人员进行申请批准后,进行修改。
4、房间编号,可以用来说明物料、设备、设施等的位。
5、各建筑房间编号一览表;
5.1仓库房间编号一览表;
5.2
5.3
5.4
5.5
5.6
5.7
5.8
5、相关文件:
无
6、变更历史记录:。
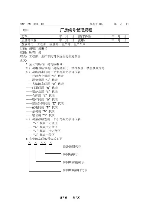
范围:所有厂房
职责:工程部、生产车间对本规程的实施负责
正文:
1.全公司所有厂房均应编号。
2.厂房编号应体现厂房所属部门、洁净级别、楼层及顺序号
3.厂房所属部门用一个大写英文字母代表:
——行政办公楼用“X”代表
——质检楼用“Z”代表
——大输液车间用“D”代表
——门卫间用“M”代表
——锅炉房用“G”代表
——仓库用“C”代表
——取样间用“Q”代表
——空压冷冻间用“K”代表
——配电间用“P”代表
——泵房用“B”代表
——宿舍用“S”代表
4.厂房洁净级别用一个小写英文字母代表:
——“a”代表一万级区
——“b”代表十万级区
——“c”代表三十万级区
——“d”代表一般区
5.完整的房间编号格式如下
第1页共2页
第2页 共2页 例:
D
1 06 a
一万级区
06号房
一楼
大输液车间。
XXXX药业有限公司生产管理制度
1 目的:规范企业所有生产厂房房间编号方法,便于管理,并符合药品生产质量管理规范中的相关要求。
2 范围:适用于企业所有生产厂房房间编号管理。
3 责任:生产部各生产车间负责对本规程进行实施,质管部、工程部对本规程的实施、执行进行监督。
4 内容:
4.1 编号原则:
对各厂房车间进行编号时应根据需要所划分的房间进行逐一编号,确保每个生产厂房内的每个房间具有唯一的编号,且具有可追溯性,即通过编号能追溯到具体的某个生产厂房房间。
4.2 编码方式:
4.2.1 厂房内有多条生产线的操作间编号由代表主要功能或剂型的首字大写英文字母,再加本车间操作间序号,构成具体车间操作间编号,厂房内只有单条生产线的操作间序号用两位数字表示,位数不足时前边用“0”补齐位数。
4.2.2 编号格式:
饮片车间、提取车间操作间编号为两位数字如01
制剂车间因是多条生产线,因此固体线首字母加两位数字如G01
液体线首字母加两位数字如Y01
普区操作间首字母加两位数字如P01
4.3 注意事项:
4.3.1 随着企业的发展,如要新建生产厂房时按4.2方法进行编号。
4.3.2 如根据生产要求需对厂房房间名称变更时,可直接将名称进行变更,编号保持不变;如需将某个厂房房间变更为几个房间时,必须对增加的房间按4.2方法进行编号,保证每个房间编号的唯一性。
生产厂房管理规定一、总则1. 本管理规定适用于所有生产厂房,旨在规范生产厂房的管理和运作,确保生产安全和效率。
二、厂房设计与布局1. 生产厂房的设计应符合相关规定和标准,确保生产流程和操作的顺畅进行。
2. 厂房的布局应合理,生产区域与非生产区域应分开设置,确保生产过程不受外界干扰。
三、安全管理1. 厂房内应设置合适的消防设施,如灭火器、消防栓等,以确保火灾安全。
2. 厂房内应配备合适的安全警示标志,以提示员工注意安全。
3. 紧急通道和疏散通道应保持畅通,以确保在紧急情况下员工能够安全疏散。
4. 厂房内应严禁喧哗、玩火和滥用电器等不安全行为。
四、环境保护1. 厂房应设有合适的排污管道和设备,确保废水和废气排放符合相关环境标准。
2. 企业应建立和落实废物分类和处理制度,确保废物得到正确处理和处置。
3. 厂房应设有适当的噪声和震动控制设施,以保护员工的身体健康。
五、设备维护与管理1. 生产设备应定期进行维护和保养,确保其正常运行和安全使用。
2. 厂房应设有定期巡检和维护制度,及时发现并处理设备故障或异常情况。
3. 设备管理人员应经过专业培训并持有相应的资质证书,确保设备管理的专业性和安全性。
六、人员管理1. 厂房内的员工应经过岗位培训,了解并掌握相关安全操作规程。
2. 厂房应配备足够数量的急救设施和药品,以应对员工在工作中的突发状况。
3. 厂房应设有人事管理部门,负责招聘、培训、考核和福利等相关工作。
4. 厂房应建立健全的劳动安全管理制度,确保员工的身体健康和工作安全。
七、应急预案1. 厂房应制定和落实紧急情况的应急预案,包括火灾、事故、自然灾害等情况的处理和疏散措施。
2. 厂房应定期组织应急演练和培训,确保员工熟悉应急程序和技能。
八、监督与执法1. 生产厂房的管理责任人应加强对厂房管理的监督和指导,确保规定的执行。
2. 监督部门可以随时对厂房进行检查和评估,对违反规定的厂房进行处罚和整改。
九、附则1. 本管理规定自颁布之日起生效,与以前的规定和条例不一致的部分以本规定为准。
江西希尔康泰制药有限公司GMP 管理文件
1、目的 规范公司所有生产厂房及设备的编号方法,便于管理,并符合GMP 的相关要求。
2 范围
适用于公司所有厂房房间及设备的编号。
3 职责 生产部、设备部、质量部负责对本规程进行实施。
4 内容
4.1 生产厂房房间的编号 4.1.1 编号规则
目前公司内生产厂房为口服固体制剂一车间、口服固体制剂二车间、口服固体制剂三车间、软膏一车间、软膏二车间、溶液一车间、溶液二车间、滴眼剂车间、原料药车间、提取车间。
对各车间房间进行编号时应根据管理需要所划分的房间进行编号,确保所有生产厂房内的每个房间具有唯一的编号,且具有可追溯性。
4.1.2 编号方法
公司对生产厂房房间进行编号时采用车间序号为前缀+房间流水号的方式进行。
如软膏一车间序号为1,具体代号见下表:
4.1.3 如根据生产需要对厂房房间名称变更时,可直接将名称进行变更,编号保持不变;如需将某个厂房变更为几个房间时,必须对增加的房间按4.1.2方法进行编号,保证每一个房间编号的唯一性,以上变更必须在相关文件中及时体现。
4.2 设备编号的管理
4.2.1编号原则
在对生产厂房内设备进行编号时应根据厂房内的设备进行编号,确保所有生产厂房内的每台设备具有唯一的编号,且具有可追溯性。
4.2.2 编号方法
在对设备进行编号时采用车间简称+流水序号的方式,车间简称见下表。
4.2.3 如某个房间内新增设备时,应根据新设备所在车间按4.2.2方法继续往下编号,如因设备因报废被搬出房间后,该编号可空下或用于新设备上,但必须在相应的生产工艺规程、批生产记录中及时体现。
5、变更记载及原因:。
楼层厂房管理规章制度第一章总则第一条为规范楼层厂房管理,维护良好的生产秩序,保障员工生命财产安全,制定本管理规章制度。
第二条本规章制度适用于楼层厂房的管理和运营,适用于所有在本厂房工作的员工和来访人员。
第三条楼层厂房的管理执行人员应按照本规章制度的规定进行管理,对违反规定的行为进行处理。
第四条所有员工必须严格遵守本规章制度的规定,不得有违法违纪行为,否则将受到相应的处罚。
第五条对于本规章制度的修改和补充,需要经过相关部门的审核批准,并及时通知全体员工。
第六条对于本规章制度的解释权归楼层厂房管理执行人员所有。
第二章厂房管理第一节厂房使用第七条所有员工在进入楼层厂房之前,必须携带有效证件,经过安全检查和登记方可进入。
第八条厂房内禁止吸烟、酗酒、打牌等任何影响生产秩序的行为。
第九条厂房内严禁大声喧哗、争吵打架等有损企业形象的行为。
第十条厂房内不得随意堆放杂物,必须保持厂房内整洁干净。
第十一条厂房内禁止私拉乱接电线,如有改动需由专业人员进行处理。
第二节安全管理第十二条所有员工必须严格遵守安全操作规程,正确使用工具和设备,确保生产过程中的安全。
第十三条厂房内重要区域必须设置安全警示标识,员工必须严格遵守并避免进入危险区域。
第十四条发现安全隐患必须立即报告给相关部门进行处理,切勿隐瞒或私自处理。
第十五条厂房内应配备完善的消防设施和应急物资,确保在发生火灾、事故等突发情况时能迅速处置。
第三节环境保护第十六条厂房内禁止乱倒废弃物,必须按照相关规定进行分类、收集和处理。
第十七条厂房内应设立环保验收区域,对生产废水、废气等进行监测和处理,确保环境达标。
第十八条厂房内应定期进行环保设备的检查和维护,确保设备正常运转。
第四节财产保护第十九条员工必须爱惜公司财产,不得擅自挪用或私自出售公司物品。
第二十条员工离开工作岗位时,必须将班组内的设备工具清点妥善,确保归还。
第二十一条厂房内设备设施损坏或丢失应立即报告给相关部门,经过确认后进行维修或补偿。
厂房编号管理操作规程厂房编号管理操作规程一、总则1.1 为了规范厂房编号管理,提高编号管理的效率和准确性,制定本操作规程。
1.2 本操作规程适用于所有厂房的编号管理。
1.3 厂房编号管理的相关责任人员应严格按照本操作规程进行操作,确保编号管理的准确性和可靠性。
二、编号分类2.1 厂房编号以数字和字母组合形式命名,根据不同的用途和功能进行分类。
2.2 主要的厂房编号分类包括:生产车间、办公楼、仓库、设备间、实验室等。
2.3 每个厂房编号应包含一个唯一标识符,以便快速识别和查找厂房信息。
三、编号规则3.1 厂房编号应根据实际情况制定统一的编号规则,确保编号的有序性和可读性。
3.2 厂房编号的命名应具有一定的规律性,如按照楼层、位置、用途等进行命名。
3.3 厂房编号的字母部分应使用大写字母,并具有一定的含义,如A代表生产车间,B代表办公楼等。
3.4 厂房编号的数字部分应按照从小到大的顺序逐渐增加,每个编号的长度应根据实际情况确定。
3.5 在编号命名时应尽量避免使用特殊字符和重复的编号,以免造成混淆和错误。
四、编号申请与变更4.1 对于新建厂房,编号管理人员应在厂房建设前进行预先规划,并向上级主管部门申请相应的厂房编号。
4.2 对于已有厂房的编号变更,应提前向上级主管部门申请,并说明变更的原因和确切的编号变更方案。
4.3 编号管理人员应妥善保存和管理相关的编号申请和变更文件,确保编号管理的信息完整性和可追溯性。
五、编号管理的流程5.1 编号管理应建立相应的登记表格,记录每个厂房的编号、信息及其变更情况。
5.2 在新建厂房或进行编号变更时,应及时更新相关的登记表格,确保信息的准确性和统一性。
5.3 编号管理人员应定期对厂房编号进行检查和核对,确保编号的完整性和正确性。
5.4 编号管理人员应制定相应的保密措施,确保编号信息的安全性和保密性。
六、违规处理6.1 对于违反本操作规程进行编号管理的行为,根据违规情况轻重,可给予口头警告、书面警告、通报批评等相应的处罚。
厂房建筑物、房间编号管理规程1 目的规范本公司各建筑物、房间的编号规则。
2 范围公司厂房内所有建筑物、房间。
3 职责行政部负责对各建筑物、房间进行统一编号管理,以及标识物的制作工作。
各部门负责所使用房间的编号工作,以及标识物的日常维护,发现标识脱落、损坏等现象,及时通知行政部进行更换。
4 内容4.1 建筑物名称、编号规则公司厂房各建筑物编号用大写英文字母表示,按照A、B、C……顺序依次编号,方位上把握“由南至北、由外至内”的原则。
同一使用功能的建筑物有 2 个以上,则在建筑物编号后加 1 位数字,如L1、L2。
我公司建筑物名称、编号规定如下:建筑物名称编号办公楼A综合楼B联合车间C预留建筑D、E、F污水站G危险品库H动物实验中心I维修车间J警卫室K公寓L4.2 建筑物内房间编号规则4.2.1 办公楼、综合楼编号规则办公楼、综合楼各房间编号由3 位数字组成,第1 位代表楼层数,第2、3 位为房间流水号(房间号不使用3和4),其中南侧房间为双号,北侧房间为单号,并自东向西按顺序依次编号;同一个房间有2 个以上门,则使用同一个房间号。
4.2.2 联合生产车间编号原则4.2.2.1 联合生产车间包括制造部恩度车间、质管部、技术中心、物控部仓库、联合车间西侧、北侧运行机房等区域。
联合车间房间号按照使用部门的功能区域划分,用 3 位数字表示,第 1 位为部门、区域号,第2、3 位为房间流水号。
部门、区域编号联合车间南侧公共区域1发酵、纯化车间2制剂车间3联合车间西侧、北侧运行机房等4仓库5质检中心6技术中心74.2.2.2 房间顺序编号原则恩度车间按照人流进入顺序进行编号,编号时在方位上把握“由南向北,先左后右”的原则;其他部门、区域房间按照“由南向北,先左后右”的原则依次编号。
4.2.3 维修车间、动物实验中心、危险品库、警卫室、污水站编号原则维修车间、危险品库房间编号由3 位流水号组成,第1 位表示楼层数;第2、3 位表示房间的顺序号。
1、目的:规范企业所有生产厂房房间及设备的编号方法,便于管理,并符合药品生产质量管理规范中的相关要求。
2、范围:适用于企业所有生产厂房房间及房间内设备的编号。
3、职责:生产部各生产车间负责对本规程进行实施,质管部、工程部对本规程的实施、执行进行监督。
4、内容:4.1生产厂房房间的编号管理4.1.1编号原则目前企业内生产厂房有固体制剂车间、中药提取车间、锭剂车间,对各车间房间进行编号时应根据管理需要所划分的房间进行逐一编号,确保所有生产厂房内的每个房间具有唯一的编号,且具有可追溯性,即通过编号能追溯到具体的某个生产厂房房间。
4.1.2编号方法固体制剂车间、锭剂车间均为单层楼结构,中药提取车间为三层楼结构,因此在对生产厂房房间进行编号时采用五位阿拉伯数字,编号表示如下:“×××××”,其中第一位数字代表生产厂房编号,对应关系如下:1表示固体制剂车间,2表示锭剂车间,3表示中药提取车间;第二位数字代表楼层编号,对应关系如下:1表示该厂房第一层,2表示该厂房第二层等等;第三~五位数字代表房间编号,对应关系如下:001代表该层楼第一个房间,002代表该层楼第二个房间等等。
举例“11004”代表固体制剂车间第一层楼的第4个房间。
4.1.3注意事项4.1.3.1随着企业的发展,如要新建生产厂房时按4.1.2方法进行编号,其中第一位阿拉伯数字应从4开始编号。
4.1.3.2如根据生产要求需对厂房房间名称变更时,可直接将名称进行变更,编号保持不变;如需将某个厂房房间变更为几个房间时,必须对增加的房间按4.1.2方法进行编号,保证每个房间编号的唯一性。
以上变更必须在厂房图纸、生产工艺规程、批生产记录中及时体现出来。
4.2设备的编号管理4.2.1编号原则在对生产厂房内设备进行编号时应根据厂房内各楼层的设备进行逐一编号,确保所有生产厂房内的每台设备具有唯一的编号,且具有可追溯性,即通过编号能追溯到该设备在具体的某个生产厂房某层楼上。
仓库规章制度内容和要求第一章总则第一条为规范仓库管理,提高仓库工作效率,保障仓库安全,特制定本规章制度。
第二条本规章制度适用于本仓库的所有工作人员,所有员工必须遵守并执行。
第三条本规章制度内容不断完善,仓库管理员有权根据实际情况对其进行调整和修订。
第四条本规章制度是仓库管理的基本依据,隐私信息仅在必要时被查阅和使用。
第五条对于违反本规章制度的行为,仓库管理员有权采取相应的处理措施。
第二章仓库管理原则第六条严格遵守仓库管理制度,杜绝规章制度盲目性,纪律性,规范性。
第七条要求各部门协调合作,共同维护仓库秩序,确保工作顺畅进行。
第八条做好仓库人员的安全教育培训工作,确保每位员工了解安全规章制度,避免事故发生。
第九条保护和维护仓库设备,确保仓库设备的正常运转。
第十条促进工作效率提高,提高工作质量,保证仓库工作有序进行。
第三章仓库安全管理第十一条仓库安全管理是仓库管理工作的重要方面,所有工作人员必须重视。
第十二条仓库内部设施必须定期检查维护,确保安全。
第十三条仓库内部要做好消防安全工作,保证消防设施完好有效。
第十四条严格规范仓库进出人员的管理,禁止无关人员进入仓库工作区域。
第十五条仓库安全事故发生后,要按照规定的程序及时报告并处理。
第四章物品管理第十六条严格遵守仓库物品管理规定,杜绝浪费和滥用。
第十七条对于放置在仓库内的物品要进行分类和编号管理,方便查找。
第十八条仓库内禁止存放易燃易爆和有毒有害的物品。
第十九条每个物品管理人员要负责相应的物品管理工作,确保物品安全。
第二十条物品报损或丢失及时报告,做好损失赔偿工作。
第五章仓库秩序管理第二十一条仓库内部要保持整洁有序,防止杂物乱堆乱放。
第二十二条仓库内设有指定储物位,存放物品时要按照规定的位置存放。
第二十三条仓库内禁止员工或访客擅自调换物品位置。
第二十四条仓库内所有人员必须遵守管制时间,不得擅自延误工作。
第二十五条仓库内有特殊需求的物品要按照规定的程序存储。
1.目的:建立厂房与设施标准管理规程,为药品生产提供良好的环境,防止厂房、设施污染和交叉污染,保证产品质量。
2。
范围:公司厂房和设施的管理。
3.责任:项目部、设备部、生产管理部、质量管理部.4.内容:4.1职责4。
1。
1厂房与设施的管理部门的职责包括:4.1.1。
1建立厂房与设施管理的各项规程。
4。
1.1。
2负责厂房与设施的管理,包括设计、安装、运行、维护、维修等。
4.1.1。
3协助质量管理部组织与厂房和设施有关的确认与验证工作.4.1。
1。
4负责厂房与设施的档案管理。
4。
1。
2厂房与设施使用部门的职责:4。
1.2.1负责按照文件规定使用、清洁、消毒厂房与设施。
4.1.2.2负责厂房与设施的使用、清洁、消毒等记录的管理.4.1。
3质量管理部门的职责:4.1。
3。
1对厂房与设施管理工作是否符合GMP的要求进行监督。
4.1。
3。
2负责对厂房的环境进行日常监测。
4。
2厂房与设施管理的基本要求。
4.2。
1厂房的选址、设计、布局、建造、改造和维护必须符合药品生产要求,应当能够最大限度地避免污染、交叉污染、混淆和差错,便于清洁、操作和维护。
4.2.2厂房的分区和基本要求。
4。
2.2。
1室外区,是厂区内部或外部无生产活动和更衣要求的区域。
通常与生产区不相连的办公室、机加工车间、动力车间、餐厅、卫生间等属于该区域。
4.2.2。
2一般区和保护区,也称非控制区,是厂房内部产品外包装操作和其他不将产品或物料明显暴露操作的区域,如外包装区、QC试验区、原辅料和成品储存区等。
(1)一般区:没有产品直接暴露或没有直接接触产品的设备和包材内表面直接暴露的环境,如无特殊要求的外包装区域,环境对产品没有直接或间接的影响,环境控制只考虑生产人员的舒适度。
(2)保护区:没有产品直接暴露或没有直接接触产品的设备和包材内表面直接暴露的环境,但该区域环境或活动可能直接或间接影响产品,如有温湿度要求的外包装区域、原辅料及成品库房、更衣室等。
目的
厂房操作间编码管理规程,确保企业的生产厂房的每个房间都有唯一的编码,便于查找。
范围:
本规程适用于公司所有生产区每个房间的编码管理。
责任人
设备部人员起草、设备部部长审核、主管设备经理批准,设备部、生产供应部、各生产车间执行。
内容
1.原则:每个厂房及厂房内的每个房间都具有一个唯一的编码,任何部门和个人不得随意修改。
如因厂房改造,内部房间发生变化,则由设备部人员进行申请批准后,进行修改。
2.车间厂房代码规定:
2.1前处理提取车间—QT
2.2固体制剂车间—GT
2.3针剂车间—ZJ
2.4非无菌原料药车间—FY
2.5无菌原料药车间—WY
2.6制水车间—ZS
2.7化验室—HY
2.8仓库—CK
2.9取样间—QY
2.10溶液剂车间—RY
3.洁净级别代码规定
3.1 A级洁净区—A
3.2 B级洁净区—B
3.3 C级洁净区—C
3.4 D级洁净区—D
3.5 一般生产区—E
4.流水号:用3位数字表示房间的顺序号。
5.厂房房间编号规则:
□□□—□□□□
↓↓↓
车间厂房级别流水号
例:QTD-2001表示中药前处理提取二车间D级区的第一个房间。
GTE-3005表示固体制剂三车间一般生产区的第5个房间。
6.相关记录
6.1厂房房间编号表
7.变更历史
附:固体制剂三车间房间编号一览表。
厂房工程管理制度第一章总则第一条本制度旨在规范厂房工程管理,促进厂房工程建设和维护工作的顺利进行,确保厂房设施的安全、可靠、经济和合理的使用。
第二条本制度适用于厂房工程的规划、设计、建设、验收、维护和管理等全过程,适用于所有参与厂房工程管理的相关人员。
第三条厂房工程管理应遵循安全第一、质量第一、顾客至上的原则,加强对厂房设施的保护和维护,确保生产安全和生产效率。
第四条厂房工程管理应严格执行相关法律法规和标准要求,加强工程设计、施工、验收和维护等全过程的管控,保证厂房设施的合法、合规和安全稳定。
第五条厂房工程管理应强化团队合作和协作,营造和谐的工作氛围,激发员工的主人翁意识和团队凝聚力,提高工程管理水平和效率。
第二章厂房工程管理组织机构第六条公司应设立厂房工程管理部门,负责制定和实施厂房工程管理制度,统一协调和监督各类厂房工程的规划、设计、建设和维护。
第七条公司应设立专职的工程总监,具备相关从业经验和专业技能,负责全面负责公司厂房工程管理的各项工作,确保工程项目的安全和高效进行。
第八条公司应设立多个厂房工程项目组,每个工程项目组设立项目负责人,负责工程项目的规划、设计、建设和验收,确保工程项目按时按质完成。
第九条公司应设立专门的工程技术部门,配备专业技术人员,负责对厂房工程进行技术支持和监督,提供专业的技术咨询和技术服务。
第十条公司应设立施工管理部门,负责施工工程的协调和管理,监督施工现场的安全和质量,确保施工工程按时按质完成。
第三章厂房工程管理流程第十一条厂房工程项目的流程包括规划阶段、设计阶段、施工阶段和验收阶段,每个阶段都必须按照规定的程序和要求进行。
第十二条规划阶段包括对厂房工程项目的需求进行分析和确定,编制项目规划书,明确工程项目的总体目标和要求,确定工程项目的实施方案。
第十三条设计阶段包括对工程项目进行详细设计和工程图纸编制,确保工程项目的优化设计和有效实施,同时考虑工程项目的安全和经济性。
物资编码管理实施细则范文一、引言物资编码管理是企业物资管理体系的重要组成部分,对于提高物资管理工作效率,优化资源配置,确保物资供应链的畅通起着至关重要的作用。
本文旨在制定物资编码管理实施细则,规范化企业物资编码管理工作,提高物资管理的效率和精确性。
二、编码规则制定1. 统一编码长度原则为保证编码的唯一性和规范性,统一采用13位数字编码,其中前两位表示物资大类别,后11位作为物资的子类别编码。
2. 分类编码原则按照物资的属性、用途和特点将物资进行分类编码,确保编码的科学性和可操作性。
例如:01表示原材料类,02表示辅助材料类,03表示设备材料类等。
3. 编码组织原则编码按照层级进行组织,确保编码的简洁明了和易于理解。
首先将各类别的编码分配一个大类别编码,再将每个大类别的编码按照子类别进行编码,以此类推。
4. 编码的可扩展性原则随着企业业务的发展和物资种类的增加,编码系统应具备良好的可扩展性,以满足未来物资编码管理的需求。
三、编码管理流程为确保物资编码管理的有效实施,明确编码管理工作的流程是必要的。
下面是一个简单的编码管理流程示意图:{流程图}1. 申请编码物资管理人员根据企业实际需求,向物资编码管理部门提出编码申请。
申请中应包含物资的基本信息,如名称、型号规格、用途等,并说明所属的大类别和子类别。
2. 编码审核物资编码管理部门对申请进行审核,确保申请信息的准确和完整性。
如果有需要补充或修改的地方,及时与申请人进行沟通,并要求其提供相关的补充材料。
3. 编码分配经过审核的申请将会被分配一个唯一的编码,根据编码规则中的层级关系进行分配。
同时,将编码记录在编码管理系统中,以备后续使用和查询。
4. 编码反馈将编码分配结果及时反馈给申请人,告知其所分配的编码,并说明相关的使用事项和注意事项。
5. 编码使用物资管理人员在采购、入库、出库等操作中,将所使用物资的编码记录在相应的操作记录中,以便后期管理和查询。
6. 编码变更若发生物资的名称、规格等信息发生变更,物资管理人员应及时向物资编码管理部门申请编码变更。
仓库规章制度和操作规程第一章绪论第一条为规范仓库管理,确保仓库安全,提高仓库运营效率,保障货物的保存和交付,特制定本规章制度和操作规程。
第二条本规程适用于公司仓库管理工作,对公司所有仓库(以下简称“本仓库”)相关工作人员具有约束力。
第三条仓库管理工作应当遵守国家相关法律法规和公司制度,保证货物的安全和完整。
第四条仓库管理工作应当遵循“安全第一、预防为主”的原则,加强安全管理,确保仓库和货物的安全。
第二章仓库管理机构和职责第五条本仓库设立管理委员会,负责仓库管理和监督工作的组织和协调。
第六条本仓库设立仓库管理员,负责具体的仓库管理工作,包括货物的入库、出库、存放和记录等。
第七条本仓库设立安全员,负责仓库的安全管理工作,包括货物的保护、防火、防盗等。
第八条本仓库设立记录员,负责记录货物的入库、出库、存放等情况,确保记录的准确性和完整性。
第九条本仓库设立检验员,负责对货物的质量进行检验,确保货物符合相关要求。
第十条仓库管理机构各部门之间应当相互配合,共同完成仓库管理工作。
第三章仓库设施和装备第十一条本仓库应当配备符合规定标准的仓库设施和装备,确保仓库的正常运作。
第十二条本仓库应当定期对设施和装备进行检查维护,确保设施和装备的安全和完好。
第十三条本仓库应当加强对设施和装备的使用培训,确保工作人员的安全操作。
第四章货物的入库和出库第十四条货物的入库应当按照相关规定进行,将货物存放至指定位置,并确保货物的安全。
第十五条货物的出库应当提前填写出库单,经相关审批程序后方可出库,同时填写出库记录。
第十六条货物出库后,应当按照规定的路径和高度搬运,确保货物的完整性。
第五章货物的存放管理第十七条货物的存放应当按照货物的性质、大小、重量等因素进行合理的分堆存放,规范堆码高度和堆码方式。
第十八条危险品、易燃易爆品等特殊货物应当单独存放,并标注警示标识,实行严格管控。
第十九条保鲜货物、易碎货物等需要特殊保护的货物应当放置在指定的区域,加强保护。
目的:规范车间、仓库区域房间编号管理规程。
范围:适用于各生产车间、仓库区域内的所有房间。
责任:生产部、质量管理部、设备部负责实施。
内容:
1、厂区建筑分布如下表:
2、各建筑内房间编号规则:建筑编号+该建筑楼层编号+3位顺序号;例:2A1001:表示2号楼A区1层仓库编号为001的房间。
3、房间应编有唯一号码,给定后不得更改,如因厂房改造,内部房间发生变化,则由设备部人员进行申请批准后,进行修改。
4、房间编号,可以用来说明物料、设备、设施等的位。
5、各建筑房间编号一览表;
5.1仓库房间编号一览表;
仓库房间编号一览表
5.2质检中心房间编号一览表
质检中心房间编号一览表
5.3制剂车间房间编号一览表
制剂车间房间编号一览表
5.4药材提取车间1层房间编号一览表
药材提取车间1层房间编号一览表
5.5药材提取车间2层房间编号一览表
药材提取车间2层房间编号一览表
5.6药材提取车间3层房间编号一览表
药材提取车间3层房间编号一览表
5.7药材磨粉车间1层房间编号一览表
药材磨粉车间1层房间编号一览表
5.8药材仓库2层房间编号一览表
药材仓库2层房间编号一览表
5、相关文件:
无
6、变更历史记录:
实用文档。
厂房、设施管理规程文件编号SOP 04-001-01 页码第1页共8页章节:厂房与设施题目:厂房、设施管理规程生效日期:年月日复审日期:年月日部门职务签名日期起草人审核人批准人分发部门:□质量部□生产部□物控部□办公室□工程部□销售部厂房、设施管理规程文件编号SOP 04-001-01 页码第2页共8页1目的规范厂房与设施的管理,确保厂房设施符合生产工艺实际要求和《药品生产质量管理规范(2010版)》要求,保障药品安全生产顺利进行。
2适用范围厂区内所有厂房及设施。
3责任人工程部负责制定和组织实施SOP 04-001-01《厂房、设施管理规程》,生产部及相关部门需按照本规程严格执行的责任4 内容4.1 厂房、设施的设计与布局4.1.1 办公区及改扩车间规划方案,必须按照《药品生产质量管理规范(2010版)》的要求进行。
生产、办公、生活和辅助区总体布局合理,不得相互妨碍。
4.1.2 生产厂房包括一般厂房和洁净厂房,厂房的设计和布局还必须符合生产要求和《药品生产质量管理规范(2010版)》要求。
4.1.3 生产厂房的布局原则:4.1.3.1 环境应整洁,路面及运输等对药品不产生污染,主要道路,应贯彻人流与物流分流的原则。
4.1.3.2按生产要求建立相应级别的洁净生产区域,并进行严格管理。
4.1.3.3 厂房内应按生产工艺流程及其所要求的空气洁净度等级进行合理的布局,有利于生产的操作,并能对生产过程进行有效的管理,防止人流、物流之间的混杂和交叉污染。
见SOP 09-111-01《洁净区卫生管理规程》。
4.1.3.4同一厂房内生产操作之间和相邻厂房之间的生产操作不应相互妨碍,减少人为差错,有效防止产品受到污染。
4.1.3.5 厂房应有防止昆虫和其它动物进入的设施。
见SOP 04-006-01《虫鼠等动物防范管理规程》。
厂房、设施管理规程文件编号SOP 04-001-01 页码第3页共8页4.1.3.6 设有与生产规模相适应的仓储区,仓储区应按存放物不同,设置不同的区域。
目的:规范车间、仓库区域房间编号管理规程。
范围:适用于各生产车间、仓库区域内的所有房间。
责任:生产部、质量管理部、设备部负责实施。
内容:
1、厂区建筑分布如下表:
2、各建筑内房间编号规则:建筑编号+该建筑楼层编号+3位顺序号;
例:2A1001:表示2号楼A区1层仓库编号为001的房间。
3、房间应编有唯一号码,给定后不得更改,如因厂房改造,内部房间发生变化,则由设备部人员进行申请批准后,进行修改。
4、房间编号,可以用来说明物料、设备、设施等的位。
5、各建筑房间编号一览表;
仓库房间编号一览表;
仓库房间编号一览表
质检中心房间编号一览表
质检中心房间编号一览表
制剂车间房间编号一览表
制剂车间房间编号一览表
药材提取车间1层房间编号一览表
药材提取车间1层房间编号一览表
药材提取车间2层房间编号一览表
药材提取车间2层房间编号一览表
药材提取车间3层房间编号一览表
药材提取车间3层房间编号一览表
药材磨粉车间1层房间编号一览表
药材磨粉车间1层房间编号一览表
药材仓库2层房间编号一览表
药材仓库2层房间编号一览表
5、相关文件:
无
6、变更历史记录:。