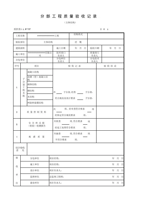
混凝土结构子分部工程观感质量检查记录
- 格式:doc
- 大小:450.50 KB
- 文档页数:15
桥梁工程单位(子单位)工程观感质量检查记录表编号:
填表说明
关于工程观感质量验收,这类检查往往难以定量,只能以观察、触摸或简单的量测方式进行。
(一)表格名称
表格名称不必填写单位(分部)工程名称。
(二)表头部分
工程名称、施工单位:与表G1-2要求相同。
(三)项目
本栏的项目是外观可查主要项目,除记录表格内已固定的项目外,可根据工程特殊性增减。
(四)抽查质量情况
检查质量情况是参加验收人员的客观评价,质量检查情况不能给出“符合要求”或“不符合要求”;而是对外观质量好的打“√”;外观质量一般的打“—”、外观质量差的打“×”。
(五) 质量评价
参加验收人员应对各检查项目进行质量评价,但评价结果不能给出“合格”或“不合格”,同样也以好“√”、一般“—”、差“×”来标注。
(六) 外观质量综合评价
外观综合评价是在各检查项目质量评价的基础上进行的,由验收小组商榷。
(七)结论
在各项质量评价及综合评价完成后,由施工单位项目经理提交总监理工程师或建设单位项目负责人组织审查,并在验收结论栏内,填上“通过验收”。
施工单位项目经理和总监理工程师(建设单位项目负责人)亲自签认,并负质量责任,以示本工程外观质量检查已通过验收。
子分部工程观感质量检验记录一、引言作为建筑工程管理的重要环节,子分部工程的观感质量检验具有至关重要的意义。
本文档旨在记录子分部工程观感质量检验的过程、结果及对应的整改措施,以保证工程质量的稳定提升。
二、检验目的子分部工程观感质量检验的主要目的是对建筑工程的外观质量、施工工艺、材料使用等进行评估,确保符合相关的设计规范和标准。
通过检验,不仅可以及时发现问题,还能提供合理的整改建议,保证工程质量的稳步改善。
三、检验内容1. 建筑外观质量a. 墙面:是否存在开裂、脱落、白垩现象等;b. 天花板:是否有凹凸不平、开裂、水印等;c. 地板:是否平整、无松动、有无裂缝等;d. 门窗:是否严密、正常开闭、有无水泡等。
2. 施工工艺a. 墙面腻子:厚度是否均匀、无松动、有无裂缝等;b. 页面施工:粉刷过程是否规范、刷涂是否均匀无漏涂等;c. 门窗安装:是否垂直水平、关合是否严密、玻璃是否有破损等。
3. 材料使用a. 墙砖:是否有色差、破损或错位现象等;b. 墙漆:密度是否均匀、无色差、无刷痕等;c. 地砖:规格是否一致、有无缝隙、有无掉角等;d. 石材:颜色、纹理是否统一、表面是否光滑无划痕等。
四、检验流程1. 准备工作为了确保检验顺利进行,事前需准备好以下工作:a. 检验人员名单及相关资质;b. 检验工具:测量工具、放大镜等;c. 检验标准:整理好相关的建筑工程质量检验标准。
2. 检验过程a. 由检验人员带领施工单位负责人一起进行检验;b. 检验人员按照检验内容逐一进行检查,并记录相关情况;c. 如果发现问题,立即指出并提出整改建议;d. 检验结束后,将检验记录整理归档。
五、结果分析根据检验记录,对子分部工程观感质量进行分析:1. 发现的问题和缺陷,涉及的范围和严重程度;2. 问题的原因分析和解决建议;3. 对于合格的部分,给予肯定和表扬,并提出进一步完善优化的建议。
六、整改措施针对检验中发现的问题和缺陷,编制整改措施,包括但不限于以下内容:1. 制定整改方案,明确整改责任人和整改时间;2. 落实整改措施,确保按时、按质完成;3. 加强施工单位的管理,提高质量控制意识;4. 在整改过程中,及时跟进和协调施工进度;5. 完成整改后,进行复检,确保问题得到解决。
地基与基础分部工程质量验收记录 TJ4.1.0
土方分部(子分部)工程质量验收记录统表1
土方开挖分项工程质量验收记录表统表2
土方回填分项工程质量验收记录表统表2
地基处理分部(子分部)工程质量验收记录统表1
碎石垫层分项工程质量验收记录表统表2
混凝土分部(子分部)工程质量验收记录统表1
基础模板分项工程质量验收记录表统表2
基础钢筋分项工程质量验收记录表统表2
基础混凝土分项工程质量验收记录表统表2
现浇结构分项工程质量验收记录表统表2
砌体分部(子分部)工程质量验收记录统表1
砌体分项工程质量验收记录表统表2
防水分部(子分部)工程质量验收记录统表1
卷材防水分项工程质量验收记录表统表2
卷材防水层分项工程检验批质量验收记录TJ4.1.33
涂料防水分项工程质量验收记录表统表2
涂料防水层分项工程检验批质量验收记录TJ4.1.34。
混凝土结构子分部工程观感质量检查记录
GB50300—2001
GB50204—2002
注:质量评价为差的项目,应进行返修。
厦门市建设工程质量安全监督站制混凝土结构子分部工程观感质量检查记录
GB50300—2001
GB50204—2002
注:质量评价为差的项目,应进行返修。
厦门市建设工程质量安全监督站制
混凝土结构子分部工程观感质量检查记录
GB50300—2001
GB50204—2002
注:质量评价为差的项目,应进行返修。
厦门市建设工程质量安全监督站制
混凝土结构子分部工程观感质量检查记录
GB50300—2001
GB50204—2002
注:质量评价为差的项目,应进行返修。
厦门市建设工程质量安全监督站制
混凝土结构子分部工程观感质量检查记录
GB50300—2001
GB50204—2002
注:质量评价为差的项目,应进行返修。
厦门市建设工程质量安全监督站制
混凝土结构子分部工程观感质量检查记录
GB50300—2001
GB50204—2002
注:质量评价为差的项目,应进行返修。
厦门市建设工程质量安全监督站制
混凝土结构子分部工程观感质量检查记录
GB50300—2001
GB50204—2002
注:质量评价为差的项目,应进行返修。
厦门市建设工程质量安全监督站制
混凝土结构子分部工程观感质量检查记录
GB50300—2001
GB50204—2002
注:质量评价为差的项目,应进行返修。
厦门市建设工程质量安全监督站
制
混凝土结构子分部工程观感质量检查记录
GB50300—2001 GB50204—2002
注:质量评价为差的项目,应进行返修。
厦门市建设工程质量安全监督站制
混凝土结构子分部工程观感质量检查记录
GB50300—2001
GB50204—2002
注:质量评价为差的项目,应进行返修。
厦门市建设工程质量安全监督站制。