浅基础设计指导书
- 格式:doc
- 大小:259.50 KB
- 文档页数:13
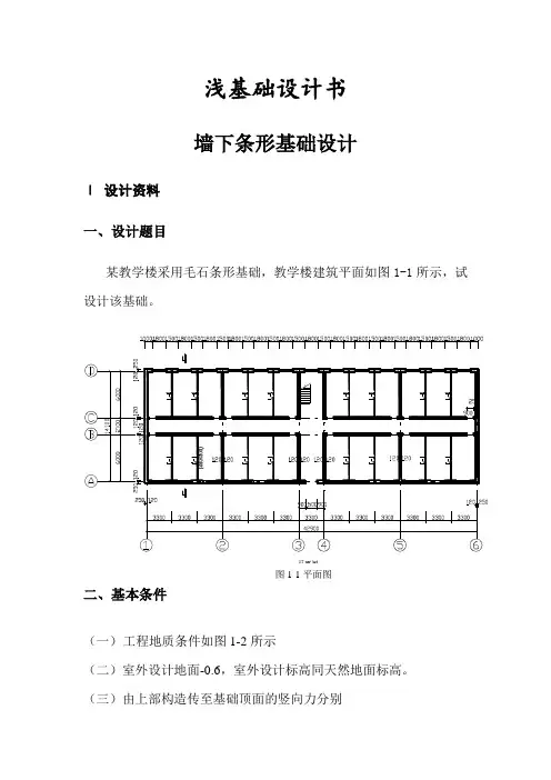
浅基础设计书墙下条形基础设计Ⅰ设计资料一、设计题目某教学楼采用毛石条形基础,教学楼建筑平面如图1-1所示,试设计该基础。
(一)工程地质条件如图1-2所示(二)室外设计地面-0.6,室外设计标高同天然地面标高。
(三)由上部构造传至基础顶面的竖向力分别1KF =558.57KN ∑外纵墙 2KF =168.61KN ∑山墙3K=F 162.68KN,∑内横墙4K F =1533.15KN ∑内纵墙。
图1-2 工程地质剖面图(四)基础采用M5水泥少浆砌毛石,标准冻深1.2m 。
Ⅱ 基础设计一、设计依据建筑结构荷载规范(GB 50009-2001) 砌体结构设计规范(GB 50003-2001) 建筑地基基础设计规范(GB 50007-2002) 房屋建筑制图统一标准(GB/T 50001-2001) 建筑结构制图标准(GB/T 50105-2001)2010年温州职业技术学院建筑工程系基础工程实训任务书二、设计步骤(一)荷载计算1、选定计算单元 取房屋中有代表性的一段作为计算单元 外纵墙:取两窗中心间的墙体 山墙、内横墙:分别取1m 内纵墙:取①-②轴之间两门中心间的墙体2、荷载计算 外纵墙:取两窗中心间的距离3.3m 为计算单元长度, 则 1K 1KF558.57KN F169.26KN/m 3.3m 3.3m∑===山墙:取1m 为设计单元宽度, 则 2K 2KF168.61KN F168.61KN /m 1m 1m∑===内横墙:取1m 为设计单元宽度, 则 3K 3KF162.68KN F162.68KN/m 1m 1m∑===内纵墙:取两门中心间的距离8.5m 则 4K 4KF1533.15KN F180.37KN/m 8.5m 8.5m∑===(二)(1)确定基础埋置深度d 考虑基础底面应位于冻结线下200mm ,故基础埋深为 0d=z 200mm (1200200)mm 1400mm +=+= (三)确定地基承载力特征值a f 假设b <3m ,因d=1.4m >0.5m , 故对地基承载力特征值只需进行深度修正3m 160.5180.917.29KN/1.4m γ⨯+⨯==[]m a ak d (d 0.5)196 1.617.29KPa=220.90KPa f f γη+-=+⨯=(1.4-0.5)(四)确定基础宽度、高度1、基础宽度 ( 0.6d 1.4m 1.7m 2=+=()) G 2G 3G 4G 1K12K3K4Ka a a a m 0.906m220.9020 1.7d 168.61m 0.902m220.9020 1.7d162.68m 0.870m220.9020 1.7d 180.37m 0.965m220.9020 1.7dF169.26f Ff Ff Ff b b b b γγγγ----≥==-⨯≥==-⨯≥==-⨯≥==-⨯外纵墙:山墙:内横墙:内纵墙:所有墙体基础宽度都取1.0m 。
2024年基础工程浅基础设计学习教案一、教学内容本节课选自《基础工程》教材第三章第三节——浅基础设计。
详细内容包括:浅基础的类型与构造、基础设计的基本原则、基础的受力分析、浅基础的设计方法及步骤。
二、教学目标1. 掌握浅基础的类型、构造及其适用条件;2. 理解基础设计的基本原则,能够运用到实际工程中;3. 学会基础的受力分析,能够进行浅基础的设计计算。
三、教学难点与重点难点:浅基础的设计方法及步骤;重点:浅基础的类型与构造、基础设计的基本原则、基础的受力分析。
四、教具与学具准备1. 教具:多媒体课件、板书工具;2. 学具:教材、计算器、草稿纸。
五、教学过程1. 实践情景引入(5分钟)通过展示实际工程中浅基础的应用案例,引导学生思考浅基础设计在实际工程中的重要性。
2. 知识讲解(15分钟)(1)浅基础的类型与构造;(2)基础设计的基本原则;(3)基础的受力分析。
3. 例题讲解(15分钟)以一道典型例题,详细讲解浅基础设计的步骤及方法。
4. 随堂练习(10分钟)学生独立完成随堂练习,巩固所学知识。
5. 课堂互动(5分钟)针对本节课的重点、难点内容,进行提问、答疑。
六、板书设计1. 浅基础的类型与构造;2. 基础设计的基本原则;3. 基础的受力分析;4. 浅基础设计方法及步骤。
七、作业设计1. 作业题目:(1)简述浅基础的类型及适用条件;(2)简述基础设计的基本原则;(3)计算一道浅基础设计题目。
2. 答案:(1)略;(2)略;(3)略。
八、课后反思及拓展延伸1. 反思:本节课学生对于浅基础设计的方法及步骤掌握程度如何,是否需要加强练习;2. 拓展延伸:引导学生了解深基础的设计方法,提高学生的综合能力。
重点和难点解析1. 浅基础设计的基本原则;2. 基础的受力分析;3. 浅基础设计方法及步骤;4. 作业设计。
一、浅基础设计的基本原则1. 安全性:基础设计应确保在所有可能的荷载组合下,基础及其上部结构的稳定性和安全性。
基础工程浅基础方案设计一、浅基础方案设计概述基础工程是建筑工程中最为重要的一部分,它是整个建筑物的支撑系统,承担着建筑物自重和荷载的传递和分散作用。
浅基础是一种常见的基础形式,它适用于土质较好的地基,无需深度挖掘,施工方便,造价低廉。
本文将对浅基础的一般设计原则、施工工艺和质量控制进行分析和阐述。
二、浅基础设计原则1. 地基条件分析在进行浅基础设计时,首先要对地基条件进行充分的分析。
要了解地基土的种类、力学特性、承载能力和不均匀性等情况,为后续的基础设计提供科学依据。
2. 荷载分析在设计浅基础时,要根据建筑物的荷载情况进行合理的分析和计算,以确定地基的承载能力,以免造成地基变形或沉降过大的情况。
3. 基础形式选择根据地基条件和荷载要求的分析结果,选用适当的基础形式,包括扩展基础、板式基础、条形基础和垫石基础等形式。
4. 基础尺寸设计在确定了基础形式后,要进行基础尺寸的设计,包括基础的宽度、长度和厚度等。
要根据土质的承载能力和建筑物的荷载情况来确定基础的尺寸。
5. 基础配筋设计为了增加基础的受力性能和抗震能力,一般要对基础进行配筋设计,使其能够承受一定范围内的变形和位移,并保证基础的整体稳定性。
6. 地下水处理对于地下水位较高的地区,要考虑地下水的渗透和排水问题,采用适当的排水措施,以确保基础土壤的稳定和安全。
三、浅基础施工工艺1. 地面准备在进行浅基础的施工前,要对地面进行清理、平整和压实处理,以确保基础施工的质量和安全。
2. 基坑开挖根据基础设计的要求,开挖基坑,同时要对基坑进行支护和排水处理,以确保基坑的稳定性。
3. 基础浇筑在进行基础浇筑时,要保证混凝土的质量和均匀性,同时要对混凝土进行充分的密实和振捣处理,以确保基础的牢固和坚实。
4. 设备安装在基础浇筑完成后,要进行相应的设备和设施的安装,包括支架、升降机等,以确保后续的建筑施工的顺利进行。
5. 浇灌养护在基础浇筑后,要进行充分的浇水养护,以确保混凝土的强度和耐久性,同时对基础进行保温和防冻处理。
基础工程浅基础设计学习优质教案一、教学内容本节课我们将学习《基础工程》教材第四章“浅基础设计”部分。
详细内容包括:浅基础的类型及结构特点,基础的构造和设计原则,浅基础的受力分析,以及基础的稳定性分析。
二、教学目标1. 让学生了解并掌握浅基础的定义、类型及结构特点。
2. 使学生理解基础的构造和设计原则,能够进行简单的浅基础设计。
3. 培养学生运用力学知识进行基础受力分析和稳定性分析的能力。
三、教学难点与重点教学难点:浅基础的受力分析及稳定性分析。
教学重点:浅基础的类型、构造和设计原则。
四、教具与学具准备1. 教具:PPT课件、基础工程案例图纸、力学计算器。
2. 学具:笔记本、教材、笔、计算器。
五、教学过程1. 导入:通过展示基础工程的实物图片,让学生直观地了解基础工程的概念,引出本节课的主题——浅基础设计。
2. 知识讲解:a. 浅基础的类型及结构特点b. 基础的构造和设计原则c. 浅基础的受力分析d. 基础的稳定性分析3. 例题讲解:讲解一道典型的浅基础设计题目,引导学生学会分析问题和解决问题。
4. 随堂练习:布置两道与例题类似的题目,让学生独立完成,巩固所学知识。
5. 课堂讨论:针对学生在练习中遇到的问题进行讨论,解答疑问。
六、板书设计1. 浅基础的类型及结构特点2. 基础的构造和设计原则3. 浅基础的受力分析4. 基础的稳定性分析七、作业设计1. 作业题目:a. 请简述浅基础的类型及结构特点。
2. 答案:八、课后反思及拓展延伸1. 反思:本节课学生对浅基础设计的基本概念和原理掌握情况较好,但在实际操作中仍存在一定问题,如受力分析不准确、稳定性分析不全面等。
2. 拓展延伸:鼓励学生在课后查阅相关资料,了解其他类型的基础设计,如深基础、桩基础等,提高自己的知识储备。
同时,布置一道综合性的设计题目,让学生尝试解决更复杂的问题。
重点和难点解析1. 浅基础的受力分析2. 基础的稳定性分析3. 例题讲解与随堂练习的设计4. 作业设计中的综合应用题一、浅基础的受力分析1. 基础所受主要力:包括垂直荷载、水平荷载、弯矩、剪力等。
浅基础课程设计任务书——十字交叉条形基础设计一、计算内容1.1 基础埋深的确定 1.2 地基承载力确定1、承载力公式法0b d c k f M b M d M c γγ=++适应范围:偏心距0.033e b ≤,并应满足变形要求。
2、(3)(0.5)k b d m f f b d ηγηγ=+-+- d 取室外地面标高;填土地面标高;天然地面标高;室内地面标高。
当 1.1k f f <时,取 1.1k f f =。
1.3 基础底面尺寸的确定假定横向、纵向基础底面宽度相同,按总荷载来确定基础底面宽度biiF b L=∑∑,注意十字交叉处不能重复计算长度,适当扩大10-30%。
条形基础:b ≥df FG γ-1.4 地基承载力验算(一)十字交叉条形基础的柱荷载分配1、节点荷载在两个正交条形基础梁上的分配必须满足两个条件: A 、静力平衡:i iX iY P P P =+B 、变形协调:ix iy ωω=,节点上的弯矩x y M M 、直接加于相应方向的基梁上,不作分配,即不考虑基础梁承受扭矩。
C 、通常,采用文克勒地基模型,略去本节点荷载对其它点挠度的影响。
内柱节点:两条正交的无限长梁计算 角柱节点:两条正交的半无限长梁计算边柱节点:正交的一无限长梁和半无限长梁计算 2、荷载分配 (1)边柱节点:(x 方向为无限长梁;y 方向为办无限长梁)441; 4x x ix ix x y y y y iy i xx x y y x b S P P b S b S b S P P S b S b S λ⎧=⎪+⎪⎨⎪===⎪+⎩对于边柱有伸出悬臂长度的情况,悬臂长度(0.60.75)y y l S =-,假定y 方向外伸,则有:; x x ix ix x y y y y y x iy i x x y y y x b S P P b S b S b S l l P P b S b S S S αααα⎧=⎪+⎪⎨⎪=⎪+⎩由、之比查表确定(2)、内柱节点:1; x x ix ix x y y y y iy i xx x y y x b S P P b S b S b S P P S b S b S λ⎧=⎪+⎪⎨⎪===⎪+⎩(3)、角柱节点:A 、双向均不外伸时,计算方法同内柱节点B 、双向均外伸,且x xy yl S l S =时,荷载分配同内柱节点 C 、若只有一个方向外伸(x 方向外伸)时:; x x ix ix x y y y y x iyi x x y y x b S P P b S b S b S l P P b S b S S ββββ⎧=⎪+⎪⎨⎪=⎪+⎩由之比查表确定(二)单向条形基础地基强调和变形验算max ; 1.2a a F Gp f p f A+=≤≤ max min6(1)LG P e p bLL+=±∑; L M e P G==+∑∑∑外力对基底形心力矩和基底反力之和当偏心距max 2(),63(/2)x x b F G e p l b e +>=-(三)软弱下卧层的承载力验算如在地基变形计算深度范围内有软弱下卧层时,还需对其验算承载力(见图),使作用在下卧层顶面的总应力不超过下卧层的承载力,即cz z σσ+≤f z式中,γ软弱下卧层以上各土层加权平均重度(kN/m 3); z 基础底面到软弱下卧层顶面处的距离(m );f z 软弱下卧层顶面处经深度修正后的地基承载力设计值(kPa ); z σ软弱下卧层顶面处的附加应力设计值(kPa );对条形基础:z σ=()θσztg b p b c 2+-对矩形基础,z σ=()()θθσztg l ztg b p bl c 2)2(++- (2.8-22)式中的θ为地基压力扩散线与竖直线的夹角,其值由有关表给出。
第二章浅基础设计的基本原理
二、基础方案与基础布置
1. 浅基础设计考虑的因素
2. 浅基础的分类
3. 各种类型基础的特点
4. 基础埋置深度
(一)概述
1. 浅基础的定义
通常将基础的埋置深度小于基础最小宽度,且只需经过挖槽、排水等普通施工程序就可建造的基础称作浅基础。
2. 浅基础的荷载传递
荷载基底压力
地基
上部结构基础应力和变形
3. 地基基础设计考虑的主要因素
基础设计时,除应保证基础结构本身具有足够的强度和刚度外,同时还须选择合理的基础尺寸和布置方案,使地基的反力和沉降在允许的范围之内。
基础设计包括地基与基础两部分,常称为地基基础设计。
浅基础设计时应考虑的主要因素
✓(1)建筑基础所用的材料及基础的结构型式;
✓(2)基础的埋置深度;
✓(3)地基土的承载力;
✓(4)基础的形状、尺寸和布置,以及与相邻基础、地下构筑物和地下管道的关系;
✓(5)上部结构类型、使用要求及对不均匀沉降的敏感性;
✓(6)
施工期限、施工方法及所需的施工设备等。
地基基础设计是一项复杂且细致的工作,为了能找到最为合理和有利的设计方案,必须综合考虑这些相互关联的因素,做到优化设计。
如何优化设计?。
《土力学与地基基础》课程设计第一部分墙下条形基础课程设计一、墙下条形基础课程设计任务书(一)设计题目某教学楼采用毛石条形基础,教学楼建筑平面如图1所示,试设计该基础。
图1 建筑平面图(二)设计资料⑴工程地质条件如图2所示。
图2工程地质剖面图⑵室外设计地面-0.6m,室外设计地面标高同天然地面标高。
⑶由上部结构传至基础顶面的竖向力值分别为外纵墙∑F1K=558.57kN,山墙∑F2K=168.61kN,内横墙∑F3K=162.68kN,内纵墙∑F4K=1533.15kN。
⑷基础采用M5水泥砂浆砌毛石,标准冻深为1.2m。
(三)设计内容⑴荷载计算(包括选计算单元、确定其宽度)。
⑵确定基础埋置深度。
⑶确定地基承载力特征值。
⑷确定基础的宽度和剖面尺寸。
⑸软弱下卧层强度验算。
⑹绘制施工图(平面图、详图)。
(四)设计要求⑴计算书要求书写工整、数字准确、图文并茂。
⑵制图要求所有图线、图例尺寸和标注方法均应符合新的制图标准,图纸上所有汉字和数字均应书写端正、排列整齐、笔画清晰,中文书写为仿宋字。
二、墙下条形基础课程设计指导书(一)荷载计算1.选定计算单元对有门窗洞口的墙体,取洞口间墙体为计算单元;对无门窗洞口的墙体,则可取1m 为计算单元(在计算书上应表示出来)。
2.荷载计算计算每个计算单元上的竖向力值(已知竖向力值除以计算单元宽度)。
(二)确定基础埋置深度dGB50007-2002规定d min=Z d-h max或经验确定d min=Z0+(100~200)mm。
式中Z d——设计冻深,Z d=Z0·ψzs·ψzw·ψze;Z0——标准冻深;ψzs——土的类别对冻深的影响系数,按规范中表5.1.7-1;ψzw——土的冻胀性对冻深的影响系数,按规范中表5.1.7-2;ψze——环境对冻深的影响系数,按规范中表5.1.7-3;(三)确定地基承载力特征值fa式中f a——修正后的地基承载力特征值(kPa);f ak——地基承载力特征值(已知)(kPa);ηb、ηb——基础宽度和埋深的地基承载力修正系数(已知);γ——基础底面以下土的重度,地下水位以下取浮重度(kN/m3);γm——基础底面以上土的加权平均重度,地下水位以下取浮重度(kN/m3);b——基础底面宽度(m),当小于3m按3m取值,大于6m按6m取值;d——基础埋置深度(m)。
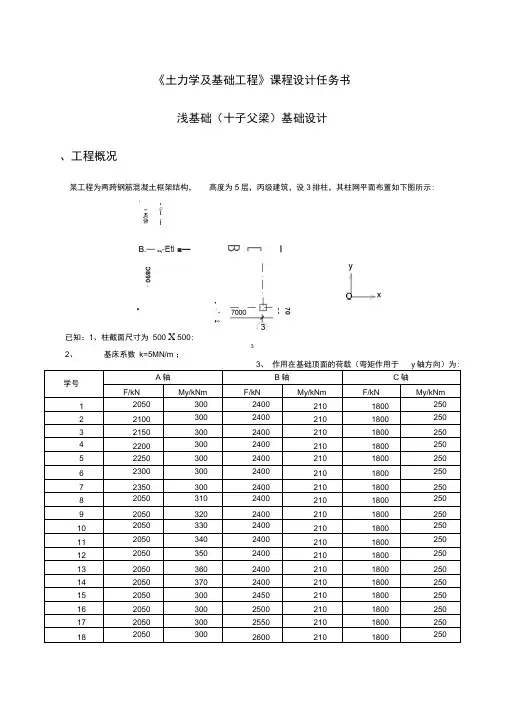
《土力学及基础工程》课程设计任务书浅基础(十子父梁)基础设计、工程概况某工程为两跨钢筋混凝土框架结构,高度为5层,丙级建筑,设3排柱,其柱网平面布置如下图所示:已知:1、柱截面尺寸为 500 X 500;32、 基床系数 k=5MN/m ;3、 作用在基础顶面的荷载(弯矩作用于y 轴方向)为: 学号A 轴B 轴C 轴F/kN My/kNmF/kN My/kNmF/kN My/kNm1 2050 3002400 210 1800 2502 2100 300 2400 210 1800 2503 2150 300 2400 210 1800 2504 2200 300 2400 210 1800 2505 2250 300 2400 210 1800 2506 2300 300 2400 210 1800 2507 2350 300 2400 210 1800 2508 2050 310 2400 210 1800 2509 2050 320 2400 210 1800 250 10 2050 330 2400 210 1800 250 11 2050 340 2400 210 1800 250 12 2050 350 2400 210 1800 250 13 2050 360 2400 210 1800 250 14 2050 370 2400 210 1800 250 15 2050 300 2450 210 1800 250 16 2050 300 2500 210 1800 250 172050300 2550 210 1800 250 18205030026002101800250—Cp ——-——一 H056CB.— ■九-Etl ■—-[BOB90 -A7000L•“ 2、工程地质条件地表以下土层构成如下:1、人工填土0.0〜-1.2m ;粘性土-1.2〜-7.2m ;细砂-7.2m以下;地下水位在细砂层以下;标准冻深为0.60m。
《土力学与地基基础》课程设计第一部分墙下条形基础课程设计一、墙下条形基础课程设计任务书(一)设计题目某教学楼采用毛石条形基础,教学楼建筑平面如图1所示,试设计该基础。
图1 建筑平面图(二)设计资料⑴工程地质条件如图2所示。
图2工程地质剖面图⑵室外设计地面-0.6m,室外设计地面标高同天然地面标高。
⑶由上部结构传至基础顶面的竖向力值分别为外纵墙∑F1K=558.57kN,山墙∑F2K=168.61kN,横墙∑F3K=162.68kN,纵墙∑F4K=1533.15kN。
⑷基础采用M5水泥砂浆砌毛石,标准冻深为1.2m。
(三)设计容⑴荷载计算(包括选计算单元、确定其宽度)。
⑵确定基础埋置深度。
⑶确定地基承载力特征值。
⑷确定基础的宽度和剖面尺寸。
⑸软弱下卧层强度验算。
⑹绘制施工图(平面图、详图)。
(四)设计要求⑴计算书要求书写工整、数字准确、图文并茂。
⑵制图要求所有图线、图例尺寸和标注方法均应符合新的制图标准,图纸上所有汉字和数字均应书写端正、排列整齐、笔画清晰,中文书写为仿宋字。
二、墙下条形基础课程设计指导书(一)荷载计算1.选定计算单元对有门窗洞口的墙体,取洞口间墙体为计算单元;对无门窗洞口的墙体,则可取1m 为计算单元(在计算书上应表示出来)。
2.荷载计算计算每个计算单元上的竖向力值(已知竖向力值除以计算单元宽度)。
(二)确定基础埋置深度dGB50007-2002规定d min=Z d-h max或经验确定d min=Z0+(100~200)mm。
式中Z d——设计冻深,Z d=Z0·ψzs·ψzw·ψze;Z0——标准冻深;ψzs——土的类别对冻深的影响系数,按规中表5.1.7-1;ψzw——土的冻胀性对冻深的影响系数,按规中表5.1.7-2;ψze——环境对冻深的影响系数,按规中表5.1.7-3;(三)确定地基承载力特征值fa式中f a——修正后的地基承载力特征值(kPa);f ak——地基承载力特征值(已知)(kPa);ηb、ηb——基础宽度和埋深的地基承载力修正系数(已知);γ——基础底面以下土的重度,地下水位以下取浮重度(kN/m3);γm——基础底面以上土的加权平均重度,地下水位以下取浮重度(kN/m3);b——基础底面宽度(m),当小于3m按3m取值,大于6m按6m取值;d——基础埋置深度(m)。
(四)确定基础的宽度、高度b≥H0≥式中F k——相应于荷载效应标准组合时,上部结构传至基础顶面的竖向力值(kN)。
当为柱下独立基础时,轴向力算至基础顶面,当为墙下条形基础时,取1m长度的轴向力(kN/m)算至室地面标高处;——基础及基础上的土重的平均重度,取=20 kN/m3;当有地下水时,取γ'=20-9.8=10.2 kN/m3;——计算基础自重及基础上的土自重G K时的平均高度(m)。
b2——基础台阶宽度(m);H0——基础高度(m)。
(五)软弱下卧层强度验算如果在地基土持力层以下的压缩层围存在软弱下卧层,则需按下式验算下卧层顶面的地基强度,即≤式中p z——相应于荷载效应标准组合时,软弱下卧层顶面处的附加应力值(kP a);p cz——软弱下卧层顶面处土的自重压力标准值(kP a);f az——软弱下卧层顶面处经深度修正后的地基承载力特征值(kP a)。
(六)绘制施工图(2号图纸一)合理确定绘图比例(平面图1:100、详图1:20~1:30)、图幅布置;符合《建筑制图标准》。
三、参考文献1.中华人民国国家标准.建筑地基基础设计规(GB 50007-2002).:,20022.维东主编.土力学与地基基础.:机械工业,20033.中华人民国国家标准.砌体结构设计规(GB50003-2001).:,20024.克仁主编.地基与基础.,1993四、设计实例1.设计题目某四层教学楼,平面布置图如图4-1所示。
梁L-1截面尺寸为200mm×500mm,伸入墙240 mm,梁间距为3.3 m,外墙及山墙的厚度为370 mm,双面粉刷,本教学楼的基础采用毛石条形基础,标准冻深为 1.2m。
由上部结构传至基础顶面的竖向力值分别为外纵墙∑F1K=558.57kN,山墙∑F2K=168.61kN,横墙∑F3K=162.68kN,纵墙∑F4K=1533.15kN。
2.工程地质情况该地区地形平坦,经地质勘察工程地质情况如图4-2所示,地下水位在天然地表下8.5m,水质良好,无侵蚀性。
3.基础设计⑴荷载计算1)选定计算单元取房屋中有代表性的一段作为计算单元。
如图3所示。
外纵墙:取两窗中心间的墙体。
纵墙:取①—②轴线之间两门中心间的墙体。
山墙、横墙:分别取1 m宽墙体。
图3 墙的计算单元2)荷载计算外纵墙:取两窗中心线间的距离3.3 m为计算单元宽度则山墙:取1 m为计算单元宽度则横墙:取1 m为计算单元宽度则纵墙:取两门中心线间的距离8.26m为计算单元宽度则⑵确定基础的埋置深度dd=Z0+200 =(1200 +200)mm=1400 mm⑶确定地基承载特征值f a假设b<3m,因d=1.4m>0.5m故只需对地基承载力特征值进行深度修正⑷确定基础的宽度、高度1)基础宽度外纵墙:b1≥山墙:b2≥横墙:b3≥纵墙:b4≥故取b=1.2m<3m,符合假设条件。
2)基础高度基础采用毛石,M5水泥砂浆砌筑。
横墙和纵墙基础采用三层毛石,则每层台阶的宽度为(符合构造要求)查GB50007-2002允许台阶宽高比[b2/H0=1/1.5],则每层台阶的高度为H0≥综合构造要求,取H0=0. 4m。
最上一层台阶顶面距室外设计地坪为(1. 4-0. 4×3)m = 0.2m>0.1m故符合构造要求。
(如图4所示)外纵墙和山墙基础仍采用三层毛石,每层台阶高0. 4m,则每层台阶的允许宽度为b≤又因单侧三层台阶的总宽度为(1.2-0.37)m /2=0.415 m故取三层台阶的宽度分别为0.115 m、0.15 m、0.15 m,均小于0.2m(符合构造要求)最上一层台阶顶面距室外设计地坪为(1.4-0.4×3)m = 0.2m>0.1m符合构造要求。
(如图5所示)图4 墙基础详图图5 外墙基础详图⑸软弱下卧层强度验算1)基底处附加压力取纵墙的竖向压力计算2)下卧层顶面处附加压力因Z/b=4.1/1.2=3.4>0.5,E s1/E s2=10/2=5故由GB50007-2002中表5.2.7查得θ=25°则3)下卧层顶面处自重压力4)下卧层顶面处修正后的地基承载力特征值5)验算下卧层的强度<=177.1kN/m2符合要求。
第二部分柱下钢筋混凝土独立基础设计一、柱下钢筋混凝土独立基础设计任务书(一)设计题目某教学楼为四层钢筋混凝土框架结构,采用柱下独立基础,柱网布置如图4-7所示,试设计该基础。
(二)设计资料⑴工程地质条件该地区地势平坦,无相邻建筑物,经地质勘察:持力层为粘性土,土的天然重度为18 kN/m3,地基承载力特征值f ak=230kN/m2,地下水位在-7.5m处,无侵蚀性,标准冻深为1.0m(根据地区而定)。
⑵给定参数柱截面尺寸为350mm×500mm,在基础顶面处的相应于荷载效应标准组合,由上部结构传来轴心荷载为680kN,弯矩值为80kN·m,水平荷载为10kN。
⑶材料选用混凝土:采用C20(可以调整)(f t=1.1N/mm2)钢筋:采用HPB235(可以调整)(f y=210 N/mm2)(三)设计容⑴确定基础埋置深度⑵确定地基承载力特征值⑶确定基础的底面尺寸⑷确定基础的高度⑸基础底板配筋计算⑹绘制施工图(平面图、详图)(四)设计要求⑴计算书要求书写工整、数字准确、图文并茂。
⑵制图要求所有图线、图例尺寸和标注方法均应符合新的制图标准,图纸上所有汉字和数字均应书写端正、排列整齐、笔画清晰,中文书写为仿宋字。
⑶设计时间三天。
二、柱下钢筋混凝土独立基础课程设计指导书(一)确定基础埋置深度d同前所述(二)确定地基承载特征值f a同前所述(三)确定基础的底面面积A≥式中各符号意义同前所述(四)持力层强度验算≤1.2f a≤f a式中p k——相应于荷载效应标准组合时,基础底面处的平均压力值(kPa);p kmax——相应于荷载效应标准组合时,基础底面边缘的最大压力值(kPa);p kmin——相应于荷载效应标准组合时,基础底面边缘的最小压力值(kPa);F k——相应于荷载效应标准组合时,上部结构传至基础顶面的竖向力值kN);G k——基础自重和基础上的土重(kN);A——基础底面面积(m2);e0——偏心距(m);f a——修正后的地基承载力特征值(kPa);l——矩形基础的长度(m)。
(五)确定基础的高度F l≤0.7式中F l——相应于荷载效应基本组合时作用在A l上的地基土净反力设计值(kN);βhp——受冲切承载力截面高度影响系数,当h不大于800mm时,βhp取1.0;当大于等于2000mm时,βhp取0.9,其间按线性插法取用;f t——混凝土轴心抗拉强度设计值(kPa);a m——冲切破坏锥体最不利一侧计算长度(m);h0——基础冲切破坏锥体的有效高度(m)。
(六)底板配筋计算;;式中A sI、A sII——分别为平行于l、b方向的受力钢筋面积(m2);M I、M II——分别为任意截面I-I、II-II处相应于荷载效应基本组合时的弯矩设计值(kN·m);l、b——分别为基础底面的长边和短边(m);f y——钢筋抗拉强度设计值(N/mm2);p jmax、p jmin——相应于荷载效应基本组合时的基础底面边缘最大和最小地基净反力设计值(kPa);p jI、p jII——任意截面I-I、II-II处相应于荷载效应基本组合时的基础底面地基净反力设计值(kPa);a z、b z——分别为平行于基础长边和短边的柱边长(m);(七)绘制施工图(2号图纸一)合理确定绘图比例(平面图1:100、详图1:20~1:30)、图幅布置;符合《建筑制图标准》。
三、参考文献1.中华人民国国家标准.建筑地基基础设计规(GB 50007-2002).:,20022.维东主编.土力学与地基基础.:机械工业,20033.中华人民国国家标准.砌体结构设计规(GB50003-2001).:,20024.克仁主编.地基与基础.,1993四、设计实例1.设计题目某教学楼为四层钢筋混凝土框架结构,采用柱下独立基础,柱网布置如图7所示,在基础顶面处的相应于荷载效应标准组合,由上部结构传来的轴心荷载为680kN,弯矩值为80kN·m,水平荷载为10kN。
柱永久荷载效应起控制作用,柱截面尺寸为350mm×500mm,试设计该基础。