实验报告模版7(功率分配器)
- 格式:doc
- 大小:27.59 KB
- 文档页数:3
太原理工大学现代科技学院微波技术与天线课程实验报告专业班级学号姓名指导教师实验名称 功率分配器的测量 同组人 专业班级 学号 姓名 成绩当一路传输线要分成多路时,就得用上功率分配器。
常用的为等功率分配器,最简单的是两路。
功率器反过来也作合成器用,这里只谈功分器。
功率器有如下几项指标: 主路驻波比 各支路端接匹配负载时,由主路测出的驻波比。
各支路的衰减与差损 衰减为理论值,实测值与理论值之差为差损。
各支路的隔离度 在主路端接匹配负载后,两支路之间的差损为隔离度。
各支路的相移差 有的功分器有此要求。
一、实验目的 了解功分器的外部特性,知道各个指标的测量方法。
二、实验准备 PNA362X 及全套附件,两路功分器一只,负载两只。
按功分器的使用频率设置扫频方案。
点数不要超过21点,否则数据太多。
三、测量步骤 1、主路驻波比测量 仪器按上图测回损连接,电桥测试端口街上双阳连接器一只,即以双阳为新的测试端口,按执行键校开路; 在双阳口上接上阴短路器,按执行键校短路。
要求高时,可用阴短路负载进行校零; 拔下短路器,接上功分器的主路输入插座,各支路端接匹配负载。
此时屏幕……………………………………装………………………………………订…………………………………………线………………………………………上已出现输入阻抗轨迹,看不清时可按↓键换挡。
按菜单键,选驻波返回。
看不清是可按↓键换挡;记录。
2、各支路的幅相特性仪器按测插损连接,在仪器输出口上各接一根短电缆。
两电缆末端各接一只10dB衰减器,再用一个双阴连接起来;按执行键校直通,再按菜单键选相损返回;拔下双阴,将两根电缆带衰减器的一端,分别接到功分器的主路与某一支路上,另一支路接上匹配负载。
记下插损和相位;交换两支路的连接,记下插损和相位。
3、两只路的幅相差异两只路的幅相差异可通过上述数据进行计算,但最好用下法进行测量。
保持前面主路进,某一支路出的接法不变,按复位键复位后校直通;交换两只路的连接,记下另一路的插损和相位。
探究功率的实验报告通过判断不同电器设备的功率大小,从而探究功率与电器设备的关系。
实验原理:功率指的是单位时间内完成的功,计算公式为P=W/t,其中P代表功率,W代表功,t代表时间。
功的计算公式为W=F·s,其中F代表力,s代表位移。
在实验中,我们假设力是恒定的,因此功可以简化为W=F·s=mg·h,其中m代表物体质量,g代表重力加速度,h代表物体的高度。
根据功率的定义可知,功率与物体重力加速度和高度有关。
实验材料:1. 不同功率的电器设备2. 电源3. 电线4. 电流表5. 电压表6. 称重器实验步骤:1. 将不同功率的电器设备连接到电源上,确保电线连接良好。
2. 使用电流表和电压表分别测量电流和电压,并记录下来。
3. 使用称重器测量电器设备的质量,并记录下来。
4. 计算每个电器设备的功率,公式为P=VI,其中P代表功率,V代表电压,I 代表电流。
5. 根据实际情况,调整电器设备的高度,重新使用称重器测量质量,并记录下来。
6. 计算每个电器设备在不同高度上的功率。
7. 分析数据,观察功率和电器设备的关系。
实验结果与分析:根据实验数据,我们可以得出以下结论:1. 电器设备的功率与电流和电压的乘积成正比。
当电流或电压增大时,功率也会增大。
2. 电器设备的功率与物体的质量、重力加速度、高度有关。
当质量、重力加速度或高度增大时,功率也会增大。
3. 不同功率的电器设备在相同的高度上具有不同的功率。
功率越大的电器设备在相同的高度上完成的功就越多。
实验结论:根据实验数据和分析结果,我们可以得出以下结论:1. 功率与电流和电压的乘积成正比。
当电流或电压增大时,功率也会增大。
2. 功率与物体的质量、重力加速度、高度有关。
当质量、重力加速度或高度增大时,功率也会增大。
3. 不同功率的电器设备在相同的高度上具有不同的功率。
功率越大的电器设备在相同的高度上完成的功就越多。
实验思考与改进:1. 在实验中,我们没有考虑电器设备的效率。
微波_功分器实验报告实验目的:1.了解微波功分器的工作原理,掌握功分器的性能参数。
2.研究功分器的插入损耗、反射系数和隔离度等参数的测量方法,掌握相应的测量技术。
3.通过实验,掌握测量设备的使用方法,锻炼动手能力,提高实际操作技能。
4.对测量结果进行分析,探究实验误差的来源及对误差进行处理和评估。
实验原理:功分器是微波电路中常用的无源器件之一,用来将输入信号分配到多个输出端口上。
功分器的基本结构如下图所示:功分器的输入端口和输出端口都是50欧姆特性阻抗,一般有平衡和非平衡两种结构。
功分器在实际使用中的性能参数有:通带的插入损耗,反射系数和隔离度。
1.插入损耗是功分器的一个重要性能指标,它是指功分器在工作频率范围内,输人信号与各个输出端口之间的实际损耗。
用dB表示。
2.反射系数是指功分器各个端口反射回来的电磁波与输入电磁波之间的幅度比值,反射系数越小,功分器的性能越好。
3.隔离度是指在功分器输出端口之间的幅度相互影响的程度,没有相互影响的功分器,其隔离度应大于 20 dB。
用dB表示。
1.微波功分器XZ-30422. 微波定向耦合器K1C-0633. 各种线缆、连接器和HPC卡4. 网络分析仪E5100A实验步骤:1.将微波功分器与端口1连接。
使用E-5100A网络分析仪测量功分器的S参数。
2.用1端口连接K1C-063定向耦合器,定向耦合器的(C)端口接1端口。
调节定向耦合器的旋钮,得到输入端的测试点的S参数。
3.用网络分析仪分别测量功分器的各个端口的S参数,在频率范围内采集充分的数据集,以作后续分析和处理。
实验结果:1.测量功分器的S参数,绘制功分器的频率响应曲线,得到功分器的通带和阻带频率。
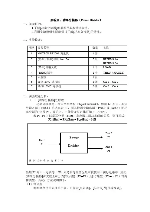
实验四:功率分接器(Power Divider )一、实验目的:1.了解[功率分接器]的原理及基本设计方法。
2.利用实验模组实际测量以了解[功率分接器]的特性。
二、实验设备:项次 设备名称 数量 备注1 MOTECH RF2000 测量仪 1套2 [功率分接器]模组1A 、2A 2组 RF2KM4-1ARF2KM4-2A 3 [50Ω]终端负载 1个 LOAD4 [THRU]端子 1个 THRU (RF2KM )5 示波器1台6 50Ω BNC 连接线 2条 CA-1、CA-2 71M Ω BNC 连接线2条CA-3、CA-4三、实验理论分析:(一)[功率分接器]之原理功率分接器是三端口网络结构(3-port network ),如图4-1所示。
其信号输入端(Port-1)的功率为P1,而其他两个输出端(Port-2及Port-3)的功率分别为P2及P3。
理论上,由能量守恒定律可知P1=P2+P3。
若P2=P3并以毫瓦分贝(dBm )来表示三端功率间的关系,则可写成: P2(dBm) = P3(dBm) = P in (dBm) – 3dB当然P2并不一定要等于P3,只是相等的情况最常被使用于实际电路中。
因此,[功率分接器]在大致上可分为[等分型](P2=P3)及[比例型](P2=K ·P3)等两种类型。
其设计方法说明如下: (1)等分型根据电路使用元件的不同,可分为[电阻式]、[L-C 式]及[传输线式]。
PowerDivider Port-1 P1Port-2 P2 Port-3 P3 图 4-1:[功 率 分 接 器 ] 方A. 电阻式此种电路仅利用电阻来设计。
按结构可分成[Δ形],[Y 形],如图4-2(a)(b)所示。
其中Zo 即是电路特性阻抗(Characteristic Impedance ),在高频电路中,在不同的使用频段,电路中的特性阻抗不相同。
在本实验中,皆以50Ω为例。
实验四射频功率分配器实验一、实验目的1、了解射频功率分配器电路的原理及设计方法。
2、学习使用ADS软件进行射频功率分配器电路的设计、优化、仿真。
3、掌握射频功率分配器的制作及调试方法。
二、实验原理1、功率分配器的工作原理在实际应用中,有时需要将信号源的功率分别馈送给若干个分支电路(负载),就是说,进行功率分配,实现这种功能的射频器件就称为功率分配器。
由于功率分配器一般为满足互易定理的无源网络,所以功率分配器与合成器是等价的。
根据输出功率的比例,微波功率分配器有等分功率与不等分功率两类。
当一个微波功率平均分成n路时,称为n路等分功率分配器,反之,称为n路不等分功率分配器。
微波功率分配器在微波天线的馈线中和微波仪表中都得到了应用。
大功率微波功率分配器采用同轴线结构,中小功率微波功率分配器采用带状线或微带线结构。
功率分配器的具体结构型式很多,最常用的是采用4/4阻抗变换段的功率分配器,一般来说功率分配器都是相等的,图4-1所示的是两路微带功率分配器的结构。
两个分支臂长都为4/4,是完全对称的结构,对称性保证输入功率将平均分配于两个输出端,得到同相同模的输出。
两分支臂之间接有隔离电阻R,是为了保证两个输出端口的隔离。
当两个输出端口均为良好匹配时,对称性保证各个传输支路是同电位的,故无电流通过隔离电阻,隔离电阻上无功率损耗。
但当其中一输出端失配,致使有反射波折回,则此反射功率将分拆开:一部分经过隔离电阻到达另一输出端;另一部分沿自己λ/4,Zoi支路反射回输入端,然后又反射回来,沿另一支路到达另一输出端。
如果隔离电阻尺寸很小而可视为集总元件时,则它的电长度可近似地认为是零。
由于各支路的长度为4/4,电长度在中心频率时为4/2,因而往返二次的电长度是乃。
因此到达另一输出端的两部分信号是反相的。
可以证明,只要适当选择隔离电阻和支线的特征阻抗值,就可以使这两部分信号幅度相等,因而彼此相消。
这就是利用隔离电阻R达到各分支端口之间的隔离的原理。
一、实验目的1. 理解分配器的原理及功能。
2. 掌握分配器的使用方法及注意事项。
3. 通过实验验证分配器在实际应用中的效果。
二、实验原理分配器是一种将单一输入信号分配到多个输出信号的设备。
其主要原理是利用电路中的开关元件,将输入信号按照设定的路径传递到各个输出端。
分配器在通信、控制系统等领域有着广泛的应用。
三、实验器材1. 分配器:2路、4路、8路等不同类型。
2. 信号发生器:产生不同频率、幅值的信号。
3. 示波器:观察信号波形及幅度。
4. 测试线:连接分配器、信号发生器及示波器。
5. 电源:为分配器提供工作电压。
四、实验步骤1. 连接实验器材:将信号发生器输出端与分配器输入端连接,分配器输出端分别与示波器输入端连接。
2. 设置信号参数:根据实验要求,调整信号发生器产生不同频率、幅值的信号。
3. 测试分配器性能:a. 2路分配器:将信号发生器输出端连接到2路分配器输入端,观察示波器上2个输出端的信号波形及幅度,分析分配器的性能。
b. 4路分配器:将信号发生器输出端连接到4路分配器输入端,观察示波器上4个输出端的信号波形及幅度,分析分配器的性能。
c. 8路分配器:将信号发生器输出端连接到8路分配器输入端,观察示波器上8个输出端的信号波形及幅度,分析分配器的性能。
4. 分析实验数据:记录不同类型分配器在相同信号参数下的输出信号波形及幅度,分析分配器的性能。
5. 实验总结:根据实验结果,总结分配器在实际应用中的效果。
五、实验结果与分析1. 2路分配器实验结果:当信号发生器输出端连接到2路分配器输入端时,示波器上2个输出端的信号波形及幅度与输入端信号相同,说明2路分配器性能良好。
2. 4路分配器实验结果:当信号发生器输出端连接到4路分配器输入端时,示波器上4个输出端的信号波形及幅度与输入端信号相同,说明4路分配器性能良好。
3. 8路分配器实验结果:当信号发生器输出端连接到8路分配器输入端时,示波器上8个输出端的信号波形及幅度与输入端信号相同,说明8路分配器性能良好。
华南理工大学实验报告
课程名称射频电路与天线实验
电子与信息学院信息工程专业 3 班
姓名学号
实验名称功率分配器实验日期指导教师
一.实验目的
(1)了解功率分配器的原理及基本测量方法
(2)学会用频谱分析仪测量功率分配器的主要技术指标
二.实验内容
测量并计算功率分配器的功率不平衡度Ib和S21,S31参数
三.实验步骤
(1)AT5011设置为最大衰减量(40db衰减器全部按下)和最宽扫频范围(1000MHz)。
打开跟踪发生器,按下图连接实验装置,测量过程中不能改变跟踪发生器的衰减量,必要时改变频谱分析仪的衰减量,记录直通时跟踪源输出的功率幅度P1。
测量跟踪发生器的输出功率
(2)按下图连接试验专职,首先把功率分配器P3端口接匹配负载,记录2端口输出的功率幅度P2。
测量P2端口的输出功率
(3)再按下图连接试验装置,首先把功率分配器P2端口匹配,记录3端口输出的功率幅度P3。
测量P3端口的输出功率
(4)将实验结果录入表格,并计算P2与P3端口的功率不平衡读I b,S21及S31。
四.实验数据记录
由上述数据可知:本次实验所测量的是否为等分功分器?五.实验总结。
微带wilkinson功分器的仿真设计实验报告学院电子科学与工程学院姓名学号指导教师2016年10月21日一、实验目的● 了解功率分配器电路的原理及设计方法。
● 学习使用ADS 软件进行微波电路的设计,优化,仿真。
● 掌握功率分配器的制作及调试方法。
二、设计要求指标● 通带范围0.9 — 1.1GHz 。
● 双端输出,功分比为1:1。
● 通带内个端口反射系数小于-20dB 。
● 两个输出端口的隔离度小于-20dB 。
● 传输损耗小于3.1dB 。
三、设计思路图一:设计思路示意图四、理论分析设计1. 基本工作原理分析理论学习尺寸计算绘制ADS 原理图原理图仿真优化设计版图仿真功率分配器是三端口电路结构,其信号输入端的输入功率为P1,而其它两个输出端的输出功率分别为P2和P3。
理论上,由能量守恒定律可知:P1=P2+P3。
端口特性为:(1) 端口1无反射(2) 端口2和端口3输出电压相等且相同(3) 端口2、端口3输出功率比值为任意指定值1/由这些条件可以确定Z o2、Z o3以及R2、R3的值。
2.功分器技术指标计算(1)输入端口回波损耗输入端口1的回波损耗根据输入端口1的反射功率和输入功率之比来计算(2)插入损耗输入端口1的回波损耗根据输出端口的输出功率和输入端口1的输入功率之比来计算(3)输出端口间的隔离度输出端口2和输出端口3间的隔离度可以根据输出端口2和输出端口3的输出功率比来计算(4)功分比当其它端口没有反射时,功分比根据输出端口3和输出端口4的输出功率比来计算(5)相位平滑度在做功率分配器时,输出端口的平滑度直接影响功率合成效率。
五、尺寸计算使用ADS软件自带的计算工具计算出微带线的尺寸。
图5.1 50Ω的微带线宽度计算图5.2 75Ω的微带线宽度计算输入Z0=50Ohm,可以算出微带线的宽度为1.52mm。
填入ZO=70.7Ohm和E_Eff=90deg,可以算出微带线的线宽为0.79mm和长度42.9mm。
功率分配器设计范文第一章引言1.1课题背景随着电子设备的普及和功能的增强,对于电力供应的要求也越来越高。
在很多场合下,需要将一路电源供应分配到多个负载上,以满足不同设备的电力需求。
功率分配器正是为了满足这一需求而设计的一种电路。
它将输入的电源信号分为多个输出信号,并分配到各个负载上,实现了电源的有效分配和管理。
1.2设计目标本文的设计目标是设计一种高效可靠的功率分配器,其具体要求如下:1)输入电压范围广,能适应不同场合下的电源供应要求。
2)输出电流稳定,在负载不同的情况下,能保持稳定的输出电流。
3)具有过载和短路保护功能,能有效防止因负载变化或短路等原因导致的损坏。
4)整体电路简单、成本低,易于生产和维护。
第二章功率分配器设计原理2.1功率分配器工作原理2.2设计方案根据设计目标和功率分配器的工作原理,本文采用以下设计方案:1)输入端:选择适合电源工作电压范围的整流电路,将输入电压转化为稳定的直流电压。
2)输出端:采用多路输出的设计,通过控制开关管的开关状态,控制输出端口的高低电平,实现电源的多路输出。
3)控制电路:设计过载和短路保护电路,当负载过载或发生短路时,自动切断输出电路,以保护功率分配器和负载。
4)整体电路:整个功率分配器电路布局紧凑,采用常用元器件,生产和维护成本低。
第三章功率分配器的具体设计3.1输入端设计输入端的设计主要包括整流电路和稳压电路。
整流电路采用桥式整流电路,能够将交流电源转为直流电压。
稳压电路采用稳压二极管,使得输出电压可以在一定范围内保持稳定。
3.2输出端设计输出端的设计主要包括开关管的选型和控制逻辑电路的设计。
开关管选型时需要考虑负载的电流需求和耗能情况,以保证输出的稳定性和功耗的控制。
控制逻辑电路的设计需要根据需要配置多个开关管,以实现多路输出和控制。
3.3控制电路设计控制电路设计主要包括过载和短路保护电路。
过载保护电路通过感应输出端的电流大小,当输出电流超过设定值时,切断输出电路以保护负载和功率分配器。
电磁场与微波技术实验实验报告书学院:电子信息学院专业:电子信息工程实验一:功率分接器一、实验目的:1、了解功分器的原理及基本设计方法。
2、用实验模组实际测量以了解功分器的特性。
3、学会使用MICROWAVE 软件对功分器设计及仿真,并分析结果。
二、实验仪器及器材:项次 设备名称 数量 备注1 MOTECH RF2000 测量仪 1套 亦可用网络分析仪2 功分器模组1A 、2A 2组 RF2KM4-1ARF2KM4-2A3 50Ω终端负载 1个 LOAD4 THRU 端子 1个 THRU (RF2KM )5 50Ω BNC 连接线 2条 CA-1、CA-26 1M Ω BNC 连接线 2条 CA-3、CA-4 7MICROWAVE 软件1套 微波软件三、实验原理:功率分接器是三端口网络结构(3-port network ),如图所示。
信号输入端(Port-1)的功率为P1,而其他两个输出端(Port-2及Port-3)的功率分别为P2及P3。
由能量守恒定律可知P1=P2 + P3。
若P2=P3并以毫瓦分贝(dBm )来表示三端功率间的关系,则可写成: P2(dBm) = P3(dBm) = P in (dBm) – 3dB功率衰减器方框图当然P2并不一定要等于P3,只是相等的情况在实际电路中最常用。
因此,功分器在大致上可分为等分型(P2=P3)及比例型(P2=K ·P3)两种类型。
四、实验步骤:(1) 将RF2000与PC 机通过RS232连接,接好RF2000的电源,开机。
启动SCOPE2000软件。
(2) 开始做电阻式功率分接器的S11参数测量。
将标号为“RF2KM4-1A ”的模块P1端接在RF2000的SWEEP/CW1 OUT 端子上,P2\P3接上50欧姆匹配负载。
接好模块后,过几秒钟后按“Band ”把频段打到300M-500M ,此时是电阻式功率分接器在300MHz-500MHz 时的S11的曲线图。
实验一卫星数字电视接收一、实验目的1、了解接收卫星电视的具体方法。
2、学会使用天线接收机,并掌握接收天线的调整。
3、接收“中星6B卫星电视”,出稳定的节目。
二、实验器材天线、高频头、卫星接收机、电视、馈线三、实验过程与原理1、接收天线的组成与工作原理天线是收集和处理远处的卫星发出的高频电磁波信号的装置。
它的通信器件主要包括反射器、馈源、高频头和馈线。
天线是无线电波的输入端口。
机械部件主要包括馈机械部件主要包括馈机械部件主要包括馈机械部件主要包括馈源支撑杆、俯仰角调整机构、方位转动机构和底座等。
2、方位角的计算从接收点到卫星的视线在接收点的水平面上有一条正投影线,从接收点的正北方向开始,顺时针方向至这条正投影线的角度就是方位角,顺时针方向至这条正投影线的角度就是方位角,实际使用时应考虑当地磁偏角数值。
计算结果方位角负值为南偏角。
计算结果方位角负值为南偏西,正值为南偏东,方位角以正南为西,正值为南偏东,方位角以正南为西,正值为南偏东,方位角以正南为西,正值为南偏东,方位角以正南为0º角边。
即实际方位角为:3、仰角的计算从接收点仰望卫星的视线于水平线构成的夹角就是仰角。
即仰角为:在计算方位角、仰角之前先从地图上查出本地站址的经度和纬度4、影响天线效率的主要因素•天空噪声:这是由星体中的能量变换和某些大气层活动造成的宽带辐射大宽带辐射。
这种噪声主要通过主瓣输入,与仰角的大小无关。
•大地噪声:温暖的地面中分子的激发造成的大带宽噪声称为大大地噪声。
在高纬度的低仰角中,它对天线噪声的作用最大。
•人为噪声:机器和设备发出的噪声也会增大天线噪声。
例如汽例如汽例如汽例如汽车的打火系统、剪草机以及萤光灯的开和关。
天空噪声和人为噪声比起噪声的主要成份大地噪声的作用更小。
一般来说,在噪声比起噪声的主要成份大地噪声的作用更小。
一般来说,在仰角低于30°左右时,天线噪声温度会迅速增加。
5、卫星数据接收机及其主要性能•卫星数据接收机,俗称机顶盒,目前没有标准的定义,传统的说法是“置于电视机顶上的盒子置”。
综合课程设计实验报告课程名称:综合课程设计(微波组)实验名称:威尔金森功分器的设计院(系):信息科学与工程学院2020 年6月12 日一、实验目的1. 了解功分器电路的原理和设计方法;2. 学习使用Microwave office 软件进行微波电路的设计、优化、仿真;3. 掌握功率分配器的制作及调试方法。
二、实验原理Wilkinson 功率分配器根据微波网络理论,对于三端口网络,匹配、互易、无耗三者中,只能有两个同时满足。
Wilkinson 功率分配器是一个有耗的三端口网络(如图1.1所示),它通过在输出端之间引入特性阻抗为2Z 0的电阻,实现了理想的功率分配与功率合成。
用于功率分配时,端口1是输入端,端口2和端口3是输出端;用于功率合成时,端口2和端口3是输入端,端口1是输出端。
可以制成任意功率分配比的Wilkinson 功率分配器,本实验只考虑等分(3dB )的情况,其结构如图1.2所示。
由两段微带线与输出端之间的电阻构成,两段微带线是对称的,其特性阻抗为02Z ,长度为/4g ,并联电阻值为2Z 0。
图1.1 Wilkinson 功分器示意图图1.2 微带线形式的等分Wilkinson 功分器三、实验内容和设计指标实验内容1. 了解Wilkinson功分器的工作原理;2.根据指标要求,使用Microwave office软件设计一个Wilkinson功分器,并对其参数进行优化、仿真。
设计指标在介电常数为4.5,厚度为1mm的FR4基片上(T取0.036mm,Loss tangent取0.02),设计一个中心频率为f=3.2GHz、带宽为200MHz,用于50欧姆系统阻抗的3dB微带功分器。
要求:工作频带内各端口的反射系数小于-20dB,两输出端口间的隔离度大于25dB,传输损耗小于3.5dB。
功分器的参考结构如1.3图所示。
在设计时要保证两个输出端口之间的距离大于10mm,以便于安装测试接头;同时为了便于焊接电阻,d要为2.54mm左右。
关于功率的实验报告引言功率是描述物体能量转化速率的物理量,它与能量和时间有关。
在日常生活和工程实践中,我们经常会用到功率来评估设备的性能、计算电能的消耗等。
本实验旨在通过一系列实验探究功率的定义、计算以及影响功率的因素。
材料与方法实验材料- 直流电源- 电阻箱- 电压表- 电流表- 万用表- 实验线路板- 镊子- 计算机实验方法1. 按照实验电路图连接实验线路板上的电路。
2. 用计算机记录电源输出电压和电流的变化。
3. 通过改变电阻箱中电阻的大小,测量不同电阻下的电流和电压。
4. 计算不同电阻下的功率,并绘制功率随电阻变化的图表。
5. 分析实验数据,总结功率的计算方法和影响因素。
实验结果实验中我们测得的电压、电流和功率如下表所示:电阻(欧姆)电压(伏特)电流(安培)功率(瓦特):: :-: :-: :-:1 2.5 2.5 6.252 5.0 2.0 10.03 4.5 1.5 6.754 8.0 2.0 16.05 10.0 2.0 20.0根据实验数据,我们发现功率随电阻的变化情况如下图所示:=P3(dBm),三端口功率间的关系可写成:P2(dBm)=P3(dBm)=(dBm)-3dB。
当然,并不一定要等于P3,只是相等的情况在实际电路中最常用。
因此,功分器可分为等分型(P2=P3)和比例型(P2=kP3)两种类型。
功分器的主要技术指标包括频率范围、承受功率、主路到支路的分配损耗、I/O间的插入损耗、支路端口间的隔离带、每个端口的电压驻波比等。
1)频率范围:这是各种射频/微波电路的工作前提,功分器的设计结构与工作频率密切相关。
必须首先明确功分器的工作频率,才能进行下面的设计。
2)承受功率:在功分器/合成器中,电路元件所能承受的最大功率是核心指标,它决定了采用什么形式的传输线才能实现设计任务。
一股地,传输线承受功率由小到大的次序是微带线、带状线、同轴线、空气带状线、空气同轴线,要根据设计任务来选择用何种传输线。
3〕分配损耗:主路到支路的分配损耗实质上与功分器的主路分配比,Ad有关。
其定义为,式子中:Pin=kPout,例如:两等分功分器的分配损耗是3dB,四等分功分器的分配损耗是6dB。
4)插入损耗:1/0间的插入损耗是由于传输线(如微带线)的介质或导体不理想等因素产生的。
考虑输入端的驻波比所带来的损耗,插入损耗,Ai定义为:Ai=A-Ad。
实验一:第四章功率分配器设计一、设计要求设计一个2路等分功率分配器,采用微带电路结构。
输入端特性阻抗Z=50Ω,工作频率f0=3GHz,要求S11、S23<-30dB:基板参数=9.8,H=1000um,T=18um。
基本内容:测量特性指标S11、S21、S23(单位dB)与频率(0.5f0~1.5f0)的关系曲线。
调节微带线的尺寸,使功分器的性能达到最佳。
进阶内容:进行版图设计,包括元件封装、布线调节,尤其是 MTRACE2元件的布线扩展内容:利用自动电路提取(ACE)技术,提取电磁模型,进一步缩小版图尺寸。
二、实验仪器硬件:PC软件:AWR软件三、设计步骤1、初始参数计算2、物理参数计算3、电路图仿真分析4、版图设计与仿真5、电磁提取分析四、数据记录及分析1、初始参数计算根据书上提供的数据2、物理参数计算用TXline计算的结果如下表:Para Impedance/ΩElectrical length/deg L/um W/um Z01 50 20 2159.34 952.279 Z02,Z03 50√2≈70.7107 90 10055 405.969 Z04,Z05 50 20 2159.34 952.279 R 100 \ \ \3、电路图仿真分析(1)绘制原理图(2)分析电路4、版图设计与仿真(1)电阻封装如下图:激活并选中元件,自动连接,如下图:(2)版图细调,如下图:(3)版图对比分析:得到MTRACE2 X1元件参数值为:DB { 4097,1256,2364 }um,RB { 270,180,270 },W=406,L=10695,BType=2,M=1 对比图如下:5、电磁提取分析(1)ACE分析提取出的电磁结构如下:进行电磁电路联合仿真得到,如下图:实线和阴影线重合,即是ACE提取和无提取一样。
版图最小化调整:2D结构:提取三维电磁电路模型结构:进一步压缩尺寸分析结果:(2)AXIEM分析2D结构展示:3D结构展示:Mesh结构展示:最终分析结果展示:。
功率分配器的设计与仿真学院:物理与电子工程学院专业:通信工程功分器设计实验报告一、实验目的通过设计功分器结构,了解功率分配器电路的原理及设计方法,学习使用软件进行微波电路的设计,优化,仿真。
掌握功率分配器的制作及调试方法。
二设计要求指标通带范围0.9-1.1GHZ。
双端输出,功分比1:1.。
通带内个端口反射系数小于-20dB。
俩个输出端口隔离度小于-20dB。
传输损耗小于3.1dB.三:功分器的基本原理:一分为二功分器是三端口网络结构,如图9-1所示。
信号输入端的功率为P1,而其他两个端口的功率分别为P2和P3。
由能量守恒定律可知:P1=P2+P3。
如果P2(dBm)=P3(dBm),三端口功率间的关系可写成:P2(dBm)=P3(dBm)=(dBm)-3dB。
当然,并不一定要等于P3,只是相等的情况在实际电路中最常用。
因此,功分器可分为等分型(P2=P3)和比例型(P2=kP3)两种类型。
功分器的主要技术指标包括频率范围、承受功率、主路到支路的分配损耗、I/O间的插入损耗、支路端口间的隔离带、每个端口的电压驻波比等。
1)频率范围:这是各种射频/微波电路的工作前提,功分器的设计结构与工作频率密切相关。
必须首先明确功分器的工作频率,才能进行下面的设计。
2)承受功率:在功分器/合成器中,电路元件所能承受的最大功率是核心指标,它决定了采用什么形式的传输线才能实现设计任务。
一股地,传输线承受功率由小到大的次序是微带线、带状线、同轴线、空气带状线、空气同轴线,要根据设计任务来选择用何种传输线。
3〕分配损耗:主路到支路的分配损耗实质上与功分器的主路分配比,Ad有关。
其定义为,式子中:Pin=kPout,例如:两等分功分器的分配损耗是3dB,四等分功分器的分配损耗是6dB。
4)插入损耗:1/0间的插入损耗是由于传输线(如微带线)的介质或导体不理想等因素产生的。
考虑输入端的驻波比所带来的损耗,插入损耗,Ai定义为:Ai=A-Ad。
华南理工大学实验报告
课程名称射频电路与天线实验
电子与信息学院信息工程专业 4 班
姓名学号
实验名称功率分配器实验日期指导教师王云
一.实验目的
(1)了解功率分配器的原理及基本测量方法
(2)学会用频谱分析仪测量功率分配器的主要技术指标
二.实验内容
测量并计算功率分配器的功率不平衡度Ib和S21,S31参数
三.实验步骤
(1)AT5011设置为最大衰减量(40db衰减器全部按下)和最宽扫频范围(1000MHz)。
打开跟踪发生器,按下图连接实验装置,测量过程中不能改变跟踪发生器的衰减量,必要时改变频谱分析仪的衰减量,记录直通时跟踪源输出的功率幅度P1。
测量跟踪发生器的输出功率
(2)按下图连接试验专职,首先把功率分配器P3端口接匹配负载,记录2端口输出的功率幅度P2.
测量P2端口的输出功率
(3)再按下图连接试验装置,首先把功率分配器P2端口匹配,记录3端口输出的功率幅度P3。
测量P3端口的输出功率
(4)将实验结果录入表格,并计算P2与P3端口的功率不平衡读I b,S21及S31。
四.实验数据记录
由上述数据可知:本次实验所测量的是否为等分功分器?五.实验总结。