消防工程工程量清单计价规范
- 格式:docx
- 大小:124.36 KB
- 文档页数:9
消防工程安装工程量清单项目及计算规则一、火灾报警系统:1.火灾探测器:计算规则为根据设计方案确定所需的火灾探测器种类和数量,并计算各类探测器材料费用总和。
2.手报火警按钮:计算规则为根据设计方案确定所需的手报火警按钮数量,并计算所需按钮材料费用。
3.火灾声光报警器:计算规则为根据设计方案确定所需的火灾声光报警器数量,并计算所需报警器材料费用。
4.电气控制盘:计算规则为根据设计方案确定所需的电气控制盘数量,并计算所需盘类材料费用。
二、消防给水系统:1.消火栓箱:计算规则为根据设计方案确定所需的消火栓箱数量,并计算所需箱体材料费用。
2.消防栓:计算规则为根据设计方案确定所需的消防栓数量,并计算所需栓体材料费用。
3.消防水带:计算规则为根据设计方案确定所需的消防水带长度并计算所需水带材料费用。
三、自动喷水灭火系统:1.喷头:计算规则为根据设计方案确定所需的喷头数量,并计算所需喷头材料费用。
2.喷头关联管道:计算规则为根据设计方案确定所需的关联管道长度,并计算所需管道材料费用。
四、防排烟系统:1.排烟风机:计算规则为根据设计方案确定所需的排烟风机数量,并计算所需风机材料费用。
2.排烟管道:计算规则为根据设计方案确定所需的排烟管道长度,并计算所需管道材料费用。
五、室内消防设施:1.灭火器:计算规则为根据设计方案确定所需的灭火器数量,并计算所需灭火器材料费用。
六、计算规则:1.材料费用计算规则为根据设计方案确定所需材料种类和数量,并参考市场价格计算总费用。
2.工时费用计算规则为根据设计方案确定所需工时和工种,并参考行业标准工时费用计算总费用。
以上是消防工程安装工程量清单项目及计算规则的简要介绍。
具体计算规则会根据项目需求和设计方案的不同而有所差异。
在实际项目中,应根据项目具体情况编制详细清单,并按照清单内容进行计算和核算,以确保项目的预算和施工进度能够得到有效控制。
包16 030901010012 室内消火栓1.名称:室内单栓消火栓(减压稳压型)2.安装方式:明(暗)装3.型号、规格:消火栓型号SG20A65-J,安装详见15S202。
消火栓箱用钢板制作,铝合金门框,茶色镜面玻璃门。
消火栓箱设于楼梯间处的箱后设100防火板。
4.附件材质、规格:消火栓箱内设SN65室内消火栓一个.水枪一支,规格:QZ19,DN65衬胶水龙带25m.水枪充实水柱不小于10m.(双出口消防箱上述设施加倍),每个消火栓处设发送信号的按钮、指示灯一个,并设保护盖。
灭火器一组,指示灯一个。
套2617 030901013012 灭火器1.名称:灭火器箱2.形式:放置式3.规格、型号:含磷酸铵盐手提式灭火器MF/ABC5*2组2618 030901012015 消防水泵接合器1.安装部位:地上式2.型号、规格:SQS150-A型3.附件材质、规格:法兰接管及弯头安装,含DN150闸阀1个、DN150止回阀1个、DN150安全阀1个、弯管底座、标牌等附件安装;套 219 030905002016 水灭火控制装置调试 1.系统形式:消火栓系统点2620 0310******** 套管1.名称:刚性防水套管2.材质:焊接钢管3.规格:DN2504.填料材质:符合规范要求个 221 0310******** 套管1.名称:钢套管2.材质:焊接钢管个163.规格:DN1504.填料材质:符合规范要求分部小计生产车间--喷淋22 030901001034 水喷淋钢管1.安装部位:室内2.材质、规格:内外壁热镀锌无缝钢管,DN1503.连接形式:沟槽式卡箍连接4.压力试验及冲洗设计要求:满足设计及规范要求m209.9623 030901001035 水喷淋钢管1.安装部位:室内2.材质、规格:内外壁热镀锌无缝钢管,DN1003.连接形式:沟槽式卡箍连接4.压力试验及冲洗设计要求:满足设计及规范要求m20.324 030901001036 水喷淋钢管1.安装部位:室内2.材质、规格:内外壁热镀锌无缝钢管,DN803.连接形式:沟槽式卡箍连接4.压力试验及冲洗设计要求:满足设计及规范要求m 4.7525 030901001037 水喷淋钢管1.安装部位:室内2.材质、规格:内外壁热镀锌无缝钢管,DN653.连接形式:沟槽式卡箍连接4.压力试验及冲洗设计要求:满足设计及规范要求m8.1626 030901001038 水喷淋钢管1.安装部位:室内2.材质、规格:内外壁热镀锌无缝钢管,DN503.连接形式:螺纹连接4.压力试验及冲洗设计要求:满足设计及规m70427 030901001039 水喷淋钢管部位:室内2.材质、规格:内外壁热镀锌无缝钢管,DN403.连接形式:螺纹连接4.压力试验及冲洗设计要求:满足设计及规m278.1。
消防工程工程量清单本文主要针对消防工程工程量清单进行详细讨论,旨在提供准确的工程量清单,以便实施和管理消防工程项目。
以下是各个部分的工程量清单:一、消防给水工程1. 消防给水管道- 描述:包括消防给水管道的安装和连接。
- 数量:根据建筑面积和消防需求确定实际数量。
2. 消防水池- 描述:包括消防水池的建设和设备安装。
- 数量:根据建筑面积和消防需求确定实际数量。
3. 消防水泵- 描述:包括消防水泵的购买和安装。
- 数量:根据建筑面积和消防需求确定实际数量。
二、消防给排气工程1. 消防排烟管道- 描述:包括消防排烟管道的安装和连接。
- 数量:根据建筑面积和消防需求确定实际数量。
2. 消防排烟风机- 描述:包括消防排烟风机的购买和安装。
- 数量:根据建筑面积和消防需求确定实际数量。
3. 消防排烟口- 描述:包括消防排烟口的安装和连接。
- 数量:根据建筑面积和消防需求确定实际数量。
4. 消防给排气道- 描述:包括消防给排气道的建设和设备安装。
- 数量:根据建筑面积和消防需求确定实际数量。
三、消防报警系统工程1. 火灾报警控制器- 描述:包括火灾报警控制器的购买和安装。
- 数量:根据建筑面积和消防需求确定实际数量。
2. 火灾报警探测器- 描述:包括火灾报警探测器的购买和安装。
- 数量:根据建筑面积和消防需求确定实际数量。
3. 火灾报警音响- 描述:包括火灾报警音响的购买和安装。
- 数量:根据建筑面积和消防需求确定实际数量。
4. 火灾报警手动按钮- 描述:包括火灾报警手动按钮的购买和安装。
- 数量:根据建筑面积和消防需求确定实际数量。
四、消防灭火系统工程1. 自动喷水灭火系统- 描述:包括自动喷水灭火系统的建设和设备安装。
- 数量:根据建筑面积和消防需求确定实际数量。
2. 气体灭火系统- 描述:包括气体灭火系统的建设和设备安装。
- 数量:根据建筑面积和消防需求确定实际数量。
3. 消防栓- 描述:包括消防栓的购买和安装。
清单编制及报价说明
工程名称: 某消防整改工程
一、工程概况:
工程地点及概况:地址、面积、层高等。
其他事项:
(1)施工现场的实际情况:甲方配合施工企业勘察。
(2)交通运输情况:施工企业自行勘察。
(3)施工工期:以施工合同为准。
(4)水电接口:甲方现场提供水电接驳点,乙方自行接驳(费用甲方承担)。
二、招标模式:本次招标采用模拟清单,工程量暂定,全费用综合单价包干,最终按竣工蓝图计算结算工程 量,消防检测费用包干。
三、清单编制依据:
1、清单工程量计算规则:《建设工程工程量清单计价规范》2013,其他除清单特殊说明外;
2、2018年《重庆市通用安装工程计价定额》、《重庆市房屋修缮工程计价定额》等相关定额和《重庆市建 设工程费用定额》等相关造价配套文件、重庆市造价信息及相关材料市场价格。
3、竣工图纸、合同约定等。
四、计价方式及报价说明
1、综合单价为全费用综合单价,除特殊注明外,单价已经包含了人材机、规费税金、管理费等所有费用。
2、《汇总表》为报价的总金额,应与各相关表格的汇总数吻合(如不一致,以分表金额为准)。
3、以上不包含维保单位或者物业单位的协调配合费(发生时,由甲方承担)
4、改造(冲洗、压力试验等)所需要的水电等由甲方免费提供,以满足改造的需求。
5、报警系统编程费用不含在报价中,此为报警设备厂家收取可代缴(由甲方承担)。
6、抗震支吊架不含在报价中,如需安装结算时按实计算,价格协商确定。
消防工程量清单一、前言消防工程量清单是用于进行消防工程施工项目的预算和计量的重要工具。
它详细列出了消防工程项目所需材料、设备和劳务等,从而为项目的预算编制和实际施工提供了参考依据。
本文档将介绍消防工程量清单的编制方法及相关要点。
二、消防工程量清单的编制方法消防工程量清单的编制需要遵循一定的方法和标准,以确保清单的准确性和可操作性。
以下是一般的编制方法:1. 确定施工范围和项目要求:首先,需要明确消防工程的施工范围和项目要求。
这包括施工区域、设备配置、规格要求等。
2. 制定项目分工:根据施工范围和项目要求,将项目分解成若干个小任务,并为每个小任务分配责任单位或人员。
3. 调查材料和设备需求:了解每个小任务所需的材料和设备,包括管道、泵房、灭火器、喷头等等。
4. 制定工料用量计算标准:根据项目要求,制定每种材料和设备的标准用量,考虑到消耗、浪费和保留的因素。
5. 编制工程量清单:根据调查和计算的结果,将每个小任务所需的材料、设备和劳务等列入清单,并按照施工顺序排列,方便施工单位进行实际操作。
6. 审查和修改清单:在编制完成后,需要对清单进行审查和修改,确保清单的准确性和有效性。
三、消防工程量清单的内容要点消防工程量清单一般包括以下几个要点:1. 施工项目名称和编号:清单上应明确标注所属的施工项目名称和编号,以方便管理和追溯。
2. 工程量计算单位:每个材料、设备和劳务等都需要标注计算单位,如米、吨、小时等。
3. 工程量计算方法:清单上应详细注明每种材料、设备和劳务等的计量方法和计算公式,以确保计量的一致性。
4. 清单编码和排序:清单应具备合理的编码和排序规则,以便于工程单位进行施工、验收和结算等。
5. 材料、设备和劳务名称:清单上需要明确列出每种材料、设备和劳务的名称和规格型号,确保施工单位能够准确采购和使用。
6. 数量和用量:清单上需要注明每种材料、设备和劳务的数量和用量,方便计算成本和预估工期等指标。
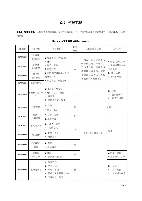
C.9 消防工程C.9.1 水灭火系统。
工程量清单项目设置、项目特征描述的内容、计量单位及工程量计算规则,应按表C.9.1 的规定执行。
表C.9.1 水灭火系统(编码:030901)·133·表C.9.1 (续)·134·C.9.2 气体灭火系统。
工程量清单项目设置、项目特征描述的内容、计量单位及工程量计算规则,应按表C.9.2 的规定执行。
表C.9.2 气体灭火系统(编码:030902)·135·C.9.3 泡沫灭火系统。
工程量清单项目设置、项目特征描述的内容、计量单位及工程量计算规则,应按表C.9.3 的规定执行。
表C.9.3 泡沫灭火系统(编码:030903)·136·C.9.4 火灾自动报警系统。
工程量清单项目设置、项目特征描述的内容、计量单位及工程量计算规则,应按表C.9.4 的规定执行。
表C.9.4 火灾自动报警系统(编码:030904)·137·表C.9.4 火灾自动报警系统(编码:030904)C.9.5 消防系统调试。
工程量清单项目设置、项目特征描述的内容、计量单位及工程量计算规则,应按表C.9.5 的规定执行。
表 C.9.5 消防系统调试(编码:030905)·138·表C.9.5 (续)C.9.6 其他相关问题,应按下列规定处理:1.管道界限的划分:(1)喷淋系统水灭火管道:室内外界限应以建筑物外墙皮1.5m 为界,入口处设阀门者应以阀门为界;设在高层建筑物内消防泵间管道应以泵间外墙皮为界。
(2)消火栓管道:给水管道室内外界限划分应以外墙皮1.5m 为界,入口处设阀门者应以阀门为界。
(3)与市政给水管道的界限:以水表井为界;无水表井的,以与市政给水管道碰头点为界。
2.消防管道支架制作安装,执行附录C.10.2相应项目。
3.套管制作安装执行附录C.10.2相应项目。
消防工程定额套用与工程量的计算规则消防工程定额是根据国家有关消防规范和标准制定的,包括施工定额、工程量清单、工程费用计算表等,可以根据工程项目的性质和规模进行选择和套用。
定额中包含了工程项目所需的材料、设备、劳动力、工艺流程等方面的信息,可以作为工程预算和施工过程中的基础。
在套用消防工程定额时,首先需要明确工程项目的性质和规模,然后选择相应的定额进行套用。
定额中通常给出了各种工程项目在单位工程量下的相关材料、设备和劳动力的数量和规格,以及相应的工艺流程和施工要求。
在套用定额时,需要根据实际情况进行适当调整和修订,以符合具体项目的要求。
套用消防工程定额的目的是为了确定工程量,工程量是指项目中涉及到的各种工作的数量和工时。
在消防工程项目中,工程量的计算是根据施工定额和工程量清单进行的。
工程量清单是按照定额要求编制的,包括了所有工程项目的名称、规格、数量、单位和工程量单价等。
根据消防工程定额和工程量清单,可以计算出每个工程项目的工程量,然后再进行综合计算,得出整个项目的工程量。
在计算工程量时,需要考虑到每个工程项目所需的人力、物力和时间等因素,并根据实际情况进行调整。
消防工程量的计算规则主要包括以下几个方面:1.计算单位:消防工程量的计算单位通常是根据定额要求确定的,可以是长度、面积、体积、重量、数量等。
2.定额系数:在套用消防工程定额时,可能需要考虑一些特殊因素,如工程的复杂程度、材料的质量等,这时可以根据实际情况增加或减少定额系数,以便更准确地计算工程量。
3.施工过程中的工程量变动:在施工过程中,可能会发生工程量的变动,如增加或减少一些工程项目的数量,这时需要根据实际情况进行调整和修订。
4.工程量计算的准确性:工程量的计算应当尽可能准确,避免出现漏算或重算的情况。
在计算时,应当对每个工程项目的数量和单位进行仔细核对,确保计算结果的准确性和可靠性。
总之,消防工程定额套用与工程量计算规则是消防工程项目中重要的计算方法,通过套用相关定额和计算工程量,可以确定工程预算和施工进度,为项目的顺利进行提供基础。
消防改造工程工程量清单报价模板一、消防设施安装工程1.灭火器安装-安装干粉灭火器:XX个-安装二氧化碳灭火器:XX个-安装泡沫灭火器:XX个-安装水基灭火器:XX个2.自动感应喷淋系统安装-安装喷淋头:XX个-安装水泵:XX台-安装水池:XX个-安装控制盘:XX个-安装监控器:XX个3.灭火器具安装-安装消防栓:XX个-安装灭火器箱:XX个-安装灭火器罐:XX个-安装消防水带:XX根4.疏散通道安装-安装疏散指示标志:XX个-安装疏散通道灯具:XX个-安装紧急逃生楼梯:XX个5.烟感探测器安装-安装可燃气体探测器:XX个-安装光电感烟探测器:XX个-安装温度探测器:XX个二、消防设施维护工程1.消防设备维修-维修灭火器:XX个-维修喷淋系统:XX处-维修消防栓:XX个-维修疏散指示标志:XX个2.消防设备检测-检测灭火器压力:XX个-检测喷淋系统喷头灵敏度:XX个-检测消防栓水压:XX个-检测疏散通道灯具亮度:XX个三、消防设施培训工程1.灭火器使用培训-培训消防灭火器使用方法:XX场次-培训灭火器正确保管方法:XX场次2.疏散逃生培训-培训疏散逃生步骤:XX场次-培训疏散通道使用技巧:XX场次四、其他工程1.火警报警系统安装-安装火灾报警控制器:XX个-安装火灾自动报警装置:XX个-安装火灾手动报警装置:XX个2.水源改造工程-安装消防水池:XX个-安装消防水泵:XX台-安装消防水电管道:XX米。
消防工程工程量清单计
价规范
文件管理序列号:[K8UY-K9IO69-O6M243-OL889-F88688]
C.9 消防工程
C.9.1 水灭火系统。
工程量清单项目设置、项目特征描述的内容、计量单位及工程量计算规则,应按表C.9.1 的规定执行。
表C.9.1 水灭火系统(编码:030901)
表C.9.1 (续)
C.9.2 气体灭火系统。
工程量清单项目设置、项目特征描述的内容、计量单位及工程量计算规则,
应按表 C.9.2 的规定执行。
表 C.9.2 气体灭火系统(编码:030902)
表C.9.2 (续)
C.9.3 泡沫灭火系统。
工程量清单项目设置、项目特征描述的内容、计量单位及工程量计算规则,应按表C.9.3 的规定执行。
表C.9.3 泡沫灭火系统(编码:030903)
表C.9.3 (续)
C.9.4 火灾自动报警系统。
工程量清单项目设置、项目特征描述的内容、计量单位及工程量计算规则,应按表C.9.4 的规定执行。
表C.9.4 火灾自动报警系统(编码:030904)
表C.9.4 火灾自动报警系统(编码:030904)
C.9.5 消防系统调试。
工程量清单项目设置、项目特征描述的内容、计量单位及工程量计算规则,应按表C.9.5 的规定执行。
表 C.9.5 消防系统调试(编码:030905)
表C.9.5 (续)
C.9.6 其他相关问题,应按下列规定处理:
1.管道界限的划分:
(1)喷淋系统水灭火管道:室内外界限应以建筑物外墙皮1.5m 为界,入口处设阀门者应以阀门为界;设在高层建筑物内消防泵间管道应以泵间外墙皮为界。
(2)消火栓管道:给水管道室内外界限划分应以外墙皮1.5m 为界,入口处设阀门者应以阀门为界。
(3)与市政给水管道的界限:以水表井为界;无水表井的,以与市政给水管道碰头点为界。
2.消防管道支架制作安装,执行附录C.10.2相应项目。
3.套管制作安装
4.消防管道如需进行探伤,执行附录C.8.16 相应项目。
5.凡涉及到管道、设备及支架除锈、刷油、保温的工作内容,除注明者外均执行附录D*.*相应项目。
6.凡涉及到管沟及井类的土石方开挖、垫层、基础、砌筑、抹灰、地井盖板预制安装、回填、运输,路面开挖及修复、管道支墩等,执行附录A、附录E相应项目。