机场细则 模板
- 格式:doc
- 大小:128.50 KB
- 文档页数:5
天津机场机坪运行管理细则A6版(2022修改)最新天津机场机坪管理细则1.总则1.1.目的及依据:为加强机坪生产运行管理,维护良好的运行秩序,确保机坪技术状况持续性地符合有关标准和要求,保证航空器地面生产运行和各项保障工作安全、正常、有序地运行。
依据《中华人民共和国民用航空法》及其他有关法律法规,结合天津滨海国际机场(本细则以下称为天津机场)实际情况,制定本细则。
1.2.实施原则:机坪运行管理遵循“安全、正常、高效、有序”的原则,天津机场对机坪生产运行实施统一管理,对其它航空企业所属机坪有监督管理权限。
1.3.适用范围:本细则适用于天津机场各机坪的运行管理。
1.4.基本要求:1.4.1.天津机场运行指挥中心(本细则以下称为运行指挥中心)代表机场对机坪生产运行具体实施监督管理,发挥安全生产运行协调中心、信息流程管理中心、应急救援指挥中心作用。
1.4.2.运行指挥中心负责对进入机坪作业或申领相关控制区域证件的人员进行资格准入考核管理工作。
1.4.3.机场公安分局对取得有效的资格准入的人员核发相应控制区证件。
1.4.4.进入机坪的所有航空器、车辆、设备及人员必须严格遵守本细则,并接受运行指挥中心的指挥和监管。
1.4.5.在机坪作业的单位应与机场管理部门签署安全管理协议,协议中明确各作业单位在机坪作业应当遵守的相关制度、职责和权力;并将车辆、设备标准作业手册或操作规程在运行指挥中心备案。
1.4.6.机场运行管理分委员会是机场安全管理委员会的下设机构,承担对运行保障中有关问题进行管理、协调等具体工作,确保机场地区各单位运行生产的顺利开展。
机场管理机构及各驻场单位应当及时落实天津机场安全管理委员会和分委员会提出的有关安全运行的整改意见和建议。
1.4.7.运行管理分委员会协调例会每季度召开一次,以期沟通思想,统一认识,强化控天津滨海国际机场质量管理体系文件最新天津机场机坪管理细则制区运行管理。
运行指挥中心每季度负责运行管理分委员会协调例会的组织,机场相关保障单位、驻场航空公司及其他驻场单位参加,根据会议纪要及时协调解决生产运行中存在的问题。
民用机场环境保护管理规定细则第一章总则第一条为了保护民用机场周边环境,促进机场可持续发展,规范环境保护管理行为,根据相关法律法规和政策文件,制定本规定。
第三条民用机场应建立健全环境保护管理机构,负责飞行噪音、空气污染、水体污染、固体废物处理等环境保护工作的监测、评估和管理。
第四条民用机场应加强与周边居民、环境保护部门和相关单位的沟通与合作,共同推进环境保护工作。
第五条民用机场应定期对环境保护管理工作进行评估,并向国家民航主管部门报告相关情况。
第二章飞行噪音管理第六条民用机场应建立飞行噪音监测系统,监测民用机场飞机起降产生的噪音,并根据监测结果制定相应的管理措施。
第七条民用机场应按照国家标准限制飞行噪音的水平,采取措施减少飞行噪音对周边居民的不良影响。
第八条民用机场应加强对航空器制造商和航空公司的管理,推动降噪技术的研究和应用。
第九条民用机场应建立飞行噪音投诉处理机制,及时受理、处理来自周边居民的飞行噪音投诉,并回应投诉人。
第十条民用机场应定期发布飞行噪音的监测数据和治理情况,接受社会监督。
第三章空气污染管理第十一条民用机场应定期监测和评估飞机起降产生的排放物的影响,包括颗粒物、硫化物、氮氧化物等,并制定相应的控制措施。
第十二条民用机场应加强对飞机燃料供应、燃烧和排放的管理,推动燃烧技术的改进和减排措施的实施。
第十三条民用机场应开展环境保护宣传教育,增强旅客、机组人员和机场员工的环保意识,倡导节能减排、绿色出行。
第十四条民用机场应建立紧急应对机制,做好突发污染事故的预防和应急处置工作。
第四章水体污染管理第十五条民用机场应建立水体污染监测系统,监测机场排水对周边水环境的影响,确保排水符合国家水污染排放标准。
第十六条民用机场应加强对排水口的管理,确保其稳定运行和有效防止污染物外溢。
第十七条民用机场应建立循环利用水资源的机制,推广水资源节约和再利用技术。
第五章固体废物处理第十八条民用机场应建立固体废物分类和处理制度,促进垃圾减量化、资源化和无害化处理。
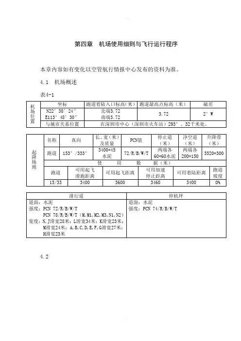
第四章机场使用细则与飞行运行程序本章内容如有变化以空管航行情报中心发布的资料为准。
4.1 机场概述表4-14.2无线电、导航设备表4-24.3 灯光设备表4-34.4 航站空中管制区域及地形特征和主要障碍物4.4.1 管制区域:宝安国际机场与南头直升机场划为一个区域,其范围为:太平-N22°52′E113°45′-N22°52′E114°00′-塘厦-莲塘-上沙头-蛇口-N22°25′E113°50′-N22°16.5′E113°44.5′-N22°41.3′E113°34.4′-太平连线以内之区域。
4.4.2 地形特征:本机场位于珠江口东侧岸边滩涂上,北为珠江三角洲平原,南临香港地区,东、东南为丘陵地带,西面是珠江口海域。
目视盘旋和起落航线宜在西侧进行。
机场区域内最高山为羊台山,海拔 587m,距机场东南端延长线上16.7km有蛇口南山,海拔336m。
4.4.3 主要障碍物:表4-4 表4-5半径15千米内主要障碍物(以跑道中心点算起)半径15千米—50千米内主要障碍物(以跑道中心点算起)以年万地形图及年万地形图为准。
有障碍灯以1966年1/5万地形图为准。
4.5 气象特征和运行最低标准 4.5.1 气象特征:亚热带季风气候,全年雨量充沛,年平均降水量1899.3mm ,月最大降水量365.4mm 。
夏季雷雨盛行,全年平均雷暴日数71天,尤以八月份最多,雷雨多形成于西北部和东部丘陵区。
季风明显,春夏主导风为偏南风,秋冬多为偏北风。
每年5月至11月为台风季,年平均9次。
二月至四月份为全年低云量最多的季节,多为低碎云;盛夏以对流云为主;十月至翌年一月,云量较小,多为好天气。
年平均雾日为5天。
气象资料: 表4-64.5.2 运行最低标准:表4-7表4-84.6 起落航线与目视盘旋规定起落航线及目视盘旋均在跑道西侧进行。
广汉训练机场使用细则1.广汉机场位置①地理坐标:N30 56…57“E104 19…47”,位于广汉城中心真方位127°、5.9千米处。
②机场标高:467.57米③磁差:1°30”W④道面情况:PCN 18/R/B/W/T2. 广汉机场起降跑道⑤磁向:127 -307⑥长、宽:2200×45水泥⑦停止道:13跑道有130 ×60米沥青停止道,两头有100×150米净空道3. 广汉机场跑道使用数据①跑道13②可用起飞滑跑距离2200(米)③可用加速停止距离2330(米)④可用着陆距离2200(米)4. 广汉机场通导航设备①VOR/DME台GHN113.5位于N30º57’10”E104º19’33”处。
②北远台ZB454位于N30º58′32″E104º17′10″跑道延长线DME2.5nm处③北近台Z220位于N30º57′38″E104º18′41″跑道延长线DME0.9nm处④13号跑道盲降IDD频率109.90 方向127º⑤校部123.60MHz⑥塔台128.20MHz(备用129.45MHz)⑦进近120.30MHz⑧通播126.20MHz5. 广汉机场灯光设备①跑道13②进近灯Ⅰ类精密进近灯光系统,PAPI③跑道灯白色跑道边灯,两头各650米为半黄半白④滑行道灯蓝色滑行道边灯⑤其他灯光红色障碍灯、白色T字灯、红色停止道灯、红色跑道端灯、绿色入口灯6. 注意事项①地面滑行与前机距离不小于50米②滑行速度不大于15公里每小时③避让飞机时关滑行灯④夜间跑道口等待时关频闪灯,滑行灯⑤飞机滑行时只允许从其他运行的飞机前方滑过通过⑥人员只允许从运行的飞机后方通过⑦上午场在一队集合,下午场在蓝棚子集合。
济南国际机场机坪运行管理细则一、机坪管理的目标和任务:机坪管理的目标是确保机场机坪的安全和高效运行,为飞机起降和停靠提供良好的条件。
机坪管理的任务包括机场机坪的规划、设计、施工、维护和运行管理等。
二、机坪运行管理的组织机构:机坪运行管理的组织机构包括机坪运行部、安全保卫部、空中交通部等。
这些部门负责机坪的日常管理工作,包括航班调度、飞机停靠、货物运输等。
三、机坪使用管理:为了保证机坪的正常使用,在机坪上停靠的飞机必须按照规定的方式进行停靠,使用机坪的航班必须提前向机坪运行部申请,并按照指定的时间和位置进行停放。
同时,机坪上的车辆必须按照规定的路线行驶,以确保机坪的通行安全。
四、机坪安全管理:机坪安全是机坪管理的重要内容。
机坪上的所有人员都必须严格执行机坪安全规定,包括佩戴有效的证件、服从机坪安全人员的指挥等。
对于机坪上发生的安全事故,必须立即进行报告,并采取相应的措施进行处理和防范。
五、机坪维护管理:机坪的维护管理包括机坪的清洁、设备的维修和更新等。
机坪管理部门必须定期对机坪进行检查和维护,确保机坪设施的正常运行。
对于发现的问题,必须及时修复或更换,以确保机坪的正常使用。
六、机坪运行管理的控制措施:机坪运行管理的控制措施包括机坪使用管理、安全管理、维护管理等。
机坪管理部门必须严格执行这些措施,确保机坪的正常运行。
同时,对于违反机坪规定的行为,必须及时进行处理和处罚。
七、机坪规划和设计:机坪的规划和设计必须符合国家的安全规定和标准,并根据机场的实际情况进行调整。
机坪规划和设计的主要内容包括机坪的布局、停机位的设计、跑道和滑行道的设置等。
总结起来,济南国际机场机坪运行管理细则(2024)主要关注机场机坪的安全和高效运行。
它包括机坪使用管理、安全管理、维护管理等多个方面的内容,通过规定和控制措施来确保机坪的正常运行。
机坪规划和设计必须符合国家的标准,并根据机场的实际情况进行调整。
机场收费管理规定细则第一章总则第一条为规范机场收费行为,维护旅客和航空运输企业的合法权益,保障机场的正常运营,特制定本规定。
第二条本规定适用于中华人民共和国境内所有民用机场的收费管理活动。
第三条机场收费应当遵循公开、公正、公平的原则,实行统一标准、分类管理。
第二章收费依据第四条机场收费应依据国家相关法律法规、民航局规章及地方政府政策文件,确保合规性。
第五条机场收费项目和标准应经民航局和地方政府批准后执行,任何单位和个人不得擅自设立收费项目或调整收费标准。
第三章收费范围第六条机场收费范围包括但不限于:起降费、停场费、旅客服务费、行李服务费等。
第七条具体收费范围应根据机场实际情况和民航局规定确定,并在机场公告中予以公示。
第四章收费项目第八条机场应明确各项收费项目的名称、内容和标准,并在购票、值机、安检等环节向旅客进行告知。
第九条机场应合理设置收费项目,避免重复收费和不合理收费。
第五章机票价格管理第十条机票价格应根据市场供求关系、运营成本、服务质量等因素确定,并遵守国家价格法律法规。
第十一条机场应与航空运输企业协商确定机票价格,并在售票环节明确标注。
第六章行李超重费规定第十二条行李超重费应根据行李重量和超过限额的比例确定,并在购票时告知旅客。
第十三条行李超重费标准应合理透明,并在机场和航空公司官方网站上公示。
第七章收费管理流程第十四条机场应建立健全的收费管理流程,包括收费项目审批、标准制定、公示、执行、监督和审计等环节。
第十五条机场应定期向民航局和地方政府报告收费管理情况,接受监督和检查。
第八章附则第十六条本规定由民航局负责解释和修订。
第十七条本规定自发布之日起施行,原有机场收费管理规定与本规定不符的,以本规定为准。
第十八条本规定的修改和废止,由民航局决定并公告。
请注意,以上内容仅为示例性质,具体的机场收费管理规定应根据实际情况和地方政府、民航局的具体要求进行制定。
机场预算管理细则一、预算编制原则科学性:预算编制应基于机场实际运营情况和未来发展规划,确保数据的真实性和合理性。
完整性:预算编制应涵盖机场所有经济活动和收支项目,确保无遗漏。
灵活性:预算编制应考虑不可预见因素,预留一定的预算调整空间。
约束性:预算编制一旦确定,各部门应严格执行,确保预算的权威性。
二、预算分类与范围资本预算:用于机场基础设施建设、设备购置等长期投资项目。
运营预算:用于机场日常运营维护、人员工资、能源消耗等支出。
其他预算:包括税费、捐赠、非经常性支出等。
三、预算编制流程预算启动:由财务部门发起预算编制通知,明确预算编制的时间表和要求。
部门申报:各部门根据实际需要,编制本部门预算并提交给财务部门。
汇总审核:财务部门对各部门提交的预算进行汇总和审核,确保数据的合理性和合规性。
预算审批:汇总后的预算提交给机场管理层审批,经审批后形成正式预算。
预算执行:预算正式执行后,各部门应按照预算安排开展工作。
四、预算执行与控制实时监控:财务部门应实时监控预算执行情况,确保各项支出在预算范围内。
预警机制:当某项支出接近预算限额时,财务部门应及时发出预警,提醒相关部门注意。
严格控制:对于超出预算的支出,应严格按照预算调整程序进行处理。
五、预算调整与追加调整条件:因不可抗力因素或政策变化导致预算执行出现重大偏差时,可申请预算调整。
调整程序:预算调整应经过严格的审批程序,确保调整的合理性和必要性。
追加预算:对于新增的、必要的支出项目,可申请追加预算。
追加预算也应经过审批程序。
六、预算分析与评估定期分析:财务部门应定期对预算执行情况进行分析,评估预算执行的效果和效率。
绩效评估:将预算执行情况与各部门的工作绩效挂钩,作为部门考核的重要指标之一。
反馈机制:将预算分析结果反馈给各部门,促进部门间的沟通和协作,共同推动预算管理水平的提高。
七、预算监督与考核监督机构:设立专门的预算监督机构或指定专人负责预算监督工作。
监督内容:对预算编制、执行、调整等全过程进行监督,确保预算管理的规范性和有效性。
机场安全检查细则一、旅客身份核实所有旅客在进入机场安全检查区前,必须出示有效身份证件进行核实。
身份证件包括但不限于身份证、护照、驾驶证等。
机场工作人员应对旅客身份证件进行认真查验,确保证件照片与本人相符,证件信息真实有效。
对于无法出示有效身份证件或身份证件信息不符的旅客,机场工作人员有权拒绝其进入安全检查区。
二、行李安全检查旅客在进入候机区前,必须将所有行李物品通过X光安检机进行检查。
机场工作人员应对旅客行李进行仔细检查,确保行李内无违禁品、危险品等。
对于无法通过X光安检机检查或疑似存在安全隐患的行李,机场工作人员有权要求旅客进行开包检查。
三、禁带物品清单机场应制定明确的禁带物品清单,并向旅客进行公示。
禁带物品包括但不限于:枪支、弹药、管制刀具、易燃易爆物品、剧毒物品、放射性物品等。
旅客携带禁带物品进入机场的,机场工作人员有权予以没收并依法处理。
四、设施设备巡检机场应定期对安全检查设施设备进行巡检,确保设备正常运行。
巡检内容包括但不限于:X光安检机、金属探测器、安检门等设备的性能、准确性、灵敏度等。
发现设备故障或异常情况时,应及时进行维修或更换,确保安全检查工作不受影响。
五、维修人员安检从事设施设备维修的工作人员必须接受专门的安全培训,并通过相关考核。
维修人员在进行设备维修时,应严格遵守安全操作规程,确保设备维修过程不会对旅客和工作人员造成安全隐患。
维修人员进入安全检查区前,也必须通过身份验证和行李安全检查。
六、机舱安全标准机场应制定严格的机舱安全标准,确保旅客和机组人员的安全。
机舱安全标准包括但不限于:座位安全带、应急出口、灭火器等设备的配置和使用。
机场应定期对机舱安全设施进行检查和维护,确保其处于良好状态。
七、货物X光扫描所有进出机场的货物必须通过X光扫描机进行检查。
机场工作人员应对货物进行仔细检查,确保货物内无违禁品、危险品等。
对于无法通过X光扫描机检查或疑似存在安全隐患的货物,机场工作人员有权要求发货人或收货人进行开包检查。
机场安全生产绩效实施细则为不断强化机场安全管理体系建设,全面落实各项安全生产和空防安全规定,强化安全运行管理,落实安全生产责任,提高xx机场星级服务水平,确保实现安全责任和机场持续安全运行目标,根据《中华人民共和国安全生产法》《中国民用航空安全奖励办法》和《民航华东地区航空安全考核与奖励实施办法》,结合《xx民用航空中心请销假及考勤管理办法》,修订《xx 机场安全生产绩效考核管理办法(实施细则)》。
一、实施目的加强航空安全管理,落实安全生产责任制,激励中心人员保证航空安全的积极性、主动性、自觉性,实现中心管理制度化、规范化、常态化。
二、基本原则公开、公平、公正,实事求是、按绩施奖;责任与绩效对等原则;动态平衡、据实调整原则;部门考核,中心督查,群众监督原则;发生现行标准以外的问题,比照类似条款进行考核或由xx机场安全委员会会议研究决定。
三、考核方法(一)考核实行量化管理,以百分制的计算方法进行加减分根据上级要求、中心安排及各部门安全目标完成情况,对部门负责人、班组长、部门员工进行考核,确定考核分数。
落实安全目标,基础得分100分;根据安全工作落实情况进行加减分,最终确定对考核对象考核得分。
(二)考核加分1.民航部门考核加分(1)对国家重大任务的航空运输保障、协调有力,获得民航安徽监管局、民航华东地区管理局、民航局(或省、部级)、国家级通报表彰的,参与保障部门对应加3、4、5、6分;(2)对在局方指定性工作完成突出,获得民航安徽监管局、民航华东地区管理局、民航局(或省、部级)、国家级通报表彰的,参与保障部门对应加3、4、5、6分;(3)对启动应急救援预案及时、组织实施保障有力,获得民航安徽监管局、民航华东地区管理局、民航局(或省、部级)、国家级通报表彰的,参与保障部门对应加3、4、5、6分;(4)对及时消除重大安全隐患等,获得民航安徽监管局、民航华东地区管理局、民航局(或省、部级)、国家级通报表彰的,参与保障部门对应加3、4、5、6分;(5)获得民航安徽监管局、民航华东地区管理局、民航局(或省、部级)、国家级单项表彰的,参与部门或个人对应加3、4、5、6分;(6)获得民航安徽监管局、民航华东地区管理局、民航局(或省部级)、国家级综合表彰的,参与部门对应加4、5、6、7分;2.省市政府部门考核加分(1)获得市、省单项表彰的,参与部门或个人对应加3、4分;(2)获得市、省综合表彰的,参与部门或个人对应加4、5分;3.中心考核加分(1)对及时消除重大安全隐患的,经xx机场安全委员会研究给予通报表彰的,参与部门或个人加2分;(2)安全隐患排查、SMS安全管理体系、法定自查、质控计划、“平安民航”建设等安全专项活动中表现优秀的,经xx 机场安全委员会研究给予通报表彰的,参与部门、班组或个人分别加2分;(3)在安全运行保障方面做出突出成绩的,经xx机场安全委员会研究给予通报表彰的,参与部门、班组或个人加2分;(4)同一事项获得不同级别奖励,不累积加分,取最高级别奖励予以加分。
机场安全考核制度细则第一章总则第一条为了加强机场安全管理,确保机场运行安全,根据《中华人民共和国民用航空法》、《民用航空安全检查条例》等法律法规,制定本细则。
第二条本细则适用于民用机场(以下简称机场)的安全考核工作。
第三条机场安全考核应当遵循公平、公正、公开的原则,对机场安全管理进行全面、系统的评估。
第二章考核组织第四条民航局负责对全国机场安全考核工作进行统一监督管理。
第五条机场所在地民航地区管理局负责对本辖区内的机场安全考核工作进行监督管理。
第六条机场管理机构应当设立安全考核机构,负责组织实施机场安全考核工作。
第三章考核内容第七条机场安全考核内容包括:(一)机场安全管理体系;(二)机场安全保障能力;(三)机场安全运行状况;(四)机场安全文化建设;(五)其他与机场安全相关的因素。
第八条机场安全管理体系考核主要包括:(一)机场安全管理组织架构;(二)机场安全管理规章制度;(三)机场安全管理流程;(四)机场安全管理培训与教育。
第九条机场安全保障能力考核主要包括:(一)机场硬件设施设备;(二)机场安全检查与监控;(三)机场应急预案与救援;(四)机场信息安全防护。
第十条机场安全运行状况考核主要包括:(一)机场飞行区运行安全;(二)机场航空器地面运行安全;(三)机场旅客运输安全;(四)机场货物运输安全。
第十一条机场安全文化建设考核主要包括:(一)机场安全价值观;(二)机场安全行为规范;(三)机场安全氛围营造;(四)机场安全激励机制。
第四章考核程序第十二条机场安全考核分为年度考核和专项考核。
第十三条年度考核按照以下程序进行:(一)机场管理机构制定年度考核计划,报所在地民航地区管理局备案;(二)机场管理机构组织开展自评,形成自评报告;(三)民航地区管理局组织对机场进行现场考核,形成考核报告;(四)民航局对考核报告进行审核,确定考核结果。
第十四条专项考核按照以下程序进行:(一)机场管理机构根据民航局或民航地区管理局的要求,组织开展专项自评;(二)机场管理机构提交专项自评报告;(三)民航地区管理局组织对机场进行专项考核,形成考核报告;(四)民航局对考核报告进行审核,确定考核结果。
机场细则模板
ZUTR AD 2.1 机场地名代码(ICAO/IATA)和名称
ZUTR/TEN-铜仁/凤凰
ZUTR AD 2.2 机场地理位置和管理资料
ZUTR AD 2.5 可用季节-扫雪
ZUTR AD 2.6 停机坪、滑行道及校正位置数据
ZUTR AD 2.7 地面活动引导和管制系统与标识
ZUTR AD 2.8 地形特征和障碍物
1.地形特征
铜仁凤凰机场地处丘陵地带,机场地势较高,除跑道西南端有一些山头外,周围地势均较低,净空较好。
ZUTR AD 2.12 跑道物理特征
ZUTR AD 2.13 公布距离
ZUTR AD 2.14 进近和跑道灯光
ZUTR AD 2.15 其它灯光,备份电源
ZUTR AD 2.16 直升机着陆区域
ZUTR AD 2.21 本场飞行规定
1. 机场使用规定
本机场可为与中国航空油料有限责任公司西南公司签定供油协议的航空公司航空器提供航油服务。
2. 跑道和滑行道的使用
无
3. 机坪和机位的使用
无。
A类通用机场运行安全管理实施细则第一章总则第一条为保障通用机场安全、正常运行9根据《中华人民共和国安全生产法》《中华人民共和国民用航空法》《民用机场管理条例》《A类通用机场使用许可及运行安全管理办法》等法律、法规和规定9制定本实施细则。
第二条A类跑道型通用机场(以下简称“通用机场”)的运行安全管理9适用本实施细则。
第三条通用机场运营人负责通用机场运行安全的组织协调9并承担相应责任。
通用机场运营人应当与驻场单位签订有关机场运行安全的协议9明确各自的权利、义务和责任9驻场单位应当予以配合。
通用机场所有人、运营人及驻场单位应当按照相互签订的安全生产管理协议9严格履行安全生产管理责任9保障必要的运行安全投入9共同维护通用机场的运行安全。
第四条通用机场运营人应当按照相关规定协调或者配合地方人民政府和其他有关单位建立健全土地开发利用、环境保护(含噪声)、净空保护、鸟击及动物侵入防范等方面的工作机制9保持良好的机场运行环境。
—2—第二章运行安全保障第五条通用机场运营人应当建立并运行机场安全管理体系或者与之等效的安全管理机制。
安全管理体系或者与之等效的安全管理机制至少应当具备以下功能:(一)查明危险源及评估相关风险;(二)制定并实施必要的预防和纠正措施以保持可接受的安全绩效水平;(三)持续监测与定期评估安全管理活动的适宜性和有效性。
第六条通用机场运营人、相关驻场单位应当建立员工资质和定期安全运营培训管理制度9对其进行必要的培训9以保障机场内运行安全关键岗位人员具有相应的业务知识和工作能力。
资质和培训管理制度应当至少包括运行安全关键保障人员资质要求9培训目标、方式、内容和时长等。
通用机场主要负责人、分管安全的负责人、从事运行安全的技术负责人等人员应当按照《民用航空安全培训与考核规定》参加必要的安全培训9并取得考核合格证。
通用机场运营人应当建立运行安全关键保障人员培训档案9记录保存期限不少于两年。
第七条通用机场运营人应当按照本章有关要求和机场使用手册9制定机场使用手册的实施细则。
天津机场机坪运行管理细则A6版第一章总则第一条目的和依据为了规范天津机场机坪运行,确保飞机地面操作的安全和高效,依据国家和民航局的相关规定,制定本细则。
第二条适用范围本细则适用于天津机场机坪及其相关运行管理。
第三条定义本细则中的术语定义按照国家和民航局的有关规定执行。
第二章机坪运行管理的组织和职责第四条领导责任第五条部门职责机坪运行管理部门负责机坪运行的组织、协调和管理工作,具体职责包括但不限于以下几个方面:1.制定机坪运行管理制度和工作规范;2.组织机坪地面操作的协调与安排;3.安排、培训和认证机坪地面操作人员;4.检查机坪运行质量,并对相关问题提出整改意见;5.其他与机坪运行管理相关的事务。
第三章机坪地面操作人员的规定第六条岗位职责机坪地面操作人员根据不同岗位的需求,具体负责以下工作:1.引导飞机滑行;2.协助机组停放飞机;3.确保机组和乘客的安全上下飞机;4.维护机坪设施的清洁和安全;5.其他与机坪地面操作相关的工作。
第七条人员要求机坪地面操作人员应符合以下要求:1.具备相关专业知识和技能,通过国家认可的培训和考核;2.具备良好的身体健康和心理素质,无与机坪地面操作不相适应的疾病和心理障碍;3.具备较高的责任心和团队合作精神;4.具备良好的沟通和协调能力;5.具备良好的英语听说能力,能够与外籍机组成员进行基本交流。
第八条培训和考核机坪地面操作人员应接受系统的培训和考核,包括但不限于以下几个方面:1.熟悉机坪运行管理制度和工作规范;2.掌握机坪地面操作的基本流程和技巧;3.掌握紧急情况下的应急处理方法;4.掌握相关设备的使用方法和维护知识;5.掌握英语基础知识和在机坪操作中的常用词汇和表达方式。
第四章机坪地面操作流程和安全措施第九条地面操作流程机坪地面操作应按照以下流程进行:1.接收驾驶舱活塞门信号;2.执行机坪领航员或航站楼指挥人员的指令,引导飞机滑行;3.协助机组停放飞机,并采取相应的安全措施;4.使用相关设备卸载行李和货物;5.确保机组和乘客的安全上下飞机;6.清理飞机周围的障碍物和垃圾;7.使用相关设备装载行李和货物;8.及时准确地向机坪运行管理部门反馈机坪地面操作情况。
菏泽牡丹机场使用细则中高风险地区的入鲁返鲁人员,进行14天集中隔离。
根据近期XX省和XX市疫情防控政策要求,XX牡丹机场提醒乘坐国内航班的旅客,高风险地区人员暂缓来X;中风险地区人员原则上暂缓来X,如确需出行,须持当地疫情防控指挥部审批证明,并持有48小时内有效新冠病毒核酸检测阴性结果。
对来自中高风险地区和14天内到过或途经中高风险地区的入鲁返X 人员,实行14天集中隔离。
对全域封闭管理地区、与阳性感染者活动的时空轨迹重叠人员、到过或途经中高风险地区人员、同时空伴随人员,参照中高风险地区人员管理。
对发生本土疫情但尚未公布风险等级的,以及经研判认为疫情可能扩散的毗邻地区的,参照中风险地区相关政策执行。
自发生本土疫情地区所在地级市的入(返)X人员,携带48小时内核酸检测阴性证明,抵达目的地后再进行1次核酸检测。
黄码但持这类有效证明,可后排就座、最后下机。
针对入境隔离期满来菏人员,在第一入境点完成14天隔离后,7天之内的来菏人员,XX牡丹机场工作人员与接机专班人员面对面做好交接,县(区)指挥部接人专班接回目的地县(区)集中服务点后,立即进行两次核酸检测(间隔24小时),检测阴性者进行居家健康监测至解除隔离后的第7天,第7天进行1次核酸检测;在省外停留超过7天不满14天的来菏人员,抵达后进行1次核酸;在省外地区停留超过14天后返回的,不再对健康管理和检测作出要求。
为贯彻落实省市防疫要求的措施,航空公司将在旅客购买机票时提前通知旅客,以免影响行程。
如有以下情况,请其提前24小时向目的地社区或接待单位报备:来自中高风险地区和14天内到过或途经中高风险地区的入鲁返鲁人员,须持当地疫情防控指挥部审批证明,并持有48小时内有效新冠病毒核酸检测阴性结果。
来自及14天内到过或途经中高风险地区所在地级市,或发生本土疫情地区所在地级市的入菏返菏者,须持48小时内有效新冠病毒核酸检测阴性证明登机。
体温高于或等于37.3°C的旅客暂不乘机,应到发热门诊就诊。
揭阳机场管理规定细则一、行李携带规定每位旅客的免费行李额根据其舱位等级而定,具体以航空公司公告为准。
行李应妥善包装,避免在运输过程中因挤压、碰撞而损坏。
行李中不得携带违禁品或危险品。
行李超过规定尺寸或重量,需按照航空公司的规定支付超重或超尺寸费用。
二、液态物品携带规定每位旅客可携带少量的液态物品,如化妆品、饮料等,但总量不得超过100毫升。
液态物品需装于透明塑料袋中,每人每次只限带一袋。
医用液体、婴儿食品等特定液态物品,可在符合航空安全要求的前提下携带。
三、安检流程与要求旅客应在规定时间内到达安检区,按照工作人员指引进行安检。
安检过程中,需配合工作人员的检查,将随身携带的物品放入安检设备中。
安检后,请保管好个人物品,避免遗失。
四、禁止携带物品枪支、弹药、管制刀具等危险品。
易燃、易爆、有毒、有腐蚀性、有放射性等危险品。
国家法律法规规定的其他禁止携带的物品。
五、特殊旅客服务残障人士、孕妇、带婴儿的旅客等可提前向航空公司或机场申请特殊服务。
机场设有无障碍设施,为特殊旅客提供便利。
六、航班延误处理因不可抗力或其他原因导致的航班延误,航空公司应及时向旅客公布相关信息。
航班延误时,机场将提供必要的候机服务和协助,如餐饮、住宿等。
七、机场秩序维护旅客应遵守机场秩序,不得在机场内大声喧哗、追逐打闹。
禁止在机场内吸烟、随地吐痰、乱扔垃圾等行为。
八、违规行为处罚违反机场管理规定的旅客,机场工作人员有权进行劝阻、制止,并可根据违规情节的严重程度,按照相关规定进行处罚。
处罚措施包括但不限于警告、限制进入机场、移交公安机关处理等。
请广大旅客遵守揭阳机场管理规定,共同维护机场秩序,确保航班安全顺利。
如有任何疑问或需要帮助,请及时联系机场工作人员。
ZUTR AD 2.1 机场地名代码(ICAO/IATA)和名称
ZUTR/TEN-铜仁/凤凰
ZUTR AD 2.2 机场地理位置和管理资料
ZUTR AD 2.5 可用季节-扫雪
ZUTR AD 2.6 停机坪、滑行道及校正位置数据
ZUTR AD 2.7 地面活动引导和管制系统与标识
ZUTR AD 2.8 地形特征和障碍物
1.地形特征
铜仁凤凰机场地处丘陵地带,机场地势较高,除跑道西南端有一些山头外,周围地势均较低,净空较好。
ZUTR AD 2.12 跑道物理特征
ZUTR AD 2.13 公布距离
ZUTR AD 2.14 进近和跑道灯光
ZUTR AD 2.15 其它灯光,备份电源
ZUTR AD 2.16 直升机着陆区域
ZUTR AD 2.21 本场飞行规定
1. 机场使用规定
本机场可为与中国航空油料有限责任公司西南公司签定供油协议的航空公司航空器提供航油服务。
2. 跑道和滑行道的使用
无
3. 机坪和机位的使用
无。