贴吧采集器使用教程
- 格式:docx
- 大小:1.86 MB
- 文档页数:13
手持采集终端操作方法手持采集终端(Handheld Data Terminal)是一种便携式设备,用于采集和处理数据。
它通常具有小巧的尺寸、轻便的重量和易于使用的界面。
手持采集终端被广泛应用于物流、仓储管理、零售、快递、制造业等领域,能够实现数据的实时采集和传输,提高工作效率和准确性。
以下是手持采集终端的一些基本操作方法:1. 打开设备:按下电源键或将手持终端插入电池。
2. 屏幕操作:手持终端通常配备有触摸屏,可以通过手指或者手写笔进行触摸操作。
在屏幕上轻轻滑动或点击,可以实现菜单选择、数据输入等功能。
3. 导航按钮:手持终端上通常配有多个导航按钮,如方向键、回退键等。
通过这些按钮可以在不同的界面之间进行切换和操作。
4. 键盘输入:某些手持终端还配置了物理键盘,可以通过键盘输入文字、数字、符号等。
在输入过程中,可以使用Shift键或Fn键来切换字符类型。
5. 扫描功能:手持终端通常配备二维码或条码扫描器,可以通过扫描物体上的二维码或条码来获取相关信息。
打开扫描程序,将扫描头对准条码,扫描程序会自动读取条码信息并显示在屏幕上。
6. 数据采集:手持终端可以采集各种类型的数据,如商品信息、库存数量、销售数据等。
通过界面操作或扫描功能,可以方便地录入和采集相关的数据。
7. 数据存储和传输:采集到的数据可以存储在手持终端的内部存储器或外部存储卡中。
另外,手持终端通常也支持无线网络连接,可以通过Wi-Fi、蓝牙或移动网络将采集到的数据传输到其他设备或后台管理系统中。
8. 软件应用:手持终端上预装了一些常用的采集应用软件,例如库存管理、收银、订单查询等。
根据不同的需求,可以选择不同的应用程序进行操作和数据采集。
9. 数据处理:手持终端上的采集数据可以进行实时处理和分析。
例如,在库存管理中,可以通过手持终端实时查询和更新库存信息,提醒补货等。
10. 关闭设备:当使用完手持终端后,应该及时关闭设备以节约电池电量。
数据采集器现场安装及调试操作指南1.安装前准备在开始安装数据采集器之前,需要进行一些准备工作:-确定数据采集器安装的位置,确保其能够方便地接收所需的数据。
-确保现场的电源和网络环境稳定,并且符合数据采集器的要求。
-确认所需的传感器、数据线、接口设备等是否已经准备齐全。
2.安装数据采集器按照以下步骤进行数据采集器的安装:-将数据采集器放置在一个安全、干燥的位置,并确保其与电源和网络正确连接。
-根据数据采集器的接口类型,选择合适的数据线连接传感器和采集器。
-将传感器正确安装在待测测点位置,并将其与数据采集器的数据线连接。
3.现场调试安装完数据采集器后,需要进行现场调试以确保其正常工作:-检查数据采集器的电源和网络连接是否正常,并确保数据采集器能够正常上电和识别网络。
-在数据采集器中设置相关参数,如采样频率、数据存储容量等。
-进行数据采集器的自检,确保传感器与数据采集器的连接是否正常,并能够正确采集数据。
-进行数据采集器的功能测试,检查数据采集器是否能够正常采集、存储和传输数据。
4.故障排除如果在现场调试过程中出现故障,可以按照以下步骤进行排除:-检查数据采集器的电源和网络连接是否正常。
-检查传感器与数据采集器的接口连接是否正确。
-检查数据采集器的设置参数是否正确。
-检查传感器的工作状态,如是否存在损坏或故障。
5.现场验收在完成数据采集器的现场安装和调试后,需要进行现场验收以确保数据采集器正常工作:-检查数据采集器是否能够准确地采集和存储数据。
-检查数据采集器是否能够正常传输数据到远程服务器或存储设备。
-确认数据采集器的各项功能是否正常工作,并与技术要求进行对比。
以上是数据采集器现场安装及调试操作指南。
在进行实际操作时,需要根据具体的设备型号和现场要求进行具体操作,并根据实际情况进行调整和补充。
安装和调试过程中,要注意安全操作,确保人员和设备的安全。
八爪鱼采集软件如何采集论坛帖子的图文攻略
八爪鱼采集器如何采集论坛的帖子及图片的详细操作步骤。
先来看看采集规则市场内的有关论坛方面的采集规则都有哪些?
搜索“论坛”相关的关键词,可以找到Discuz论坛帖子采集和天涯论坛帖子采集两个比较有代表性的论坛类型,当然,如果小伙伴需要采集其他的论坛比如说百度贴吧、晋江文学论坛、新闻论坛等,可以借鉴这两个规则举一反三。
网站也有采集软件相关的视频教程。
以Discuz论坛为例,规则里面只采集了前三页,如果需要修改成采集更多页的话,可以在此处进行修改!
规则中采集的内容为发帖人、帖子标题、帖子内容、查看、回复、发帖内容等字段,小
伙伴们可以根据自己的需要增加或删除字段。
如果需要采集图片则可选择先采集图片的URL 超级链接,再去八爪鱼论坛上下载图片转化工具,将URL批量转换为图片URL。
全部设置完毕之后,点击下一步进入到单机采集调试的环节,来看看采集的成果吧。
天涯帖子采集规则如果要修改,也可以参照上面的方法依次类推。
小伙伴们还可以将八爪鱼采集软件运用到其他类型的论坛上。
采集器使用说明
1.打开采集器通过上下键选择到”消防安全巡查”点击”OK”键进入,
输入巡查人员的工号点击”OK”键,输入巡查人员密码再点击”OK”
键进入到巡查界面.
2.巡查人员巡查点击扫描键对各巡查区域点的条码进行扫描,扫描
后听见“嘀”的一声,再点击“OK”键,会看到所在的这个区域所需要检查的设备及内容,巡查人员要是发现了有问题的设备既在采集器上通过上下键选择到有问题的设备,点击“OK”键进入再通过上下键选择所出现的是什么问题,在所出现的问题选项上点击“OK”键,你会看到所选目的“×”变成“√”既表明已选上,按“C”键返回。
3.如果所查区域没有发现有问题的设备,扫描条码后,点“OK”键
进入之后直接点“C”键返回,点“OK”键确定。
4.巡查完之后,巡查人员将采集器选择到“数据上传下载”之后放
到通信底座上,将火盾消防安全软件打开,采集器会自动将数据传入电脑。
5.“C”键是返回键,“OK”键是确定键,“∧”为向上选择键,“∨”
为向下选择键。
最大的键为扫描键。
红色的是电源键。
以上说明适用于PT850型采集器。
一、接口说明HLW-A33-x无线采集器,支持三路数字量采集(温湿度、光照、温度)、一路RS485信号采集、八路模拟量采集(默认4-20mA)、一路脉冲量采集和一路开关量采集。
其中,模拟量接入特定的模拟量采集通道A1~A8,使用时,模拟量传感器供电线接入V-、V+,信号线接入A1~A8 。
以下是接口示意图。
二、协议说明数据采集协议采用Modbus-RTU协议,功能码为04。
默认情况下,采集器通过RS4852.1 读取数据协议采集器被动模式下,上位机可通过读取协议主动读取数据。
协议格式如下主机发送请求(Hex):02 04 00 01 00 20 A0 212.2 采集器数据报文协议下面举例说明数据协议格式,例子中,采集器子地址为02,下面报文中红色字体部分为寄存器内容:02 04 2C 05 11 02 47 06 11 00 0B 07 11 00 09 08 11 00 09 09 11 00 0A 0A 11 00 0A 0B 11 00 09 0C 11 00 0A 0D 17 08 81 0E 15 00 01 0F 16 00 01 32 96注解:02 ==============================地址码04 ==============================功能码2C ==============================传感器数据长度05 11 02 47 ==========================第1个字节表示通道号,05~0C分别对应模拟量通道A1~A8;第2个字节表示数据类型,11表示电流,10表示电压;第3、4个字节表示模拟量数值,如0247转换为十进制再除以偏正值(电流的偏正值是147)就得到电流值3.96mA。
……传感器数据格式依此类推32 96 ===========================CRC16校验三、快速上手第一步,连接传感器,以模拟量A1通道采集为例,将传感器线供电线正负接线分别连接到V+、V-接口,传感器信号线连接到A1接口。
一、概述1、引言该采集器应用于电力用户用电信息采集系统,完成对RS485电表的集中抄表。
产品以RS485总线、宽带PLC及以太网上行,支持红外输入以及通过RS485接口进行设备配置。
适应于环境温度为-25℃~+55℃、相对湿度10%~100%。
2、系统原理采集终端主要由三部分组成:电源单元、处理单元、通信单元,框图如下图所示。
红外接口RS485口二、性能和参数指标1、电源1.1 供电方式采集终端采用单相电源供电方式:额定电压:220V,在偏差±20%的范围内能正常工作。
频率:50Hz,在偏差-6%~+2%的范围内能正常工作。
注意:数据集中器和采集终端必须接在同一变压器下。
1.2 功耗采集终端在非传输状态下视在功率不大于5V A,有功功率不大于3W。
2、输出回路2路485通信接口,接口与内部电路电气隔离,用于抄本地电表。
4、运行环境正常工作温度:-25℃~+55℃三、功能1.3采集器功能1.3.1数据采集采集器能按集中器设置的采集周期自动采集电能表数据。
1.3.2数据存储采集器能分类存储数据,形成总及各费率正向有功电能示值等历史日数据,保存重点用户电能表的最近24小时整点总有功电能数据。
1.3.3参数设置和查询可远程查询或本地设置和查询下列参数:a) 支持广播对时命令,对采集器时钟进行校时。
b) 支持设置和查询采集周期、电能表通信地址、通信协议等参数,并能自动识别和适应不同的通信速率。
c) 能依据集中器下发或本地通信接口设置的表地址,自动生成电能表的表地址索引表。
1.3.4事件记录采集器能记录参数变更、抄表失败、终端停/上电等事件。
1.3.5数据传输数据传输功能内容如下:a)可以与集中器进行通信,接收并响应集中器的命令,向集中器传送数据。
b) 中继转发,采集器支持集中器与其它采集器之间的通信中继转发。
c) 通信转换,采集器可转换上、下信道的通信方式和通信协议。
d) 对于有存储功能的采集器,,对重要数据的传输应有安全防护措施。
数据采集软件使用说明以下是数据采集软件的使用说明:1.安装和启动软件2.配置数据源在启动软件后,用户需要配置数据源。
数据源可以是各种数据库、网站、文件等。
用户可以根据自己的需求选择相应的数据源,并输入相应的连接信息。
如需采集网站数据,还需要填写网站的URL地址。
3.设置采集规则在配置完数据源后,用户需要设置采集规则。
采集规则定义了从数据源中获取数据的方式。
用户可以定义采集的范围、字段等信息。
一般来说,采集软件都提供了可视化的界面,用户可以通过拖拽、填写表单等方式来设置采集规则。
4.运行采集任务在设置完采集规则后,用户可以点击“运行”按钮来启动数据采集任务。
软件会按照用户设置的规则自动从数据源中采集数据。
采集过程中,用户可以实时查看采集进度和采集结果。
一般来说,软件会提供日志记录功能,用户可以查看日志来了解采集过程中是否有错误或异常情况发生。
5.数据清洗和整理数据采集完成后,用户需要对采集到的数据进行清洗和整理。
数据采集软件一般提供了丰富的数据处理功能,如去重、去除空值、数据转换、数据合并等。
用户可以根据自己的需求选择相应的数据处理操作,并进行相应的设置。
6.数据存储和导出清洗和整理完数据后,用户可以选择将数据存储到数据库、文件或其他数据存储介质中。
数据采集软件一般支持各种常见的数据存储格式,如CSV、Excel、数据库等。
用户可以根据自己的需求选择相应的数据存储方式,并进行相应的设置。
7.数据分析和应用最后,用户可以将采集和处理好的数据用于进一步的数据分析和应用。
用户可以使用各种数据分析工具对数据进行统计、分析等操作,并根据分析结果做出相应的决策。
数据采集软件提供了丰富的导出功能,用户可以将数据导出到各种常见的数据分析软件中进行进一步处理。
总结:数据采集软件是一种非常实用的工具,可以帮助用户快速、高效地采集所需的数据,并进行处理和整理。
用户只需通过简单的配置和设置,就可以实现对各种数据源的数据提取和整理。
IC消费采集器操作说明书1.按下采集器最右边第一个power按纽开机,开机后屏幕会显示“欢迎使用采集器,请操作”,屏幕下方会显示出当前的时间和日期。
2.按下采集器上ENTER键可以进入机器的设置界面。
会提示:请输入密码:_ _ _ _,输入采集器的原始密码0000进入设置界面,进入后主菜单会显示保留方式采集消费记录——删除方式采集消费记录——补采方式采集消费记录——下传时间——统计流水——清除本机记录——下传黑名单——下传解除黑名单——清除消费机黑名单——获取消费机黑名单总数——更改密码——清除消费机记录——下传单卡间隔时间——下传双卡间隔时间——下传刷卡显示时间——下传折扣率——初始化刷卡密码——设置刷卡密码——下传设置终端地址3.保留方式采集消费记录,按’ENTER’确认:采集完消费机内的记录后会保留消费机内的记录。
如要取消操作,可按’Back’返回菜单级目录或是按’ESC’键退出菜单目录回到开机状态.以下均同。
4.删除方式采集消费记录,按’ENTER’确认:采集完消费机内的记录后会删除消费机内的记录5.补采方式采集消费记录,按’ENTER’确认:采集消费机内的记录,从第一条记录采集到5999条,没有记录的将会采集空记录。
6.下传时间,按’ENTER’确认:将采集器的时间下传给消费机。
7.统计本机流水,按’ENTER’确认:统计采集器内的记录数。
8.清除本机记录,按’ENTER’确认:删除采集器内的记录。
9.下传黑名单,按’ENTER’确认:将采集器的黑名单信息下传给消费机。
(从采集器到车载机:采集器每次下发100条.下传后,会有一个提示:是否删除黑名单存储区?按‘0’代表取消,‘1’代表确认,按完后,按回车确认.‘0’的意思是:采集机里的黑名单不被清除,可以继续传给其他公交机.如果不取消,如果有新的名单进来,不管是否有重复,都会连以前的数据一起发送给公交机.(建议:从电脑发送数据时,先清除采集器的黑名单)‘1’的意思是:清除采集机里的黑名单.)一般按‘0’来操作。
数据采集器的使用方法及注意事项一、保证数据采集器的两块电池为满电状态。
二、带读卡器。
三、开机---用户名:000000---密码:888888---盘点管理---数据清空---F4:删除所有数据,C删除选择行---盘点开始前要删除盘点机内所有数据,并要删除卡内原有数据。
四、商品扫描---输入箱号为四位数,鞋用1开头,服用2开头---将光标点到条码处,即可开始扫码。
五、注意要少建设箱号,一大片区域建一个箱号就行。
记清每箱号内是鞋或服。
导入数据时是鞋或服分别建单的。
六、要更改某个商品数量时,用光标选中该条码,F4修改数量。
七、数据查询---盘点查询---表一---可查出各个箱号中的数量,通过此处合计出鞋或服的总数量,与记录的数量进行比较,如数量差得较多,让店铺人员查找是否有未点到的商品。
八、数据采集完成后---盘点单---OK导出单个---F4导出全部。
盘点结果的数据生成一、盘点前要将之前所有单据全部完成,盘点结果未生成前,禁止一切单据的录入(包括销售及调拨)二、统计出盘点前该店铺,男鞋、女鞋、男服、女服、配件的数量,做记录。
三、如全部盘点,选择分店整仓大盘点;部分盘点时选择局部小盘点。
四、存货管理---分店盘点---分店整仓大盘点盘点日期更改为前一天---业务范围选择(鞋或服)---开始整仓大盘点---建立一张新的单据五、打开一张新的单据---查询全部---盘点机接口---选择文件导入---在电脑中找到内存卡---找到AUTORUN---盘点---DATA---选择要导入的文件---打开---将文件中的条码转到数据接口---退出---查询全部---数据接口---导入---是---导入完毕后保存。
六、将所有商品导入完成后---单据打印---打印盘点差异单(按款)---确定---通过此表可以看出差异,正数为多货,负数为少货。
记录下来,让店铺再去查找。
(也可以右键,导出EXCEL 表,编排、筛选后保留差异的货号及数量。
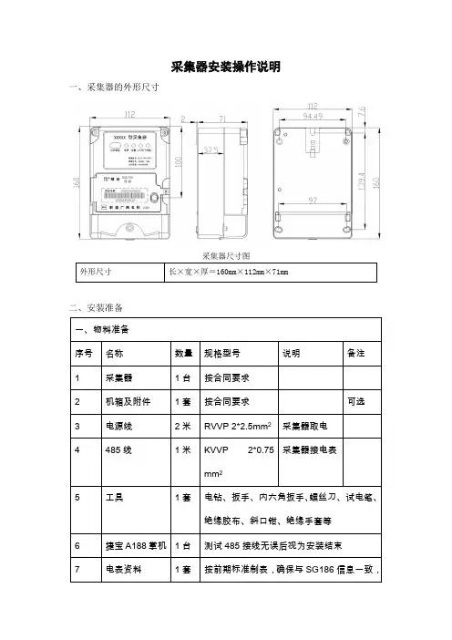
采集器安装操作说明一、采集器的外形尺寸采集器尺寸图二、安装准备三、确定安装位置观察现场安装环境,测量空间尺寸,确定采集器的安装位置,确定是否需要加装设备箱。
由于居民户电表箱种类众多,采集器的安装环境比较复杂,主要分为需要加装设备箱后在设备箱内安装采集器和电表箱内直接安装采集器的两种安装方法。
加装设备箱的采集器安装如下图,这种表箱箱内空间较小,可在表箱旁边加装一个设备箱,并将采集器固定安装在设备箱内。
采集器设备箱可贴面安装在电表箱旁边的墙壁,采集器直接安装在电表箱内的如下图,主要适用于电表箱内空间较大,表箱内能较好的放置固定采集器的情况。
集中表箱箱内空间一般都比较大,可将采集器和电表一样挂装在电表箱内。
四、设备安装步骤(1)采集器安装固定将采集器固定安装在指定的位置。
●需加装采集器机箱的情况在机箱固定安装完毕后,再将采集器安装到机箱内。
●直接在表箱内安装的;在电表箱内选择易于操作的位置,对照采集器上挂钩中间位置用6mm 钻头钻一个孔,将采集器垂直悬挂在挂钩螺钉上,并用扎带扎紧。
确保采集器牢固地固定在表箱内。
(2)停电所有的接线安装工作都必须在停电的状态下进行,断开电表箱进线端空气开关,经验电已断开后方可工作。
(3)接线采集器共有两组线需要安装;在安装箱体以外的485线和供电线都要加装PVC管保护。
接线示意图如下图I型采集器接线示意图接线端子功能标识采集器通过抄表RS-485串口采集电表的数据。
RS-485 通信线采用2 芯屏蔽通信线,线径不小于Φ0.5mm。
采集器RS-485接口的A 端(即:RS-485 的“+”极)与电表RS-485 接口的A 端(或A+端)相连,RS-485接口的B 端(即:RS-485 的“-”极)与电表RS-485 接口的B 端(或A-端)相连,在集中表箱有多个电表情况下,电表之间485线通过串接的方式最后接入采集器。
(强调:电表之间485线不小于30cm,485线接口需十字交叉拧成4股接入电表485口。
八爪鱼爬虫详细使用教程作为一款简单易用的网页数据采集工具,八爪鱼的强大功能早已深入人心。
为了让更多人学会使用八爪鱼,小编整理了一个以采集百度贴吧帖子内容为例的教程,提供给大家操作学习。
本文以采集百度贴吧帖子内容为例,介绍八爪鱼爬虫的使用教程。
在这里仅仅以其中一个帖子举例说明:旅行贴吧的某个帖子(【集中贴】2018年1、2月出发寻同行的请进来登记)采集内容包括:贴吧帖子内容,贴吧用户昵称使用功能点:●创建循环翻页●修改Xpath步骤1:创建百度贴吧帖子内容采集任务1)进入主界面,选择“自定义采集” 2)将要采集的网站URL复制粘贴到输入框中,点击“保存网址”步骤2:创建循环翻页1)网页打开以后,鼠标下拉到最底部,选择下一页,提示框中选择“循环点击下一页”2)鼠标选中帖子的回复,在右面的提示框中选择“选中全部”2)如果要采集贴吧的其他信息,也可以选择,这里选择的是贴吧昵称,贴吧昵称。
接着选择“采集元素”,把不必要的字段删除。
步骤3:修改XPATH1)保存采集后发现有些帖子内容没有正确采集,所以需要修改XPATH,打开右上角的流程按钮2)点击循环选项,“循环方式”选择“不固定元素列表”,“不固定元素列表”填入XPATH://div[@class="l_post j_l_post l_post_bright "]。
2)点击“提取数据”,修改贴吧帖子内容XPATH。
选中帖子内容字段,依次点击“自定义数据字段”->“自定义元素定位方式”,并设置:元素匹配的XPATH://div[@class="l_post j_l_post l_post_bright "]//div[@class="d_post_content j_d_post_content clearfix"]相对XPATH://div[@class="d_post_content j_d_post_content clearfix"]选中帖子内容字段自定义数据字段位置帖子内容字段数据提取xpath设置3)修改贴吧用户昵称XPATH。
WINCE采集器说明书目录标准配置 (3)注意事项 (4)安全注意事项 (4)使用注意事项 (6)电池信息 (7)性能参数 (8)熟悉产品 (10)产品外观 (10)键盘 (11)手机卡、SD卡如何安装 (12)电源 (13)如何安装电池 (13)批处理使用 (15)WIFI、GPRS使用 (18)二次开发介绍 (23)标准配置·采集器1 部·手写笔1 支·锂电池 1 块·安全绳 1 条·USB数据线 1 条·充电器 1 个注意事项安全注意事项·拆解和改装请不要擅自拆解或改装设备部件,由此导致的设备损坏,本公司不承担保修责任。
·外接电源请使用设备自带的电源适配器,否则设备有损坏的危险。
·异常情况远离火源,充电时,当您发现有异常气味,出现过热或烟雾的情形时,请立刻关闭电源并从交流电插座上拔出插头,并与您的经销商或我们的客户服务中心联系。
继续使用有起火、电击的危险。
·跌落损坏如果设备跌落地面并发生损坏,请立刻关掉电源,并与您的经销商或我们的客户服务中心联系。
·液晶显示屏请不要重压或撞击液晶显示屏,以免导致液晶面板的玻璃破碎。
如果液晶面板的玻璃碎了,请不要触摸渗出的液体,以免造成皮肤烧伤和感染。
·放置地点请不要将设备放置在不平或不稳的地方,以免造成设备跌落,造成人身伤害。
请不要将设备放置在大量灰尘或湿气的地方,这可能导致电击或起火的危险。
请不要将设备长时间放置在阳光可以直射的地方。
·使用场合由于设备的无线模块所辐射的电磁波会影响一些仪器的使用,所以严禁使用无线设备的场合,如飞机、加油站,切勿使用设备的无线功能。
使用注意事项·请不要将设备乱扔、跌落、撞击,以免造成液晶显示屏损坏、程序中断执行、存储器数据丢失或其他影响正常操作的后果。
·请不要触摸扫描窗口的透光玻璃,以免划伤或弄脏玻璃,影响识读性能。
采集器使用说明(销售机)一.操作界面1.点击“开始”2.进入主菜单,选择“2.数据库盘点”3.进入数据库盘点,选择“2.仓库列表”4.进入仓库列表,选择对应仓库点击“进入”然后进入以下数据库盘点界面,当我们使用机器前都要把机器里面盘点的数据全部删除,按“4”盘点清空。
1.盘点:(清除数据后直接进入盘点,可手动输入条码,或按中间健(SCAN)录入)2.盘点清单:(当你盘点或录入时想看看前面盘点或录入什么东西就可以查的到,也可以在里面修改数量,)3.无线导出数据:(机器有配了一个无线基站,当我们要导出数据出来时,只要插上无线基站到电脑上,我们按“发送”电脑就能收到你发送的东西)4.盘点清空:(这里就是我们刚才说的,使用机器前,必须要删除掉里面的东西,不然你输入的东西他也会在里面跟你的东西混合,)二.销售操作步骤:1.首先清空之前数据,1.1先进入到“数据库盘点界面”1.2选择“盘点清空”1.3进入到盘点清空界面,选择“确认”1.4显示盘点清空2.销售货物流程,2.1先进入到“数据库盘点界面”2.2选择“盘点”2.3进入“条码扫描”状态2.31点击“SCAN”键,进入条码扫描2.32扫描后通过选择方向键“▼▲”对货物确认,然后选择“输数量”进入盘点数量:输入数量后选择“覆盖”2.4进入“条码输入”状态2.41输入货物对应条码:例如,69081576181030;(注意输入时应细心)然后点击“ENT”键,进入货物信息界面2.42扫描后通过选择方向键“▼▲”对货物确认,然后选择“输数量”进入盘点数量:输入数量后选择“覆盖”3.销售第二或更多货物,3.1处于货物信息界面,首先选择“退出”,进入“数据库盘点界面”3.2销售货物操作按“销售货物流程”操作4.货物确认(盘点清单)4.1进入“数据库盘点界面”,选择“盘点清单”4.2进入盘点清单,可通过选择方向键“▼▲”对货物确认5.修改货物数量或者删除货物数量:5.1进入“盘点清单”,通过选择方向键“▼▲”选择需要修改货物5.2找到修改货物,按“F1”键,输入货物对应数量,然后选择“确定”即可。
文档编号COMSENZ-SS07-001版本号V1.1文档名称:采集器使用帮助产品名称:SupeSite/X-Space康盛创想(北京)科技有限公司目录第1章引言 (3)1.1.编写目的 (3)1.2.内容说明 (3)1.3.系统基本信息 (3)1.4.参考资料 (3)第2章功能征述 (3)2.1.模块功能 (3)2.2.运行环境 (4)2.2.1.服务器 (4)2.2.2.客户机 (4)第3章管理员后台简述 (5)第4章采集器 (6)4.1.采集器 (6)4.1.1.概述 (6)4.1.2.操作指南 (7)4.1.3.界面介绍 (7)4.1.4.信息采集菜单 (8)4.1.5.采集器 (8)第5章配置采集规则 (9)5.1.规则配置界面 (9)5.2.配置采集规则 (9)5.2.1 基本设置 (11)5.2.2 列表页面采集设置 (12)5.2.3 内容页面采集设置 (20)5.3.附录 (27)第1章引言1.1. 编写目的SupeSite/X-Space采集器用户操作手册主要对SupeSite的采集功能及操作方法做详细的说明,本操作手册适合使用的读者为本系统的站长、SupeSite后台管理人员及相关使用人员。
在用户使用过程中起参考和指导帮助作用。
1.2. 内容说明采集器操作手册提供站点管理员使用与参考、普通用户可以不必了解其中的配置说明1.3. 系统基本信息系统名称:SupeSite/X-Space开发公司:康盛创想(北京)科技有限公司1.4. 参考资料此操作手册在编写过程中参考了如下资料:《软件工程》《系统概要设计》《系统详细设计》第2章功能征述2.1. 模块功能采集器主要是实现SupeSite对于资讯内容的有效摘录提供一个便捷、快速的填充。
涵盖速建资讯门户为核心的门户领域,倡导“个性化、智能化、快速化”的设计理念,实现门户站点的丰富性,提高资讯的快速聚合。
2.2. 运行环境2.2.1.服务器平台-Microsoft Windows Server及以上-Linux软件-Apache或IIS-PHP-ZendOptimizer-Discuz!论坛数据库-MySQL2.2.2.客户机平台-Windows98/NT/2000及以上版本软件-Web浏览器:Microsoft IE 6.0及以上版本-FireFox及以上版本内存-128MB 建议256MB可用硬盘存储空间:-150MB ,建议200MB以上。
采集器安装操作说明一、采集器的外形尺寸采集器尺寸图外形尺寸长×宽×厚=160mm×112mm×71mm二、安装准备一、物料准备序号名称数量规格型号说明备注1 采集器1台按合同要求2 机箱及附件1套按合同要求可选3 电源线2米RVVP 2*2.5mm2采集器取电采集器接电表4 485线1米KVVP 2*0.75mm25 工具1套电钻、扳手、内六角扳手、螺丝刀、试电笔、绝缘胶布、斜口钳、绝缘手套等1台测试485接线无误后视为安装结束6 捷宝A188掌机三、确定安装位置观察现场安装环境,测量空间尺寸,确定采集器的安装位置,确定是否需要加装设备箱。
由于居民户电表箱种类众多,采集器的安装环境比较复杂,主要分为需要加装设备箱后在设备箱内安装采集器和电表箱内直接安装采集器的两种安装方法。
加装设备箱的采集器安装如下图,这种表箱箱内空间较小,可在表箱旁边加装一个设备箱,并将采集器固定安装在设备箱内。
采集器设备箱可贴面安装在电表箱旁边的墙壁,采集器直接安装在电表箱内的如下图,主要适用于电表箱内空间较大,表箱内能较好的放置固定采集器的情况。
集中表箱箱内空间一般都比较大,可将采集器和电表一样挂装在电表箱内。
四、设备安装步骤(1)采集器安装固定将采集器固定安装在指定的位置。
●需加装采集器机箱的情况在机箱固定安装完毕后,再将采集器安装到机箱内。
●直接在表箱内安装的;在电表箱内选择易于操作的位置,对照采集器上挂钩中间位置用6mm 钻头钻一个孔,将采集器垂直悬挂在挂钩螺钉上,并用扎带扎紧。
确保采集器牢固地固定在表箱内。
(2)停电所有的接线安装工作都必须在停电的状态下进行,断开电表箱进线端空气开关,经验电已断开后方可工作。
(3)接线采集器共有两组线需要安装;在安装箱体以外的485线和供电线都要加装PVC管保护。
接线示意图如下图I型采集器接线示意图1 A相线端子(单相供电时可作为火线端子)7 预留2 B相线端子8 预留3 C相线端子9 抄表485A4 N零线端子10 抄表485B5 预留11 维护485A6 预留12 维护485B接线端子功能标识采集器通过抄表RS-485串口采集电表的数据。
采集器安全操作及保养规程采集器作为一种数据获取设备,广泛应用于各种行业,如农业、航空、海洋、地质、建筑、环保等领域。
在使用采集器时必须注意安全操作,以及定期维护保养,以确保其长期稳定运行并且满足所需数据质量。
一、安全操作1. 熟悉设备及其功能在使用采集器前,必须先熟悉采集器及其功能,并按照说明书正确连接和设置采集器。
如果对采集器不熟悉,应该先阅读采集器说明书,了解采集器的结构、功能、使用方法及警告事项。
2. 选好采集点及环境在采集数据时,应根据需要选择正确的采集点,并且保持良好的环境条件,避免影响采集器的数据质量。
应该避免以下情况:•某些采集点需要特别考虑安全要求,如高空、致病区、危险区域等;•采集点周围环境应该干燥、无尘、无震动、无干扰源;•如果需要在室外使用采集器,则需要根据气象条件选择合适的时间和地点进行采集。
3. 使用采集器配件采集器部分配件的使用不能随意更换或替代,否则会影响采集器的性能、结果、甚至损坏采集器。
使用采集器时应该使用采集器原配件。
4. 正确连接电源和地线在连接采集器电源时,应该确保电源正常、适配正确,并且采集器在工作过程中不会发生电压过高、过低、电流过载等现象。
同时,还需要将采集器的地线连接好,以保证电气安全。
5. 合理使用采集器在使用采集器时,应采取以下措施:•保持采集器清洁、无水、无尘、无油,否则会影响采集器的精确性和灵敏度;•避免放置在潮湿、酸性、高温、低温、强磁场等环境下;•避免外力震动、撞击、扭曲、挤压等,以免损坏采集器。
二、保养规程1. 检查采集器状态在使用采集器前,必须检查采集器各部分是否完好以及是否存在磨损、漏气、锐利、生锈等现象。
特别是传感器、线路连接件、供电电池等部件,应检查其质量和状态,确保其正常工作。
2. 定期校准采集器在使用过程中会受到外界环境和时间因素的影响,导致采集器的性能逐渐变差。
因此,周期性的校准是至关重要的,可以保证采集器精度和稳定运行。
贴吧采集器使用教程
本文介绍使用八爪鱼采集器采集百度贴吧帖子内容的方法。
在这里仅仅以其中一个帖子举例说明:
旅行贴吧的某个帖子(【集中贴】2018年1、2月出发寻同行的请进来登记)
采集内容包括:贴吧帖子内容,贴吧用户昵称
使用功能点:
●创建循环翻页
●修改Xpath
步骤1:创建百度贴吧帖子内容采集任务
1)进入主界面,选择“自定义采集”
2)将要采集的网站
URL复制粘贴到输入框中,点击“保存网址”
步骤2:创建循环翻页
1)网页打开以后,鼠标下拉到最底部,选择下一页,提示框中选择“循环点击下一页”
2)鼠标选中帖子的回复,在右面的提示框中选择“选中全部”
2)如果要采集贴吧的其他信息,也可以选择,这里选择的是贴吧昵称,贴吧昵称。
接着选择“采集元素”,把不必要的字段删除。
步骤3:修改XPATH
1)保存采集后发现有些帖子内容没有正确采集,所以需要修改XPATH,打开右上角的流程按钮
2)点击循环选项,“循环方式”选择“不固定元素列表”,“不固定元素列表”
XPATH://div[@class="l_post j_l_post l_post_bright "]。
填入
2)点击“提取数据”,修改贴吧帖子内容XPATH。
选中帖子内容字段,依次点击“自定义数据字段”->“自定义元素定位方式”,并设置:
元素匹配的XPATH:
//div[@class="l_post j_l_post l_post_bright "]//div[@class="d_post_content j_d_post_content clearfix"]
相对
XPATH:
//div[@class="d_post_content j_d_post_content clearfix"]
选中帖子内容字段
自定义数据字段位置
帖子内容字段数据提取xpath
设置
3) 修改贴吧用户昵称XPATH 。
选中贴吧用户昵称字段,依次点击“自定义数据
字段”->“自定义元素定位方式”,并设置:
元素匹配的XPATH:
//div[@class="l_post j_l_post l_post_bright "]//li[@class="d_name"]/a 相对XPATH:
//li[@class="d_name"]/a
选中贴吧用户昵称字段
步骤5:百度贴吧帖子内容数据采集及导出
1)打开流程按钮,修改采集字段名称,点击“保存并开始采集”
启动本地采集
集完成后,会跳出提示,选择“导出数据”选择“合适的导出方式”,将采集好的数据导出,这里我们选择excel 作为导出为格式,一份完好的百度贴吧帖子内容就采集好了,数据导出后如下图
本文来自于:
/tutorialdetail-1/tiebashendu.html
相关采集教程:
八爪鱼采集遇到无下一页,数字翻页的解决方法:
/tutorialdetail-1/szfy_7.html
百度地图坐标内容采集方法:
/tutorialdetail-1/bddtzbcj.html
淘宝商品采集:
/tutorialdetail-1/tbspxx_7.html
新浪微博发布内容采集方法:
/tutorialdetail-1/xlwbcj_7.html
八爪鱼7.0教程——查看数据和导出数据:
/tutorialdetail-1/cksj_7.html
天猫店铺数据采集方法:
/tutorialdetail-1/tmdpcj-7.html
大众点评商家数据采集详细教程:
/tutorialdetail-1/dzdp2_7.html
八爪鱼——90万用户选择的网页数据采集器。
1、操作简单,任何人都可以用:无需技术背景,会上网就能采集。
完全可视化流程,点击鼠标完成操作,2分钟即可快速入门。
2、功能强大,任何网站都可以采:对于点击、登陆、翻页、识别验证码、瀑布流、Ajax脚本异步加载数据的网页,均可经过简单设置进行采集。
3、云采集,关机也可以。
配置好采集任务后可关机,任务可在云端执行。
庞大云采集集群24*7不间断运行,不用担心IP被封,网络中断。
4、功能免费+增值服务,可按需选择。
免费版具备所有功能,能够满足用户的基本采集需求。
同时设置了一些增值服务(如私有云),满足高端付费企业用户的需要。