母线选用规范
- 格式:doc
- 大小:489.00 KB
- 文档页数:15
220kv封闭母线标准220kV封闭母线的标准主要包括以下几个方面:1.导体和外壳的材质和结构:220kV封闭母线的导体和外壳一般采用铝管结构,外壳通常采用钢板或铝板焊接而成。
导体和外壳的材质和结构应满足机械强度、耐腐蚀、防火等要求。
2.尺寸和规格:根据具体应用场景和电流容量要求,220kV封闭母线的尺寸和规格有所不同。
一般来说,封闭母线的导体截面面积较大,以满足大电流的传输要求。
外壳的直径和长度根据实际需要而定。
3.电气性能:220kV封闭母线的电气性能应符合相关标准和规范,如耐压等级、绝缘电阻、温升等。
在运行过程中,封闭母线应具有良好的电气性能,保证电流传输的稳定性和安全性。
4.防护等级:根据应用环境和安全要求,220kV封闭母线的防护等级应达到IP54以上,以保证母线在恶劣环境下能够正常运行。
5.附件和配套设备:220kV封闭母线应配备必要的附件和配套设备,如绝缘子、支架、紧固件等。
这些附件和设备应与主体相匹配,以保证整个系统的稳定性和安全性。
6.制造工艺:220kV封闭母线的制造工艺应符合相关标准和规范,包括焊接、防腐、涂装等方面的要求。
在制造过程中,应确保母线的质量和性能符合标准要求。
7.试验和验收:220kV封闭母线应进行必要的试验和验收,包括型式试验、出厂试验和现场验收等。
试验和验收应按照相关标准和规范进行,以确保母线产品的质量和性能符合要求。
总之,220kV封闭母线的标准是多方面的,包括导体和外壳的材质和结构、尺寸和规格、电气性能、防护等级、附件和配套设备、制造工艺以及试验和验收等方面的要求。
在设计和制造过程中,应充分考虑这些标准要求,以确保母线产品的质量和性能符合标准要求。
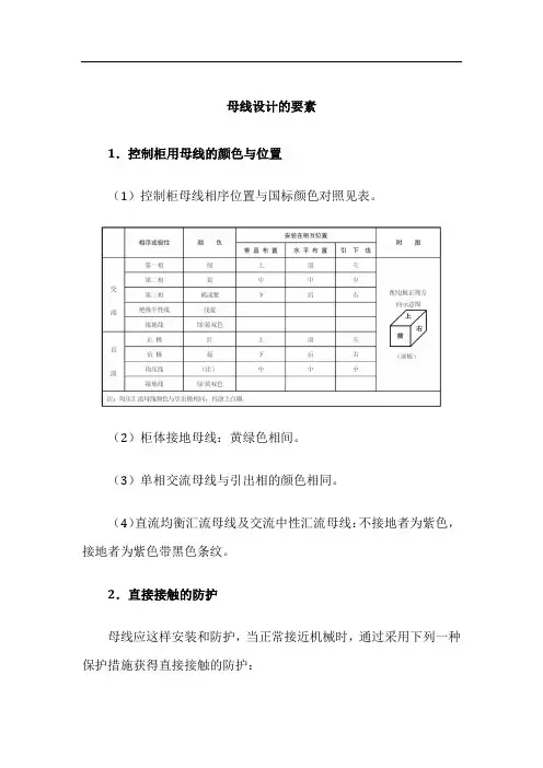
母线设计的要素
1.控制柜用母线的颜色与位置
(1)控制柜母线相序位置与国标颜色对照见表。
(2)柜体接地母线:黄绿色相间。
(3)单相交流母线与引出相的颜色相同。
(4)直流均衡汇流母线及交流中性汇流母线:不接地者为紫色,接地者为紫色带黑色条纹。
2.直接接触的防护
母线应这样安装和防护,当正常接近机械时,通过采用下列一种保护措施获得直接接触的防护:
•带电部分用局部绝缘防护。
如采用绝缘母线,但有的场合这是行不通的;
•外壳或遮栏的防护等级至少为IP2X,容易被触及的遮栏或外壳的水平顶面的防护等级至少达到IP4X。
如果达不到所要求的防护等级,可采用把带电部分置于伸臂以外的防护与符合国家标准规定的紧急断开相结合。
母线应按下列要求放置和保护:防止接触,尤其是无防护的母线与如拉线开关的绳、卸荷装置和传动链等导电物体要防止接触,要防止负载摆动的危害。
10kv母线的制作标准包括以下几个方面:
1.材料要求:母线应采用符合国家标准和相关电瓷产品技术条件的绝缘材料,如铜、铝母线。
母线的机械性能和电阻率应符合表1的要求。
母线的
表面应光洁平整,不应有裂纹、折皱、夹杂物及变形和扭曲现象。
2.施工准备:在施工前,应准备好所需的材料和工具,如母线煨弯器、电焊、气焊工具、钢锯、电锤、砂轮切割机、台钻、手电钻、板锉、钢丝刷、
木锤、力矩扳手、铜丝刷等。
同时,应对电气设备进行检查和试验,确保其符合设计要求。
3.工艺流程:母线的制作应按照一定的工艺流程进行,包括放线测量、支架及拉紧装置制作安装、绝缘子安装、母线的制作、母线的连接、母线安
装、母线涂色刷油等步骤。
4.放线测量:在现场根据母线及支架敷设的不同情况,核对是否与图纸相符。
放线测量时应核对沿母线敷设全长方向有无障碍物,有无与建筑结构
或设备管道、通风等安装部件交叉现象。
5.安装要求:母线的安装应符合设计要求,与设备上其它部件的安全距离应符合要求。
同时,母线与设备连接应牢固可靠,不应有松动现象。
6.验收标准:母线的制作完成后,应按照相关标准进行验收。
验收时应检查母线的外观质量、尺寸精度、电气性能等方面是否符合要求。
总之,10kv母线的制作标准包括材料要求、施工准备、工艺流程、放线测量、安装要求和验收标准等方面。
在制作过程中,应严格遵守这些标准,确保母线的质量和安全性能。
管网母线技术规范及要求1. 引言本文档旨在规范管网母线技术,确保其安全、高效运行。
母线技术是管网系统的重要组成部分,对于管网的输送能力和可靠性起着关键作用。
2. 技术规范2.1 母线选材- 母线材料应具备良好的导电性能和电气绝缘性能。
- 母线材料的选用应符合国家标准和相关规范。
2.2 母线敷设- 母线应按照设计要求进行敷设,确保线路路径明确、有序。
- 母线敷设时应避免与其他设备和构筑物发生相互干扰。
2.3 母线接头- 母线接头应采用可靠的连接方式,确保接触电阻低、电气连接可靠。
- 母线接头的材料应符合相关规范,具备良好的耐久性和耐腐蚀性。
2.4 母线保护- 在必要的位置上应设置母线保护装置,用于监测母线的电流、电压等参数,及时发现并解决潜在问题。
- 母线保护装置应具备快速动作和可靠的断电功能,以保护母线和相关设备。
3. 技术要求3.1 电气接地- 母线系统应进行良好的电气接地,确保系统的安全运行。
- 电气接地应符合国家标准和相关规范,保证接地电阻符合要求。
3.2 通风散热- 母线的敷设位置应合理选择,保证通风散热条件良好。
- 母线敷设时应避免堆积其他物体,影响散热效果。
3.3 定期检查与维护- 对母线系统应进行定期检查和维护,确保其正常运行。
- 定期检查应包括对母线材料、接头、保护装置等进行检测,及时发现并解决问题。
4. 总结本文档对管网母线技术规范及要求进行了阐述。
通过遵循本文档的规定,可以确保管网母线的安全、高效运行,提高管网系统的可靠性和输送能力。
以上规范和要求应成为管网母线技术的参考依据。
户内高、低压成套开关柜母线设计规范一、前言母线是指在成套开关柜中用来作为连接柜间以及柜内各电气设备进行汇集、分配和传送电能的导体。
在发生短路故障时要承受短路电流造成的发热和电动力作用,是作为高、低压成套电器中重要的一次元件。
二、母线的类型、颜色、布置及其载流量影响因素2.1 开关柜用母线按其横截面分为:矩形、圆形(或双D形)和槽形母线三种;当母线的横截面积相同时,矩形母线的周长要比圆形母线大,其散热效果好,冷却条件好。
而且,在一定允许温度下,矩形母线所通过的电流要比圆形母线大,圆形母线的集肤效应较强,而矩形母线比较均匀。
因此成套开关柜内一般都采用矩形母线。
2.2 开关柜用母线的颜色和位置:(1) 开关柜母线相序位置与国标颜色对照表:* h( g) o! S4 [7 F4 e2 g; K% s2 i# }(2) 柜体接地母线:黄绿色相间(若是铜排,可采用本色,贴接地标识)。
, f# O( E" w4 u% U: a1 U2.3 柜内母线的布置:(1) 按垂直或水平“一”字形:如GGlA-12F型、GBC-40.5型中的柜顶主母线布置结构;(2) 按“品”字形或三角形:如KYN28A—12型,KYN61-40.5型中的主母线布置结构。
2.4 载流量受影响的因素:(1) 布置方式:竖放和横放,竖放的动稳定电流值要比横放时大。
(2) 环境温度(下表中的温度值是裸母线承受的最高温度值)上表表明:母线经过镀银或镀锡处理后其耐高温性能有所提高。
(3) 母线的材质:铜;铝;钢。
其中铜的导电率最高,相同截面积时它的载流量最大,而钢最小,常用于PT回路或避雷器回路中。
(4) 母线的根数:多根母线并列布置使用时,其散热条件比单根要差得多。
例如:LMY100X10的电流试验值:单根载流量是1728A/1(作基准);双根布置时,载流量是2558A/1.48;叁根布置时,载流量是3181A/1.84;四根布置时,载流量是3622A/2.09。
母线安装方案第1篇母线安装方案一、项目背景随着电力系统规模的扩大和电力需求的增长,母线作为电力系统中的重要组成部分,其安全、稳定、高效的运行对整个电力系统的稳定性具有重大影响。
为确保母线安装工程的顺利进行,减少运行风险,提高供电可靠性,特制定本母线安装方案。
二、工程目标1. 确保母线安装工程安全、可靠、合规;2. 提高母线系统的运行效率,降低运行成本;3. 减少母线故障,提高供电可靠性;4. 优化母线布局,便于运行维护。
三、母线选型及安装要求1. 母线选型根据工程需求,选用符合国家标准的铜排或铝排母线,考虑导电性能、机械强度、安装方式等因素,确保母线选型的合理性。
2. 母线安装要求- 母线安装应水平或垂直,保持平直,避免出现弯曲、扭曲现象;- 母线连接可靠,接触电阻小,确保运行过程中不发生过热现象;- 母线与母线、母线与设备连接处应设置可靠的绝缘措施,防止发生短路故障;- 母线安装间距符合规范要求,便于运行维护。
四、安装流程及施工要点1. 安装流程- 施工准备:根据设计方案,准备所需材料、工具和设备;- 母线制作:按照设计图纸,制作母线及相关配件;- 母线安装:将母线安装到指定位置,并进行调整;- 接线及绝缘:连接母线与设备,进行绝缘处理;- 验收调试:对母线系统进行验收调试,确保运行正常;- 投运及维护:投运后定期检查、维护,确保母线系统稳定运行。
2. 施工要点- 母线安装前,应对安装现场进行全面检查,确保符合安装要求;- 母线制作过程中,严格按照设计图纸和规范要求进行,确保母线质量;- 母线安装过程中,注意施工安全,遵守操作规程;- 接线及绝缘处理应严格按照规范进行,防止发生故障;- 验收调试过程中,对母线系统进行全面检查,发现问题及时整改。
五、安全与环保措施1. 安全措施- 施工人员必须经过专业培训,持证上岗;- 施工现场应设置安全警示标志,做好安全防护措施;- 施工过程中,严格遵守安全操作规程,确保施工安全;- 定期进行安全检查,消除安全隐患。
母线制作和安装作业指导书编制:校对:批准:打印:时间:湖北省宜电电气有限公司母线制作和安装作业指导书一、总则1、本指导书适用于高低压成套开关类产品的母线制作与安装。
2、母线材料为矩形截面铝母线或铜母线。
二、作业所需设备专用工装剪床、冲床、钻床、折弯机、手术台、母线折弯夹具、母线折弯刀具、冲孔模、压花模、锡锅、电炉、0-500℃温度计灯等。
三、母线选用规范1、母线按图纸要求选定,铜母线或铝母线材料,若需代码,需由上级下达“代料单”。
2、支母线按该回路额定电流1.2-1.5倍选用。
3、严格按母线材料载流量技术规范来选用母线规格见下表(母线长期允许通过电流值)。
单根矩形母线载流量多跟矩形母线载流量四、工艺过程1、根据图纸一次方案、元件型号规格及安装方式确定一次母线的走线方案。
2、确定母线走线方案后,遵循母线形状尽可能简单,长度尽可能短的原则决定母线的形状尺寸。
母线搭接处长度不应小于母线的宽度,母线开始弯曲处据母线连接位置不应小于30mm。
3、确定母线形状尺寸后计算母线的展开长度尺寸。
4、按计算的尺寸,在剪床和冲床上下料,下料后在平台上用木榔头将母线校直,宽面直线度每100mm内不大于1.5mm,窄面直线度每1000mm内不大于2.5mm,不得留有显著的锤痕、划痕、凹坑起皮等缺陷。
5、按母线的搭接要求及电器元件的连接情况冲孔或钻孔,孔加工完后用平锉去掉毛刺,并在冲床上将连接处整平。
6、按确定的母线形状在母线弯曲夹具或折弯机母线专用折弯刀具上折弯成型。
弯曲后母线表面要平整,不应有裂纹、裂口及显著折痕,侧弯处皱纹高度不得超过1mm,布置相同的母线的弯曲应对称一致。
7、母线弯曲成型后,在柜上配试检查母线形状及安装尺寸是否符合要求。
8、铝母线大截面必须进行搪锡处理货压花处理,搪锡前将母线酸洗,起吊油污及较厚的氧化层,不易搪锡的母线中部搭接面可涂敷导电膏,连接紧密可靠,并有防松措施。
9、搪锡工艺,把锡锅放在电炉上加热,放入80%的锡和20%左右的锌(重量百分比),是锡液加热到470℃—480℃左右。
金属封闭母线GB/T 8349—2000金属封闭母线前言本标准是根据近几年来国内、外金属封闭母线技术的发展,对GB8349—1987《离相封闭母线》进行修订的。
此次修订还结合我国国情,总结了我国金属封闭母线在设计、制造、安装和运行中的经验,并依据原国标GB8349—1987《离相封闭母线》在执行中的情况,对存在的不足进行了补充和修改。
本标准的附录A是标准的附录。
本标准由国家经济贸易委员会电力司提出,由国家电力公司电力机械局归口。
本标准主要起草单位:北京电力设备总厂。
本标准参加起草单位:中国电力企业联合会、北京勘测设计研究院、华北电力设计院。
本标准主要起草人:罗敬安、童群伦、王毓麟、葛宝湘、杨泽利。
Metal-enclosed bus国家质量技术监督局2000-04-03批准2000-12-01实施1 范围GB 311.1—1997 高压输变电设备的绝缘配合(neq IEC 71-1:1993)GB/T 762—1996 标准电流(eqv IEC 59:1938)GB/T 763—1990 交流高压电器在长期工作时的发热GB/T 2706—1989 交流高压电器动热稳定试验方法(neq IEC 694:1984)GB/T 2900.19—1994 电工术语高压开关设备(neq IEC 50)GB/T 16927.2—1997 高电压试验技术第二部分:测量系统(eqv IEC 60-2:1994)GB 50150—1991 电气装置安装工程电气设备交接试验标准GB 50260—1996 电力设施抗震设计规范3 定义每相外壳分为若干段,段间绝缘,每段只有一点接地的离相封闭母线。
3.4 全连式离相封闭母线continuous enclosure type isolated-phaes bus每相外壳电气上连通,分别在三相外壳首末端处短路并接地的离相封闭母线。
3.5 自然冷却离相封闭母线self-cooled isolated-phase bus以空气为介质自然冷却的离相封闭母线。
35kv以下固体管型母线标准
35kV以下固体管型母线是电力系统中常见的一种输电装置,其标准通常包括设计、制造、安装和运行等方面的要求。
以下是关于35kV以下固体管型母线标准的一般性介绍:
1. 设计标准,35kV以下固体管型母线的设计应符合国家相关标准,例如《电力工程施工及验收规范》、《电气装置设计规范》等。
设计标准通常包括母线的额定电压、电流负载能力、短路电流承受能力、绝缘水平等要求。
2. 制造标准,母线的制造应符合国家标准和行业规范,包括原材料选用、加工工艺、质量控制等方面的要求。
通常需要符合《电气设备制造质量管理规范》等相关标准。
3. 安装标准,母线的安装应符合国家相关标准和规范,包括安装位置、固定方式、接地要求、防护措施等方面的要求。
通常需要符合《电力工程施工及验收规范》等相关标准。
4. 运行标准,母线的运行应符合国家相关标准和规范,包括定期检测、维护保养、安全管理等方面的要求。
通常需要符合《电气
设备运行维护规范》等相关标准。
总的来说,35kV以下固体管型母线标准涉及到设计、制造、安装和运行等多个方面的要求,其标准的制定旨在保障母线在电力系统中的安全可靠运行,确保电力系统的正常供电。
以上是关于35kV 以下固体管型母线标准的一般性介绍,具体的标准内容还需参考国家相关标准文件以获取详细信息。
1母线制作、安装细则1.1母线的分类1.1.1主母线:即汇流排1.1.2分支母线:电器元件与主母线之间或电器元件与电器元件之表2-2多片矩形母线规格及载流量头,15m内允许有四个搭接头。
1.3母线的制作1.3.1母线加工设备与工具:锯、台钳、台钻、冲床、锉刀、盒尺、抚顺SS-201-B01型和BM303-S型母线折弯机、手砂轮、扳手等。
1.3.2选料在加工前,应对母线材料进行检查。
凡有下列局部缺陷的部位,应将该段剪掉。
a)母线表面有裂痕、斑痕、凹坑及有硝石沉积物的部位。
b)铜母线表面有气孔直径大于5mm、深度大于0.15mm者。
6×60 mm1.6校正1.6.1冲剪后的母线应进行校平校直处理。
1.6.2母线平面应保持光滑、平整、不准有锤痕。
1.6.3校平校直处理应以木质榔头槌击母线或使用母线折弯机校平模具,如须用钢质榔头,则宜衬以硬木或铝质垫块,切忌直接敲击母线。
1.7 弯曲1.7.1 母线材料不应退火,但根据工艺要求弯曲处可以加热,加热温度不应超过表2-3所列规定值。
表2-5母线立弯最小容许半径R1.7.5一根母线既曲平弯又曲立弯时,应先曲立弯,然后再曲平弯。
1.7.6母线扭转90°弯时,其扭弯部分的长度应为母线宽度的2.5~5倍。
见图2-3。
1.7.7母线弯曲始点与母线连接的边缘距离不得小于25mm。
见图2-4。
1.7.8。
见图图1.8.11.8.3柜内PE排应预留与40×4接地扁钢的垂直连接孔,螺栓孔直径应符合表2-6的规定。
1.8.4母线钻孔或冲孔后的毛刺应使大钻头划孔,搭接面加工光滑、无飞边毛刺现象。
表2-6矩形母线搭接要求表2-6(续完)矩形母线搭接要求1.8.5母线与进出线电缆的压接螺栓应与DT端子压接孔的大小相配合;与密集母线等的连接孔应符合表2-6的规定,其他情况随工程要求确定。
1.8.6一次母线上连接二次线时,须在母线上单独打通孔用螺栓紧固,特殊情况除外。
管母线标准母线是电力系统中的一种重要设备,用来进行电能的传输和配送。
为了确保母线的安全稳定运行,各国都制定了相应的母线标准。
以下是一些关于母线的标准参考内容。
1. 国际电工委员会(IEC)标准:IEC是国际电工标准化组织,其制定的标准被广泛应用于各个国家。
IEC 61439是关于低压开关设备和控制设备的国际标准,其中包括了母线系统的设计与应用要求。
这个标准规定了母线的额定电流、额定电压、绝缘电阻、电磁兼容性等方面的要求。
2. 国家标准:各国都有自己的母线标准,这些标准通常是基于国情和技术发展水平而确定的。
以中国为例,中国国家标准GB/T 15576是《电气工程布线工程技术规范》,其中对于母线系统的设计和施工有详细的规定,如母线的选型、布置、连接方式、容量计算等。
3. 行业标准:某些特定行业会有自己的母线标准,以适应特定行业的需求。
例如,石油化工行业使用的电力系统较为特殊,其母线系统需要考虑防爆、耐腐蚀等方面的要求。
因此,美国石油协会(API)制定了相关的标准,如API RP 500《电气装置用于可燃性液体和气体的分类和设计》。
4. 设备制造商的技术规范:母线是由电气设备制造商生产的,在设计和生产过程中,制造商通常会遵循一系列技术规范。
这些规范包括了母线的物理尺寸、材料选用、电气参数等方面的要求。
母线的制造商通常会提供技术手册或产品规格书,其中详细说明了母线的技术规范。
5. 安全规程和建设规范:为了确保母线的安全运行,各国都制定了一系列的安全规程和建设规范。
这些规程通常由电力部门或安全监管机构制定,用于指导母线的设计、施工、运行和维护。
例如,美国国家电气安全规程(NEC)关于电力输配系统的设计和施工有详细的要求,其中包括母线系统的各项安全要求。
以上是关于母线标准的一些参考内容。
母线的标准涵盖了诸多方面,包括设计、选型、布置、连接、安全等,旨在确保母线的安全可靠运行。
母线制造商和电力系统设计与运维人员应严格遵循这些标准,以确保母线的质量和可靠性。
XX电工设备厂
配电箱母排加工规定
1、所有母线均选用镀锡铜母线(铜含量299.9%)冷弯成型,并采用热缩绝缘材料进行绝缘处理。
母线搭接处采用搪锡,搪锡前将其表面进行处理,涮锡后表面平整无杂物。
母线涂敷黑漆,漆膜保证完整、无杂物,母线涂敷黑漆起止位置一致、整齐,并有相序色标,且不宜退色。
断路器及接触器的进线贴色标,设置有明显的相序标识,箱内配线保证符合国家规范要求。
2、柜内母线及绝缘导线母线按照IEC431相关标准执行,母线截面在整个长度内均匀,确保能承受连续的负荷电流,并能满足系统的动稳定的技术要求。
母线之间的连接有足够和持久的接触压力,且不使母线产生永久变形。
箱柜内配母线及绝缘导线规格材质不低于图纸设计的接入配出母排及绝缘导线规格、材质。
3、配电箱、柜内的所有母排均先行加工后镀锌处理,孔洞断面有镀锌,母排规格及压接螺栓能满足主电路外接电缆及所有引出线缆的连接要求。
4、箱内电气干线用硬母线,出线断路器与电气干线单独连接,不采用导线套接,箱中的应急回路与一般回路区分清楚。
5、在配电箱,(柜)内均设置N,PE母线或端子板(排),N,PE母排上的螺丝采用内六角螺丝,PE、N线经端子板配出。
PE、N线端子采用方铜端子。
配电箱(柜)内端子板排列位置与熔断器,断路器位置相对应。
PE、端子排设置的位置、排布的间距方便导线连接,端子数量充足,避免一个端子压接2根以上导线。
箱门、箱体、二层板等金属部件与PE排单独连接,避
免串联。
电气接(配)线规范及标准•一、电气布管配线六步走•第一步:电气识图•“线路从什么地方来,到什么地方去”•识图顺序:看标题栏和图纸目录→看总说明→看系统图→看平面布置图→看安装接线头图→看安装大样图→看设备材料表•第二步:布管•作为穿线管有两类,一是钢管,二是PVC管。
在布管中要求横平竖直,转弯处有一定的转弯半径。
如果线路很长,中间要设计过度接线盒。
在布管中每隔1.5—2.5米要有一个固定装置。
•管中穿线余留空间不得少于60%•电气布管工艺流程:弹线定位→加工管弯→稳住盒箱→暗管敷设•第四步:对线•对线的方法有很多,常用的有“两人对线法,高效的是单人对线法”•第五步:导线连接•(1)导线接头要紧密,牢固不能增加导线的电阻值。
•(2)导线接头受力时的机械强度不能低于原导线的机械强度。
•(3)导线接头包缠绝缘强度不能低于原导线绝缘强度,连接要牢固、紧密、包扎要良好。
•二、电气配线原则低压电器配线原则手工布线时,应符合平直,整齐,紧贴敷设面,走线合理及接点不得松动便于检修等要求。
1、走线通道应尽可能少,同一通道中的沉底导线,按主.控电路分类集中,单层平行密排或成束,应紧贴敷设面。
2、同一平面的导线应高低一致或前后一致,不能交叉。
当必须交叉时,可水平架空跨越,但必须走线合理。
3、布线应横平竖直,变换走向应垂直90度。
4、上下触电若不在同一垂直线下,不应采用斜线连接。
5、导线与接线端子连接时,应不压绝缘层。
不反圈及露铜不大于1mm。
并做到同一元件.同一回来的不同接点的导线间距离保持一致。
6、一个接线端子上的连接导线不得超过两根。
7、布线时,严禁损伤线芯和导线绝缘。
8、导线截面不同时,应将截面大的放在下层,截面小的放在下层。
9、如果线路简单可不套编码套管。
元器件的安装1、组装前首先看明图纸及技术要求2、检查产品型号、元器件型号、规格、数量等与图纸是否相符3、检查元器件有无损坏4、必须按图安装(如果有图)5、元器件组装顺序应从板前视,由左至右,由上至下6、同一型号产品应保证组装一致性7、面板、门板上的元件中心线的高度应符合规定组装产品应符合以下条件:1、操作方便。
金属封闭母线GB/T 8349—2000金属封闭母线Metal-enclosed busGB/T 8349—2000代替GB 8349—1987前言本标准是根据近几年来国内、外金属封闭母线技术的发展,对GB8349—1987《离相封闭母线》进行修订的。
此次修订还结合我国国情,总结了我国金属封闭母线在设计、制造、安装和运行中的经验,并依据原国标GB8349—1987《离相封闭母线》在执行中的情况,对存在的不足进行了补充和修改。
在修订工作中参考了国外相关的先进标准,以尽快适应国际贸易、技术和经济交流并促进我国国民经济飞跃发展的需要。
此次修订主要有以下改变:增加了有关共箱封闭母线的内容,标准名称也更改为《金属封闭母线》。
增加了第1章范围、第2章引用标准,现在的第3章代替了原有的第1章,现在的第4章代替了原有的第3章,现在的第5章代替了原有的第2章,现在的第6、7、8、9、10章代替了原有的第4、5、6、7、8章,删去了原有的第9、10章,各章中的条号及内容不变或适当改变。
本标准自实施之日起,同时代替GB 8349—1987。
本标准的附录A是标准的附录。
本标准由国家经济贸易委员会电力司提出,由国家电力公司电力机械局归口。
本标准主要起草单位:北京电力设备总厂。
本标准参加起草单位:中国电力企业联合会、北京勘测设计研究院、华北电力设计院。
本标准主要起草人:罗敬安、童群伦、王毓麟、葛宝湘、杨泽利。
中华人民共和国国家标准金属封闭母线GB/T 8349—2000代替GB 8349—1987Metal-enclosed bus国家质量技术监督局2000-04-03批准2000-12-01实施1 范围本标准规定了金属封闭母线的类型、技术参数、结构性能、试验方法、设计制造和包装运输方式、安装运行要求等。
本标准适用于电压35kV及以下、电流40000A及以下、频率50Hz(或60Hz)的金属封闭母线。
金属封闭母线主要用于发电机出线及其他输配电回路,以安全地传输电能。
电线、母线设计选用规范1编制与选用说明 1 2BVR-500载流量表 4 3LMY型单条矩形铝母线载流量表 5 4LMY多条矩形铝母线载流量表 6 5TMY型单条矩形铜母线载流量表7 6TMY型多条矩形铜母线载流量表8 7圆形铝母线载流量表9
8圆形铜母线载流量表10
9管形铝母线载流量表11
10管形铜母线载流量表12
1 编制与选用说明
1.1 宗旨
为了减少材料消耗,降低产品成本,在开关柜设计中选用导体(母线)截面、载流量等方面统一标准选用方便,减少不必要的重复劳动等目的而编制。
1.2 在计算载流量时其导体(母线)接触面按表面压麻点镀(或挂)锡处理,其允许工作温度为90℃为基础,但也注意到国内用户有贴腊片(85℃)的方式考核母线接触面温升的习惯和加工制造中造成的不利因素,因此要留有一定裕度,故按允许工作温度85℃考虑的(减去环境温度40℃,允许温升为45℃),同时也注意到低压开关柜标准规定母线搭接面允许温升值较高压开关柜稍高一些(平均5℃)的情况,同时又考虑到低压开关柜内容积较少而馈电回路多,需乘一个<1的分散系数来降低允许导流量的因素,故按相互抵消来考虑。
1.3 当遇有用户要求接触面镀银时可按下列公式换算来提高导体(母线)的允许载流量以减少导体(母线)截面降低材料消耗(用户对母线截面没有指定的话).
换算公式:8
5
)/(211
2Q Q I I
式中 I 1---------镀锡时允许载流量(A )
I 2---------镀银时允许载流量(A )
Q 1--------镀锡时允许温升(℃) 注:按45℃核算 Q 2--------镀银时允许温升(℃) 注:按70℃核算
1.4 按载流量选择导体母线截面是选择导体截面的方法之一,但不是唯一方法,而是要全面核算选择其中所需截面最大的项目为准,例如要核算动稳定所需的截面(还与母线几何形状,母线相间中心距和支持绝缘子跨距有关)核算热稳定所需截面,同时还要考虑绝缘距离调整几何形状后对温升的影响等。
1.5 当母线选用表中所列热稳定时间和热稳定值在特殊产品中不能满足设计要求时,可按原电力部颁导体和电器选择设计技术规定DLGJ4-80第28条所规定的公式进行换算。
S ≥
c
Qd
式中:S---------导体截面(mm 2)
Qd---------短路电流的热效应(I2 . S)
C---------热稳定系数:铜=161、铝=79
1.6 有些电器元件例如“ACB”、“MCCB”、熔断器、热继电器等,在元件安装使用说明书中已经指定连接母线规格,则应按说明书规定执行。
1.7 母线截面的选择与环境关系
母线载流量选择表中所指工类环境系指用于敞开式的开关柜中的载流量,例如:GG-1A(F)型高压开关柜,PGL型低压开关柜等,II类环境系指用于金属封闭式的开关柜中,例如:KYN23-10型、XGN2-10型高压开关柜,GCK和GGD 型低压开关柜和各种与开关柜配套的封闭母线桥等产品。
1.8 绝缘母线的设计与选择
目前,国内外主要开关柜生产厂家生产的名牌产品基本上都是对柜内母
线采用了绝缘保护,特别是国外许多标准(例如美国ANSI)都明确规定开关
柜母线作绝缘保护处理。
1.8.1 采用绝缘防护的作用:减少绝缘距离,增加绝缘裕度,改善母线散热条件,
缩小开关柜的体积。
减少绝缘距离:根据美国和国内生产热塑管公司(厂家)提供的资料表明,母线套热塑绝缘管之后可缩小绝缘距离,现例举如下:
MPG与裸母线绝缘距离对照表(mm)
注:根据我公司各类产品结构情况对套热塑绝缘管后的母线相间和相对地绝缘距离暂作如下规定。
额定电压:10kV ≥100mm
6kV ≥90mm
0.4kV ≥10mm
1.8.2 改善母线散热条件
近些年来经过各热塑绝缘管生产厂家和多个开关柜生产厂家的实际试验验证表明,母线加防护层后不但对温升没有影响而且可降低温升,故在实际温升计算时对此因数可不予考虑,今举例如下:
套MPG热缩绝缘管母线与裸母线发热状况对比表单位:℃
2. BVR-500在各种环境条件下选择载流量暂行规定
说明:①I类环境条件下载流量系指在敞开式设备上使用时载流量,例如PGL 等。
②Ⅱ类环境条件下载流量系指在封闭的柜内环境条件下载流量,例如GCK、GCS、GGD等。