医院感染风险评估表27109
- 格式:doc
- 大小:207.50 KB
- 文档页数:10
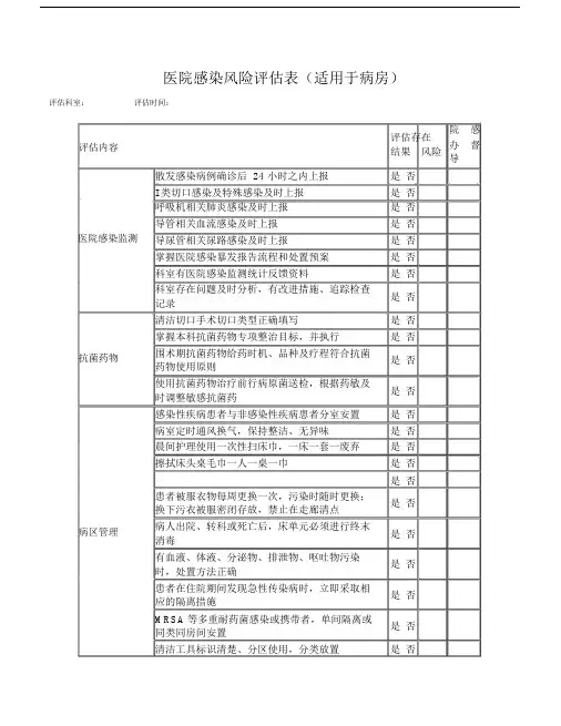
医院感染风险评估表(适用于病房)评估科室:评估时间:评估内容医院感染监测抗菌药物病区管理评估存在院感办督结果风险导散发感染病例确诊后 24 小时之内上报是否I 类切口感染及特殊感染及时上报是否呼吸机相关肺炎感染及时上报是否导管相关血流感染及时上报是否导尿管相关尿路感染及时上报是否掌握医院感染暴发报告流程和处置预案是否科室有医院感染监测统计反馈资料是否科室存在问题及时分析,有改进措施、追踪检查是否记录清洁切口手术切口类型正确填写是否掌握本科抗菌药物专项整治目标,并执行是否围术期抗菌药物给药时机、品种及疗程符合抗菌是否药物使用原则使用抗菌药物治疗前行病原菌送检,根据药敏及是否时调整敏感抗菌药感染性疾病患者与非感染性疾病患者分室安置是否病室定时通风换气,保持整洁、无异味是否晨间护理使用一次性扫床巾,一床一套一废弃是否擦拭床头桌毛巾一人一桌一巾是否是否患者被服衣物每周更换一次,污染时随时更换;是否换下污衣被服密闭存放,禁止在走廊清点病人出院、转科或死亡后,床单元必须进行终末是否消毒有血液、体液、分泌物、排泄物、呕吐物污染是否时,处置方法正确患者在住院期间发现急性传染病时,立即采取相是否应的隔离措施MRSA 等多重耐药菌感染或携带者,单间隔离或是否同类同房间安置清洁工具标识清楚、分区使用,分类放置是否病区环境保持清洁、无异味;保洁人员清洁及是否时、流程规范空调通风口保持清洁是否办公区域:台面、电脑、电话、病历夹、物流桶是否等高频接触物体表面清洁消毒规范科室陪护管理、探视制度落实到位是否病人呼吸道管理规范是否皮肤消毒方法正确是否血、痰、尿培养标本采集方法正确是否无菌操作规范是否无菌技术换药操作规范是否伤口敷料清洁、干燥、无渗液是否呼吸机相关肺炎感染防控措施落实到位是否导管相关血流感染防控措施落实到位是否导管相关尿路感染防控措施落实到位是否按要求存放是否有效期内使用,遵循先进先出原则是否消毒药械及一使用医院统一招标采购的医疗用品是否一次性医疗用品严禁重复使用是否次性物品管理一次性物品和消毒药械按要求使用规范是否消毒剂存放、使用规范是否无菌物品与非无菌物品分开放置;灭菌物品包装是否严密,有灭菌指示标识换药室、治疗抽出的药液、开启的无菌液体、各种溶媒注明开是否启时间,有效期内使用室管理消毒液注明开启时间,有效期内使用是否换药室、治疗室分区使用规范是否治疗车及物品放置、使用规范是否配置消毒剂方法正确,监测有记录是否紫外线灯、空气消毒机清洁、监测有记录是否消毒隔离氧气、雾化及呼吸机装置消毒、保存、使用规范是否监护仪、输液泵、血压计、听诊器、体温计等重是否复使用的医疗器械消毒、保存、使用规范手卫生配备一次性包装手清洁剂、干手纸(巾)、手消是否剂等随手可及管理重点科室安置非接触式水龙头是否医疗废物管理培训专项其他洗手池高矮适宜,能防止洗手水溅出,洗手池光是否滑无死角,每日清洁、消毒;有洗手流程图医务人员不留长指甲、戴戒指、涂指甲油是否医务人员七步洗手方法正确,依从性达标是否使用本院统一带有警示标识的医疗废物袋、锐器是否盒医疗废物的分类收集正确是否医疗废物 3/4 满封扎,填写粘贴医疗废物标签是否医疗废物包装袋外表面被感染性废物污染时,对是否被污染处进行消毒处理或增加一层包装损伤性废物收集、存放正确是否隔离的传染病病人或者疑似传染病病人产生的医是否疗废物应当使用双层包装物,并及时密封医疗废物桶每周清洁、消毒一次,遇有污染随清是否洁消毒《医疗废物移交登记本》记录正确、及时、完整是否科室进行多重耐药菌感染控制培训并记录是否科室进行手卫生知识培训并记录是否科室进行职业防护培训并记录是否科室进行医疗废物管理培训并记录是否科室进行陪护、病人预防院感发生的培训是否科室进行流行病或新型传染病防控知识培训并记是否录科室进行抗菌药物培训并记录是否科室参加医院感染管理科培训,参训率90%以上是否多重耐药菌风险评估――附表 1职业防护风险评估 ---附表 2环境保洁风险评估—附表 3备注:1、各科室感控小组每月进行院感风险评估,评估表中所列项目,若科室不涉及可不需评估;科室存在的风险项目,若评估表中未涉及到,可在其他栏内填写。
医院感染风险评估表一、患者基本信息姓名:___________ 年龄:______岁性别:______入院日期:_______________ 科室:______________床号:_______________二、患者病情情况1. 主要诊断:_________________________________________________2. 手术情况:_________________________________________________3. 病情变化及治疗措施:________________________________________三、感染风险评估1. 院内感染史:(是/否)___________若是,请说明感染部位和类型:__________________________________2. 皮肤黏膜完整性:(完整/不完整)___________若不完整,请说明具体情况:__________________________________3. 是否存在留置导管或置管:(是/否)___________若是,请说明导管种类和持续时间:______________________________4. 是否存在抗菌药物使用史:(是/否)___________若是,请说明药物使用种类和疗程:______________________________5. 患者个人卫生习惯:(良好/一般/差)___________若个人卫生习惯一般或差,请说明具体情况:_____________________6. 是否存在基础疾病:(是/否)___________若是,请说明具体疾病情况:____________________________________四、感染风险等级评定根据患者的感染风险评估结果,将其分为低风险、中风险和高风险三个等级,具体评定标准如下:- 低风险:不具备引发院内感染的高危因素,个人卫生习惯良好,无感染史,无留置导管或置管,皮肤黏膜完整,无基础疾病。
(完整版)医院感染风险评估表医院感染风险评估表1.简介医院感染风险评估是评估医院内各种感染性疾病发生的概率和风险程度,旨在采取相应的预防措施和管理措施,防止感染的传播和扩散。
本评估表用于记录医院感染风险评估过程中的相关信息。
2.背景资料在此章节中,填写与感染风险评估相关的背景资料,包括医院名称、科室名称、评估日期等。
3.评估目标详细描述本次感染风险评估的目标,例如评估某一具体科室或某一特定环境的感染风险。
4.评估内容将评估的内容按照具体的因素进行分类,例如人员因素、设施环境因素、感染管理因素等。
在每一个因素下,详细列出相应的评估项目和评估指标。
4.1 人员因素4.1.1 医务人员的感染控制培训情况4.1.1.1 医务人员是否参加感染控制培训4.1.1.2 近期培训内容和培训时间4.1.1.3 记录培训证书编号4.1.2 医务人员的个人防护措施4.1.2.1 手卫生情况4.1.2.2 接种疫苗情况4.1.2.3 佩戴防护用品情况.4.2 设施环境因素4.2.1 手卫生设施的配备情况4.2.1.1 手消毒剂的摆放位置和数量4.2.1.2 洗手设备的配备情况4.2.2 空气质量检测情况4.2.2.1 空气过滤装置的安装情况4.2.2.2 空气质量监测报告.4.3 感染管理因素4.3.1 医疗废物管理情况4.3.1.1 医疗废物分类和处理情况4.3.1.2 医疗废物处理设施的安装和使用情况4.3.2 感染控制措施执行情况4.3.2.1 医疗器械消毒和灭菌情况4.3.2.2 感染控制指南的实施情况4.3.2.3 感染监测和报告制度的执行情况.5.结论根据对各项评估指标的综合分析,给出本次感染风险评估的总体结论和相关建议。
可以根据评估结果,制定和改进医院感染管理和预防策略。
6.附件本文档涉及附件,请参阅附件部分。
7.法律名词及注释在此列出本文档中涉及的法律名词,并进行相应的注释和解释。
8.结束。
医院感染风险评估表医院感染风险评估表1、患者信息1.1 姓名:1.2 性别:1.3 年龄:1.4 住院号:1.5 诊断:2、感染风险评估指标2.1 主要病情指标2.1.1 疾病严重程度:2.1.2 免疫功能状态:2.1.3 手术创伤程度:2.1.4 病程延长程度:2.2 隔离指标2.2.1 患者病原菌情况:2.2.2 可能传播途径:2.2.3 应隔离的对象:2.3 医疗操作指标2.3.1 手术操作类型:2.3.2 操作部位:2.3.3 操作时间:2.3.4 使用无菌器械:2.3.5 使用无菌穿刺工具:2.4 医疗环境指标2.4.1 病房类型:2.4.2 病房设备清洁度:2.4.3 病房空气质量:2.4.4 病房水质量:2.4.5 传染病防控措施的执行情况:3、感染风险评估结果3.1 患者感染风险评估等级:3.2 隔离等级:3.3 手术操作感染风险等级:3.4 医疗环境感染风险等级:附件:1、附表1:疾病严重程度评估等级表2、附表2:免疫功能状态评分表3、附表3:手术创伤程度评估表4、附表4:病程延长程度评估等级表5、附表5:病原菌列表及感染传播途径6、附表6:手术操作类型及感染风险等级7、附表7:无菌器械及穿刺工具使用规范8、附表8:病房类型及感染风险等级9、附表9:病房设备清洁度评估表10、附表10:病房空气质量评估表11、附表11:病房水质量评估表12、附表12:传染病防控措施执行情况评估表法律名词及注释:1、感染控制法:指对医疗机构内的感染进行预防、监测和控制的法律法规。
2、传染病防控措施:指对传染病患者的隔离、消毒、防护等措施。
3、无菌器械:指在使用前经过高温高压灭菌处理的医疗器械。
4、无菌穿刺工具:指在使用前经过高温高压灭菌处理的用于穿刺操作的工具。
医院感染控制风险评估表(适用于门急诊科室)评估科室:评估日期:注:1、风险优先系数(RPN)=可能性(P)×严重性(S)×准备程度(D);RPN>18风险评定为高,9<RPN≤18风险评定为中;RPN≤9风险评定为低;按照风险优先系数排名,提出整改意见及明确责任人,选择有效的防控风险方案。
填表说明:在相对应级别下填写相应的数字级别。
2、责任科室院感质控小组每年年初在找出本科室高风险项目后对其进行原因分析,对高风险项目采取降低风险的措施,并进行自评(一般以季度为单位)。
院感科每季度对风险对象相关科室本季度高风险管项目所采取的措施进行评价,如认为可结束风险管理则进行风险分析,如不达标则继续持续改进并为下季度风险对象需完善的工作提供依据与建议。
3、各科室感控小组进行院感风险评估,评估表中所列项目,若科室不涉及无需评估;科室存在的风险项目,若评估表中未涉及到,可在其他栏内填写。
4、风险评估表需要科主任、护士长、感控医生、感控护士签名确认后,纸质版一式两份,一份科室存档,一份上交院感科,(每季度第一个月5号之前,节假日顺延)。
医院感染控制风险评估表(适用于病房)评估科室:评估日期:注:1、风险优先系数(RPN)=可能性(P)×严重性(S)×准备程度(D);RPN>18风险评定为高,9<RPN≤18风险评定为中;RPN≤9风险评定为低;按照风险优先系数排名,提出整改意见及明确责任人,选择有效的防控风险方案。
填表说明:在相对应级别下填写相应的数字级别。
2、责任科室院感质控小组每年年初在找出本科室高风险项目后对其进行原因分析,对高风险项目采取降低风险的措施,并进行自评(一般以季度为单位)。
院感科每季度对风险对象相关科室本季度高风险管项目所采取的措施进行评价,如认为可结束风险管理则进行风险分析,如不达标则继续持续改进并为下季度风险对象需完善的工作提供依据与建议。
3、各科室感控小组进行院感风险评估,评估表中所列项目,若科室不涉及无需评估;科室存在的风险项目,若评估表中未涉及到,可在其他栏内填写。
医院感染风险评估表(适用于病房、ICU)评估科室:评估时间:评估内容评估结果存在风险院感办督导医院感染监测散发感染病例确诊后24小时之内上报是否I类切口感染及特殊感染及时上报是否呼吸机相关肺炎感染及时上报是否导管相关血流感染及时上报是否导尿管相关尿路感染及时上报是否掌握医院感染暴发报告流程和处置预案是否科室有医院感染监测统计反馈资料是否科室存在问题及时分析,有改进措施、追踪检查记录是否抗菌药物清洁切口手术切口类型正确填写是否掌握本科抗菌药物专项整治目标,并执行是否围术期抗菌药物给药时机、品种及疗程符合抗菌药物使用原则是否使用抗菌药物治疗前行病原菌送检,根据药敏及时调整敏感抗菌药是否病区管理感染性疾病患者与非感染性疾病患者分室安置是否病室定时通风换气,保持整洁、无异味是否晨间护理使用一次性扫床巾,一床一套一废弃是否擦拭床头桌毛巾一人一桌一巾是否是否患者被服衣物每周更换一次,污染时随时更换;换下污衣被服密闭存放,禁止在走廊清点是否病人出院、转科或死亡后,床单元必须进行终末消毒是否有血液、体液、分泌物、排泄物、呕吐物污染时,处置方法正确是否患者在住院期间发现急性传染病时,立即采取相应的隔离措施是否MRSA等多重耐药菌感染或携带者,单间隔离或同类同房间安置是否清洁工具标识清楚、分区使用,分类放置是否病区环境保持清洁、无异味;保洁人员清洁及时、流程规范是否空调通风口保持清洁是否办公区域:台面、电脑、电话、病历夹、物流桶等高频接触物体表面清洁消毒规范是否科室陪护管理、探视制度落实到位是否无菌技术病人呼吸道管理规范是否皮肤消毒方法正确是否血、痰、尿培养标本采集方法正确是否无菌操作规范是否换药操作规范是否伤口敷料清洁、干燥、无渗液是否呼吸机相关肺炎感染防控措施落实到位是否导管相关血流感染防控措施落实到位是否导管相关尿路感染防控措施落实到位是否消毒药械及一次性物品管理按要求存放是否有效期内使用,遵循先进先出原则是否使用医院统一招标采购的医疗用品是否一次性医疗用品严禁重复使用是否一次性物品和消毒药械按要求使用规范是否消毒剂存放、使用规范是否换药室、治疗室管理无菌物品与非无菌物品分开放置;灭菌物品包装严密,有灭菌指示标识是否抽出的药液、开启的无菌液体、各种溶媒注明开启时间,有效期内使用是否消毒液注明开启时间,有效期内使用是否换药室、治疗室分区使用规范是否治疗车及物品放置、使用规范是否消毒隔离配置消毒剂方法正确,监测有记录是否紫外线灯、空气消毒机清洁、监测有记录是否氧气、雾化及呼吸机装置消毒、保存、使用规范是否监护仪、输液泵、血压计、听诊器、体温计等重复使用的医疗器械消毒、保存、使用规范是否手卫生管理配备一次性包装手清洁剂、干手纸(巾)、手消剂等随手可及是否重点科室安置非接触式水龙头是否洗手池高矮适宜,能防止洗手水溅出,洗手池光滑无死角,每日清洁、消毒;有洗手流程图是否医务人员不留长指甲、戴戒指、涂指甲油是否医务人员七步洗手方法正确,依从性达标是否医疗废物管理使用本院统一带有警示标识的医疗废物袋、锐器盒是否医疗废物的分类收集正确是否医疗废物3/4满封扎,填写粘贴医疗废物标签是否医疗废物包装袋外表面被感染性废物污染时,对被污染处进行消毒处理或增加一层包装是否损伤性废物收集、存放正确是否隔离的传染病病人或者疑似传染病病人产生的医疗废物应当使用双层包装物,并及时密封是否医疗废物桶每周清洁、消毒一次,遇有污染随清洁消毒是否《医疗废物移交登记本》记录正确、及时、完整是否新生儿管理护理婴儿前、换尿布后要洗手,护理顺序应先护理正常新生儿,后护理隔离新生儿是否使用后的奶嘴,奶瓶清洁灭菌是否蓝光箱,暖箱每日清洁消毒,更换湿化液;用后终末消毒是否新生儿使用的被服、衣物每日更换,污染后及时更换是否新生儿沐浴用物选择压力蒸汽灭菌;淋浴一人一巾一垫;沐浴顺序:早产儿--非感染性疾病患儿----感染性疾病患儿是否新生儿口腔、脐部、皮肤、会阴部保持清洁;无鹅口疮、皮肤无疱疹、无尿布性皮炎发生是否产妇喂奶前要洗手,清洁乳头;产妇在传染病急性期,应暂停哺乳是否培训科室进行多重耐药菌感染控制培训并记录是否科室进行手卫生知识培训并记录是否科室进行职业防护培训并记录是否科室进行医疗废物管理培训并记录是否科室进行陪护、病人预防院感发生的培训是否科室进行流行病或新型传染病防控知识培训并记录是否科室进行抗菌药物培训并记录是否科室参加医院感染管理科培训,参训率90%以上是否专项多重耐药菌风险评估――附表1 职业防护风险评估---附表2环境保洁风险评估—附表3其他备注:1、各科室感控小组每月进行院感风险评估,评估表中所列项目,若科室不涉及可不需评估;科室存在的风险项目,若评估表中未涉及到,可在其他栏内填写。
医院感染风险评估表一、评估患者信息:1.患者姓名:2.性别:3.年龄:4.住院科室:5.入院日期:6.诊断:二、评估项目:1.暴露史:- 是否有旅行史或与疫情地区来往史?- 是否有接触患有传染性疾病的人员或动物?- 是否曾在感染风险高的场所(如禽类养殖场、野生动物市场)活动?2.病史:- 是否有潜在感染因素(如糖尿病、免疫缺陷等)?- 近期是否进行过手术或介入性操作?- 近期是否有使用抗菌药物史?3.病情指标:- 体温测量结果(正常/异常):- 白细胞计数:- C-反应蛋白(CRP)水平:- 血液培养结果(阳性/阴性):4.预防措施:- 是否佩戴医用口罩?- 是否洗手或使用手消毒剂?- 是否正确使用防护设备(如手套、隔离衣等)?5.环境因素:- 是否有单人间、负压隔离间等特殊隔离措施?- 是否有相关消毒措施(如定期消毒、清洁空气等)?- 是否有合理的医疗废物管理措施?三、评估结果及建议:根据以上评估项目,综合考虑患者的暴露史、病史、病情指标、预防措施和环境因素等因素,对患者的感染风险进行评估和分级。
根据患者的具体情况,评估结果可能包括以下几个等级:1.低风险:患者在住院期间感染的概率相对较低,建议按照常规预防措施进行管理和护理。
2.中风险:患者存在一定感染风险,建议采取增强预防措施,如加强手卫生、严格使用个人防护装备、加强环境清洁等。
3.高风险:患者存在较高感染风险,建议采取严格的隔离措施,如单人隔离、负压隔离等,并配合相应的感染防控策略。
四、评估者信息:1.评估者姓名:2.职务:3.评估日期:注意:此感染风险评估表仅供参考,具体评估结果应结合临床医生的判断和实际情况进行进一步决策和管理。
医院感染控制及风险评估表一、医院感染概述1. 医院感染定义:医院感染是指在医疗机构中接受治疗的患者,在入院时不存在、入院后发生的感染。
医院感染包括细菌感染、病毒感染、真菌感染、寄生虫感染等。
2. 医院感染发生原因:a. 病原体来源:患者自身携带、医务人员携带、医疗器械污染等;b. 传播途径:空气传播、飞沫传播、接触传播等;c. 易感人群:免疫力低下的患者、老年人、婴幼儿等;d. 医疗操作:侵入性操作、手术、插管等;e. 医院环境:空气质量、消毒隔离措施等。
3. 医院感染危害:a. 延长患者住院时间;b. 增加医疗费用;c. 加重患者病情;d. 增加患者死亡率;e. 影响医疗机构声誉。
二、医院感染控制措施1. 医院感染管理制度:a. 制定医院感染控制政策;b. 设立医院感染管理组织;c. 开展医院感染监测;d. 定期对医务人员进行感染控制培训;e. 制定医院感染应急预案。
2. 消毒隔离措施:a. 严格遵循无菌操作原则;b. 定期对医疗器械进行消毒灭菌;c. 加强医疗废物管理;d. 保持病房环境清洁;e. 做好个人防护。
3. 抗菌药物管理:a. 制定抗菌药物使用规范;b. 开展抗菌药物合理使用培训;c. 监测抗菌药物使用情况;d. 控制抗菌药物使用比例;e. 预防性使用抗菌药物。
4. 侵入性操作管理:a. 严格掌握侵入性操作指征;b. 提高操作技能;c. 加强术后观察与护理;d. 遵循无菌操作原则;e. 定期评估侵入性操作相关感染风险。
5. 患者管理:a. 做好患者筛查;b. 加强患者教育;c. 做好患者隔离;d. 关注免疫力低下患者;e. 遵循感染性疾病诊疗规范。
三、医院感染风险评估1. 评估方法:a. 病原体感染风险评估;b. 患者病情风险评估;c. 医疗操作风险评估;d. 医院环境风险评估;e. 患者免疫状态评估。
2. 风险评估内容:a. 病原体种类及耐药情况;b. 患者年龄、基础疾病、免疫力等;c. 医疗操作类型、频率、无菌程度等;d. 医院空气质量、消毒隔离措施等;e. 抗菌药物使用情况。
医院感染风险评估表。
医院感染风险评估表(适用于病房)评估部门:评估时间:评估内容评估结果存在风险。
医院感染办公室监督医院感染监测和诊断后24小时内报告的零星感染病例。
是否及时报告i类切口感染和特殊感染。
是否及时报告呼吸机相关肺炎感染。
是否及时报告导管相关血流感染。
是否及时报告导管相关性尿路感染。
是否掌握了医院感染暴发报告流程和处置方案。
科室对医院感染监测是否有统计反馈。
科室是否存在及时分析问题、改进措施、随访检查记录、抗菌药物切口是否清洁、切口类型填写是否正确、是否掌握本科抗菌药物专项整治的目标、围手术期抗菌药物治疗的时机、品种和疗程是否符合抗菌药物使用原则、是否使用抗菌药物治疗病原菌进行治疗前检查。
根据药物敏感性及时调整敏感抗菌药物是指对病房内的传染病患者和非传染病患者进行管理,将他们安排在单独的房间内,定期对病房进行通风,保持他们的清洁和无异味,使用一次性的床上清扫巾进行晨间护理,丢弃一套又一套的床,擦拭床头柜上的毛巾,一人一桌一巾,每周更换一次患者的衣物,如有污染可随时更换;更换脏衣服、被褥和衣物,并密封存放。
严禁检查病人是否出院、转科或死在走廊上。
如果床单位必须在最后消毒。
如果有血液、体液、分泌物、排泄物和呕吐物污染,处理方法是正确的。
如果患者在住院期间发现急性传染病,应立即采取相应的隔离措施。
如果感染或携带耐甲氧西林金黄色葡萄球菌(MRSA)和其他多药耐药菌,如果单间隔离或同类型房间放置在同一个房间,清洁工具是否有明确标记并在不同区域使用,分类放置是否是为了保持病房环境清洁和无异味。
保洁人员及时打扫,工艺规范是空调通风口是否保持清洁是办公区是否:工作台面、电脑、电话、病历夹、物流桶等高频接触物体的表面清洁和消毒标准已落实到部门陪同管理和探视制度中;无菌技术;患者呼吸道管理标准;皮肤消毒方法;血、痰、尿培养标本采集方法;无菌操作标准;换装操作标准;伤口敷料清洗、干燥,无渗出物,呼吸机相关性肺炎感染防控措施不到位,导管相关性血流感染防控措施不到位,导管相关性尿路感染防控措施不到位,无菌医疗器械和一次性用品管理不按要求存放,有效期内不使用,遵循先进先出原则,不使用医院统一招标采购的医疗用品,不重复使用一次性医疗用品,不按要求存放一次性用品和无菌医疗设备,不按要求存放消毒剂,不设更衣室,治疗室内不管理无菌和非无菌物品。
科室ICU
科室新生儿科
科室血透室
科室母婴同室
医院感染风险评估表科室血液科
鄂尔多斯市中心医院医院感染风险评估
根据《内蒙古自治区三级综合医院评审标准实施细则》(2012版)中4.20.3.2【C】3.中,要求对医院有对感染较高风险的科室与感染控制情况进行风险评估,并制定针对性措施,为此我院制定了医院感染风险评估表,风险评估表主要包括:风险评估项目、分值、风险等级、处置建议。
风险评估表制定的主要依据:
1.我院2012年-2014年的医院感染相关数据。
2.近三年来全区医院感染监控网的数据。
3.2012年卫生部抗菌药物临床应用专项整治活动中,要求各级医院抗菌药物微生物送检率监测指标,并且结合我院近三年来抗菌药物微生物送检率的实际情况。
鄂尔多斯市中心医院
2015-9-10。
医院感染风险评估表(适用于病房、ICU)评估科室:评估时间:
备注:
各科室感控小组每月进行院感风险评估,评估表中所列项目,若科室不涉及可不需评估;
科室存在的风险项目,若评估表中未涉及到,可在其他栏内填写。
2、同样的风险项目连续两次以上,需要组织讨论,制定改进计划;医院感染管理科负责督导检查。
感控小组签名/时间:院感办签名/时间:
附表1:医院感染风险评估表--多重耐药菌
附表2:医院感染风险评估表――职业防护
附表3:医院感染风险评估表-环境保洁
1 / 1。
医院感染风险评估表医院感染风险评估表本文档用于评估医院内感染风险,并制定相应的预防策略。
以下是本文档的详细内容:一、机构基本信息1.医院名称:2.评估日期:3.负责人:4.风险评估人员:5.相关部门参与人员:二、评估背景1.目的:评估医院内感染风险并制定相关预防策略。
2.范围:评估涵盖医院各科室、设施、医疗设备等相关因素。
3.方法:评估采用调查、观察、数据分析等方法进行。
三、评估指标及评分标准1.医院感染风险指标:a.设施环境:评估医院的环境卫生、空气质量、污染源等情况。
b.医疗设备:评估医院的医疗设备维护、清洁、消毒情况。
c.医务人员:评估医务人员的洗手、穿戴无菌手术衣等操作规范情况。
d.病人管理:评估医院对患者的感染防控管理、Isolation措施等情况。
2.评分标准:a.分值范围:根据每个指标的重要性,分值范围为1-10分。
b.分级评分:根据每个指标的评分,将医院感染风险分为低、中、高三个等级。
四、评估结果1.各指标得分和风险等级:a.设施环境:i.卫生条件得分:(评分)ii.空气质量得分:(评分)iii.污染源得分:(评分)总得分:(总分)风险等级:低 / 中 / 高b.医疗设备:i.设备维护得分:(评分)ii.清洁情况得分:(评分)iii.消毒情况得分:(评分)总得分:(总分)风险等级:低 / 中 / 高c.医务人员:i.洗手操作规范得分:(评分)ii.无菌手术衣得分:(评分)总得分:(总分)风险等级:低 / 中 / 高d.病人管理:i.感染防控管理得分:(评分)ii.Isolation措施得分:(评分)总得分:(总分)风险等级:低 / 中 / 高2.综合风险评估结果:a.整体风险评分:(评分)b.医院感染风险等级:低 / 中 / 高五、预防策略根据评估结果,制定相应的预防策略并定期评估预防效果。
附件:1.相关调查问卷2.相关数据分析报告法律名词及注释:1.感染防控管理:指医院对感染源、传播途径和易感人群进行监测、控制和管理的一系列工作。
医院感染风险评估表(适用于病房)评估科室:评估时间:
备注:
1、各科室感控小组每月进行院感风险评估,评估表中所列项目,若科室不涉及可不需评估;
科室存在的风险项目,若评估表中未涉及到,可在其他栏内填写。
2、同样的风险项目连续两次以上,需要组织讨论,制定改进计划;医院感染管理科负责督导检查。
3、风险评估表需要科主任、护士长、感控医生、感控护士签名后,纸质版一式两份,一份上交医院感染管理科,一份科室存档。
感控小组签名/时间:
院感办签名/时间:
附表1:医院感染风险评估表--多重耐药菌
附表2:医院感染风险评估表――职业防护
附表3:医院感染风险评估表-环境保洁
【下载本文档,可以自由复制内容或自由编辑修改内容,更多精彩文章,期待你的好评和关注,我将一如既往为您服务】。
医院感染风险评估表(适用于病房、ICU)评估科室:评估时间:
备注:
1、各科室感控小组每月进行院感风险评估,评估表中所列项目,若科室不涉及可不需评估;
科室存在的风险项目,若评估表中未涉及到,可在其他栏内填写。
2、同样的风险项目连续两次以上,需要组织讨论,制定改进计划;医院感染管理科负责督导检查。
3、风险评估表需要科主任、护士长、感控医生、感控护士签名后,纸质版一式两份,一份上交医院感染管理科,一份科室存档;每月30日前电子版上传医院感染管理科邮箱hnzy66221610@。
感控小组签名/时间:院感办签名/时间:
附表1:医院感染风险评估表--多重耐药菌
附表2:医院感染风险评估表――职业防护
附表3:医院感染风险评估表-环境保洁
精品文档word文档可以编辑!谢谢下载!。