利达LD5500气体灭火控制盘调试手册
- 格式:pdf
- 大小:322.21 KB
- 文档页数:6
目录第一章 概述 (1)第二章 产品特点 (1)第三章 结构特征与工作原理 (2)3.1 结构特征 (2)3.1.1 结构外形 (2)3.1.2 内部结构 (3)3.1.3 面板控制锁说明 (3)3.1.4 每路指示灯和按键说明 (3)3.2 工作原理 (5)第四章 技术特性 (5)第五章 安装与调试 (6)5.1 安装说明 (6)5.1.1 安装尺寸 (6)5.1.2 开箱检查 (6)5.2 外接端子说明 (7)5.2.1 外接设备端子连接说明 (7)5.2.2 现场布线要求 (8)5.2.3 外接设备连接注意事项 (9)5.3 设置说明 (9)5.3.1 地址设置 (10)5.3.2 控制器的相关设置 (10)5.3.2.1 地址类型设置 (10)5.3.2.2 延时设置 (10)5.3.2.3 逻辑设置 (12)5.3.3 故障检测设置 (12)5.4 调试 (14)5.4.1 气体灭火盘系统调试 (14)5.4.1.1查看地址 (14)5.4.1.2自检操作 (14)5.4.1.3复位操作 (14)5.4.2 逻辑启动功能调试 (14)5.4.3 手动启动功能调试 (15)5.4.4 现场紧急启动功能调试 (16)5.4.5 按键保护罩的安装 (16)第六章 使用及操作 (17)6.1 正常监测状态 (17)6.2 启动钢瓶(1谨慎操作) (19)6.2.1 自动启动(延时启动) (19)6.2.2 手动启动(无延时启动,谨慎操作!!!) (19)6.2.3 现场紧急启动(延时启动) (20)6.3 延时中取消启动 (20)6.3.1 停止键操作 (20)6.3.2 现场急停键操作 (21)6.4 复位 (21)6.5 自检 (22)第七章 故障分析与排除方法 (22)第八章 注意事项 (24)第九章 保养与维修 (25)第十章 运输及贮存 (25)第十一章 售后服务 (26)附录1:工程接线示例图 (26)附录2:按键保护罩安装更换方法 (27)第一章 概 述LD5501EN气体灭火控制盘(以下简称气体灭火盘)是依据GA61-2002标准,根据消防规范和消防验收规范研制的,配合我公司生产的LD128EN/LD128E系列火灾报警控制器使用,可根据采集的现场火警信息,智能控制气体灭火系统的执行机构,从而达到准确无误的控制灭火气体喷洒的目的。
LD5500E-4B 四路气体灭火控制盘使用说明书1. 概述LD5500E-4B四路气体灭火控制盘是我公司生产的LD128E系列中文火灾自动报警控制器的配套产品,也可和其他公司火灾报警控制器配套。
主要适用1路~4路气体灭火设备的控制。
该控制盘有单机壁挂式和插箱式两种。
该控制盘与我公司生产的LD128E(Q)、LD128E系列控制器相连时,只需四根线(2根24V电源线,2根通讯线),不需再增加其它硬件,可以在所连控制器上进行逻辑编程,当相应的探测器火警信息满足逻辑条件,给出LD5500E-4B四路气体灭火控制盘发出请求启动命令(预警、火警信息)时,控制盘就能完成四路气体灭火设备的控制,完成气体灭火。
当与其他公司的火灾报警控制器配套时,需要提供24V电源和每路24V+的预警和火警信号。
当收到预警和火警信号时,该控制盘就能完成四路气体灭火设备的控制。
2. 基本功能2.1控制盘共有4路气体灭火控制,其中每路均有预警、火警、延时、启瓶、放气、现场急启、现场急停、线路故障指示灯,还有工作、消音、自动、手动、强制、喷洒允许状态指示和手动/自动锁、强制锁和允许锁,控制盘的消音键和每回路的启动键和停止键均采用贴膜按键。
整个控制盘操作方便,指示清晰,安全可靠。
2.2控制盘具备现场紧急停止和紧急启动气体灭火控制设备的应急功能。
可和我公司的LD1200现场紧急启停按键配合使用完成现场紧急启停功能。
2.3四路控制输出均采用多线方式,可直接控制钢瓶电磁阀、压力开关、放气灯、声光报警器、空调控制柜,并可接收现场紧急启动、紧急停止信号和钢瓶启动反馈信号。
2.4有三种声音分别提示火警、故障和启瓶。
火警声:当接收到请求启动命令(预警或火警)时,控制盘发出火警声,火警声为长鸣声;故障声:当有线路故障时,控制盘发出故障声,故障声为断续声,间隔时间较短;启瓶声,当钢瓶启动信号发出后,控制盘发出启瓶声,启瓶声是断续的,间隔时间较故障声长。
JB-QB-LD128EN(M)-AI火灾报警控制器JB-QB-LD5502ENI气体灭火控制器安装使用说明书北京利达华信电子有限公司B E I J I N G L E A D E R H U A X I N E L EC T R O N I C S C O.,L T D.目录第一章概述 (2)第二章技术特性 (2)第三章结构特性 (3)第四章安装与调试 (9)第五章系统设置 (10)第六章使用与操作 (14)第七章LD5502ENI气体灭火控制器 (16)第八章故障分析与排除 (19)第九章注意事项 (20)第十章售后服务 (21)第一章概述JB-QB-LD128EN(M)-AI火灾报警控制器/JB-QB-LD5502ENI气体灭火控制器(以下简称LD128EN(M)-AI、LD5502ENI)是智能化的二总线火灾自动报警设备,采用中文液晶显示, LD128EN(M)-AI集报警控制器和LD5502ENI气体灭火控制器于一体,1个探测回路,最大地址点数为64点,配备了4路可编程无源继电器输出。
主要针对中、小型消防工程项目设计。
满足GB16806-2006《消防联动控制系统》、GB4717-2005《火灾报警控制器》、GB/T19001-2000《质量管理体系要求》和《消防产品3C认证实施规则》。
本设备环保和安全符合国家标准,安全可靠。
第二章技术特性2.1 功能简介2.1.1液晶显示LD128EN(M)-AI采用液晶显示,并用发光二极管指示系统关键状态信息。
通过按键操作和液晶显示,可方便快捷地查询系统火灾信息和系统工作状态,可自由选择中英文菜单,只需按照菜单显示和提示进行操作,就能够快速地查询到所需要的信息。
2.1.2布线方式LD128EN(M)-AI采用二总线回路,总线设计可减少工程布线,方便工程安装调试。
同时支持分支、单支、树型分支多种布线方式。
2.1.3节点输出系统具备4路可编程无源继电器输出,可根据用户的需要设置启动逻辑。
JB-QB-LD128EN(M)-AI火灾报警控制器JB-QB-LD5502ENI气体灭火控制器安装使用说明书北京利达华信电子有限公司B E I J I N G L E A D E R H U A X I N E L EC T R O N I C S C O.,L T D.目录第一章概述 (2)第二章技术特性 (2)第三章结构特性 (3)第四章安装与调试 (9)第五章系统设置 (10)第六章使用与操作 (14)第七章LD5502ENI气体灭火控制器 (16)第八章故障分析与排除 (19)第九章注意事项 (20)第十章售后服务 (21)第一章概述JB-QB-LD128EN(M)-AI火灾报警控制器/JB-QB-LD5502ENI气体灭火控制器(以下简称LD128EN(M)-AI、LD5502ENI)是智能化的二总线火灾自动报警设备,采用中文液晶显示, LD128EN(M)-AI集报警控制器和LD5502ENI气体灭火控制器于一体,1个探测回路,最大地址点数为64点,配备了4路可编程无源继电器输出。
主要针对中、小型消防工程项目设计。
满足GB16806-2006《消防联动控制系统》、GB4717-2005《火灾报警控制器》、GB/T19001-2000《质量管理体系要求》和《消防产品3C认证实施规则》。
本设备环保和安全符合国家标准,安全可靠。
第二章技术特性2.1 功能简介2.1.1液晶显示LD128EN(M)-AI采用液晶显示,并用发光二极管指示系统关键状态信息。
通过按键操作和液晶显示,可方便快捷地查询系统火灾信息和系统工作状态,可自由选择中英文菜单,只需按照菜单显示和提示进行操作,就能够快速地查询到所需要的信息。
2.1.2布线方式LD128EN(M)-AI采用二总线回路,总线设计可减少工程布线,方便工程安装调试。
同时支持分支、单支、树型分支多种布线方式。
2.1.3节点输出系统具备4路可编程无源继电器输出,可根据用户的需要设置启动逻辑。
JB-QB-LD128EN(M)火灾报警控制器(联动型)安装使用说明书目录第一章概述 (2)第二章技术特性 (2)第三章结构特性 (4)第四章安装与调试 (7)第五章系统设置 (8)第六章使用与操作 (20)第七章联动控制盘 (28)第八章故障分析与排除 (29)第九章注意事项 (29)第十章售后服务 (29)◇火警指示(红):首次火警发生时灯亮,并保持到系统复位。
◇反馈指示(红):设备有回答时灯亮,无回答时灯灭。
◇启动指示(红):设备被启动后,指示灯亮,无启动设备时灭。
◇延时指示(红):设备尚未启动,正处在延时状态时灯亮,延时结束时灯灭。
◇气体喷洒(红):气体喷洒设备有启动命令时灯亮,无启动命令时灯灭。
◇消音指示(绿):有火警、启动或故障发生时,按消音键后,消音指示灯亮。
◇全局手动(绿):当联动设备的启动状态设置为[全局手动]时灯亮。
◇全局自动(绿):当联动设备的启动状态设置为[全局自动]时灯亮。
◇屏蔽指示(黄):当有未接或故障的设备被屏蔽时灯亮。
无屏蔽设备时灯灭。
◇输出禁止(黄):当任意一联动设备被禁止时灯亮,无设备被禁止时灯灭。
◇系统故障(黄):当控制器主板程序出错时灯亮,主程序运行正常时灯灭。
◇公共故障(黄):控制器有故障时灯亮,全部故障消除后灯灭。
◇主电故障(黄):主电欠压及断线时灯亮,主电正常时灯灭。
◇备电故障(黄):备电欠压及断线时灯亮,备电正常时灯灭。
◇通讯故障(黄):当控制器主板与多线联动盘通讯故障时灯亮,无故障时灯灭。
◇本机发送(红):有火警发生时,本机向其他设备发送出火警信息后灯亮,未送出火警时灯灭。
◇监管报警(红):当漏电报警或断电时灯亮,系统复位后灯灭。
◇本机接收(红):当本机接收到其它设备发送来的火警信息后灯亮,未收到灯灭。
◇漏电报警(红):当漏电保护器发出漏电报警时灯亮,无报警时灯灭。
◇漏电断电(红):当漏电保护器断电时灯亮,正常工作时灯灭。
◇声光报警屏蔽(黄):声光报警屏蔽时灯亮,声光报警取消屏蔽时灯灭。
2024年气体灭火操作手册及安全注意事项系统的安装、调试必须严格按工程设计施工图和相应的技术文件要求进行,确认其已完全达到设计要求,并经当地公安消防部门验收合格后,方可投入使用。
本公司生产的七氟丙烷系统备有三种开启方式,即:自动控制方式、电气手动控制方式和机械应急手动控制方式。
1自动控制方式将灭火控制盘自动/手动转换开关拨到自动位置,灭火系统进入自动控制方式。
当防护区内发生火灾时,在接收到与灭火控制盘连接的火灾探测器发来的火警信号(通知防护区内人员撤离现场)后,或接收到其它火灾报警系统发来的联动控制信号后,灭火控制盘启动声光报警信号,同时发出关闭门窗、停止空调通风设备等指令,经过延时(延时时间应确保防护区内人员全部撤离现场,但不应超过30秒)后,灭火控制盘发出灭火指令,打开电磁阀,启动相应的容器阀,释放灭火剂进行灭火。
在自动控制方式下,一般不需人工干预。
2电气手动控制方式根据手动优先的原则,无论灭火控制盘处于自动或手动状态,只要将灭火控制盘手动禁止/允许转换开关拨到手动允许位置,均可按下灭火控制盘的紧急启动按钮或按下设置在防护区出入口的紧急启动按钮,立即启动灭火系统;在自动启动的延时状态可按下灭火控制盘紧急停止按钮或按下设置在防护区出入口的紧急停止按钮,停止系统的启动。
电气手动启动操作实施前,应首先关闭防护区内会导致系统灭火性能降低的有关设备,如门窗、空调通风、排风扇等,通知并确认防护区内人员已全部撤离。
3机械应急手动控制方式当自动控制方式、电气手动控制方式都不能启动灭火系统时,可采用机械应急手动控制方式启动灭火系统,在火灾发生时,拉出对应驱动瓶组电磁阀上弹簧卡片,用力拍击电磁阀顶部推杆,打开电磁阀,启动相应容器阀,释放灭火剂进行灭火。
机械应急手动启动操作前,应首先关闭防护区内会导致系统灭火性能降低的有关设备,如门窗、空调通风、排风扇等,通知并确认防护区内人员已全部撤离。
系统的维护保养及注意事项为了保证灭火系统长期有效的处于正常工作状态、火灾发生时能实施有效的灭火功能,必须建立严格的管理制度,并做好检查和维护保养工作。
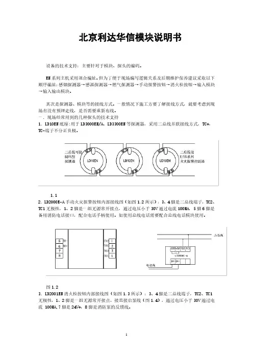
北京利达华信模块说明书设备的技术支持:主要针对于模块、探头的编码。
EN系列主机采用混合编址。
但为了便于现场编写逻辑关系及后期维护保养建议采取以下顺序编址:感烟探测器→感温探测器→燃气探测器→手动报警按钮→消火栓按钮→输入模块→输入输出模块。
其次是探测器、模块等的接线方式。
一般情况下施工方要了解接线方式,就要考虑到现场有没有预埋走线,是否需要重新布线。
一.现场经常用到的几种探头的技术支持1.LD10EN底座:用于LD3000EN/A、LD3300EN等探测器,采用二总线并联接线方式,TC+,TC-端子不分正负极。
1.12.LD2000E-A手动火灾报警按钮内部接线图(如图1.2所示):3、4脚是二总线端子,TC2、TC1无极性,1、2脚是一组无源常开接点,通过电压小于30V通过电流100MA,5脚6脚是备用消防电话接口,配合电话手柄使用。
如使用总线电话需要配合总线电话模块使用。
图1.23.LD2001EN消火栓按钮内部接线图(如图1.3所示):3、4脚是二总线端子,TC2、TC1无极性,1、2脚是一组无源常开接点,接直接启泵线(图1.4),通过电压小于30V通过电流 100MA,7脚是24V+,8脚是消防泵的反馈线。
图1.3图1.44. LD3101/B点型可燃气体探测器内部接线示意图(如图1.5所示):TC+,TC-,24V+,24V-四个端子。
3101/B点型可燃气体探测器探头编码方式是将TC+与24V+短接,TC-与24V-短接,用编码器的红色夹子夹在TC+上,黑色夹子夹在TC-上进行编码。
图1.55.LD4400EN-1/2输入模块端子图与接线图示例(如图1.6、1.7所示):6脚5脚是二总线TC+,TC-原则上不分正负极,11脚12脚是一组无源长开点,8脚7脚是一组无源长开点。
端子现场设备上需要加15K线路检测电阻。
图1.6图1.76.LD6800EC-1输入/输出模块内部接线图(如图1.8所示):1脚24V+,2脚24V-必须分极性,5、6脚TC+、TC-,11、12脚现场反馈信号接入点,需要接82K线路检测电阻。
气体灭火系统组件的安装与调试范本1. 组件安装在进行气体灭火系统组件安装之前,需要先进行周密的规划和准备工作,确保安装的顺利进行。
1.1 检查组件在安装之前,首先要进行对气体灭火系统组件的检查,确保其完好无损,并且符合相关的技术标准和规范要求。
1.2 布置空间根据气体灭火系统组件的尺寸和要求,合理布置安装空间。
确保组件的安装位置合适,并且方便日后的维护和检修。
1.3 安装管道根据气体灭火系统的设计要求,进行管道的布置和安装。
确保管道的连接牢固,并且没有漏气现象。
1.4 安装气瓶组根据气体灭火系统的设计要求,进行气瓶组的安装。
确保气瓶组的安装牢固,并且与管道连接紧密。
1.5 安装控制面板根据气体灭火系统的设计要求,进行控制面板的安装。
确保控制面板的安装位置合适,并且方便操作和监控。
2. 组件调试在完成组件的安装之后,需要进行相应的调试工作,确保组件的正常运行和灭火效果。
2.1 检查气瓶组在调试之前,首先要对气瓶组进行检查,确保其压力稳定和充装量达到要求。
2.2 调试控制面板根据气体灭火系统的设计要求,进行控制面板的调试。
包括设置控制参数、调整报警点和延迟时间等。
2.3 检查报警系统根据气体灭火系统的设计要求,对报警系统进行检查和测试。
确保报警系统的正常运行,并能够及时发出报警信号。
2.4 演练灭火过程在调试完成之后,进行灭火演练,模拟火灾发生的情况。
检查气体灭火系统的灭火效果,并根据需要进行相应的调整。
2.5 项目验收在组件的安装和调试工作完成之后,进行项目验收。
由相关的消防部门进行验收,并发放相应的验收证书。
3. 维护与保养为了确保气体灭火系统长期有效地运行,需要进行定期的维护与保养工作。
3.1 定期检查定期对气体灭火系统进行检查,包括检查管道、气瓶组、控制面板和报警系统等。
确保系统各部分的正常运行和连接牢固。
3.2 检修维护对于发现的问题和故障,及时进行检修和维护。
确保系统随时处于良好的工作状态,并能够随时投入使用。
气体灭火系统组件的安装与调试气体灭火系统是一种常见的灭火设备,可以在发生火灾时迅速释放特殊气体,将火灭灭。
安装和调试气体灭火系统的过程需要严格遵循相关规范和要求,以确保系统的正常运行和可靠性。
以下是一个大致的安装和调试过程的简要介绍,以供参考。
1. 设计和规划:在安装和调试气体灭火系统之前,需要进行详细的设计和规划。
这包括确定需要保护的区域大小、确定所需的灭火剂种类和数量,选择合适的灭火设备和组件,以及设计灭火系统的管道和布局等。
2. 安装工作:安装气体灭火系统的工作需要由专业的技术人员进行。
安装的过程中,需要将灭火剂储存缸、高压容器和阀门等组件安装在预定的位置上,并连接好管道系统。
同时,还需要安装探测器、报警器、控制面板和其他电气设备等,以确保系统能够正常工作。
3. 探测器和报警器的调试:安装完成后,需要对探测器和报警器等进行调试。
探测器通常使用光电、电离室、线性热敏电阻等原理进行火灾的检测和监测。
调试过程中,需要检查探测器的敏感度和报警的准确性,并确保其与控制面板正常连接。
此外,还需要测试报警器的声音和光信号,以确保能够在发生火灾时准确地发出警报。
4. 控制面板和电气设备的调试:控制面板是气体灭火系统的核心部分,可以对灭火系统进行监控、报警和控制。
在调试过程中,需要确保控制面板能够准确地监测和显示火灾情况,并能够触发灭火装置的启动。
同时,还需要测试控制面板对外部信号的响应和处理能力,并确保与其他电气设备的正常通信。
5. 管道和阀门的调试:灭火系统的管道和阀门是气体释放的关键,调试过程中需要对其进行测试和检查。
这包括检查管道的密封性、阀门的开闭功能和压力释放装置的性能等。
同时,还需要进行一些压力测试,以确保系统的压力、流量和喷射时间等符合规定的要求。
6. 灭火装置的调试:安装和调试完成后,需要对灭火装置进行测试和调试。
灭火装置通常使用储存有灭火剂的大型储存缸,通过开启阀门将灭火剂释放到被保护区域。
LD5500E八路气体灭火控制盘调试说明书1.概述LD5500E是根据消防规范和消防验收规范研制的八路气体灭火控制盘,它配合我公司生产的LD128E系列火灾报警控制器使用。
LD5500E的输入信号来自于控制器的联动逻辑输出信号,并作为该盘的预警和火警信号。
LD5500E盘共设有8路气体灭火控制,其中每路有预警、火警、延时、启瓶、放气、现场急启、现场急停、线路故障指示,控制盘还设有工作、消音、自动、手动、强制、喷洒允许状态指示。
为了安全可靠的实现气体灭火,控制盘配有强制、准许、手动/自动锁。
LD5500E设有手动、自动、强制启动功能,以及现场紧急停止和紧急启动气体灭火控制设备的应急功能。
自动启动、强制启动功能以及现场紧急启动功能,气体灭火控制设备启动命令均设有30秒左右的时间延迟。
现场紧急停止在自动功能、紧急启动、强制启动、现场紧急状态均能起到紧急停止的控制作用。
LD5500E的手动或强制操作通过启动/停止按键来完成,按键采用贴膜按键,操作方便,性能可靠。
LD5500E控制盘采用多线控制方式,直接控制钢瓶电磁阀、压力开关、放气灯、声光报警器、空调控制柜,并接收现场紧急启动和紧急停止信号。
LD5500E控制盘三种声音提示,火警声,当有预警或火警时,控制盘发出火警声,火警声为长鸣声。
故障声,当有线路故障时,控制盘发出故障声,故障声为断续声,间隔时间较短。
启瓶声,当钢瓶启动信号发出后,控制盘发出启瓶声,启瓶声是断续的,间隔时间较故障声长。
该盘有8个启动、8个停止、1个消音键,启动、停止键用于手动或强制操作各路启停,消音键用于控制盘消音。
预警指示灯:红色,接收到控制器发出的第一次请求命令时,预警指示灯亮。
火警指示灯:红色,接收到控制器发出的第二次请求命令时,火警指示灯亮。
延时指示灯:红色,自动状态,预警和火警都发生后,延时指示灯亮。
强制状态,按启动键后延时指示灯亮。
启瓶指示灯:启动信号发出后,启瓶指示灯亮。
气体灭火系统调试方案一、定额说明:气体灭火系统装置调试包括模拟喷气试验、备用灭火器贮存容器切换操作试验,按试验容器的规格(L),分别以“个”为计量单位。
试验容器的数量包括系统调试、检测和验收所消耗的试验容器的总数,试验介质不同时可以换算。
二、劳动力、材料气体灭火装置需要参与火灾报警及联动系统调试,系统装置调试的所需材料包括:大膜片、小膜片、锥形堵块、金属密封垫、聚四氟乙烯垫;辅材包括:试验介质(氮气40升) 试验容器40升。
根据《吉林省安装工程计价定额》(JLJD-AZ-2009)中定额中1个90L气体灭火装置调试需要14.4个工日(每工日按8小时工作时间计算),1个120L气体灭火装置调试需要19.8个工日。
三、依据的标准:《吉林省安装工程计价定额》(JLJD-AZ-2009)按GB50263-2007《气体灭火系统施工及验收规范》的要求进行模拟手动启动调试。
四、安全要求(1)调试工作由施工组长全面负责,所有参加人员必须听从施工组长的指挥,在进行任何操作时,必须请示组长同意后方可进行操作。
(2)在调试工作前,必须对参加人员都有明确的分工,并有明确的责任。
(3)在进行调试前,必须对所有进行调试的设备进行全面进行检查,保证所有的设备都符合调试要求。
(4)在调试前,应对所可能发生故障做好相应的预防措施。
(5)在调试前,应对调试区域内的工作人员进行通知,让工作人员知道进行消防调试,可能发生报警音响或其它情况时,不要惊慌。
五、调试步骤A.进行全面的检查(1)检查驱动器的电源未连接。
(2)检查驱动瓶和灭火剂瓶的保险销和铅封都应完好。
(3)检查驱动瓶气体压力都应在规定范围之内。
(4)检查灭火剂瓶的称重装置应完好,报警装置正常。
(5)检查驱动瓶和灭火剂瓶的标志都应完好和正确。
(6)检查选择阀的标志完好正确。
(7)检查各气体管道的连接口安装牢固。
(8)检查信号反馈装置的接线应正确可靠。
(9)检查防护区的手动启动和停止按钮应完好,保护措施应完整。
七氟丙烷气体灭火使用方法及注意事项一.系统简介1.本系统由LD128EN(M)火灾自动报警主机、LD5500系列气体灭火控制盘、紧急启停按钮、声光报警器、放气指示灯、感烟探测器和七氟丙烷机柜组成。
2.七氟丙烷气体灭火效能高,灭火速度快,灭火剂毒性低,对设备无污染,需要在密闭的空间内灭火,空间内的人员需要撤离。
3.本系统可通过紧急启停按钮或LD5500系列气体灭火控制盘来启动七氟丙烷机柜放气装置。
4.本系统通过对LD128EN(M)火灾报警主机和LD5500系列气体灭火控制盘的状态设置来实现系统手动或自动启动七氟丙烷放气装置。
1)自动控制方式:当LD128EN(M)火灾报警主机处于“自动状态”,LD5500系列气体灭火控制盘处于“自动”和“允许”启瓶状态下,主机可通过设置在机房区域内的感烟探测器实现自动探测火灾,自动喷洒七氟丙烷气体来灭火。
2)手动控制方式:当LD128EN(M)火灾报警主机处于“手动状态”,LD5500系列气体灭火控制盘处于“手动状态”可通过紧急启停按钮或气体灭火控制盘的启停按钮来启瓶喷洒灭火剂。
当处于“延时状态下”可通过紧急启停按钮的“停止键”并在30S 内按下,可停止喷洒。
二.工作流程1. 当机房有人值守时,如发现火灾,请先撤离人员,负责人在确认机房内无人状态下,关上机房门,按下紧急启停按钮,此时声光报警器发出报警,延时30S后,系统将喷洒灭火剂。
放气指示灯闪亮,警示人员误入,2. 负责人将相关事项汇报领导,确认灭完火后,将火灾报警主机和紧急启停按钮复位。
3. 当机房无人值守时,将当LD128EN(M)火灾报警主机处于“自动状态”,LD5500系列气体灭火控制盘处于“自动”和“允许”启瓶状态下,主机可通过设置在机房区域内的感烟探测器实现自动探测火灾,自动喷洒七氟丙烷气体来灭火。
三注意事项1. 请仔细阅读LD128EN(M)火灾报警主机和LD5500系列气体灭火控制盘的操作说明书,以防误操作。
北京利达华信模块说明书
设备的技术支持:主要针对于模块、探头的编码。
EN系列主机采用混合编址。
但为了便于现场编写逻辑关系及后期维护保养建议采取以下顺序编址:感烟探测器→感温探测器→燃气探测器→手动报警按钮→消火栓按钮→输入模块→输入输出模块。
其次是探测器、模块等的接线方式。
一般情况下施工方要了解接线方式,就要考虑到现场有没有预埋走线,是否需要重新布线。
?
一.现场经常用到的几种探头的技术支持?
1.
极。
2.1、2
图
3.1、2脚
图1.3
图1.4?
4.LD3101/B点型可燃气体探测器内部接线示意图(如图1.5所示):TC+,TC-,24V+,24V-四个端子。
3101/B 点型可燃气体探测器探头编码方式是将TC+与24V+短接,TC-与24V-短接,用编码器的红色夹子夹在TC+上,黑色夹子夹在TC-上进行编码。
原则上
电阻。
图1.6
图1.7
6.6脚TC+、TC-,11
7.1脚
图1.9
二.主机柜的技术支持?
主要针对的主机、手动盘、电话系统、广播系统、气体灭火盘、联动电源系统等。
?
1.主机类:?
LD128E(Q)火灾报警控制器(联动型)接线端子图:
2.手动盘接线端子示意图:。
编号:LD-FJ/Y-157-02 SSJB-QB-LD128EN(M)-AI火灾报警控制器JB-QB-LD5502ENI气体灭火控制器安装使用说明书共 18 页编制: 日期:审核: 日期:批准: 日期:版号 信息 更改人 日期V2.0 完善运输与贮存、布线要求、LD5502ENI设置等内容 张风雨 2009-12-10JB-QB-LD128EN(M)-AI 火灾报警控制器JB-QB-LD5502ENI 气体灭火控制器安装使用说明书 目 录第一章 概述 (2)第二章 技术特性 (2)第三章 结构特性 (3)第四章 安装与调试 (8)第五章 系统设置 (9)第六章 使用与操作 (12)第七章 LD5502ENI气体灭火控制器 (15)第八章 故障分析与排除 (17)第九章 注意事项 (17)第十章 运输与贮存 (18)第十一章 售后服务 (18)声明:如本说明书版本已升级,则以最新版本为准,恕厂家不另行通知第一章 概述JB-QB-LD128EN(M)-AI火灾报警控制器/JB-QB-LD5502ENI气体灭火控制器(以下简称LD128EN(M)-AI、LD5502ENI)是智能化的二总线火灾自动报警设备,采用中文液晶显示, 集LD128EN(M)-AI报警控制器和LD5502ENI气体灭火控制器于一体,1个探测回路,最大地址点数为64点,配备了5路无源继电器输出。
主要针对中、小型消防工程项目设计。
满足GB16806-2006《消防联动控制系统》、GB4717-2005《火灾报警控制器》、GB/T19001-2008《质量管理体系 要求》和《消防产品3C认证实施规则》。
本设备环保和安全符合国家标准,安全可靠。
第二章 技术特性2.1 功能简介2.1.1液晶显示LD128EN(M)-AI采用液晶显示,并用发光二极管指示系统关键状态信息。
通过按键操作和液晶显示,可方便快捷地查询系统火灾信息和系统工作状态,可自由选择中英文菜单,只需按照菜单显示和提示进行操作,就能够快速地查询到所需要的信息。
气体灭火系统组件的安装与调试姓名:XXX部门:XXX日期:XXX气体灭火系统组件的安装与调试气体灭火系统的安装调试、检测验收包括灭火剂储存装置安装、选择阀及信号反馈装置安装、灭火剂输送管道安装、系统调试和系统检测验收等内容。
一、安装要求(一)灭火剂储存装置安装1.储存装置的安装位置要符合设计文件的要求;2.灭火剂储存装置安装后,泄压装置的泄压方向不应朝向操作面。
低压二氧化碳灭火系统的安全阀要通过专用的泄压管接到室外;3.储存装置上压力计、液位计、称重显示装置的安装位置便于人员观察和操作;4.储存容器的支架、框架固定牢靠,并做防腐处理;5.储存容器宜涂红色油漆,正面标明设计规定的灭火剂名称和储存容器的编号;6.安装集流管前检查内腔,确保清洁;7.集流管上的泄压装置的泄压方向不应朝向操作面;8.连接储存容器与集流管间的单向阀的流向指示箭头应指向介质流动方向;9.集流管应固定在支、框架上,支、框架应固定牢靠,并做防腐处理。
(二)选择阀及信号反馈装置的安装1.选择阀操作手柄安装在操作面一侧,当安装高度超过1.7m时采取便于操作的措施;第 2 页共 10 页2.采用螺纹连接的选择阀,其与管网连接处宜采用活接;3.选择阀的流向指示箭头要指向介质流动方向;4.选择阀上要设置标明防护区或保护对象名称或编号的永久性标志牌,并应便于观察;5.信号反馈装置的安装符合设计要求。
(三)阀驱动装置的安装1.拉索式机械驱动装置的安装要求:(1)拉索除必要外露部分外,采用经内外防腐处理的钢管防护;(2)拉索转弯处采用专用导向滑轮;(3)拉索末端拉手设在专用的保护盒内;(4)拉索套管和保护盒固定牢靠。
2.安装以重力式机械驱动装置时,应保证重物在下落行程中无阻挡,其下落行程要保证驱动所需距离,且不小于25mm。
3.电磁驱动装置驱动器的电气连接线要沿固定灭火剂储存容器的支架、框架或墙面固定。
4.气动驱动装置的安装规定:(1)驱动气瓶的支架、框架或箱体固定牢靠,并做防腐处理;(2)驱动气瓶上有标明驱动介质名称、对应防护区或保护对象名称或编号的永久性标志,并便于观察。
LD5500E-2 二路气体灭火控制盘
调试手册
目录
一、概述----------------------------------------------------------------------------------------------------------------------------- 2
二、LD5500E-2盘的使用------------------------------------------------------------------------------------------------------- 4
三、LD5500E-2的接线---------------------------------------------------------------------------------------------------------- 6
一.概述
LD5500E-2二路气体灭火控制盘是我公司生产的LD128E系列中文火灾自动报警控制器的配套产品。
该控制盘能通过接收控制器的命令自动或手动完成二路气体灭火设备的控制,也可进行强制控制和现场控制。
其结构为壁挂式,安装灵活,操作简单明了。
控制盘共有两路气体灭火控制,输入信号来自于控制器的联动逻辑输出信号,其中每路均有预警、火警、延时、启瓶、放气、现场急启、现场急停指示灯,另有工作、消音、自动、手动、强制、喷洒允许状态指示灯和手动/自动锁、强制锁及允许锁。
控制盘具备现场紧急停止和紧急启动气体灭火控制设备的应急功能。
二路控制输出均采用多线方式,可直接控制钢瓶电磁阀、压力开关、放气灯、声光报警器、空调控制柜,并可接收现场紧急启动、紧急停止信号和钢瓶启动反馈信号。
有30秒延时功能。
在自动状态下有预警火警信号、在强制状态下按启动键或现场有紧急启动操作时,对气体灭火控制设备启动命令均设有30秒左右的时间延迟。
在30秒内按停止键或现场紧急停止按钮均能停止启瓶,以防止钢瓶误动作。
提示声音,当有预警或火警请求、强制启动或紧急启停时,蜂鸣器发出声音提示。
火警指示灯(红色):接收到控制器发出的第二次请求命令时,火警指示灯亮。
延时指示灯(红色):自动状态下,预警和火警都发生后,延时指示灯亮;强制情况下,按启动键后延时指示灯亮;按现场紧急启动按钮后延时指示灯亮。
启瓶指示灯(红色):启动信号发出后,启瓶指示灯亮。
放气指示灯(红色):控制盘接收到钢瓶启动后的放气信号,放气指示灯亮。
现场急启指示灯(红色):控制盘接收到现场紧急启动按钮按下的信号后,现场急启指示灯亮。
现场急停指示灯(红色):控制盘接收到现场紧急停止按钮按下的信号后,现场急停指示灯亮。
工作指示灯(绿色):指示控制盘的工作情况,当控制盘接有24V正常工作电源时,工作指示灯亮。
消音指示灯(绿色):蜂鸣器发出声音提示时,按消音键取消蜂鸣后消音指示灯亮。
喷洒允许灯(红色):当允许锁处于允许状态时,喷洒允许灯亮。
强制状态灯(红色):当强制锁处于强制状态时,强制状态灯亮。
自动状态灯(绿色):当自动/手动锁处于自动状态时,自动状态灯亮。
手动状态灯(绿色):当自动/手动锁处于手动状态时,手动状态灯亮。
启动键:强制状态下,按启动键延时灯亮,延时30秒后发出钢瓶启动信号;
手动状态下,有预警或火警信号时,按启动键后发出钢瓶启动信号。
停止键:在各种延时启动情况下的延时其间内,按停止键取消启动信号。
消音键:用于控制盘消音。
二.LD5500E-2盘的使用
一般情况下是每路完成一个区域的气体灭火。
每路均具有10条外接线,其中启动线2根(接钢瓶)、放气线(钢瓶启动回答信号线)1根、DC24V输出1根、声光报警信号输出线1根、常开点和常闭点共3根(接空调控制柜)、紧急启动1根、紧急停止1根。
现场紧急启动和紧急停止由LD1200紧急按钮控制。
2.1和我公司的LD128E系列控制连接设置说明
本控制盘需用电子编址器预先对每路写入预警和火警地址。
在控制盘未和控制器相连的情况下,将编址器和控制盘的探测线连接(不分极性),将电路板上的CP4两针插座用短路块短接,CP5断开,在编址器上设好地址后(如P004),按确认键,即对本控制盘的第一路气体灭火写入了预警和火警地址(分别为004和005);同理,将电路板上的CP5两针插座用短路块短接,CP4断开,在编址器上设好地址后(如P008),按确认键,即对本控制盘的第二路气体灭火写入了预警和火警地址(分别为008和009),至此编址完毕,将CP4,CP5两针插座均用短路块短接,然后将本控制盘和我公司的LD128E(Q)或LD128E系列控制器联接使用,应将24V两根电源线和两根探测线(无极性)和控制器对应连接好。
2.2 LD5500E-2盘的状态
手动状态:将“自动/手动”锁的箭头指示到“手动”位置即设置为手动状态,手动状态指示灯亮,自动状态指示灯灭。
为了安全可靠的控制钢瓶,建议控制盘在正常监测状态,设置成手动状态。
自动状态:将‘自动/手动“锁的箭头指示到“自动”位置即设置为自动状态,自动状态指示灯亮,手动状态指示灯灭。
控制盘在无人职守时,可设置成自动状态。
强制状态:将锁的箭头指示到“强制”位置即可设置为强制启动状态,强制状态指示灯亮。
在确定现场发生火情,必须启动钢瓶时,需设置成强制状态。
允许锁: 将允许锁的箭头指示到“允许”位置,“喷洒允许”指示灯亮,允许钢瓶放气(现场急启除外)。
2.3 LD5500E-2自动状态调试
自动状态时无须对控制盘进行任何操作,控制盘自动对外接设备进行控制。
设置方法:通过自动/手动锁,将锁的箭头指示到“自动”位置即可设置为自动状态,此时自动状态指示灯亮,手动状态指示灯灭。
当LD5500E-2接收到火灾控制器发出的预警和火警请求信号后,相应预警和火警指示灯亮,延时指示灯亮,且控制盘发出火警声,所控制的声光报警动作,无源常开点闭合,无源常闭点断开,如允许锁设为允许状态时(喷洒允许指示灯亮),延时30秒后,启瓶指示灯亮,启瓶命令发出,钢瓶启动,反之,启瓶指示灯不亮且不发出命令。
在延时的30秒内,若按相应路的停止键,钢瓶不启动。
2.4 LD5500E-2手动状态调试
手动状态是控制盘接收到预警和火警请求信号后,人为确定是否启动钢瓶,进行手动控制。
此状态下启瓶无延时。
设置方法:将锁的箭头指示到“手动”位置即可设置为手动状态,此时自动状态指示灯亮,手动状态指示灯灭。
当LD5500E-2接收到火灾控制器发出的预警和火警请求信号后,相应预警和火警指示灯亮,,控制盘发出火警声,所控制的声光报警动作,无源常开点闭合,无源常闭点断开,当确定需启动后,将允许锁设为允许状态,喷洒允许指示灯亮,此时按相应路的启动键,启瓶指示灯亮,启瓶命令发出,钢瓶启动,此种状态下无延时。
如未按启动键或未“允许”,则无启瓶命令发出,钢瓶不启动。
2.5 LD5500E-2强制状态调试
强制状态是控制盘不论在任何监测状态下,需启动钢瓶时,进行强制控制。
设置方法:通过强制锁,将锁的箭头指示到“强制”位置即可设置为强制状态,此时强制状态指示灯亮。
两路声光报警输出端均有24V输出且无源常开点闭合,无源常闭点断开,在允许锁设为允许状态时,按启动键,对应路延时30秒后启瓶指示灯亮,启瓶命令发出,钢瓶启动;如在延时30秒之内,按相应路的停止键,启瓶命令不发出,钢瓶不启动。
2.6 紧急启停操作
LD5500E-2控制盘不论在任何监测状态下,如现场出现火情时,现场人员可按现场紧急启动按键(LD1200的启动按钮),不管允许锁是否为允许状态,都会蜂鸣器报警声、延时指示灯、现场急启指示灯亮,声光报警输出端有24V输出,无源常开点闭合,无源常闭点断开。
延迟30 秒后,启瓶命令发出,钢瓶启动,相应路启瓶指示灯亮。
灭火后复位使控制器处于原监测状态。
若在按紧急启动按钮后的30秒内(即钢瓶未启动时),火情已被控制,操作人员按紧急停止键(或按本控制盘相应路的停止键),同时将紧急启动按键复位,此时声光报警消除,无源常开点断开,无源常闭点闭合,钢瓶不再启动,控制盘的现场急停指示灯亮,将紧急停止键复原,控制器处于原监测状态。
2.7 LD5500E-2复位说明
LD5500E-2的复位是通过接收到控制器发出的复位信号来完成复位的,控制盘在接收到控制器发出的复位信号后,应手动将强制锁设置成非强制状态,允许锁设置成非允许喷洒状态,手动/自动锁设置成手动状态。
三.LD5500E-2的接线
LD5500E-2输出端子说明和单路联动接线示意图 SHG 224V -LD5500E-2
24V +VSS TC-TC+GP1 +24V GPH 1SHG 1COM 1OFF 1ON1SQ1ST1GP2 +VSS 24V GPH 2 SQ2OFF 2
COM 2ON2ST2
TC+——探测回路线1 TC- ——探测回路线2 24V----24V 的正极 VSS——24V 的地 GP——启瓶端+ VSS——启瓶端-
GPH——钢瓶启动回答端差 SHG——声光报警输出端
COM——无源节点公共端 OFF——无源节点常开端 ON——无源节点常闭端。