马自达M6睿翼车间手册中册(底盘)27
- 格式:pdf
- 大小:442.45 KB
- 文档页数:10
09-13座椅座椅位置索引图 . . . . . . . . . . . 09-13-1前排座椅的拆卸/安装 . . . . . . . . 09-13-3前排座椅背垫部件[不带电动座椅系统的车辆]的拆卸/安装 . . . . . . . . . . . 09-13-6前排座前排座椅 BACK饰条的拆卸/安装. . . . . . . . . . . . . . . . 09-13-7前排座椅背垫内架的拆卸/安装 . . . . 09-13-20前排座椅座垫饰条的拆卸/安装 . . . . 09-13-22前排座椅边盖的拆卸/安装 . . . . . . 09-13-23后座的拆卸/安装 [5HB/WAGON] . . . . 09-13-28后座的拆分/组装 [5HB/WAGON] . . . . 09-13-31后座靠背的拆卸/安装 [4SD] . . . . . 09-13-32后排座椅靠背框架的拆卸/安装 . . . . 09-13-33后座座垫的拆卸/安装 [4SD]. . . . . 09-13-39后排座椅座垫饰条的拆卸/安装. . . . 09-13-39后排座椅靠背的拆卸/安装. . . . . . 09-13-40前倾电机的检查. . . . . . . . . . . 09-13-40后倾斜电机的检查. . . . . . . . . . 09-13-41滑动电动机的检查. . . . . . . . . . 09-13-41靠背电机的检查. . . . . . . . . . . 09-13-41电动座椅开关的检查. . . . . . . . . 09-13-42位置记忆控制模块的拆卸/安装. . . . 09-13-45位置记忆控制模块的检查. . . . . . . 09-13-46位置记忆开关的检查. . . . . . . . . 09-13-48座椅加温器开关的拆卸/安装. . . . . 09-13-48座椅加热器开关的检查. . . . . . . . 09-13-49座椅加热装置的检查. . . . . . . . . 09-13-49座椅位置索引图id0913********1前座椅(参见 09-13-3 前排座椅的拆卸/安装。
马自达6睿翼使用手册由内至外-多图详解以马自达“Zoom-Zoom”核心理念开发,在外观设计、制造工艺及性能等方面均有所提升的第Ⅱ代Mazda6睿翼,即将于2009年春季投放上市。
那么,这款将在一汽马自达销售渠道销售点的Mazda6睿翼,在各项功能的使用以及舒适性方面的表现如何呢?下面我们就来一同了解一下。
关键词:一汽马自达马自达6 睿翼以马自达“Zoom-Zoom”核心理念开发,在外观设计、制造工艺及性能等方面均有所提升的第Ⅱ代Mazda6睿翼,即将于2009年春季投放上市。
那么,这款将在一汽马自达销售渠道销售点的Mazda6睿翼,在各项功能的使用以及舒适性方面的表现如何呢?下面我们就来一同了解一下。
一外观部分:Mazda6睿翼在外型尺寸方面比目前销售的车型有了不少提升, 2725mm的轴距让车内后排腿部空间十分宽裕,1440mm的高度也可以满足一般消费者对于头部空间的要求。
前保险杠与运动型散热器格栅经过重新设计后,使得车头整体感很强。
Mazda6睿翼1795mm的车身宽度可以满足消费者对于车内横向空间的要求,同时这款车的轮毂造型是该车的一大亮点之一,多幅式铝合金运动轮胎区别于老款版车型。
215/50R17的轮胎,兼顾了舒适性与经济性。
经改款换代有的Mazda6睿翼,采用了鹰眼型的前大灯设计为睿翼的前脸带来了张力十足的视觉效果。
远/近式的双氙气大灯为在夜间行驶的驾驶者增添了一份安全,同时量产后的睿翼车辆头部将增设4点式泊车雷达。
与前泊车雷达相同,后倒车雷达将同样出现在量产后的睿翼配置表中,这一点让拥有它的新手们在停车时可以减少一份小心与谨慎。
高位刹车灯为LED光源,节电、亮度高、寿命长。
睿翼的行李厢仅需轻按下方的电磁开关,即可轻松实现开启,在日常行驶中车辆发生故障时所要使用到的一些简单工具,被置于行李厢内下侧的隔板中。
应用越来越多的逃生拉手,也随Mazda6睿翼出现在了行李厢内。
二车门部分:几近90度的车门开度,使驾乘人员上下车十分方便。
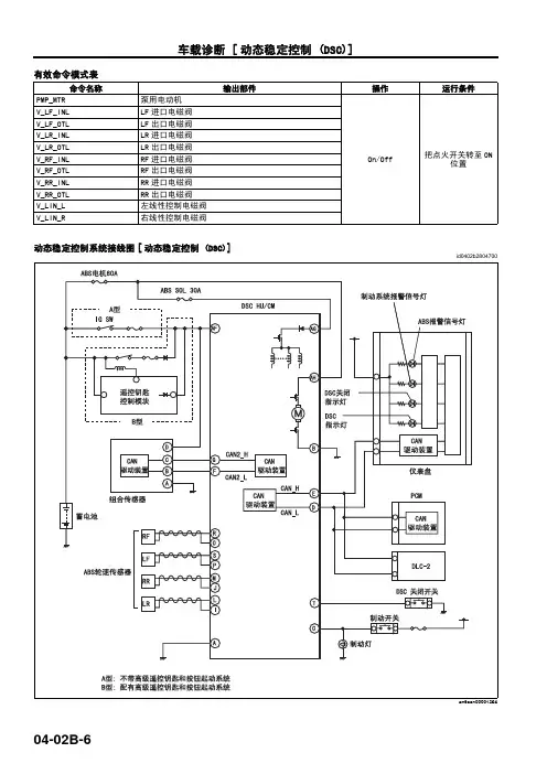
车载诊断 02-02-8有高级遥控门锁系统与起动系统诊断程序步骤检查措施1检查车轮装置中的开启电路•把点火开关转至OFF 位置。
•断开遥控钥匙CM、仪表板与BCM 连接器。
•检查无钥匙接线端2F (线束侧) 与仪表盘接线端2N (线束侧) 之间的连通性。
•检查无钥匙CM接线端2F (线束侧) 与BCM接线端6J (线束侧) 之间的连通性。
•是否有连续性?是执行下一步。
否维修或更换以下存在开路的线束,然后转至步骤5。
—遥控钥匙CM 接线端2F 与仪表板接线端2N 之间—遥控钥匙CM 接线端2F 与PCM 接线端6J 之间2检查车轮装置信号有无电源短路•把点火开关转至OFF 位置。
•断开遥控钥匙CM、仪表板与BCM 连接器。
•测量无钥匙CM 接线端2F (线束侧) 与地之间的电压。
•是否有B+?是维修或更换以下存在电源短路的线束,然后执行步骤5。
—遥控钥匙CM 接线端2F 与仪表板接线端2N 之间—遥控钥匙CM 接线端2F 与PCM 接线端6J 之间否执行下一步。
3检查车轮装置信号有无接地短路•把点火开关转至OFF 位置。
•断开遥控钥匙CM、仪表板与BCM 连接器。
•检查无钥匙CM 接线端2F (线束侧) 与地之间的连通性。
•是否有连续性?是维修或更换以下对地短路的线束,然后执行第5步。
—遥控钥匙CM 接线端2F 与仪表板接线端2N 之间—遥控钥匙CM 接线端2F 与PCM 接线端6J 之间否执行下一步。
4检查有无遥控钥匙CM 故障•把点火开关转至OFF 位置。
•使用M-MDS,执行DTC 检查遥控钥匙CM 操作。
•有没有DTC?是执行适用的DTC 检查。
(参见 09-02A-5 DTC 表 [高级遥控门锁系统和按钮起动系统]。
)否执行下一步。
5检查BCM 故障•把点火开关转至OFF 位置。
•使用M-MDS,对BCM 进行DTC 检查。
•有没有DTC?是执行适用的DTC 检查。
(参见 09-02E-7 DTC 表[BCM]。
警告维修汽车是一项危险的工作。
如果没有接受与维修相关的培训,受伤、财产损失以及无法正确维修的风险就会增加。
本车间手册所推荐的汽车维修程序,是经过Mazda专业技术人员精心制定的。
本手册对未经过Mazda培训的技术人员是非常有帮助的,但对接受过我们维修培训的和有经验的技术人员来说,在进行维修操作时所承受的风险会小很多。
但是,本手册的所有使用者都应该掌握最基本的安全防护措施。
本手册中所包含的“警告”和“注意”,将对具有一般经验的技术人员不常遇到的危险进行提醒。
这些“警告”和“注意”必须严格遵守,以减少人员的伤亡,防止维修和修理的不当对汽车造成损害,或是经维修后汽车仍不安全。
这些“警告”和“注意”并非是多余的,这一点非常重要。
由于未能遵守维修程序所引起的危险后果,本手册不能全部给出警告。
本手册所推荐描述的程序对维修和修理工作是非常有效的。
其中部分维修工具是为特殊目的而特别设计的。
维修人员采用非Mazda汽车公司推荐的程序和工具时,必须保证自身安全和汽车安全完全不会受到威胁。
本手册的内容,包括图表和技术标准,都是最新提供的。
Mazda 汽车公司保留在没有通告和不承担义务的情况下改变汽车设计和改动本手册的内容的权利。
所更换的零部件必须采用Mazda原装替换零部件,或是与采用Mazda原装替换零部件质量相匹配的零部件。
维修人员使用比Mazda 原装替换零部件质量差的零部件时,必须保证其自身安全和汽车安全完全不会受到威胁。
Mazda汽车公司对使用本手册可能引起的任何问题均不负责任。
这些问题的原因包括缺乏与维修相关的培训,使用不正确的工具,采用比Mazda原装替换零部件质量差的零部件,或者对本手册的修订不了解,以及其它的原因。
内容手动变速器车间手册附录G66M-R序言这个操作手册针对上述的手动变速箱,详细地解释了它的拆卸,检查,修理和重新组装的程序。
这个操作手册介绍了上述的手动变速箱的所有形式,而不是详细地介绍了一些特殊形式。
马自达 6 睿翼使用手册由内至外-多图详解以马自达“ Zoom-Zoom”核心理念开发,在外观设计、制造工艺及性能等方面均有所提升的第Ⅱ代Mazda6 睿翼,即将于 2009 年春季投放上市。
那么,这款将在一汽马自达销售渠道销售点的Mazda6 睿翼,在各项功能的使用以及舒适性方面的表现如何呢?下面我们就来一同了解一下。
关键词:一汽马自达马自达6睿翼以马自达“Zoom-Zoom”核心理念开发,在外观设计、制造工艺及性能等方面均有所提升的第Ⅱ代Mazda6睿翼,即将于2009 年春季投放上市。
那么,这款将在一汽马自达销售渠道销售点的Mazda6 睿翼,在各项功能的使用以及舒适性方面的表现如何呢?下面我们就来一同了解一下。
一外观部分:Mazda6 睿翼在外型尺寸方面比目前销售的车型有了不少提升,2725mm的轴距让车内后排腿部空间十分宽裕,1440mm的高度也可以满足一般消费者对于头部空间的要求。
前保险杠与运动型散热器格栅经过重新设计后,使得车头整体感很强。
Mazda6 睿翼 1795mm的车身宽度可以满足消费者对于车内横向空间的要求,同时这款车的轮毂造型是该车的一大亮点之一,多幅式铝合金运动轮胎区别于老款版车型。
215/50R17 的轮胎,兼顾了舒适性与经济性。
经改款换代有的Mazda6 睿翼,采用了鹰眼型的前大灯设计为睿翼的前脸带来了张力十足的视觉效果。
远/ 近式的双氙气大灯为在夜间行驶的驾驶者增添了一份安全,同时量产后的睿翼车辆头部将增设 4 点式泊车雷达。
与前泊车雷达相同,后倒车雷达将同样出现在量产后的睿翼配置表中,这一点让拥有它的新手们在停车时可以减少一份小心与谨慎。
高位刹车灯为LED光源,节电、亮度高、寿命长。
睿翼的行李厢仅需轻按下方的电磁开关,即可轻松实现开启,在日常行驶中车辆发生故障时所要使用到的一些简单工具,被置于行李厢内下侧的隔板中。
应用越来越多的逃生拉手,也随Mazda6 睿翼出现在了行李厢内。
总说明00章节总说明. . . . . . . . . . . . . . . . . . . . . . . . . . . . . . . . . . . . . . . . . . . . . . . . . . . . . . . . . . . . . . . . . . . . . . . . . . . . . .00-00 00-00 总说明如何使用这个操作操作手册. . . . . . . . . . . . . . . . . . .00-00-1 电气系统. . . . . . . . . . . . . . . . . . . . . . . .00-00-8单位. . . . . . . . . . . . . . . . . . . . . . . . . . . . . . . . . . . . . . .00-00-3 新的标准. . . . . . . . . . . . . . . . . . . . . . . .00-00-9基本的步骤. . . . . . . . . . . . . . . . . . . . . . . . . . . . . . . . .00-00-5 缩写词. . . . . . . . . . . . . . . . . . . . . . . . . 00-00-11如何使用本手册本节的范围BHE000000001102本手册包括的操作程序是为了进行维修保养所有必需的操作步骤。
程序分为以下5个基本步骤:—拆除/安装—拆解/组装—替换—检查—调整仅仅通过观察车辆就能够被容易的执行的简单操作(例如:零件的拆除/安装,抬起,车辆的举升,零件的清洗,可视检查等)已经被省略不予介绍。
维修的步骤检查和调整检查和调整被分解成几个步骤的。
有关主要的位置与步骤的重点零件将被详细的解释,并在插49 H032 322警告:从车下连接联合测量组件时到避免触碰驱动皮带和冷却风扇。
前言为帮助技术服务人员正确理解及熟悉MAZDA6车型,具备快速维修与合理保养的能力,特别编译《MAZDA6培训手册-车身、电器及空调分册》。
本手册详细说明了MAZDA6各部件或系统的工作原理与功能。
本手册由日本MAZDA 汽车公司提供。
在未经书面授权许可的情况下,本书的任何部分都不可以任何形式或采用任何方法加以复制或使用。
参加本手册译稿初审的有张春鹏等。
本手册解释权归一汽轿车销售有限公司服务部。
编者二00二年十一月MAZDA6培训手册目录车身概述…………………………………………………………………………………………S-2 缩写……………………………………………………………………………………S-2 构造概述………………………………………………………………………………S-2 特点……………………………………………………………………………………S-2 车门…………………………………………………………………………………………S-3 概述……………………………………………………………………………………S-3 结构视图………………………………………………………………………………S-3 电动车窗系统………………………………………………………………………………S-4 概述……………………………………………………………………………………S-4 结构视图………………………………………………………………………………S-4 系统线路图……………………………………………………………………………S-5 驾驶员一侧的电动车窗系统…………………………………………………………S-6 电动车窗电机………………………………………………………………………S-7 电动车门锁系统……………………………………………………………………………S-8 概述……………………………………………………………………………………S-8 结构视图………………………………………………………………………………S-8 系统电路图……………………………………………………………………………S-9 车门遥控系统…………………………………………………………………………S-9 车外后视镜………………………………………………………………………………S-10 概述…………………………………………………………………………………S-10 结构视图……………………………………………………………………………S-10 系统线路图…………………………………………………………………………S-11 后窗除霜装置……………………………………………………………………………S-12 概述…………………………………………………………………………………S-12 结构视图……………………………………………………………………………S-12 系统线路图…………………………………………………………………………S-13 滑动天窗…………………………………………………………………………………S-14 概述…………………………………………………………………………………S-14 结构视图……………………………………………………………………………S-14 系统线路图…………………………………………………………………………S-15 仪表板与副仪表板………………………………………………………………………S-16 概述…………………………………………………………………………………S-16 结构视图……………………………………………………………………………S-16 车座………………………………………………………………………………………S-17 概述…………………………………………………………………………………S-17 结构视图……………………………………………………………………………S-17 前座…………………………………………………………………………………S-18 后座…………………………………………………………………………………S-18 轻便折叠功能………………………………………………………………………S-20 车身本体…………………………………………………………………………………S-22 概述…………………………………………………………………………………S-22 结构视图……………………………………………………………………………S-22 碰撞区………………………………………………………………………………S-23 驾驶室…………………………………………………………………………S-24 散热器固定框……………………………………………………………………S-24 前保险杠衬杠(加强件)…………………………………………………………S-25S-1A6E770201086T01A6E770201086T02除了以下所列特点外,车体系统的构造与原理延用PREMACY(CP)车型。
05变速器/驱动桥SECTION05车载诊断[FS5A-EL]. . . . . .05-02故障症状检修[FS5A-EL]. . . .05-03离合器 . . . . . . . . . . .05-10手动变速驱动桥[G66M-R] . . .05-15手动变速驱动桥换档机械装置. . . . . . . . . .05-16自动变速驱动桥[FS5A-EL] . .05-17自动变速驱动桥换档机械装置 . . . . . . . . .05-18技术数据 . . . . . . . . . .05-50维修工具 . . . . . . . . . .05-6005-02车载诊断 [FS5A-EL]自动变速器控制系统接线图[FS5A-EL] . . . . . . . . . . . . . 05-02-2绪言[FS5A-EL] . . . . . . . . . . . 05-02-3自动变速驱动桥车载诊断功能[FS5A-EL] . . . . . . . . . . . . . 05-02-3维修后程序 [FS5A-EL] . . . . . . . . 05-02-4DTC 表 [FS5A-EL] . . . . . . . . . . 05-02-10PID/数据监控检查[FN5A-EL] . . . . . 05-02-13DTC P0706:00 [FS5A-EL] . . . . . . . 05-02-16DTC P0707:00 [FS5A-EL] . . . . . . . 05-02-17DTC P0708:00 [FS5A-EL] . . . . . . . 05-02-19DTC P0711:00 [FS5A-EL] . . . . . . . 05-02-21DTC P0712:00 [FS5A-EL] . . . . . . . 05-02-22DTC P0713:00 [FS5A-EL] . . . . . . . 05-02-24DTC P0715:00 [FS5A-EL] . . . . . . . 05-02-26DTC P0720:00 [FS5A-EL] . . . . . . . 05-02-28DTC P0731:00 [FS5A-EL] . . . . . . . 05-02-30DTC P0732:00 [FS5A-EL] . . . . . . . 05-02-32DTC P0733:00 [FS5A-EL] . . . . . . . 05-02-34DTC P0734:00 [FS5A-EL] . . . . . . . 05-02-36DTC P0735:00 [FS5A-EL] . . . . . . . 05-02-38DTC P0741:00 [FS5A-EL] . . . . . . . 05-02-40DTC P0742:00 [FS5A-EL] . . . . . . . 05-02-41DTC P0744:00 [FS5A-EL] . . . . . . . 05-02-43DTC P0745:00 [FS5A-EL] . . . . . . . 05-02-44DTC P0751:00 [FS5A-EL] . . . . . . . 05-02-46DTC P0752:00 [FS5A-EL]. . . . . . . 05-02-47DTC P0753:00 [FS5A-EL]. . . . . . . 05-02-49DTC P0756:00 [FS5A-EL]. . . . . . . 05-02-51DTC P0757:00 [FS5A-EL]. . . . . . . 05-02-53DTC P0758:00 [FS5A-EL]. . . . . . . 05-02-55DTC P0761:00 [FS5A-EL]. . . . . . . 05-02-57DTC P0762:00 [FS5A-EL]. . . . . . . 05-02-59DTC P0763:00 [FS5A-EL]. . . . . . . 05-02-61DTC P0766:00 [FS5A-EL]. . . . . . . 05-02-63DTC P0767:00 [FS5A-EL]. . . . . . . 05-02-64DTC P0768:00 [FS5A-EL]. . . . . . . 05-02-66DTC P0771:00 [FS5A-EL]. . . . . . . 05-02-68DTC P0772:00 [FS5A-EL]. . . . . . . 05-02-69DTC P0773:00 [FS5A-EL]. . . . . . . 05-02-71DTC P0777:00 [FS5A-EL]. . . . . . . 05-02-73DTC P0778:00 [FS5A-EL]. . . . . . . 05-02-75DTC P0791:00 [FS5A-EL]. . . . . . . 05-02-77DTC P0841:00 [FS5A-EL]. . . . . . . 05-02-79DTC P0882:00 [FS5A-EL]. . . . . . . 05-02-81DTC P0883:00 [FS5A-EL]. . . . . . . 05-02-82DTC P0894:00 [FS5A-EL]. . . . . . . 05-02-83DTC P1566:00 [FS5A-EL]. . . . . . . 05-02-84DTC P1783:00 [FS5A-EL]. . . . . . . 05-02-84DTC P2707:00 [FS5A-EL]. . . . . . . 05-02-85DTC P2708:00 [FS5A-EL]. . . . . . . 05-02-87DTC P2709:00 [FS5A-EL]. . . . . . .05-02-89车载诊断 [FS5A-EL]自动变速器控制系统接线图[FS5A-EL]id050221800100车载诊断 [FS5A-EL]绪言[FS5A-EL]id050221800200•当用户报告车辆故障时,请检查故障指示灯 (MIL),AT报警信号灯的指示以及用于诊断故障码 (DTC) 的TCM存储器,然后根据以下流程图诊断故障。