梁板截面设计与验算
- 格式:doc
- 大小:223.00 KB
- 文档页数:4
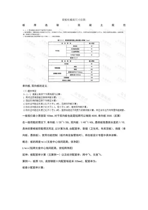
梁板柱截面尺寸估算:板厚选取:混凝土规范单向板,双向板的定义:一般我们最小厚度取100mm,对于双向板也就是短跨可以做到4000,单向板3500.(反算)在一般荷载的情况下,单向板:1/30~1/35L,双向板: 1/40~1/45L,悬挑板取悬挑长度的1/10,具体的要根据荷载情况而定,以计算为准,由配筋率、裂缝(卫生间,车库顶板)、挠度(单向板、悬挑板)、使用功能控制(板内有设备管线时),将在板设计专题中具体讲解。
概念: 板的跨度=min{支座中心线间距离;倍净距}L=min{短跨支座中心线间距离,倍短跨净距}延伸:板配筋率计算(见算例一)以及经济配筋率:跨中~%,支座~%。
算例一:板厚120,底部钢筋X向配筋每延米335mm2,配筋率为:板最小配筋率计算:算例:120的板厚,混凝土强度等级C30,每延米最小配筋量:梁截面估算:《高规》一般荷载条件下,梁经济跨度为6~9米,为确定合理柱距的一个方面。
对于框架梁,一般取梁高为1/15L,最小500或600,宽度取200、250、300,梁高真正的确定由建筑使用功能、配筋率、挠度、裂缝等控制。
悬挑梁取跨度的1/4~1/6, 梁高真正的确定由建筑使用功能、配筋率、挠度、裂缝等控制。
设计时,尽量主梁比次梁高。
梁的经济配筋率为~%。
悬挑梁,悬挑板上筋放大倍。
框架梁为抗震构件,非框架梁为非抗震构件,措施不同。
柱子截面尺寸:柱子截面尺寸一般通过轴压比确定:uN = N/Acfc式中uN ----- 框架柱的轴压比Ac -------框架柱的截面面积f c--------柱混凝土抗压强度设计值N---------柱轴向压力设计值柱轴向压力设计值可初步按下式估算:N = 层数X柱子受荷面积X单位面积荷载X放大系数(地震力)。
轴压比的意义—延性—延性内涵。
梁板结构设计详解梁板结构是建筑结构中常见的一种形式,具有承重能力强、变形稳定、施工便捷等优点。
它由梁和板两部分组成,梁负责承载和传递荷载,板则负责覆盖梁底部并分散荷载,使荷载均匀传递到梁上。
梁板结构的设计首先要进行荷载计算,将建筑载荷按照规范要求进行分析和计算,确定设计荷载大小。
常见的荷载包括自重、活载、风荷载和地震荷载等。
根据建筑使用要求和承载能力的需求,设计师确定适当的荷载组合。
接下来是梁的设计。
梁的设计研究的是梁的截面尺寸、钢筋布置、受力性能等。
在梁板结构中,梁负责承载和传递荷载,因此梁的尺寸和构造必须满足一定的要求。
根据设计荷载大小,可以计算出梁的截面尺寸和布置钢筋的数量。
同时,设计师还要考虑梁的变形和挠度,确保结构的稳定性和安全性。
梁的选材和施工也需要考虑。
选材时要选择适合的梁材料,如钢、混凝土等,根据建筑的需求和经济性进行选择。
施工时,要注意梁的加工和安装,保证梁的质量和稳定性。
板的设计与梁类似,但不同之处在于板是承受压力的,因此板的设计注重板的压力性能和变形。
在设计时要根据板的荷载计算确定板的尺寸和材料,同时要注意板的布置和连接方式,使板能够保持平整和稳定。
总之,梁板结构的设计涉及到荷载计算、梁设计、板设计、选材和施工等多个方面。
设计师需要根据结构的要求和经济的考虑进行合理的设计,保证结构的安全和稳定。
同时,设计师还需要与其他工程师和施工人员密切配合,确保结构设计与施工的协调。
梁板结构作为一种常见的结构形式,具有广泛的应用前景,因此对其设计技术和研究也是非常重要的。
独立梁模板设计计算书1 计算简图2 高支模设计计算模板支架搭设高度为13.20米,基本尺寸为:梁截面 B×D=400mm×900mm,梁两侧楼板厚度0mm,梁支撑立杆的横距(跨度方向) l=0.90米,立杆的步距 h=1.50米,梁底布置3道龙骨,梁底小横杆间距0.300m,梁底增加1道承重立杆。
梁顶托采用双钢管: 48×3.5。
立杆上端伸出至模板支撑点长度:0.30米。
采用的钢管类型为48×3.5。
一、模板面板计算使用模板类型为:胶合板。
面板为受弯结构,需要验算其抗弯强度和刚度。
模板面板按照多跨连续梁计算。
(1)钢筋混凝土板自重(kN/m):q11 = 25.500×0.900×0.300=6.885kN/m(2)模板的自重线荷载(kN/m):q12 = 0.350×0.300×(2×0.900+0.400)/0.400=0.578kN/m(3)活荷载为施工荷载标准值(kN/m):q13 = 2.500×0.300=0.750kN/m均布线荷载标准值为:q = 25.500×0.900×0.300+0.350×0.300×(2×0.900+0.400)/0.400=7.463kN/m 均布线荷载设计值为:q1 = 0.9×[1.35×(6.885+0.578)+1.4×0.9×0.750]=9.917kN/m 面板的截面惯性矩I和截面抵抗矩W分别为:本算例中,截面抵抗矩W和截面惯性矩I分别为:W = 30.00×1.80×1.80/6 = 16.20cm3;I = 30.00×1.80×1.80×1.80/12 = 14.58cm4;施工荷载为均布线荷载:计算简图剪力图(kN)弯矩图(kN.m)经过计算得到从左到右各支座力分别为N1=0.744kNN2=2.479kNN3=0.744kN最大弯矩 M1 = 0.050kN.m(1)抗弯强度计算经计算得到面板抗弯强度计算值 f = 0.050×1000×1000/16200=3.061N/mm2面板的抗弯强度设计值 [f],取15.00N/mm2;面板的抗弯强度验算 f < [f],满足要求!(2)挠度计算验算挠度时不考虑可变荷载值,仅考虑永久荷载标准值,故采用均布线荷载标准值q = 7.46kN/m为设计值。
板厚一般取板跨的40分之一,或者30分之一,不全面,具体可参见《砼规》GB50010-2010第9.1.2条,想必你应该很容易弄到规范吧。
板的经济跨度一般为2-3米,次梁的经济跨度一般为4-7米,主梁的经济跨度一般为5-8米。
梁的截面确定:先根据梁的跨度来确定梁截面的高度。
次梁的截面高度一般取跨度的十五分之一,主梁一般取十二分之一。
然后根据高度不超过宽度的四分之一来确定宽度,主梁宽不要小于250,次梁宽度不要小于200为宜。
切记,结构设计的每一个步骤几乎都可以在规范上找到相关规定。
你所做的每一个步骤中的数据、计算公式都要到规范中去找。
荷载其实相对于来说是比较简单的了,主要是其中的几个组合值系数、频遇值系数神马的,其它的到没什么。
说一下荷载的布置,荷载分为恒载和活载,恒载好办,主要是板,梁,柱以及其它建筑层的重量,比如填充墙、门窗、抹灰等。
这个荷载是除了钢筋混凝土的梁板柱以外都是要自己手算然后用到建模里面的。
活载主要分成楼面均布活载、集中荷载。
具体工程的活载是不一样的,主要参见《荷载规范》GB50009-2001,现在要出新的荷载规范了。
1、柱截面尺寸宜符合下列要求:1 矩形截面柱的边长,非抗震设计时不宜小于250mm,抗震设计时不宜小于300mm;圆柱截面直径不宜小于350mm2 柱剪跨比宜大于2;3 柱截面高宽比不宜大于3。
2、梁截面尺寸选择取决于梁的跨度,框架结构的主梁截面高度hb可按(1/10~1/18)lb确定,lb为主梁计算跨度;梁净跨与截面高度之比不宜小于4。
梁的截面宽度不宜小于200mm,梁截面的高宽比不宜大于4。
与跨度有关,主梁 H= 1/12~1/16跨度,B=1/2~1/3H;次梁 H= 1/12跨度,B=1/2~1/3H;柱B=1/15跨度,H= 1~1.5B;1、梁的截面尺寸(1) 梁的一般要求在设计钢筋混凝土梁时,首先要确定梁的截面尺寸。
其一般步骤是:先由梁的高跨比h/l0确定梁的高度h,再由梁的高宽比h/b确定梁的宽度b(b为矩形截面梁的宽度或T形、I形截面梁的腹板宽度),并将其模数化。
粱、柱、板截面取值原则:一、柱按照《混凝土结构设计规范》GB50010-2002。
柱的最小边的尺寸为300mm,但工程中一般框架柱截面高、宽均不小于400mm。
二、粱 1、框架粱(1)、粱宽一般取250mm、300mm、350mm(2)、粱高取跨度的1/10-1/13次粱(1)、宽度为200mm、250mm(2)、粱高为1/10-1/14悬挑梁一般取为悬臂长的1/4~1/6常用的梁高有:250、300、…、750、800、900、1000。
常用的梁宽有:120、150、180、200、220、250、300、以50的模数递增。
现浇结构中,一般主梁至少应比次梁高出50mm,如主梁下部钢筋为双层配置,或附加横向钢筋采用吊筋时,应高出100mm 。
经济跨度:板:1.7-2.7m,主梁:5-8m,次梁:4-6m。
粱截面尺寸取值原则:序号构件种类简支多跨连续悬臂说明1. 次梁现浇整体肋形梁2. 主梁现浇整体肋形梁3. 独立梁4. 框架梁现浇整体式框架梁5. 框架梁装配整体式或装配式框架梁6. 框架扁梁现浇整体式钢筋混凝土框架扁梁7. 框架扁梁预应力混凝土框架扁梁三、板在一般荷载下,板厚度取板跨的1/36-1/45左右,但不小于100mm(个别房间也不应小于80mm)。
板的最小高跨比板的支承形式板的类型单向板双向板悬臂板无梁楼板简支 1/35 1/45 1/35 (有柱冒)连续 1/40 1/50 1/12 1/30 (无柱冒)注:板厚 / 板短边方向的计算跨度框架梁、柱截面尺寸及材料 [来自《混凝土结构》P437]一、梁的截面尺寸(1)、梁截面高度主梁取:1/8---1/14 次梁取:1/8---1/12 [来自《混凝土结构》P266]现浇式~装配式~(为梁的计算跨度,当梁上较大荷载设备时,还可以加大,但不宜大于净跨的1/4)(2)、梁截面高度~且宜≥200mm二、柱的截面尺寸理论一:柱截面尺寸的确定方法,一般是根据柱的轴向压力设计值估算,建议式中: A—柱的截面面积;—混凝土轴心抗压强度设计值N—柱轴压力设计值,可按该柱负荷面积大小,根据竖向荷载的经验数据估算;根据设计经验,民用建筑多层框架结构的竖向荷载标准值(恒+活)平均为14kN/m²左右。
吊具设计设计及受力验算荷载:30m梁重为91t,分配到每端为45.5t;40m梁重为143t,分配到每端为71.5t。
按最重者验算受力,考虑1.2的安全系数储备,则要求吊具具备负重85t的能力。
吊具端部销接点距离设计为200cm。
横吊梁强度验算根据设计横吊梁类似于受集中荷载的简支梁,则:P=85t,L=2mM=1/4*850*2=425KN〃m[σ]=1.2*145=174MPa吊具采用两块δ=3cm厚的钢板组焊而成,跨中部分计算高度取值为45cm,两端部分高度为24.5cm,则跨中截面抵抗距为:W=bh2/3=2*3*45*45/3=4050cm3σ=M/ W =425*106/4050*1000=104.9MPa<[σ]强度验算满足要求。
连接销受力验算主吊点受力850KN,销子直径为100mm,分力销板按照40mm厚配置,则承受压应力为850000/2/100/40=106.25MPa,小于140 MPa的容许应力值;销子所受最大剪力为Q=425KN,销子的容许剪应力[τ]=125MPa(45号钢),τ=4/3×Q/A=4/3×(425×103)/(3.14159×502)=72.2Mpa<[τ],剪力验算满足要求。
端部两个副吊点受力为425KN,销子直径选用80mm,剪力验算同样满足要求。
另外,注意施工中做好吊板(6号板)与主板(1号板)之间的焊接连接,要求双面均施焊、焊缝饱满。
钢丝绳选用计算设计及受力验算40m梁重为143t,分配到每端为71.5t。
钢丝绳破断拉力=715*6=4290KN(安全载重系数取值为6.0)钢丝破断拉力总和=4290/0.82=5232KN(换算系数取值为0.82)钢丝总断面面积=5232000/1700=3078mm2(钢丝绳的公称抗拉强度为1700MPa)则在每端提升71.5t的重物须钢丝绳的总断面面积为3078mm2,选用双绳兜吊,则每绳需要断面面积为3078/4=767 mm2,查阅相关手册得出,选用公称抗拉强度为1700MPa,6×37(股为1+6+12+18,绳纤维芯),直径47.5mm、丝径2.2mm以上规格的钢丝绳(钢丝总断面面积为843.47 mm2)可以满足使用要求。
梁板结构设计注意要点整理板设计一、截面尺寸长宽比大于2.0按单向板算,板厚不小于短边长度的1/30,不大于2时按双向板算,板厚不小于短边长度的1/40;商业及屋面板厚一般不宜于120mm;地下室顶板作为嵌固端时不小于180mm,不作为嵌固端时不小于160mm,且地下室顶板不设井字梁活十字梁,直接设大板即可;异形板按实际情况至少取跨度的1/30,可酌情加厚;楼梯设计时取梯板经济厚度为跨度的1/28;一般现浇板厚度详《混凝土结构设计规范》表9.1.2。
一般,悬挑板厚度取L/10,L为悬挑板跨度;无梁楼盖最小厚度150mm,现浇空心楼盖最小厚度200mm。
二. 配筋率对于单向板垂直于受力筋方向的分布筋最小配筋率为0.15%,受力筋:板作为受弯构件,最小配筋率需满足构造规定(《混凝土规范》表8.5.1),表中此处为0.20%和45ft/fy%中的较大值(表下说明:当采用强度等级400Mpa、500Mpa的钢筋时,最小配筋率允许采用0.15%和45ft/fy%中的较大值);双向板两个方向均不得小于0.20和45ft/fy中的较大值;温度应力筋配筋率不得小于0.1%。
三. 钢筋布置a)钢筋间距:当板厚小于150mm时,钢筋间距不宜大于200mm;当板厚大于150mm时,钢筋间距不宜大于1.5倍板厚及250mm;b)标准层钢筋可以采用分离式配筋,也可采用双层双向附加钢筋,屋面层钢筋必须采用双侧双向配筋附加钢筋。
c)地下室顶板作为嵌固端时,板厚不小于180mm,配筋需双层双向,配筋率不小于0.25%,混凝土等级不小于C30。
四.板配筋计算1)计算注意在出现小板大板连接时,进行连扳计算。
2)可以用PKPM生成施工图,然后修改,该图中除边界处钢筋长度有问题外,其它基本都可用。
配筋时,记得使用范围选数工具。
3)计算注意检查挠度和裂缝是否合理,注意设选跳板的话,边界需重新定义。
4)阳角处增设放射筋。
7C14梁设计一.截面:宽度不宜小于200,高宽比不宜大于4,跨高比不宜小于4;宽扁梁及深梁详规范。
混凝土梁板结构设计规范一、概述混凝土梁板结构是一种常见的建筑结构形式,具有承载能力强、刚度好、施工便利等优点。
本文将详细介绍混凝土梁板结构设计规范,包括梁板结构的基本概念、设计原则、材料选用、荷载计算、梁板尺寸设计、钢筋配筋、施工要求等内容。
二、基本概念1. 梁板结构:由梁和板组成的一种结构形式,梁为纵向构件,板为横向构件;2. 梁:承受横向荷载并将荷载传递到柱上的构件;3. 板:承受纵向和横向荷载并将荷载传递到梁上的构件;4. 梁板节点:梁和板相交的部分。
三、设计原则1. 安全性原则:梁板结构设计应保证结构在正常使用条件下不会发生破坏或失稳;2. 经济性原则:梁板结构设计应尽可能减小结构重量和使用材料的数量,降低建造成本;3. 实用性原则:梁板结构设计应符合实际使用的要求,满足使用功能和舒适度等要求;4. 美观性原则:梁板结构设计应考虑建筑美观度,满足建筑设计和环境要求。
四、材料选用1. 混凝土:应选用符合国家标准的普通混凝土或高强混凝土,强度等级不低于C30;2. 钢筋:应选用符合国家标准的钢筋,抗拉强度不低于400MPa;3. 砖:应选用符合国家标准的砖,抗压强度不低于7.5MPa;4. 砂浆:应选用符合国家标准的砂浆,砂浆标号不低于M5。
五、荷载计算1. 自重:按照材料密度和结构构型计算;2. 活载:根据设计使用功能和区域规划标准计算;3. 风荷载:根据所在地区风速、结构高度、结构形式等因素计算;4. 地震作用:根据所在地区地震烈度和结构性质等因素计算。
六、梁板尺寸设计1. 梁的截面尺寸:根据荷载计算结果和混凝土和钢筋的力学性能计算;2. 板的厚度:根据荷载计算结果和混凝土和钢筋的力学性能计算;3. 梁长宽比:梁的长宽比应在10以下,以保证结构的稳定性;4. 板长宽比:板的长宽比应在5以下,以保证结构的稳定性。
七、钢筋配筋1. 梁的钢筋配筋:根据梁截面的受力性能计算钢筋的数量和布置方式;2. 板的钢筋配筋:根据板的受力性能计算钢筋的数量和布置方式;3. 梁板节点处的钢筋配筋:根据节点受力情况计算节点处的钢筋数量和布置方式。
一、实训目的本次实训旨在使学生掌握梁板结构设计的基本原理和方法,提高学生的实践操作能力。
通过本次实训,使学生能够熟悉梁板结构设计的基本流程,掌握设计参数的选择和计算方法,培养学生的创新意识和团队协作能力。
二、实训内容1. 梁板结构设计基本原理(1)梁板结构概述:梁板结构是建筑工程中常用的结构形式,主要由梁、板、柱等构件组成。
梁板结构具有承载能力强、刚度大、稳定性好等优点。
(2)梁板结构设计基本原理:梁板结构设计主要包括梁、板、柱等构件的设计。
梁的设计应满足承载力和稳定性要求;板的设计应满足刚度、抗裂性和抗渗性要求;柱的设计应满足承载力和稳定性要求。
2. 梁板结构设计参数选择与计算(1)梁的设计参数:梁的设计参数包括截面尺寸、配筋率、材料强度等。
截面尺寸的选择应根据荷载大小、跨度和梁的受力状态确定;配筋率的选择应根据荷载大小、材料强度和抗裂要求确定;材料强度的选择应根据规范要求确定。
(2)板的设计参数:板的设计参数包括板厚、配筋率、材料强度等。
板厚的选择应根据荷载大小、跨度和板的受力状态确定;配筋率的选择应根据荷载大小、材料强度和抗裂要求确定;材料强度的选择应根据规范要求确定。
(3)柱的设计参数:柱的设计参数包括截面尺寸、配筋率、材料强度等。
截面尺寸的选择应根据荷载大小、柱的受力状态和柱的高度确定;配筋率的选择应根据荷载大小、材料强度和稳定性要求确定;材料强度的选择应根据规范要求确定。
3. 梁板结构设计实例以某住宅楼一层梁板结构为例,进行梁板结构设计。
(1)荷载计算:根据规范要求,计算梁板结构所承受的荷载,包括恒载、活载和风荷载。
(2)梁的设计:根据荷载计算结果,选择合适的截面尺寸、配筋率和材料强度,进行梁的设计。
(3)板的设计:根据荷载计算结果,选择合适的板厚、配筋率和材料强度,进行板的设计。
(4)柱的设计:根据荷载计算结果,选择合适的截面尺寸、配筋率和材料强度,进行柱的设计。
(5)绘制梁板结构施工图:根据设计结果,绘制梁板结构施工图。
有梁板计算规则梁板是建筑工程中常见的结构构件,主要用于承载楼板和屋顶的重量。
在设计和施工过程中,梁板的计算规则是非常重要的,它直接影响着结构的安全性和稳定性。
本文将介绍梁板的计算规则,包括梁板的受力分析、计算公式和设计要点。
一、梁板的受力分析梁板在承载荷载时会产生弯曲、剪切和压力等受力状态。
在受力分析中,需要考虑梁板的几何形状、荷载大小和荷载分布等因素。
根据受力分析的结果,可以确定梁板在不同位置的受力大小和受力方向,为后续的计算和设计提供依据。
二、梁板的计算公式1. 弯曲计算梁板在承载荷载时会产生弯曲变形,根据弯曲理论,可以得到梁板的弯曲计算公式:M = f * W * L^2 / 8其中,M为弯矩,f为材料的抗弯强度,W为荷载大小,L为梁板的跨度。
根据弯曲计算公式,可以确定梁板在不同位置的弯矩大小,从而选择合适的材料和截面尺寸。
2. 剪切计算梁板在承载荷载时还会产生剪切变形,根据剪切理论,可以得到梁板的剪切计算公式:V = W * L / 2其中,V为剪力,W为荷载大小,L为梁板的跨度。
根据剪切计算公式,可以确定梁板在不同位置的剪力大小,从而选择合适的连接方式和剪切加固措施。
3. 压力计算梁板在承载荷载时还会产生压力,根据压力理论,可以得到梁板的压力计算公式:P = W * L其中,P为压力,W为荷载大小,L为梁板的跨度。
根据压力计算公式,可以确定梁板在不同位置的压力大小,从而选择合适的材料和截面尺寸。
三、梁板的设计要点1. 根据受力分析确定梁板的受力状态,包括弯曲、剪切和压力等方面。
2. 根据计算公式确定梁板在不同位置的受力大小,选择合适的材料和截面尺寸。
3. 根据设计要求确定梁板的连接方式和剪切加固措施,确保梁板的安全性和稳定性。
总之,梁板的计算规则是建筑工程中不可忽视的重要内容,它直接关系到结构的安全性和稳定性。
设计和施工人员应严格按照梁板的计算规则进行工作,确保梁板的质量和可靠性。
【题2】某竖向均布荷载作用下的简支梁,其截面为b ×h=250×650,同时承受弯矩、剪力和扭矩共同作用,纵向钢筋HRB335,箍筋HPB235,通过计算配筋结果如下:(7.6.11 7.6.12)抗弯纵向钢筋抗剪箍筋(总量)(7.5.4)抗扭纵向筋(总量)(7.6.4)抗扭箍筋(单肢)(7.6.4)请根据上述结果,设计该梁的截面配筋布置,并绘制剖面图(示意钢筋布置)。
21127mmA s =2489.0/mm s A sv =2483mm A stl =21207.0/mm s A st =③由抗冲切公式确定:(规范7.7.1)不配置箍筋和弯起钢筋的一般板类受弯构件(冲切)(剪切)07.0hu f F m t h l ηβ≤07.0bh f V t h β≤抗剪与抗冲切的区别(对象、荷载、破坏面形态)1、对细长杆件:如梁、柱、桩等,考虑抗剪,荷载为横向;对板类构件:如楼板、基础承台等,既考虑抗剪(面载)又考虑冲切(局部荷载或集中荷载);2、冲切破坏在荷载四周成45度斜面拉裂的冲切锥体(4个剪切面),剪切破坏面有2个(悬臂构件1个),45度斜剪切面上拉裂;3、破坏机理类似:破坏面混凝土主拉应力超限。
【题4】某带地下室的高层建筑拟采用整板基础,柱网6×6(m);其中中柱截面900×900(mm),轴力设计值F=8000kN;底板地基反力均布,板厚1m,砼C30,问底板厚度能否满足冲切要求? (底板中仅配受拉筋) (规范7.7.1)2板受弯的配筋计算类似于受弯梁,折合每m宽板带计算配筋。
注意:钢筋置于受拉面,板梁同时现浇时不宜将板底平梁底。
(雨篷)2 柱正截面受压承载力的计算①轴心受压规范7.3.1 7.3.2②偏心受压规范7.3.4③柱的计算长度规范7.3.11一、结构单位面积重力荷载剪力墙结构12层:40m以下;13~14kN/㎡,筏板厚600~700mm,标准层含钢量30~40,整体55左右。
梁(板)截面设计与验算(LJM-2)
项目名称构件编号日期
设计校对审核
执行规范:
《混凝土结构设计规范》(GB 50010-2010), 本文简称《混凝土规范》
《建筑抗震设计规范》(GB 50011-2010), 本文简称《抗震规范》
钢筋:d - HPB300; D - HRB335; E - HRB400; F - RRB400; G - HRB500; P - HRBF335; Q - HRBF400; R - HRBF500
-----------------------------------------------------------------------
梁截面设计:
1 已知条件及计算要求:
(1)已知条件:矩形梁 b=1500mm,h=700mm。
砼 C30,fc=mm2,ft=mm2,纵筋 HRB335,fy=300N/mm2,fy'=300N/mm2,箍筋 HRB335,
fy=300N/mm2。
弯矩设计值 M=,剪力设计值 V=,扭矩设计值 T=。
(2)计算要求:
1.正截面受弯承载力计算
2.斜截面受剪承载力计算
3.裂缝宽度计算。
2 抗弯计算:
(1)求相对界限受压区高度ξb
εcu=(f cu,k-50)×10-5=(30-50)×10-5=
εcu>,取εcu=
按《混凝土规范》公式b
1
f
E s cu
(2)双筋计算基本公式,按《混凝土规范》公式≤1f()
h
(3)求截面抵抗矩系数αs
h0=h-as=700-35=665mm
=
s
(4)求受拉钢筋As及受压钢筋As'
αs < αsmax=ξbξb)=
受压钢筋按构造配筋As'=ρsmin bh=%×1500×700=2100mm2
M s=As'f y'(h0-a s')=2100××(665-35)=0
=
s
=
A s1=ξα1f c bh0/f y=×××1500×665/=1029mm2
A s2=As'f y'/f y=2100×=2100mm2
As=A s1+A s2=1029+2100=3129mm2
(5)配筋率验算
受拉钢筋配筋率
ρ=As/(bh)=3129/(1500×700)=% > ρsmin=max{,f y=×300=}=
3 抗剪计算:
(1)截面验算,按《混凝土规范》公式V=βc f c bh0=×××1500×665=3566063N= > V=775kN
截面尺寸满足要求。
(2)配筋计算,按混凝土规范公式V < αcv f t bh0+f yv(A sv/s)h0
A sv/s = (V-αcv f t bh0)/(f yv h0)
= ×××1500×665)/(300×665)
= mm=m
配箍率ρsv=A sv/s/b=1500=% < ρsvmin=% 不满足最小配箍率
抗剪箍筋按构造配筋: A sv/s = ρsvmin×b=%×1500=mm=m
4 配置钢筋:
(1)上部纵筋:计算As=2100mm2,
实配11D16(2212mm2ρ=%),配筋满足
(2)腰筋:计算构造As=b*hw*%=1995mm2,
实配10d16(2011mm2ρ=%),配筋满足
(3)下部纵筋:计算As=3129mm2,
实配16D16(3217mm2ρ=%),配筋满足
(4)箍筋:计算Av/s=1716mm2/m,
实配D10@100四肢(3142mm2/m ρsv=%),配筋满足
5 裂缝计算:
(1)截面有效高度:
-
=
h0h a s 70035665mm
=
-
=
(2)受拉钢筋应力计算, 根据《混凝土规范》式
sq
(3)按有效受拉混凝土截面面积计算的纵向受拉钢筋配筋率, 根据《混凝土规范》式
⨯
A te0.5b h⨯
0.51500700525000mm2
=
=
=
te
ρte= < , 取ρte=
(4)裂缝间纵向受拉钢筋应变不均匀系数,按《混凝土规范》对直接承受重复荷载的构件,取ψ=1。
受拉区纵向钢筋的等效直径d eq:
i i
d
根据《混凝土规范》表构件受力特征系数αcr = :
(5)最大裂缝宽度计算, 根据《混凝土规范》式σs = σsq
= max cr
s
E(0.08te
=⨯1.9 1.0000322.37 200000
W max= < W lim=, 满足。
----------------------------------------------------------------------- 【理正结构设计工具箱软件 】 计算日期: 2015-11-30 19:14:28
-----------------------------------------------------------------------。