滚动轴承代号
- 格式:doc
- 大小:954.50 KB
- 文档页数:53
深沟球轴承的滚动轴承类型代号
深沟球轴承是一种常见的滚动轴承,具有简单结构、易于安装、适用范围广等特点。
在选择深沟球轴承时,需要了解其型号代号及其对应的参数。
以下是深沟球轴承常见的型号代号:
1. 6000系列:内径为10mm的深沟球轴承,代号为6000。
2. 6200系列:内径为10-100mm的深沟球轴承,代号为6200。
3. 6300系列:内径为10-150mm的深沟球轴承,代号为6300。
4. 6400系列:内径为10-200mm的深沟球轴承,代号为6400。
5. 6800系列:内径为10-95mm的深沟球轴承,代号为6800。
6. 6900系列:内径为10-160mm的深沟球轴承,代号为6900。
其中,内径越大,代号后面的数字也就越大,代号中的最后两位数字则表示轴承的宽度。
深沟球轴承的型号代号可以通过轴承外观上的标识、包装盒上的标识或者轴承说明书上的标识来查看。
了解深沟球轴承的型号代号有助于正确选择和使用轴承,保证轴承的性能和寿命。
- 1 -。
滚动轴承的代号及标记国家标准《滚动轴承代号方法》(GB/T 272-1993)规定了滚动轴承代号,它用字母加数字来表示滚动轴承的结构、尺寸、公差等级、技术性能等特征。
滚动轴承代号用基本代号、前置代号和后置代号构成,排列如下:一、基本代号基本代号表示轴承的基本类型、结构和尺寸,是轴承代号的基础。
一般常用的轴承代号用基本代号表示。
基本代号构成如下所示:1、类型代号用数字或字母表示,如下表所示。
代号轴承类型代号轴承类型0 双列角接触球轴承N 圆柱滚子轴承1调心球轴承双列或多列用字母NN表示2调心滚子轴承和推力调心滚子球轴承U 外球面球轴承3 圆锥滚子轴承QJ 四点接触球轴承4双列深沟球轴承5 推力球轴承6 深沟球轴承7 角接触球轴承8推力圆柱滚子轴承2、尺寸系列代号由轴承宽(高)度系列代号和直径系列代号组成,一般用两位数字表示(有时可省略其中一位)。
宽(高)度系列:是指内径(d)相同的轴承,对向心轴承配有不同宽度(B)的尺寸系列,代号有8、0、1、2、3、4、5、6,尺寸依次递增;对推力轴承配有不同高度(T)的尺寸系列,代号有7、9、1、2,尺寸依次递增。
直径系列:是指内径(d)相同的轴承配有不同外径(D)的尺寸系列,其代号有7、8、9、0、1、2、3、4、5,尺寸依次递增。
3、内径代号常见的轴承内径如表所示,其中表内未列入的轴承公称内径d为0.6-10或d=22\28\32或d≥500时,内径代号用公称内径毫米数值表示,内径与尺寸系列代号之间用“/”分开。
内径代号00 01 02 03 04-96轴承代号/mm 10 12 15 17 代号数字×5轴承基本代号示例:二、前置、后置代号前置、后置代号是轴承在结构形状、尺寸、公差、技术要求等有改变时,在轴承基本代号左右添加的补充代号。
前置代号用字母表示,后置代号用字母(或加数字)表示0 双列角接触球轴承1 调心球轴承2 调心滚子轴承和推力调心滚子轴承3 圆锥滚子轴承4 双列深沟球轴承5 推力球轴承6 深沟球轴承7 角接触轴承8 推力圆柱滚子轴承N 圆柱滚子轴承和双列圆柱滚子轴承NNU 外球面轴承QJ 四点接触球轴承另外,轴承代号前后还有前置和后置代号,分别如下:——前置代号前置代号R 直接放在轴承基本代号之前,其余代号用小圆点与基本代号隔开。
滚动轴承代号根据我国国家标准GB /T272-93《滚动轴承代号方法》和我国机械行业标准JB/T2974-93《滚动轴承代号方法的补充规定》,常用滚动轴承的代号由基本代号、前置代号和后置代号构成,其排列顺序如下:前置代号基本代号后置代号前置代号用字母表示,表示成套轴承的分部件即零部件或外圈形状的变化表示轴承的基本类型、结构和尺寸后置代号是用字母或字母与数字组合来表示轴承的内部结构,密封与防尘、套圈变形、保持架结构及材料公差等级、游隙及其他特性1、基本代号:基本代号由类型代号、尺寸系列代号和内径代号构成。
例:N 类型代号,圆柱滚子轴承尺寸系列代号为22内径代号,内径为50mm2210双列角接触球轴承,一般省略。
例:3215D调心球轴承。
例:1212调心滚子轴承和推力调心滚子轴承例:29214或22324CA圆锥滚子轴承。
例:30352双列深沟球轴承。
例:4213推力球轴承。
例:51128深沟球轴承。
例:6012角接触球轴承。
例:7207B推力圆柱滚子轴承。
例:89107圆柱滚子轴承。
例:NU307双列或多列圆柱滚子轴承。
例:NN3044四点接触球轴承。
例:QJ3072-Ⅱ、尺寸系列代号:尺寸系列代号由轴承的宽度(或高度)系列代号和直径系列代号组成。
滚动轴承备有各种尺寸规格,以适应主机不同大小的安装部位要求和载荷容量要求,这种尺寸规格经标准化定为尺寸系列,对于同一内径规格,备有多种不同的外径规格和宽度规格,即尺寸系列和宽度系列可供选择。
新代号旧代号新代号旧代号新代号旧代号新代号旧代号1正常15特宽53特宽36特宽60窄70窄71正常11正常12宽22宽23特宽33特宽34特宽44特宽45特宽58特窄86特宽60窄00窄71正常11正常12宽01)2宽23特宽33特宽34特宽44特宽48特窄85特宽50窄06特宽61正常10窄72宽02)1正常03特宽32宽20窄03特宽32宽24特宽4宽度系列9超轻90特轻1注:1)表示轻宽5;2)表示轻宽6。
轴承尺寸系列代号含义滚动轴承尺寸系列代号由轴承的宽(高)度系列代号和直径系列代号组合而成。
直径系列指对应同一公称内径的外径尺寸系列,分别有7、8、9、0、1、2、3、4、5等外径尺寸依次递增的直径系列。
宽度系列指对应同一轴承直径系列的宽度尺寸系列,分别有8、0、1、2、3、4、5、6等宽度尺寸依次递增的宽度系列。
推力轴承以高度对应于向心轴承的宽度系列,有7、9、1、2等高度尺寸依次递增的4个高度系列。
扩展资料:一、国际标准系列代号在国际ISO标准中,轴承尺寸系列代号通常表示为简写字母+数字组合的形式。
其中,简写字母代表轴承类型,数字代表轴承内径尺寸的范围。
例如:1.轴承类型为球轴承,则系列代号为6;内径尺寸范围为从30mm 到140mm,则后缀数字为2(6230-6240)。
2.轴承类型为圆锥滚子轴承,则系列代号为一般为;3.内径尺寸范围为从120mm到480mm,则后缀数字为3(31324-31348)。
二、国内标准系列代号国内GB/T标准对轴承尺寸系列代号的表示一般为数字组合的形式。
该数字代表轴承内径尺寸的范围,且采用前缀+后缀的形式。
例如:1.内径尺寸范围为从30mm到140mm,则系列代号为6(6对应的前缀为0),所以该系列轴承的代号为06。
2.内径尺寸范围为从120mm到480mm,则系列代号为3(3对应的前缀为2),所以该系列轴承的代号为232。
三、各大品牌系列代号规则各大品牌对轴承尺寸系列代号的表示都有自己的规则,下面以国际知名的瑞典SKF品牌为例说明:1.球轴承系列代号规则:数字1xx(D),xx表示轴承内径的范围。
2.圆锥滚子轴承系列代号规则:数字3xx(D,F),xx表示轴承内径的范围。
D表示非标准的偏差系列,F表示符合ISO的特殊系列。
3.圆柱滚子轴承系列代号规则:数字N2xx,xx表示轴承内径的范围。
4.深沟球轴承系列代号规则:数字6xx,xx表示轴承内径的范围。
常用滚动轴承的类型及其代号一、前言滚动轴承是机械设备中常见的一种轴承类型,它可以承受较大的径向和轴向负载,并且具有较高的旋转精度和稳定性。
常用的滚动轴承类型有很多种,每种类型都有其特点和适用范围。
本文将介绍常用的滚动轴承类型及其代号。
二、球形滚子轴承1. 代号:2XXX2. 特点:球形滚子轴承是最常见的滚动轴承之一,其内圈和外圈之间采用球形滚子作为滚动体,可以在较大的径向负载下工作,并且具有较高的旋转精度和稳定性。
3. 应用范围:球形滚子轴承适用于需要支持较大径向负载和一定程度的轴向负载的机械设备,如汽车、电机、冶金机械等。
三、圆锥滚子轴承1. 代号:3XXX2. 特点:圆锥滚子轴承是一种能够同时支持径向和轴向负载的滚动轴承,其内圈和外圈之间采用圆锥形滚子作为滚动体,可以在较大的径向和轴向负载下工作,并且具有较高的旋转精度和稳定性。
3. 应用范围:圆锥滚子轴承适用于需要支持较大径向和轴向负载的机械设备,如汽车、飞机、重型机械等。
四、圆柱滚子轴承1. 代号:4XXX2. 特点:圆柱滚子轴承是一种能够支持较大径向负载的滚动轴承,其内圈和外圈之间采用圆柱形滚子作为滚动体,可以在较大的径向负载下工作,并且具有较高的旋转精度和稳定性。
3. 应用范围:圆柱滚子轴承适用于需要支持较大径向负载的机械设备,如重型机械、冶金设备等。
五、角接触球轴承1. 代号:7XXX2. 特点:角接触球轴承是一种能够同时支持径向和轴向负载的滚动轴承,其内圈和外圈之间采用球形滚子作为滚动体,可以在较大的径向和轴向负载下工作,并且具有较高的旋转精度和稳定性。
3. 应用范围:角接触球轴承适用于需要支持较大径向和轴向负载的机械设备,如机床、电机、汽车等。
六、推力球轴承1. 代号:5XXX2. 特点:推力球轴承是一种能够支持较大轴向负载的滚动轴承,其内圈和外圈之间采用球形滚子作为滚动体,可以在较大的轴向负载下工作,并且具有较高的旋转精度和稳定性。
滚动轴承的代号表示方法轴承型号代号用途:代表象征滚动轴承的结构、尺寸、类型、精度等,代号由国家标准GB/T272-1993规定。
1、代号的构成:轴承前置代号——表示轴承的分部件轴承基本代号——表示轴承的类型与尺寸等主要特征轴承后置代号——表示轴承的精度与材料的特征3、轴承内径代号:一般情况下轴承内径用轴承内径代号(基本代号的后两位数)×5=内径(mm),例:轴承6204的内径是04×5=20mm。
常见特殊情况:㈡当轴承内径小于10mm,直接用基本代号的最后一位表示轴承内径尺寸;例:轴承608Z,用基本代号‘608’的最后一位8作内径尺寸,轴承608Z的内径为8mm。
以此类推627的内径为7mm,634的内径为4mm。
㈢轴承的内径不是5的倍数或者大于等于500mm,内径代号用斜杠‘/’隔开。
另一种情况:有部分滚针轴承旧代号内径代号直接用‘/’隔开。
这几种情况‘/’后边的几位以上是几种轴承内径常见的表示方法,国际上有些公司的代号都不尽相同;要以实际情况为准。
具体要参考各种资料和各厂家样本。
4、尺寸系列代号:用于表达相同内径但外径和宽度不同的轴承,见图。
外径系列代号:特轻(0,1),轻(2),中(3),重(4)宽度系列代号:一般正常宽度为‚0‛,通常不标注。
但对圆锥滚子轴承(7类)和调心滚子轴承(3类)等类型不能省略‚0‛6010为轻薄系列,应用于轻载荷、高转速;6210是轻型系列,轻型负荷转速最合理,是应用面最广的类型;6310是中重型系列;6410是重系列,用于重载低速。
中型和中重型应用最广,如各类机械传动部件、中小型电动机、流水线传送带、摩托车等等各种机械设备几乎都有用到这两种类型。
5、类型代号:应记住常用的轴承代号:3,5,6,7,N五类,对应老代号为7,8,0,6,2类。
滚动轴承GB272-93标准规定(新代号标准):新代号旧代号0——双列角接触球轴承‚6‛1——调心球轴承‚1‛2——调心滚子轴承(含推力)‚3、9‛3——圆锥滚子轴承‚7‛4——双列深沟球轴承‚0‛5——推力球轴承‚8‛6——深沟球轴承‚0‛7——角接触球轴承‚6‛8——推力圆锥滚子轴承‚9‛N——圆柱滚子轴承‚2‛NN——多列圆柱滚子轴承‚2非‛QJ——四点接触球轴承‚6非‛U——外球面球轴承‚0非滚动轴承GB272-88分为十大类型(旧代号标准):0——深沟球轴承1——调心球轴承2——圆柱滚子轴承3——调心滚子轴承4——长圆柱滚子轴承5——螺旋滚子轴承6——角接触球轴承7——圆锥滚子轴承8——推力球轴承9——推力滚子轴承6、公差等级代号:轴承的公差等级分为2级、4级、5级、6级、6x级和0级,共6个级别,依次由高级到低级,其代号分别为/P2、/P4、/P5、/P6、/P6x和P0。
滚动轴承基本代号
1、内径代号:右起第一、二位数字,00、01、0
2、03表示10、12、15、17mm内径,04
以后是5的倍数
2、直径系列:右起第三位数,代号为7、8、9、0、1、2、
3、
4、5,外径尺寸依次递增。
3、宽度系列:右起第四位数,代号为8、0、1、2、3、
4、
5、6,宽度依次递增,多数轴承
在代号中不标出代号0,但调心滚子轴承(20000)和圆锥滚子轴承(30000),应标出0。
直径系列和宽度系列代号统称尺寸系列代号
4、轴承类型代号:右起第五位数字或字母表示
后置代号
1、内部结构代号:表示同一类型轴承不同的内部结构,用字母紧跟基本代号,角接触球轴
承15度、25度、40度分别用C、AC、B表示
2、轴承公差等级,代号为/P2、/P4、/P5、/P6(/P6x)、/P0共5个级别,等级依次高到低,
6x仅用于圆锥滚子轴承,0级为普通级,不标注
3、常用轴承径向游隙系列:代号为/C1、/C2、/C0、/C3、/C
4、/C5共6个组别,0组游隙
是常用游隙组别,在轴承代号中不标出。
轴承的代号说明一般轴承由前置代号(轴承分部件代号)+基本代号(自右向左一二位代表内径,三四位分别代表直径系列代号和宽度系列代号,第五位代表轴承类型)+后置代号(内部结构代号、密封与防尘结构代号,保持架及轴承材料代号,公差等级代号,游隙代号等)组成。
轴承内径尺寸=内径代号*5.但要注意:一二位如果是00,01,02,03的,则表示的内径分别是10,12,15,17.,而不是简单的用这两位数乘以5.基本代号表示轴承的基本类型、结构和尺寸,是轴承的基础。
前置、后置代号是轴承的结构形状、尺寸、公差、技术要求有改变时,在基本代号左右添加的补充代号。
前置代号用于表示轴承的分部件,用字母表示。
如:L 表示分离轴承的可分离套圈;例如LNU207 圆柱根子轴承NU207的内圈。
L30207 圆锥滚子轴承30207的外圈。
LR 带可分离内圈或外圈与滚动体组件轴承。
例如RNU207 圆柱滚子轴承NU207带棍子和保持架组合件的外圈WS 推力圆柱滚子轴承轴圈。
K 表示轴承的滚动体与保持架组件等。
例如K81104圆柱滚子轴承的代号:N 外圈无挡边。
NF 外圈单挡边。
NN 双列圆柱滚子轴承。
NFP 外圈单挡边,平挡圈。
NNU 内圈无挡边双列圆柱滚子轴承。
NU 内圈无挡边圆柱滚子轴承。
NJ 内圈单挡边。
NUJ 内圈无挡边,带斜挡圈。
NA 外圈带双锁圈的滚针轴承。
NH 内圈单挡边,带斜挡圈。
NUP内圈单挡边并带平挡圈的圆柱滚子轴承。
NJP内圈无挡边但带平挡圈的圆柱滚子轴承RNU 无内圈RN 无外圈。
如:N318EM/P5 N:代表圆柱滚子轴承外圈无挡边,3:尺寸系列代号,18:内经代号,内径18*5=90 EM:代表加强型实体黄铜保持器,/P5:公差等级符合标准规定的5级。
常用轴承类型代号0 双列角接触球轴承5推力球轴承 6 深沟球轴承7角接触轴承QJ 四点接触球轴承 1 调心球轴承8 推力圆柱滚子轴承N 圆柱滚子轴承,双列或多列用NN如:6203C36指深沟球轴承,2 直径系列2 03 内径17 C3 径向游隙6322 6指深沟球轴承,3 直径系列3 22 内径22*5=110 C0组径向游隙不表示。
轴承代号意义
滚动轴承带以七位数字组成,各数字表示意义如下:
7,6,5,4,3,2,1
一、第一、二位数字表示直径
内径为20~495毫米的轴承以轴径被5除得得商标示。
内径为10~20毫米的轴承带好如下:
代号00 01 02 03
内径10 12 15 17
二、第三位数字表示直径系列
1、特轻系列
2、轻系列
3、中系列
4、重字系列
5、轻宽系列
6、
中宽系列
7、8、不定系列9、内径非标准
三、第四位数字表示轴承类型
0、向心球轴承。
1、向心球面球轴承。
2、向心短圆柱滚子轴承。
3、向心球面滚子轴承。
4、圆锥滚子轴承或滚针轴承。
5、螺旋子轴承。
6、向心推力球轴承。
7、圆锥滚子轴承。
8、推力球或推力向心球轴承。
9、推力滚子或推力向心
球轴承。
四、第5、6位数字表示结构
5、表示外圈有制动槽
15、表示带防尘盖
五、第七位数字表示宽度
1、正常系列
2、宽系列
3、4、5、6特宽系列7、窄系列
8、9特别系列
另轴承精度等级C、D、E、G(G最低不表示)
附表:小型电机引出线规格参数值
额定功0.2~0.30.6~ 1.7 2.8~4.7 10 14 20~28 50 55
率 5 1 5
0.3 0.72 1.16 2 2.78 5 8.2 15 25 40 引出线
截面
(MM2
)。
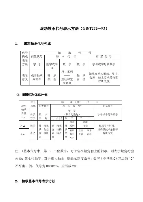
滚动轴承代号表示方法(GB/T272—93)1、滚动轴承代号构成注:旧国标为GB272—88注:*基本代号中:第一、二位数字,对于装在紧定套上的轴承,则表示紧定衬套内径;第七位数字,对于推力轴承,则表示高度系列;数字(不包括0)左边的“0”不写出。
例:代号为0000205,应写成205.2、轴承基本代号表示方法(a)轴承类型代号表示方法及新旧代号对照(b)向心轴承尺寸系列代号表示方法及新旧代号对照注:尺寸系列代号由宽度(在推力轴承中为高度)系列代号和直径系列代号组合而成,例:19和02,其中1和0分别为宽度系列代号,9和2分别为直径系列代号。
3、推力轴承尺寸系列代号表示方法及新旧代号对照注:带*符号的为双向推力轴承高度系列4、轴承内径代号表示方法5、轴承前置代号表示方法6、轴承后置代号表示方法(a)后置代号分组后置代号编制规则:㈠后置代号置于基本代号的右边并与基本代号空半个汉字距离(代号中有“-”“/”除外)当改变项目多,具有多组后置代号,应从左至右的顺序排列;㈡改变为4组(含4组)以后的内容,则在其代号前用“/”与前面代号隔开;例:6205-2E/P6, 22308/P63㈢改变内容为4组后的两组,在前组与后组代号中的数字或文字表示含义可能混淆时,两组代号间空半个汉字距;例:6208/P63V1③保持架的代号a、保持架材料F-钢、球墨铸铁或粉末冶金实体保持架,用附加数字表示不同的材料F1-钢;F2-石墨钢;F3-球墨铸铁;F4-粉末冶金Q-青铜实体保持架,用附加数字表示不同的材料Q1-铝铁锰青铜;Q2-硅铁锌青铜;Q3-硅镍青铜;Q4-铝青铜M-黄铜实体保持架L-轻合金实体保持架。
用附加数字表示不同的材料L-LY11CZ L-LY12CZT-酚醛层压布管实体保持架TH-玻纤增强酚醛树脂保持架(匡型)TN1-尼龙;TN2-聚枫;TN3-聚酰亚胺;TN4-聚碳酸酯;TN5-聚甲醛J-钢板冲压保持架,材料有变化时附加数字区别;Y-铜板冲压保持架,材料有变化时附加数字区别;SZ-由弹簧丝或弹簧制造b、保持架结构型式及表面处理H-自锁兜孔保持架;W-焊接保持架;R-铆接(用于大型)E-磷化处理保持架;D-碳氮共渗保持架;D1-渗碳保持架;D2-渗氮保持架C-有镀层的保持架(C1-镀银);A-外圈引导;B-内圈引导P-由内、外圈引导的拉孔或冲孔的窗型保持架S-引导面有润滑槽注:本条代号只能与“a”结合使用。
滚动轴承新旧标准代号对照由于原滚动轴承代号标准与国际上其他国家的代号差异较大,随着我国同国际上的贸易往来、技术合作的增多,原滚动轴承代号标准已难以适应要求。
为此,1993年国家修订了轴承代号标准,新标准代号为GB/T272——93,代替GB272——88(64)标准。
目前轴承厂已完全贯标,为使相关人员了解新老标准代号的差别,现将滚动轴承代号标准新、旧对照情况介绍如下:1.滚动轴承代号表示方法对照新标准GB/T272——93旧标准GB272——88(64)轴承代号的构成由前置代号、基本代号、后置代号构成前置代号——成套轴承分部件后置代号——包括内部结构、密封与防尘、轴承材料、公差等级、游隙等。
基本代号——表示轴承的基本类型、结构和尺寸由轴承内径、尺寸系列、轴承类型、结构形式、精度等级构成。
无前置代号和后置代号,用结构形式表示。
基本代号由轴承类型代号、尺寸系列代号和内径代号构成。
举例1:62046—类型代号(用数字或大写字母表示)2—尺寸系列(02)代号(用数字表示)04—内径代号(用数字表示)举例2:双列圆锥滚子轴承NN 30 20 KNN—类型代号30—尺寸系列20—内径代号K—后置代号由宽度系列、结构代号、类型代号、直径系列代号、内径代号构成举例:双列圆锥滚子轴承3 1 8 2 1 2 03—宽度系列1 8—结构代号2—类型代号1—直径系列代号20—内径代号2、轴承类型新旧对照轴承类型新标准旧标准轴承类型新标准旧标准双列角接触球轴承0 6 推力球轴承 5 8 调心球轴承 1 1 深沟球轴承 6 0 调心滚子轴承 2 3 角接触球轴承7 6 推力调心滚子轴承 2 9 推力圆柱滚子轴承8 9 圆锥滚子轴承 3 7 圆柱滚子轴承N 2 双列深沟球轴承 4 03轴承的内径代号轴承内径代号新旧标准相同,具体表示方法见下表。
轴承公称内径内径代号示例10到17 10 00深沟球轴承6200d=1012 0115 0217 0320到480 (22,28,32除外)公称内径除以5的商数。
滚动轴承的内径代号摘要:一、滚动轴承内径代号的表示方法1.内径在10mm 以内的表示方法2.内径在10mm 到20mm 之间的表示方法3.内径20mm 到490mm 之间的表示方法4.内径大于490mm 的表示方法二、滚动轴承内径代号的具体规定1.基本代号2.内径尺寸的计算方法3.特殊情况的处理三、滚动轴承内径代号的意义和作用1.内径代号与轴承类型的关系2.内径代号与轴承尺寸的关系3.内径代号与轴承性能的关系正文:滚动轴承是一种广泛应用于机械传动系统的零部件,其内径代号是描述轴承尺寸的重要参数。
了解滚动轴承内径代号的表示方法和具体规定,对于正确选择和使用轴承具有重要意义。
一、滚动轴承内径代号的表示方法滚动轴承内径代号的表示方法主要有以下几种:1.内径在10mm 以内的表示方法:用基本代号62/9 表示,其中62 代表轴承类型,9 代表内径尺寸。
例如,62/9 表示内径为9mm 的轴承。
2.内径在10mm 到20mm 之间的表示方法:用基本代号00、01、02、03 表示,分别代表内径为10mm、12mm、15mm、17mm 的轴承。
例如,6201 表示内径为12mm 的轴承。
3.内径20mm 到490mm 之间的表示方法:用轴承代号的后两位数字乘以5 表示。
例如,6020 的后两位数字为20,乘以5 后内径尺寸为100mm。
4.内径大于490mm 的表示方法:用基本代号62/1000 表示,其中62 代表轴承类型,1000 代表内径尺寸。
例如,62/1000 表示内径为1000mm 的轴承。
二、滚动轴承内径代号的具体规定滚动轴承内径代号的具体规定如下:1.基本代号:内径在10mm 以内的用62 表示,10mm 到20mm 之间的用00、01、02、03 表示,20mm 到490mm 之间的用轴承代号的后两位数字表示,大于490mm 的用62 表示。
2.内径尺寸的计算方法:内径在10mm 以内的用62/9 表示,10mm 到20mm 之间的用基本代号表示,20mm 到490mm 之间的用轴承代号的后两位数字乘以5 表示,大于490mm 的用62/1000 表示。
滚动轴承代号表示方法(GB/T272—93)1、滚动轴承代号构成代号构成轴承代号前置代号基本代号后置代号表示方法字母数字或字母数字数字字母或字母和数字表示意义成套轴承分部件轴承类型尺寸系列——直径和宽度系列轴承内径轴承在结构形状、尺寸、公差、技术要求等方面有所改变注:旧国标为GB272—88适用轴承内径(mm)代号构成轴承(旧)代号前置代号基本代号*补充代号表示方法数字字母数字(从右边数起)字母或字母和数字七六五四三二一≥10 表示意义轴承游隙轴承公差等级宽度系列轴承结构特点轴承类型直径系列轴承内径轴承零件材料、结构及技术条件等有所改变<10标以数字“0”直径系列轴承内径注:*基本代号中:第一、二位数字,对于装在紧定套上的轴承,则表示紧定衬套内径;第七位数字,对于推力轴承,则表示高度系列;数字(不包括0)左边的“0”不写出。
例:代号为0000205,应写成205.2、轴承基本代号表示方法(a)轴承类型代号表示方法及新旧代号对照代号轴承类型代号轴承类型新旧新旧0 6 双列角接触球轴承 6 0 深沟球轴承1 1 调心球轴承7 6 角接触球轴承2 3 调心滚子轴承8 9 推力圆柱滚子轴承2 9 推力调心滚子轴承N 2圆柱滚子轴承双列或多列用字母NN表示3 7 圆锥滚子轴承4 0 双列深沟球轴承U 0 外球面球轴承5 8 推力球轴承QJ6 四点接触球轴承(b)向心轴承尺寸系列代号表示方法及新旧代号对照直径系列宽度系列直径系列宽度系列新代号旧代号新代号旧代号新代号旧代号新代号旧代号名称代号名称代号名称代号名称代号7 超特轻713正常特宽131 特轻723,45,6宽特宽特宽23,45,68 超轻8123,4,5,6窄正常宽特宽7123,4,5,6 2 轻22252--8123,45,6特窄窄正常宽特宽--8123,4--9 超轻9123,4,5,6窄正常宽特宽7123,4,5,63 中333638123特窄窄正常宽特宽8130 特轻 1123,4,5,6窄正常宽特宽723,4,5,61 特轻7 0 窄7 4 重 4 0 窄01 正常 12 宽 2 注:尺寸系列代号由宽度(在推力轴承中为高度)系列代号和直径系列代号组合而成,例:19和02,其中1和0分别为宽度系列代号,9和2分别为直径系列代号。
前言滚动轴承代号虽然只是表示轴承产品结构、尺寸、公差等级、技术特征等产品识别标记,但其通用性、易识别性和系统性对轴承产品的生产、管理和流通具有重要的作用,其中、通用性在国际贸易中的作用更为突出。
我国现行的轴承代号,绝大部分是沿用原苏联的七位数字代号系统。
这种代号系统从技术角度讲,有自己的优点。
但与国际上通用的轴承代号相比较,还有很多不足之处,主要表现在:对同一类型不同结构的轴承表示的数量有局限性;对于同一性质结构的改变,要有不同的结构数字代号表示,不便于记忆;其尺寸系列(直径系列、宽度系列)代号与国际代号不尽相同,个别代号甚至重复使用,具有多义性;就其使用范围讲,在国际上通用性差,有局限性,仅限于我国和原经互会组织成员国使用,在国际市场上影响力极小。
由此可见,它已经不能适应当代轴承日新月异的发展,妨碍了轴承及其配套的主机产品的国际经贸合作。
一般用途滚动轴承代号方法:一般用途滚动轴承代号,是用字母加数字来表示滚动轴承或其分部件(即零部件)的结构、尺寸、公差等级、技术性能等特征的产品符号。
本代号方法中引用了如下轴承外形尺寸标准。
凡标注了标准号的轴承代号,其轴承的外形尺寸即符合该标准的规定。
GB/T273.1 滚动轴承圆锥滚子轴承外形尺寸方案GB/T273.2 滚动轴承推力轴承外形尺寸方案GB/T273.3 滚动轴承向心轴承外形尺寸方案GB/T276 滚动轴承深沟球轴承外形尺寸GB/T281 滚动轴承调心球轴承外形尺寸GB/T283 滚动轴承圆柱滚子轴承外形尺寸GB/T285 滚动轴承双列圆柱滚子轴承外形尺寸GB/T288 滚动轴承调心滚子轴承外形尺寸GB/T292 向心轴承角接触球轴承外形尺寸GB/T293 滚动轴承锁口在内圈上的角接触球轴承外形尺寸GB/T294 向心轴承四点接触球轴承外形尺寸GB/T296 滚动轴承双列角接触球轴承外形尺寸GB/T297 滚动轴承圆锥滚子轴承外形尺寸GB/T299 滚动轴承双列圆锥滚子外形尺寸GB/T300 滚动轴承四列圆锥滚子轴承外形尺寸GB/T301 滚动轴承平底推力球轴承外形尺寸GB/T3882 外球面球轴承和偏心套外形尺寸GB/T4663 滚动轴承推力圆柱滚子轴承外形尺寸GB/T5859 滚动轴承推力调心滚子轴承外形尺寸GB/T6362 滚动轴承双向推力角接触球轴承代号的构成代号是由前置代号、基本代号和后置代号构成。
其构成及排列顺序如下图所示。
代号可由基本代号单独构成基本代号基本代号用以表示轴承的基本类型、结构和尺寸,是轴承代号的基础,它由类型代号,尺寸系列代号和内径代号构成。
例:N 221010—内径代号。
(内径实际尺寸为:50mm )22—尺寸系列代号尺寸系列为22N —类型代号园柱滚子轴承2、1 类型代号轴承类型代号是用字母或数字表示。
典型的滚动轴承类型代号见表1。
其它类型代号见表4表4内径代号例:调心滚子轴承232242—类型代号32—尺寸系列代号24—内径代号d—120mm轴承类型代号、尺寸系列代号和轴承基本代号轴承类型代号、尺寸系列代号以及由类型代号、尺寸系列代号和内径代号组成的轴承代号(基本代号)见表。
后置代号“V”表示满滚动体(无保持架)轴承(见后置代号)。
表中轴承代号中,有的尺寸系列用了“00”表示,“00”代表任意一个适当的尺寸系列代号;内径用了“00”表示,“00”代表任意一个适当的轴承内径代号。
注:表中用“()”括住的数字表示在组合代号中省略尺寸系列实为03、用13表示尺寸系列实为12、13、14,分别用32、33、34表示尺寸系列实为22、23、24,分别用42、43、44表示尺寸系列不同于表23.前置代号4.后置代号后置代号是用字母或字母与数字组合来表示轴承的内部结构、密封与防尘,套圈变形、保持架结构及材料、公差等级、游隙、配置及其他特性。
表格错误!未定义书签。
保持架采用规定的结构和材料时,保持架的后置代号不标注保持架在结构型式、材料与上表不同时,轴承代号中标注如下后置代号保持架材料代号见表保持架结构型式及表面处理代号轴承零件材料改变代号公差等级与游隙代号需同时表示时,可进行简化,取公差等级代号加上游隙组号(0组不用表示)组合表示例:P63=P6+C3、轴承公差等级P6级,径向游隙3组P52=P5+C2 轴承公差等级P5级,径向游隙2组配置代号在轴承代号中“/”的后面以及四套配置的QBC、QFC、QT、QBT、QFT等7210C/DB—成对背对背安装角接触球轴承32208/DF—成对面对面安装圆锥滚子轴承7210C/DT—成对串联安装角接触球轴承配置时的轴向游隙、预紧及轴向载荷分配,在配置代号后加字母表示,其代号及含义见表例如:7210C/DBA 接触角α=15°的角接触球轴承7210C,成对背对背配置有轻预紧6210/DFGA-深沟球轴承6210,修磨端面后成对面对面配置,有轻预紧7210C/TFT—接触角α=15°的角接触球轴承7210C,三套配置、两套串联和一套面对面7210AC/QBT—接触角α=25°的角接触球轴承7210AC、四套成组配置、三套串联和一背对背NU210/QTR—园柱滚子轴承NU210、四套配置、均匀预紧7210C/FT—接触角α=15°的角接触球轴承、7210C、五套串联配置在轴承振动噪声、摩檫力矩、工作温度、润滑等有特殊要求时,须标注表中的代号当圆锥滚子轴承外形尺寸不符合GB/T273。
1而符合ISO355尺寸时,则采用下面的代号方法表示基本代号圆锥滚子轴承基本代号由三部分组成第一部分,英文字母“T”表示圆锥滚子轴承第二部分、ISO355表示的尺寸系列代号第三部分:轴承内径,用三位数字表示轴承内径的毫米数例如:T2ED020。
T —圆锥滚子轴承;2ED —尺寸系列;020—轴承内径20mm 后置代号当轴承技术条件有特殊要求时添加后置代号,其代号及含义除大锥角代号外,均用前面介绍的后置代号带附件轴承代号方法带附件轴承代号方法见表号2、可以组合简化NJ …+HJ …=NH 例 NH210非标准轴承代号方法非标准轴承是指外形尺寸不符合GB/T273。
1、GB/T273。
2、GB/T273。
3或其他标准未规定尺寸的轴承非标准轴承代号是由前置代号、基本代号和后置代号组成。
前置代号、后置代号和类型代号与一般用途轴承代号相同。
1、外径或宽(高)度尺寸用比照标准尺寸的方法或按GB/T273。
2、GB/T273。
3规定的外形尺寸延伸的规则,取最近的直径系列或宽(高)度系列,并在基本代号后加字母表示、见表例:内径、外径、宽(高)度尺寸非标准非标准内径、外径、宽(高)度,尺寸无法采用对照标准尺寸或按GB/T273。
2、GB/T273。
3规定的外形尺寸延伸规则时,用不定系列代号表示见表,所谓不定系列,则指轴承外径,宽(高)度尺寸为非标准,轴承的直径系列和宽(高)度系列无法确定的尺寸系列为不定系列52706,双向推力球轴承,不定系列、内径30mm非标准轴承内径表示法同类型外形尺寸差异不大的非标准轴承区别方法同一类型外形尺寸差异不大的几个非标准轴承代号相同时,在其基本代号后用符号“-”加顺序号1、2、3……加以区别例:61700×1-1,深沟球轴承,外径非标准,接近直径系列7611700×1-2,深沟球轴承,外径非标准,接近直径系列752706-1,双向推力球轴承,,不定系列,内径30mm。
52706-2,双向推力球轴承,不定系列,内径30mm英制系列圆锥滚子轴承代号方法外形尺寸与美国标准AFBMA19。
1(1987)相符的英制圆锥滚子轴承代号采用本代号方法1整套轴承表示方法在技术文件、图纸等上表述整套轴承,用“内圈代号/外圈代号”表示。
而实际轴承上只在内圈外圈上标记他们各自的零件代号。
例:L44643/L44610,L44643是内圈代号,L44610是外圈代号零件代号表示法英制圆锥滚子轴承零件代号方法现存在两种,原代号方法,现行代号方法前置代号及表示的含义见表后置代号及表示的含义见表5。
用来表示轴承类型和基本代号中的变型。
前置代号包括一个或两个字母。
代号及含义见表基本系列代号用一位、两位或三位数字表示,他表示该系列轴承最大内径范围,常用的基本系列代号见表零件代号最后两位数字表示内、外圈截面代号外圈截面代号是由10—19之间所包括的数字表示的,在任一系列中,截面为最小的外圈截面代号为10,如果在任一系列中需用更多的代号,则适当使用20及以上的数字。
内圈截面代号由30—49之间所包括的数字表示,在任一系列中,截面为最小的内圈代号为49。
如果任一系列中内圈需用更多的代号,则适当使用29以下的识字。
数字20—29是在内圈和外圈代号增多时,使用这些代号。
对于排列极为密集的系列,若代号超过以上范围时,则使用50—99之间所包括的数字。
后置代号后置代号用一个、二个或三个字母表示,其代号及含义见表例:H249148/H249111DC,重系列,具有一个双滚道并带有镗削润滑孔,用以配用锁紧销钉的外圈和两个不接触的内圈的双列英制圆锥滚子轴承内圈H 2 491 48 外圈H 2 491 11 DC H—重系列H—重系列2—锥角代号2—锥角代号491—基本系列代号491—基本系列代号48—外圈截面代号11—内圈截面代号DC—后置代号轧机用四列园柱滚子轴承代号方法尺寸代号表示法见表后置代号见表示例:滚动轴承FCD100144530P53FCD—双内圈四列园柱滚子轴承100—公称内径500mm144—公称外径720mm530—公称工程宽度530mmP5—公差等级53—游隙组别新旧轴承代号方法对照典型轴承类型代号对照见表尺寸系列代号对照推力轴承直径系列、高度系列代号对照见表内径代号对照内径代号、新、旧代号相同。
典型轴承类型、结构及轴承基本代号对照见表⑴尺寸系列分别为12、13、14,表示成32、33、34;⑵尺寸系列分别为22、23、24,表示成42、43、44。
其他轴承类型、结构及轴承代号或基本代号对照后置代号对照内部结构代号对照见表密封、防尘与外部结构变化代号对照见表轴承零件材料改变代号对照见表游隙代号对照见表配置代号对照见表其它特性代号对照见表带附件轴承代号对照见表旧新轴承代号简明对照本对照是以旧代号的类型、结构、直径系列、宽度系列为索引,依次编排,对外形尺寸符合标准规定的轴承的旧代号的基本代号与新代号进行了对照。
“0”深沟球轴承园柱滚子轴承“3”调心滚子轴承。