西南04G231 预应力混凝土空心板
- 格式:pdf
- 大小:12.67 MB
- 文档页数:72
现浇预应力空心板施工方案1.准备工作1.1.材料准备:预应力钢筋、混凝土、保护层材料等。
1.2.设备准备:起重机、预应力设备、模板、支撑系列等。
1.3.施工人员准备:现场技术人员、工长、预应力制作人员、混凝土浇筑人员等。
2.模板制作和安装2.1.根据设计图纸制作模板,并检查其尺寸和几何形状的准确性。
2.2.安装模板,保证其水平、垂直和整体稳定。
2.3.安装钢筋网,使其与模板接触良好并固定。
3.预应力钢筋制作和安装3.1.制作预应力钢筋:根据设计要求制作预应力钢筋,并检查其质量。
3.2.将预应力钢筋穿过模板孔洞,并使用垂直固定器和水平固定器固定。
4.混凝土浇筑和养护4.1.配置合适的混凝土,并使用现场混凝土搅拌车将混凝土运输到施工现场。
4.2.混凝土浇筑并振捣,确保其均匀分布且没有空洞和孔隙。
4.3.在混凝土初凝后,使用喷淋设备进行养护,保持混凝土的湿润状态以促进其强度的发展。
5.预应力钢筋张拉和固定5.1.在混凝土强度达到设计要求后,进行预应力钢筋的张拉。
5.2.使用专业设备进行张拉,逐渐施加预应力,并测量其拉力。
5.3.张拉完成后,立即进行固定,使预应力钢筋产生良好的粘结。
6.施工缝处理和防水层施工6.1.在预应力板的构配验收合格后,处理缝隙,确保板面平整无缺陷。
6.2.进行防水层的施工,防止水分渗透到预应力板内部。
7.后续施工7.1.根据设计要求进行连墙件、板与板之间的连接和固定。
7.2.进行板面的打磨和光洁处理。
7.3.进行验收和检测,确保预应力板的质量和安全性。
通过以上施工方案,现浇预应力空心板可以顺利完成施工,具有良好的质量和性能。
在实际施工过程中,应注意施工安全和质量控制,确保工程的顺利进行。
同时,施工前应制定详细的施工计划,并与相关部门进行沟通和协调,以确保施工的顺利进行。
对新版砌体结构设计规范若干条文的理解和思考贵阳建筑勘察设计有限公司童印佩砌体结构在我国广大农村和县乡(镇),仍然是一种广泛使用的结构形式,只要设计合理,构造措施得当,完全可以达到安全可靠、经济适用的目的。
砌体结构设计规范GB50003-2011(以下简称新版砌体规范),将于2012年8月1日起实施,现将本人对该规范的若干条文的学习理解及一些思考的问题提出供同行磋商。
一、必须充分认识加强砌体房屋楼(屋)预制板整体性的重要性。
为吸取汶川大地震预制楼板整体性差,而造成垮塌人员伤亡的惨痛教训,建筑抗震设计规范GB50011-2001(2008版)和GB50011-2010的3.5.4条,都提出了“砌体结构应从楼盖体系和构造上采取措施,确保各预制板之间连接的整体性”,而新版砌体规范的6.2.1和10.2.7条,又作了更详细明确的规范,尤其是6.2.1条,是强制性条文,我们必须严格执行。
现将这两条内容综合整理如下:1 预制板端伸出的钢筋头,对内墙伸出长不小于70mm,对外墙伸出长不小于100mm,且应与支座处的板底圈梁伸出的钢筋绑扎,再用C25混凝土浇成后浇带,详见国标图11G329-2的1-17、1-18等相关大样。
我省现在使用的西南04G231“预应力空心板”图集,其板端钢筋头伸长,对6度、7度抗震设防区,仅20mm,同时空心板与山墙、横墙的连接大样,均不满足新版砌体规范6.2.1条强规的要求,建议省住建厅发文给各预制板制造厂商,必须对预制构件做修改。
2 根据新版砌体规范的10.2.7-4条,空心板两侧应做成凹槽,缝宽不小于20mm,应清除建筑废渣,浇水湿润,灌入C25细石砼。
当板与板之间缝大于50mm,应另加配钢筋(由计算确定)。
二、关于约束砌体1 什么是约束砌体,新版砌体规范的2.1.31作了明确规定,约束砌体构件,是指通过在无筋砌体墙的两侧上下分别设钢筋砼构造柱、圈梁形成的约束作用,提高墙延性和抗力的砌体构件。
最新建筑工程需用书籍JGJ 214-2010 铝合金门窗工程技术规范GB/T 50114-2010 暖通空调制图标准GB/T 50353—2005 建筑工程建筑面积计算规范CECS 281:2010 自承重砌体墙技术规程CECS 280:2010 钢管结构技术规程GB 50224-2010 建筑防腐蚀工程施工质量验收规范GB/T 50621-2010 钢结构现场检测技术标准GB 50325-2010 民用建筑工程室内环境污控制规范CJJ 145-2010 燃气冷热电三联供工程技术规程CJJ/T 151-2010 城市遥感信息应用技术规范GB 50606-2010 智能建筑工程施工规范GB 50265-2010 泵站设计规范JGJ/T 219-2010 混凝土结构用钢筋间隔件应用技术规程JGJ 224-2010 预制预应力混凝土装配整体式框架结构技术规程CECS 52:2010 整体预应力装配式板柱结构技术规程JGJ 230-2010 倒置式屋面工程技术规程GB 50274-2010 制冷设备、空气分离设备安装工程施工及验收规程CECS 284:2010 中小套型住宅厨房和卫生间工程技术规程GB 50617-2010 建筑电气照明装置施工与验收规范JGJ/T 238-2011 混凝土基层喷浆处理技术规程JGJ 74-2003 建筑工程大模板技术规程GB 50628-2010 钢管混凝土工程施工质量验收规范GB 50642-2011 无障碍设施施工验收及维护规范GB/T 50033-2001 建筑采光设计标准JGJ 165-2011 地下建筑工程逆作法技术规程GB 50669-2011 钢筋混凝土筒仓施工与质量验收规范CJJ/T 29-2010 建筑排水塑料管道工程技术规程JGJ/T 235-2011 建筑外墙防水工程技术规程JGJ 82-2011 钢结构高强度螺栓连接技术规程JGJ/T 234-2011 择压法检测砌筑砂浆抗压强度技术规程JGJ/T 239-2011 建(构)筑物移位工程技术规程JGJ/T 225-2010 大直径扩底灌注桩技术规程CECS 293:2011 房屋裂缝检测与处理技术规程JGJ 130-2011 建筑施工扣件式钢管脚手架安全技术规范CECS 288:2011 建筑装饰工程木制品制作与安装规程JGJ/T 53-2011 房屋渗漏修缮技术规程GB 50204-2002 混凝土结构工程施工质量验收规范(2011年版)GB 50243-2002 通风与空调施工质量验收规范JGJ 55-2011 普通混凝土配合比设计规程JGJ/T 241-2011 人工砂混凝土应用技术规程GB 50164-2011 混凝土质量控制标准GB 50203-2011 砌体结构工程施工质量验收规范CECS 289:2011 蒸压加气混凝土砌块砌体结构技术规范GB 50720-2011 建设工程施工现场消防安全技术规范JGJ 51-2002 轻骨料混凝土结构技术规程JGJ 3-2010 高层建筑混凝土结构技术规程GB 50194-93 建筑工程施工现场供用电安全规范GB 50354-2005 建筑内部装修防火施工及验收规范GB 50202-2002 建筑地基基础工程施工质量验收规范GB/T 50670-2011 机械设备安装工程术语标准CECS 69:2011 拔出法检测混凝土强度技术规程GB 50618-2011 房屋建筑和市政基础设施工程质量检测技术管理规范GB 50208-2011 地下防水工程质量验收规范CECS 283:2010 轻钢构架固模剪力墙结构技术规程CECS 295:2011 建(构)筑物托换技术规程JGJ/T 97-2011 工程抗震术语标准CJJ/T 66-2011 路面稀浆罩面技术规程JGJ/T 251-2011 建筑钢结构防腐蚀技术规程JGJ 6-2011 高层建筑阀形与箱型基础技术规范GB 50086-2001 锚杆喷射混凝土支护技术规范GB/T 50624-2010 住宅区和住宅建筑内通信设施工程验收规范GB 50496-2009 大体积混凝土施工规范JGJ 83-2011 软土地区岩土工程勘查规程GB/T 50315-2011 砌体工程现场检测技术标准JGJ/T 244-2011 房屋建筑室内装饰装修制图标准JGJ 256-2011 钢筋锚固板应用技术规程CECA/GC6-2011 建设工程招标控制编审规程GB 50051-2002 烟囱设计规范川09J148 防水砂浆及防水混凝土构造川07G05 钢筋混泥土过梁川07J03 墙川07j04-2 专用门窗川07J02 地下工程防水川07J04-1 常用门窗川07J11 卫生、洗涤设施川07J06 楼梯川07J12 无障碍设施川07G04 现浇混凝土板式楼梯图集川07J07-1 平屋面川07J05 阳台、外廊栏杆川07J07-2 坡屋面川07G03 混凝土无梁楼盖图集川07j08 室外装修川07j124 玻璃钢门窗川07j09-1 内装修-墙面、(楼)地面分册川07j09-2 内装修-吊顶分册川07j09-3 内装修-配件分册川03G603 多孔砖(KPI型)建筑物抗震构造详图川03G601 砌体结构基础图集川03G403 预应力混凝土空心板图集川03G402 预应力混凝土空心板图集川03G401 预应力钢筋混凝土多孔板图集川03G315 振动冲击沉管灌注桩川03G314 钢筋混凝土悬臂式楼梯图集川03G313 钢筋混凝土屋面检修孔板图集川03G312 钢筋混凝土单梁图集川03G311 预制钢筋混凝土板式楼梯图集川03G309 钢筋混凝土阳台、挑廊构件图集川03G308 钢筋混凝土梁承式楼梯图集川03G307 钢筋混凝土板式梯梯(2.8米)川03G306 钢筋混凝土板式楼梯图集川03G304 钢筋混凝土平板图集川03G301 钢筋混凝土预制桩基础图集川88J121 混凝土小型空心砌块图川00J102 五防轻体隔墙板安装图集川91G403 预应力混凝土空心板川91G401 预应力钢筋混凝土多孔板川91G315 振动冲击沉管灌注桩图集川91G314 钢筋混凝土悬臂式楼梯川91G313 钢筋混凝土屋面检修孔板川91G309 钢筋混凝土阳台、挑郎构件图集川91G308 钢筋混凝土梁承式楼梯图集川91G307 钢筋混凝土板式楼梯图集川91G305 钢筋混凝土槽板图集川91G302 钢筋混凝土空心板西南11J合订本(1、2)西南地区建筑标准设计通用图西南03J201-3 屋面第三分册西南08J 合订本3西南地区建筑标准通用图集西南03G601 多层砖房抗震构造图集西南10J904 城市道路和建筑物无障碍设施图集西南08J106-08J107 居住建筑节能构造、公共建筑节能构造西南06J303-09J309 西南地区建筑标准设计推荐性应用图集西09J/T—308 立高防水构造图集西09J/T —309 东方雨虹防水构造图集西南05J303--307西南地区标准设计推荐型应用图集西南08J合订本(3)西南地区建筑标准设计通用图西南J303-306 西南地区建筑标准推荐性应用图集西南04G231 04G232 预应力混凝土空心板西南03J201-1、2、3 屋面西南04J812 室外附属工程西南03G301(一)-(二)钢筋混凝土过梁西南06J304 建筑变形缝构造图集西南05J103 挤塑聚苯板保温构造图集西南05J302 地下建筑防水构造西南01ST401 GRT 住宅厨房卫生间烟气排放管道图集西南03J201-2 屋面第二分册瓦屋面西南01S101 建筑给水水锈钢塑料复合管安装图集GB 50496-2009 大体积混凝土施工规范GB/T 50315-2011 砌体工程现场检测技术标准GB/T 50733-2011 预防混凝土碱骨料反应技术规程JGJ/T 244-2011 房屋建筑室内装饰装修制图标准JGJ/T 226-2011 低张拉控制应力拉索技术规程JGJ 256-2011 钢筋锚固板应用技术规程CECA/GC6-2011 建设工程招标控制编审规程GBJ 112-87 膨胀土地区建筑技术规范JGJ/T 251-2011 建筑钢结构防腐蚀技术规程JGJ 242-2011 住宅建筑电气设计规范JGJ 6-2011 高层建筑阀形与箱型基础技术规范GB 50086-2001 锚杆喷射混凝土支护技术规范中华人民共和国建筑法(2011年修正版)GB 50194-93 建筑工程施工现场供用电安全规范GB 50354-2005 建筑内部装修防火施工及验收规范GB 50202-2002 建筑地基基础工程施工质量验收规范GB 50057-2010 建筑物防雷设计规范GB 50618-2011 房屋建筑和市政基础设施工程质量检测技术管理规范GB 50208-2011 地下防水工程质量验收规范CECS 283:2010 轻钢构架固模剪力墙结构技术规程CECS 295:2011 建(构)筑物托换技术规程JGJ/T 97-2011 工程抗震术语标准JGJ 55-2011 普通混凝土配合比设计规程JGJ/T 241-2011 人工砂混凝土应用技术规程GB 50164-2011 混凝土质量控制标准GB 50203-2011 砌体结构工程施工质量验收规范CECS 289:2011 蒸压加气混凝土砌块砌体结构技术规范GB 50720-2011 建设工程施工现场消防安全技术规范JGJ 3-2010 高层建筑混凝土结构技术规程JGJ/T 239-2011 建(构)筑物移位工程技术规程JGJ/T 225-2010 大直径扩底灌注桩技术规程CECS 293:2011 房屋裂缝检测与处理技术规程JGJ 130-2011 建筑施工扣件式钢管脚手架安全技术规范CJJ/T 154-2011 建筑给水金属管道工程技术规程JGJ/T 233-2011 水泥土配合比设计规程CECS 288:2011 建筑装饰工程木制品制作与安装规程JGJ/T 53-2011 房屋渗漏修缮技术规程GB 50204-2002 混凝土结构工程施工质量验收规范(2011年版)GB 50682-2011 预制组合立管技术规范CJJ/T 29-2010 建筑排水塑料管道工程技术规程JGJ/T 235-2011 建筑外墙防水工程技术规程JGJ/T 234-2011 择压法检测砌筑砂浆抗压强度技术规程CECS 52:2010 整体预应力装配式板柱结构技术规程JGJ 230-2010 倒置式屋面工程技术规程CECS 284:2010 中小套型住宅厨房和卫生间工程技术规程JGJ/T 98-2010 砌筑砂浆配合比设计规程JGJ/T 238-2011 混凝土基层喷浆处理技术规程GB/T 50001-2010 房屋建筑制图统一标准JGJ 74-2003 建筑工程大模板技术规程GB 50628-2010 钢管混凝土工程施工质量验收规范JGJ/T 219-2010 混凝土结构用钢筋间隔件应用技术规程JGJ 224-2010 预制预应力混凝土装配整体式框架结构技术规程GB/T 50103-2010 总图制图标准GB 50332-2002 给水排水工程管道结构设计规范GB/T 50353—2005 建筑工程建筑面积计算规范CECS 281:2010 自承重砌体墙技术规程CECS 280:2010 钢管结构技术规程GB 50224-2010 建筑防腐蚀工程施工质量验收规范建筑抗震设防分类标准建筑结构荷载规范混凝土结构设计规范高层建筑钢筋混凝土结构技术规范地下工程防水技术规范全国民用建筑工程技术措施补偿收缩混凝土应用技术规程安全防范工程技术规范工程建设标准强制性条文住宅建筑规范屋面工程技术规范高层建筑箱形与筏形基础技术规程冷轧带肋钢筋混凝土结构技术规程建筑工程安全生产管理条例建筑安装工程质量检验测定标准现行建筑结构规范条文说明大全建筑结构力学建设工程施工管理全国统一建筑工程基础定额建筑材料与检测建筑工程竣工验收与资料管理砌体结构工程质量验收规范钢筋焊接及验收规范建筑工程施工质量验收统一标准建筑结构设计术语和符号标准工程结构设计基本术语和通用符号建筑玻璃应用技术规范玻璃幕墙工程技术规范外墙外保温工程技术规范混凝土结构工程施工质量验收规范脚手架工程施工技术模板工程施工技术结构吊装工程施工技术电气工程施工技术职能建筑工程施工技术结构工程师实务手册招标工程师实务手册现行市政工程规范大全建筑地基基础工程施工质量验收规范建筑桩基技术规范建筑基坑支护技术规范建筑工程定额原理与概预算建筑工程概预算与投标报价建设工程招投标与合同管理建设工程项目管理规范建设工程法规及相关知识建筑施工技术地基与基础施工高层建筑结构设计和计算混凝土结构构造手册混凝土结构计算手册土木工程荷载与设计方法G101系列图集(共10本):09G901_2 09G901-3 09G901-4 09G901_5 11G902_1 11G101_2 11G101_3 11G101_1 08G101_11 06G901_11 西南05J103 挤塑聚苯板保温构造图集2 西南04J112 墙3 西南03J201—1 屋面(第一分册刚性卷材涂膜防水及隔热屋面)4 西南03J201—2 屋面(第二分册瓦屋面)5 西南03J201—3 屋面(第三分册金属夹芯板、金属压型板、采光玻璃屋面)6 西南05J302 地下建筑防水构造7 西南04J312 楼地面油漆刷浆8 西南04J412 阳台外廊楼梯栏杆9 西南04J513 花格、花墙10 西南04J514 隔断11 西南04J515 室内装修12 西南04J516 室外装修13 西南04J517 厨房卫生间浴室设施14 西南04J611 常用木门15 西南07J604、07J704 未增塑聚氯乙烯(PVC-U)塑料门窗16 西南04J812 室外附属工程17 西南05J/T-303 BAC双面自粘卷材和SPU涂料防水系统建筑构造18 西南06J/T-304 建筑变形缝构造图集19 西南07J/T-305 粘霸APF自粘防水系统构造图集20 西南04G231 预应力砼空心板(冷轧带肋钢筋配筋2.4m—4.2m)21 西南04G232 预应力砼空心板(冷轧带肋钢筋配筋4.2m—6.0m)22 西南03G301(一)(二)钢筋混凝土过梁(一)(二)23 西南05G302(一)现浇钢筋混凝土板式楼梯(住宅、宿舍等)24 西南05G302(二)现浇钢筋混凝土板式楼梯(办公楼、旅馆、医院、教学楼等25 西南05G303 钢筋混凝土雨蓬26 西南03G601 多层砖房抗震构造图集27 西南05G701(一) 框架轻质填充墙构造图集(第一分册加气砼填充墙)28 西南05G701(二) 框架轻质填充墙构造图集(第二分册轻集料混凝土小型空心砌块填充墙)29 西南05G701(三) 框架轻质填充墙构造图集(第三分册钢丝网架水泥聚苯乙稀复合扳)30 西南05G701(四) 框架轻质填充墙构造图集(第四分册烧结空心砖填充墙)31 西南03ZG002 民用多层砖房抗震构造32 西南03ZG003 多层及高层砼房屋结构抗震构造33 西南03ZG204 无筋扩展基础和扩展基础34 西南03ZG301 钢筋砼平板35 西南03ZG313 钢筋砼过梁36 西南03ZG401 预应力混凝土空心板37 西南01S101 建筑给水不锈钢塑料复合管安装图集38 西南01ST401 GRT住宅厨房卫生间烟气排放管道图集39 西南02D301 预制分支电力电缆安装图集40 西南05J/T-303BAC 双面自粘卷材和SPU涂料防水系统建筑构造41 西南03G301(二) 钢筋混凝土过梁42 西南06J/T-304 建筑变形缝构造图集43 西南05G302(二) 现浇钢筋混凝土板式楼梯44 西南G302(二) 现浇钢筋混凝土板式楼梯(用于办公楼、医院、旅馆、教45 西南G302(一) 现浇钢筋混凝土板式楼梯(用于住宅、宿舍等)。
预应力混凝土空心板A、预制空心板台座先张法预应力台座,张拉台座为C25钢筋砼墩式结构,台面即底层为C25砼,表面为水磨石面层做成底模.张拉横梁用30mm钢板焊成,一端为固定端,设置拉杆长由端头到台面,以减少钢绞线的浪费,另一端为活动端。
横梁设计验算最大张拉力时,挠度变形不超过2mm。
为使台座具有足够的强度、刚度和稳定性,不致使台座承受全部预应力筋的拉力时,台座变形、失稳,在设计张拉台座结构时进行台座的稳定性和强度验算,使其抗倾覆安全系数大于1。
5,抗滑移系数大于1.3.B、钢绞线和钢筋制作安装钢绞线和钢筋统一在钢筋棚内制作、编号和堆放,钢筋和钢绞线在施工前分批抽样进行物理性试验,其性能强度满足设计要求,经监理工程师认可才能使用。
安装工作:先将U型钢筋分布倒放于台面作垫衬,再布钢绞线,然后预拉钢绞线,预拉前按设计将预应力失效胶管穿入两端钢绞线,扶正U型筋,开始绑扎安装.钢筋绑扎注意将扎丝头转向上、下两侧的四周,以防气囊取出挂破,同时特别注意内模定位筋制作和绑扎的准确性。
C、张拉与锚固预应力钢绞线采用千斤顶进行单根单向张拉,并分两次进行,第一次为预拉,即提供绑扎钢筋,待钢筋绑扎完毕在浇筑砼前最后张拉到设计值。
张拉预应力采取张拉力伸长值双控制施工。
张拉程序为0→初应力→100%δcon(持荷2min,锚固)(δcon为张拉时的控制应力)。
张拉中,实际伸长量在计算伸长量±6%范围内为正常,否则应查明原因,在锚固后,预应力筋对设计位置的偏差不得大于5mm.锚固:张拉时锚固固定端和张拉端用锚环楔片锚固,卸张后梁体靠混凝土的握裹力锚固,锚固后的变形控制在6mm以内.D、模板底模为精细磨平的水磨石砼台面板(两边镶角铁)。
边模为4米一节拼装的定型大块新制钢模侧模,安装模板时用龙门吊上的电动葫芦与人工配合,模板顶设耳孔拉杆固定,模板脚用木楔固顶,沿纵向每2—3米设花蓝斜拉勾加强模板稳定.为方便生产,我合同段计划将空心板梁预制场设于K137+080段路基挖方范围内,本预制场计划设置空心板预制台座2道,每道内设底板4条,共设底板8条,每浇筑一轮空心板为4片(空心板梁施工队备有一套,即一次可浇筑4片空心板梁的模板),每道预制台座每月浇筑4轮砼,每月即可完成32片空心板,这样,在7个月内,我部即可完成空心板的浇注.内模采用充气胶囊芯模,其承压满足强度要求.使用前进行充气检验,气囊在梁板顶面钢筋绑扎前扁平铺设,模板固定后充气.芯模拆除在混凝土初凝后放气拉出,拆模时间由现场试验确定。
按照国家规范强制性条文,未经设计人员同意任何人不得改变建筑物用途,改变使用荷载;修改及变更设计。
要求正常施工、正常使用和正常维护(检测、防护及维修)。
一、设计依据:1、建设单位提供的工程地质勘察报告。
2、2、建筑结构设计规范:《建筑结构可靠度设计统一标准》GB 50068-2001;《建筑结构荷载规范》GB 50009-2001(2006年版);《建筑地基基础设计规范》GB 50007-2011;《建筑桩基技术规范》JGJ 94-2008;《混凝土结构设计规范》GB 50010-2010;《砌体结构设计规范》GB 50003-2011;《建筑抗震设计规范》GB 50011-2010;《混凝土结构耐久性设计规范》GB/T 50476-2008;3、本地区地震基本烈度小于6度,本工程不作抗震设防;基本风压为w•=0.30kN/Ž。
4、设计使用年限为五十年。
建筑结构安全等级为二级。
地基基础设计等级为丙级。
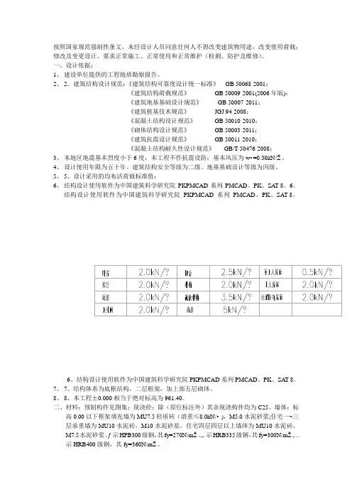
5、5、设计采用的均布活荷载标准值:6、结构设计使用软件为中国建筑科学研究院PKPMCAD系列PMCAD、PK、SA T-8。
6、结构设计使用软件为中国建筑科学研究院PKPMCAD系列PMCAD、PK、SAT-8。
6、结构设计使用软件为中国建筑科学研究院PKPMCAD系列PMCAD、PK、SAT-8。
7、7、结构体系为底框结构,二层框架,加上部五层砌体。
8、8、本工程±0.000相当于绝对标高为961.40。
二、材料:预制构件见图集;现浇砼:除(原位标注外)其余现浇构件均为C25。
墙体:标高0.00以下框架填充墙为MU7.5轻质砖(溶重≤8.0kN/•),M5.0水泥砂浆;住宅一~三层承重墙为MU10水泥砖,M10水泥砂浆,住宅四层四层以上墙体为MU10水泥砖,M7.5水泥砂浆。
ƒ示HPB300级钢,其fy=270N/mŽ、…示HRB335级钢,其fy=300N/mŽ,…示HRB400级钢,其fy=360N/mŽ。