12米不加强栈桥计算书 2
- 格式:docx
- 大小:681.46 KB
- 文档页数:9
大浏高速公路第四合同段栈桥设计方案(安全坳隧道内)中国路桥工程有限责任公司大浏高速公路第四合同段项目经理部二〇一〇年七月一日栈桥设计说明一、工程概况根据施工要求,我合同段安全坳隧道内修建一座栈桥,以利于施工中车辆通过。
二、设计方案该施工栈桥为组合式桥钢结构梁,全长12.0m,设为两跨,每跨6m。
上部结构:采用10根型号为[40槽钢,按间距40cm布置,中间采用18a工字钢进行横向连接,桥面铺设1cm厚钢板使荷载横向均匀分布。
本桥设计汽车荷载为50t。
三、主要材料1、[40槽钢10根,每根长25m。
2、I18a工字钢45根,每根长0.4m。
3、I32a工字钢6根,总长40m。
4、1cm厚钢板,3.6m*25m隧道栈桥受力验算一、梁板验算跨度L=6m,使用[40槽钢,共10根,每根单位延米重量58.9kg/m=577.22N/m=0.57722KN/m。
集中荷载50t=50000kg=490000N=490KN。
每根[40槽钢参数:Wx=878.9cm3=878.9/106m3。
腹板高度h=400mm;腹板宽度d=10.5mm=0.0105m;Sx=524.4㎝3=524.4/106m3;Ix=17577.7cm4=17577.7/108m4。
(一)弯矩验算:1、集中荷载在中部时中部的弯矩最大1)均布荷载产生弯矩:M1=q×l²/8=0.57722KN/m×10根×6²㎡/8=25.9749KN·m 2)集中荷载产生弯矩:M2=P×l/4=490KN×6m/4=735KN·m3)总弯矩:M=M1+M2=25.9749KN·m +735KN·m=760.9749KN·m2、组合钢梁最大承载弯矩M工=Wx·[σ]·a=878.9/106m3×170MPa×10根=1494.13KN·m3、安全系数ε1= M[ / M=1494.13KN·m /760.9749KN·m=1.96 (故满足要求)(二)剪力验算1、集中荷载在支撑点的端部时端部的剪力最大。
12米栈桥计算书台州市江河金属结构有限公司二零一三年七月目录一、序言二、计算的规范、依据三、设计、计算技术指标四、基本计算资料或参数五、结构计算六、结论12米钢便桥结构计算书一、序言12米施工临时钢便桥由1跨12米钢便桥组成。
为了简化计算,按12米简支梁进行强度计算。
二、计算的规范、依据《公路桥涵设计通用规范》JTG D60-2004《公路桥涵钢结构及木结构设计规范》JTJ 025-86《钢结构设计规范》GB50017-2003《厂矿道路设计规范》GBJ22-87《装配式公路钢桥多用途使用手册》2001年《建筑结构静力计算手册》2001年其余技术要求参照国家及交通部现行有关标准、规范执行。
三、设计、计算技术指标依据交通设计的主要技术指标,得到该桥主要设计技术指标:1、计算行车速度:5km/h(对临时桥梁特殊要求);2、设计荷载:公路—Ⅰ级汽车荷载:G=600kN(汽─超20级);其荷载布置及主要技术指标见下图:3、桥梁宽度:不小于净。
四、基本计算资料或参数鉴于该桥的临时性以及工期的紧张性,根据钢便桥施工合同,决定桥梁结构采用钢结构,主梁采用321型装配式公路钢桥标准钢桥,其相应构件力学参数均取自于2001年6月由人民交通出版社出版的《装配式公路钢桥多用途使用手册》(广州军区工程科研设计所黄绍金刘陌生编着)。
根据该手册第21页表2-1可知,上、下弦杆为2【10槽钢,面积A=。
另外,根据《公路桥涵钢结构及木结构设计规范》JTJ 025-86第条表及《装配式公路钢桥多用途使用手册》第21页下面注释可知,在临时荷载作用下,荷载组合Ⅰ时,其钢结构的容许应力可提高30%,即可按倍的系数进行验算。
由上可知,16Mn的容许拉应力、压应力及弯应力均可按=273MPa计算,容许剪应力按=208 MPa计算。
《装配式公路钢桥多用途使用手册》第54页表3-1“桥梁荷载与跨径组合表”、表3-2“荷载、跨径与桥梁配置表”见下图。
栈桥结构计算书一. 计算依据1、《公路桥涵设计通用规范》(JTJ021-89);2、《公路桥涵钢结构及木结构设计规范》(JTJ025-86);3、《桥梁工程》(人民交通出版社)。
二、栈桥结构简介栈桥设计为单跨简支梁桥,桥长L=12m,计算跨径为11m,采用C25片石混凝土基础(桥台),桥台高5m,桥台顶面浇注30cm厚C30钢筋混凝土作为支撑垫石,浇注支撑垫石时注意预埋20cm*20cm*1cm 钢板,然后其上安装横向分配梁,横向分配梁采用2I32工字钢,长6m,横向分配梁上搭设贝雷梁,贝雷梁共7排,每排间距0.9m,单排含4片国标贝雷片,7排贝雷梁采用横向连接片连接固定。
三.设计荷载1、纵向荷载布置考虑为汽车-20级重车辆荷载标准2、考虑本栈桥实际情况,为确保栈桥安全,故设计为单向形式,同方向车辆间距不小于6米,即一跨内同方向只布置一辆重车。
3、栈桥上行车速度不大于5Km/h。
四.栈桥结构受力验算根据栈桥纵断面设计图,可知本栈桥计算跨径为L计=11m(按简支梁计算,如图所示)。
最不利荷载是当汽车重心处于跨中位置,检算结构强度和刚度,下面详细计算之。
计算参数:钢材弹性模量E=2.05×105N/mm2;321国标贝雷片桁片惯性矩I0=250500cm4,本桥布置7列,组合贝雷梁I组=0.017535m4。
1、刚度变形验算结构受力分析图弯矩图最大弯矩显示挠度图最大挠度显示根据计算结果可知,Mmax=606KN.m, 查表321国产贝雷桁片容许弯矩M0=975KN/m,那么有,Mmax<M0,贝雷梁桁片弯矩满足结构受力要求。
根据计算结构显示,活载下本桥最大挠度f活=2mm。
本栈桥全桥的自重约为q=17.9KN/m,桥的销孔间隙挠度与自重挠度之和按交通部公式计为:f容=L/250=12000/250=48mm。
⑴、间隙挠度f0=0.05×n2 =0.05×42=0.8cm=8mm,其中,n为贝雷梁单列片数,若n为奇数,则计算公式为:f0=0.05×(n2-1)⑵、空载挠度f自=5ql4/384EI=1mm综上所述,总挠度fmax= f0+f自+f活,那么有:Fmax=8+1+2=11mm<f容=L/250=12000/250=48mm,栈桥挠度符合设计规范要求,合格!2、桥墩承载力计算结构为单跨静定简支梁,那么可分别求出两个桥台所受的结构反力,计算模型如下图所示:60KN120KN120KNA BFb 对A点取矩,那么Fb*11m=60KN*1.5m+120KN*5.5m+120KN*6.9m 可得:Fb=143.45KN,即,Fa=300KN-143.45KN=156.55KN,取桥墩最大承载压力为156.55KN推算桥台基础承载力!桥台结构图如下所示:基底计算应力:P=(F+G)/A,其中桥墩自重G=26KN/m3*6m*(1*0.3+(1+1.6)*3/2+1*2.2)=998.4KN,基底面积A=2.2m*6m=13.2m2那么,P=(998.4KN+156.55KN)/13.2m2=87.496Kpa查公路桥涵与基础设计规范(JTG D63-2007),卵石中密土地基承载力容许值[fa]=650Kpa,显然,P<[fa],安全。
新建铁路九江至南昌城际轨道交通博阳河特大桥水中墩栈桥设计书编制:复核:审核:中国中铁四局集团CJQ-1标经理部第五项目队2007年12月栈桥计算书一、结构形式钢栈桥桥面宽度:按双向两车道设计,桥面宽5m ,常规跨径布置型式为12、15m 、18m ,为保证河西桥台处孔跨布置18m(保证车辆下行净空)、在35、36#墩左侧加宽7.55m 作为下部插打钢板桩、上部连续梁吊装作业平台。
栈桥下部结构:普通陆地墩为2根Φ500×10mm 钢管桩(钢管桩间距3.9m)、普通水中墩为2根Φ800×10mm 钢管桩(钢管桩间距3.9m)、加宽作业平台为5根Φ800×10mm 钢管桩(钢管桩间距1.95m);上部结构为2根I40a 下横梁、纵梁采用6榀贝雷桁架;桥面为I10和[10纵横向分配梁,布置间距0.5m ,δ10桥面钢板满铺。
钢管桩之间采用[20a(横撑)和[18a(斜撑)作为剪刀撑,上横撑距钢管桩顶1m ,下横撑距上横撑2m 。
二、普通陆地5米宽通行栈桥简算(计算模型为50吨汽车单辆行驶单跨15米桥面)作业时履带吊不行走桥面插打钢管桩, 只考虑普通行车。
钢柱壁两根工字钢四品贝雷片工字钢纵向间距槽钢横向间距厚钢面板结构模型1、栈桥面板验算 桥面板自重=0.785KN/m结构形式剪力图弯矩图σ=M/W=6.91×10-3/(83.3×10-6)=83.0Mpa<[σ]=170Mpa,刚度可以!f=0.00111/5=1/4504<1/250满足要求,面板可以,底部[10槽钢间距0.5米布置可行!2、[10槽钢验算[10槽钢自重+桥面板自重=0.1+0.785=0.885KN/m前轮=30KN/11品槽钢=2.73KN后轮=140KN/11品槽钢=12.7KN按整跨15米计算,荷载压在1品槽钢上为模型结构形式弯矩图剪力图σ=M/W=4.98×10-3/(39660×10-9)=125.6Mpa<[σ]=170Mpa,刚度可以!底部I10工字钢间距0.5米布置可行!3、I10工字钢验算I10工字钢自重+[10槽钢自重+桥面板自重=0.11+0.1+0.785=0.995KN/m 取最大上部传递荷载51.96KN,按均布荷载计算结构形式弯矩图剪力图σ=M/W=4.1×10-3/(49000×10-9)=83.7Mpa<[σ]=170Mpa,刚度可以!f=0.00037/5=1/13513满足要求!I10工字钢可以,底部布置6品贝雷片可行。
跨径12米贝雷钢便桥计算书一、便桥概况纵向施工便道途经铁场排洪渠及沙河时,采用贝雷钢便桥跨越,车俩单向通行。
单孔设计最大跨径12m,桥面宽度为6m。
钢便桥结构型式见下图:便桥桥墩处自下而上依次采用的主要材料为:壁厚10㎜、直径800㎜钢管桩基础2根→1000*1000*10mm钢垫板→2根20a型工字钢(双拼)下横梁→双排单层321贝雷片(2榀4片)纵梁→25a型工字钢横向分配梁→22a型槽钢桥面(卧放满铺)。
钢管桩中心间距为350㎝,桩间采用2根壁厚6㎜、直径630㎜钢管作为支撑联结;20a型工字钢(双拼)下横梁每根长度为530㎝;2榀贝雷梁横向中心间距为350㎝,每榀贝雷片横向顶面采用支撑架(45㎝)联结,底面两侧用2段槽钢固定在工字钢下横梁上;25a型工字钢横向分配梁间距为75㎝,每根长度为600㎝;桥面系22a型槽钢间净距4㎝,横向断面布置23根。
二、计算依据及参考资料1、《公路桥涵设计通用规范》(JTG D60-2004);2、《公路桥涵地基与基础设计规范》(JTG D63-2007);3、《公路桥涵钢结构及木结构设计规范》(JTJ 025-86);4、《公路桥涵施工技术规范》(JTJ 041-2000);5、《公路桥涵施工手册》(交通部第一公路工程总公司主编);6、从莞高速公路惠州段第二合同段两阶段施工图设计;7、本合同段相关地质勘探资料;三、主要计算荷载1、汽车-20 重车;2、自重50吨履带式起重机+吊重15吨(便桥施工期作业机械荷载);3、结构自重;四、结构受力验算(一)、22a型槽钢桥面板(按简支计算,跨径L=0.75m)1、材料相关参数:Iy =157.8㎝4,Wy=28.2㎝3,iy=2.23㎝;容许抗弯应力f=215 MPa,容许抗剪应力fy=125 MPa,E=206×103MPa;自重24.99㎏/m,截面积31.84㎝2。
2、荷载情况:“汽-20”重载,轴距1.4m,单轴重14吨,半边轮组重7吨;汽车冲击系数取1.3;单个轮胎宽度为20㎝,单侧一组轮胎宽度为60㎝,单侧轮组面与3片槽钢接触;轮组作用在跨中弯矩最大,轮组作用在临近支点处剪力最大。
栈桥计算1、上部结构恒重(7米宽计算)⑴δ=12mm 钢板:7×1×0.012×7.85×10=6.59kN/m ⑵I14纵向分配梁:2.87kN/m ⑶I28横梁:2.20kN/m ⑷贝雷梁:6.66kN/m ⑸2H50下横梁:13.27kN/根 2、活荷载⑴30t 砼罐车(需在栈桥上错车)⑵65t 履带吊:自重650kN +吊重300kN业⑶施工及人群荷载:4kN/m 2考虑栈桥实际情况,同方向车辆间距不小于12米,即一跨内同方向最多只布置一辆重车。
3、各构件规格及其几何性质如下3.1、桩:υ800×10钢管桩A =2.48×10-2m 2I =1.94×10-3m 4W =3.9×10-3m 33.2、下横梁:2H50型钢A =2.28×10-2m 2 I =9.56×10-4m 4 W =3.82×10-3m 3 3.3、横向分配梁:I28a 型钢 横向分配梁间距1500mm A =5.54×10-3m 2 I =0.71×10-4m 4 W =5.08×10-3m 3 3.4、纵向分配次梁: I14 纵向分配梁间距400mm A =2.15×10-3m 2 I =0.71×10-5m 4 W =1.02×10-4m 3 3.5、面板: t=12mm根据栈桥跨径布置形式,最大跨径为12m ,计算只针对最不利跨径进行验算。
4、贝雷梁栈桥计算贝雷梁栈桥分7m 和8m 宽两种,最大跨径均为12m ,主纵向分别为6榀和8榀贝雷,基础分别为2排和3排桩,根据结构形式,7m 宽贝雷梁栈桥更不利。
对7m 宽贝雷梁栈桥进行验算。
1)、贝雷梁内力计算按最大跨径12米跨栈桥计算由于桩布置为两排,其计算跨径为L=12m(按简支计算)。
⑴ 弯矩M ,其跨中弯矩影响如下:①30t 砼车(一辆)布置在跨中,同时与空车会车 荷载分析:②65t 履带吊布置在跨中时 自重均布荷载:q1=18.32kN/m施工及人群荷载:不考虑与履带吊同时作用65t履带吊轮压:q=172.8kN/m=2527.56kN.m③人群Mmax3=504127.040.1252=⨯⨯⨯ kN.m恒载M=0.125×18.32×122=329.76kN.mq恒=6.59+2.87+2.20+6.66=18.32kN/m选用3组双排单层贝雷架,则[M]=1576.4×3=4729.2kN·mMmax= Mmax2=2527.56kN·m<[M]= 4729.2kN·m 满足强度要求。
钢栈桥承重梁计算书一、设计荷载:考虑到车辆制动力、冲击力、砼输送泵重力等影响,为偏安全考虑,同时为简化计算,荷载按集中荷载单车60t,另外根据《公路工程设计标准》,对于非公路桥梁,取人群荷载0.1t/m2。
二、第一跨25米承重梁计算1、采用材料:上弦杆为32b槽钢、18槽钢;竖杆、斜杆为75*75*8角钢,下弦杆为125*125*10角钢,桥面铺设钢板及木方,自重1t/m。
第一跨共4榀钢桁架,每榀桁架受力为1/4荷载。
2、B截面受力计算:(1)取跨中B截面,当荷载作用于跨中位置时,为最不利受力组合。
=(P+ql)÷2=11t支座反力P反由∑Y=0得S2=(P+ql-P)÷√2/2=(15t+0.275t/m×12.5m-11t)÷√2/2 反≈10.52t由∑M B=0,×12.5m+ql2/2=0S1×1.6m+√2/2×S2×1.6m-P反可得S1=65t由∑X=0可得 S3=72.4t(2)斜杆应力计算已知条件: A=2*11.503cm2回转半径r=3.57cm计算长度L=2.26m细长比λ=L/r=63.3查表得φ=0.871应力σ=N/A·φ=535Kg/cm2<[σ]=1700Kg/cm2满足受力要求(3)下弦杆应力计算已知条件:A=2*24.373cm2回转半径r=3.98cm计算长度L=1.6m细长比λ=L/r=40.2查表得φ=0.937应力σ=N/A·φ=1585Kg/cm2<[σ]=1700Kg/cm2满足受力要求(4)上弦杆应力计算(2[ 18 )已知条件:Wx=2*152.2cm3A=2*29.29cm2成都市路桥工程股份有限公司绵阳会客厅一号桥项目经理部 第 3 页 共 8 页回转半径r=7.24cm计算长度L=1.6ma 、压杆应力细长比λ=L/r=22.1查表得φ=0.977应力σ1=N/A ·φ=65t/2*29.29cm2·0.977=1128.6Kg/cm 2b 、集中荷载弯曲应力M=PL/4=3.75t*1.6m/4=1.5t ·mσ2=M/W=1.5t ·m/2*152.2cm 3=492.8 Kg/cm 2压弯组合应力σ=σ1+σ2=1128.6+492.8=1621.4 Kg/cm 2<[σ]=1700Kg/cm 2满足受力要求3、 A 截面受力计算Mmax=P 反*1.6235m+q*1.6235m 2/2=16.17 t ·m截面应力σ=Mmax/W=16.17*105/509.012*2=1588.4 Kg/cm 2<[σ]=1700Kg/cm 2 满足受力要求4、 支座截面验算(取河堤支座位置)支座最大剪力Qmax=P+ql/2=60t+1.1t/m ×25m/2=73.75tτmax=Q ·∑Sx/Ix ·δ=73.75t ·2420cm 3/64454.4cm 4·8cm=346kg/cm 2<[τ]=1000kg/cm 2满足要求式中∑Sx=302.5cm 3×2×4=2420cm 3Ix=8056.8cm 4×8=64454.4cm 4δ=8×1cm=8cm二、12米标准跨承重梁受力计算1、跨中截面验算(1)采用材料:H600型钢;截面模数Wx=4020cm3;截面面积A=192.5cm2;惯性矩Ix=cm4;弹性模量E=2.1×106kg/cm2;(2)受力荷载图:为偏安全考虑,按4根承重梁承受主要荷载计算,即不考虑人行道外侧两根钢梁。
栈桥计算书一、结构形式架空栈桥总长1854m,宽7m,起于长江大堤,止于45墩中心线后约324m。
桥中心线与苏通大桥引桥轴线一致。
沿着引桥每隔约300m设车辆调头平台一座。
栈桥两侧设栏杆,上部结构采用型钢结构。
19~46轴跨间有桥墩处,上部梁板自成一体,以便整体拆卸.主纵梁选用“321"型贝雷架,下横梁采用H600×200,桥墩采用桩基排架,每榀排架下设2根、3根或4根Φ800×8mm钢管桩。
通航孔处桩基设斜桩并在其上安装橡胶护弦起防撞作用。
自下而上依次为Φ800×8mm钢管桩,H600×200下横梁,长为7m;纵梁选用“321"军用贝雷梁3组、每组2片,或万能杆件;I25a横向分配梁,布置间距1.5m,长度为7m;I12。
6纵向分配梁,布置间距40cm;δ10桥面钢板满铺。
二、荷载布置1、上部结构恒重(7米宽计算)⑴δ10钢板:7×1×0.01×7.85×10=5.495KN/m⑵I12.6纵向分配梁:2.556KN/m⑶I25a横向分配梁:1.78KN/m⑷贝雷梁:6。
66 KN/m⑸H600×200下横梁:7。
42KN/根2、活荷载⑴30t砼车⑵履带吊65t:自重60t+吊重20t⑶施工荷载及人群荷载:4KN/m2考虑栈桥实际情况,同方向车辆间距不小于24米,即一跨内同方向最多只布置一辆重车,并考虑满载砼罐车和空载砼罐车错车.三、上部结构内力计算〈一〉贝雷梁内力计算200KN的情况下不考虑错车及桥面施工荷载和人群荷载。
Mmax=1.3×(2400+297)=3506.1kN。
m<[M]=1576。
4×3kN。
m=4729。
2KN。
mQmax=1.3×(623.3+99)=939kN<[Q]=490。
5×3=1471。
5kN满足。
选用3组,每组2片,单排。
温州绕城高速北线第二合同段瓯江大桥栈桥计算目录1、基本数据 (1)2、荷载参数 (1)3、结构计算 (1)3.1工况及荷载组合 (1)3.2计算模型及方法 (2)3.3计算内容 (2)4计算成果 (2)4.1标准段贝雷梁栈桥验算 (2)4.1.1栈桥恒载计算: (2)4.1.2纵梁I 14强度验算: (3)4.1.3横梁I 28强度验算 (5)4.1.4横梁I 28刚度验算 (6)4.1.5贝雷梁内力计算 (6)4.1.6贝雷强度验算 (7)4.1.7贝雷刚度验算 (7)4.2西岸加宽段贝雷栈桥 (8)4.2.1贝雷强度验算 (8)4.2.2贝雷刚度验算 (10)4.2.3 2H45端横梁强度验算 (10)4.3下行式单层三排栈桥验算 (11)4.3.1贝雷强度验算 (11)4.3.2贝雷刚度验算 (12)栈桥设计计算书1、基本数据Pa E 11102⨯= MPa 160][=σ314101714mm =I W 4147120000m m I I =3288214mm 05=I W 42871150000m m I I =345mm 1433731=H W 445322589453m m I H =360mm 2480622=H W 460744186438m m I H =m g q I /K 877.1614= m Kg q I /465.4328=m g q H /K 467.7645= m Kg q H /132.10660=2、荷载参数1) 栈桥结构自重2) 施工荷载:50t 履带吊3、结构计算3.1工况及荷载组合工况一:履带吊车行驶在栈桥上。
荷载组合:1+23.2计算模型及方法应用平面结构力学由上而下分析栈桥结构,传力机制为:履带——桥面板——纵梁——横梁——贝雷梁。
履带荷载简化为均布荷载,刚梁传递作用简化为集中力,承力钢构件计算结构为多跨连续梁,支撑形式因具体位置简化为刚性铰支座或弹性铰支座。
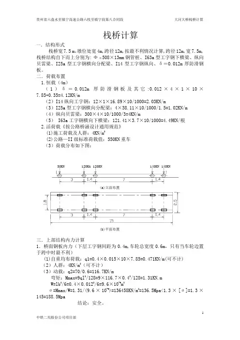
栈桥计算一.结构形式栈桥宽7.5 m ,墩位处宽4m,跨径12m,按最不利情况计算,跨径12m,宽7.5m,栈桥结构自下而上分别为: Ф外508×13mm 钢管桩、I63a 型工字钢下横梁、纵向贝雷梁、I25a 型工字钢横向分配梁、I14型工字钢纵向、δ=0.012m 厚防滑钢板。
二.荷载布置 1.恒载(4m )(1)δ=0.012m 厚防滑钢板及其它:0.012×4×1×10×7.85+0.35=4.12KN/m(2)I14纵向工字钢:12×1×16.89×10/1000=2.03KN/m(3)I25a 型工字钢横向分配梁:4×38.11×10/1000/1.5=1.02KN/m (4)纵向贝雷梁:300×4×10/1000/3=4KN/m(5) I63a 工字钢横向下横梁:121.41×3.7×10/1000=4.49KN/根 2.活荷载《按公路桥涵设计通用规范》(1)施工荷载及人群:4KN/m 2(2)公路—II 级标准荷载值:550KN 重车 (3)荷载分布如下图:三.上部结构内力计算1.桥面钢板内力(下层工字钢间距为0.4m,车轮总宽度0.6m ,只有当车轮边置于跨中时最不利)(1)自重均布荷载:q1=0.4×0.015×10×7.85=0.471KN/m(可不计) (2)人群:4KN/m 2(可不计) (3)动载:q2=70/0.6=116.7KN/m弯矩:Mmax=9ql 2/128=9×116.7×0.42/128=1.31KN.m W=lb 2/6=0.4×0.0122/6=9.6×10-6m 3σ=Mmax/W=1.31/(9.6×10-6)=136458KN/m 2=136.5Mpa<1.3×[σ]=1.3×145=188.5Mpa结论:安全。
钢栈桥计算书计算审核审定二〇二〇年十月目录一、工程概况 (3)二、计算依据 (3)三、设计参数 (3)四、计算内容 (4)五、贝雷梁几何特性及桁架容许内力 (4)1、贝雷片截面特性 (4)2、贝雷梁桥几何特征 (4)3、桁架容许内力表 (5)六、施工栈桥计算 (5)1、设计荷载 (5)1.1、50t履带吊机 (5)1.2、30t重载汽车 (6)1.3、贝雷片自重 (6)1.4、砼桥面板自重 (6)1.5、汽车制动力及冲击荷载 (6)1.6、风荷载 (6)1.7、水流压力 (7)2、砼面板计算 (7)2.1、荷载计算 (7)2.2、内力计算 (7)2.3、配筋计算 (7)2.4、抗剪计算 (8)3、贝雷梁主桁、分配梁及钢管桩计算(采用有限元程序计算) (8)3.1、荷载组合 (8)3.2、结构及边界条件模拟 (8)3.3、荷载工况组合 (9)3.4、贝雷桁架内力计算 (9)3.5、分配梁计算 (10)3.6、钢管桩反力计算 (12)3.7、钢管桩强度及稳定性计算 (13)4、钢管桩基础计算 (13)4.1、单桩荷载 (13)4.2、钢管桩外形尺寸 (14)4.3、钢管桩容许承载力计算公式 (14)4.4、钢管桩计算 (14)5、施工栈桥主栈桥整体稳定性分析 (16)6、变宽段分配梁计算 (16)6.1、分配F3梁计算 (16)6.2、分配F2梁计算 (17)7、6M宽支栈桥计算 (19)7.1、砼面板计算 (19)7.2、贝雷梁主桁、分配梁及钢管桩计算(采用有限元程序计算) (19)7.3、钢管桩基础计算 (24)7.4、支栈桥整体稳定性分析 (24)一、工程概况栈桥基本跨度为12m,设计里程桩号为K0+371.565~K1+497.385,桥面长度为1126.205m。
二、计算依据1、施工图设计2、《公路桥涵地基与基础设计规范》JTG D633、《公路桥涵施工技术规范》JTJ 0414、《公路桥涵设计通用规范》JTG D605、《钢结构设计规范》GB 500176、《装配式公路钢桥多用途手册》黄绍金刘陌生7、《路桥施工计算手册》(人民交通出版社)ISBN 7-114-03855-0三、设计参数1、设计行车速度:15km/h2、设计荷载:300kN重载汽车;500kN履带吊机+200kN吊重3、栈桥桥宽:0.45m(施工用管线槽、栏杆)+8.0m(行车道)+0.45m(施工用管线槽、栏杆)=8.9m4、正常使用风力:6级风,相应风速14m/s最大抵抗风力:12级风,相应风速40m/s5、设计最高水位:+17.500m四、计算内容栈桥砼桥面板、贝雷桁架、分配梁、钢管桩内力计算及其基础承载力、栈桥整体稳定性。
栈桥荷载计算书XX大桥钢栈桥总宽6m,计算跨径为12m。
栈桥结构自下而上分别为:φ600钢管桩、28b型工字钢下横梁、“321”军用贝雷梁、25b 型工字钢分配横梁(间距0.40m)、20a型槽钢桥面。
单片贝雷:I=250497.2cm4,E=2×105Mpa,W=3578.5cm3[M]=788.2 kn•m, [Q]=245.2 kn则4EI=2004×106 kn•m2(一)荷载布置1、上部结构恒载(按12m跨度计)(1)20a型槽钢:q1=(6m/0.3+1)×22.63×10/1000=4.75kn/m(2)25b型工字钢分配横梁:q2=42.0×9/0.40×6×10/1000/9=6.3kn/m(3)“321”军用贝雷梁:每片贝雷重287kg(含支撑架、销子等):q3=287×4×10/3/1000=3.83kn/m(4)28a型工字钢下横梁:q4=6×43.4×10/1000=2.60 kn/根2、活载(1)按城—B级标准车辆计算(2)人群、机具、堆方荷载:q5=1.5kn/m2×6=9 kn/m考虑栈桥实际情况,同方向车辆间距大于15m,即一跨内同方向半幅桥内最多只布置一辆重车。
(二)上部结构内力计算1、贝雷梁内力计算荷载组合:q= q1+ q2+ q3+ q5=23.88kn/m(如下图)23.88KN·m贝雷梁均布荷载受力分布图汽车荷载分布图活载按城—B标准车辆荷载并考虑1.2的安全系数,采用“桥梁博士系统软件进行”验算,结果如下:恒载情况: M中=ql2/8=23.88×122/8=429.8kn·mR=143.3 kn活载情况:M中=1160kn·mR=425 kn荷载组合情况:M中=1589.8kn·m<[M]=788.2×4=3152.8 kn·mR=143.3+425=568.3kn<[Q]=245.2×4=980.8 kn·m故在恒载及活载组合条件下贝雷架满足强度要求。
栈桥计算书一、结构形式栈桥总宽为6米,跨径布置型式为浅滩区及浅水区,自下而上依次为Φ800×8mm钢管桩,I56下横梁,“321”军用贝雷梁,I25横向分配梁,I12纵向分配梁,δ10桥面钢板。
二、荷载布置1、上部结构恒重(6米宽计算)⑴δ10钢板:6×1×0.01×7.85×10=4.71KN/m⑵I12纵向分配梁:2.274KN/m⑶I25横梁:1.523KN/m⑷贝雷梁:6.0 KN/m⑸I56下横梁:6.376KN/根2、活荷载⑴30t砼车⑵履带吊-50⑶10t运材料轨道小车⑷人群荷载:3KN/m2考虑栈桥实际情况,同方向车辆间距不小于15米,即一跨内同方向最多只布置一辆重车。
三、上部结构内力计算〈一〉贝雷梁内力计算1、24米跨由于桩布置为两排,其计算跨径为L计=21m(按简支计算)。
〈1〉弯矩M,其跨中弯矩影响线如下:①30t砼车(一辆)布置在跨中时Mmax1=5.25×(120+9.1/10.5×120+6.5/10.5×60) =1371kN.m②履带-50(半幅)Mmax2=0.25×56×4.5×(21-2.25)=1181.25kN.m③10t轨道小车(一辆)Mmax3=5.25×100=525kN.m④人群Mmax4=0.125×3×6.0×212=992.3kN.m⑤恒载M=0.125×15.4×212=848.9kN.m〈2〉剪力Q,对支点A其影响线如下:①30t砼车Qmax1=120×(1+19.6÷21)+60×(15.6÷21)=276.6 kN②履带-50(半幅):Qmax2=56×4.5×[1+(21-4.5)/21]/2=225 kN③10t轨道车: Qmax3=100 kN④人群荷载Qmax4=0.5×3×6.0×21=189 kN⑤恒载内力Q=15.4×21/2=161.7 kN两榀贝雷梁上最大内力为50t履带吊与恒载组合:Mmax=1181.25+848.9/3=1464.2 kN.m<[M]=1576.4 kN.m Qmax=225+161.7/3=278.9 kN<[Q]=490.5 kN满足。
钢栈桥施工计算说明一、设计计算部分1、设计说明钢栈桥结构形式:1)栈桥桥台部分:下部采取采用Φ800钻孔灌注桩排桩基础(密排),桩顶采取C30混凝土做冠梁连接,冠梁顶预埋20mm厚钢板与上部纵梁连接。
桥台台背设计搭板与路基过渡。
2)栈桥桥墩部分:下部采用Φ630*8钢管桩基础,钢管桩桩顶上搭设2I50作为主梁,纵向铺设I20,间距0.7m,在纵梁上铺设I10,间距0.3m。
上面铺设8mm厚钢板,钢板上焊接φ12的防滑螺纹钢筋。
桥侧Φ48*3.5钢管做栏杆,钢栈桥按10m一跨布置,总长30m长,其中钢栈桥桥面标准宽度为9.5m,钢管桩入土深度为6m.外漏长度为12米,跨中每排四根钢管桩。
粘土层极限摩擦力T=2t/m2。
2、设计荷载车载最大荷载 20t+材料自重其他荷载暂不考虑。
3、工况计算1)桥面板假设选用ξ=8mm的钢板,I10间距按30cm间距布置,钢板容许应力 [σ0]=170MPa,弹性模量E=2.05*105MPa。
截面参数及材料力学性能指标:W=bh2/6=1000*82/6=1.07*104mm3I=bh3/12=1000*83/12=4.27*104mm420t车辆作用在桥面,对桥面作用,产生最大集中荷载为80KN,动载冲击系数取1.2,面板下面I10为30cm,作用在中间产生的最大弯矩为W=FL/4=80*0.3*1.2/4=7.24KN.m强度验算:σ=M/W=7.2*103/1.07*10-4=67.29N/mm2<fmax =170MPa满足要求挠度验算:ωmax=(FL3)/(48EIX)=9.6*0.33/(48*2.05*105*4.27*104)=6.2mm< L/400=7.5mm 2)工字钢I10验算受力图如下FLI10验算计算公式:ωmax=(FL3)/(48EIX)G为设计荷载,考虑后轮重,每两根I10承受一个轮胎,每个I10承受最大荷载为F=1.2×80/=48KN(人荷载及钢板暂可忽略不计, 按1.2系数考虑)I20的间距为70cm,I10挠度验算I10截面特性: E=2.05×105N/mm2, IX=245cm4,W=49cm3ωmax=(FL3)/(48EIX)=0.79mmωmax≤L/400= 1.75mm,强度验算:σ=(1/4×FL)/W=200N/mm2< fmax=215 N/mm2满足要求。
栈桥计算书1、计算依据⑴、《某大桥设计图纸》(第一分册、第二分册)⑵、《工程地质勘察报告》⑶、《公路桥涵通用设计规范》⑷、《公路桥涵施工技术规范》(JTJ041-2000)⑸、《装配式公路钢桥多用途使用手册》(人民交通出版社)⑹、《桥梁施工工程师手册》(第二版)(人民交通出版社)2、工程概况xx段某大桥变更后全长为3205.9m,中心里程K137+191.55。
该桥第93~107孔桥跨布置:30m+21m+3-50m+21m+4-30m+100m+4-30m。
其中大桥上部的21m、50m、30m 跨径部分为后张法预应力混凝土T梁,第103孔100m跨径部分为下承式钢管混凝土梁拱组合桥斜交21°跨越某江。
根据现场施工条件,我项目部拟在某大桥第96#墩~102#墩之间修建T梁预制场,另外梁拱组合桥的拱肋分为5个节段拼装,梁拱组合桥的中横梁设计要求先分段预制后拼装。
拱肋和和中横梁拟采用净跨42.0m、净高28.0m的龙门吊吊装。
某大桥某江以北、铁路以南段(第96#墩~102#墩),由于萧甬铁路横跨,便道无法贯通,因此为了保证T 梁预制时材料运输的通畅,以及拱肋、横梁的拼装的方便,拟在第103孔梁拱组合桥的两侧修建两幅栈桥,其中左幅栈桥宽7.0m,右幅栈桥宽2.0m。
在左幅栈桥靠梁拱组合桥侧2.0m范围内和右幅栈桥上均铺设龙门吊的双轨轨道基础,龙门吊采用双轨走行,轨道中心间距1435mm,左右幅轨道中心间距为42.0m,左幅栈桥剩余的5.0m范围作为车辆和行人的水上通道。
某大桥跨某江梁拱组合桥全长100m,该处某江宽约60m,考虑施工进度和施工难度,栈桥单跨跨径定为12m贝雷栈桥(单层四排上下不加强),结构形式为5跨连续,全长60m,上下游各一幅,水中采用φ600×8mm钢管桩基础,岸边采用C15片石砼重力式桥台。
左幅栈桥行车部分和左右幅栈桥行走龙门吊轨道部分的纵梁均采用4片贝雷桁片组成。
目录1、结构简介 (2)1.1 设计说明 (2)1.2 设计依据 (2)1.3 车辆荷载 (3)2、计算模型 (3)3、杨堡河大桥21M跨栈桥验算结果 (4)3.1贝雷桁上、下玄杆应力 (4)3.2横梁应力验算 (5)3.3桥面纵梁应力验算 (6)3.4活载挠度验算 (7)4、阳武干渠大桥12M跨栈桥验算结果 (7)4.1纵梁应力验算 (7)4.2横梁应力验算 (8)4.4活载挠度验算 (9)5、计算结论 (9)钢便桥计算书1、结构简介1.1 设计说明本计算书对跨度分别为21m、12m的钢便桥结构,主要受力构件进行了计算分析与验算。
桥型布置为21m跨的钢便桥宽度为4m,纵向采用4排贝雷梁承载,每两片桁架采用450型标准支撑架连接,贝雷桁上、下均采用加强玄杆加固;横向采用I32a 分配梁,间隔1.5m布置两道;横梁上部采用I12a工字梁拼装成桥面,构造下图1.1所示:图1.1 21m跨钢便桥桥跨布置示意图桥型布置为12m跨的钢便桥宽度为4m,纵向采用6根I56a工字钢等间距布置,横向由长度为4m的I18工字钢间隔5cm均铺,起连接和桥面用。
构造下图1.2所示:图1.2 12m跨钢便桥桥跨布置示意图1.2 设计依据1)《公路桥涵设计通用规范》(JTG D60-2004)2)《公路桥涵地基与基础设计规范》(JTJ024-85)3)《公路桥涵钢结构及木结构设计规范》(JTJ025-86)4)《公路桥涵施工技术规范》(JTJ041—2000)5)《装配式公路钢桥多用途使用手册》6)《钢结构计算手册》1.3 车辆荷载验算荷载:9m3砼罐车满载50T,考虑冲击系数65T,考虑车辆自重及1.3的车辆冲击系数,栈桥设计中选65吨罐车荷载,如图1.3所示图1.3 9m3罐车荷载布置图2、计算模型采用Midas结构分析软件,分别对21m、12m跨结构建立了空间分析模型。
21m 跨钢便桥计算模型中,主要受力杆件采用空间梁单元,8mm桥面钢板采用板单元模拟;12m跨计算模型均采用空间梁单元模拟。
12米栈桥
计
算
书
台州市江河金属结构有限公司二零一三年七月
目录
一、序言
二、计算的规范、依据
三、设计、计算技术指标
四、基本计算资料或参数
五、结构计算
六、结论
12米钢便桥结构计算书
一、序言
12米施工临时钢便桥由1跨12米钢便桥组成。
为了简化计算,按12米简支梁进行强度计算。
二、计算的规范、依据
《公路桥涵设计通用规范》JTG D60-2004
《公路桥涵钢结构及木结构设计规范》JTJ 025-86
《钢结构设计规范》GB50017-2003
《厂矿道路设计规范》GBJ22-87
《装配式公路钢桥多用途使用手册》2001年
《建筑结构静力计算手册》2001年
其余技术要求参照国家及交通部现行有关标准、规范执行。
三、设计、计算技术指标
依据交通设计的主要技术指标,得到该桥主要设计技术指标:
1、计算行车速度:5km/h(对临时桥梁特殊要求);
2、设计荷载:公路—Ⅰ级汽车荷载:G=600kN(汽─超20级);其荷载布置及主要技术指标见下图:
3、桥梁宽度:不小于净。
四、基本计算资料或参数
鉴于该桥的临时性以及工期的紧张性,根据钢便桥施工合同,决定桥梁结构采用钢结构,主梁采用321型装配式公路钢桥标准钢桥,其相应构件力学参数均取自于2001年6月由人民交通出版社出版的《装配式公路钢桥多用途使用手册》(广州军区工程科研设计所黄绍金刘陌生编着)。
根据该手册第21页表2-1可知,上、下弦杆为2【10槽钢,面积A=。
另外,根据《公路桥涵钢结构及木结构设计规范》JTJ 025-86第条表及《装配式公路钢桥多用途使用手册》第21页下面注释可知,在临时荷载作用下,荷载组合Ⅰ时,其钢结构的容许应力可提高30%,即可按倍的系数进行验算。
由上可知,16Mn的容许拉应力、压应力及弯应力均可按=273MPa计算,容许剪应力按=208 MPa计算。
《装配式公路钢桥多用途使用手册》第54页表3-1“桥梁荷载
与跨径组合表”、表3-2“荷载、跨径与桥梁配置表”见下图。
《装配式公路钢桥多用途使用手册》第59页表3-5“桥梁几何
特性表”、表3-6“桁架容许内力表”及表3-7“各类桥梁每节重量表”见下图。
五、结构计算
1、恒、活载内力及挠度计算
计算跨度为12米。
经过对照《装配式公路钢桥多用途使用手册》,12米主梁均采用321双排不加强型贝雷钢桥。
桥梁结构重量为m 。
结构计算图示见下图5-1:
图5-1 结构计算图
(1)、 恒载内力及挠度计算 恒载布置图见下图5-2:
图5-2 恒载为均布荷载q
对于简支梁计算可参考《建筑结构静力计算手册》。
由上可知,恒载(均布荷载)产生的最大正弯矩为:
恒载在墩帽处产生的最大剪力为:
(2)、活载内力及挠度计算
为简化计算,600KN 动荷载按集中荷载计算,其受力模型如图三:
m
kN ql M h •=÷⨯==2.1878124.10822kN
ql Q h 4.62124.105.05.0=⨯⨯==12m
m m
12m
图5-3、动载计算模型 动荷载所产生的弯矩:m kN Pl M D •=⨯==18004
126004 当动荷载处于支座上部时产生的压力是最大的,即Q=P=600kN
2、横向分布系数计算
由于该桥横梁采用Ⅰ28b 热轧普通工字钢,刚度较大,且与钢桁梁接触处进行螺栓联接,钢桁梁对横梁起弹性支撑作用,并满足桥宽与桥跨比B/L=12m=<,因此,该桥采用“刚性横梁法”来计算跨中截面处的荷载横向分布系数,按刚性横梁法公式 B
e n R i ±=1,由此公式可知,其荷载最大横向分布系数为:
619.02.427.27.3214,1=⨯-+=R 3、冲击系数计算
由《公路桥涵设计通用规范》JTG D60-2004,计算简支梁的冲击系数采用()30.0125.37155.3715=+÷=+=l
μ。
4、荷载组合及应力验算
由于该桥梁为临时结构,其组合与永久桥梁有区别,本计算荷载组合系数均参考《装配式公路钢桥多用途使用手册》中的计算示例。
(1)、跨中最大正弯矩
m kN M M M ⋅=⨯+⨯+=⋅+⋅+=2.2257)3.02
11(18002.1872111)(活恒设计μ 所以单边桁架跨中最大弯矩:
m kN M ⋅=⨯=2.13972.2257619.0单边<m kN M ⋅=4.1576][
(2)、支点处最大剪力
kN Q Q Q 4.7526003.02
114.622111=⨯⨯++=⋅⋅++=)()(活恒设计μ 所以单边桁架端部最大剪力:
kN Q 7.4654.752619.0=⨯=单边 < kN 490.5]Q [=
六、 结论
通过以上计算可知,钢桁梁的抗弯、抗剪等均满足要求。
该计算模式是将车轮两轴的荷载简化为一个轴后再进行布载计算的,所以具有一定的安全储备。