低压差稳压器
- 格式:doc
- 大小:74.00 KB
- 文档页数:14
低压差线性稳压器(LDO)的基本原理和主要参数摘要:本文论述了低压差线性稳压器(LDO)的基本原理和主要参数,并介绍LDO 的典型应用和国内发展概况。
引言便携电子设备不管是由交流市电经过整流(或交流适配器)后供电,还是由蓄电池组供电,工作过程中,电源电压都将在很大范围内变化。
比如单体锂离子电池充足电时的电压为4.2V ,放完电后的电压为2.3V ,变化范围很大。
各种整流器的输出电压不仅受市电电压变化的影响,还受负载变化的影响。
为了保证供电电压稳定不变,几乎所有的电子设备都采用稳压器供电。
小型精密电子设备还要求电源非常干净(无纹波、无噪声),以免影响电子设备正常工作。
为了满足精密电子设备的要求,应在电源的输入端加入线性稳压器,以保证电源电压恒定和实现有源噪声滤波[1]。
一.LDO 的基本原理低压差线性稳压器(LDO)的基本电路如图1-1所示,该电路由串联调整管VT 、取样电阻R1和R2、比较放大器A 组成。
取样电压加在比较器A 的同相输入端,与加在反相输入端的基准电压Uref 相比较,两者的差值经放大器A 放大后,控制串联调整管的压降,从而稳定输出电压。
当输出电压Uout 降低时,基准电压与取样电压的差值增加,比较放大器输出的驱动电流增加,串联调整管压降减小,从而使输出电压升高。
相反,若输出电压Uout超过所需要的设定值,比较放大器输出的前驱动电流减小,从而使输出电压降低。
供电过程中,输出电压校正连续进行,调整时间只受比较放大器和输出晶体管回路反应速度的限制。
图1-1 低压差线性稳压器基本电路应当说明,实际的线性稳压器还应当具有许多其它的功能,比如负载短路保护、过压关断、过热关断、反接保护等,而且串联调整管也可以采用MOSFET 。
二.低压差线性稳压器的主要参数1.输出电压(Output Voltage)输出电压是低压差线性稳压器最重要的参数,也是电子设备设计者选用稳压器时首先应考虑的参数。
低压差线性稳压器有固定输出电压和可调输出电压两种类型。
低压差线性稳压器原理低压差线性稳压器是一种广泛应用于电子设备中的电路,用于将输入电压稳定为一个恒定的输出电压。
它的原理是通过负反馈控制来调整输入电压使得输出电压保持稳定。
低压差线性稳压器通常由三个主要部分组成:基准电压源、差分放大器和功率放大器。
基准电压源提供一个稳定的参考电压,它的电压值通常是在几个毫伏到几伏之间。
基准电压源可以使用稳压二极管等元件实现,以确保其输出电压的稳定性。
差分放大器是用来比较输入电压和基准电压的差异,并产生一个误差信号。
差分放大器通常是由多个晶体管组成,其输入分别连接到输入电压和基准电压源,输出则连接到功率放大器。
功率放大器是负责根据差分放大器的输出信号调整输入电压以使输出电压稳定的一部分。
功率放大器通常是由晶体管或场效应管组成的放大电路,其输出连接到负载上,通过控制输入电压从而使输出电压稳定。
低压差线性稳压器的工作原理可以通过以下步骤来说明:1. 当输入电压发生变化时,差分放大器会检测到输入电压和基准电压之间的差异,并产生一个误差信号。
2. 误差信号经过功率放大器进行放大,并驱动控制电路调整输入电压。
3. 调整后的输入电压通过输出端提供给负载。
如果输出电压发生变化,差分放大器会再次检测到并产生新的误差信号,以驱动功率放大器进行调整。
4. 经过不断的负反馈调整,输入电压最终会达到一个稳定的值,保持输出电压的稳定性。
低压差线性稳压器具有以下优点:1. 输出电压具有良好的稳定性,能够在一定的负载变化和输入电压变化范围内保持恒定。
2. 由于使用了负反馈控制电路,输入电压的波动对输出电压的影响较小。
3. 调整速度快,能够快速适应输入电压和负载变化,并保持输出电压的稳定。
4. 使用简单,成本较低。
然而,低压差线性稳压器也存在一些缺点:1. 效率较低,由于功率放大器需要消耗一定的电功率来调整输入电压,因此会有一定的能量损耗。
2. 由于差分放大器和功率放大器中使用了晶体管等元件,因此会产生一定的热量,并需要散热措施。
ldo电源原理
LDO(低压差稳压器)电源原理是一种用于将高电压转换为较低电压的线性稳压器件。
它通过引入电流源和功率晶体管来实现。
LDO有三个主要部分:参考电压源、差分放大器和功率晶体管。
参考电压源提供一个固定的、稳定的电压作为基准。
差分放大器比较输入电压与参考电压,并产生一个差分电压作为控制信号。
功率晶体管根据控制信号来调整输出电压,以维持稳定。
当输入电压高于输出电压时,差分放大器会通过控制信号将功率晶体管逐渐关闭。
这使得输出电压不断下降,直到与参考电压相等为止。
反之,如果输入电压低于输出电压,则差分放大器会逐渐打开功率晶体管,使输出电压上升。
LDO的优点是具有低静态电流和低输出噪声。
由于其基于线性稳压原理,LDO能够提供更稳定的输出电压,并且对负载变化的响应更快。
LDO的工作原理可以总结为:通过比较输入电压和参考电压的差异,控制功率晶体管的开关状态,以实现输出电压的稳定调整。
这种设计使LDO成为广泛应用于低压差电源中的一种理想选择。
1A 低压差线性稳压器BL1117选型指南:BL1117概述: BL1117是一款低压差的线性稳压器,当输出1A 电流时,输入输出的电压差典型值仅为1.2V 。
BL1117除了能提供多种固定电压版本外(Vout =1.8V,2.5V,2.85V,3.3V,5V ),还提供可调端输出版本,该版本能提供的输出电压范围为1.25V~13.8V。
BL1117提供完善的过流保护和过热保护功能(BL1117正常工作环境温度范围极宽,为 -50℃~140℃),确保芯片和电源系统的稳定性。
同时在产品生产中应用先进的修正技术,确保输出电压和参考源精度在±1%的精度范围内。
BL1117采用SOT-223封装形式。
特点:•包括三端可调输出和固定电压输出版本(固定电压包括1.8V ,2.5V ,2.85V ,3.3V ,5V 等,其他电压规格可根据用户定制)• 最大输出电流为1A • 输出电压精度高达±1% • 稳定工作电压范围为高达15V • 电压线性度为0.2% • 负载线性度为0.4%• 环境温度:T A 的范围是-50℃~140℃用途:• 计算机主板、显卡 • LCD 监视器及LCD TV • DVD 解码板 • ADSL 等设备 •开关电源的后级稳压引脚排列图:温度范围:C :标准输出电压: 18……1.8V 25……2.5V 28……2.85V50……5.0V缺省:输出可调版本封装形式: X :SOT-223 Y :TO-252 A :表示芯片生产卡号 B :表示输出电压值引脚定义:固定电压型 可调电压型产品命名目录:产品名称输出电压规格封装形式BL1117-18CX 1.8 V SOT-223BL1117-25CX 2.5 V SOT-223 BL1117-28CX 2.85 V SOT-223 BL1117-33CX 3.3 V SOT-223 BL1117-50CX 5.0V SOT-223 BL1117-CX Adj. SOT-223 BL1117-18CY 1.8 V TO-252 BL1117-25CY 2.5 V TO-252 BL1117-28CY 2.85 V TO-252 BL1117-33CY 3.3 V TO-252 BL1117-50CY 5.0V TO-252 BL1117-CY Adj. TO-252系统框图:产品的极限参数:输入电压Vin 最大值---------------------------------------------------------------------------------18V引脚号 符号 定义 1 GND 接地脚 2 Vout 输出端 3 Vin 输入端 引脚号 符号 定义 1 Adj. 可调端 2 Vout 输出端 3 Vin 输入端最大节温T J--------------------------------------------------------------------------------------------150°C最大环境温度T A-------------------------------------------------------------------------------------140°C贮存温度Ts--------------------------------------------------------------------------------------------65~150°C焊接温度和时间--------------------------------------------------------------------------------------300°C,10S推荐工作条件:名称最小推荐最大单位输入电压范围15 V环境温度-50 140 °C主要参数和工作特性:Tj=25℃参数参数说明条件最小值典型值最大值单位Vref 参考电压Iout=10mA, Vin-Vout=2V10mA≤Iout≤1A ,1.5V≤Vin-Vout≤12V1.2381.2251.251.251.2621.275V BL1117-1.80VIout=10mA,Vin=3.8V,Tj=25℃0≤Iout≤1A ,3.2V≤Vin≤12V1.7821.7641.801.801.8181.836VBL1117-2.5VIout=10mA,Vin=4.5V,Tj=25℃0≤Iout≤1A ,3.9V≤Vin≤12V2.4752.452.52.52.5252.55VBL1117-2.85VIout=10mA,Vin=4.85V,Tj=25℃0≤Iout≤1A ,4.25V≤Vin≤12V2.8222.7932.852.852.8782.907VBL1117-3.3VIout=10mA,Vin=5V,Tj=25℃0≤Iout≤1A ,4.75V≤Vin≤12V3.2673.2343.33.33.3333.366VVout 输出电压BL1117-5VIout=10mA,Vin=7V,Tj=25℃0≤Iout≤1A ,6.5V≤Vin≤12V 4.954.9555.055.1VBL1117-ADJIout=10mA,1.5V≤Vin-Vout≤13.775V0.035 0.2 %BL1117-1.8VIout=10mA,3.2V≤Vin≤15V9 12 mVBL1117-2.5VIout=10mA,3.9V≤Vin≤15V 9 12 mV∆Vout 电压线性度(note1)BL1117-2.85VIout=10mA,4.25V≤Vin≤15V9 12 mV注释:Note1:表中所给出的电压线性度和负载线性度的参数是在常温下测试的。
LDO一.LDO的基本介绍LDO是low dropout regulator, 意为低压差线性稳压器, 是相对于传统的线性稳压器来说的。
传统的线性稳压器, 如78xx系列的芯片都要求输入电压要比输出电压高出2v~3V以上, 否则就不能正常工作。
但是在一些状况下, 这样的条件明显是太苛刻了, 如5v转3.3v,输入及输出的压差只有1.7v, 明显是不满意条件的。
针对这种状况, 才有了LDO类的电源转换芯片。
LDO是一种线性稳压器。
线性稳压器运用在其线性区域内运行的晶体管或FET, 从应用的输入电压中减去超额的电压, 产生经过调整的输出电压。
所谓压降电压, 是指稳压器将输出电压维持在其额定值上下100mV之内所需的输入电压及输出电压差额的最小值。
正输出电压的LDO(低压降)稳压器通常运用功率晶体管(也称为传递设备)作为PNP。
这种晶体管允许饱和, 所以稳压器可以有一个特别低的压降电压, 通常为200mV左右;及之相比, 运用NPN 复合电源晶体管的传统线性稳压器的压降为2V左右。
负输出LDO 运用NPN作为它的传递设备, 其运行模式及正输出LDO的 PNP设备类似。
更新的发展运用 MOS 功率晶体管, 它能够供应最低的压降电压。
运用功率MOS, 通过稳压器的唯一电压压降是电源设备负载电流的 ON 电阻造成的。
假如负载较小, 这种方式产生的压降只有几十毫伏。
DC-DC的意思是直流变(到)直流(不同直流电源值的转换), 只要符合这个定义都可以叫DCDC转换器, 包括LDO。
但是一般的说法是把直流变(到)直流由开关方式实现的器件叫DCDC。
LDO是低压降的意思, 这有一段说明: 低压降(LDO)线性稳压器的成本低, 噪音低, 静态电流小, 这些是它的突出优点。
它须要的外接元件也很少, 通常只须要一两个旁路电容。
新的LDO 线性稳压器可达到以下指标: 输出噪声30μV, PSRR为60dB, 静态电流6μA(TI的TPS78001达到Iq=0.5uA), 电压降只有100mV(TI量产了号称0.1mV的LDO)。
ldo修调原理LDO修调原理引言:低压差稳压器(Low Dropout Regulator,简称LDO)是一种常见的电子元件,其主要功能是将输入电压稳定在设定的输出电压上。
LDO 的修调原理是指在输出电压变动时,通过内部电路的调整,使得输出电压能够保持在设定的值上。
本文将详细介绍LDO的修调原理及其工作原理。
一、LDO的基本原理LDO主要由一个差动放大器、一个误差放大器、一个比较器和一个功率放大器组成。
其基本工作原理是通过反馈控制,将输出电压与参考电压进行比较,然后根据差值调整控制回路,使输出电压保持恒定。
二、LDO的修调原理LDO的修调原理是指在输出电压发生变动时,通过内部电路的调整,使得输出电压能够保持在设定的值上。
LDO的修调原理主要包括以下几个方面:1. 反馈控制回路:LDO内部包含一个反馈控制回路,用于将输出电压与参考电压进行比较。
如果输出电压低于参考电压,控制回路会通过增大输出电流来提高输出电压;反之,如果输出电压高于参考电压,控制回路会通过减小输出电流来降低输出电压。
2. 建立稳定的参考电压:LDO的修调原理还需要建立一个稳定的参考电压作为参考。
通常情况下,LDO内部会使用电流源和电压参考器等元件来生成一个稳定的参考电压,用于与输出电压进行比较。
3. 输出电容的作用:LDO的输出端通常会连接一个输出电容,其主要作用是提供稳定的输出电压。
当输出电流突然变化时,输出电容可以提供额外的电流,保持输出电压的稳定性。
4. 控制回路的调整:LDO的修调原理还需要对控制回路进行调整,以保持输出电压的稳定。
调整控制回路可以通过改变反馈电阻、增大稳定电容等方式来实现。
三、LDO的工作原理LDO的工作原理是在基本原理的基础上,通过反馈控制和修调原理来实现稳定的输出电压。
其工作流程如下:1. 输入电压:LDO的输入端连接至电源电压,通常为较高的直流电压。
输入电压通过LDO的差动放大器进行放大,然后传递到误差放大器。
Translated by flytigery 2007/8/16简介这篇报告告诉你如何理解LDO的一些术语和定义,如稳压块的压降,静态电流,待机电流,效率,瞬态响应,线性/负载调整率电源纹波抑制比,输出噪声电压,精度,功耗等。
而且在介绍每一个概念时都给出了例子加以说明。
1压降压降被定义为输入电压与输出电压之间的差,当输入电压下降到一定程度时输出电压将不再维持在一个恒定的电压。
该点发生在输入电压不断接近输出电压时。
图1是一个典型的LDO 电路,在非调整区域PMOS可以看作一个电阻,电压降下量可以表示为Vdropout=Io*Ron举个例子,下图是TPS76733的输入输出特性,输出1A的时候它的压降是350mV,从输入电压是3.65V的时候输出电压就开始下降从2V到3.65V是该LDO的非调整区域。
输入电压如果低于2V将不会有输出,也就是说LDO不动作。
比较低的电压降有利于提高LDO 的效率。
2静态电流静态电流,也被叫做流向地的电流,定义为输出电流与输入电流的差。
图3定义了静态电流Iq=Ii-Io。
减小静态电流有助于提高LDO 的效率。
静态电流由调整管的偏置电流(比如说参考电压消耗电流,采样电阻消耗电流,误差放大器消耗电流)和驱动调整管基级的电流组成它的大小主要由调整管,LDO的结构,和环境温度决定。
对于双级型晶体管,静态电流随着负载电流成比例的增加,因为双级型晶体管是电流驱动器件。
另外在非调整区域,由于发射级和基级寄生电流路径的影响静态电流也会增加,该寄生电流路径是由于基级电压比输出电压低所引起的。
对于MOS管,静态电流几乎不随负载的变化而变化,几乎是一个恒定值,因为MOS管是电压驱动器件。
对采用MOS管的LDO来说对静态电流有贡献的只有参考电压的消耗,采样电阻消耗电流,误差放大器消耗电流。
在应用中如果对静态电流的消耗比较苛刻的话,最好是采用MOS管作为调整管的LDO理解LDO的一些术语和定义3待机电流待机电流是指带有使能信号的LDO,当该信号关闭的时候LDO消耗的电流。
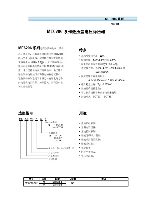
Ver 12ME6206系列低压差线性稳压器描述: 特点:选型指南: 应用:ME6206系列是高纹波抑制率、低功耗、低压差,具有过流和短路保护的CMOS 降压型电压稳压器。
这些器件具有很低的静态偏置电流(8.0μA Typ.),它们能在输入、输出电压差极小的情况下提300mA 的输出电流,并且仍能保持良好的调整率。
由于输入输出间的电压差很小和静态偏置电流很小,这些器件特别适用于希望延长有用电池寿命的电池供电类产品,如计算机、消费类产品和工业设备等。
z 高精度输出电压:±2%z 输出电压:1.5V~5.0V(步长0.1V) z 最大工作电压:6Vz 极低的静态偏置电流(Typ.=8.0μA) z 带载能力强:当Vin=4.3V 且V out=3.3V 时 Iout=300mAz 极低的输入输出电压差:0.2V at 90mA and 0.40V at 200mA z 输入稳定性好 z 低的温度调整系数z 可以作为调整器和参考电压来使用z 封装形式:SOT-23-3 , SOT-89-3,SOT-23 ,TO-92z 电池供电系统 z 无绳电话设备 z 无线控制系统z 便携/手掌式计算机 z 便携式消费类设备 z 便携式仪器 z 电子设备 z 汽车电子设备 z 电压基准源Ver 12引脚排列图:引脚分配图:ME6206Axx引脚号M3 P P1 X T 符号引脚描述SOT-23-3 SOT-89-3 SOT-89-3 SOT-23 TO-921 12 1 1 Vss 接地引脚 23 1 2 3 V out 电压输出端 3 2 3 3 2 Vin 电压输入端功能块框图:极限参数:参数 符号 极限值 单位Vin 脚电压V IN 6.5 V V out 脚电流I out 500 mA V out 脚电压V out Vss-0.3 ~ V out+0.3 V SOT-23-3 Pd 300 mWSOT-89-3 Pd 500 mWSOT-23 Pd 300 mW 允许最大功耗TO-92 Pd 500 mW工作温度T Opr -25 ~ +85 ℃Ver 12主要参数及工作特性:ME6206A15OVer 12 ME6206A28OVer 12 ME6206A33O注: 1.V OUT (T) :规定的输出电压2.V OUT (E) :有效输出电压 ( 即当I OUT保持一定数值,V IN = (V OUT (T)+1.0V)时的输出电压3.V dif:V IN1 –V OUT (E)’V IN1:逐渐减小输入电压,当输出电压降为V OUT (E) 的98%时的输入电压。
ME62140.7uA 超低功耗、低压差大电流线性稳压器概述ME6214系列是以 CMOS 工艺制造的超低静态功耗、低压差线性稳压器。
稳压器消耗电流约0.7uA ,使能关断后功耗为0.01uA (典型)。
内置使能控制,限流电路以及折返短路保护,并有使能控制输出电容自动放电功能。
特点 ● 超低功耗:工作时:0.7uA (典型) 休眠时:0.01uA (典型) ● 输入电压范围:2.0~18V● 输出电压范围:1.5~5.0V (间隔0.1V ) ● 输出精度:±2%● 输入输出电压差:160mV@ I OUT =100mA (3.3V ) ● 输出电流:300mA● 电流保护: 折返短路电流30mA过流保护● 使能控制:高电平ON/低电平OFF ,不能悬空 输出电容自动放电功能 ME6214C 系列为带使能版本 ME6214A 系列为不带使能版本 应用场合 封装形式● 以电池供电的设备的稳压电源 ● 3-pin SOT89-3,SOT23-3 ● 家电产品的稳压电源 ● 5-pin SOT23-5 ● 携带通信设备、数码相机、数码音响设备的稳压电源 ● 6-pin DFN2X2-6L典型应用图VoutNCCE VSSVIN CIN1uFCIN 1uFME6214选购指南1. 产品型号说明ME 62 14X XX XG环保标识封装形式M3-SOT23-3 M5-SOT23-5版本或功能产品品种产品类别公司标识输出电压如:A-无使能 C-有使能P-SOT89-3 N6-DFN2*2-6L目前产品的电压值共有5种:1.5V 、1.8V 、2.8V 、3.0V 、3.3V 、4.5V 、5.0V 。
如需其他电压值或封装形式,请联系我司销售人员。
产品脚位图VSS VOUTVINVSS VIN VOUT VIN VSS CESOT23-3 SOT89-3 SOT23-5 DFN2*2-6L 脚位功能说明ME6214AXX功能框图OUTVSSVIN模块功能示意图绝对最大额定值注意:绝对最大额定值是本产品能够承受的最大物理伤害极限值,请在任何情况下勿超出该额定值。
LDO(低压差线性稳压器)输出电压误差1. 引言LDO(Low Dropout)是一种常用的线性稳压器,用于将高电压转换为稳定的低电压输出。
在实际应用中,LDO的输出电压误差是一个重要指标,它衡量了LDO的稳定性和精度。
本文将详细介绍LDO输出电压误差的定义、原因以及如何减小误差。
2. LDO输出电压误差定义LDO输出电压误差是指LDO输出电压与其设定值之间的差值。
通常用百分比或毫伏(mV)来表示。
输出电压误差可以分为静态误差和动态误差两种。
•静态误差:在稳定工作状态下,LDO输出电压与设定值之间的偏差。
静态误差受到LDO内部电路的精度和外部环境的影响。
•动态误差:LDO在动态工作条件下,如负载变化时,输出电压与设定值之间的偏差。
动态误差受到LDO的负载调整能力和反馈控制回路的响应速度的影响。
3. LDO输出电压误差原因LDO输出电压误差主要由以下几个因素造成:3.1 参考电压精度LDO内部使用参考电压来生成输出电压,参考电压的精度直接影响到输出电压的准确性。
如果参考电压的精度不高,就会导致输出电压误差增大。
3.2 负载调整能力LDO需要能够快速、准确地响应负载变化,以保持输出电压的稳定性。
如果LDO的负载调整能力不足,负载变化时输出电压会出现较大的波动,从而增大输出电压误差。
3.3 反馈控制回路LDO的反馈控制回路起到了调节输出电压的作用。
如果反馈控制回路的响应速度不够快,就会导致输出电压在负载变化时调整不及时,从而产生输出电压误差。
3.4 温度变化温度变化对LDO的输出电压也会产生影响。
LDO内部电路的温度漂移以及温度对参考电压的影响都会导致输出电压误差的增大。
4. 减小LDO输出电压误差的方法为了减小LDO输出电压误差,可以采取以下方法:4.1 选择高精度的参考电压源选择精度高、稳定性好的参考电压源,可以有效降低输出电压误差。
常用的参考电压源有基准电压源和温度补偿电压源。
4.2 优化LDO内部电路设计通过优化LDO内部电路的设计,可以提高LDO的负载调整能力和温度稳定性,减小输出电压误差。
ldo电路典型应用
LDO(低压差线性稳压器)是一种常见的电子电路元件,它在许
多电子设备中都有着广泛的应用。
以下是一些典型的LDO电路应用:
1. 电子设备电源管理,LDO通常用于电子设备的电源管理电路中,用来稳定输入电压并提供稳定的输出电压给其他电路和组件,
比如微处理器、存储器、传感器等。
这些设备通常对电压的稳定性
要求较高,LDO能够提供相对较低的输出纹波和噪声。
2. 电池供电系统,在便携式设备中,LDO被广泛应用于电池供
电系统中,用来确保稳定的电压输出,延长电池寿命,并提供对其
他组件的稳定电源。
3. 模拟电路和传感器,LDO也经常用于模拟电路和传感器的供电,这些电路对电压的精确度和稳定性要求较高,LDO能够提供所
需的电压稳定性。
4. 射频模块,在无线通信设备中,LDO常用于射频模块的供电,以确保稳定的射频信号和减小干扰。
5. 汽车电子系统,LDO也被广泛应用于汽车电子系统中,用于
稳定供电给各种车载电子设备,如车载娱乐系统、车载导航系统等。
总的来说,LDO在各种电子设备和系统中都有着广泛的应用,
它能够提供稳定的电压输出,并在各种环境条件下工作稳定可靠,
因此在电子工程中具有重要作用。
ams1117-3.3v电源稳压芯片低压差线性稳压器概述ams1117是一种高性能低压差线性稳压器,它采用了Bipolar工艺,具有输入电压范围宽、温度漂移小、线性度好等优点。
它适用于各种电子设备中的电源管理,尤其是对输入电压波动要求严格的应用。
ams1117-3.3v电源稳压芯片是一款输出电压为3.3V的芯片,由于现在很多电路都需要3.3V的输入电压,因此该芯片在电子设备中应用广泛。
技术参数•输入电压范围:4.5V~15V•输出电压:3.3V•输出电流:800mA•静态电流:5mA•线性度:±2%应用单片机电路单片机是目前工业控制和通信领域中应用最为广泛的微处理器,因此在单片机电路中,对于稳定的3.3V电压输入是必须的。
ams1117-3.3v电源稳压芯片可用于在单片机电路中,将输入电压稳定为3.3V。
电源模块ams1117-3.3v电源稳压芯片也可以在电源模块中起到重要的作用。
除了普通的DC/DC变换模块之外,一些需要3.3V电压输入的设备,如传感器和微控制器开发板,都可以使用该芯片来产生所需要的稳定3.3V电压。
无线通信电路无线通信技术是目前发展最为迅速、最为关键的技术之一,而在无线电路中,对输入电压的稳定性有着极高的要求。
ams1117-3.3v电源稳压芯片可以在无线电路中,通过过滤掉输入电压中的杂波和噪声,从而达到提升信噪比的作用。
光电子电路在光电子电路中,常常需要稳定的3.3V电压,而ams1117-3.3v电源稳压芯片的高性能和稳定性可以满足光电子电路的需求。
总结ams1117-3.3v电源稳压芯片是一种高性能低压差线性稳压器,适用于各种电子设备中的电源管理。
它具有输入电压范围宽、温度漂移小、线性度好等优点,在单片机电路、电源模块、无线通信电路、光电子电路等领域均有着广泛的应用。
LDO低压差线性稳压器知识总结LDO(Low Dropout)低压差线性稳压器是一种常用的电压稳定器件,广泛应用于电子设备中。
本篇文章将对LDO低压差线性稳压器的原理、特点、应用以及选型等方面进行总结。
一、LDO低压差线性稳压器的原理1.参考电压:LDO稳压器内部有一个参考电压源,该源产生一个通过基准电阻分压形成的恒定电压,作为反馈参考电压。
2.误差放大器:参考电压与输出电压之间的差值通过误差放大器进行放大,得到输出控制电压。
3.控制电压比较器:输出控制电压与内部反馈电压进行比较,产生误差电压。
若输出电压低于设定值,控制电压比较器将阻止通过继电器的控制信号,从而增大输出电流。
4.电流驱动:控制电压比较器将误差电压放大后,通过输出级的功放驱动输出电流,达到控制输出电压的目的。
输出级功放将外部负载接入电流放大,输出电压稳定。
二、LDO低压差线性稳压器的特点1.低压差:LDO低压差线性稳压器工作时,输入电压与输出电压之间的压差很小,可以实现高精度、高稳定性的电压输出。
2.低静态功耗:由于采用线性调节方式,低压差线性稳压器的静态工作时,能量基本全部通过稳压器线性调整为热量,因此静态功耗很低。
3.超低压差:一些高性能的LDO稳压器可以实现超低压差,通常以小于0.1V的极低压差来输出稳定电压。
4.较低输出噪声:LDO低压差线性稳压器的输出噪声比开关稳压器小,适用于对噪声敏感的应用。
5.稳定性好:LDO稳压器内部采用反馈控制方式,对输入电压、负载变化等具有较好的稳定性。
三、LDO低压差线性稳压器的应用1.电源管理:LDO稳压器可以用于CPU、FPGA及其他集成电路的供电管理,在保持电源稳定的同时,提供较低噪声的电源。
2.模拟电路:LDO稳压器适合用于模拟电路的供电,可以提供较干净的电源,帮助提高系统的信噪比。
3.无线通信:在无线通信系统中,需要提供稳定的电源给射频前端和基带处理器,LDO稳压器可以满足这种需求。
ldo电压范围摘要:1.LDO 电压范围的定义和重要性2.LDO 的工作原理3.LDO 电压范围的分类4.LDO 电压范围的选择方法5.LDO 电压范围的应用领域正文:一、LDO 电压范围的定义和重要性LDO(Low Dropout Voltage)即低压差线性稳压器,是一种用于稳定电压的电源管理器件。
LDO 电压范围指的是该器件可以稳定输出的电压范围。
LDO 电压范围的定义和重要性在于,它决定了器件能否满足不同应用场景下对电压稳定性的要求。
因此,了解LDO 电压范围对于选择合适的电源管理器件至关重要。
二、LDO 的工作原理LDO 的工作原理是通过调整输出晶体管的导通程度来实现稳定输出电压。
当输入电压高于输出电压时,LDO 开始工作,通过晶体管将多余的电压转化为热量消耗掉,从而保持输出电压的稳定。
LDO 的优势在于输出电压噪声低、静态电流小、响应速度快,因此在电源管理领域得到广泛应用。
三、LDO 电压范围的分类根据输出电压的不同,LDO 电压范围可以分为以下几类:1.低压LDO:输出电压范围在1.2V 至3.3V 之间,适用于低电压设备和系统。
2.中压LDO:输出电压范围在3.3V 至12V 之间,适用于一般电子设备和系统。
3.高压LDO:输出电压范围在12V 至75V 之间,适用于高电压设备和系统。
四、LDO 电压范围的选择方法在选择LDO 电压范围时,需要考虑以下几个因素:1.负载电流:根据负载电流的大小选择合适的LDO 电压范围,以保证稳定输出电压。
2.输入电压:输入电压应高于LDO 的输出电压,以保证LDO 正常工作。
3.输出电压噪声:对于对电压噪声敏感的应用,应选择低噪声的LDO 电压范围。
4.响应速度:对于需要快速响应的系统,应选择响应速度快的LDO 电压范围。
五、LDO 电压范围的应用领域LDO 电压范围广泛应用于各类电子设备和系统中,如通信设备、计算机、家电、工业控制等领域。
ldo恒流源电路1. LDO(Low Dropout)是指低压差稳压器,它是一种电源管理器件,用于将输入电压稳定地转换为较低的输出电压。
LDO恒流源电路是一种基于LDO的电路设计,用来提供稳定的恒定电流输出。
2. LDO恒流源电路的主要目的是在恒定负载条件下提供稳定的电流输出。
它通常由一个LDO稳压器和一个负载电阻组成。
LDO稳压器负责将输入电压稳定地转换为所需的输出电压,而负载电阻则用来控制输出电流的大小。
3. 在LDO恒流源电路中,LDO稳压器起到了关键的作用。
它通过内部的反馈控制电路来维持输出电压的稳定性。
当输入电压变化或负载电流变化时,LDO稳压器会根据反馈信号来调整其输出,确保输出电压保持在设定值。
4. 负载电阻在LDO恒流源电路中起到了限制输出电流的作用。
通过选择合适的负载电阻值,可以实现所需的恒定电流输出。
负载电阻的值可以根据欧姆定律来计算,即电流等于电压除以电阻值。
5. LDO恒流源电路的优点是具有较低的压差,这意味着输入和输出之间的电压差很小。
这有助于提高效率和稳定性。
另外,LDO恒流源电路还具有较低的噪声和较高的精度,适用于对输出电流稳定性要求较高的应用。
6. 要设计一个LDO恒流源电路,需要考虑几个关键因素。
首先是选择合适的LDO稳压器,它应具有低压差、高效率和良好的负载调整特性。
其次是选择合适的负载电阻,以实现所需的恒定电流输出。
最后是考虑整个电路的布局和散热设计,以确保电路的稳定性和可靠性。
7. 总之,LDO恒流源电路是一种用于提供稳定的恒定电流输出的电路设计。
它由LDO稳压器和负载电阻组成,通过LDO稳压器的内部反馈控制和负载电阻的限制来实现稳定的电流输出。
LDO恒流源电路具有较低的压差、较低的噪声和较高的精度,适用于对输出电流稳定性要求较高的应用。
设计LDO恒流源电路需要考虑选择合适的器件和电阻,并注意布局和散热设计。
低纹波的ldo供电低纹波的LDO(低压差稳压器)供电是指在直流电源供电的情况下,通过使用LDO稳压芯片,可以让电路工作时的纹波电压尽可能低。
本文将从LDO的工作原理、纹波电压的定义、纹波电压产生的原因和低纹波供电的方法等方面进行详细阐述。
一、LDO的工作原理LDO是一种线性稳压器,其工作原理是通过将输入电压与参考电压(例如1.2V、2.5V等)进行比较,然后通过控制MOS管的导通和截止,调整输出电压的大小。
当输入电压较高时,MOS管导通,使输出电压下降;当输入电压较低时,MOS管截止,输出电压保持稳定。
二、纹波电压的定义纹波电压是指直流电源输出的电压中所包含的交流成分,也可以理解为电压波动的幅度。
在LDO供电中,纹波电压是指由于直流电源不稳定性或其他因素引起的输入电压的波动。
三、纹波电压产生的原因1. 直流电源本身不稳定:直流电源的输出由于各种因素(如变压器的磁性饱和、电流激励、负载变化等)而产生一定的纹波电压。
2. 电源线和负载之间的电感和电容:电源线和负载之间存在电感和电容,当电流变化时,这些元件会导致纹波电压的产生。
3. LDO的稳压回路:LDO本身的稳压回路会引入一定的纹波电压,这是由于芯片的结构和工作原理所致。
四、降低纹波电压的方法1. 优化直流电源:选择稳定性好、纹波电压小的直流电源,如使用电池供电或者过滤直流电源的纹波电压。
2. 减小电源线和负载之间的电感和电容:合理布局电源线和负载的连接方式,增加导线的截面积、缩短线路长度,降低电感和电容对纹波电压的影响。
3. 选择合适的LDO芯片:选择纹波抑制能力好、稳压性能高的LDO芯片,减小LDO本身的纹波电压。
4. 进行滤波:在LDO的输入端和输出端分别添加适当的滤波电容,能够降低纹波电压的振幅。
5. 引入电源隔离:使用电源隔离技术,可以将输入端和输出端电路完全隔离,减小输入端纹波电压对输出端的影响。
五、低纹波供电的应用场景低纹波供电常见于对电源稳定性要求较高的场景,如精密仪器、光学设备、通信设备、医疗电子设备等。
低压差稳压器单路固定输出LDO(低压差稳压器)REG104FA-2.5KTTT:DMOS1000mA低压差稳压器REG113EA-3.3/250:DMOS400mA低压差稳压器REG113EA-3/250:DMOS400mA低压差稳压器REG113EA-5/250:DMOS400mA低压差稳压器TL750L05CLP:5V,低压差pnp,小电流稳压器TL750L08CLP:8V,低压差pnp,小电流稳压器TL750L12CLP:12V,低压差pnp,小电流稳压器TPS71025D:极低压差PMOS稳压器TPS71025P:极低压差PMOS稳压器TPS7133QD:极低压差PMOS稳压器TPS7133QP:极低压差PMOS稳压器TPS7148QP:极低压差PMOS稳压器TPS7150QD:极低压差PMOS稳压器TPS7150QP:极低压差PMOS稳压器TPS72118DBVT:微功耗,极低压差PMOS稳压器TPS72218DBVR:微功耗,极低压差PMOS稳压器TPS7233QP:微功耗,极低压差PMOS稳压器TPS7248QP:微功耗,极低压差PMOS稳压器TPS7250QD:微功耗,极低压差PMOS稳压器TPS7250QDR:微功耗,极低压差PMOS稳压器TPS7250QP:微功耗,极低压差PMOS稳压器TPS72518KTT:微功耗,极低压差PMOS稳压器TPS72618KTT:微功耗,极低压差PMOS稳压器TPS7330QD:单输出低压差稳压器TPS7330QP:单输出低压差稳压器TPS7333QD:单输出低压差稳压器TPS7333QDR:单输出低压差稳压器TPS7333QP:单输出低压差稳压器TPS7348QP:单输出低压差稳压器TPS7350QD:单输出低压差稳压器TPS7350QDR:单输出低压差稳压器TPS7350QP:单输出低压差稳压器TPS75133QPWP:快速瞬态响应1.5A低压差稳压器TPS75233QPWP:快速瞬态响应2A低压差稳压器TPS75318QPWP:单输出低压差稳压器TPS75333QPWP:单输出低压差稳压器TPS75433QPWP:快速瞬态响应2A低压差稳压器TPS75518KC:1.8V,5A带输出电压检测的极低压差稳压器TPS75533KTT:3.3V,5A带输出电压检测的极低压差稳压器TPS75533KTTT:3.3V,5A带输出电压检测的极低压差稳压器TPS75718KC:1.8V,3A带输出电压检测的极低压差稳压器TPS75818KTTT:3A,快速响应低压差稳压器TPS75833KC:3A快速瞬态响应3.3V低压差稳压器TPS75833KTT:3A快速瞬态响应3.3V低压差稳压器TPS75833KTTT:3A快速瞬态响应3.3V低压差稳压器TPS76030DBVR:低功耗50mA低压差3.0V线性稳压器TPS76030DBVT:低功耗50mA低压差3.0V线性稳压器TPS76033DBVR:低功耗50mA低压差3.3V线性稳压器TPS76033DBVT:低功耗50mA低压差3.3V线性稳压器TPS76038DBVR:低功耗50mA低压差3.8V线性稳压器TPS76038DBVT:低功耗50mA低压差3.8V线性稳压器TPS76050DBVR:低功耗50mA低压差5.0V线性稳压器TPS76050DBVT:低功耗50mA低压差5.0V线性稳压器TPS76130DBVT:低功耗100mA低压差3.0V线性稳压器TPS76133DBVR:低功耗100mA低压差3.3V线性稳压器TPS76133DBVT:低功耗100mA低压差3.3V线性稳压器TPS76150DBVT:低功耗100mA低压差5.0V线性稳压器TPS76318DBVR:低功耗,150mA低压差线性稳压器TPS76318DBVT:低功耗,150mA低压差线性稳压器TPS76325DBVR:低功耗,150mA低压差线性稳压器TPS76325DBVT:低功耗,150mA低压差线性稳压器TPS76330DBVR:低功耗,150mA低压差线性稳压器TPS76330DBVT:低功耗,150mA低压差线性稳压器TPS76333DBVR:低功耗,150mA低压差线性稳压器TPS76333DBVT:低功耗,150mA低压差线性稳压器TPS76350DBVR:低功耗,150mA低压差线性稳压器TPS76350DBVT:低功耗,150mA低压差线性稳压器TPS76430DBVT:低功耗低噪声150mA低压差3.0V线性稳压器TPS76433DBVT:低功耗低噪声150mA低压差3.3V线性稳压器TPS76630D:超低静态电流250mA低压差稳压器TPS76633D:超低静态电流250mA低压差稳压器TPS76650D:超低静态电流250mA低压差稳压器TPS76718QD:单输出低压差稳压器TPS76733QD:单输出低压差稳压器TPS76750QD:单输出低压差稳压器TPS767D318PWP:双输出低压差3.3V/1.8V电压稳压器TPS767D325PWP:双输出低压差3.3V/2.5V电压稳压器TPS76830QD:快速瞬态响应1A低压差3.0V线性稳压器TPS76833QD:快速瞬态响应1A低压差3.3V线性稳压器TPS76833QPWP:快速瞬态响应1A低压差3.3V线性稳压器TPS76850QD:快速瞬态响应1A低压差5.0V线性稳压器TPS76850QPWP:快速瞬态响应1A低压差5.0V线性稳压器TPS76928DBVT:超低功耗100mA低压差2.8V线性稳压器TPS76930DBVT:超低功耗100mA低压差3.0V线性稳压器TPS76933DBVT:超低功耗100mA低压差3.3V线性稳压器TPS76950DBVT:超低功耗100mA低压差5.0V线性稳压器TPS77030DBVT:超低功耗50mA低压差3.0V线性稳压器TPS77133DGK:快速瞬态响应150mA低压差3.3V稳压器,带上电复位TPS77333DGK:快速瞬态响应250mA低压差3.3V稳压器,带上电复位TPS77350DGK:快速瞬态响应250mA低压差5.0V稳压器,带上电复位TPS77516D:500mA带低电压复位输出的极低压差稳压器TPS77516PWP:5A带输出电压检测的极低压差稳压器TPS77525D:500mA带低电压复位输出的极低压差稳压器TPS77533D:500mA带低电压复位输出的极低压差稳压器TPS77533PWP:5A带输出电压检测的极低压差稳压器TPS77618PWP:快速瞬态响应500mA低压差线性稳压器TPS77628D:快速瞬态响应500mA低压差线性稳压器TPS77628PWP:快速瞬态响应500mA低压差线性稳压器TPS77633D:快速瞬态响应500mA低压差3.3V线性稳压器TPS77633PWP:快速瞬态响应500mA低压差3.3V线性稳压器TPS77833D:快速瞬态响应750mA低压差电压稳压器TPS77833PWP:快速瞬态响应750mA低压差电压稳压器TPS78618KTTT:低噪声,高PSRR,1.5A的低压差稳压器TPS78625KTTT:低噪声,1.5A的低压差稳压器TPS78628KTTT:低噪声,1.5A的低压差稳压器TPS78630KTTT:低噪声,1.5A的低压差稳压器TPS78633DCQ:低噪声低压差稳压器TPS78633KTTT:低噪声低压差稳压器TPS78825DBVT:2.5V150mA低噪声低压差稳压器,带可编程浪涌电流控制TPS78833DBVT:3.3V150mA低噪声低压差稳压器,带可编程浪涌电流控制TPS78930DBVT:超低功耗低噪声100mA低压差3.0V线性稳压器TPS79030DBVT:超低功耗,低噪声50mA低压差3.0V线性稳压器TPS79133DBVT:低噪声,高PSRRTPS79228DBVT:超低噪声,高PSRR,高电平使能,100mA低压差稳压器TPS79318DBVR:单输出低压差稳压器TPS79330DBVR:超低噪声,高PSRR,快速RF200mA低压差稳压器TPS79330DBVT:超低噪声,高PSRR,快速RF200mA低压差稳压器TPS79333DBVR:超低噪声,高PSRR,快速RF200mA低压差稳压器TPS79430DCQ:超低噪声,高PSRR快速RF低压差稳压器TPS79433DCQ:超低噪声,高PSRR快速RF低压差稳压器TPS79525DCQ:500mA,2.5V微功耗LDOTPS79533DCQ:500mA,3.3V微功耗LDOTPS79633DCQ:超低噪声,高PSRR快速RF低压差稳压器TPS79718DCK:10-mA,1.8-V微功耗低压差稳压器TPS79718DCKT:10-mA,1.8-V微功耗低压差稳压器TPS79730DCK:10-mA,3.0-V微功耗低压差稳压器TPS79730DCKT:10-mA,3.0-V微功耗低压差稳压器TPS79733DCK:10-mA,3.3-V微功耗低压差稳压器TPS79733DCKT:10-mA,3.3-V微功耗低压差稳压器单/双路可调输出LDO (低压差稳压器)REG1117-3.3:800mA低压差稳压器,输出固定REG1117-5:800mA和1A低压差稳压器,输出固定/可调TPS70102PWP:双输出低压差稳压器带上电次序控制TPS70702PWP:双输出低压差稳压器TPS70802PWP:双输出低压差稳压器TPS7101QD:低压差PMOS稳压器TPS7101QP:低压差PMOS稳压器TPS71501DCKR:高输入电压微功耗50mA低压差稳压器TPS7201QD:微功耗,极低压差PMOS稳压器TPS7201QDR:微功耗,极低压差PMOS稳压器TPS7301QD:带电压监测的PMOS低压差稳压器TPS7301QDR:带电压监测的PMOS低压差稳压器TPS7301QP:带电压监测的低压差PMOS稳压器TPS73HD301PWP:极低压差,3.3V/可调双输出稳压器TPS75101QPWP:快速瞬态响应1.5A低压差稳压器TPS75201QPWP:快速瞬态响应2A低压差稳压器TPS75301QPWP:单输出低压差稳压器TPS75401QPWP:快速瞬态响应2A低压差稳压器TPS75525KC:单输出低压差稳压器TPS76301DBVR:低功耗,150mA低压差线性稳压器TPS76301DBVT:低功耗,150mA低压差线性稳压器TPS76601D:超低静态电流250mA低压差线性稳压器TPS76701QD:单输出低压差稳压器TPS767D301PWP:双输出低压差3.3V/可调稳压器TPS76801QD:快速瞬态响应1A低压差线性稳压器TPS76901DBVT:超低功耗100mA低压差线性稳压器TPS77001DBVT:超低功耗50mA低压差线性稳压器TPS77101DGK:快速瞬态响应,150mA,带上电复位的低压差稳压器TPS77301DGK:快速瞬态响应低压差稳压器, 带上电复位TPS77601D:快速瞬态响应低压差稳压器TPS77801D:快速瞬态响应低压差稳压器TPS79301DBVR:超低噪声,高PSRR快速RF, 200mA双输出低压差稳压器TPS79401DCQ:超低噪声,高PSRR快速RF低压差稳压器TPS79401DGNT:超低噪声,高PSRR快速RF低压差稳压器TPS79418DCQ:超低噪声,高PSRR快速RF低压差稳压器TPS79418DGNT:超低噪声,高PSRR快速RF低压差稳压器TPS79425DCQ:超低噪声,高PSRR快速RF低压差稳压器TPS79425DGNT:超低噪声,高PSRR快速RF低压差稳压器TPS79428DCQ:超低噪声,高PSRR快速RF低压差稳压器TPS79428DGNT:超低噪声,高PSRR快速RF低压差稳压器TPS79430DGNT:超低噪声,高PSRR快速RF低压差稳压器TPS79433DGNT:超低噪声,高PSRR快速RF低压差稳压器TPS79501DCQ:单输出低压差稳压器TPS79601KTTT:超低噪声,高PSRR快速RF低压差稳压器TPS79618KTTT:超低噪声,高PSRR快速RF低压差稳压器TPS79625KTTT:超低噪声,高PSRR快速RF低压差稳压器TPS79628KTTT:超低噪声,高PSRR快速RF低压差稳压器TPS79630KTTT:超低噪声,高PSRR快速RF低压差稳压器TPS79633KTTT:超低噪声,高PSRR快速RF低压差稳压器双路固定输出LDO(低压差稳压器)TPS70148PWP:双输出低压差稳压器TPS70151PWP:双输出低压差稳压器TPS70158PWP:双输出低压差稳压器TPS70348PWP:双输出低压差稳压器TPS70351PWP:双输出低压差稳压器TPS70358PWP:双输出低压差稳压器TPS70445PWP:双输出(3.3V/1.2V)低压差稳压器,带双允许和供电电压监测TPS70448PWP:双输出(3.3V/1.5V)低压差稳压器,带双允许和供电电压监测TPS70451PWP:双输出(3.3V/1.8)低压差稳压器,带双允许和供电电压监测TPS70458PWP:双输出(3.3V/2.5V)低压差稳压器,带双允许TPS70745PWP:双输出低压差稳压器TPS70748PWP:双输出低压差稳压器TPS70751PWP:双输出低压差稳压器TPS70758PWP:双输出低压差稳压器TPS70845PWP:双输出低压差稳压器TPS70848PWP:双输出低压差稳压器TPS70851PWP:双输出低压差稳压器TPS70858PWP:双输出低压差稳压器TPS73HD318PWP:极低压差,3.3V/1.8V双输出稳压器TPS73HD325PWP:极低压差,3.3V/2.5V双输出稳压器ON 安森美低压差稳压器:单路固定/可调输出LDO ,双路固定/可调输出LDO ,多路固定/可调输出LDO单路固定/可调输出LDO(低压差稳压器)CS52015-1GDP3:1.5A可调输出低压差稳压器CS5203-1GDP3:3A可调输出低压差稳压器CS5204-1GDP3:4A可调输出低压差稳压器CS5205A-1GDP3:5A可调输出低压差稳压器CS5206-1GT3:6A可调输出低压差稳压器CS5207A-1GT3:7A可调输出低压差稳压器CS5208-1GT3:8A可调输出低压差稳压器CS5231-3GDF8:0.5A,3.3V输出低压差稳压器CS5231-3GDP5:0.5A,3.3V输出低压差稳压器CS5233-3GDF8:0.5A,3.3V输出低压差稳压器CS5233-3GDP5:1.5A,3.3V输出低压差稳压器CS5253-1GDP5:3A,可调输出低压差稳压器CS5253B-1GDP5:3A,可调输出低压差稳压器CS5253B-8GDP5:3A,2.5V输出低压差稳压器CS5257A-1GDP5:可调输出低压差稳压器CS5257A-1GT5:可调输出低压差稳压器CS5258-1GT5:可调输出低压差稳压器CS8101YDWFR20G:100mA输出电流,带看门狗、复位输出、唤醒低压差稳压器CS8120YD14:300mA带使能端和复位输出端低压差5V线性稳压器CS8120YDP5:300mA带使能端和复位输出端低压差5V线性稳压器CS8122YT5G:750mA输出电流,带复位输出低压差稳压器CS8122YTHA5:750mA带有复位延时的5V低压差线性稳压器CS8122YTHA5G:750mA输出电流,带复位输出低压差稳压器CS8122YTVA5:750mA带有复位延时的5V低压差线性稳压器CS8126-1YDPS7:750mA带有复位延时的5V低压差线性稳压器CS8126-1YTHA5G:750mA输出电流,带复位输出低压差稳压器CS8129YT5G:750mA输出电流,带复位输出低压差稳压器CS8140YDW24:500mA带有使能端,复位端和看门狗的5V低压差稳压器CS8140YDWR24:500mA带有使能端,复位端和看门狗的6V低压差稳压器CS8140YN14:500mA带有使能端,复位端和看门狗的7V低压差稳压器CS8141YDPS7:500mA带有使能端,复位端和看门狗的8V低压差稳压器CS8151CGN8G:100mA输出电流,带看门狗、复位输出、唤醒低压差稳压器CS8151YDPS7:100mA带有看门狗,复位端以及唤醒功能的5V低压差稳压器CS8151YNF16:100mA带有看门狗,复位端以及唤醒功能的5V低压差稳压器CS8161YT5G:两路输出,带使能控制低压差稳压器CS8161YTHA5G:两路输出,带使能控制低压差稳压器CS8182YDF8:微功耗200mA低压差跟踪稳压器/线驱动器CS8182YDFR8G:200mA输出电流,带跟踪, 低压差稳压器CS8183YDWF20:双微功耗200mA低压差跟踪稳压器/线驱动器CS8321YDPR3G:150mA输出电流低压差稳压器CS8321YT3G:150mA输出电流低压差稳压器CS8363YDPS7:3V双微功耗带使能和复位端的低压差稳压器CS8371ET7:8V/1A,5V/250mA双路带有输出使能端的低压差稳压器CS8481YDP5:3.3V/250mA,5V/100mA带有使能端的微功耗低CS9201YDF8:微功耗100mA无需外部电容的5.0V低压差线性CS9202YDF8:微功耗100mA无需外部电容的3.3V低压差线性CS9202YDFR8G:100mA输出电流,不需要输出电容低压差稳压器L4949DG:100mA输出电流,带上电复位低压差稳压器L4949DR2G:100mA输出电流,带上电复位低压差稳压器L4949NG:100mA输出电流,带上电复位低压差稳压器LM2931ACDR2G:100mA可调输出带有60V负载保护低压差稳压器LM2931AD2T-5.0G:100mA/5V输出,带有60V负载保护LM2931AD-5.0R2:100mA可调输出带有60V负载保护低压差稳压器LM2931AD-5.0R2G:100mA可调输出带有60V负载保护低压差稳压器LM2931AT-5.0G:100mA可调输出带有60V负载保护低压差稳压器LM2931AZ-5.0:100mA可调输出带有60V负载保护LM2931AZ-5.0RAG:100mA可调输出带有60V负载保护低压差稳压器LM2931CDR2:100mA可调输出带有60V负载保护LM2931CDR2G:100mA可调输出带有60V负载保护LP2950ACDT-5RKG:100mA低压差稳压器LP2950ACZ-3.3G:100mA低压差稳压器LP2950ACZ-3.3RAG:100mA低压差稳压器LP2950ACZ-5.0RAG:100mA低压差稳压器LP2950CDT-3.0G:100mA低压差稳压器LP2950CDT-3.0RKG:100mA低压差稳压器LP2950CDT-3.3RKG:100mA低压差稳压器LP2950CDT-5.0RK:100mA低压差稳压器LP2950CDT-5.0RKG:100mA低压差稳压器LP2950CZ-3.3G:100mA低压差稳压器LP2950CZ-3.3RAG:100mA低压差稳压器LP2950CZ-5.0RAGLP2950CZ-5.0RPG:100mA低压差稳压器LP2951ACDMR2G:低功耗100mA,3.3V或可调输出,具有错误标志LP2951ACDR2G:低功耗100mA,3.3V或可调输出,具有错误标志LP2951CDG:LP2951CDR2:低功耗100mA,3.3V或可调输出,具有错误标志LP2951CDR2G:低功耗100mA,3.3V或可调输出,具有错误标志MC33160PG:内置低压检测复位,可编程的滞回比较器MC33269D-3.3G:800mA低压差稳压器MC33269DR2-3.3G:800mA低压差稳压器MC33269DR2-5.0G:800mA低压差稳压器MC33269DR2G:800mA低压差稳压器MC33269DT-3.3G:800mA低压差稳压器MC33269DTG:800mA低压差稳压器MC33269DTRK-012G:800mA低压差稳压器MC33269DTRK-3.3G:800mA低压差稳压器MC33269DTRK-5.0G:800mA低压差稳压器MC33269DTRKG:800mA低压差稳压器MC33269ST-3.3T3G:800mA低压差稳压器MC33269T-3.3G:800mA低压差稳压器MC33269T-5.0G:800mA低压差稳压器MC33269TG:800mA低压差稳压器MC33275D-2.5R2G:300mA低压差稳压器MC33275D-3.3R2G:300mA低压差稳压器MC33275DT-2.5RKG:300mA低压差稳压器MC33275DT-3.0RKG:300mA低压差稳压器MC33275DT-3.3RKG:300mA低压差稳压器MC33275DT-5.0G:300mA低压差稳压器MC33275MN-5.0R2G:300mA低压差稳压器MC33275ST-3.0T3G:300mA低压差稳压器MC33275ST-3.3T3G:300mA低压差稳压器MC33275ST-5.0T3G:300mA低压差稳压器MC33375D-2.5R2G:300mA低压差稳压器,带开/关控制MC33375D-3.3R2G:300mA低压差稳压器,带开/关控制MC33375ST-2.5T3G:300mA低压差稳压器,带开/关控制MC33565D:200mA用于PCI/NIC卡应用的小型低压差稳压器MC33566D2T-001:1.5A用于PCI/NIC卡应用的小型低压差稳压器MC33761SNT1-030G:超低噪声超低压差,带1.0V开/关控制MC34160PG:内置低压检测复位,可编程的滞回比较器MC78PC28NTRG:低噪声150MA低压差稳压器MC78PC33NTRG:150mA,低噪声低压差稳压器NCP1086D2T-33R4:1.5A,低功耗低压差稳压器NCP1086D2T-33R4G:1.5A,低功耗低压差稳压器NCP1086D2TADJR4G:1.5A快速响应低压差稳压器NCP1086ST-33T3G:1.5A,低功耗低压差稳压器NCP1086ST-ADJT3G:1.5A,低功耗低压差稳压器NCP1086T-033G:1.5A,低功耗低压差稳压器NCP1086T-ADJG:1.5A,低功耗低压差稳压器NCP1117DT12RKG:1.0A,低功耗低压差稳压器NCP1117DT15RKG:1.0A,低功耗低压差稳压器NCP1117DT18RK:1A输出电流NCP1117DT18RKG:1.0A,低功耗低压差稳压器NCP1117DT25G:1A输出电流NCP1117DT25RKG:1.0A,低功耗低压差稳压器NCP1117DT285RKG:1.0A,低功耗低压差稳压器NCP1117DT33G:1.0A,低功耗低压差稳压器NCP1117DT33RK:1A输出电流NCP1117DT33RKG:1.0A,低功耗低压差稳压器NCP1117DT50RK:1A输出电流NCP1117DT50RKG:1.0A,低功耗低压差稳压器NCP1117DTAG:1.0A,低功耗低压差稳压器NCP1117DTARKG:1.0A,低功耗低压差稳压器NCP1117DTAT5G:1A输出电流NCP1117ST12T3G:1A输出电流NCP1117ST15T3G:1.0A,低功耗低压差稳压器NCP1117ST18T3G:1.0A,低功耗低压差稳压器NCP1117ST20T3G:1.0A,低功耗低压差稳压器NCP1117ST25T3G:1.0A,低功耗低压差稳压器NCP1117ST285T3G:1.0A,低功耗低压差稳压器NCP1117ST33T3:1A输出电流NCP1117ST33T3G:1.0A,低功耗低压差稳压器NCP1117ST50T3G:1.0A,低功耗低压差稳压器NCP1117STAT3G:1.0A,低功耗低压差稳压器NCP3335ADM330R2G:500mA, 低静态电流,高精度低压差稳压器NCP3335ADMADJR2G:500mA, 低静态电流,高精度低压差稳压器NCP3335AMN500R2G:500mA, 低静态电流,高精度低压差稳压器NCP3335DMR2330G:500mA, 低静态电流,高精度低压差稳压器NCP500SN18T1G:150mA,低功耗低压差稳压器NCP500SN25T1G:150mA,低功耗低压差稳压器NCP500SN27T1G:150mA,低功耗低压差稳压器NCP500SN28T1G:150mA,低功耗低压差稳压器NCP500SN30T1:低噪声,使能控制,快速启动20μsecNCP500SN30T1G:150mA,低功耗低压差稳压器NCP500SN33T1:低噪声,使能控制,快速启动20μsecNCP500SN33T1G:150mA,低功耗低压差稳压器NCP500SN50T1:低噪声,使能控制,快速启动20μsecNCP500SQL27T1G:150mA,低功耗低压差稳压器NCP500SQL50T1G:150mA,低功耗低压差稳压器NCP511SN15T1G:150mA,低功耗低压差稳压器NCP511SN18T1:小静态电流,使能控制NCP511SN18T1G:150mA,低功耗低压差稳压器NCP511SN25T1G:150mA,低功耗低压差稳压器NCP511SN28T1G:150mA,低功耗低压差稳压器NCP511SN30T1:小静态电流,使能控制NCP511SN30T1G:150mA,低功耗低压差稳压器NCP511SN33T1:小静态电流,使能控制NCP511SN33T1G:150mA,低功耗低压差稳压器NCP511SN50T1:小静态电流,使能控制NCP511SN50T1G:小静态电流,使能控制NCP512SQ15T1G:80mA,低功耗低压差稳压器NCP512SQ18T1G:80mA,低功耗低压差稳压器NCP512SQ25T1G:80mA,低功耗低压差稳压器NCP512SQ28T1G:80mA,低功耗低压差稳压器NCP512SQ30T1G:80mA,低功耗低压差稳压器NCP512SQ33T1G:80mA,低功耗低压差稳压器NCP5501DT50RKG:500mA线性稳压器NCP551SN15T1G:150mA,低功耗低压差稳压器NCP551SN18T1G:150mA,低功耗低压差稳压器NCP551SN25T1G:150mA,低功耗低压差稳压器NCP551SN28T1G:150mA,低功耗低压差稳压器NCP551SN30T1G:150mA,低功耗低压差稳压器NCP551SN33T1G:150mA,低功耗低压差稳压器NCP551SN50T1G:150mA,低功耗低压差稳压器NCP561SN15T1G:150mA,低功耗低压差稳压器NCP561SN18T1:150mA COMS 低静态电流低压差稳压器NCP561SN18T1G:150mA,低功耗低压差稳压器NCP561SN25T1G:150mA,低功耗低压差稳压器NCP561SN28T1G:150mA,低功耗低压差稳压器NCP561SN30T1G:150mA,低功耗低压差稳压器NCP561SN33T1G:150mA,低功耗低压差稳压器NCP562SQ18T1:小静态电流,使能控制NCP562SQ28T1G:80mA,低功耗低压差稳压器NCP562SQ30T1:小静态电流,使能控制NCP562SQ33T1:小静态电流,使能控制NCP562SQ33T1G:80mA,低功耗低压差稳压器NCP562SQ50T1:小静态电流,使能控制NCP562SQ50T1G:80mA,低功耗低压差稳压器NCP563SQ15T1G:80mA,低功耗低压差稳压器NCP563SQ18T1G:80mA,低功耗低压差稳压器NCP565D2T:1.5A瞬间响应LDO线性调节器NCP565D2T12G:1.5A, 低功耗低压差稳压器NCP565D2T12R4G:1.5A, 低功耗低压差稳压器NCP565D2TR4G:1.5A, 低功耗低压差稳压器NCP5661DT12RKG:1.0A, 低功耗低压差稳压器NCP5661DTADJRKG:1.0A, 低功耗低压差稳压器NCP5661MN12T2G:1.0A输出带使能快速响应LDO NCP5661MNADJT2G:1.0A输出带使能快速响应LDO NCP5662DS15R4G:2.0A输出带使能快速响应LDO NCP5662DS33R4G:2.0A输出带使能快速响应LDO NCP5662DSADJR4G:2A,快速响应带使能的低压差稳压器NCP5663DS15R4G:3.0A, 低功耗低压差稳压器NCP5663DSADJR4G:3.0A, 低功耗低压差稳压器NCP580SQ30T1G:120mA, 低功耗低压差稳压器NCP582LSQ30T1G:150mA,高速, 低噪声低压差稳压器NCP583SQ28T1G:150mA,超低静态电流低压差稳压器NCP583SQ30T1G:150mA输出,带使能断的低压差稳压器NCP583XV18T2G:150mA,超低静态电流低压差稳压器NCP583XV28T2G:150mA,超低静态电流低压差稳压器NCP583XV30T2G:150mA,超低静态电流低压差稳压器NCP583XV33T2G:150mA,超低静态电流低压差稳压器NCP584HSN12T1G:200mA,低静态电流低压差稳压器NCP584HSN25T1G:200mA,超低静态电流低压差稳压器NCP585DSN125T1G:200mA,超低静态电流低压差稳压器NCP585DSN12T1G:300mA,低静态电流低压差稳压器NCP585DSN18T1G:300mA,低静态电流低压差稳压器NCP585DSN33T1G:300mA,超低静态电流低压差稳压器NCP585HSN18T1G:300mA,低静态电流低压差稳压器NCP585LSN18T1G:300mA,低静态电流低压差稳压器NCP600SN300T1G:高性能,低功耗,带使能低压差稳压器NCP600SNADJT1G:高性能,低功耗,带使能低压差稳压器NCP612SQ18T1G:100mA,低静态电流低压差稳压器NCP612SQ28T1G:100mA,低静态电流低压差稳压器NCP612SQ30T1G:100mA,低静态电流低压差稳压器NCP612SQ33T1G:100mA,低静态电流低压差稳压器NCP623DM-33R2G:150mA,低静态电流低压差稳压器NCP630AD2T:3.0A可调输出带有负载保护低压差稳压器NCP630AD2TR4G:3.0A可调输出带有负载保护低压差稳压器NCV1117DT20RKG:1A,低压差稳压器NCV1117DT33T5G:1000mA,低压差稳压器NCV1117DT50RKG:1000mA,低压差稳压器NCV1117DTARKG:1000mA,低压差稳压器NCV1117ST15T3G:1000mA,低压差稳压器NCV1117ST20T3G:1000mA,低压差稳压器NCV1117ST25T3G:1000mA,低压差稳压器NCV1117ST33T3G:1000mA,低压差稳压器NCV1117STAT3G:1000mA,低压差稳压器NCV2951ACDR2G:100mA,低功耗低压差稳压器NCV4269D1R2G:5.0V,150mA低压差稳压器,带延时可调复位及提前报警NCV4269D2R2G:5.0V,150mA低压差稳压器,带延时可调复位及提前报警(内部上拉) NCV4274ADT50RKG:5.0V ,400mA低压差2%输出精度稳压器NCV4275DSR4G:450mA,低功耗低压差稳压器NCV4275DTRKG:450mA, 低功耗低压差稳压器NCV4276ADSADJR4G:5.0V/3.3V/2.5V/1.8V,400mA低压差2%输出精度带使能稳压器NCV4276ADT33RKG:5.0V/3.3V/2.5V/1.8V,400mA低压差2%输出精度带使能稳压器NCV4276DS33R4G:5.0V/3.3V/2.5V/1.8V,400mA低压差4%输出精度带使能稳压器NCV4276DS50R4G:5.0V/3.3V/2.5V/1.8V,400mA低压差4%输出精度带使能稳压器NCV4276DSADJR4G:5.0V/3.3V/2.5V/1.8V,400mA低压差4%输出精度带使能稳压器NCV4276DT33RKG:5.0V/3.3V/2.5V/1.8V,400mA低压差4%输出精度带使能稳压器NCV4276DT50RKG:5.0V/3.3V/2.5V/1.8V,400mA低压差4%输出精度带使能稳压器NCV4279D1R2G:5.0V,150mA低压差稳压器,带延时可调复位及提前报警NCV4279D2R2G:5.0V ,150mA低压差稳压器,带延时可调复位NCV4299D1R2G:150mA, 低功耗低压差稳压器NCV4949DR2G:5.0V ,100mA低压差稳压器,带上电复位NCV551SN15T1G:150 mA CMOS 低静态电流LDONCV551SN18T1G:150 mA CMOS 低静态电流LDONCV551SN25T1G:150 mA CMOS 低静态电流LDONCV551SN32T1G:150 mA CMOS 低静态电流LDONCV551SN33T1G:150 mA CMOS 低静态电流LDONCV551SN50T1G:150 mA CMOS 低静态电流LDONCV8184D:微功耗(70mA)LDONCV8501D50R2G:150mA,低压差稳压器,带使能,延时复位NCV8501DADJ:150mALDO调节器NCV8502D33R2G:微功耗150 mA LDO带DELAY,可调RESET功能NCV8502DADJ:150mALDO调节器NCV8503PW33R2G:微功耗400 mA LDO带DELAY,可调RESET功能NCV8504PW33R2G:微功耗400 mA LDO带DELAY,可调RESET功能NCV8508DW50:250mALDO调节器NCV8508DW50G:5.0V, 250 mA LDO 带看门狗和RESETNCV8508DW50R2G:5.0V, 250 mA LDO 带看门狗和RESETNCV8509PDW18:线性LDO双电压调节器双路固定/可调输出LDO(低压差稳压器)MC33567D-1R2G:双超低躁声LDO控制器NCP5504DTRKG:双输出250mA, 低静态电流低压差稳压器多路固定/可调输出LDO(低压差稳压器)MC33765DTBG:低压差, 低躁声,5路输出NCP4523G1T1G:CMOS, 3路输出LDOSipex 公司LDO 低压差线性稳压器Sipex 公司LDO 低压差线性稳压器SP6200EM5-L-2.85:电源管理器件(LDOs+RESET)SP6200ER-L-3.3/TR:SP6200ER-L-3.3/TRSP6201EM5/TR:电源管理器件(LDOs+RESET)SP6201EM5-2.85:SP6201EM5-2.85SP6201EM5-2.85/TR:SP6201EM5-2.85/TRSP6201EM5-3.0/TR:SP6201EM5-3.0/TRSP6201EM5-L-1.8/TR:SP6201EM5-L-1.8/TRSP6201EM5-L-2.85:SP6201EM5-L-2.85SP6201EM5-L-3.0:SP6201EM5-L-3.0SP6201EM5-L-3.3/TR:SP6201EM5-L-3.3/TRSP6201EM5-L-5.0/TR:SP6201EM5-L-5.0/TRSP6205EM5-2.5:电源管理器件(LDOs)SP6205EM5-L:SP6205EM5-LSP6205EM5-L-3.0:SP6205EM5-L-3.0SP6205ER-L-3.0:SP6205ER-L-3.0SP6213EC5-L-2.85/TR:电源管理器件(LDOs)SP6213EC5-L-3.0/TR:SP6213EC5-L-3.0/TRSP6231CN-3.3:电源管理器件(LDOs) 500mA 3.3V调节器,带有辅助备份开关SP6231EN-3.3:SP6231EN-3.3SP6231ER-3.3/TR:SP6231ER-3.3/TRSPX1117M3/TR:电源管理器件(LDOs)SPX1117M3-L/TR:SPX1117M3-L/TRSPX1117M3-L-1.8/TR:SPX1117M3-L-1.8/TRSPX1117M3-L-2.5:SPX1117M3-L-2.5SPX1117M3-L-2.5/TR:SPX1117M3-L-2.5/TRSPX1117M3-L-3.3/TR:SPX1117M3-L-3.3/TRSPX1117M3-L-5.0/TR:SPX1117M3-L-5.0/TRSPX1117R-1.8/TR:SPX1117R-1.8/TRSPX1117R-L-1.5:SPX1117R-L-1.5SPX1117R-L-1.8:SPX1117R-L-1.8SPX1117R-L-2.5:SPX1117R-L-2.5SPX1117T-L-2.85:SPX1117T-L-2.85SPX1117U:SPX1117USPX1117U-2.5:SPX1117U-2.5SPX1117U-L-3.3:SPX1117U-L-3.3SPX1121M3-5.0/TR:电源管理器件(LDOs) SPX1129M3-5.0:电源管理器件(LDOs)SPX1129U-5.0:SPX1129U-5.0SPX1580T5:电源管理器件(LDOs)SPX1580U5:SPX1580U5SPX1581T5-2.5:电源管理器件(LDOs)SPX1581T5-L/TR:SPX1581T5-L/TRSPX1585AT-L/TR:电源管理器件(LDOs)SPX1585AT-L-3.3/TR:SPX1585AT-L-3.3/TR SPX1585AU-2.5:SPX1585AU-2.5SPX1585AU-3.3:SPX1585AU-3.3SPX1585AU-L-2.5:SPX1585AU-L-2.5SPX1585AU-L-3.3:SPX1585AU-L-3.3SPX1587AT-L/TR:电源管理器件(LDOs)SPX1587AT-L-1.5:SPX1587AT-L-1.5SPX1587AT-L-2.5/TR:SPX1587AT-L-2.5/TR SPX1587AT-L-3.3/TR:SPX1587AT-L-3.3/TR SPX1587AU-2.5:SPX1587AU-2.5SPX1587AU-3.3:SPX1587AU-3.3SPX1587AU-5.0:SPX1587AU-5.0SPX1587AU-L-2.5:SPX1587AU-L-2.5SPX1587AU-L-3.3:SPX1587AU-L-3.3SPX2808AM1-3.3:电源管理器件(LDOs) SPX2808AM3-3.3:SPX2808AM3-3.3SPX2810AM3-2.5:电源管理器件(LDOs) SPX2810M3-3.3:SPX2810M3-3.3SPX2815AT-L/TR:电源管理器件(LDOs) SPX2815AU-3.3:SPX2815AU-3.3SPX29150T-3.3/TR:电源管理器件(LDOs) SPX29150T-5.0/TR:SPX29150T-5.0/TRSPX29150T-L-1.8:SPX29150T-L-1.8SPX29150T-L-2.5/TR:SPX29150T-L-2.5/TR SPX29150T-L-3.3:SPX29150T-L-3.3SPX29150T-L-3.3/TR:SPX29150T-L-3.3/TR SPX29150T-L-5.0/TR:SPX29150T-L-5.0/TR SPX29151T5-L-5.0/TR:电源管理器件(LDOs) SPX2920U-5.0:电源管理器件(LDOs+RESET) SPX2920U-L-5.0:SPX2920U-L-5.0SPX29300T-L-2.5/TR:电源管理器件(LDOs) SPX29300U-3.3:SPX29300U-3.3SPX29300U-5.0:SPX29300U-5.0SPX29300U-L-2.5:SPX29300U-L-2.5SPX29300U-L-3.3:SPX29300U-L-3.3SPX29301T5-1.8:电源管理器件(LDOs)SPX29301T5-3.3:SPX29301T5-3.3SPX29301T5-L-1.8:SPX29301T5-L-1.8SPX29301T5-L-3.3:SPX29301T5-L-3.3SPX29302T5:电源管理器件(LDOs)SPX29302T5-L/TR:SPX29302T5-L/TRSPX2940T-2.5:电源管理器件(LDOs)SPX2940U-3.3:SPX2940U-3.3SPX2940U-5.0:SPX2940U-5.0SPX2945U-L-3.3:电源管理器件(LDOs+RESET)SPX29500U-3.3:电源管理器件(LDOs)SPX29500U-L-5-0:SPX29500U-L-5-0SPX29502U5:电源管理器件(LDOs)SPX29502U5:SPX29502U5SPX2951ACS-5.0:电源管理器件(LDOs+RESET)SPX2954N-5.0:电源管理器件(LDOs+RESET)SPX2954S-L-5.0/TR:SPX2954S-L-5.0/TRSP2996BEN-L/TR:Sipex 公司LDO 低压差线性稳压器SP317J-L:3-Terminal 1 Amp Adjustable Voltage Regulator SPX3819M5/TR:电源管理器件(LDOs)SPX3819M5-2.5/TR:SPX3819M5-2.5/TRSPX3819M5-L/TR:SPX3819M5-L/TRSPX3819M5-L-1.2/TR:SPX3819M5-L-1.2/TRSPX3819M5-L-1.8/TR:SPX3819M5-L-1.8/TRSPX3819M5-L-2.5/TR:SPX3819M5-L-2.5/TRSPX3819M5-L-3.3/TR:SPX3819M5-L-3.3/TRSPX3819S-2.5/TR:SPX3819S-2.5/TRSPX3819S-L-2.5/TR:SPX3819S-L-2.5/TRSPX5205M5-1.8:电源管理器件(LDOs)SPX5205M5-2.8/TR:SPX5205M5-2.8/TRSPX5205M5-5.0/TR:SPX5205M5-5.0/TRSPX5205M5-L-1.8/TR:SPX5205M5-L-1.8/TRSPX5205M5-L-2-8:SPX5205M5-L-2-8SPX5205M5-L-3.3/TR:SPX5205M5-L-3.3/TRSPX5205M5-L-5.0:SPX5205M5-L-5.0SPX5205M5-L-5.0/TR:SPX5205M5-L-5.0/TR。