水汽取样装置操作规程5
- 格式:wps
- 大小:38.05 KB
- 文档页数:7
水汽集中取样装置可分为手动取样装置及自动在线取样装置: 自动在线取样装置由高温高压架、低温仪表盘以及微机处理系统组成。
高温架设有预冷装置、样水冷却器及减压阀等部件。
低温仪表盘包括: 恒温装置、人工取样装置及化学分析仪表等部件。
恒温装置
恒温装置工作原理:制冷压缩机排出高温氟利昂蒸汽,高温蒸汽在冷凝器内部与冷却水进行热交换,冷凝后的氟利昂液体保持0-5℃的过冷度,干燥过滤器对流动的氟利昂进行过滤除湿处理。
膨胀节对氟利昂器减压作用,直接控制蒸发器氟利昂流量,氟利昂在蒸发器中吸热做功,降低恒温循环水的温度,当恒温循环水水温高于上线设定值(25±1℃)时,压缩机启动制冷,当恒温循环水温度低于上线设定值,电加热启动加热,压缩机、电加热工作范围由温度设定值回差控制。
恒温循环水在管道泵作用下与热机交换器进行闭式循环,恒温循环水在热交换器与样水进行交换,当各个样水温度的高低不一致,通过不同换热面积保证恒温控制的精度。
德帕姆(杭州)泵业科技有限公司是一家集研发、生产、销售于一体的高新技
术企业,主要产品有计量泵、高压往复泵、高压过程隔膜泵、气动隔膜泵、石油化工泵、成套化学加药装置、水处理设备、水汽取样装置、超临界流体设备等。
更多详情请拨打联系电话或登录德帕姆(杭州)泵业科技有限公司官网咨询。
水汽取样装置操作规程5水汽取样装置操作规程5操作规程一、目的和范围本操作规程适用于水汽取样装置的使用和操作,旨在保证取样过程的安全、准确、可靠。
二、术语和定义1.水汽取样装置:用于采集大气中水汽的仪器设备。
2.取样容器:用于收集采样的水汽的容器,如瓶子或桶。
3.取样点:选取的采样位置。
4.取样时间:采样开始和结束的时间点。
5.压力差:取样点与取样装置之间的气压差异。
三、安全操作1.操作人员必须具备相关操作培训证书,并熟悉取样装置的使用方法。
2.在开始操作前,检查设备的电源接地是否良好,确保设备的正常使用。
3.确保操作环境的清洁和整洁,并保持操作区域内的通风良好。
4.使用安全防护措施,如佩戴防护手套、护目镜等。
5.操作过程中,禁止烟火等易燃和爆炸物品。
6.操作结束后,关闭设备电源,清理操作区域,彻底清洗和消毒所有使用过的设备。
四、操作步骤1.确定取样点:根据需要采集水汽的特定位置,确定好取样点。
2.准备取样容器:选择合适的取样容器,并进行清洗和消毒处理,确保无污染。
3.连接取样装置:将取样容器与取样装置相连,并确保连接牢固,无泄漏。
4.打开取样装置:按照设备说明书的要求,打开取样装置,开始取样操作。
5.控制取样时间:根据需要,设定取样时间,确保取样的准确性和可重复性。
6.收集取样:取样装置开始工作后,将水汽收集到取样容器中,注意避免容器的污染。
7.完成取样:取样时间到达后,关闭取样装置,并小心取下取样容器,注意不要将水汽溅出。
8.封闭容器:采集完毕后,立即封闭取样容器,以防样品的污染和水汽的损失。
9.正确标记:在容器上标记好取样时间、取样点和操作人员等必要信息。
10.取样后处理:将取样容器妥善存放、运输,并按照实验要求进行后续处理。
五、设备维护与保养1.每次使用前,检查取样装置是否完好,如有损坏或泄漏现象,应及时修理或更换。
2.定期对设备进行检查和维护,保持设备的正常运行。
3.停用设备时,应进行彻底的清洗和消毒处理,储存设备时应避免阳光直射和潮湿环境。
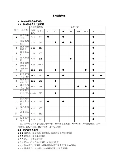
水汽监督规程1 汽水集中取样装置操作1.1 汽水取样点及仪表配置注:CC—带有H离子交换拄电导率仪、SC—比导电度表、PH—PH表、P—磷酸根表、DO—溶氧表、SiO2—硅表、PNa—钠表、M—人工取样1.2 水汽取样点部位:1.2.1 凝结水:凝结水泵出口母管、凝结水精处理出口母管1.2.2 除氧水:除氧器出口管1.2.3 给水:省煤器进口管1.2.4 炉水:汽包连续排污管上(分左右两侧)1.2.5 饱和蒸汽:顶棚入口联箱的饱和蒸汽引出管(分左右两侧)1.2.6 过热蒸汽:过热蒸汽出口联箱母管(分左右两侧)1.2.7 再热蒸汽:再热器入口母管上(分左右两侧)1.2.8 闭式除盐水:取样架除盐冷却水母管1.2.9 高压加热器疏水:在高压加热器出口管上1.2.10 低压加热器疏水:在低压加热器出口管上1.2.11 暖风器疏水:在暖风器疏水泵出口管上1.2.12 发电机闭冷水:发电机冷却水出口1.3 汽水取样装置投运前的检查1.3.1 取样分析仪表电源已送;1.3.2 冷却水压力正常,水量充足,电导率合格,冷却水进口压力大于0.2MPa;1.3.3 集中取样架各阀门开关灵活、减压装置完好;1.3.4 各测量仪表、流量计、记录仪、报警装置、微机等应完好备用;1.3.5 仪表所用药品应准备充足,并添加好;1.3.6 所有高压阀门应处于关闭状态。
1.4 取样分析装置的投运1.4.1 开启冷却水进、出口门,热交换器冷却水进、出口阀门、恒温装置冷却水进、出口阀门。
1.4.2 投入闭式循环冷却水装置。
1.4.3 投入恒温装置。
1.4.4 开启高温高压架样品一次、二次阀,打开排污阀,冲洗取样点与冷却装置之间的污物。
逐个样点依次排污,高温高压样点每次排污时间不宜超过1分钟,排污间隔不宜少于5分钟,排污完成后应将排污阀完全关闭。
1.4.5 开启低温仪表盘样品入口阀和人工取样阀,缓慢地开启高温高压架样品隔离阀并仔细观察流量计、温度表,同时缓慢地开启调节减压阀,将减压阀出口样品压力调节至0.3 Mpa 左右,使手工取样流量控制为500-700ml/min,并满足仪表测量水样的需要。
水汽取样分析设备安全操作及保养规程背景介绍水汽是大气中非常重要的组成部分,是诸多自然和人工现象的产物。
因此,对于各种水汽分析设备,操作和维护都是十分重要的。
本文将针对水汽取样分析设备进行安全操作及保养规程的介绍。
水汽取样分析设备的安全操作水汽取样分析设备需要准确、安全的操作才能获得有效的数据。
在使用水汽取样分析设备时,请务必遵循下列安全操作:1. 操作前准备在抽取水汽之前,请确保水汽取样分析设备处于正常工作状态并进行必要的检查。
检查内容包括检查设备是否有损坏、所有的接口是否紧固、是否有泄漏,以及所有的电气和电子部件是否运作正常。
在开启水汽取样分析设备之前,请确保戴好相应的防护用品,例如手套、口罩及护目镜等。
2. 正确使用设备当装配和使用水汽取样分析设备时,请检查以下的注意事项:•连接正确:连接下游附件之前,请确认连接的正确性。
使用恰当的位置(有时会在设备的热部件附近),有助于防止尘埃和其他污染物进入分析器。
•节流阀控制:请勿在取样管道上安装压缩空气或氮气,因为此类用气压力可能会损坏设备。
请使用节流阀控制样品流量,以维持所需的取样速率。
•避免压力过大:请避免将水汽取样分析设备暴露于过于高压的含水气流中;高压气流与设备的气体保持、气体排空和阀门关闭等部分之间的压差可能会导致设备突然破裂,造成不可恢复的危险。
3. 设备的关闭和维护在使用水汽取样分析设备完成操作后,请执行以下步骤:•清洁设备:将设备吹干,除去残留的水汽和其他杂物。
•关闭设备:在执行上述任务时,请按顺序关闭水汽取样分析设备。
请勿突然关闭阀门,以免造成损坏。
•检查设备:在使用水汽取样分析设备之后,应每天检查一次设备的不同方面(外观、接口、电气部件)。
请手动检查阀门的功能,确保所有阀门都已关闭。
水汽取样分析设备的保养规程为保证水汽取样分析设备的正常工作和使用寿命,需要执行以下的保养措施:1. 维护设备的清洁为保持水汽取样分析设备的正常运行,请始终保持设备维护清洁。
汽水取样装置技术规范书目录附件1 技术规范 (1)附件2 供货范围 (16)附件4 交货进度 (19)附件5 监造、检验和性能验收试验 (20)附件6 价格表 (24)附件7 技术服务和设计联络 (30)附件8 分包与外购 (36)附件9 大(部)件运输 (37)附件1 技术规范1 总则1.1本技术条件适用于1x130t/h高温高压锅炉的全自动汽水取样装置,它提出设备的功能设计、结构、性能、安装和试验等方面的技术要求。
1.2需方在本技术协议书中提出了最低限度的技术要求,并未规定所有的技术要求和适用的标准,供方应提供一套满足本技术书和所列标准要求的高质量产品及其相应服务。
对国家有关安全、环保等强制性标准,必须满足其要求。
1.3供方执行本技术所列标准。
有矛盾时,按较高标准执行。
1.4合同生效后7日内,供方提出合同设备的设计,制造、检验、试验、装配、安装、调试、试运、验收、运行和维护等标准清单给需方,需方确认。
1.5在签订合同之后,需方有权提出因规范和规程发生变化或疏漏而产生的一些补充要求,双方共同商定。
1.6本技术书是产品订货合同的附件,与合同具有同等法律效力,在协议签订后,应互相按时交换资料,满足各方设计和制造进度的要求。
1.7本协议书,未尽事宜双方协商解决。
2 厂址条件及气象条件见建设单位提供的相关资料。
3、设计基础资料3.1 冷却水质水源:水处理室来补充除盐水水质:除盐水(若带闭式循环系统,冷却水为工业水)接口型式:平焊法兰,符合JB/T81-94标准,压力级:PN1.6MPa水压:1.2MPa( 工业水为0.5MPa)温度:≤32℃除盐水冷却水直接去除氧器。
3.2电源买方负责提供至每台低温架电源1路;提供微机系统电源一路。
电源电压:低温架:三相四线制(380/220V) 微机系统:220VAC UPS电源电源频率:50Hz3.3设备布置高温架、低温架室内分开布置。
3.4环境条件3.4.1环境温度高温架室:≤40℃低温架室:∽25℃3.4.2环境湿度相对湿度:76%4、技术要求4.1规定和标准4.1.1水汽集中取样分析装置验收应遵循DLT 665-2009《水汽集中取样分析装置验收导则》。
发电运行规程第五篇水汽取样装置操作规程第一节取样装置启动前的操作1.1降温架1.1.1 所有高压阀门应处于关闭状态。
1.1.2 所以各连接接头,紧固件不应有松动,脱落现象。
1.1.3 恒压装置压力调节螺母旋中位,出口调节阀处于关闭状态。
1.1.4 打开冷却水进出口母总阀,冷却水进口母管的压力应大于0.2Mpa。
1.2 人工取样盘和仪表盘1.2.1 检查所以阀门及部件连接处是否连接可靠。
1.2.2 人工取样盘上的限流阀应处于最大开度。
1.2.3 关闭仪表盘上的所以仪表取样阀门。
1.3 装置闭环保护系统1.3.1温控开关温控开关通电后输出闭合信号,保护装置应实施保护动作。
1.3.2 靶式流量控制器关闭冷却水进水阀或出水阀门, 靶式流量控制器应输出闭合信号,同时各样水保持装置应实施保护动作。
1.4 化学分析仪表仪表盘电气箱内电器元件齐全,接线端子连接可靠,分别接通各仪表电源,仪表接线正确。
-80-发电运行规程水汽取样装置操作规程第二节装置起动2.1 降温架2.1.1 依此开启冷却器的进出口球阀。
2.1.2 返冲过滤器置于“运行”状态。
2.1.3 逐路开启装置样水进口一次门和二次门(全开),打开排污门到最大开度,对各路样水逐路进行排污。
2.1.4 排污结束,关闭排污门.注: 关闭排污门前15S,将各返冲过滤器置于“返冲”状态,对滤芯进行返清洗,排污结束后将过滤器重新置于“运行”状态。
2.2 人工取样盘2.2.1开启人工取样盘样水门。
2.2.2调出人工取样流量。
2.3 仪表盘2.3.1 取出各仪表样水过滤器滤芯。
2.3.2 从各发送内取出电极。
2.3.3 开启仪表盘上各入口节流阀,对仪表样水管路进行冲洗,时间1分钟。
冲洗结束后,重新安装好样水过滤器滤芯和发送器电极。
2.3.4 全开恒压装置出口调节阀,根据每路样水所配仪表的数量,调节恒压装置调节螺母,使样水总流量符合要求。
注: 人工调节流量为500ml/min , DD 、PH表均为此300 ml/min , O2表500ml/min ,其它表计150ml/min。
取样操作规程《取样操作规程》一、目的为了保证取样过程的准确性和可靠性,规范取样操作流程,确保取样结果的准确性和可靠性。
二、适用范围本规程适用于所有需要进行取样操作的场合,包括但不限于食品、药品、化工产品等领域。
三、取样原则1. 取样人员应具备相关专业知识和操作技能,严格按照取样规程进行操作。
2. 取样前应认真阅读取样要求,了解取样要求和所用的取样设备。
3. 取样前应对取样设备进行检查和清洁,确保取样设备干净无污染。
4. 取样过程中需避免外界干扰和污染,保证取样环境的清洁和安全。
5. 取样过程中应按照规定的方法和顺序进行,不得随意更改取样步骤或顺序。
四、取样操作步骤1. 准备取样设备,包括但不限于玻璃瓶、采样勺、采样袋等。
2. 根据取样要求确定取样点和取样数量,遵循取样要求进行操作。
3. 将取样设备置于取样点位置,避免接触其他物质,以免造成污染。
4. 使用取样设备采集样品,确保采集过程中无其他物质污染。
5. 将采集的样品放入取样容器中,封闭容器并标记取样点、日期和取样人员等信息。
6. 将取样容器存放在规定的条件下,确保取样样品的安全和完整性。
五、取样记录和处理1. 取样过程中应当记录取样时间、地点、数量、设备和人员等信息,并做好取样记录。
2. 对于不同种类的样品,应根据不同的要求进行储存和处理,确保样品的质量和完整性。
3. 取样完成后,及时清洗取样设备,保持设备的干净和卫生。
六、取样流程的管理和文件记录1. 对取样操作规程的执行应进行管理和监督,确保取样操作的规范和准确性。
2. 取样操作过程中的文件记录应保存完整,以备日后查阅和审核。
七、附则1. 对于特殊情况下的取样操作应根据实际情况进行灵活处理,确保取样过程的准确性和可靠性。
2. 对于取样设备的清洁和维护应加强管理,确保取样设备的完好和清洁状态。
上述规程为取样操作的基本规范,取样人员在进行取样操作时应严格按照规程进行操作,确保取样结果的准确性和可靠性。
汽水取样操作规程汽水取样操作规程一、目的为了确保汽水质量的稳定和安全,减少生产过程中的污染风险,制定此操作规程。
二、适用范围本操作规程适用于汽水生产过程中的取样操作。
三、操作人员操作人员应经过相关培训并获得操作资格证书,具备较强的责任心和专业技能。
四、操作设备1. 取样工具:取样勺、取样瓶。
2. 清洁工具:洗涤器具(刷子、洗涤剂等)、清水。
五、操作流程1. 取样前准备:(1)检查取样工具的清洁状况,确保无异物和污染。
(2)检查取样瓶的完整性,如有损坏应更换。
(3)检查操作环境,确保无尘、无异味和无其它污染物。
(4)准备取样记录表格和签字笔。
2. 取样操作:(1)佩戴必要的个人防护装备,如手套、口罩等。
(2)用清洁工具将取样工具彻底清洗,使用洗涤剂和清水冲洗至干净。
(3)用干净的纸巾或干燥器具将取样工具擦干,确保无水迹和残留物。
(4)将取样工具放入待取样的汽水中,确保完全浸泡。
(5)用取样勺将汽水搅拌均匀,保证取样的代表性。
(6)用取样勺从汽水中取一定数量的样品,尽量避免空气接触。
(7)将取样倒入取样瓶内,填写取样记录表格并进行标注。
(8)将取样瓶密封,确保样品不受外界污染。
(9)将取样瓶放置在适当的温度下进行保存,避免光照直射。
(10)将取样记录表格上交给质检部门,并进行签字确认。
六、注意事项1. 取样工具严禁与其它物质接触,避免出现交叉污染。
2. 取样操作人员应保持手部清洁,并佩戴手套。
3. 取样勺在使用前应彻底清洗并擦干,避免残留物的影响。
4. 取样过程中尽量避免汽水与空气接触,避免气味、水分的损失。
5. 取样瓶密封后应进行标识、记录,并妥善保存,避免样品丢失或污染。
6. 取样记录表格上交给质检部门后应进行签字确认,确保取样工作的完整性和准确性。
七、操作规范1. 按照相关操作规程进行取样操作,不得私自改变操作方法。
2. 严格按照操作流程进行取样,确保样品的质量和准确性。
3. 所有取样工具应定期清洗和检查,如有问题应及时更换。
GRAND POWER水汽集中取样装置使用说明书型号:CXD吉林光大电力设备有限责任公司写在前面感谢您购买了由吉林市光大电力设备有限责任公司研制生产的CXD型水汽集中取样装置。
在设备安装、使用之前,请您一定仔细阅读说明书,严格按照说明书中的内容顺序和每一个具体步骤,熟悉如何正确安装、使用、维护设备,以便使设备能够很好地正常工作。
CXD型水汽集中取样装置以其理想的工作性能和操作简便、维护量小的突出优点、必将在您的专业工作中发挥巨大的作用。
伴随着您提高工作效率,CXD型水汽集中取样装置一定会成为您工作中不可缺少的得力助手,并为提高企业整体现代化自动控制水平作出她应有的贡献。
一、概述本装置用于热力设备水汽化学分析样品的预处理、人工取样、水汽品质的在线分析、被测参数的计算机监督管理。
本装置由三个基本部分组成:CXD系列化学分析取样架(通常所说的湿盘),完成样品的预处理、人工取样,为在线化学分析仪表提供合格的样品;分析仪表屏(通常所说的干盘),屏上安装在线化学分析仪表及记录显示器等;计算机管理系统,含数据采集、处理、显示、打印报表、监控、与上位计通讯等功能。
用户可以根据需要选定上述三部分中的部分或全部设备。
二、CXD系列化学分析取样架1.技术特点取样架采用全新的技术路线,获得了现有国内外取样架无法比拟的效益。
具体说来有如下特点:(1)取样架中采用了高温高压流体的高效降温降压器(专利产品),当高温高压流体(如水、汽等)流过该装置时,温度、压强同时降低,即具有传统取样架中冷却器和减压器二种功能。
(2)取样架没有减压器,杜绝了原取样架用减压器是最易堵塞,需要精心维护的弊病。
(3)样品流在高效降温降压器中的流动呈深度喘流状态,具有极高的热交换效率,在同样条件下冷却水的用量仅是现有冷却器1/2~2/3。
(4)样品流在高效降温降压器的管道中流速很高,对管道壁有自清洗作用。
(5)取样架中采用一种新颖过滤器――杆式过滤器(专利产品),仅截水样中1.4mm以上直径的机械杂质颗粒,基本不改变水样的组成。
GRAND POWER水汽取样恒温装置使用说明书型号:GDHW0211吉林光大电力设备有限责任公司水汽取样恒温装置使用说明一.概述:水汽化学分析恒温装置是水汽分析取样装置的重要组成部分。
本装置在正常工作条件下,其出口水样温度恒定在25±1℃,使进入化学分析仪器的水样温度不影响化学分析仪器的测量准确度。
确保电厂化学监督工作的质量。
本装置中采用进口的全封闭压缩机和带微电脑的温度显示控制器,确保装置在制冷、制热运行时的稳定性、可靠性。
本装置设计合理,保护功能齐全,操作简便,维护量少,适合现场工作要求。
二.技术参数:1.恒定水样温度:25±1℃2.单路水样流量:≥300mL/min3.进口水样温度:10~45℃4.水样盘管压头损失:≤0.1Mpa5.装置耐压:≤1.5Mpa三.工作条件:1.工作环境应没有导电尘埃和腐蚀性气体。
2.没有剧烈振动及爆炸危险的场所。
3.相对湿度:≤85%4.冷却水流量:≥4t/h5.冷却水温度:≤35℃6.配用功率:6KW7.配用电源:三相四线400V四.装置部件及控制元件:1.压缩机在恒温装置中,制冷压缩机是实现制冷(制热)循环的主要设备,它完成制冷剂气体从低压向高压不断输送的过程。
2.蒸发器采用裸管式蒸发器,其作用是使液态制冷剂在低温低压状态下蒸发,吸收被冷却介质的热量,变成气态制冷剂。
蒸发器置于恒温箱的水中,利用恒温箱中水去冷却盘管中水样。
3.冷凝器采用水冷卧式壳管冷凝器,其作用是将压缩机排出的高温高压制冷剂的过热蒸气,通过冷凝器的散热面将热量传递给低温物质(冷却水),让制冷剂冷凝成液态。
蒸发器和冷凝器是恒温装置中主要的热交换部件,在恒温装置按制冷程序工作时,其功能如前所述。
而当恒温装置按制热程序工作时,其角色对调,功能互换。
4.搅拌器使恒温箱内的水在机械力作用下强制循环,保证所有水样盘管周围的水温均匀。
5.膨胀阀将高温高压的液态制冷剂降温降压成低温低压的湿蒸气状态的制冷剂。
水气取样操作方法水气取样操作方法是一种用于采集水中气体样品的方法,可以用于分析水中的溶解氧、氮气、氢气、二氧化碳等气体成分。
下面将详细介绍水气取样的操作步骤。
一、取样器材准备1. 打开取样瓶,并用洁净的蒸馏水彻底冲洗干净。
避免水中残留有其他物质。
2. 取样瓶的瓶塞上装有长度适中的硅胶管,确保管子能够完全插入水中并贴紧底部。
硅胶管末端用针筒盖或者细长玻璃棒封堵,以防水气泄漏。
二、取样准备1. 选择取样点,尽量选取远离岸边和船只的位置,以避免被外界因素污染样品。
2. 准备好取样瓶,将瓶塞拧紧,并用手蘸上蒸馏水的瓶塞密封橡胶垫。
3. 用无菌吸管或者自动取样器将瓶塞上的硅胶管完全插入水中,并保持水平。
三、取样操作1. 缓慢且均匀地将硅胶管抽出水面,注意不要带入空气。
用手指捏住硅胶管末端的封堵物,防止水气泄漏。
2. 将管子末端的封堵物取下,并迅速将硅胶管封堵在瓶塞上。
确保封堵紧密,避免水气泄漏。
3. 将取样瓶立刻恢复到竖直位置,并将其放入有保护层的密封袋中,以避免光线照射和外界环境影响。
4. 将取样装置装回保温箱中,并在温度适宜的情况下尽快送至实验室进行分析。
四、注意事项1. 操作过程中要尽量避免空气接触样品,以防止气体成分的变化。
2. 在取样点选择上要避免受到污染源的影响,确保取到准确的水气样品。
3. 取样过程尽量快速进行,以避免气体的逸出和水样的变化。
4. 在实验室进行分析前,取样瓶要保持密封状态,并在保温箱中保存,避免温度和光线的变化。
总结水气取样操作方法可以帮助我们采集水中的气体样品,以便后续进行气体成分的分析。
操作时需要准备好取样器材,并注意取样点的选择,以避免受到外界污染。
取样时要迅速且准确地进行,防止气体的逸出和水样的变化。
在实验室进行分析前,取样瓶要保持密封状态,并在适宜的温度下妥善保存。
这样才能得到准确的水气样品,并进行科学、精确的分析。
HPQ系列水汽取样装置操作规程苏州瀚朴电力设备有限公司二零一四年七月一、装置启用前操作1、取样架1.1所有高压阀门应处于关闭状态。
1.2所有各连接接头、紧固件不应有松动、脱落现象。
1.3减压阀旋钮旋至中位。
1.4打开恒温冷却水进出口母管总阀,冷却水进口母管的压力P应大于0.2Mpa。
1.5检查所有阀门及部件连接处,连接可靠。
1.6人工取样盘上的限流稳压阀应处于最大开度。
1.7关闭仪表盘上所有仪表取样阀门。
1.8温控仪通电后应正常显示温度值2、化学分析仪表仪表盘电气箱内电器元件齐全,接线端子连接可靠,分别接通各仪表电源,仪表接线正确。
二、装置启动1、降温1.1依次开启冷却器的进出口球阀。
1.2逐路开启装置样水进口一次门(全开),打开排污门到最大开度,对各路样水进行排污。
1.3排污结束,关闭排污门。
2、人工取样2.1开启人工取样盘样水门。
2.2调出人工取样流量。
3、仪表盘3.1取出各仪表样水过滤器滤芯。
3.2开启仪表盘上各入口节流阀,将样水引入仪表发送器。
注:仪表样水管路排污时,请从各发送器内取出电极。
3.3根据每路样水所配仪表的数量,调节减压阀调节手柄,使样水总流量符合要求。
注:DD、PH表300ml/min O2表500ml/min其它表计150ml/min。
3.4根据流量计的指示值,调节流量计入口节流阀,使各仪表样水流量符合电厂规程要求。
4、恒温装置恒温装置启动操作详见《SWJ系列恒温装置操作规程》。
三、装置停运1、关闭样水进口一次门、二次门。
2、关闭人工取样盘样水门。
3、关闭仪表盘节流阀。
4、关闭温控电源、仪表电源、恒温装置电源。
5、关闭装置的冷却水源。
四、装置运行1、高压阀高压阀门必须处于全开状态或全关状态,禁止用作节流。
2、筒形冷却器冷却器进出口球阀全开。
3、流量的调节调节流量计手柄合适位置,左旋调小,右旋调大五、部件的维护方法1、高压阀(316SS-HP)运行人员按照上述要求对高压阀进行正确操作,可确保高压阀可靠运行,高压阀维护要点如下:1.1高压阀出现内漏松开阀根处的压紧螺母,取下阀芯,观察阀杆顶端的硬质合金球和阀体的中间孔,如硬质合金球出现汽蚀,此时换下新的阀芯即可。
纯蒸汽取样操作说明纯蒸汽取样操作说明―― 吴永亮1 取样前准备1.1 在纯蒸汽取样前1小时将纯蒸汽取样器通入纯化水进行润洗,润洗时间不低于1min,避免因管道未清洁影响取样结果。
因制水间在纯化水管道灭菌前30-60min内会清除纯化水管道内的纯化水,所以需提前润洗。
1.2 纯蒸汽取样前准备好相应的取样瓶和取样试管,5支取样试管(1支备用)需提前做好灭菌处理。
同时在取样前将取样瓶用纯化水进行清洗,清洗时反复润洗三次,因取样时纯蒸汽冷凝水温度较高,且冷凝速度较慢不便于取样时清洗。
1.3 准备一双防烫手套。
2 二楼制水间纯蒸汽取样2.1 将纯蒸汽取样器摆放在合适的位置。
2.2 将上端纯蒸汽进汽口卡盘(大卡盘)与纯化水管道回水口取样口卡盘连接,连接时可适当调整纯蒸汽取样器高度,保持卡口处连接无缝隙,无安全隐患。
连接好后小幅度打开纯化水管道上的中隔阀,观察纯蒸汽取样器下方取样口是否有蒸汽冒出。
观察无误后,关闭中隔阀。
2.3 将下端冷却水进水口卡盘与冷却水连接口卡盘连接,并将上方的冷却水出水口皮管末端放入准备好的塑料桶中或者直接放在地上,且尽可能的远离地漏,因热水直接从地漏中排出会破坏地漏管道。
连接完成后,打开冷却水阀门,观察冷却水循环能否正确运行。
2.4 设备安装完毕后,关闭冷却水阀门,打开纯化水管道上中隔阀,且将其调到适当的开度,对纯蒸汽取样器进行灭菌处理,灭菌时间为30min。
灭菌时在纯蒸汽取样器下方取样口处放一个塑料盆接纯蒸汽。
2.5 灭菌结束后,打开冷却水循环,戴上防烫手套将取样试管和取样瓶放置于取样口处接取纯蒸汽冷却水。
在取微生物样时要注意试管塞不能距离取样口距离操作5cm,防止外界环境污染试管塞,取样结束后拧紧试管塞。
3 一楼辅机间纯蒸汽取样3.1 打开取样口处的阀门,排出管道内的冷凝水(一楼辅机间纯蒸汽灭菌时,冷却水循环自动打开,对纯蒸汽进行冷却),知道有纯蒸汽冒出,从有纯蒸汽冒出开始计时,保持30min,对取样口阀门灭菌30min,灭菌结束后关小取样口阀门,让纯蒸汽能够充分冷却,同时避免外界环境污染取样口。
化学取样加药装置操作规程-----------------------------------------------------------------------------------------------------------------------------------------------------水汽取样装置的组成序名称主要组成截止阀、冷却器、球阀、1. 高温高压架减压阀、管路系统、框架等化学仪表、节流阀、安全2. 低温仪表架阀、电磁阀、数显温控仪、取样阀、管路系统、框架等压缩机、冷凝器、蒸发器、3. 恒温装置膨胀阀、管路系统、框架等作用对样水进行减温、减压、排污、截止对样水进行取样、分析、过滤、低温仪表架调节使样水温度恒定在25℃左右可能与恒温装置制作在一个框架内备注可能包含预冷装置 1.工作环境及条件1.室内温度5~40℃。
2.在20±5℃时,相对湿度小于85%。
3.本装置安装使用应无剧烈冲击,无爆炸危险介质,无腐蚀性气体。
4.水质应符合除盐水有关标准,不污堵、不腐蚀、无明显悬浮物。
5.单台水汽装置所需除盐冷却水温度≤35℃,压力0.25~1.0MPa,流量根据系统要求。
(包括恒温装置)6.水汽取样装置所需电源为交流三相四线380V/ 50HZ(包含恒温装置)1.投运前的检查第一章;水汽取样装置运行1) 检查各装置的就位情况 2) 各管路接口完好,部件齐全; 3) 冷却水系统完好(包括恒温装置); 4) 外部管路已全部接好;5) 电源是否接好(如没有接,则恒温、电磁阀保护、仪表等无法工作)。
6) 各仪表、数显温度仪、电磁阀等电器设备是否接好。
7) 仪表按铭牌指示安装好。
8) 检查装置各处接地良好。
9)拧紧连接件。
2. 投运前的操作 1) 2)全部关闭装置一次门;全部关闭装置二次门;3) 全部关闭装置排污门;注意使用高压阀开启专用扳手,在开启和关闭高压阀用力过猛将导致高压阀的寿命缩短。
发电运行规程第五篇水汽取样装置操作规程
第一节取样装置启动前的操作
1.1降温架
1.1.1 所有高压阀门应处于关闭状态。
1.1.2 所以各连接接头,紧固件不应有松动,脱落现象。
1.1.3 恒压装置压力调节螺母旋中位,出口调节阀处于关闭状态。
1.1.4 打开冷却水进出口母总阀,冷却水进口母管的压力应大于
0.2Mpa。
1.2 人工取样盘和仪表盘
1.2.1 检查所以阀门及部件连接处是否连接可靠。
1.2.2 人工取样盘上的限流阀应处于最大开度。
1.2.3 关闭仪表盘上的所以仪表取样阀门。
1.3 装置闭环保护系统
1.3.1温控开关
温控开关通电后输出闭合信号,保护装置应实施保护动作。
1.3.2 靶式流量控制器
关闭冷却水进水阀或出水阀门, 靶式流量控制器应输出闭合信号,同时各样水保持装置应实施保护动作。
1.4 化学分析仪表
仪表盘电气箱内电器元件齐全,接线端子连接可靠,分别接通各仪表电源,仪表接线正确。
-80-
发电运行规程
水汽取样装置操作规程
第二节装置起动
2.1 降温架
2.1.1 依此开启冷却器的进出口球阀。
2.1.2 返冲过滤器置于“运行”状态。
2.1.3 逐路开启装置样水进口一次门和二次门(全开),打开排污门到最大开度,对各路样水逐路进行排污。
2.1.4 排污结束,关闭排污门.
注: 关闭排污门前15S,将各返冲过滤器置于“返冲”状态,对滤芯进行返清洗,排污结束后将过滤器重新置于“运行”状态。
2.2 人工取样盘
2.2.1开启人工取样盘样水门。
2.2.2调出人工取样流量。
2.3 仪表盘
2.3.1 取出各仪表样水过滤器滤芯。
2.3.2 从各发送内取出电极。
2.3.3 开启仪表盘上各入口节流阀,对仪表样水管路进行冲洗,时间1分钟。
冲洗结束后,重新安装好样水过滤器滤芯和发送器电极。
2.3.4 全开恒压装置出口调节阀,根据每路样水所配仪表的数量,调节恒压装置调节螺母,使样水总流量符合要求。
注: 人工调节流量为500ml/min , DD 、PH表均为此300 ml/min , O2表500ml/min ,其它表计150ml/min。
2.3.5 根据流量计的指示值,调节流量计入口节流阀,使各仪表样水流量符合2.3.4中各仪表的要求。
-81-
发电运行规程
2.4 恒温装置
由热工专业人员调整设定后,方可起动.
第三节装置停运
3.1 关闭降温架样水进口一次门,二次门。
3.2 关闭仪表盘节流阀。
3.3 关闭温控电源,仪表电源,恒温装置电源。
3.4 关闭装置的冷却水源。
第四节装置运行的注意事项
4.1 高压阀
4.1.1 高压阀门必须处于全开状态或全关状态,禁止用作节流。
4.1.2 打开或关闭高压阀时,必须使用专用工具扭力扳手,按<<高压阀操作指南>>要求的扭力矩进行操作。
4.2 筒型冷却器
冷却器冷却水进出口球阀必须全开。
4.3 高压过滤器
4.3.1 正常取样
正常运行时高压过滤器手轮处于水平面“运行”状态。
4.3.2 返冲清洗
返冲清洗规定时间为15天一次. 返冲清洗前,先打开排污阀,1分钟后,逆时针900旋转高压过滤器手轮,使手轮处于垂直“返冲”状态, 返冲清洗15S.冲洗结束后,旋转手轮处于“运行”状态,关闭
-82-
发电运行规程
水汽取样装置操作规程
排污阀。
注意:在机组启动初期,不准进行返冲清洗。
4.4 高压排污
冲管排污规定时间为每周一次。
排污时,先关闭恒压装置出口调节阀,再打开高压排污阀,进行正常排污,时间为1分钟,排污结束后,关闭高压排污门,打开恒压装置出口调节阀。
注意:必须逐路排污,严禁同时多路排污。
4.5 压力、流量的调节
4.5.1 压力、流量调节
缓慢调节恒压装置调节螺母,使压力在此期间0.25Mpa至0.38Mpa之间。
根据每路样水所配仪表的数量,使样水总流量符合要求。
在压力、流量均允许范围调定。
注: 人工调节流量为500ml/min , DD 、PH表均为此300 ml/min , O2表500ml/min ,其它表计 150ml/min。
总流量为上述流量和的1至1.2倍。
4.5.2 流量偏小时采取的措施
4.5.2.1 对高压过滤器进行返冲排污,清除滤芯过滤孔中杂质,增加通流量。
4.5.2.2 缓慢调节恒压装置调节螺母。
4.5.3 日常调节
按4.1要求每周调节一次。
4.6 保护功能检查
恒压装置具有自锁保护功能,即恒压装置后端保护装置因某种
-83-
发电运行规程
原因动作保护后, 恒压装置因样水系统压力升高而自动锁闭样水通道,故每星期要定期进行一次冷却水断水或样水超温保护试验,以便检查保护装置的可靠性及恒压装置的自锁功能。
注: 试验时,将冷却水母管进水或出水上阀门关闭50﹪,使所有保护装置处于保护状态, 保护装置应动作可靠.恒压装置应自锁切断样水。
第五节闭式循环冷却装置起动前操作
5.1 水箱及阀门检查
5.1.1 关闭所有阀门;
5.1.2 打开水箱人工补水阀,观察磁性翻柱式液位计,加满水箱后关闭人工补水阀;
5.1.3 检查水箱溢流管是否畅通;
5.1.4 机械补水是否正常;
5.1.5 打开排污阀,排污时间5分钟,排污结束后关闭排污阀。
5.2 电气控制检查
5.2.1 检查装置总电源是否接入;
5.2.2 主离心泵M1,备用离心泵M2切换启动,工作及指示正常; 5.2.3 将备用泵自动投入时间设为5秒。
第六节装置启动
6.1 打开工业冷却水进出口总阀门;
6.2 缓慢打开一号换热器冷却水出水阀门;
-84-
发电运行规程水汽取样装置操作规程
6.3 缓慢打开二号换热器冷却水出水阀门;
6.4 开启除盐水闭式循环以及水汽取样装置之间所有除盐水管路阀门;
6.5 消除所有泄漏点;
6.6 将连锁开关打在不连锁状态,泵选择开关停止位,合上源控制电源开关;
6.7 选择启动主离心泵M1或备用离心泵M2,将两锁控制开关打在联锁位置。
第七节装置停止运行的操作程序
7.1 关闭水汽取样装置样水一次门.二次门;
7.2 停止离心泵运行;
7.3 关闭控制电源,总电源;
7.4 关闭除盐水闭式循环和水汽取样装置之间所有除盐水管路阀门;
7.5 关闭工业冷却水进出口总阀门;
7.6 环境温度低于零摄氏度时,应打开水箱排污阀,排尽水箱积水。
第八节装置使用注意事项
8.1 卧式离心泵
8.1.1 两泵互为备用,装置运行过程中,必须有一泵处于工作状态,另一台泵置于备用状态;
8.1.2 除盐水装置引入动力电源时,必须注意泵三相电源的顺序,
-85-
-86- 发电运行规程
防止泵损坏。
8.2 隔膜阀
8.2.1 隔膜阀必须处于全开或全闭状态;
8.2.2 泵处于开启状态时,禁止关闭泵出口管路上所有阀门。
8.3 换热器
8.3.1 启动前先将冷,热侧进口阀门关闭,出口阀门全开;
8.3.2 换热器生压时,需同时缓缓打开或首先打开压力低的一侧介质进口阀门,以防产生冲击。
8.4 停机操作
装置在冬季停运时,必须打开放空阀,排尽积存冷却水或除盐水,避免设备管路被冻结从而引起设备胀裂。
附: 各种指标的计算方法
1、排污率% = 给水SiO 2(PPM )-蒸汽SiO 2(PPM )炉水SiO 2(PPM )-给水SiO 2(PPM )
× 100
排污量(T )= 锅炉实际蒸发量(T )×排污率(%)100
2、补给水率% = 补充水量(T )锅炉实际蒸发量(T )× 100
3、汽水损失率% = 汽水损失量(T )运行锅炉额定蒸发量(T )× 100 =
补充水量(T )-排污量(T )-自用水量(T )-供热量(T )运行锅炉额定蒸发量(T )
×100。