上海+深圳交易所代码编码规则
- 格式:docx
- 大小:23.94 KB
- 文档页数:3
深交所证券代码编码规则1、股票(1)、A股证券 00****(2)、A股增发 07****(3)、A股A1权证 08****(4)、A股A2权证 03****(5)、A股转配 09****(6)、创业板证券 30****(7)、创业板增发 37****(8)、创业板权证 38****(9)、B股证券 20****(10)、B股增发 27****(11)、B股权证 28****2、债券(1)、国债现货 10****(2)、国债回购 13****(3)、债券 11****(4)、可转换债券 12****3、基金(1)、原有投资基金 17****(2)、证券投资基金 18****4、综合指数/成分指数(1)、综合指数/成分指数 39****上交所证券代码编码规则1、股票(1)、600*** A股证券对应:配股 700***职工股配股 702***申购、增发 730***持股增发 731***可转债申购 733***网上投票 738***申购款或增发款 740***申购或增发配号 741***可转债发债款 743***可转债配号 744***可转债 100*** (1009用于转债回售)(2)、601*** A股证券对应:配股 760***职工股配股 762***申购、增发 780***持股增发 781***可转债申购 783***网上投票 788***申购款或增发款 790***申购或增发配号 791***可转债申购款 793***可转债配号 794***(3)、900*** B股证券938*** B股网上投票939*** B股网络投票密码服务(现仅用939988)2、债券(1)、国债009*** 国债(2000年前发行)(质押式回购出入库对应099***)010*** 国债(2000—2009发行)(质押式回购出入库对应090***)019*** 固定收益电子平台交易国债020*** 记账式贴现国债(出入库对应107***)751000-751199 国债分销(2)、地方政府债券130*** 地方政府债(出入库对应106***、分销751900-751969)(3)、企业债/公司债120***/129*** 企业债(出入库对应105900-105999)122000-122499 公司债(出入库对应104***、分销751970-751999)126*** 分离交易的可转换公司债(出入库对应105000-105899)128*** 可交换公司债(可交换公司债转股对应192***)(4)、其它债121*** 资产证券化122500-122999 国家发改委等核准发行的,登记在证券账户的债券(出入库对应104***、分销751970-751999)(5)、回购201*** 国债回购(席位托管方式)202*** 企业债回购203*** 国债买断式回购204*** 债券质押式回购(账户托管方式)205*** 债券质押式报价回购3、基金500*** 契约型封闭式基金510*** 交易型开放式指数证券投资基金519*** 开放式基金申赎521*** 开放式基金认购522*** 开放式基金跨市场转托管523*** 开放式基金分红524*** 开放式基金基金转换705*** 基金扩募735*** 基金申购745*** 基金申购款746*** 基金申购配号4、期货(1)、国债期货310*** 国债期货(暂停交易)5、权证580*** 权证(含股改权证、公司权证)582*** 权证行权6、综合指数/成分指数000*** 上证指数、沪深300指数、中证指数7、其他799*** 指定交易(含指定交易、撤销指定、回购指定撤销、A股密码服务等)706*** 要约收购704*** 持股配债。
1.上海证券交易所证券代码分配规则首位代码规则首位代码产品定义0国债/指数1债券2回购3期货4备用5基金/权证6A股7非交易业务(发行、权益分配)8备用9B股二、三位代码规则第1位第2-3位业务定义0 00 上证指数、沪深300(行情论坛)指数、中证指数09 国债(2000年前发行)10 国债(2000年-2009年发行)90 新国债质押式回购质押券出入库(对应010***国债)99 新国债质押式回购质押券出入库(对应009***国债)1 00 可转债(行情论坛)(对应600***),其中1009**用于转债回售10 可转债(对应600***)12 可转债(对应600***)13 可转债(对应601***)20 企业债(席位托管方式)21 资产证券化26 分离交易的可转换公司债29 企业债(席位托管方式)81 可转债转股(对应600***)90 可转债转股(对应600***)91 可转债转股(对应601***)2 01 国债回购(行情论坛)(席位托管方式)02 企业债回购03 国债买断式回购04 新质押式国债回购(帐户托管方式)3 10 国债期货(暂停交易)5 00 契约型封闭式基金10 交易型开放式指数证券投资基金19 开放式基金申赎21 开放式基金认购22 开放式基金跨市场转托管23 开放式基金分红24 开放式基金基金转换80 权证(含股改权证、公司权证)82 权证行权6 00 A股证券01 A股证券7 00 配股(对应600***)02 职工股配股(对应600***)04 持股配转债(对应600***)05 基金扩募06 要约收购30 申购、增发(对应600***)31 持股增发(对应600***)33 可转债申购(对应600***)35 基金申购38 网上投票(对应600***)40 申购款或增发款(行情论坛)(对应600***)41 申购或增发配号(对应600***)43 可转债发债款(对应600***)44 可转债配号(对应600***)45 基金申购款46 基金申购配号51 国债分销60 配股(对应601***)62 职工股配股(对应601***)64 持股配转债(对应601***)80 申购、增发(对应601***)81 持股增发(对应601***)83 可转债申购(对应601***)88 网络投票(对应601***)90 申购款或增发款(对应601***)91 申购或增发配号(对应601***)93 可转债申购款(对应601***)94 可转债配号(对应601***)99 指定交易(含指定交易、撤销指定(行情论坛)、回购指定撤销、A股密码服务等)9 00 B股证券38 网上投票(B股)39 B股网络投票密码服务(现仅用939988)2.深圳证券交易所证券代码分配规则第1位第2-3位业务定义0 00 A股主板证券01 A股主板证券02 A股中小板证券3 A股认购或认沽权证(注1)7 A股增发8 A股配股权证1 00-01 国债08 贴债09 地方政府债11 企业债12 公司债15 认股权和债券分离交易的可转换公司债券2 可转换债券3 债券回购5 开放式基金(注2)6 开放式基金(注2)8 证券投资基金2 0 B股证券8 B股权证3 0 创业板证券6 网络投票证券(注3)7 创业板增发8 创业板权证9 综合或成份指数/成交量统计指标(注4)注1:其中,【030000,032999】是认购权证代码区间;【038000,039999】是A股认沽权证代码区间;【033000,037999】为权证业务预留的代码区间;注2:其中,XXZQJB字段值为‘L’的,是上市开放式基金(LOF);XXZQJB字段值为‘E’的是交易型开放式指数基金(ETF),ETF基金代码区间为【159900,159999】;XXZQJB字段值为‘F’的是非交易型开放式基金(暂不交易,仅揭示基金净值及开放申购赎回业务);XXZQJB字段值为‘N’的是净值揭示服务开放式基金。
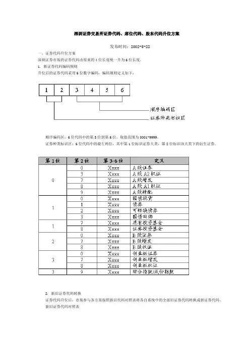
深圳证券交易所证券代码、席位代码、股东代码升位方案发布时间:2002-5-22一、证券代码升位方案深圳证券市场的证券代码由原来的4位长度统一升为6位长度。
1. 新证券代码编码规则升位后的证券代码采用6位数字编码,编码规则定义如下:顺序编码区:6位代码中的第3位到第6位,取值范围为0001-9999。
证券种类标识区:6位代码中的最左两位,其中第1位标识证券大类,第2位标识该大类下的衍生证券。
2. 新旧证券代码转换证券代码升位后,市场参与各方需按照新旧代码对照表将各自系统中的全部旧证券代码转换成新证券代码。
新旧证券代码对照表注:表中的'x'表示'0'-'9'中任一数字二、证券帐户号码升位方案深圳证券市场的证券帐户号码(俗称:股东代码)由原来的8位长度升为10位长度,本次升位的证券帐户包括A股证券帐户和基金证券帐户,B股证券帐户暂不升位,仍使用现行的8位代码长度。
1. 证券帐户号码编码规则升位后的证券帐户号码采用10位数字编码,编码规则定义如下:2. 新旧证券帐户号码转换证券帐户号码升位后,市场参与各方需按照新旧代码对照表将各自系统中的全部旧证券帐户号码转换成新证券帐户号码。
新旧证券帐户号码对照表2 1xxxxxxx 001xxxxxxx 基金证券帐户注:表中'x'表示'0'-'9'中任一数字;'Y'表示除'1'之外的任一数字。
证券帐户号码升位后,原证券帐户卡仍然有效,投资者不需要重新更换证券帐户卡。
投资者和证券商在参与深圳证券市场的交易、结算和登记等各类业务时,只需自行在原8位证券帐户号码的左端加上'00',就可以作为新的证券帐户号码参与深圳证券市场的各类业务。
由于B股证券帐户暂不升位,而《深圳证券交易所数据接口规范》中的证券帐户字段已扩为10位,因此投资者和证券商在进行B股业务的委托报盘时,需在8位B股证券帐户号码的左端加上'00'。
从编码如何区分交易品种由于我国证券市场的不断繁荣壮大,目前在沪、深两地证券交易所挂牌交易的品种愈来愈多,加之现在证券交易的无纸化和电子化的普及,交易品种都有其挂牌代码来进行处理、交易的,所以从其代码就可分辨其交易类别及种类。
在上海证券交易所挂牌的交易品种皆由6位数字来进行编码的,而深圳皆由4位数字来进行编码的。
其编码范围如下:上海证券交易所的编码:100***企业转债 500***基金 550***投资基金 600***A股 900***B股 00****国债现货 12****企业债券 201***国债回购 700***配股701***转配 710***转让 711***转转 72****红利 730***新股申购 740***申购款741***申购配号 77****国债利息深圳证券交易所的编码:0***A股 2***B股 3***转配、A2配 53**企业转债 4***基金 7***增发 8***配股、A1配 10**企业债券 18**国债回购 19**国债现货自1996年开始,深交所将国债现货的证券编码作了相应调整,具体方法是:“19+年号(1位数)+当年国债发行期数”。
原编码中最后一位数是用来表示国债期限的,现用来表示当年国债发行的期数(顺序号)。
什么是市盈率市盈率是一个反映股票收益与风险的重要指标,也叫市价盈利率。
它是用当前每股市场价格除以该公司的每股税后利润,其计算公式如下:市盈率=股票每股市价/每股税后利润在上海证券交易所的每日行情表中,市盈率计算采用当日收盘价格,与上一年度每股税后利润的比值称作市盈率Ⅰ,与当年每股税后利润预测值的比较称作为市盈率Ⅱ。
不过由于在香港上市公司不要求作盈利预测,故H股板块的A股(如青岛啤酒)只有市盈率Ⅰ这一项指标。
所以说,一般意义上的市盈率是指市盈率Ⅰ。
一般来说,市盈率表示该公司需要累积多少年的盈利才能达到目前的市价水平,所以市盈率指标数值越低越小越好,越小说明投资回收期越短,风险越小,投资价值一般就越高;倍数大则意味着翻本期长,风险大。
债券编码规则1.交易所品种:1.1. 国债主要特点,流动性和安全性均好,且利息免税编码规则:上海:07年以前01+年份+期数(如21国债12-010112)07年以后019+年份尾数+期数(如11国债10-019110)深圳:10+年份+期数(如11国债10——101110)1.2. 地方债主要特点,与国债相同,但流动性较差编码规则:上海130+发行顺序(09新疆债01——130000)深圳109+发行顺序(09新疆债01——109001 )1.3. 企业债产品多样,主体以非上市公司为主,收益相对较高,但利息不免税编码规则:上海122+发行顺序(如10红投02 ——122875)深圳111+发行顺序(如08长兴债——111047)1.4. 中小企业私募债编码规则:上海125+发行顺序(如12珍贝羊绒债——125076)深圳118+发行顺序(如13威士达债——118054)1.5. 公司债发行主体以上市公司为主,收益相对较高,但利息不免税编码规则:上海122+发行顺序(如07长电债——122000)深圳112+发行顺序(如08粤电债——112001)1.6. 分离债产品数量较少,全部为上市公司发行,资质较好,票面利率低,较一般债券税负较低编码规则:上海126+发行顺序(如06马钢债—126001)深圳115+发行顺序(如国安债1 —-115002)1.7. 可转债全部为上市公司发行,利率低,但具备股性,弹性大于一般纯债品种编码规则:上海110+发行顺序(如新钢转债——110003)上海601开头的股票,其转债以113开头(如中行转债113001)深圳125+股票代码后三位(如唐钢转债——125709)深圳002开头的中小板股票,其转债128开头。
若其发行过转债,再次发行125变为126,128变为129(如巨轮转2——1 29031)2.银行间品种2.1. 国债编码规则:年份+00+期数(如10国债01——100001)2.2. 央票编码规则:年份+01+期数(如10央票001——1001001)2.3. 政策性金融债国开债编码规则:年份+02+期数(如10国开01——100201)进出口债编码规则:年份+03+期数(如10进出01——100301)农发债编码规则:年份+04+期数(如10农发01——100401)2.4. 商业银行金融债工行编码规则:年份+05+期数(如10工行01——100501)中行编码规则:年份+06+期数(如10中行01——100601)建行编码规则:年份+07+期数(如10建行001——100701)2.5. 短融、中票短融编码规则:年份+81+顺序号(如10沈机床CP01——1081001)中票编码规则:年份+82+顺序号(如10陕有色MTN1——1082002)企业债:编码规则:年份+80+顺序号(如10长高新债——1080008)。
深交所证券代码编码规则
以下是 8 条关于深交所证券代码编码规则的内容:
1. 嘿,深交所的证券代码可不是随便编的哟!就像每个人都有自己独特的身份证号一样,证券也有它们专属的代码呢!比如说深发展,它的代码就代表着它在深交所的独特身份呀!
2. 深交所证券代码编码可是有一套学问的哦!这就好像给证券们贴上独一无二的标签,让我们能一下子就认出它们。
像万科,看到它的代码,不就知道是它嘛!
3. 哇塞,深交所证券代码编码规则真的很有意思呀!这不就如同给证券们排兵布阵,每个代码都有其特定的位置。
比如格力电器的代码,多好记呀!
4. 深交所的证券代码编码规则其实不难懂啦!可以想象成是给证券们打造的特殊标记,就像茅台有自己特定的代码来标识它一样呢!
5. 深交所证券代码的编码规则可是很重要的呀!它就好像是证券世界里的导向牌,指引着我们找到对应的证券。
比如美的集团,靠代码就能锁定它啦!
6. 哎呀呀,深交所证券代码编码规则真的很神奇呀!就像给证券们穿上了独一无二的衣服,一下子就能分辨出来呢。
例如五粮液的代码,多特别!
7. 深交所证券代码编码规则,那可是相当关键哟!这就像给证券们准备的秘密暗号,只有懂了才能找到它们呀。
好比平安银行的代码,一下子就知道是它咯!
8. 深交所证券代码的编码确实有它的讲究呢!相当于给证券们划分了专属领地,凭借代码就能找到啦。
如同招商银行,看到它的代码就晓得是它呀!
总的来说,深交所证券代码编码规则是证券市场中非常重要的一部分,让我们能准确地识别和交易各种证券。
沪深两市代码有什么区别:深圳股票代码“002”开头的是中小板,“000”开头的是主板,“3”开头的是创业板;上海股票代码“6”开头的,全部的上海股票都为主板。
上海B股代码是以900开头,新股申购的代码是以730开头,配股代码以700开头。
深圳B股代码是以200开头,新股申购的代码是以00开头,配股代码以080开头。
权证:沪市是580打头,深市是031打头。
A股,指的是在我国境内公司发行,由内地投资者交易,以人民币计价的股票。
B股,指的是在我国境内上市,有境内公司发行,以外币进行交易的股票。
上海交易所上市的B股以美元计价交易,深圳交易所上市的B股以港币计价交易。
2001年2月19日后,B股市场向持有美元或港币的内地投资者开放。
H股指的是公司注册地在中国内地,但在香港证券交易所上市的股票。
很多公司既在香港上市,也在内地上市,如中国石化。
既是H股,又是A股。
N股(纽约上市)
S股(新加坡上市)
L股(伦敦上市)。
由于我国证券市场的不断繁荣壮大,在沪、深两地证券交易所挂牌交易的品种愈来愈多,加之现在证券交易的无纸化和电子化的普及,交易品种都有其挂牌代码来进行处理、交易的,所以从其代码就可分辨其交易类别及种类。
在上海证券交易所挂牌的交易品种皆由6位数字来进行编码的,而深圳皆由4位数字来进行编码的。
其编码范围如下:沪市A股票买卖的代码是以600或601打头,如:运盛实业,股票代码是600767,中国国航(7.72,0.32,4.32%)是601111。
B股买卖的代码是以900打头,如:上电B股(0.448,0.00,0.90%),代码是900901。
深市A股票买卖的代码是以000打头,如:顺鑫农业(10.66,-0.05,-0.47%),股票代码是000860。
B股买卖的代码是以200打头,如:深中冠B(4.04,-0.03,-0.74%)股,代码是200018。
沪市新股申购的代码是以730打头。
如:中信证券(40.89,-0.88,-2.11%)申购的代码是730030。
深市新股申购的代码与深市股票买卖代码一样,如:中信证券在深市市值配售代码是003030。
配股代码,沪市以700打头,深市以080打头。
如:运盛实业配股代码是700767。
深市草原兴发配股代码是080780。
中小板股票代码以002打头,如:东华合创(33.06,0.27,0.82%)代码是002065。
股票代码除了区分各种股票,也有其潜在的意义,比如600***是大盘股,6006**是最早上市的股票,有时候,一个公司的股票代码跟车牌号差不多,能够显示出这个公司的实力以及知名度,比如000088盐田港,000888峨眉山。
在上海证券交易所上市的证券,根据上交所"证券编码实施方案",采用6位数编制方法,前3位数为区别证券品种,具体见下表所列:001×××国债现货;110×××120×××企业债券;129×××100×××可转换债券;201×××国债回购;310×××国债期货;500×××550×××基金;600×××A股;700×××配股;710×××转配股;701×××转配股再配股;711×××转配股再转配股;720×××红利;730×××新股申购;735×××新基金申购;737×××新股配售。
附件:
上海证券交易所证券代码分配指南
一、证券代码定义及编码原则
证券代码是指上海证券交易所(以下简称本所)用于证券交易及非交易业务的数字编码。
本所证券代码采用6位阿拉伯数字编码,取值范围为000000-999999。
6位代码的前3位为类别标识区,其中第一位为类别标识,第二位至第三位为业务标识,6
类别标识区顺序编码区
二、证券代码类别分配表
三、证券代码类别与业务标识分配规则
-3-
-4-
-5-
-6-
-7-
-8-
-9-
-10-
1根据《上海证券交易所交易型开放式指数基金业务实施细则》(上证交字〔2012〕30号),沪市指数指成份证券仅包括本所上市证券或相关资产的指数。
2根据《上海证券交易所交易型开放式指数基金业务实施细则》(上证交字〔2012〕30号),跨市场指数指成份证券包括本所和深圳证券交易所上市证券或相关资产的指数。
3根据《上海证券交易所交易型开放式指数基金业务实施细则》(上证交字〔2012〕30号),跨境指数指成份证券包括中国大陆以外证券交易所上市证券或相关资产的指数。
-11-
-12-
-13-
-14-
-15-
-16-
-17-
-18-
-19-
四、附则
本所可以根据具体情况调整代码分配指南。
-20-。
上海证券交易所编号规则
1.证券代码是由6位数字组成,前3位表示证券所在交易所,后3位表示证券的具体分类和代码。
2. 上海证券交易所的证券代码以6开头,例如600000,表示该证券是在上交所交易的。
3. 后3位数字的含义如下:
001-099:表示股票;
100-199:表示债券;
200-299:表示基金;
300-399:表示权证;
400-499:表示期货;
500-599:表示ETF;
600-699:表示债券回购;
700-799:表示指数;
900-999:表示其他。
4. 证券代码中的第4位数字表示证券的具体分类,例如股票代码中的4表示A股,6表示B股,7表示权证等等。
5. 证券代码中的第5、6位数字表示证券的具体代码,例如股票代码中的000表示该股票是交易所的第一只股票,001表示第二只,以此类推。
6. 上海证券交易所的证券代码规则在不断变化,投资者需及时关注证券代码的变化和调整。
沪深交易所代码规则整理深交所证券代码编码规则1、股票(1)、A股证券 00**** (2)、A股增发 07**** (3)、A股A1权证 08****(4)、A股A2权证 03****(5)、A股转配 09****(6)、创业板证券 30**** (7)、创业板增发 37**** (8)、创业板权证 38****(9)、B股证券 20**** (10)、B股增发 27**** (11)、B股权证 28**** 2、债券(1)、国债现货 10****、国债回购 13**** (2)(3)、债券 11**** (4)、可转换债券 12**** 3、基金(1)、原有投资基金 17**** (2)、证券投资基金 18**** 4、综合指数/成分指数(1)、综合指数/成分指数 39****上交所证券代码编码规则1、股票(1)、600*** A股证券对应:配股 700***职工股配股 702***申购、增发 730***持股增发 731***可转债申购 733***网上投票 738***申购款或增发款 740***申购或增发配号 741***可转债发债款 743***可转债配号 744***可转债 100*** (1009用于转债回售)(2)、601*** A股证券对应:配股 760***职工股配股 762***申购、增发 780***持股增发 781***可转债申购 783***网上投票 788***申购款或增发款 790***申购或增发配号 791***可转债申购款 793***可转债配号 794***(3)、900*** B股证券938*** B股网上投票939*** B股网络投票密码服务(现仅用939988) 2、债券(1)、国债009*** 国债(2000年前发行)(质押式回购出入库对应099***)010*** 国债(2000—2009发行)(质押式回购出入库对应090***) 019*** 固定收益电子平台交易国债020*** 记账式贴现国债(出入库对应107***)751000-751199 国债分销、地方政府债券 (2)130*** 地方政府债(出入库对应106***、分销751900-751969) (3)、企业债/公司债120***/129*** 企业债(出入库对应105900-105999)122000-122499 公司债(出入库对应104***、分销751970-751999) 126*** 分离交易的可转换公司债(出入库对应105000-105899) 128*** 可交换公司债(可交换公司债转股对应192***)(4)、其它债121*** 资产证券化122500-122999 国家发改委等核准发行的,登记在证券账户的债券(出入库对应104***、分销751970-751999) (5)、回购201*** 国债回购(席位托管方式)202*** 企业债回购203*** 国债买断式回购204*** 债券质押式回购(账户托管方式)205*** 债券质押式报价回购3、基金500*** 契约型封闭式基金510*** 交易型开放式指数证券投资基金519*** 开放式基金申赎521*** 开放式基金认购522*** 开放式基金跨市场转托管523*** 开放式基金分红524*** 开放式基金基金转换705*** 基金扩募735*** 基金申购745*** 基金申购款746*** 基金申购配号4、期货、国债期货 (1)310*** 国债期货(暂停交易) 5、权证580*** 权证(含股改权证、公司权证)582*** 权证行权6、综合指数/成分指数000*** 上证指数、沪深300指数、中证指数7、其他799*** 指定交易(含指定交易、撤销指定、回购指定撤销、A股密码服务等)706*** 要约收购704*** 持股配债。
a股编号规则
一、A股编号规则
1、上市公司挂牌A股编号规则:
A股市场A股编号前三位为股票交易所编号,
其中上海交易所为600开头,深圳交易所为000开头。
2、创业板编号规则:
创业板A股编号前三位为股票交易所编号,其中深交所为300开头,
深圳交易所为002开头。
3、股票简称由两个汉字组成:
股票简称由英文字母和汉字组成,每个股票简称不能超过四个汉字。
4、简称规则:
根据上市公司全称的汉字及字母,组成有意义的两个汉字简称,汉字为首,以四个字母(汉字除外)为最末,汉字不能出现多音字,影响股票发行的简称当采取添加多一字母的方式处理;
5、简称审核:
公司提交的股票简称,由证监会审核,审核时要考虑不要和其他股票的简称重复,
同时,还要考虑股票简称的字数有没有超过四个汉字或四个字母,以及发行的股票简称是否表达正确。
- 1 -。
中国证交所证券编码规则股票代码用数字表示股票的不同含义。
股票代码除了区分各种股票,也有其潜在的意义,比如600***是大盘股,6006**是最早上市的股票,一个公司的股票代码跟车牌号差不多,能够显示出这个公司的实力以及知名度,比如000088盐田港,000888峨眉山。
开头沪市票买卖的代码是以600或601打头,如:运盛实业:股票代码是600767。
中国国航:股票代码是601111。
B股买卖的代码是以900打头,如:上电B股:代码是900901。
深市A股票买卖的代码是以000打头,如:顺鑫农业:股票代码是000860。
B 股买卖的代码是以200打头,如:深中冠B股,代码是200018。
沪市新股申购的代码是以730打头。
如:中信证券:申购的代码是730030。
深市新股申购的代码与深市股票买卖代码一样,如:中信证券在深市市值配售代码是003030。
配股代码,沪市以700打头,深市以080打头。
如:运盛实业配股代码是700767。
深市草原兴发配股代码是080780。
中小板股票代码以002打头,如:东华合创股票代码是002065。
创业板股票代码以300打头,如:探路者股票代码是:300005上交所编码方案在上海证券交易所上市的证券,根据上交所"证券编码实施方案",采用6位数编制方法,前3位数为区别证券品种,具体见下表所列:001×××国债现货;110×××120×××企业债券;129×××100×××可转换债券;201×××国债回购;310×××国债期货;500×××550×××基金;600×××A股;700×××配股;710×××转配股;701×××转配股再配股;711×××转配股再转配股;720×××红利;730×××新股申购;735×××新基金申购;737×××新股配售。
交易所品种:国债:主要特点,流动性和安全性均好,且利息免税编码规则:上海07年以前01+年份+期数(如21国债12——010112)07年以后019+年份尾数+期数(如11国债10——019110)深圳10+年份+期数(如11国债10——101110)地方债:主要特点,与国债相同,但流动性较差编码规则:上海130+发行顺序(09新疆债01——130000)深圳109+发行顺序(09新疆债01——109001)企业债:产品多样,主体以非上市公司为主,收益相对较高,但利息不免税编码规则:上海122+发行顺序(如10红投02——122875)深圳111+发行顺序(如08长兴债——111047公司债:发行主体以上市公司为主,收益相对较高,但利息不免税编码规则:上海122+发行顺序(如07长电债——122000)深圳112+发行顺序(如08粤电债——112001)分离债:产品数量较少,全部为上市公司发行,资质较好,票面利率低,较一般债券税负较低编码规则:上海126+发行顺序(如06马钢债—126001)深圳115+发行顺序(如国安债1—-115002)可转债:全部为上市公司发行,利率低,但具备股性,弹性大于一般纯债品种编码规则:上海110+发行顺序(如新钢转债——110003)上海601开头的股票,其转债以113开头(如中行转债——113001)深圳125+股票代码后三位(如唐钢转债——125709)深圳002开头的中小板股票,其转债128开头。
若其发行过转债,再次发行125变为126,128变为129(如巨轮转2——129031)银行间品种国债:编码规则:年份+00+期数(如10国债01——100001)央票:编码规则:年份+01+期数(如10央票001——1001001)政策性金融债:国开债编码规则:年份+02+期数(如10国开01——100201)进出口债编码规则:年份+03+期数(如10进出01——100301)农发债编码规则:年份+04+期数(如10农发01——100401)商业银行金融债:工行编码规则:年份+05+期数(如10工行01——100501)中行编码规则:年份+06+期数(如10中行01——100601)建行编码规则:年份+07+期数(如10建行001——100701)短融、中票:短融编码规则:年份+81+顺序号(如10沈机床CP01——1081001)中票编码规则:年份+82+顺序号(如10陕有色MTN1——1082002)企业债:编码规则:年份+80+顺序号(如10长高新债——1080008)。
股票代码编制规则多篇股票编码规则股票代码编制规则一篇在上海证券交易所上市的证券,根据上交所“证券编码实施方案〃,采用6位数编制方法,前3位数为区别证券品种,具体见下表所列:001_国债现货;Ilo_120_企业债券;129_100_可转换债券;201—国债回购;310_国债期货;500_550_基金;600_A股;700_配股;710_转配股;701_转配股再配股;711_转配股再转配股;720_红利;730_新股申购;735_新基金申购;737—新股配售;900_B股。
扩展资料以前深交所的证券代码是四位,前不久已经升为六位具体变化如下:深圳证券市场的证券代码由原来的4位长度统--升为6位长度。
1、新证券代码编码规则升位后的证券代码采用6位数字编码,编码规则定义如下:顺序编码区:6位代码中的第3位到第6位,取值范围为OOOl-9999。
证券种类标识区:6位代码中的最左两位,其中第1位标识证券大类,第2位标识该大类下的衍生证券。
中国股市的股票代码是根据以下的板块分类:1、创业板。
创业板的代码是300打头的股票代码。
2、沪市A股。
沪市A股的代码是以600、601或603打头。
3、沪市B股。
沪市B股的代码是以900打头。
4、深市A股。
深市A股的代码是以000打头。
5、中小板。
中小板的代码是002打头。
6、深圳B股。
深圳B股的代码是以200打头。
7、新股申购。
沪市新股申购的代码是以730打头,深市新股申购的代码与深市股票买卖代码一样。
8、配股代码沪市以700打头,深市以080打头,沪市是580打头,深市是031打头。
股票代码用数字表示股票的不同含义。
股票代码除了区分各种股票,也有其潜在的意义,比如_是上交所上市的股票代码,6006_是最早上市的股票,一个公司的股票代码跟车牌号差不多,能够显示出这个公司的实力以及知名度,比如OoOO88盐田港,OOO888峨眉山。
扩展资料:一、股票名字前的字母含义:1、指数名字前的是指"贡"字,也就是“贡献〃的意思。
1.上海证券交易所证券代码分配规则
2.深圳证券交易所证券代码分配规则
注1:其中,【030000,032999】是认购权证代码区间;【038000,039999】是A股认沽权证代码区间;【033000,037999】为权证业务预留的代码区间;
注2:其中,XXZQJB字段值为‘L’的,是上市开放式基金(LOF);XXZQJB字段值为‘E’的是交易型开放式指数基金(ETF),ETF基金代码区间为【159900,159999】;XXZQJB字段值为‘F’的是非交易型开放式基金(暂不交易,仅揭示基金净值及开放申购赎回业务);XXZQJB字段值为‘N’的是净值揭示服务开放式基金。
注3:其中,369999为用于投资者服务密码激活/挂失处理的专用证券;
注4:其中,代码以395开头的证券用于揭示成交量统计指标。