中国建筑工程鲁班奖(国家优质结构奖)复查综合评价表-1
- 格式:doc
- 大小:436.50 KB
- 文档页数:53
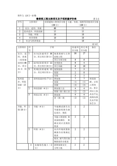
附件1:(表1—表9)
表1-2
创鲁班奖工程地基基础、主体结构工程施工项目管理工作质量评价表
表3-1 工程名称:施工单位:
创鲁班奖工程地基基础、主体结构工程施工资料管理工作质量评价表
表3-2 工程名称:施工单位:
创鲁班奖工程地基基础、主体结构工程实体质量评价表
表3-3 工程名称:施工单位:
工程名称:表4
“☆”者应见到原件。
工程复查情况(建筑与结构工程)
工程名称:表5
工程名称:表7
表8 工程名称:施工单位:
此表由专业工程专家简要填写,开过讲评会后即交组长保存。
作为复查档案的原始依据,以便向评委会如实汇报用。
工程推荐意见。
建协〔2011〕19号关于印发《中国建设工程鲁班奖(国家优质工程)复查工作细则(试行)》的通知各省、自治区、直辖市建筑业协会(联合会、施工行业协会),有关行业建设协会,解放军工程建设协会,国资委管理的有关建筑业企业:为更好地贯彻《中国建设工程鲁班奖(国家优质工程)评选办法》,规范鲁班奖复查工作,我会在总结多年复查工作经验的基础上,制定了《中国建设工程鲁班奖(国家优质工程)复查工作细则(试行)》,现印发给你们,请认真组织执行。
二○一一年四月二十一日中国建设工程鲁班奖(国家优质工程)复查工作细则(试行)第一章总则第一条为更好地贯彻《中国建设工程鲁班奖(国家优质工程)评选办法》(以下简称《评选办法》),规范中国建设工程鲁班奖(国家优质工程)(以下简称鲁班奖)复查工作,制定本细则。
第二条鲁班奖是我国建设工程质量的最高奖。
复查工作必须坚持以工程质量的实际情况为依据,以工程建设标准强制性条文为准绳的原则。
第三条鲁班奖复查工作实行回避制度,复查专家不得参与复查本单位施工的工程。
第四条工程复查采取量化指标评分和综合评价相结合的方式进行。
第五条鲁班奖每两年评比表彰一次。
复查工作分年度组织实施。
各地区建筑业协会、有关行业建设协会和有关单位应配合做好当年推荐工程的申报复查工作。
第六条鲁班奖复查工作应严格贯彻执行国家有关基本建设的法律、法规和方针政策,严格贯彻执行国家、行业现行的技术标准、施工规范和技术规程。
第二章工程评价基本要求第七条工程的整体水平应从以下五个方面进行综合评价:(一)工程安全、适用、美观1、各项技术指标符合国家工程建设标准、规范、规程。
2、设计先进合理,功能齐全,满足使用要求。
3、地基基础与主体结构安全稳定可靠,符合设计要求。
4、设备安装规范,管线布置合理美观,系统运行平稳、安全、可靠。
5、装饰细腻,工艺考究,观感质量上乘。
6、工程资料内容齐全、真实有效、编目规范,具有可追溯性。
(二)积极推进技术进步与科技创新1、获得省(部)级及以上科技进步奖或获得省(部)级及以上工法或发明专利、实用新型专利。
中国建设工程鲁班奖(国家优质工程)现场复查量化评价打分表(房建)中国建筑业协会2021年7月目录房建工程复查表 (9)中国建设工程鲁班奖(国家优质工程)现场复查量化评价打分说明 (10)表1:中国建设工程鲁班奖(国家优质工程)复查综合评价表 (15)表2:中国建设工程鲁班奖(国家优质工程)复查申报资料复核表 (16)表3-1:中国建设工程鲁班奖(国家优质工程)房建地基基础与主体结构工程实体质量(钢结构装配式)复查评价表 (18)表3-1:中国建设工程鲁班奖(国家优质工程)房建地基基础与主体结构工程实体质量(混凝土结构)复查评价表 (19)表3-2-1:中国建设工程鲁班奖(国家优质工程)屋面与装饰装修工程实体质量复查评价表 (20)表3-2-2:中国建设工程鲁班奖(国家优质工程)屋面与装饰装修工程实体质量复查评价表 (20)表3-2-3:中国建设工程鲁班奖(国家优质工程)屋面与装饰装修工程实体质量复查评价表 (22)表3-3:中国建设工程鲁班奖(国家优质工程)给排水及采暖工程实体质量复查评价表23表3-4:中国建设工程鲁班奖(国家优质工程)通风与空调工程实体质量复查评价表 24表3-5:中国建设工程鲁班奖(国家优质工程)建筑电气工程实体质量复查评价表.. 25表3-6:中国建设工程鲁班奖(国家优质工程)智能与电梯工程实体质量复查评价表 26表3-7-1:中国建设工程鲁班奖(国家优质工程)建筑与结构工程资料复查评价表错误!未定义书签表3-7-2:中国建设工程鲁班奖(国家优质工程)建筑与结构工程资料复查评价表错误!未定义书签表3-7-3:中国建设工程鲁班奖(国家优质工程)建筑节能及管理资料复查评价表错误!未定义书签表3-8:中国建设工程鲁班奖(国家优质工程)设备安装工程资料复查评价表错误!未定义书签。
表3-9:中国建设工程鲁班奖(国家优质工程)电气安装工程资料复查评价表错误!未定义书签。
房建工程复查表中国建设工程鲁班奖(国家优质工程)现场复查量化评价打分说明一、填表总体说明:1、房屋建筑工程实体抽查应覆盖所复查工程的外立面、屋面、顶层、标准层、首层、主要公共部位、结构转换层、超高层建筑的避难层、地下室、电井、管井、设备用房、室外等部位,抽查数量及要求依据《中国建设工程鲁班奖(国家优质工程)复查工作细则(2021年修订)》相关要求进行。
表1:中国建设工程鲁班奖(国家优质工程)推荐工程综合评价表工程名称:实得总分:推荐单位(盖章):填表日期:注:1、“安全、适用、美观”评价项目一栏,工业交通水利和市政园林工程的评价采用两组分值,括号内的分值是侧重桥梁、隧道、大坝等工程。
2、“技术进步与创新”一栏,按工程所显示的最高技术水平评分,不重复计分。
3、综合评价得分90分以上为“上好”,85分以上至90分及以下为“好”,85分及以下为“较好”。
表2中国建设工程鲁班奖(国家优质工程)复查分项评价表专家签字:填表时间:表3-0:中国建设工程鲁班奖(国家优质工程)复查申报资料复核表2、*项目为否决性指标,原则上应提供原件,符合要求方可进行现场复查。
3、审核复查情况需填写怎么文件编号。
表3-1:中国建设工程鲁班奖(国家优质工程)房屋建筑地基基础与主体结构工程实体质量复查评价表小计:注:该表满分100分(按工程实际得分率),在综合评价表1里,还打分表的权重为0.25'.表3-2-1:中国建设工程鲁班奖(国家优质工程)屋面与装饰装修工程实体质量复查评价表工程名称:'.表3-2-2:中国建设工程鲁班奖(国家优质工程)屋面与装饰装修工程实体质量复查评价表工程名称:'.表3-2-3:中国建设工程鲁班奖(国家优质工程)屋面与装饰装修工程实体质量复查评价表工程名称:'.表3-2-4:中国建设工程鲁班奖(国家优质工程)屋面与装饰装修工程实体质量复查评价表工程名称:'.表3-2-5:中国建设工程鲁班奖(国家优质工程)屋面与装饰装修工程实体质量复查评价表工程名称:专家签字:注:该表满分100分(按工程实际得分率),在综合评价表1里,该打分表的权重为0.2。
'.表3-3:中国建设工程鲁班奖(国家优质工程)给排水及采暖工程实体质量复查评价表工程名称:'.注:1、在推荐综合评价表(表1)里安装工程的分值为20分,该打分表的分配分值为4分,该表打分按总分100进行打分,打完后按4分制进行换算。
鲁班奖评选实施细则中国建设工程鲁班奖是我国建设工程质量最高奖项,要求整体工程安全、适用、美观,且为一次成优,处处体现精细,施工技术先进的工程,工程质量达到国内领先水平。
为了保证评选工作的公平、公正、公开和科学,特制定本细则。
第一条规定了本细则的制定目的,即为了贯彻实施中国建设工程鲁班奖评选办法,提高推荐、申评工作的质量。
第二条详细说明了鲁班奖的评选标准。
其中,整体工程安全适用包括地基基础与主体结构安全、可靠、耐久,要求地基、复合地基、桩基及建(构)筑物沉降变形等达到和超过设计及规范要求,观测数据正常或已经稳定,并经现场察看无地基与基础质量问题引起主体结构工程出现裂缝、倾斜或变形,地基基础周围回填土沉陷造成散水被破坏情况,变形缝、防震缝的设置或构造合理,且无开裂变形情况。
在混凝土子分部工程验收前应进行结构实体检验,结构工程实体混凝土强度和实体钢筋保护层厚度检测,工程测量,施工试验报告及见证检测报告等应符合设计及规范要求,结构不存在影响安全的裂缝、变形等不安全的隐患情况以及外形缺陷。
钢结构焊缝内部质量,高强螺栓连接副紧固质量,及其涂装、防腐和防火质量等应达到或超过设计及规范要求。
砌体工程层高及全高垂直度质量偏差值控制标准高于国家标准。
同时,该条还要求提供获得省部级优质结构奖的地区(行业)协会证明文件,或创鲁班奖工程中间检查评价记录。
装饰工程做工讲究、精致细腻是第二条的另一项评选标准。
要求满足建筑功能和使用安全的要求,其性能检测达到或超过设计和规范要求。
工程在舒适性等方面满足用户要求,观感质量精良。
有特殊要求的功能质量应达到相关的专业要求。
工程限值实测质量偏差低于国家标准和规范的允许值。
防水工程不渗不漏是第二条的另一项评选标准。
要求防水质量满足设计等级标准要求,蓄水(淋水)或大雨观察记录等试验资料齐全,防水层及细部无渗漏和积水。
第二条的最后一项评选标准是电气、设备安装工程安全可靠、功能完善、美观先进。
附件:中国建筑工程鲁班奖(国家优质工程)申报表工程名称申报单位(章)二OO 年月中国建筑业协会制填表说明1.本表由承建单位填写。
要求内容真实、准确,文字清楚。
2.填写的工程名称必须与立项批文的工程名称一致。
如有更改,需有相关单位的文件。
3.单位名称必须同相应的承包合同中的单位名称(章)一致。
如有更名,要有相应的批准文件。
4.单位简介主要填写单位的基本情况及主要业绩。
5.工程类别一栏,按(1)公共建筑工程类,(2)工业、交通、水利工程类,(3)市政、园林工程类,(4)住宅工程类分类填写。
6.申报说明按鲁班奖的申报条件逐项加以说明。
7.工程质量情况一览表中,质量验收结论以单位工程质量竣工验收记录为准。
如所申报工程是一个单位工程,应填写各分部工程质量验收结论;如所申报工程含多个单位工程,则需填写每个单位工程质量验收结论,表格不够可另加附页。
8.工程质量情况简介主要填写施工的特点、难点,主要施工方法和推广应用新技术情况,以及保证工程质量所采取的措施及取得的效果。
9.经济效益是指施工企业合理组织施工,在缩短工期、节省劳力、节约材料、降低成本和保证质量等方面取得的综合效益。
10.省、自治区、直辖市建筑业协会或国务院有关部门(总公司)建设协会对工程质量审核意见,是指推荐单位组织的专家评审组对工程质量的总体评价,包括对申报的各主要参建单位施工部分工程质量评价。
11.使用单位、主管单位意见,应含有工程质量水平及经济和社会效益等方面内容。
承建单位简况主要参建单位简况申报说明申报工程概况工程质量情况一览表工程质量情况简介。
中国建筑工程鲁班奖(国家优质工程)复查要点一前言鲁斑浆工程是施工企业的品牌工程,是全国最好工程中选拔出来的极品工程,它代表了当时全国建筑业工程质量的最高水平。
是内坚外美、优中选优的工程,是造型新颖、安全、适用的工程,是没有安全隐患和使用功能缺陷的工程,是经得起微观检查和时间考验的工程,是勇于创新、科技含量高的工程,是满足用户要求和使用单位非常满意的工程,是据国家规范、标准和强制性条文经过精心策划、精心组织、严格管理而产生的精品工程。
因此,鲁斑奖工程不但是企业的品牌、是企业走向社会的通行证,同时也是企业技术管理水平、施工管理水平等综合实力的体现。
下面我就把近几年检查鲁班奖的要点和体会向大家作以汇报:二复查依据1、中华人民共和国《工程建设标准强制性条文》2、中华人民共和国国家标准《建筑工程施工质量验收统一标准》GB 50300-20013、相应的国家规范、规程及标准4、各地区规范、规程、标准及企业标准5、建设部及中国建筑业协会对鲁班奖复查的特殊要求。
二、复查的重点内容1、地基与基础工程由于地基与基础在复查时已经隐蔽,不能直接观察,因此主要查工程的沉降情况,一是看工程主体与底层地面和散水是否有变形裂缝;二是观察主体工程是否有倾斜及变形裂缝;三是查阅相关的资料。
相关的资料如下:1)工程地质报告;2)基础桩复合地基:按《建筑地基基础工程施工质量验收规范》GB50202-2002及强制性条纹的要求:对水泥土搅拌桩复合地基、高压喷射注浆桩复合地基、砂桩地基、振冲桩复合地基、土和灰土挤压符合地基、水泥粉煤灰碎石桩复合地基及夯实水泥土桩复合地基,其承载力检验,数量为总数的0.5~1.0%,但不少于3处。
有单桩强度试验要求时,数量为总数的0.5~1.0%,但不少于3根。
主要检查:①检查复合地基处理方案;②检查复合地基原材料试验报告;③检查复合地基承载力试验报告。
3)打(压)入桩(预制混凝土方桩、先张法预应力管桩、钢桩),要检查桩位偏差和斜桩的倾斜角度的偏差(强):①桩位偏差按必须《建筑地基基础工程施工质量验收规范》(GB50202-2002)中表5.1.3及强制性条文的要求;②斜桩的倾斜角度的偏差不得大于倾斜角正切值的15%(倾斜角系桩的正向中心线与铅垂线间夹角)。
中国建设工程鲁班奖(国家优质工程)复查工作准则(试行)第一章总则第一条为了更好地贯彻《中国建设工程鲁班奖(国家优质工程)评选办法》(以下简称《评选办法》),规范鲁班奖复查工作,制定本准则。
第二条鲁班奖的复查工作应坚持公开、公正、公平的原则。
复查专家不得参与复查本单位施工的工程。
第三条鲁班奖复查工作要体现“优中选优”的原则。
工程复查采取量化指标评分和综合评价相结合的方式进行。
第四条鲁班奖评选表彰改为每两年一次,但为了避免评选年度的工程复查工作过于集中,影响复查工作质量,因此,各地区、各行业协会应按照每次申报工程总额分两年进行推荐,并配合做好当年推荐工程的申报复查工作。
第五条鲁班奖复查工作应严格贯彻执行国家有关基本建设的法律、法规和方针政策,严格贯彻执行国家、行业现行的技术标准、施工规范和技术规程。
第二章工程评价基本要求第六条鲁班奖是我国建设工程质量的最高奖。
对工程的整体水平应从以下五个方面进行综合评价:(一)工程必须安全、适用、美观1、各项技术指标符合国家工程建设标准、规范、规程。
2、工程设计先进合理,功能齐全,满足使用要求。
3、地基基础与主体结构安全稳定可靠,满足设计要求。
4、设备安装规范,管线布置合理美观,系统运行平稳,安全可靠。
5、工程装饰细腻,工艺考究,观感质量上乘。
6、工程资料内容齐全、真实有效、编目规范,具有可追溯性。
(二)积极推进技术进步与科技创新1、获得省(部)级及以上科技进步奖或获得省(部)级及以上工法或发明专利、实用新型专利。
2、推广应用建筑业十项新技术六项以上,且成效显著;积极采用新技术、新工艺、新材料、新设备并在关键技术和工艺上有所创新。
3、通过省(部)级及以上新技术(科技)示范工程验收,其成果达到国内先进水平。
(三)施工过程符合“四节一环保”1、在节能、节地、节水、节材等方面符合绿色施工规定的指标。
2、在环境保护方面符合国家有关规定,环保等专项验收合格。
3、获得地市级及以上文明工地或全国绿色施工示范工程荣誉称号。
附录1中国建筑工程鲁班奖(国家优质工程)评选办法中国建筑业协会(2000)建协字第17号文件附件第一章总则第一条为贯彻“百年大计、质量第一”的方针,落实国家《质量振兴纲要》和《建设工程质量管理条例》,促进建筑施工企业加强管理,推动我国建设工程质量水平的提高,决定在全行业开展创建国家优质工程评选活动。
奖名定为中国建筑工程鲁班奖(国家优质工程)(以下称鲁班奖)。
第二条鲁班奖是我国建筑行业工程质量的最高荣誉奖。
鲁班奖的评选对象为我国建筑施工企业在我国境内承包,已经建成并投入使用的各类工程,获奖单位分主要承建单位和主要参建单位。
鲁班奖的评选工作由中国建筑业协会组织实施。
第三条鲁班奖工程由我国建筑施工企业自愿申报,经省、自治区、直辖市建筑业协会和国务院有关部门(总公司)建设协会择优推荐后进行评选,质量应达到国内一流。
第四条鲁班奖每年评选一次,获奖工程数额为80个。
获奖工程的类别(见附件1)原则上按下述比例掌握:公共建筑工程占获奖总数的45%;工业、交通、水利工程占35%;住宅工程占12%;市政、园林工程占8%。
第二章评选工程范围第五条评选鲁班奖的工程,必须是符合基本建设程序,并已建成投产或使用的新建工程。
主要包括:(一)工业建设项目(包括土建和设备安装)。
工程规模应符合附件2的规定。
(二)交通工程。
工程规模应符合附件3的规定。
(三)水利工程.工程规模为库容量在1亿立方米以上(含)水库的主体工程。
(四)公共建筑和市政、园林工程。
工程规模应符合附件4的规定。
(五)住宅工程(包括住宅小区和高层住宅)。
工程规模应符合下列要求:1.建筑面积5万平方米以上(含)的住宅小区或住宅小区组团;2.非住宅小区内的建筑面积为2万平方米以上(含)的单体高层住宅。
第六条下列工程不列入评选工程范围。
(一)我国建筑施工企业承建的境外工程。
(二)境外企业在我国境内承包并进行施工管理的工程。
(三)竣工后被隐蔽难以检查的工程。
(四)保密工程。
表1:
中国建设工程鲁班奖(国家优质工程)推荐工程综合评价表工程名称:实得总分:
推荐单位(盖章):填表日期:
注:1、“安全、适用、美观”评价项目一栏,工业交通水利和市政园林工程的评价采用两组分值,括号内的分值是侧重桥梁、隧道、大坝等工程。
2、“技术进步与创新”一栏,按工程所显示的最高技术水平评分,不重复计分。
3、综合评价得分90分以上为“上好”,85分以上至90分及以下为“好”,85分及
以下为“较好”。
表2
中国建设工程鲁班奖(国家优质工程)复查分项评价表
专家签字:填表时间:表3-0:
中国建设工程鲁班奖(国家优质工程)复查申报资料复核表
注:1、综合验收指工业交通水利工程。
2、*项目为否决性指标,原则上应提供原件,符合要求方可进行现场复查。
3、审核复查情况需填写怎么文件编号。
表3-1:
中国建设工程鲁班奖(国家优质工程)房屋建筑地基基础与主体结构工程实体质量复查评价表
.
小计:
注:该表满分100分(按工程实际得分率),在综合评价表1里,还打分表的权重为0.25 .
表3-2-1:
中国建设工程鲁班奖(国家优质工程)屋面与装饰装修工程实体质量复查评价表工程名称:
.
表3-2-2:
中国建设工程鲁班奖(国家优质工程)屋面与装饰装修工程实体质量复查评价表工程名称:
.
.
表3-2-3:
中国建设工程鲁班奖(国家优质工程)屋面与装饰装修工程实体质量复查评价表工程名称:
.
表3-2-4:
中国建设工程鲁班奖(国家优质工程)屋面与装饰装修工程实体质量复查评价表工程名称:
.
表3-2-5:.
中国建设工程鲁班奖(国家优质工程)屋面与装饰装修工程实体质量复查评价表工程名称:
.
专家签字:
注:该表满分100分(按工程实际得分率),在综合评价表1里,该打分表的权重为0.2。
.
表3-3:
中国建设工程鲁班奖(国家优质工程)给排水及采暖工程实体质量复查评价表工程名称:
.
.
.
专家签字:填表时间:
注:1、在推荐综合评价表(表1)里安装工程的分值为20分,该打分表的分配分值为4分,该表打分按总分100进行打分,打完后按4分制进行换算。
2、检测部位屋面、顶层、转换层、标准层、首层、地下室、管井、设备用房。
.
表3-4:
中国建设工程鲁班奖(国家优质工程)通风与空调工程实体质量复查评价表工程名称:
.
.
专家签字:填表时间:
注:1、在推荐综合评价表(表1)里安装工程的分值为20分,该打分表的分配分值为4分,该表打分按总分100进行打分,打完后按4分制进行换算。
2、检测部位屋面、顶层、转换层、标准层、首层、地下室、管井、设备用房。
.
表3-5:
中国建设工程鲁班奖(国家优质工程)建筑电气工程实体质量复查评价表工程名称:
.
.
.
专家签字:填表时间:
注:1、在推荐综合评价表(表1)里安装工程的分值为20分,该打分表的分配分值为4分,该表打分按总分100进行打分,打完后按4分制进行换算。
.
2、检测部位屋面、顶层、转换层、标准层、首层、地下室、电井、设备用房。
表3-6:
中国建设工程鲁班奖(国家优质工程)智能建筑工程实体质量复查评价表工程名称:
.
.
专家签字:填表时间:
注:1、在推荐综合评价表(表1)里安装工程的分值为20分,该打分表的分配分值为4分,该表打分按总分100进行打分,打完后按4分制进行换算。
2、检测部位屋面、顶层、转换层、标准层、首层、地下室、管井、设备用房。
.
.
表3-7:
中国建设工程鲁班奖(国家优质工程)电梯工程实体质量复查评价表工程名称:
.
专家签字:填表时间:
注:在推荐综合评价表(表1)里安装工程的分值为20分,该打分表的分配分值为4分,该表打分按总分100分进行打分,打完后按照4分制进行换算。
.
表3-8:
中国建设工程鲁班奖(国家优质工程)节能分部评价表工程名称:实得总分:
专家签字:填表时间:
注:在推荐综合评价表(表1)里,该打分表的分值为3分,该打分表按总分100进行打分,打完后按3分制进行换算。
表3-9-1:
中国建设工程鲁班奖(国家优质工程)建筑与结构工程资料复查评价表
.
.
.
表3-9-2:
中国建设工程鲁班奖(国家优质工程)建筑与结构工程资料复查评价表
.
表3-9-3:
中国建设工程鲁班奖(国家优质工程)建筑与结构工程资料复查评价表
.
表3-9-4:
中国建设工程鲁班奖(国家优质工程)建筑与结构工程资料复查评价表
.
.
表3-9-5:
中国建设工程鲁班奖(国家优质工程)建筑与结构工程资料复查评价表
.
注:幕墙玻璃的检测在节能保温材料检测资料里
专家签字:填表时间:
注:在推荐综合评价表(表1)里,该打分表的分值为9分,该表打分按总分100进行打分,打完后按9分制进行换算。
.
表3-10:
中国建设工程鲁班奖(国家优质工程)设备安装工程资料复查评价表
.
表3-10续:
中国建设工程鲁班奖(国家优质工程)设备安装工程资料复查评价表工程名称:实得总分:
.
.
.
专家签字:
填表时间:
注:在推荐综合评价表(表1)里,该打分表的分值为4分,该表打分按总分100进行打分,打完后按4分制进行换算。
表3-11-1:
中国建设工程鲁班奖(国家优质工程) 电气安装工程资料 复查评价表
.。