PLC_模拟量控制
- 格式:ppt
- 大小:4.40 MB
- 文档页数:27
plc在生活中的运用
1、开关量的逻辑控制
这是 PLC 最基本、最广泛的应用领域它取代传统的继电器电路,实现逻辑控制、顺序控制,既可用于单台设备的控制,也可用于多机群控及自动化流水线。
如注塑机、印刷机、订书机械、组合机床、磨床、包装生产线、电镀流水线等。
2、模拟量控制
在生产过程中有很多不断变化的量,比如温度、湿度、压力、流速等,使用PLC能够实现模拟量和数字量之间的转换。
将外部电路的模拟量转换成数字量传输给PLC,将PLC的数字量转换成模拟量传输给外部电路。
3、运动控制
大部分PLC都是有双轴或多轴部位控制器来拖拽伺服电机或交流伺服电机。
该作用广泛运用于各类工业设备,如运动控制各种各样数控车床、安装机械设备、智能机器人等。
4、顺序控制
顺序控制是PLC应用广泛的领域,也是适合PLC发挥特长的领域。
用于替代传统继电器顺序控制的PLC顺序控制。
PLC应用于注塑机械、印刷机械、订书机械、包装机械、切纸机械、组合机床、磨床、装配生产线、电镀装配线、电梯控制等单机控制、多级群控、生产自动线控制等场景。
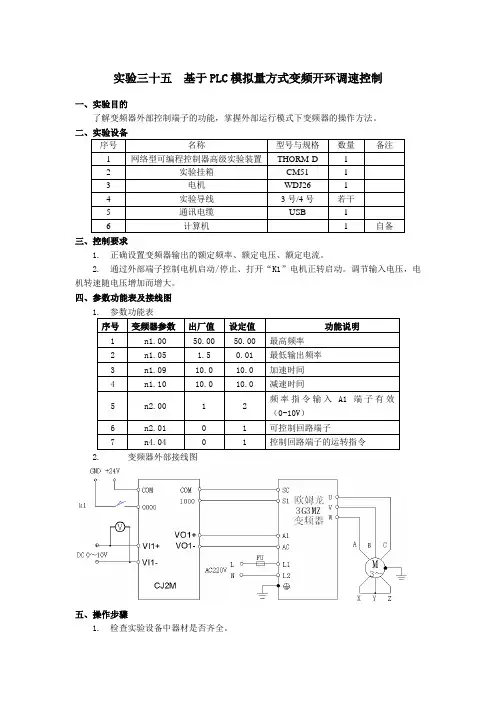
实验三十五基于PLC模拟量方式变频开环调速控制一、实验目的了解变频器外部控制端子的功能,掌握外部运行模式下变频器的操作方法。
二、实验设备序号名称型号与规格数量备注1 网络型可编程控制器高级实验装置THORM-D 12 实验挂箱CM51 13 电机WDJ26 14 实验导线3号/4号若干5 通讯电缆USB 16 计算机 1 自备三、控制要求1.正确设置变频器输出的额定频率、额定电压、额定电流。
2.通过外部端子控制电机启动/停止、打开“K1”电机正转启动。
调节输入电压,电机转速随电压增加而增大。
四、参数功能表及接线图1.参数功能表序号变频器参数出厂值设定值功能说明1n1.00 50.00 50.00 最高频率2n1.05 1.5 0.01 最低输出频率3n1.09 10.0 10.0 加速时间4n1.10 10.0 10.0 减速时间5n2.00 1 2 频率指令输入A1端子有效(0-10V)6n2.01 0 1 可控制回路端子7n4.04 0 1 控制回路端子的运转指令2.变频器外部接线图五、操作步骤1.检查实验设备中器材是否齐全。
2.按照变频器外部接线图完成变频器的接线,认真检查,确保正确无误。
3.打开电源开关,按照参数功能表正确设置变频器参数。
4.打开示例程序或用户自己编写的控制程序,进行编译,有错误时根据提示信息修改,直至无误,用通讯编程电缆连接计算机串口与PLC通讯口,打开PLC主机电源开关,下载程序至PLC中。
5.打开开关“K1”,调节PLC模拟量模块输入电压,观察并记录电机的运转情况。
六、实验总结1.总结PLC控制变频器的开环调速的操作方法。
2.记录变频器与电机控制线路的接线方法及注意事项。
PLC编程的3大量:开关量、模拟量、脉冲量讲解1、 开关量也称逻辑量,指仅有两个取值,0或1、ON或OFF(开关量只有两种状态0/1,包括开入量和开出量,反映的是状态)。
它是最常用的控制,对它进行控制是PLC的优势,也是PLC最基本的应用。
开关量控制的目的是,根据开关量的当前输入组合与历史的输入顺序,使PLC产生相应的开关量输出,以使系统能按一定的顺序工作。
所以,有时也称其为顺序控制。
而顺序控制又分为手动、半自动或自动。
而采用的控制原则有分散、集中与混合控制三种。
2、 模拟量是指一些连续变化的物理量(数字量是不连续的。
反映的是电量测量数值),如电压、电流、压力、速度、流量等。
PLC是由继电控制引入微处理技术后发展而来的,可方便及可靠地用于开关量控制。
由于模拟量可转换成数字量,数字量只是多位的开关量,故经转换后的模拟量,PLC也完全可以可靠的进行处理控制。
由于连续的生产过程常有模拟量,所以模拟量控制有时也称过程控制。
模拟量多是非电量,而PLC只能处理数字量、电量。
所有要实现它们之间的转换要有传感器,把模拟量转换成数电量。
如果这一电量不是标准的,还要经过变送器,把非标准的电量变成标准的电信号,如4—20mA、1—5V、0—10V等等。
同时还要有模拟量输入单元(A/D),把这些标准的电信号变换成数字信号。
模拟量输出单元(D/A),以把PLC处理后的数字量变换成模拟量——标准的电信号。
所以标准电信号、数字量之间的转换就要用到各种运算。
这就需要搞清楚模拟量单元的分辨率以及标准的电信号。
例如:PLC模拟单元的分辨率是1/32767,对应的标准电量是0—10V,所要检测的是温度值0—100℃。
那么0—32767对应0—100℃的温度值。
然后计算出1℃所对应的数字量是327.67。
如果想把温度值精确到0.1℃,把327.67/10即可。
模拟量控制包括:反馈控制、前馈控制、比例控制、模糊控制等。
这些都是PLC内部数字量的计算过程。
plc同步控制用法
PLC(可编程逻辑控制器)在同步控制中可以通过多种方式来实现多个伺服电机的同步运行。
以下是具体的方式:
1. 通过模拟量控制:一般采用0~10V信号控制,几套伺服就配几个输出,脉冲控制。
你可以选用晶体管输出的PLC,通过发不同的脉冲数来控制伺服系统的速度。
2. 采用通讯的方式:如RS485、MODBUS、现场总线等。
简单的多个伺服电机转速的同步,完全可以PLC不同输出口发同一个速度出去,这个不是
跟随,伺服驱动有脉冲输出功能,可以用这个控制下一台伺服的速度。
3. 最简单的用第一个伺服驱动的输出控制第二个伺服驱动器:就可以实现同步运动了,只要要求不是太高这种方法完全可行。
4. 在一台电机上安装编码器:通过编码器的反馈去控制另一台电机,来达到同步。
此外,还可以通过PLC的简单运动模块的手动脉冲器/INC同步编码器输入、将三菱伺服放大器的串行ABS同步编码器及ABS/INC标度作为同步编码器轴使用、将三菱PLC模块的输入模块上连接的格雷码的编码器作为同步编
码器轴进行控制等。
以上方式仅供参考,如需了解更多信息,建议咨询专业人士。
s7-1200plc模拟量控制电机转速的原理
S7-1200 PLC模拟量控制电机转速的原理是通过将模拟输入信号
转换为数字信号,然后再根据程序逻辑控制输出信号来控制电机转速。
首先,PLC通过模拟输入模块接收来自传感器的模拟信号,比如
转速传感器测量的转速信号。
这些模拟信号可以是电压、电流、温度
等物理量。
接下来,模拟输入模块会将模拟信号转换为数字信号,即将连续
的模拟量转化为离散的数字量。
转换过程基于模数转换技术,将模拟
信号按照一定的采样精度离散化处理。
然后,PLC中的程序通过读取模拟输入模块的数值,对其进行处
理和判断。
根据预设的控制逻辑,PLC会根据转速的目标值来计算控制电机所需的输出信号。
最后,PLC通过数字输出模块将控制信号发送到电机驱动器,以
控制电机的转速。
电机驱动器根据接收到的控制信号,调整电机的供
电电压和频率,从而实现控制电机转速的目的。
总之,S7-1200 PLC模拟量控制电机转速的原理是将模拟信号转
换为数字信号,然后通过程序逻辑控制输出信号,通过数字输出模块
发送控制信号给电机驱动器,从而实现对电机转速的控制。
plc模拟量原理PLC(可编程逻辑控制器)是一种用于自动化控制系统的电子设备。
它通过接收和处理来自传感器的模拟量信号来监测和控制不同的生产过程。
模拟量是指可以连续变化的物理量,例如温度、压力、流量等。
PLC的模拟量输入模块被用于将模拟信号转换为数字信号,以便PLC可以处理它们。
它通常包括一个模拟到数字转换器(ADC),用于将连续的模拟信号转换为离散的数字信号。
ADC将模拟信号分为许多小的离散级别,然后将每个级别映射到一个数字值。
PLC的模拟量输出模块被用于将数字信号转换为模拟信号,以便控制外部设备。
它通常包括一个数字到模拟转换器(DAC),用于将数字信号转换为相应的模拟信号。
DAC通过将数字值映射到一系列离散电压或电流级别来完成这个转换。
PLC通过读取和写入模拟量信号来实现对控制系统的监测和控制。
当PLC读取模拟量输入信号时,它会根据预设的条件和参数来判断是否需要采取相应的控制行动。
然后,PLC将处理后的控制信号发送到模拟量输出模块,以控制外部设备的行为。
例如,在一个温控系统中,PLC可以通过读取温度传感器的模拟量输入信号来监测当前的温度。
如果温度超过了预设的上限,PLC可以发送一个控制信号给加热器来降低温度。
相反,如果温度低于预设的下限,PLC可以发送一个控制信号给冷却器来提高温度。
总而言之,PLC的模拟量原理涉及将模拟信号转换为离散的数字信号,并将数字信号转换为相应的模拟信号,以实现对自动化控制系统的监测和控制。
这种技术使得PLC能够处理和控制各种实际物理量,使得生产过程更加稳定和可靠。
s7-1200plc模拟量控制电机转速的原理-回复摘要:1.S7-1200 PLC 概述2.模拟量控制电机转速的原理3.S7-1200 PLC 通过模拟量控制变频器的具体实现4.总结正文:一、S7-1200 PLC 概述S7-1200 PLC 是西门子公司推出的一款新型可编程控制器,具有较高的性能和灵活性。
它采用了模块化设计,可以满足各种工程需求。
S7-1200 PLC 具有丰富的通信接口和扩展能力,能够实现与其他设备的无缝集成。
二、模拟量控制电机转速的原理模拟量控制电机转速是通过对电机的频率、电压等模拟量信号进行调节,从而实现对电机转速的控制。
这种控制方式具有较高的精度和稳定性,能够满足对电机转速的精确控制需求。
三、S7-1200 PLC 通过模拟量控制变频器的具体实现1.通过FB 块实现功能封装S7-1200 PLC可以通过FB块实现对手动/自动模式切换、频率给定、频率反馈、无扰动切换等功能的封装。
FB块是S7-1200 PLC 的一种功能块,可以用于实现复杂的控制逻辑。
2.切换到手动模式当需要手动控制电机转速时,可以通过FB 块设定变频器的频率。
这样可以实现对电机转速的精确控制。
3.切换到自动模式当需要自动控制电机转速时,可以根据现场的逻辑设定变频器的频率。
S7-1200 PLC 可以通过通信接口读取设定的频率值,并将其发送给变频器,从而实现对电机转速的自动控制。
4.频率反馈S7-1200 PLC 可以通过模拟量输入接口读取电机的实际转速,并将其与设定的转速进行比较。
当设定的频率与实际转速有偏差时,S7-1200 PLC 可以发出报警信号,提醒操作人员进行相应的调整。
5.无扰动切换在手动模式和自动模式之间进行切换时,S7-1200 PLC 可以实现无扰动切换。
这样可以避免在切换过程中对电机转速产生影响,确保控制的稳定性。
四、总结通过使用S7-1200 PLC 对模拟量信号进行控制,可以实现对电机转速的精确控制。
1200plc模拟量指令
PLC(可编程逻辑控制器)是一种用于自动化控制的电子设备,
它通过编程来控制和监控工业过程。
PLC通常可以处理数字输入和
输出信号,但也有一些PLC可以处理模拟量输入和输出信号。
在PLC中,模拟量指令用于处理模拟量信号。
模拟量信号是连
续变化的信号,例如温度、压力、流量等。
PLC可以通过模拟量输
入模块接收模拟量信号,然后使用模拟量指令对其进行处理和控制。
模拟量指令的功能包括以下几个方面:
1. 模拟量输入,PLC可以通过模拟量输入模块接收外部传感器
或设备的模拟量信号。
模拟量输入指令可以读取和处理这些信号,
并将其转换为数字值供PLC程序使用。
2. 模拟量输出,PLC可以通过模拟量输出模块控制外部执行器
或设备的模拟量信号。
模拟量输出指令可以将数字值转换为模拟量
信号,并发送给外部设备。
3. 模拟量计算,PLC可以使用模拟量指令进行各种模拟量计算,
例如加减乘除、比较、滤波等。
这些计算可以用于控制和调节工业过程中的模拟量变量。
4. 模拟量调节,PLC可以使用模拟量指令对模拟量信号进行调节和控制。
例如,可以使用PID(比例、积分、微分)算法来实现温度、压力等模拟量变量的闭环控制。
5. 模拟量报警,PLC可以使用模拟量指令监测模拟量信号的状态,并在达到预设阈值时触发报警。
这可以帮助运维人员及时发现和处理异常情况。
总之,PLC的模拟量指令提供了丰富的功能和灵活性,可以处理和控制各种模拟量信号。
通过合理的编程和配置,可以实现精确的模拟量控制和监测,提高工业过程的效率和可靠性。