案例12 贝克曼梁法测弯沉计算
- 格式:docx
- 大小:97.27 KB
- 文档页数:1
贝克曼梁测定路基路面回弹弯沉试验一、目的与适用范围本方法适用于在土基、厚度不小于1m的粒料整层表面,用弯沉仪测试各测点的回弹弯沉值的试验;也适用于在旧路表面测定路面的综合回弹模量。
二、主要仪器标准车、路面弯沉仪、路表温度计、接长杆等。
三、主要试验步骤1、选择适当的标准车,实测各测点处的路面回弹弯沉值Li。
如在旧沥青面层测定时,应读取温度,进行测定弯沉值修正,得到标准温度20℃时的弯沉值。
四、计算1、计算全部测定值的算术平均值(L)、单次测量的标准差(S)和自然误差(r0):L=∑Li/NS=[∑(Li-L)^2]^0.5/(N-1)r0=0.675×S式中:Li--各测点的回弹弯沉值(0.01mm)N--测点总数2、计算各测点的测定值与算术平均值的偏差值 di=Li-L,并计算较大的偏差与自然误差之比di/r0。
当某个测点观测值的di/r0值大于下表中的d/r极限值时则应舍弃该测点,然后重复1的步骤计算所余各测点的算术平均值(L)及标准差(S)相对于不同观测次数的d/r的极限值N 5 10 15 20 50d/r 2.5 2.9 3.2 3.3 3.83、计算代表弯沉值:L1=L/S式中:L--舍弃不合要求的测点所余各测点弯沉的算术平均值S--舍弃不合要求的测点所余各测点弯沉的标准差4、计算土基、整层材料的回弹模量(E1)或旧路的综合回弹模量:E1=2pδα(1-μ^2)/E1式中:p--测定车轮的平均垂直荷载(MPa)δ--测定用标准车双圆荷载单轮传压面当量圆的半径(cm)μ--测定层材料的泊松比,根据部颁路面设计规范的规定取用α--弯沉系数,为0.712。
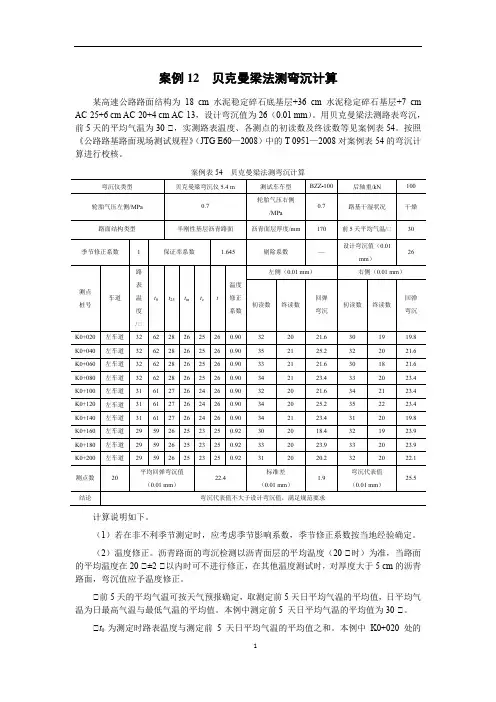
案例12 贝克曼梁法测弯沉计算某高速公路路面结构为18 cm水泥稳定碎石底基层+36 cm水泥稳定碎石基层+7 cm AC-25+6 cm AC-20+4 cm AC-13,设计弯沉值为26(0.01 mm)。
用贝克曼梁法测路表弯沉,前5天的平均气温为30 ℃,实测路表温度、各测点的初读数及终读数等见案例表54。
按照《公路路基路面现场测试规程》(JTG E60—2008)中的T 0951—2008对案例表54的弯沉计算进行校核。
案例表54 贝克曼梁法测弯沉计算计算说明如下。
(1)若在非不利季节测定时,应考虑季节影响系数,季节修正系数按当地经验确定。
(2)温度修正。
沥青路面的弯沉检测以沥青面层的平均温度(20 ℃时)为准,当路面的平均温度在20 ℃±2 ℃以内时可不进行修正,在其他温度测试时,对厚度大于5 cm的沥青路面,弯沉值应予温度修正。
℃前5天的平均气温可按天气预报确定,取测定前5天日平均气温的平均值,日平均气温为日最高气温与最低气温的平均值。
本例中测定前5 天日平均气温的平均值为30 ℃。
℃t0为测定时路表温度与测定前5天日平均气温的平均值之和。
本例中K0+020处的t0=32+30=62 ℃。
由t0查《公路路基路面现场测试规程》(JTG E60—2008)中T 0951—2008的图T 0951-2,可得路表下25 mm处的温度t25、沥青层中间深度的温度t m、沥青层底面处的温度t e。
℃求沥青层平均温度t。
t=(t25+ t m+t e)/3=(28+26+25)/3=26 ℃℃求温度修正系数K。
由沥青层平均温度t、沥青层厚度查《公路路基路面现场测试规程》(JTG E60—2008)中T 0951—2008的图T 0951-4。
℃换算为20 ℃时的回弹弯沉。
L20=L T×K。
(3)当用两台弯沉仪同时进行左右轮弯沉值的测定时,应按两个独立测点计,不能采用左右两点的平均值。
贝克曼梁测定路基路面回弹弯沉试验方法贝克曼梁测定路基路面回弹弯沉试验方法一、仪器与材料技术要求1、标准车轴:双轴,后轴双侧4轮是载重车。
其标准荷载、轮胎尺寸、轮胎间隙及轮胎气压等主要,参数应符合要求。
后轴标准轴载P (kN)100±1、一侧双轮荷载(kN)50±0.5、贝克曼梁轮胎充气压力(MPa)0.70±0.05、单轮传压面当量圆直径(cm)21.30±0. 5、轮隙宽度、应满足能自由插入弯沉仪测头的测试要求。
测试车应采用后轴,10t标准轴载BZZ-100的汽车。
2、路面弯沉仪:由贝克曼梁、百分表及表架组成。
贝克曼梁由合金铝制成,上有水准泡,其前臂(接触路面)与后臂(装百分表)长度比为2:1。
弯沉仪长度有两种:一种长3.6m,前后臂分别为2.4 m和1. 2m;另一种加长是弯沉仪长5.4m,前后臂分别为3.6m和1.8m 。
当在半刚性基层沥清路面或水泥混凝土路面上测定时,应采用长度5.4m的贝克曼梁弯沉仪;对柔性基层或混合料式结构沥青路面可采用长度为3.6m的贝克曼梁弯沉仪测定。
弯沉采用百分表量得。
3、接触式路表温度计:端部为平头,分度不大于1℃。
4、其它:皮尺、口哨、白油漆或粉笔、指挥旗等。
二、方法与步骤1、准备工作(4)弯沉仪可以是单侧测定,也可以是双侧稳定回零。
(5)测定者吹口哨发令指挥汽车缓缓前进,百分表随路面形变的增加而持续向前转动。
当表针转动到最大值时,迅速读取初读数L1。
汽车仍在继续前进,表针反向回转,待汽车驶出弯沉影响半径(约3m以上)后,吹口哨或挥动指挥红旗,汽车停止。
待表针回转稳定后,再次读取终读数L2.汽车前进的速度宜为5km/h左右。
四、弯沉仪的支点变形修正(1)当采用长度为3.6m的弯沉仪进行弯沉测定时,有可能引起弯沉仪支座处变形,在测定时应检验支点有无变形。
如果有变形,此时应用另一台检测用的弯沉仪安装在测定用弯沉仪的后方,其测点架于测定用弯沉仪的支点旁。
贝克曼梁弯沉仪路面弯沉测试由于目前工程上广泛使用贝克曼梁弯沉仪,故现着重介绍贝克曼梁弯沉仪的使用方法,从标准车、弯沉仪的选择、温度修正及弯沉计算等方面提出有关要点和注意事项。
1标准车标准车为双轴、后轴每侧为双轮胎的载重汽车,其标准轴荷载、轮胎尺寸、轮胎间隙及轮胎气压等技术参数见表1。
测定弯沉用的标准车参数表1 标准轴载等级 BZZ-100 BZZ-60 后轴标准轴载P(kN) 100±1 60±1 每侧双轮胎荷载(kN) 50±0.5 30±0.5 轮胎充气压力(MPa) 0.70±0.05 0.50±0.05 单轮传压面当量圆直径(cm) 21.30±0.5 19.50±0.5 轮隙宽度应满足能自由插入弯沉仪测头的测试要求测试车可根据需要按公路等级选择,高速公路、一级及二级公路应采用后轴10t的BZZ-100标准车;其他等级公路可采用后轴6t 的BZZ-60标准车。
测定弯沉用的标准车是很重要的,我国一直规定用解放牌CA-10B 型及黄河牌JN-150型作为两个荷载等级的标准车。
但这两种车型逐渐淘汰和不再生产,渐趋灭绝。
因此,规范对标准车的规定,仅规定轴重、轮压、气压等主要参数,凡符合这些参数的车型皆可使用。
测试前,应测定测试车的轴重、轮压、轮胎接地面积,与标准车的要求相差不应超过表1规定的值。
如有不符,应适当调整。
2弯沉仪的选择及弯沉仪误差修正弯沉仪由贝克曼梁、百分表及表架组成。
弯沉仪长度有两种:一种3.6m,前后臂分别为2.4m和1.2m;另一种加长的弯沉仪长5.4m,前后臂分别为3.6m和1.8m。
当在半刚性基层沥青路面上测定时,宜采用长度为5.4m的贝克曼梁弯沉仪,并采用BZZ-100标准车。
这是因为随着公路路面刚度提高,弯沉仪影响半径也越来越大。
统计表明,60年代中级路面的弯沉影响半径为0.5~1m;70年代三级沥青路面为1~1.5m,二级路面为1.5~2m;90年代高等级公路兴建后,路面弯沉影响半径普遍已发展到3m,有的已达到4m以上。
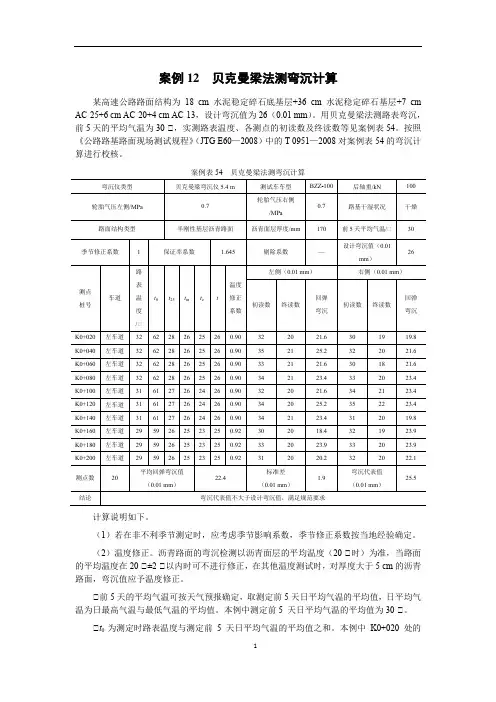
案例12 贝克曼梁法测弯沉计算某高速公路路面结构为18 cm水泥稳定碎石底基层+36 cm水泥稳定碎石基层+7 cm AC-25+6 cm AC-20+4 cm AC-13,设计弯沉值为26(0.01 mm)。
用贝克曼梁法测路表弯沉,前5天的平均气温为30 ℃,实测路表温度、各测点的初读数及终读数等见案例表54。
按照《公路路基路面现场测试规程》(JTG E60—2008)中的T 0951—2008对案例表54的弯沉计算进行校核。
案例表54 贝克曼梁法测弯沉计算计算说明如下。
(1)若在非不利季节测定时,应考虑季节影响系数,季节修正系数按当地经验确定。
(2)温度修正。
沥青路面的弯沉检测以沥青面层的平均温度(20 ℃时)为准,当路面的平均温度在20 ℃±2 ℃以内时可不进行修正,在其他温度测试时,对厚度大于5 cm的沥青路面,弯沉值应予温度修正。
①前5天的平均气温可按天气预报确定,取测定前5天日平均气温的平均值,日平均气温为日最高气温与最低气温的平均值。
本例中测定前5 天日平均气温的平均值为30 ℃。
②t0为测定时路表温度与测定前5天日平均气温的平均值之和。
本例中K0+020处的t0=32+30=62 ℃。
由t0查《公路路基路面现场测试规程》(JTG E60—2008)中T 0951—2008的图T 0951-2,可得路表下25 mm处的温度t25、沥青层中间深度的温度t m、沥青层底面处的温度t e。
③求沥青层平均温度t。
t=(t25+ t m+t e)/3=(28+26+25)/3=26 ℃④求温度修正系数K。
由沥青层平均温度t、沥青层厚度查《公路路基路面现场测试规程》(JTG E60—2008)中T 0951—2008的图T 0951-4。
⑤换算为20 ℃时的回弹弯沉。
L20=L T×K。
(3)当用两台弯沉仪同时进行左右轮弯沉值的测定时,应按两个独立测点计,不能采用左右两点的平均值。
贝克曼梁测定路基路面回弹弯沉试验方法贝克曼梁法一.计算方法Lr=L+Zα×SLr=该路段弯沉代表值,L=该路段回弹弯沉值的平均值,Zα=保证系数(一般市政道路二灰、灰土路基选1.645,沥青路面选1.5),S=该路段回弹弯沉值的标准差。
单点弯沉值计算方法:(初读数-终读数)×21.一般贝克曼梁,单轮直接读数*2就是估算的弯沉值了。
2.弯沉代表值=实测弯沉平均值+保证率系数*标准差。
高速公路、或者一级公路的沥青面层保证率系数是1.645。
高速公路、或者一级公路的路基、柔性基层保证率系数是2.0。
二级、三级公路沥青面层保证率系数是1.5。
二级、三级公路路基、柔性基层保证率系数是1.645。
2.方差s^2=[(x1-x)^2+(x2-x)^2+......(xn-x)^2]/(n) (x为平均数)3.标准差=方差的算术平方根二.试验方法与步骤1)试验前准备工作(1)检查并保持测定用标准车的车况及刹车性能良好,轮胎内胎符合规定充气压力。
(2)向汽车车槽中装载(铁块或集料),并用地中衡称量后轴总质量,符合要求的轴重规定,汽车行驶及测定过程中,轴重不得变化。
(3)测定轮胎接地面积;在平整光滑的硬质路面上用千斤顶将汽车后轴顶起,在轮胎下方铺一张新的复写纸,轻轻落下千斤顶,即在方格纸上印上轮胎印痕,用求积仪或数方格的方法测算轮胎接地面积、精确至0.1cm2 。
(4)检查弯沉仪百分表测量灵敏情况。
(5)当在浙青路面上测定时,用路表温度计测定试验时气温及路表温度(一天中气温不断变化,应随时测定),并通过气象台了解前5d的平均气温(日最高气温与最低气温的平均值)。
(6)记录沥青路面修建或改建时材料、结构、厚度、施工及养护等情况。
2)测试步骤(1)在测试路段布置测点,其距离随测试需要而定,测点应在路面行车车道的轮迹带上,并用白油漆或粉笔划上标记。
(2)将试验车后轮轮隙对准测点后约3 ~ 5cm处的位置上。
贝克曼梁测定路基路面回弹弯沉试验方法The document was finally revised on 2021贝克曼梁测定路基路面回弹弯沉试验方法一、仪器与材料技术要求1、标准车轴:双轴,后轴双侧4轮是载重车。
其标准荷载、轮胎尺寸、轮胎间隙及轮胎气压等主要,参数应符合要求。
后轴标准轴载P(kN)100±1、一侧双轮荷载(kN)50±、贝克曼梁轮胎充气压力(MPa)±、单轮传压面当量圆直径(cm)±0. 5、轮隙宽度、应满足能自由插入弯沉仪测头的测试要求。
测试车应采用后轴,10t标准轴载BZZ-100的汽车。
2、路面弯沉仪:由贝克曼梁、百分表及表架组成。
贝克曼梁由合金铝制成,上有水准泡,其前臂(接触路面)与后臂(装百分表)长度比为2:1。
弯沉仪长度有两种:一种长,前后臂分别为 m和1.2m;另一种加长是弯沉仪长,前后臂分别为和。
当在半刚性基层沥清路面或水泥混凝土路面上测定时,应采用长度的贝克曼梁弯沉仪;对柔性基层或混合料式结构沥青路面可采用长度为的贝克曼梁弯沉仪测定。
弯沉采用百分表量得。
3、接触式路表温度计:端部为平头,分度不大于1℃。
4、其它:皮尺、口哨、白油漆或粉笔、指挥旗等。
二、方法与步骤1、准备工作(1)检查并保持测定用标准车的车况及制动性良好,轮胎胎压符合规定充气压力。
(2)向汽车车槽中装载(铁块或集料),并用地中衡称量后轴总质量及单侧轮荷载,均应符合要求的轴中规定,汽车行驶及测定过程中,轴重不得变化。
(3)测定轮胎接地面积:在平整光滑的硬质路面上用千斤顶将汽车后轴顶起,在轮胎下方铺一张新的复写纸和一张格纸,轻轻落下千斤顶,即在方格纸上印上轮胎印痕,用求积仪或数方格的方法测算轮胎接地面积,准确至(4)检查弯沉仪百分表量测灵敏度情况。
(5)当在沥青路面测定时,用路表温度计测定试验时气温及路表温度,(一天中气温不断变化,应随时测定)(6)记录沥青路面修建或改建材料、结构、厚度、施工及养护等情况。
简述贝克曼梁法测定土基回弹弯沉的步骤贝克曼梁法是一种常用的测定土基回弹弯沉的方法,主要用于评估土基的强度和稳定性。
下面将对贝克曼梁法的步骤进行详细描述。
步骤一:准备工作1.选择合适的试验区域,保证试验区域表面平整,无明显的障碍物。
2.在试验区域内标出固定桩位,桩位之间的间距应根据需要进行调整,一般为1米至2米。
3.准备好测量工具和记录表格。
步骤二:测定土基弯沉1.将测量工具放置在所选的固定桩上,使其牢固地固定在土基上。
2.用力推动固定桩,使其产生一定程度的弯曲,然后松手使其回弹。
回弹的幅度可根据需要进行调整。
3.利用测量工具测量回弹弯沉的幅度,记录下测得的数据。
步骤三:重复测量1.在每个桩位上重复进行步骤二的操作,至少进行两次测量取得的数据符合要求。
若两次测量结果差异较大,应继续进行测量直至结果稳定为止。
2.对于较大的试验区域,应选择多个不同位置的试验点进行测量,以获得全面的数据。
步骤四:数据分析1.对于每个桩位的测量数据,计算其平均值和标准差。
2.将所有测量数据整理到数据表格中,绘制弯沉曲线图。
3.根据测量数据可以分析土基的回弹弯沉特性,评估土基的强度和稳定性。
较小的回弹弯沉值通常意味着土基较为坚固,强度较高;较大的回弹弯沉值则可能表示土基较为松散,强度较低。
步骤五:结果解释1.根据测得的弯沉数据和分析结果,结合工程实际情况,对土基的强度和稳定性进行判断和解释。
2.若土基的回弹弯沉值超过了设定的标准范围,则可能需要采取进一步的处理措施,如加固土基或选择其他合适的土地。
3.还可以将得到的数据与其他地区或其他工程项目的数据进行比较,从而更好地了解土基的状况和性质。
贝克曼梁法是一种较为简便的测定土基回弹弯沉的方法,通过对弯沉数据的测量和分析,可以对土基的强度和稳定性进行评估。
但需要注意的是,在进行实际测量时应严格按照标准操作程序进行,以确保测量结果的准确和可靠性。
贝克曼梁测定路基路面回弹弯沉的试验方法1 目的和适用范围1.1本方法适用于测定各类路基路面的回弹弯沉以评定其整体承载能力,可供路面结构设计使用。
1.2沥青路面的弯沉检测以沥青层平均温度20℃时为准,当路面平均温度在20℃±2℃内可不修正,在其他温度测定时,对沥青层厚度大于5cm的沥青路面,弯沉值应予温度修正。
2 仪具与材料本试验需要下列仪具与材料;1)标准车:双轴,后轴双侧4轮的载重车,主要参数见表7.1.2,测试车可根据需要按公路等级选择,高速公路、一级及二级公路应采用后轴的BZZ-100标准,其他等级公路可采用后轴60KN的BZZ-60标准车。
2)路面弯沉仪,由贝克曼梁百分表及表架组成,贝克曼梁由合金铝制成,上有水准泡,其前臂(接触路面)与后臂(装百分表)长度分别为240mm和120mm或360mm和180mm两种仪器。
其比值为2:1。
弯沉采用百分表量得,也可用自动记录装置进行测量。
3)路表温度计,分度不大于是1℃。
4)接长杆、直径Φ16mm,长500mm。
5)其它:皮尺、口哨、白油漆或粉笔,指挥旗等表T0951弯沉测定用的标准车参数3 试验方法3.1准备工作1)检查并保持测定用标准车的车况及刹车性能良好,轮胎内胎符合规定充气压力。
2)向汽车车槽中装载(铁块或集料),并用地中衡称量后轴总质量,符合要求的轴重规定,汽车行驶及测定过程中,轴重不得变化。
3)测定轮胎接地面积,在平滑的硬质路面上用千斤顶将汽车后轴顶起,在轮胎下方铺一张新的复写纸,轻轻落下千斤顶,即在方格上印上轮胎印痕,用求积仪或数方格的方法,测算轮胎接地面积,准确至0.1平方厘米。
4)检查弯沉仪百分表量测灵敏情况。
5)当为沥青路面时,用路表温度计测定试验时气温及路表温度(一天中气温不断变化,应随时测定),并通过气象台了解前5天的平均气温(日最高气温与最低气温的平均值)。
6)记录沥青路面修建或改建时材料、结构、厚度、施工及养护等情况。
贝克曼梁测定路基路面回弹弯沉试验方法贝克曼梁法一.计算方法Lr=L+Zα×SLr=该路段弯沉代表值,L=该路段回弹弯沉值的平均值,Zα=保证系数(一般市政道路二灰、灰土路基选1.645,沥青路面选1.5),S=该路段回弹弯沉值的标准差。
单点弯沉值计算方法:(初读数-终读数)×21.一般贝克曼梁,单轮直接读数*2就是估算的弯沉值了。
2.弯沉代表值=实测弯沉平均值+保证率系数*标准差。
高速公路、或者一级公路的沥青面层保证率系数是1.645。
高速公路、或者一级公路的路基、柔性基层保证率系数是2.0。
二级、三级公路沥青面层保证率系数是1.5。
二级、三级公路路基、柔性基层保证率系数是1.645。
2.方差s^2=[(x1-x)^2+(x2-x)^2+......(xn-x)^2]/(n) (x为平均数)3.标准差=方差的算术平方根二.试验方法与步骤1)试验前准备工作(1)检查并保持测定用标准车的车况及刹车性能良好,轮胎内胎符合规定充气压力。
(2)向汽车车槽中装载(铁块或集料),并用地中衡称量后轴总质量,符合要求的轴重规定,汽车行驶及测定过程中,轴重不得变化。
(3)测定轮胎接地面积;在平整光滑的硬质路面上用千斤顶将汽车后轴顶起,在轮胎下方铺一张新的复写纸,轻轻落下千斤顶,即在方格纸上印上轮胎印痕,用求积仪或数方格的方法测算轮胎接地面积、精确至0.1cm2 。
(4)检查弯沉仪百分表测量灵敏情况。
(5)当在浙青路面上测定时,用路表温度计测定试验时气温及路表温度(一天中气温不断变化,应随时测定),并通过气象台了解前5d的平均气温(日最高气温与最低气温的平均值)。
(6)记录沥青路面修建或改建时材料、结构、厚度、施工及养护等情况。
2)测试步骤(1)在测试路段布置测点,其距离随测试需要而定,测点应在路面行车车道的轮迹带上,并用白油漆或粉笔划上标记。
(2)将试验车后轮轮隙对准测点后约3 ~ 5cm处的位置上。