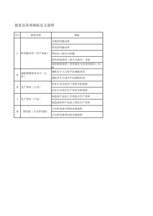
机器稼动率低分析报告
- 格式:ppt
- 大小:2.80 MB
- 文档页数:7
整线设备稼动率与节拍分析【摘要】稼动率和节拍是设备管理中的重要参数,稼动率越高,节拍越小,单位时间产能越大。
一般谈论稼动率和节拍都是针对特定设备,能不能整线考虑呢?本文着重介绍了稼动率与节拍定义、稼动率与节拍局限性、稼动率与节拍引申,讨论及具体的实施方法。
【关键词】稼动率;节拍;CIM;抗挠动;INTER-FACE;CF引言一般谈论稼动率和节拍都是针对特定设备,能不能整线考虑呢?由此引发怎样对整条生产线快速方便进行设备稼动率与生产节拍统计的思考。
一、稼动率与节拍定义稼动率是指相对于生产时间,实际生产产品的时间所占的比率。
是以机器设备的稼动时间除以最大负荷时间而得。
另外,如果设备实际产出单位产量所需的时间(以下简称实际节拍)>设备设计产出单位产量所需的时间(以下简称设计节拍),即使稼动率提高,规定时间内并不一定能生产出足够产品,反之亦然。
提升稼动率与降低实际节拍必不可少。
二、稼动率与节拍局限性如果整线考虑稼动率与节拍,就会发现存在着以下问题:(1)以前我们讨论稼动率与生产节拍缺少整线设备的考虑,即使考虑也是各单台机台稼动统计汇总数据,这些数据体现不出自动化生产线的抗挠动能力,对整线产能提升缺乏指导意义。
(2)整线设备并不一定由同一厂家生产,设备重要程度不同,发生问题频度与解决问题的耗时不同也即不同设备稼动率与节拍要求不一定相同。
(3)同一时间段有一台以上设备出故障,按单台基准统计整线稼动率不能准确反映实际状况。
实际生产特别是产能提升阶段这种情况很普遍。
(4)如果以单台设备稼动率与节拍分析整线数据,就要统计各单台设备数据,还要监控整线机台是否在相同时间重叠停机(泛指宕机,待机,停机等不运转状态,下同),还要考虑到整线的抗挠动能力。
以上要耗费较多人力。
三、稼动率与节拍引申,讨论自动化生产线生产中产品一件接一件向下游流动,我们可以将整线看作一台大设备组针对整条生产线进行数据分析,下面以CF黄光制程BM线举例介绍。
自动化设备的稼动率与可动率引言概述:自动化设备在现代工业生产中扮演着重要的角色,其稼动率和可动率是衡量设备运行效率和可靠性的重要指标。
稼动率指设备实际运行时间与总运行时间的比值,可动率则是指设备在规定时间内能够正常运行的概率。
本文将深入探讨自动化设备的稼动率与可动率,分析影响因素并提出提高稼动率和可动率的方法。
一、稼动率的影响因素1.1 设备故障率:设备故障率高会导致设备停机时间增加,从而降低稼动率。
1.2 维护保养:定期维护保养能够减少设备故障率,提高稼动率。
1.3 操作人员技能:操作人员技能和操作规范对设备稼动率有着直接影响。
二、可动率的计算方法2.1 可动率=设备正常运行时间/总运行时间,通常以百分比表示。
2.2 可动率的计算需要考虑设备的故障时间、维护时间和停机时间等因素。
2.3 可动率可以通过实际运行数据进行统计分析,以评估设备的运行状况。
三、提高稼动率的方法3.1 引入预防性维护:通过定期检查和保养,提前发现设备问题并进行修复,减少设备故障率。
3.2 持续改进:定期对设备运行数据进行分析,发现问题并及时改进,提高设备稼动率。
3.3 培训操作人员:提高操作人员的技能水平,让其能够熟练操作设备,减少操作失误导致的停机时间。
四、提高可动率的方法4.1 设备升级改造:对老化设备进行升级改造,提高设备的稳定性和可靠性。
4.2 定期维护保养:定期进行设备维护保养,减少设备故障率,提高可动率。
4.3 实施预防性维护计划:通过预防性维护计划,提前发现设备问题并进行修复,减少设备故障时间。
五、结论通过对自动化设备的稼动率与可动率进行深入分析,我们可以发现影响因素和改进方法,提高设备运行效率和可靠性。
在实际生产中,企业可以根据具体情况采取相应措施,不断优化设备管理,提高生产效率和竞争力。
如何提升综合设备稼动率1. 引言综合设备稼动率是衡量企业设备利用程度的重要指标。
当设备稼动率高时,企业可以最大限度地提高生产效率和产能利用率,降低生产成本,从而增加利润。
然而,很多企业在实际生产过程中常常面临着设备稼动率不高的问题。
本文将围绕如何提升综合设备稼动率展开讨论。
2. 分析问题设备稼动率低的问题主要有以下几个方面:2.1 设备故障设备故障是导致设备运行停工的主要原因之一。
设备故障可能是由于设备老化、零部件磨损、维护不当等原因引起。
为了提高设备稼动率,企业应制定完善的设备维护计划,定期检查设备状态,及时更换磨损的零部件,并培训设备维护人员,提高其维护技能。
2.2 人员因素员工的操作技能不熟练、操作不规范、意识不到位等问题,也会导致设备稼动率低下。
企业应加强对员工的培训,提高其操作技能和安全意识。
此外,企业要建立完善的员工激励机制,激发员工的积极性和工作动力。
2.3 工艺改进工艺不合理或过时也会使设备的稼动率下降。
企业应持续关注工艺的改进,利用先进的技术手段提高生产效率,减少生产中的浪费,提高设备的利用率。
2.4 生产计划和排程不合理的生产计划和排程会导致设备长时间闲置或过度使用。
企业应根据实际情况制定合理的生产计划和排程,确保设备能够充分利用,并平衡生产线的产能。
3. 提升综合设备稼动率的方法3.1 数据分析与监控通过对设备运行数据进行分析与监控,可以发现设备故障和异常,及时进行维修和处理,避免设备停工。
企业可以使用专业的设备监控系统,实时监控设备的运行状况,设备故障时能及时收到报警信息。
3.2 预防性维护预防性维护是提高设备稼动率的有效方法之一。
企业可以制定定期的设备维护计划,通过对设备的定期检查、润滑、更换易损件等维护措施,预防设备故障的发生,确保设备长时间稳定运行。
3.3 培训与提升员工技能加强对员工的培训,提高其操作技能和安全意识,有助于降低设备事故的发生率,并提高设备稼动率。
企业可以定期开展培训课程和技能比赛,激发员工的学习热情和工作积极性。
设备稼动率损失改善研修报告设备稼动率损失改善研修报告1. 背景•设备稼动率的损失对企业生产效率产生了巨大影响•为了提高设备稼动率,进行了研修措施的制定和实施2. 目的•提高设备稼动率,减少产品生产损失•优化生产流程,提升生产效率3. 研修内容设备维护•定期维护设备,保持设备的良好状态•加强设备检修,及时发现并解决设备故障操作培训•对操作人员进行培训,提高其操作技能和注意事项的掌握•指导操作人员正确使用设备,避免操作失误信息共享与沟通•加强部门之间的信息共享与沟通,及时传递设备异常情况•设立设备运行情况反馈机制,及时了解并处理设备问题数据分析与优化•对设备运行数据进行实时监测和分析•根据数据结果进行优化,找出设备稼动率损失的主要原因并改进4. 研修效果评估•设备稼动率有明显的改善,产品生产损失大幅减少•生产效率提高,单位时间内的产品产量增加•设备维护成本和人力成本也得到一定的控制5. 结论通过设备稼动率损失的改善研修,能够有效提高企业生产效率和产品质量,减少资源浪费和损失。
研修内容的有效实施和研修效果的评估是持续改进的关键。
6. 推广与应用•根据此次研修的经验和效果,可以将相关的研修方案推广到其他设备和生产线上•通过分享研修成果和经验,促进其他企业也进行设备稼动率损失改善研修7. 持续优化与改进•针对此次研修的效果评估结果,进一步分析和识别可能存在的问题和改进空间•持续跟进设备的运行情况,及时发现并解决新的问题•推动设备管理和维护工作的标准化和规范化8. 参考文献•文献1:设备稼动率的重要性及改善方法,XX杂志,年份,卷号,页码•文献2:生产效率提升的关键因素分析,XX报告,年份,报告编号9. 附录•设备稼动率改善方案•研修培训计划•研修效果评估报告表格以上是对设备稼动率损失改善研修的简要报告,其中包含了背景、目的、研修内容、研修效果评估、结论等主要内容。
通过此次研修的实施,企业能够提高设备稼动率,优化生产流程,提高生产效率,同时也减少了产品生产损失和成本支出。
第1篇一、引言稼动率,即设备稼动率,是衡量企业生产设备运行效率的重要指标。
它反映了设备在一定时间内的实际运行时间与理论运行时间的比值。
对于企业而言,提高稼动率意味着更高的生产效率、更低的成本和更优的市场竞争力。
本报告将总结过去一年的稼动率情况,分析原因,并提出改进措施。
二、稼动率概述1. 定义稼动率是指在一定时间内,设备实际运行时间与理论运行时间的比值。
计算公式为:稼动率 = 实际运行时间 / 理论运行时间× 100%2. 影响因素影响稼动率的因素有很多,主要包括以下几个方面:(1)设备维护:设备维护不及时、维护质量不高,会导致设备故障率上升,从而降低稼动率。
(2)生产计划:生产计划不合理,会导致设备闲置或过度使用,影响稼动率。
(3)人员操作:操作人员技能水平不高、操作不规范,容易导致设备故障,降低稼动率。
(4)原材料供应:原材料供应不稳定、质量不合格,会影响生产进度,降低稼动率。
(5)市场需求:市场需求波动较大,导致生产计划调整频繁,影响稼动率。
三、年度稼动率分析1. 总体情况在过去的一年里,我国企业稼动率总体呈现以下特点:(1)稼动率水平有所提高:与上一年度相比,企业稼动率平均水平有所上升。
(2)行业间差异明显:不同行业稼动率水平存在较大差异,制造业、电子行业等高技术产业稼动率较高,而传统行业稼动率较低。
(3)区域分布不均衡:东部沿海地区企业稼动率普遍较高,中西部地区企业稼动率相对较低。
2. 具体分析(1)设备维护方面在过去的一年里,企业对设备维护的重视程度有所提高,设备故障率有所下降,但仍有部分企业设备维护工作不到位,导致稼动率降低。
(2)生产计划方面部分企业生产计划不合理,导致设备闲置或过度使用,影响稼动率。
此外,市场需求波动较大,导致生产计划调整频繁,对稼动率产生一定影响。
(3)人员操作方面企业对操作人员的培训力度有所加强,操作人员技能水平有所提高,但仍有个别企业操作人员技能水平不高,导致设备故障,影响稼动率。
设备稼动率改善报告设备稼动率改善报告概述本报告旨在分析和评估当前设备稼动率,并提出改善稼动率的相关建议。
通过采取有效的措施,公司可以提高设备的利用率和效率,从而实现生产成本的降低和生产能力的提升。
当前设备稼动率分析1.稼动率定义:设备稼动率是指设备实际运行时间与总可用运行时间的比例,通常以百分比表示。
2.稼动率计算公式:稼动率 = (设备实际运行时间 / 总可用运行时间) * 100。
3.目前公司设备稼动率:根据数据统计,公司设备稼动率为XX%。
4.稼动率低下的原因分析:通过详细调研和分析,我们发现以下几个主要原因导致了设备稼动率的低下:–设备故障频繁导致的停机时间增加;–生产计划不合理,导致设备长时间闲置;–操作人员技能不足,操作效率低下;–设备维护不当,导致频繁故障和维修时间增加。
改善设备稼动率的建议1.提高设备维护水平:–建立完善的设备维护计划,包括定期保养和预防性维修;–培训维护人员,提高其维修技能和知识水平;–定期检查设备,及时发现和解决潜在故障。
2.优化生产计划:–与生产部门密切合作,根据市场需求和设备能力,制定合理的生产计划;–减少产品切换时间,提高设备的连续生产能力;–引入先进的计划管理系统,实时跟踪设备状态和生产进度。
3.提升操作人员技能:–组织培训和知识分享会,提高操作人员的技术水平;–建立标准化的操作流程和作业指导书,降低操作错误率;–建立奖励机制,鼓励操作人员提高工作效率和稼动率。
4.引入设备监控系统:–安装设备监控系统,实时监测设备运行状态,快速发现异常情况;–建立设备维修记录和故障分析数据库,用于排查和修复设备问题。
结论通过以上建议的实施,我们相信公司的设备稼动率将会得到明显的改善。
提高设备稼动率不仅可以提高生产效率和产品质量,降低生产成本,还能够增加公司的竞争力和市场份额。
我们建议公司在改善设备稼动率方面持续投入资源和精力,确保改善措施的有效实施和成果的持续改进。
设备稼动率改善报告(续)改善措施的执行与监测1.设立设备稼动率改善团队:由相关部门的代表组成,负责制定、执行和监测改善计划;2.制定改善计划:根据以上建议,确定改善目标、具体措施和实施时间表;3.分配责任人:明确每项改善措施的责任人,并设立监测机制,确保改善进度的及时反馈和跟进;4.定期检查和评估:设立定期检查和评估机制,对改善措施的执行情况进行监测和评估,及时调整和改进措施。
稼动率分析与改善稼动率是指设备或设施在单位时间内正常运转的时间比例,通常以百分比表示。
稼动率是衡量设备运行效率和产能利用率的重要指标之一、稼动率高,意味着设备运行效率高,生产能力得到充分利用;反之,稼动率低,意味着存在运行效率低下、停机时间过长等问题,需要进行改善。
稼动率的分析可以通过以下几个步骤进行:1.收集数据:首先,需要收集设备或设施运行状态的数据,包括开始运行时间、停机时间、故障时间等。
这些数据可以从设备控制系统中获取,也可以通过人工记录的方式获得。
2.计算稼动率:根据收集到的数据,计算稼动率。
稼动率的计算公式为:(运行时间/(运行时间+停机时间+故障时间))*100%。
计算得出的值即为稼动率。
3.分析稼动率:对计算得到的稼动率进行分析,找出存在的问题。
如稼动率低,说明设备存在运行效率低下、停机时间过长等问题;而稼动率高,但产量低,则说明存在其他问题,如工艺流程不合理、设备调试不当等。
4.确定改善措施:根据分析结果,确定改善措施。
对于稼动率低的问题,可以通过提高设备运行效率、减少停机时间和故障时间来改善。
可以采取的具体措施包括:加强设备维护保养、提高操作员技能、增加备品备件库存、优化生产计划等。
5.实施改善措施:将确定的改善措施付诸实施。
在实施改善措施的过程中,需要制定详细的实施计划、明确责任人、制定改善目标并进行监控。
6.持续监控:改善措施实施后,需要持续进行监控,以确保稼动率的改善效果。
可以通过定期进行稼动率分析,对改善效果进行评估,及时调整和优化改善措施。
稼动率的改善是一个持续的过程,需要全体员工的共同努力。
通过稼动率分析与改善,企业可以提高设备的运行效率和生产能力利用率,提高生产效益,降低生产成本,提高竞争力。
注塑公司生产现状剖析报告入厂月余,对生产现场做了深入的认识,并亲身领会了公司的工作,每日都崩得牢牢的,工作很紧张,做的事情却没有一点成就感,每日都在办理无价值的故障、异样。
正常状况,按照我们公司的换模开机率,工作量应当是不大的,可是由于设施及模具的稳固性极差,频频性出现问题,造成了每日工作量的翻倍上涨。
一、从机台稼动率方面看:、换模生产的速度很慢,由于丝牙的原由,能否考虑做牙套、冷却水管的连结方式,铁丝绑扎,效率太低,能否将部分改为迅速接头,每套模具改换30%的迅速接头,其余仍为铁丝,这样效率也提高了,成本也没有增添太多、机器、模具故障的预示性差,模具安装了,发现机器故障了或许模具还没有达成修复、生产计划对生产进度没法掌控,没法提早准备模具,养护模具及其余物料的准备、模具预先准备不足,机器已经在闲置了,这边还在找寻模具、运送模具,影响机器效率,模具的定位搁置表记性差,制作模具架,利用空间节俭面积、机器故障的屡次性,有些是小的故障,却每日需要办理十几次。
、冷却水道,准备小型的空压机,使用压缩空气对机台或模具进行强空气清理。
、冷却成效,小型水泵使用盐酸循环水对模具水道进行洁净,包含机台管路。
、每台机器进水口加装管道过滤网,并按期清理过滤网。
、漏料,堵喷嘴,蓬料,螺杆加料时间长,等问题都需要改良二、生产效率方面看:、开机生产后,无标准周期无每小时标准产量,造成职工工作没有目标性、没有数据统计来经过每个时间段的产量来剖析效率低的原由、生产前未制定计划开机时间,计划订单达成时间,生产计划处于被动状态、每日各机台的运行状况,故障状况,作记录并剖析造成的原由,睁开后解决A机台b模具c资料d人员等、作业手法技巧性未培训,操作手法错误,都敌手工作业造收效率问题,或屡次返工、4M文件的缺乏对产品的检查,包装方式等造成的盲目性作业、质量自检,质量标准,判断方式,职工自检的技巧、模具养护不足,顶针没法顺利,造成全自动生产是常发生夹模,滑块润滑不足,造成斜导柱磨损断掉,分型面素来没有洁净过,使产品毛边日渐增大、大模具的冷却水道只接一组,模具温度高,使成型周期加长,管路内积沉泥沙。
农机调研分析报告农机调研分析报告一、调研背景随着科技的不断发展和社会的进步,农机在农业生产中发挥着越来越重要的作用。
为了更好地了解农机的应用情况和存在的问题,我们对农机进行了调研分析。
二、调研目的本次调研旨在了解农机的使用情况、农机对农业生产的影响、农民对农机的需求以及农机推广和普及的现状,为今后的农机发展提供参考和建议。
三、调研方法1. 针对不同地区不同农作物的特点和需求,选择了一些农场进行访问调研。
2. 通过问卷调查的方式,了解农机使用情况、农民的评价和需求等方面的信息。
3. 参观了一些农机研发企业,了解他们的生产情况和技术水平。
四、调研结果1. 农机种类丰富,但存在使用率低的问题。
农机种类繁多,包括拖拉机、插秧机、收割机等,但一些农民由于资金、技术等因素限制,未能充分利用农机,导致农机使用率较低。
2. 农机推广普及仍有待加强。
虽然农机推广普及力度大,但仍有一部分农民不了解、不接受或不会使用农机,相关部门应加大宣传力度,提高农机推广普及的效果。
3. 农机性能和质量有待提高。
在调研中我们发现,一些农机的性能和质量还不够稳定和可靠,存在故障率较高的问题,需要加强研发和生产工艺的改进。
4. 农民对农机的需求集中在提高效率和减轻劳动强度。
农民对农机的需求主要集中在提高效率和减轻劳动强度,因此农机研发应以满足这些需求为重点。
五、调研结论1. 加大农机推广宣传力度。
相关部门应加大对农机的宣传力度,提高农民对农机的了解和接受程度,让更多的农民受益于农机的使用。
2. 提高农机性能和质量。
农机制造企业应加强研发和生产工艺的改进,提高农机的性能和质量水平,增加农机的稳定性和可靠性。
3. 加强农机服务体系建设。
相关部门应建立健全农机服务体系,提供农机的售后服务和维修,提高农民对农机的信任度和使用满意度。
4. 鼓励农机合作社的发展。
鼓励农机合作社的发展,提高农机的利用率,降低农民的使用成本,促进农机与农户的有机结合,共同推动农业的现代化发展。
数控设备稼动率分析稼动率的计算方法时间稼动率首先定义最大操作时间,最大操作时间指的是设备可用的最大时间。
若设备本身为厂内自购,且可完全由厂内自主使用,则最大操作时间一般为日历时间;而负荷时间则为设备可稼动的时间,乃是最大操作时间扣除停机(Shutdown, SD)损失,停机损失乃是计划上的休止时间,如休假、教育训练、保养等。
而稼动时间则是负荷时间扣除停止时间,而停止时间包括批次转换及制程异常、设备异常停止及修复时间。
参数最大操作时间:设备可用的最大时间负荷时间:最大操作时间扣除停机(Shutdown, SD)损失;停机(Shutdown, SD)损失:计划上的休止时间,如休假、教育训练、保养等稼动时间:负荷时间扣除停止时间停止时间:包括批次转换及制程异常、设备异常停止及修复时间。
公式由以上的定义,即可算出最常用的稼动率定义-设备稼动率(也称为时间稼动率),其公式为:时间稼动率=稼动时间 / 负荷时间目的:减少停止时间,通过资源整合,管理优化,进行资源充分利用,降低成本,提高效率。
编辑本段性能稼动率/实质稼动率/速度稼动率时间稼动率并无法完全表现设备对生产的贡献程度;例如,相同的设备,相等的稼动时间,可能因效率的不同,而有不同的产能,此类效率降低的损失则称为性能损失。
在此定义速度稼动率如下:速度稼动率=基准周期时间/ 实际周期时间基准周期时间:设备原设计产出单位产量所需的时间。
实际周期时间:目前设备实际产出单位产量所需的时间。
并定义实质稼动率与性能稼动率如下:实质稼动率=生产量×实际周期时间/稼动时间性能稼动率= 速度稼动率×实质稼动率性能稼动时间:性能稼动时间=稼动时间×性能稼动率=稼动时间-性能损失时间其中性能损失包括速度低落的损失与短暂停机的损失。
由以上定义可知,若性能稼动率变小,则可判定生产相关设备的效率降低。
价值稼动时间与设备综合效率(Overall Equipment Effectiveness)性能稼动时间表示设备产出产品的时间,但无法表示设备产出良率的好坏,因此定义「价值稼动时间」来表示真正能产出良品的有价值时间,其定义如下:价值稼动时间=性能稼动时间×良品率而设备的有效使用程度则以「设备总合效率」来判定,其定义如下:设备综合效率(OEE)=时间稼动率×性能稼动率×良品率我公司的数控机床设备稼动率我公司有7台数控设备,但因产订单不足每天只开动6台设备。
水稻种植机械发展问题分析水稻是中国主要的粮食作物之一,其种植机械发展对于提高水稻生产效率、保障粮食安全具有重要意义。
当前水稻种植机械发展面临着诸多问题,包括技术瓶颈、市场需求、政策支持等方面的挑战。
本文将从这些方面对水稻种植机械发展问题进行分析,并提出相应的对策建议。
一、技术瓶颈1.1 作业效率低下目前水稻种植机械的作业效率相对较低,主要表现在种植、施肥、喷药等环节。
种植机械的定位、作业深度控制、作业速度等方面存在不足,导致种植效率低下。
1.2 技术创新不足水稻种植机械的技术创新不够,主要集中在传统机械的改进上,缺乏高端技术的引进和研发。
这导致了水稻种植机械在智能化、自动化等方面的发展相对滞后。
1.3 机械适应性差由于水稻生长环境的特殊性,水稻种植机械在适应不同地区、不同生长环境的能力较弱,存在适应性差的问题。
这给水稻种植机械的推广和应用带来了一定的困难。
二、市场需求2.1 市场认可度低目前水稻种植机械在市场中的认可度相对较低,大部分农民更愿意使用传统的种植方法,对机械化种植的接受度不高。
这导致了市场需求的不足,制约了水稻种植机械的发展。
2.2 经济效益待提升水稻种植机械的经济效益还不够显著,虽然机械化种植可以节约人力成本,但是由于机械设备的价格昂贵、使用成本高,很多农户难以负担,这也是制约市场需求的一个重要因素。
三、政策支持3.1 政策扶持不足目前对于水稻种植机械发展的政策扶持不足,导致了机械生产企业的积极性不高,很多企业对于研发和生产水稻种植机械缺乏动力。
这也制约了水稻种植机械的发展速度。
3.2 市场监管不严由于缺乏有效的市场监管,一些低质量、假冒伪劣的水稻种植机械泛滥市场,导致了市场乱象。
这不仅影响了水稻种植机械的信誉,也对市场的健康发展带来了隐患。
解决水稻种植机械发展问题,需要政府、企业、科研机构和农民等多方共同努力,采取有效的措施,促进水稻种植机械的发展。
一、技术瓶颈针对作业效率低下的问题,需要加强对种植机械的研发,提高作业效率和精度。
稼动率低的原因稼动率低可真是个让人头疼的事儿呢!咱们得好好分析分析这到底是为啥。
一、设备方面的原因设备要是老出故障呀,那稼动率肯定高不了。
比如说,设备可能本身就有一些先天的设计缺陷,在生产过程中就容易这儿坏那儿坏的。
像有的机器的某个小零件,它的材质可能不太好,用不了多久就磨损了,这就导致整个设备得停下来维修。
还有哦,设备的维护保养要是没做到位,也很容易出问题。
要是工人没有按照规定的时间和流程去给设备做保养,设备内部积累了好多灰尘呀、杂物呀,就会影响设备的正常运行。
这就好比人要是不注意卫生,身体也容易生病一样呢。
设备的老化也是个不可忽视的因素。
使用时间长了,设备的性能就会下降。
就像咱们用了好多年的手机,反应越来越慢一样。
老设备可能运行速度变慢,生产效率降低,甚至频繁出现故障,这样稼动率自然就被拉低了。
二、人员相关的因素操作人员要是不熟练呀,那也会让稼动率大打折扣。
新员工可能对设备的操作流程还不是很熟悉,在操作的时候就容易犯错。
比如说,按错了某个按钮,就可能导致设备出现异常情况。
而且呢,操作人员要是工作态度不认真,在操作的时候心不在焉的,也容易引发问题。
他们可能在设备运行的时候没有好好盯着,等到出了问题才发现,这时候设备可能已经受到比较严重的损害了,需要很长时间去修复,稼动率就低下去了。
另外呀,人员的安排不合理也会影响稼动率。
如果某个生产环节人员过多,大家可能会互相干扰,降低工作效率;而要是某个环节人员太少呢,又可能忙不过来,导致设备闲置等待的时间变长,这稼动率能不低吗?三、物料供应方面的因素物料供应不及时那可太要命了。
要是生产线上没有足够的原材料,设备就只能干等着。
比如说在组装产品的时候,没有了关键的零件,那设备就没办法继续工作了。
而且物料的质量也很重要呢,如果物料的质量不合格,在生产过程中可能会造成设备堵塞或者损坏。
这就像咱们做饭,如果食材有问题,可能连饭都做不出来,还可能弄坏锅具呢。
四、生产计划方面的原因生产计划要是不合理呀,也会让稼动率变低。