对接平焊实训教案
- 格式:docx
- 大小:1.77 MB
- 文档页数:11
理论实习一体化授课课题教案
、安全检查:工作服是否穿着整齐、电源线是否外露、保护接零或接地是否失
、实习工、量、刃具(液压元件):清渣锤钢丝刷面罩
扳手钳子螺丝刀
、实习设备(部件):ZX1E—400型焊机G01—30半自动气割机
、实习材料:板材:Q235低碳钢板
焊材:焊条E4303 Φ3.2㎜
氧气丙烷
理论实习一体化授课课日教案
、了解手弧焊对电源的要求、弧焊电源的型号及主要技术特性。
、掌握焊条的组成及作用、焊条药皮的类型、分类。
、掌握手弧焊-立对接焊的工艺参数调节
、掌握焊条角度及运条方法
重点:焊接工艺参数的调节、控制熔池温度、保持熔池大小一致
理论实习一体化授课课日教案
⑵引弧:焊接时在始焊端的定位焊缝处引弧(定位焊位置见图二)稍做预热后,焊条以锯齿形摆动和向右施焊,至定位焊缝未端时,将焊条略向试件背面压送,并有一定的停顿,在形成第一个熔孔后,抬条,灭弧,进入正常焊接。
理论实习一体化授课课日教案
理论实习一体化授课课日教案
图七预留尺寸
10㎜处引燃电弧,将电弧回拉至弧坑处,焊条稍作锯齿
⑵运条:采用锯齿形或微带月牙形运条,焊接时,应注意焊条的摆动幅度要大于填充层,摆条至坡口两侧边沿要有停顿。
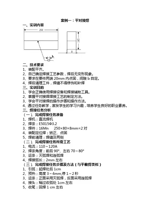
案例一:平对接焊
一、实训内容
二、技术要求
1、装配平齐。
2、自己确定焊接工艺参数,焊后无变形现象。
3、要求在要件两端20mm内点固,间隙b自定。
4、焊后清理工件,焊缝不得修饰和补焊
三、实训目的
1、学会正确使用焊接设备和焊接辅助工具。
2、掌握平对接焊焊接工艺的制定方法。
3、学会平对接焊的操作步骤和操作方法。
4、通过任务教学,激发学生的学习兴趣,培养学生良好的职业素养。
三、焊接任务分析
(一)、完成焊接任务准备
1、焊机;直流焊机
2、焊条;E5015Ф3.2
3、焊件;16Mn 250×80×8mm=2对
4、装配定位焊;矫正、点固
5、焊前清理;焊缝及两侧
(二)、完成焊接任务所需工艺
1、电流;110~120A
2、焊条角度;前后90°、左右70~80°
3、运条;灭弧焊和连弧焊
4、焊接弧长;2mm左右
(三)、完成焊接任务步骤及方法(与平敷焊类似)
1、引弧;起焊处后1cm
2、预热;高度3~4mm,停1~2秒
3、运条;正面采用灭弧焊,反面采用连弧焊
4、接头;稍过收弧处1cm左右
5、收尾;回焊1 cm左右
6、焊后清理;彻底清理焊道及两侧
四、学生完成操作任务
1、教师个别指导
2、教师小组指导
3、优秀学生进行指导
4、普通学生完成一面焊接,优秀学生完成二面焊接。
五、、完成任务小结
1、学生自评;根据评测标准给自己打分
2、学生互评;感觉自己不错的,放在一起互评
3、教师点评;根据学生完成情况进行点评。
对接平焊实训教案第一章:对接平焊概述1.1 对接平焊的定义1.2 对接平焊的应用领域1.3 对接平焊的特点与优势第二章:对接平焊的焊接原理2.1 焊接过程的基本原理2.2 对接平焊的焊接方法2.3 对接平焊的焊接材料选择第三章:对接平焊的焊接工艺3.1 焊接前的准备工作3.2 焊接过程中的操作要点3.3 焊接后的检验与质量评估第四章:对接平焊的焊接设备与工具4.1 焊接设备的选择与使用4.2 焊接工具的使用与维护4.3 焊接设备的安全操作与注意事项第五章:对接平焊的实训操作5.1 实训操作的目标与要求5.2 实训操作的步骤与过程5.3 实训操作的注意事项与问题解答第六章:对接平焊常见问题与解决方案6.1 对接平焊过程中常见的问题6.2 对接平焊问题的原因分析6.3 对接平焊问题的解决方案与预防措施第七章:对接平焊的质量控制7.1 对接平焊质量的重要性7.2 对接平焊质量的评估方法7.3 对接平焊质量的控制措施第八章:对接平焊的安全操作规程8.1 对接平焊的安全隐患8.2 对接平焊的安全操作要求8.3 对接平焊的安全事故预防与处理第九章:对接平焊的实训评估与反馈9.1 实训评估的目的与意义9.2 实训评估的标准与方法9.3 实训评估的反馈与改进措施10.1 实训过程中的收获与不足10.2 对接平焊实训的改进方向10.3 对接平焊实训在实际工程中的应用与推广重点和难点解析一、对接平焊概述补充说明:对接平焊的应用领域包括建筑工程、船舶制造、桥梁建设等。
其特点与优势在于焊接质量高、结构稳定性好、节省材料等。
二、对接平焊的焊接原理补充说明:焊接过程的基本原理包括电子发射、电子撞击、熔化与融合等。
对接平焊的焊接方法包括气体保护焊、电弧焊等。
三、对接平焊的焊接工艺补充说明:焊接前的准备工作包括材料准备、设备调试等。
焊接过程中的操作要点包括焊接速度、焊接角度、焊接顺序等。
四、对接平焊的焊接设备与工具补充说明:焊接设备的选择与使用要根据焊接材料、焊接厚度等因素进行。
薄板对接平焊教案教案标题:薄板对接平焊教案教案目标:1. 了解薄板对接平焊的基本概念和工艺流程;2. 掌握薄板对接平焊的操作技巧;3. 培养学生的动手能力和团队合作意识。
教学准备:1. 教学材料:薄板、焊接设备、焊接电极、焊接材料、焊接面具、焊接手套等;2. 教学环境:安全的焊接实验室或工作坊;3. 学生前置知识:了解焊接的基本原理和常见焊接方法。
教学步骤:引入:1. 向学生介绍薄板对接平焊的概念和应用领域,强调其在制造业中的重要性和广泛应用;2. 激发学生学习的兴趣,引导学生思考薄板对接平焊的挑战和技术要求。
理论讲解:1. 介绍薄板对接平焊的基本原理和工艺流程,包括焊接前的准备工作、焊接参数的选择、焊接过程的控制等;2. 解释薄板对接平焊中可能出现的问题和解决方法,如焊缝不牢固、焊接变形等;3. 强调焊接安全注意事项,如佩戴焊接面具、手套等个人防护装备,保持焊接环境通风等。
示范操作:1. 教师进行薄板对接平焊的示范操作,注重展示正确的焊接姿势、焊接速度和焊接角度等;2. 解释示范操作中的关键点和注意事项,引导学生观察和思考;3. 鼓励学生提问和互动,确保学生对示范操作有清晰的理解。
实践操作:1. 将学生分成小组,每个小组配备必要的焊接设备和材料;2. 指导学生进行薄板对接平焊的实践操作,确保学生能独立完成焊接任务;3. 在实践操作中,教师及时给予指导和纠正,帮助学生克服困难和提高操作技巧。
总结反思:1. 结合学生的实际操作情况,总结薄板对接平焊的要点和技巧;2. 引导学生思考焊接过程中遇到的问题和解决方法,促进学生的自主学习和思考能力;3. 鼓励学生分享操作经验和感悟,加强团队合作和交流。
拓展延伸:1. 鼓励学生进行更复杂的薄板对接平焊实践,如焊接不同材料的薄板、焊接不同形状的焊缝等;2. 推荐学生参与相关竞赛或项目,提高他们的实践能力和创新意识;3. 引导学生关注焊接技术的发展趋势和应用前景,培养他们对制造业的兴趣和就业意识。
实习课教案平敷焊一、基础知识讲解1。
平敷焊的特点平敷焊是焊件处于水平位置时,在焊件上堆敷焊道的一种操作方法。
在选定焊接工艺参数和操作方法的基础上,利用电弧电压、焊接速度,达到控制熔池温度、熔池形状来完成焊接焊缝。
平敷焊是初学者进行焊接技能训练时所必须掌握的一项基本技能,焊接技术易掌握,焊缝无烧穿、焊瘤等缺陷,易获得良好焊缝成形和焊缝质量。
2。
基本操作姿势焊接基本操作姿势有蹲姿、坐姿、站姿,如图1-6所示。
图1-6 焊接基本操作姿势焊钳与焊条的夹角如图1—7所示。
图1-7 焊钳与焊条的夹角辅助姿势焊钳的握法如图1-8所示。
面罩的握法为左手握面罩,自然上提至内护目镜框与眼平行,向脸部靠近,面罩与鼻尖距离10~20mm即可。
图1-8 焊钳的握法二、实习操作练习基本操作方法(1)引弧焊条电弧焊施焊时,使焊条引燃焊接电弧的过程,称为引弧。
常用的引弧方法有划擦法、直击法两种.①划擦法优点:易掌握,不受焊条端部清洁情况(有无熔渣)限制。
缺点:操作不熟练时,易损伤焊件。
操作要领:类似划火柴.先将焊条端部对准焊缝,然后将手腕扭转,使焊条在焊件表面上轻轻划擦,划的长度以20~30mm为佳,以减少对工件表面的损伤,然后将手腕扭平后迅速将焊条提起,使弧长约为所用焊条外径1.5倍,作“预热”动作(即停留片刻),其弧长不变,预热后将电弧压短至与所用焊条直径相符。
在始焊点作适量横向摆动,且在起焊处稳弧(即稍停片刻)以形成熔池后进行正常焊接,如图1—9(a)所示。
图1-9 引弧方法②直击法优点:直击法是一种理想的引弧方法。
适用于各种位置引弧,不易碰伤工件.缺点:受焊条端部清洁情况限制,用力过猛时药皮易大块脱落,造成暂时性偏吹,操作不熟练时易粘于工件表面。
操作要领:焊条垂直于焊件,使焊条末端对准焊缝,然后将手腕下弯,使焊条轻碰焊件,引燃后,手腕放平,迅速将焊条提起,使弧长约为焊条外径1。
5倍,稍作“预热"后,压低电弧,使弧长与焊条内径相等,且焊条横向摆动,待形成熔池后向前移动,如图1-9(b)所示。
课题:任务2 焊条电弧焊平板对接焊实训
附评分细则表:
在评分表中,施焊只占40分,强调了学习过程控制,对计划的制定、修改(决策)以及职业素养提出较高的要求,其目的就是培养学生做任何事,首先做出计划,而后根据实际,修订计划,严格按操作程序施工,同时遵守各项规章制度,养成良好的职业习惯。
教学过程(七):课后作业(2分钟)
课后作业:如果给你一块1米×6米×2毫米的不锈钢板,做若干桌面(2米×1.5米×2毫米),你如何实施? 如何下料?每块桌面的成本是多少?
目的:学以致用,拓展能力
方案设计:与本次训练相同,目的:学会模仿→初级目标。
下料方式:应用已学过的相关知识,列出多种下料方法,从中选择最好的方法。
目的:培养学生决策能力、综合职业能力→能
力拓展
焊条选择:应用已学过的相关知识加以确定,目的:培养学生的综合应用能力→能力拓展
成本确定:从多渠道获取该规格不锈钢的价格,通过计算得出每块桌面的成本。
目的:培养学生能够通过多种方式获取信息的
能力→能力拓展。
新疆钢铁学校
刘建成
2011年3月
《焊条电弧焊平板对接焊实训》
教学设计方案
新疆钢铁学校刘建成
. .。
(焊接)专业工艺、实习一体化教学课题授课计划40'(二)焊接电源极性和电弧偏吹1.焊接电源的极性有正极性和反极性两种。
正极性:焊件接电源正极,电极(焊钳)接电源负极的接线法。
也称正接。
反极性:焊件接电源负极,电极接电源正极的接线法。
也称反接。
交流弧焊机不存在正极性和反极性。
焊接电源极性的选择:主要根据焊条的性质和焊件所需热量来决定。
使用酸性焊条(E4303)时,用直流正极性,焊接较厚的钢板,以获得较大的熔深;采用反极性,焊接薄钢板,可以防止烧穿。
使用碱性低氢钠型(E5015)焊条时,无论焊件的板薄或板厚,均应采用直流反接,可以减少飞溅现象和减小气孔倾向,并使电弧稳定燃烧。
2.焊接电弧的偏吹:在焊接过程中,因焊条偏心、气流干扰和磁场的作用,常会使磁场的中心偏离焊条轴线的现象。
(1)焊条偏心的影响分析讲解挂图演示时间授课内容方法40'5'(2)气流的影响(3)磁场的影响:在使用直流弧焊机施焊过程中,常会因焊接回路中产生的磁场在电弧周围分布不均引起电弧偏向一边,形成偏吹,叫磁偏吹。
造成磁偏吹的原因:a.连接焊件的地线位置不正确;b.电弧附近有铁磁物质存在;c.在焊件边缘处施焊,使电弧周围的磁场分布不平衡。
交流弧焊电源一般不会产生明显的磁偏吹现象。
克服电弧偏吹的措施:(1)在条件许可的情况下,尽可能使用交流弧焊电源焊接。
(2)室外作业可用挡板遮挡大风或“穿堂风”,以对电弧进行保护。
(3)将连接焊件的地线同时接于焊件两侧,可以减少磁偏吹。
(4)操作时出现电弧偏吹,可适当调整焊条角度,使焊条向偏吹一侧倾斜。
(5)采用小电流和短弧焊接。
布置作业1.正极性和反极性的概念。
2.焊接电源极性的选择。
3.电弧偏吹的概念。
4.磁偏吹的定义及产生原因。
5.克服电弧偏吹的措施。
绘图讲解挂图演示时间授课内容方法40''(三)平对接焊技能训练(1)1.定位焊的要求定位焊缝一般要形成最终焊缝金属,因此选用的焊条应与正式焊接所用焊条相同;定位焊缝余高不能过大;如定位焊缝有开裂、未焊透、超高等缺陷,必须铲除或打磨,必要时重新定位焊。
教学过程与容Ⅰ、组织教学1、师生问候2、检查学生的出勤及实习设备布置情况3、检查学生的安全防护情况Ⅱ、复习提问导入新课按焊缝所处的空间位置不同可分为哪几种?答:平、立、横、仰。
Ⅲ、讲授新课V形坡口平对接焊—打底焊一、平焊的定义及特点1、定义:试件与焊缝同时处于水平位置的焊接称为平焊。
2、特点:①打底焊容易造成焊瘤或未焊透。
②熔渣与熔化金属混杂不清造成夹渣的现象。
图1二、工艺操作过程1、焊前准备焊件:Q235钢板规格300×100×12 mm焊条:E5015(J507)φ3.2 mm焊接设备: ZX7-315或 ZX7-400辅助工具:检验尺,锉刀,刨锤,钢丝刷等。
导入新课交代容强调重点提问学生教师实物演示并提问学生教学过程与容图22、基本操作步骤(1)安全检查与设备调试(2)试件装配①试件清理将坡口和靠近坡口边缘上、下两侧15~20mm处清理该干净,打磨工件直至发出金属光泽,修整坡口钝边,锉出钝边 1.5mm,组装预留间隙。
如图3所示。
图3②定位焊预留间隙始焊端3.0mm终焊端3.5mm,方法是分别用直径为3.2mm的焊条芯夹在两头或用焊接检验尺测量,点固点的长度10-15mm。
装配定位焊完毕时,要预制反变形,反变形角度θ约等于2°~3°,如图4所示。
图4试板定位焊时预留反变形a)获得反变形的方法 b)反变形角的测量方法教师实物演示并提问学生教师边讲授边提问教学过程与容试件装配尺寸坡口角度钝边(mm)装配间隙(mm)错边量(mm)反变形(°)V形,60°1-1.5始焊端3.0终焊端3.5≤1 2~3(3)确定工艺参数I=(80-85)A(4)打底焊①打底层:采用连弧焊法,短弧焊接,焊条与工件成90°,焊条与焊接方向的夹角为70-80°,采用小幅度锯齿形横向摆动,并在坡口两侧稍停留,中间过渡速度要快,然后连续向前施焊。
图1 平焊操作
焊接电源的极性主要根据焊条的性质和焊件所需的热量来选用。
因常用直流正极性,焊接较厚的钢板焊接薄钢板,可以防止烧穿。
若酸性焊条其熔深则介于直流正极性和反极性之间。
焊条时,无论焊件的板薄或板厚,因为这样可以减少飞溅现象气孔倾向,并使电弧稳定燃烧。
在使用直流弧焊机施焊过程常会因焊接回路中产生的磁场在电弧周围分布不均引起电弧偏向一在生产过程中哪种因素的影响更图3 焊条偏心
度过大
图2 焊接电源极性
图4 磁偏吹
总之,只有使用直流弧焊机时才产生电弧磁偏吹,焊接电流越大,偏吹
接地线位置不正确
铁磁物质对电弧 偏吹的影响 在焊件边缘施焊 的电弧偏吹
图5 焊条角度
直径3.2、4.0 mm。
使用E5015型焊条保温2h,随用随取。
图6 焊件的装配
附表1 焊接理论实践一体化课教案
焊接技术图纸
技术要求
1、平位单面焊双面成形
2、焊件根部间隙b=3.2~4.0
钝边p=0.5~1
坡口角度α=60°
8
附表2 焊接理论实践一体化课教案
焊接加工工艺卡
附表3 焊接理论实践一体化课教案
评分标准
附表4焊接理论实践一体化课教案
评分记录表
班级:
11
××技师学院
附表5 焊接理论实践一体化课教案
板书设计(理论部分)
12
鞍山技师学院。
《手工电弧焊板对接平焊》尊敬的评委老师,大家好!我汇报的课题是“手工电弧焊板对接平焊,说到电焊,我们看到的可能是这样的,您肯定没想过学焊接还可以是这样的。
随着互联网、信息化技术的发展,在焊接实训教学中引用AR模拟技术,不仅可以改善学习环境,而且能突破焊接理论难以转化为实践技巧的困境,有利于促进实训课堂改革,提升教学效果。
本课秉承以“学生为主体,教师为主导”的理念,采用混合式教学方法。
课堂分为课前云平台线上预习、课中AR虚拟焊接、课后云平台课外练习三个流程进行,注重培养学生耐心、细心、专心的职业素养,传承和发扬精益求精的工匠精神。
在动态的教学过程中采用多元化的教学和评价手段,让不同层次的学生在理实一体的课程中树立对焊工技能学习的信心。
本课题选自高等教育出版社出版的《焊接基本技能实训》模块一任务6的内容。
实训载体的选用是结合企业生产中岗位技能、焊工职业技能和焊接专业教学标准的综合需求,选取I型坡口对接平焊作为教学内容。
帮助学生理解并掌握如何控制焊缝的直线度、宽度和余高的关键技能,为后续其他坡口的板对接焊学习打下扎实的基础。
我授课的对象是中职一年级焊接专业的学生。
他们形象思维优于抽象思维,图像捕捉强于声音接收,技能操作胜于文字理解。
在本课学习之前,学生已熟悉焊接设备使用、焊接工艺选择,已学会点焊、引弧、运条、接头和收尾等操作方法,会使用游标卡尺、焊缝万能量规,能判断一般的焊缝缺陷,有一定的检测基础。
根据以上分析,结合焊工教学标准和岗位要求,我拟定了以下教学目标。
手工电弧焊作为手工基本操作技能,因此我将熟悉I型坡口对接平焊的工艺参数与起弧、运条和焊条角度作为教学重点;焊接工艺参数选择正确与否,直接影响焊缝的形状、尺寸、焊接质量和生产率,所以将学会通过控制运条手法来保证焊缝的直线度、宽度和余高作为教学难点。
焊接时有强烈的弧光、烟尘、有毒气体,借助AR虚拟焊接训练,突破难点。
基于本课特点,采用线上线下混合式教学方法,线上借助超星学习通平台和微课,打造网络化的学习环境,线下依托专业实训教学场地和AR焊接设备,营造智能化的实训环境。
焊接实训教案1—5一、实训目的本实训教案旨在培养学生的焊接技能,使其能够熟练掌握焊接的基本理论知识和操作技巧,提高焊接质量和效率。
二、实训内容1. 焊接工艺基础知识的讲解1.1 焊接的定义和分类1.2 焊接的原理和作用1.3 焊接工艺的选择和应用1.4 焊接材料的选择和性能要求2. 焊接设备和工具的介绍2.1 焊接机的种类和工作原理2.2 焊接电源的选择和使用2.3 焊接电极和焊丝的种类和特点2.4 焊接辅助工具的使用方法和注意事项3. 焊接安全操作规范3.1 焊接作业区域的安全要求3.2 焊接操作人员的个人防护措施3.3 焊接设备的安全使用和维护4. 焊接实操技能训练4.1 焊接电弧的点燃和调节4.2 焊接电弧的稳定和焊缝的形成4.3 焊接电弧的熄灭和焊缝的修整4.4 焊接工艺参数的调整和控制5. 焊接质量检查和评估5.1 焊接质量的判定标准和要求5.2 焊接缺陷的识别和处理方法5.3 焊接质量评估的方法和步骤三、实训流程1. 理论讲解阶段在实训开始前,首先对焊接的基本理论知识进行讲解,包括焊接的定义、原理、分类、工艺选择和材料要求等,为学生打下扎实的理论基础。
2. 设备和工具介绍阶段在学生掌握焊接基础知识后,介绍焊接设备和工具的种类、工作原理、选择和使用方法,让学生对焊接设备有更深入的了解。
3. 安全操作规范阶段强调焊接作业区域的安全要求,教授焊接操作人员的个人防护措施,以及焊接设备的安全使用和维护方法,确保学生在实训过程中能够安全操作。
4. 实操技能训练阶段学生进行焊接实操技能训练,包括焊接电弧的点燃和调节、焊接电弧的稳定和焊缝的形成、焊接电弧的熄灭和焊缝的修整,以及焊接工艺参数的调整和控制。
5. 质量检查和评估阶段对学生焊接的质量进行检查和评估,教授焊接质量的判定标准和要求,以及焊接缺陷的识别和处理方法,匡助学生提高焊接质量。
四、实训设备和材料1. 焊接设备:- 焊接机:电弧焊机、气体保护焊机等- 焊接电源:直流电源、交流电源等- 焊接辅助工具:焊接钳、电焊面罩、焊接手套等2. 焊接材料:- 焊接电极:草酸钙型、钠钾型、铁粉型等- 焊接焊丝:铜焊丝、铝焊丝、不锈钢焊丝等- 焊接工件:金属板、管材等五、实训评估方法1. 实操技能评估:学生完成焊接实操任务,评估焊接质量、操作规范和效率。
对接平焊实训教案 Prepared on 22 November 2020实习课教案平敷焊一、基础知识讲解1. 平敷焊的特点平敷焊是焊件处于水平位置时,在焊件上堆敷焊道的一种操作方法。
在选定焊接工艺参数和操作方法的基础上,利用电弧电压、焊接速度,达到控制熔池温度、熔池形状来完成焊接焊缝。
平敷焊是初学者进行焊接技能训练时所必须掌握的一项基本技能,焊接技术易掌握,焊缝无烧穿、焊瘤等缺陷,易获得良好焊缝成形和焊缝质量。
2. 基本操作姿势焊接基本操作姿势有蹲姿、坐姿、站姿,如图1-6所示。
图1-6 焊接基本操作姿势焊钳与焊条的夹角如图1-7所示。
图1-7 焊钳与焊条的夹角辅助姿势焊钳的握法如图1-8所示。
面罩的握法为左手握面罩,自然上提至内护目镜框与眼平行,向脸部靠近,面罩与鼻尖距离10~20mm即可。
图1-8 焊钳的握法二、实习操作练习基本操作方法(1)引弧焊条电弧焊施焊时,使焊条引燃焊接电弧的过程,称为引弧。
常用的引弧方法有划擦法、直击法两种。
①划擦法优点:易掌握,不受焊条端部清洁情况(有无熔渣)限制。
缺点:操作不熟练时,易损伤焊件。
操作要领:类似划火柴。
先将焊条端部对准焊缝,然后将手腕扭转,使焊条在焊件表面上轻轻划擦,划的长度以20~30mm为佳,以减少对工件表面的损伤,然后将手腕扭平后迅速将焊条提起,使弧长约为所用焊条外径倍,作“预热”动作(即停留片刻),其弧长不变,预热后将电弧压短至与所用焊条直径相符。
在始焊点作适量横向摆动,且在起焊处稳弧(即稍停片刻)以形成熔池后进行正常焊接,如图1-9(a)所示。
图1-9 引弧方法②直击法优点:直击法是一种理想的引弧方法。
适用于各种位置引弧,不易碰伤工件。
缺点:受焊条端部清洁情况限制,用力过猛时药皮易大块脱落,造成暂时性偏吹,操作不熟练时易粘于工件表面。
操作要领:焊条垂直于焊件,使焊条末端对准焊缝,然后将手腕下弯,使焊条轻碰焊件,引燃后,手腕放平,迅速将焊条提起,使弧长约为焊条外径1。
5倍,稍作“预热”后,压低电弧,使弧长与焊条内径相等,且焊条横向摆动,待形成熔池后向前移动,如图1-9(b)所示。
影响电弧顺利引燃的因素有:工件清洁度、焊接电流、焊条质量、焊条酸碱性、操作方法等。
(2)引弧注意事项①注意清理工件表面,以免影响引弧及焊缝质量。
②引弧前应尽量使焊条端部焊芯裸露,若不裸露可用锉刀轻锉,或轻击地面。
③焊条与焊件接触后提起时间应适当。
④引弧时,若焊条与工件出现粘连,应迅速使焊钳脱离焊条,以免烧损弧焊电源,待焊条冷却后,用手将焊条拿下。
⑤引弧前应夹持好焊条,然后使用正确操作方法进行焊接。
⑥初学引弧,要注意防止电弧光灼伤眼睛。
对刚焊完的焊件和焊条头不要用手触摸,也不要乱丢,以免烫伤和引起火灾。
运条方法焊接过程中,焊条相对焊缝所做的各种动作的总称叫运条。
在正常焊接时,焊条一般有三个基本运动相互配合,即沿焊条中心线向熔池送进、沿焊接方向移动、焊条横向摆动(平敷焊练习时焊条可不摆动),如图1-10所示。
图1-10 焊条角度与应用(1)焊条的送进沿焊条的中心线向熔池送进,主要用来维持所要求的电弧长度和向熔池添加填充金属。
焊条送进的速度应与焊条熔化速度相适应,如果焊条送进速度比焊条熔化速度慢,电弧长度会增加;反之如果焊条送进速度太快,则电弧长度迅速缩短,使焊条与焊件接触,造成短路,从而影响焊接过程的顺利进行。
长弧焊接时所得焊缝质量较差,因为电弧易左右飘移,使电弧不稳定,电弧的热量散失,焊缝熔深变浅,又曲于空气侵人易产生气孔,所以在焊接时应选用短弧。
(2)焊条纵向移动焊条沿焊接方向移动,目的是控制焊道成形,若焊条移动速度太慢,则焊道会过高、过宽,外形不整齐,如图1-11(a)所示。
焊接薄板时甚至会发生烧穿等缺陷。
若焊条移动太快则焊条和焊件熔化不均造成焊道较窄,甚至发生未焊透等缺陷,如图1-11(b)所示。
只有速度适中时才能焊成表面平整,焊波细致而均匀的焊缝,如图1-11(c)所示。
焊条沿焊接方向移动的速度由焊接电流、焊条直径、焊件厚度、装配间隙、焊缝位置以及接头型式来决定。
图1-11 焊条沿焊接方向移动(3)焊条横向摆动焊条横向摆动,主要是为了获得一定宽度的焊缝和焊道,也是对焊件输入足够的热量,排渣、排气等。
其摆动范围与焊件厚度、坡口形式、焊道层次和焊条直径有关,摆动的范围越宽,则得到的焊缝宽度也越大。
为了控制好熔池温度,使焊缝具有一定宽度和高度及良好的熔合边缘,对焊条的摆动可采用多种方法。
(4)焊条角度焊接时工件表面与焊条所形成的夹角称为焊条角度。
焊条角度的选择应根据焊接位置、工件厚度、工作环境、熔池温度等来选择,如图1-12所示。
图1-12焊条角度(5)运条时几个关键动作及作用①焊条角度掌握好焊条角度是为控制铁水与熔渣很好的分离,防止熔渣超前现象和控制一定的熔深。
立焊、横焊、仰焊时,还有防止铁水下坠的作用。
②横摆动作作用是保证两侧坡口根部与每个焊波之间相互很好的熔合及获得适量的焊缝熔深与熔宽。
③稳弧动作(电弧在某处稍加停留之意)作用是保证坡口根部很好熔合,增加熔合面积。
④直线动作保证焊缝直线敷焊,并通过变化直线速度控制每道焊缝的横截面积。
⑤焊条送进动作主要是控制弧长,添加焊缝填充金属。
(6)运条时注意事项①焊条运至焊缝两侧时应稍作停顿,并压低电弧。
②三个动作运行时要有规律,应根据焊接位置、接头形式、焊条直径与性能、焊接电流大小以及技术熟练程度等因素来掌握。
③对于碱性焊条应选用较短电弧进行操作。
④焊条在向前移动时,应达到匀速运动,不能时快时慢。
⑤运条方法的选择应在实习指导教师的指导下,根据实际情况确定。
接头技术(1)焊道的连接方式焊条电弧焊时,由于受到焊条长度的限制或操作姿势的变化,不可能一根焊条完成一条焊缝,因而出现了焊道前后两段的连接。
焊道连接一般有以下几种方式。
①后焊焊缝的起头与先焊焊缝结尾相接,如图1-12(a)所示。
②后焊焊缝的起头与先焊焊缝起头相接,如图1-12(b)所示。
③后焊焊缝的结尾与先焊焊缝结尾相接,如图1-12(c)所示。
④后焊焊缝结尾与先焊焊缝起头相接,如图1-12(d)所示。
图1-12 焊缝接头的四种情况(2)焊道连接注意事项①接头时引弧应在弧坑前10mm任何一个待焊面上进行,然后迅速移至弧坑处划圈进行正常焊。
②接头时应对前一道焊缝端部进行认真地清理工作,必要时可对接头处进行修整,这样有利于保证接头的质量。
焊缝的收尾焊接时电弧中断和焊接结束,都会产生弧坑,常出现疏松、裂纹、气孔、夹渣等现象。
为了克服弧坑缺陷,就必须采用正确的收尾方法,一般常用的收尾方法有三种。
(1)划圈收尾法焊条移至焊缝终点时,作圆圈运动,直到填满弧坑再拉断电弧。
此法适用于厚板收尾,如图1-13(a)所示。
(2)反复断弧收尾法焊条移至焊缝终点时,在弧坑处反复熄弧,引弧数次,直到填满弧坑为止。
此法一般适用于薄板和大电流焊接,不适应碱性焊条,如图1-13(b)所示。
(3)回焊收尾法焊条移至焊缝收尾处即停住,并虽改变焊条角度回焊一小段。
此法适用于碱性焊条,如图1-13(c)所示。
收尾方法的选用还应根据实际情况来确定,可单项使用,也可多项结合使用。
无论选用何种方法都必须将弧坑填满,达到无缺陷为止。
图1-13 焊缝的收尾方法操作要领手持面罩,看准引弧位置,用面罩挡着面部,将焊条端部对准引弧处,用划擦法或直击法引弧,迅速而适当地提起焊条,形成电弧。
调试电流。
(1)看飞溅电流过大时,电弧吹力大,可看到较大颗粒的铁水向熔池外飞溅,焊接时爆裂声大;电流过小时,电弧吹力小,熔渣和铁水不易分清。
(2)看焊缝成形电流过大时,熔深大,焊缝余高低,两侧易产生咬边;电流过小时,焊缝窄而高,熔深浅,且两侧与母材金属熔合不好;电流适中时焊缝两侧与母材金属熔合得很好,呈圆滑过渡。
(3)看焊条熔化状况电流过大时,当焊条熔化了大半截时,其余部分均已发红;电流过小时,电弧燃烧不稳定,焊条易粘在焊件上。
操作要求:按指导教师示范动作进行操作,教师巡查指导,主要检查焊接电流、电弧长度、运条方法等,若出现问题,及时解决,必要时再进行个别示范。
板对接平焊1.焊逢几何形状符合要求。
2.定位焊的要求,电流及位置。
3.单层焊、多层多道焊,单面焊双面成型技术等焊逢形式的具体操作方法。
4.焊逢表面无常见缺陷。
【教学过程】训练题目:V形坡口板对接平焊。
训练内容:如图11-29所示。
焊接方法:焊条电弧焊。
训练时间:45min(指引弧开始至焊完熄弧,包括过程清理,不包括施焊前的清理、装焊)。
图11-29 V形坡口板对接平焊1.焊前准备(1)试板准备焊件材料:Q235试板尺寸:300mm×100mm×12mm,二块。
坡口形式:V形坡口。
(2)设备及工具准备设备:AX—320型或ZXG-300型电焊机均可。
工具:锤子、敲渣锤、錾子、钢丝刷、毛刷、焊条盒、钢直尺、划针、样冲、焊缝测量器等。
(3)焊材选择因Q345钢的最低抗拉强度σb为470MPa,故应选用E40系列焊条。
为提高焊接质量,焊接时,可选用E5015低氢碱性焊条进行焊接。
(4)焊前清理用砂纸、钢丝刷或角向磨光机将坡口面及坡口正反两侧20mm以内的油污、铁锈、水分及其他污物清除干净,直至露出金属光泽。
(5)装配与定位焊将两块试板对齐、对平,装配成V形坡口的对接接头。
装配时不能出现错边,并预留装配间隙,这样有利于焊透。
装配间隙起焊处为3mm,终焊处为4 mm,如图11-30所示(方法是分别用直径为 mm和4 mm的焊条芯夹在两头)。
图11-30 试板的装配将装配好的试板在焊件坡口两侧距端头20mm以内进行定位焊,定位焊用直径为的E5015焊条进行焊接,焊接电流为90~120A,定位焊缝长为10~15mm。
焊点不宜过高、过长。
(6)试板打钢印与划线在试板上用钢印打出考试编排号码,并在距坡口边缘一定距离(如70 mm)的钢板表面,用划针划上与坡口边缘平行的平行线,如图11-31所示。
并打上样冲眼,作为焊后测量焊缝坡口每侧增宽的基准线。
图11-31 试板表面的基准线(7)预置反变形由于是V型坡口,正面需填充较多的金属,焊后易产生变形。
为此,在焊前必须进行反变形,,反变形量可用万能角度尺测量θ值,也可测△值,如图11-32a所示,△=bsinθ=100sin3°=。
获得反变形的方法是用两手拿住其中一块钢板的两端,轻轻磕打另一块,如图11-32b所示,使两板之间呈一夹角,作为焊接反变形量,反变形量一般为3°~4°。
θ角如无专用量具测量,可采用简便方法,将水平尺搁于钢板两侧,中间如正好让一根直径为的焊条通过,则反变形角符合要求,如图11-32c所示。
图11-32 预置反变形角a)反变形角度及尺寸;b)获得反变形的方法;c)反变形角度的测量1—焊件;2—水平尺;3—φ3.2 mm焊条芯由于试板厚为12 mm,需采用多层多道焊来完成。