高级会计学(第3次)
- 格式:doc
- 大小:188.00 KB
- 文档页数:17
高级财务会计3答案详解一、单项选择题1.B 教材原文,见汇率的定义。
2.A 现行汇率法下,业主权益项目,按投入资本时的当日汇率折算。
3.C 可抵扣亏损产生于两种情况,其一就是资产的账面价值小于其计税基础。
4.B 递延所得税资产与递延所得税负债都应按照预期收回期间的税率,以符合资产、负债的定义。
5.B 租赁资产让度的是使用权。
6. D 787.5×8 +450 +675 =7 4257.B 企业合并方式的分类。
8.B 实体理论将多数股权与少数股权平等对待。
9.A 母公司理论的要点就是强调为母公司股东的利益。
10.C 抵消分录的作用就在于此。
.11. D 对照通货膨胀的概念可以得出通货紧缩的概念。
12. B 通货膨胀下传统会计核算的缺点。
13.C 会计收益的概念就是收入减去费用后的差额。
14.C 通货膨胀会计部分变革某些会计原则的含义,包括收入确认原则、配比原则与谨慎性原则。
15. A 一般物价水平会计的特征。
16.B 现时成本会计的定义。
17.C 存货销售时应按现时成本结转销售成本。
18:C 企业解散必须由股东会议做出决定。
19.C 清算费用从破产财产中优先支付。
20. D 破产受理后,由人民法院指定有关人员组成清算组。
二、多项选择题21. ABCDE 22. ABE 23.ABCDE 24. ABCDE 25. BDE 26. ABCE27. ACDE 28. ABCDE 29. AD 30. BCED三、简答题31. 简述资产负债表法下所得税会计的核算程序。
答:(1)确定资产和负债的账面价值。
(2)确定资产和负债的计税基础。
(3)确定暂时性差异。
(4)计算递延所得税资产和递延所得税负债的确认额或转回额。
(5)计算当期应交所得税。
(6)确定利润表中的所得税费用。
32. 简述合并财务报表的编制程序。
答:(1)编制前准备。
①母公司应当统一子公司所采用的会计政策;②母公司应当统一子公司的财务报表决算日和会计期间;③合并财务报表应当以母公司和其子公司的财务报表以及其他有关资料为依据由母公司合并有关项目的数额编制。
2021年9月份考试高级会计学第三次作业 doc2021年9月份考试高级会计学第三次作业一、计算题(本大题共60分,共 2 小题,每小题 30 分)1. 某企业2021年1月1日开始建造一项固定资产,所占用的一般借款有两项(假定这里的支出均为超过专门借款的支出,不再单独考虑专门借款的情况):①2021年1月1日借入的3年期借款200万元,年利率为6%;②2021年4月1日发行的3年期债券300万元,票面年利率为5%,实际利率为6%,债券发行价格为285万元,折价15万元(不考虑发行债券时发生的辅助费用)。
有关资产支出如下:1月1日支出100万元;2月1日支出50万元;3月1日支出50万元;4月1日支出200万元;5月1日支出60万元。
假定资产建造从1月1日开始,工程项目于2021年6月30日达到预定可使用状态。
债券溢折价采用实际利率法摊销。
要求:计算2021年第一季度的资本化率;2. 未来公司与方舟公司属于不同的企业集团,两者之间不存在关联关系。
2021年12月31日,未来公司发行500万股股票(每股面值1元)作为对价取得方舟公司的全部股权,该股票的公允价值为2 000万元。
购买日,方舟公司有关资产、负债情况如下:要求:(1)假设该合并为吸收合并,对未来公司进行账务处理。
(2)假设该合并为控股合并,对未来公司进行账务处理。
二、综合分析题(本大题共40分,共 1 小题,每小题 40 分)2021年12月28日,昌盛公司因合同违约而涉及一桩诉讼案。
根据企业的法律顾问判断,最终的判决很可能对昌盛公司不利。
2021年12月31日,昌盛公司尚未接到法院的判决,因诉讼须承担的赔偿金额也无法准确地确定。
不过,据专业人士估计,赔偿金额可能是720万元至1000万元之间的某一金额。
要求:做出昌盛公司资产负债表日的相关处理。
答案:一、计算题(60分,共 2 题,每小题 30 分) 1.参考答案:计算2021年第一季度的资本化率:由于第一季度只占用了一笔一般借款,资本化率即为该借款的利率,即1.5%(6%×3/12)。
高级财务会计第三次作业答案一、单项选择题(每小题2分,共20分)1、D2、D3、A4、B5、D6、B7、C8、A9、A 10、D二、多项选择题(每小题2分,共20分)1、BCE2、ABC3、ABC4、BC5、BC6、AC7、CD8、ABD9、AB 10、ABC三、简答题(每小题5分,共10分)1、时态法的基本内容:(1)资产负债表:对货币性工程按现行汇率折算;对于按历史成本反映的非货币性工程按历史汇率折算,对于按现行成本表示的非货币性工程按现行汇率折算;对股本、资本公积工程按形成时的历史汇率进行折算,未分配利润为轧算的平衡数;(2)利润表:固定资产折旧费及无形资产摊销费按历史汇率进行折算外,销售成本工程按照“期初存货+当期购货–期末存货=当期销货”的公式计算确定的;其他收入、费用工程按平均汇率进行折算;2、对于衍生工具,表外应披露以下内容:(1)企业持有衍生工具的类别、意图、取得使得公允价值、期初公允价值以及期末的公允价值。
(2)在资产负债表中确认和停止确认该衍生工具的时间标准。
(3)与衍生工具有关的利率、汇率风险、价格风险、信用风险的信息以及这些信息对未来现金流量的金额和期限可能产生影响的重要条件和情况。
(4)企业管理当局为控制与金融工具相关的风险而采取的政策以及金融工具会计处理方面所采取的其他重要的会计政策和方法。
四、业务题(共50分)1、解:单位为元题目有误:缺少“销售成本的历史成本”这一数字,设该数字为X(1)计算非货币性资产的持有损益存货:未实现持有损益=400 000-240 000=160 000(元)已实现持有损益=608 000-X(元)固定资产:设备房屋未实现持有损益=(144 000-144 000/15)-112 000=134 400-112 000=22 400(元)设备房屋已实现持有损益=144 000/15-(120 000-112 000)=9 600-8 000=1 600(元)土地:未实现持有损益=720 000-360 000=360 000(元)已实现持有损益=0(2)重新编制资产负债表资产负债表(现行成本基础)金额:元注:“留存收益”来自于以现行成本基础编制的利润表。
20春《高级会计学》作业3
试卷总分:100 得分:100
一、多选题 (共 8 道试题,共 40 分)
1.追溯调整法的处理程序包括:()
A.附注说明
B.调整列报前期最早期财务报表相关项目及其金额
C.计算会计政策变更的累计影响数
D.编制相关项目的会计分录
答案:ABCD
2.固定资产在持有期间进行后续计量时,会计和税收处理的差异主要来源于()
A.残值
B.折旧方法
C.折旧年限
D.固定资产减值准备
答案:BCD
3.合并财务报表的编制程序()
A.计算合并财务报表各项目的合并金额
B.编制调整分录和抵消分录
C.编制合并工作底稿
D.填列合并财务报表
答案:ABCD
4.资产负债表日后非调整事项包括( )。
2013年9月份考试高级会计学第三次作业2013年9月份考试高级会计学第三次作业一、计算题(本大题共55分,共 10 小题,每小题 5.5 分)1. 2009年1月20日,A公司与B公司签订购买B公司持有的C公司(非上市公司)80%股权的合同。
合同约定:以C公司2009年5月30日评估的可辨认净资产价值为基础,协商确定对C公司80%股权的购买价格;合同经双方股东大会批准后生效。
(1)购买C公司80%股权的合同执行情况如下:①2009年3月15日,A公司和B公司分别召开股东大会,批准通过了该购买股权的合同。
②以C公司2009年5月30日净资产评估值为基础,经协商,双方确定C公司80%股权的价格为18 000万元,A公司以一项交易性金融资产和一项土地使用权作为对价。
A公司作为对价的交易性金融资产2009年6月30日的账面价值为9 000万元(其中成本为8 000万元,公允价值变动为1 000万元),公允价值为10 200万元;作为对价的土地使用权2009年6月30日的账面原价为7 600万元,累计摊销额为600万元,公允价值为8 000万元。
③A公司和B公司均于2009年6月30日办理完毕上述相关资产的产权转让手续。
④A公司于2009年6月30日对C公司董事会进行改组,并取得控制权。
⑤2009年6月30日,C公司可辨认净资产的账面价值与公允价值均为20 000万元,其中:股本为12 000万元,资本公积为2 000万元,盈余公积为600万元,未分配利润为5 400万元。
A公司和B公司合并前不存在关联方关系。
(2)C公司2009年度实现净利润3 000万元(其中2009年7月1日至12月31日实现净利润2 000万元),提取盈余公积200万元;2009年8月1日宣告分派2008年度现金股利1 000万元,无其他所有者权益变动。
2010年实现净利润2 400万元,提取盈余公积240万元,2010年宣告分派2009年度现金股利800万元,现金股利均于宣告分派当年收到。
会计学第3次作业参考答案会计学第3次作业参考答案在会计学的学习中,作业是一个重要的环节,通过完成作业可以巩固所学的知识,提高解决问题的能力。
本文将为大家提供会计学第3次作业的参考答案,帮助大家更好地理解和掌握相关知识。
第一题:简述会计的基本假设会计的基本假设是指在编制财务报表时所假定的一些前提条件,这些假设对于财务报表的编制和使用具有重要的指导作用。
会计的基本假设包括货币计量性假设、实体性假设、会计期间性假设和持续经营性假设。
货币计量性假设指的是会计记录和报告经济活动时,只考虑货币单位的计量。
这意味着会计信息只以货币形式进行记录和报告,其他非货币性的因素不被计入。
实体性假设认为企业是一个独立的经济实体,其财务状况和经营成果与企业所有者是分开的,企业的财务状况和经营成果应该独立地进行记录和报告。
会计期间性假设规定了企业的财务报表应该按照一定的时间间隔进行编制和报告,通常是按年度进行。
持续经营性假设认为企业将会持续经营下去,不会发生破产或关闭等情况。
这意味着企业的财务报表应该基于持续经营的前提进行编制和报告。
第二题:解释会计的会计主体和会计客体会计的会计主体指的是进行会计活动的主体,主要包括企业、事业单位、个人等。
会计主体是会计活动的实施者,负责进行会计记录和报告。
会计的会计客体指的是会计活动所涉及的对象,主要包括资产、负债、所有者权益、收入和费用等。
会计客体是会计主体进行记录和报告的对象,是会计信息的来源和内容。
第三题:解释会计的会计等式和会计核算方法会计的会计等式是指资产等于负债加所有者权益的关系,即A = L + OE。
这个等式表明了企业的资产来源,即资产是通过负债和所有者权益来融资的。
会计等式是会计核算的基础,通过对资产、负债和所有者权益的记录和报告,保持会计等式的平衡。
会计的会计核算方法包括借贷记账法和复式记账法。
借贷记账法是指每一笔会计交易都必须同时记录借方和贷方,借方和贷方的金额必须相等,以保持会计等式的平衡。
北语15秋《高级会计学》作业3满分答案一、多选题(共 8 道试题,共 40 分。
)1. 会计政策变更时,可以采用的会计处理方法有()A. 追溯调整法B. 未来适用法C. 向前追溯法D. 向后追溯法正确答案:AB2. 属于货币性项目的是()A. 现金B. 应收帐款C. 短期借款D. 应付账款正确答案:AB3. 应纳税暂时性差异产生的原因有()A. 资产的帐面价值大于其应税基础B. 负债的帐面价值小于其应税基础C. 资产的帐面价值小于其应税基础D. 负债的帐面价值大于其应税基础:AB4. 可抵扣暂时性差异产生的原因有()A. 资产的帐面价值大于其应税基础B. 负债的帐面价值小于其应税基础C. 资产的帐面价值小于其应税基础D. 负债的帐面价值大于其应税基础正确答案:CD5. 会计政策变更与会计估计变更区分的条件()A. 会计确认是否发生变更B. 计价基础是否发生变更C. 列报事项是否变更D. 会计信息确认原则是否变更正确答案:ABC6. 同一控制下的控股合并中,合并方在合并日涉及两个方面的问题()A. 长期股权投资的确认和计量B. 合并财务报表的编制C. 长期债权投资的确认和计量D. 所得税会计:AB7. 租赁可以分为()A. 融资租赁B. 经营租赁C. 固定资产租赁D. 其他资产租赁正确答案:AB8. 追溯调整法的处理程序包括:()A. 计算会计政策变更的累计影响数B. 编制相关项目的会计分录C. 调整列保前期最早期财务报表相关项目及其金额D. 附注说明正确答案:ABCD15秋《高级会计学》作业3二、判断题(共 12 道试题,共 60 分。
)1. 负债的计税基础等于帐面价值减去未来可税前列支的金额A. 错误B. 正确:B2. 某货币主要影响商品和劳务销售价格,通常以该货币进行商品和劳务销售价格的计价和折算A. 错误B. 正确正确答案:B3. 资产的计税基础等于未来可税前列支的金额A. 错误B. 正确正确答案:B4. 除企业会计准则中明确规定可不确认递延所得税负债的情况以外,企业对于所有的应纳税暂时性差异均应确认相关的递延所得税负债。
一、论述题(共 4 道试题,共 100 分。
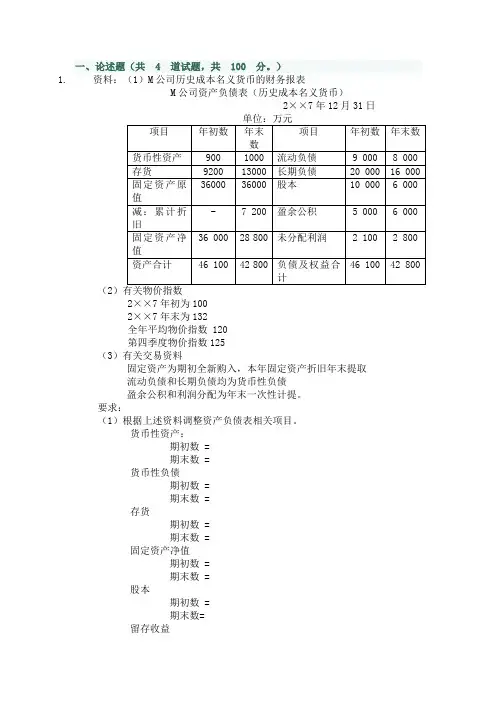
)1. 资料:(1)M公司历史成本名义货币的财务报表M公司资产负债表(历史成本名义货币)2××7年12月31日(22××7年初为1002××7年末为132全年平均物价指数 120第四季度物价指数125(3)有关交易资料固定资产为期初全新购入,本年固定资产折旧年末提取流动负债和长期负债均为货币性负债盈余公积和利润分配为年末一次性计提。
要求:(1)根据上述资料调整资产负债表相关项目。
货币性资产:期初数 =期末数 =货币性负债期初数 =期末数 =存货期初数 =期末数 =固定资产净值期初数 =期末数 =股本期初数 =期末数=留存收益期初数 =期末数 =盈余公积期初数 =期末数 =未分配利润期初数 =期末数 =(2)根据调整后的报表项目重编资产负债表M公司资产负债表(一般物价水平会计)2××7年12月31日答:(1货币性资产:期初数= 900× 132/100 = 1 188期末数= 1 000 × 132 /132 = 1 000货币性负债期初数 = (9 000 + 20 000)× 132/100 = 38 280期末数 = (8 000 + 16 000)× 132/132 = 24 000存货期初数= 9 200 × 132/100 = 12 144期末数 = 13 000 × 132/125 = 13 728固定资产净值期初数= 36 000 × 132/100 =47 520期末数= 28 800 × 132/100 = 38 016股本期初数= 10 000 × 132/100 =13 200期末数= 10 000 × 132/100 =13 200盈余公积期初数= 5 000 × 132/100 = 6 600期末数 = 6 600 + 1 000 =7 600留存收益期初数 = (1 188 + 12 144 + 47 520) - 38 280 – 13 200 = 9 372期末数 = (100+13728+38 016)-24 000-13 200 =15 544未分配利润期初数= 2 100 ×132/100 =2 772期末数 = 15 544 -7 600 =7 944(2)、根据调整后的报表项目重编资产负债表M公司资产负债表(一般物价水平会计)2. 资料:H公司2××7初成立并正式营业。
(1)根据上述资料调整资产负债表相关项目。
货币性资产:期初数= 900×(132÷100)=1188(万元)期末数= 1000×(132÷132)=1000(万元)货币性负债期初数=(9000+20000)×(132÷100)=38280(万元)期末数= (800+16000)×(132÷132)=24000(万元)存货期初数= 9200×(132÷100)=12144(万元)期末数= 13000×(132÷125)=13728(万元)固定资产净值期初数=36000×(132÷100)=47520(万元)期末数= 28800×(132÷100)=38016(万元)股本期初数=10000×(132÷100)=13200(万元)期末数=10000×(132÷100)=13200(万元)留存收益期初数=(1188+12144+47520)-38280-13200=9372(万元)期末数=(100+13728+38016)-24000-13200=15544(万元)盈余公积期初数=5000×(132÷100)=6600(万元)期末数=6600+1000=7600(万元)未分配利润期初数=2100×(132÷100)=2772(万元)期末数=15544-7600=7944(万元)(2)根据调整后的报表项目重编资产负债表M公司资产负债表(一般物价水平会计)要求:(1)根据上述资料,计算非货币性资产资产持有损益存货:未实现持有损益 =400000-240000=160000(元)已实现持有损益 =608000-376000=232000(元)固定资产:设备房屋未实现持有损益 =134400-112000=22400(元)设备房屋已实现持有损益=9600-8000=1600(元)土地:未实现持有损益 = 720000-360000=360000(元)未实现持有损益 =160000+ 224000+360000=542400(元)已实现持有损益=232000+1600=233600(元)(2)重新编制资产负债表资产负债表(1)编制7月份发生的外币业务的会计分录:借:银行存款($500000×7.24) 3620000贷:股本 3620000借:在建工程 2892000贷:应付账款($400000×7.23) 2892000借:应收账款($200000×7.22) 1444000贷:主营业务收入 1444000借:应付账款($200000×7.21) 1442000贷:主营业务收入 1442000借:银行存款($300000×7.2) 2160000贷:应收账款 2160000(2)分别计算7月份发生的汇兑损益净额银行存款外币账户余额=100000+500000-200000+300000=700000(美元)账面人民币余额=725000+3620000-1442000+2160000=5063000(美元)汇总损益金额=700000×7.2-5063000=-23000(元)应收账款外币账户余额=500000+200000-300000=400000(美元)账面人民币余额=3625000+1444000-2160000=2909000(元)汇总损益金额=400000×7.2-2909000=-29000(元)应付账款外币账户余额=200000+400000-200000=400000(美元)账面人民币余额=145000+2892000-1442000=2900000(元)汇总损益金额=400000×7.2-2909000=-29000(元)汇总损益净额=(-23000)+(-29000)-(-20000)=-32000(元)即计入财务费用的汇况损益为-32000元(3)编制期末记录汇兑损益的会计分录借:应付账款 20000贷:财务费用 20000借:银行存款 23000贷:应收账款 23000(1)6月29日开仓时交纳保证金=4365×100×8%=34920(元)交纳手续费=4365×100×0.0003=130.95(元)会计分录如下:借:衍生工具——股指期货合同 34920贷:银行存款 34920借:财务费用 130.95贷:银行存款 130.95(2)由于是多头,6月30日股指期货下降1%,该投资者发生亏损,需要交易所要求补交保证金亏损额=4365×1%×100=4365(元)补交额=4365×99%×100×8%-(34920-4365)=4015.8(元)借:公允价值变动损益 4365贷:衍生工具——股指期货合同 4365借:衍生工具——股指期货合同 4015.8贷:银行存款 4015.8在6月30日编制的资产负债表中,“衍生工具——股指期货合同”账户借方余额34570.8元(34920-4365+4015.8)作为资产列示于资产负债表的“其他流动资产”项目中(3)7月1日平仓并交纳平仓手续费平仓金额=4365×99%×100=432135(元)手续费金额=4365×99%×100×0.0003=129.64(元)借:银行存款 432135贷:衍生工具——股指期货合同 432135 借:财务费用 129.64贷:银行存款 129.64(4)平仓损益结转借:投资收益 4365贷:公允价值变动损益 4365。
2014年9月份考试高级会计学第三次作业一、计算题(本大题共60分,共 6 小题,每小题 10 分)1. 某企业2007年度有关所得税会计处理的资料如下:(1)本年度实现税前会计利润90万元,所得税税率为33%。
(2)国债利息收入3万元。
(3)公司债券利息收入2.25万元。
(4)按权益法计算的应享有被投资企业当年净利润的份额并计入投资收益为12.75万元。
按税法规定,企业对被投资企业投资取得的投资收益,在被投资企业宣告分派股利时计入纳税所得,本年度被投资企业未宣告股利。
被投资企业的所得税税率为15%。
(5)本年度按会计方法计算的折旧费用为6万元,折旧费用全部计入当年损益;按税法规定可在应纳税所得额前扣除的折旧费用为3万元。
要求:(1)采用资产负债表债务法计算本年度应交的所得税。
(2)计算本期应确认的递延所得税资产或递延所得税负债金额。
(3)计算应计入当期损益的所得税费用,并做出相关的会计分录。
2. 甲股份有限公司(本题下称“甲公司”)为上市公司,系增值税一般纳税人,适用的增值税税率为17%,所得税税率为25%。
(1)2009年1月1日,甲公司以银行存款11 000万元,自乙公司购入戊公司80%的股份。
乙公司系甲公司的母公司的全资子公司。
戊公司2009年1月1日股东权益总额为15 000万元,其中股本为8 000万元、资本公积为3 000万元、盈余公积为2 600万元、未分配利润为1 400万元。
戊公司2009年1月1日可辨认净资产的公允价值为17 000万元。
(2)戊公司2009年实现净利润2 500万元,提取盈余公积250万元。
当年购入的可供出售金融资产因公允价值上升确认资本公积300万元。
2009年戊公司从甲公司购进A商品400件,购买价格为每件2万元。
甲公司A 商品每件成本为1.5万元。
2009年戊公司对外销售A商品300件,每件销售价格为2.2万元;年末结存A 商品100件。
2009年12月31日,A商品每件可变现净值为1.8万元;戊公司对A商品计提存货跌价准备20万元。
2019年9月份考试高级会计学第三次作业一、计算题(本大题共55分,共 10 小题,每小题 5.5 分)1. 2009年1月20日,A公司与B公司签订购买B公司持有的C公司(非上市公司)80%股权的合同。
合同约定:以C公司2009年5月30日评估的可辨认净资产价值为基础,协商确定对C公司80%股权的购买价格;合同经双方股东大会批准后生效。
(1)购买C公司80%股权的合同执行情况如下:①2009年3月15日,A公司和B公司分别召开股东大会,批准通过了该购买股权的合同。
②以C公司2009年5月30日净资产评估值为基础,经协商,双方确定C公司80%股权的价格为18 000万元,A公司以一项交易性金融资产和一项土地使用权作为对价。
A公司作为对价的交易性金融资产2009年6月30日的账面价值为9 000万元(其中成本为8 000万元,公允价值变动为1 000万元),公允价值为10 200万元;作为对价的土地使用权2009年6月30日的账面原价为7 600万元,累计摊销额为600万元,公允价值为8 000万元。
③A公司和B公司均于2009年6月30日办理完毕上述相关资产的产权转让手续。
④A公司于2009年6月30日对C公司董事会进行改组,并取得控制权。
⑤2009年6月30日,C公司可辨认净资产的账面价值与公允价值均为20 000万元,其中:股本为12 000万元,资本公积为2 000万元,盈余公积为600万元,未分配利润为5 400万元。
A公司和B公司合并前不存在关联方关系。
(2)C公司2009年度实现净利润3 000万元(其中2009年7月1日至12月31日实现净利润2 000万元),提取盈余公积200万元;2009年8月1日宣告分派2019年度现金股利1 000万元,无其他所有者权益变动。
2019年实现净利润2 400万元,提取盈余公积240万元,2019年宣告分派2009年度现金股利800万元,现金股利均于宣告分派当年收到。
(多选题)1: 追溯调整法的处理程序包括:()
A: 计算会计政策变更的累计影响数
B: 编制相关项目的会计分录
C: 调整列报前期最早期财务报表相关项目及其金额
D: 附注说明
正确答案: A,B,C,D
(多选题)2: 固定资产在持有期间进行后续计量时,会计和税收处理的差异主要来源于()A: 折旧方法
B: 折旧年限
C: 固定资产减值准备
D: 残值
正确答案: A,B,C
(多选题)3: 合并财务报表的编制程序()
A: 编制合并工作底稿
B: 编制调整分录和抵消分录
C: 计算合并财务报表各项目的合并金额
D: 填列合并财务报表
正确答案: A,B,C,D
(多选题)4: 资产负债表日后非调整事项包括( )。
A: 生重大诉讼、仲裁、承诺
B: 资产负债表日后资产价格、税收政策、外汇汇率发生重大变化
C: 资产负债表日后发行股票和债权以及其他巨额举债
D: 资产负债表日后因自然灾害导致资产发生重大损失
E: 资产负债表体后资本公积转赠资本
正确答案: A,B,C,D,E
(多选题)5: 政府无偿划拨的非货币性资产,其价值可以根据()计量
A: 公允价值
B: 名义金额
C: 历史成本
D: 可变现净值
正确答案: A,B
(多选题)6: 确定区域分部时要考虑的因素()
A: 经济、政治环境的相似性
B: 不同区域经营之间的关系
C: 经营的接近程度大小
D: 外汇管理规定
正确答案: A,B,C,D
(多选题)7: 股份支付的主要环节()。
第3次作业一、单项选择题(本大题共15分,共 10 小题,每小题 1.5 分)1. 甲公司所得税税率33%,采用资产负债表债务法核算,税法规定计提的资产减值准备不得税前扣除,2006年10月以500万元购入乙上市公司的股票,作为短期投资,期末按成本法计价,2007年5月乙公司分配2006年度的现金股利,甲公司收到现金股利5万元,甲公司从2007年1月1日起,对期末短期投资由成本法改按成本与市价孰低法计价,2006年末该股票市价为400万元,该会计政策变更对甲公司2007年的期初留存收益影响为()万元。
A. -100 B. -95 C. -67 D. -63.652. A公司2011年4月在上年度财务会计报告批准报出后,发现2009年9月购入并开始使用的一台管理用固定资产一直未计提折旧。
该固定资产入账价值为300万元,采用双倍余额递减法计提折旧,使用年限为10年,无净残值。
A公司对此重大差错采用追溯重述法进行会计处理。
假定A公司按净利润的10%提取法定盈余公积,不考虑其他因素。
A公司2011年度所有者权益变动表“本年金额”栏中的“未分配利润年初余额”项目应调减的金额为()万元。
A. 72B. 79.2C. 64.8D. 603. 甲公司是乙公司的母公司,甲公司向乙公司销售商品的价款300万元,增值税51万元,实际收到乙公司支付的银行存款351万元,假设乙公司将购入商品作为存货入账。
下列抵销分录中正确的是()。
A. 借:购买商品、接受劳务支付的现金 300 贷:销售商品、提供劳务收到的现金 300B. 借:销售商品、提供劳务收到的现金 300 贷:购买商品、接受劳务支付的现金 300C. 借:购买商品、接受劳务支付的现金 351 贷:销售商品、提供劳务收到的现金 351D. 借:销售商品、提供劳务收到的现金 351 贷:购买商品、接受劳务支付的现金 3514. 甲公司的记账本位币为人民币。
20×7年12月5日以每股2美元的价格购入A公司10000股作为交易性金融资产,当日汇率为1美元=7.6元人民币,款项已经支付,20×7年12月31日,当月购入的A公司股票市价变为每股2.2美元,当日汇率为1美元=7.4元人民币,假定不考虑相关税费的影响,则甲公司期末应计入当期损益的金额为()元人民币。
A. 10800 B. 800 C. 10000 D. 106005. 某企业集团母子公司坏账准备计提比例均为应收账款余额的3%,所得税税率均为25%。
上年年末该公司对其子公司内部应收账款余额为4 000万元,本年年末对其子公司内部应收账款余额为6 000万元。
该企业本年编制合并财务报表时就上述事项影响“未分配利润——年初”项目和“递延所得税资产”项目的金额分别为()万元。
A. 180,15 B. 60,45 C. 90,45 D. 120,306. 甲股份有限公司对外币业务采用交易发生日的即期汇率折算,按月结算汇兑损益。
2009年3月20日, 该公司自银行购入300万美元, 银行当日的美元卖出价为1美元=6.25元人民币, 当日市场汇率为1美元=6.21 元人民币。
2009年3月31日的市场汇率为1美元=6.22 元人民币。
甲股份有限公司购入的该300万美元于2009年3月所产生的汇兑损失为 ( ) 万元人民币。
A. 3 B.6 C. 9 D. 127. A公司以4 300万元取得B公司70%的股权。
在合并前,A公司与B公司不存在关联方关系。
合并当日,B公司可辨认净资产公允价值为5 000万元,其可辨认净资产账面价值为4 000万元,其中股本为3 000万元,资本公积为1 000万元。
不考虑其他因素,则A公司在合并当日编制合并抵销分录时应确认的商誉为()万元。
A. 300 B. 0 C. 1 500 D. 8008. 甲公司于2010年1月1日开业,2010年、2011年和2012年免征企业所得税,从2011年起,适用的所得税税率为25%。
2010年12月11日,甲公司购入一台大型设备,入账价值为600万元,预计使用年限为5年,预计净残值为零,采用双倍余额递减法计提折旧。
税法上规定采用直线法计提折旧,预计使用年限、预计净残值与会计上一致。
2011年底,甲公司对该项设备计提了减值准备l30万元,该设备的折旧方式等均不发生改变。
假定资产负债表日有确凿证据表明未来期间很可能获得足够的应纳税所得额,用来抵扣可抵扣的暂时性差异,不考虑其他因素,则2011年末甲公司应确认的递延所得税资产为( )万元。
A. 0 B. 60 C. 120 D. 61.259. 某公司的一个境外子公司记账本位币为欧元,期初折算汇率为1欧元 = 10元人民币,期末折算汇率为1欧元 = 10.4元人民币,该公司即期采用平均汇率对利润及其分配项目核算,期初未分配利润有100万欧元,折合人民币950万元,本期取得净利润200万欧元,计提盈余公积20万欧元,期末该企业折合后未分配利润的人民币金额应为()万元。
A. 2786B. 2990C. 3020D. 183610. 甲公司有一个子公司(乙公司),2010年度甲公司和乙公司个别现金流量表中“销售商品、提供劳务收到的现金”项目的金额分别为1 500万元和1 000万元,“购买商品、接受劳务支付的现金”项目分别为1 800万元和800万元。
2010年甲公司向乙公司购买商品支付现金200万元,不考虑其他事项,合并现金流量表中“销售商品、提供劳务收到的现金”项目的金额为()万元。
A. 3 000B. 2 600C. 2 300D. 2 900二、多项选择题(本大题共20分,共 10 小题,每小题 2 分)1. 对非同一控制下的企业合并时的合并成本,下列说法中正确的有()。
A. 一次交换交易实现的企业合并,合并成本为购买方在购买日为取得对被购买方的控制权而付出的资产、发生或承担的负债以及发行的权益性证券的公允价值B. 通过多次交换交易分步实现的企业合并,其合并成本为每一单项交换交易成本之和C. 购买方为进行企业合并发生的各项直接相关费用也应当计入企业合并成本D. 购买方为进行企业合并发生的各项直接相关费用应当计入当期损益E. 在合并合同或协议中对可能影响合并成本的未来事项作出约定的,购买日如果估计未来事项很可能发生并且对合并成本的影响金额能够可靠计量的,购买方应当将其计入合并成本2. 2010年10月20日,甲公司被乙公司提起诉讼。
乙公司请求法院判决甲公司违约并赔偿乙公司经济损失。
至2010年12月31日,甲公司代理律师认为甲公司很可能败诉并需要赔偿乙公司300万元。
2011年3月7日,经法院判决甲公司需要偿付乙公司经济损失400万元,甲公司不再上诉并支付了赔偿款。
假如甲公司2010年原会计利润为2000万元且已经对所得税进行了计算,确认利润表所得税费用为500万元,甲公司2010年财务报告批准报出日为2011年3月20日,所得税税率25%,没有其他调整事项。
2010年12月31日,对于该诉讼事项的账务处理,下来说法正确的有()。
A. 虽然诉讼案件尚未判决,甲公司要按照最可能的赔偿金额确认300万元预计负债B. 由于诉讼案件尚未判决,甲公司不需要按照最可能的赔偿金额确认预计负债C. 对于该事项,企业应确认递延所得税负债75万元D. 对于该事项,企业应确认递延所得税资产75万元E. 因预计负债确认的损失300万元可以税前扣除3. 下列哪个项目,不在“以前年度损益调整”科目的借方反映()。
A. 调整以前年度损益而需调增的管理费用 B. 调整以前年度损益而相应减少的所得税 C. 调整以前年度损益而相应增加的主营业务收入 D. 调整本期管理费用4. 下列事项中,符合会计准则规定的会计政策变更的有()。
A. 按照会计准则、规章的要求采用新的会计政策 B. 为提供更可靠、更相关的信息采用新的会计政策 C. 对不重要的事项采用新的会计政策 D. 对初次发生的事项采用新的会计政策 E. 本期发生的交易或事项与以前相比具有本质差别而采用新的会计政策5. 下列项目中,不能采用追溯调整法的有()。
A. 会计政策变更的累积影响数不能确定 B. 应用追溯调整法要求对管理层在该期当时的意图做出假定 C. 企业因账簿、凭证超过法定保存期限而销毁 D. 因不可抗力可能使当期期初确定会计政策变更对以前各期累积影响数无法计算 E. 会计政策变更累计影响数能够合理确定,但是法律规定不能采用追溯调整法6. 下列说法正确的有()。
A. 外币交易,是指以外币计价或者结算的交易。
外币是指人民币以外的货币。
B. 企业因经营所处的主要经济环境发生重大变化,确需变更记账本位币的,应当采用变更当日的即期汇率将所有项目折算为变更后的记账本位币 C. 企业变更记账本位币不会产生汇兑差额 D. 企业收到外币投入资本不会产生外币资本折算差额 E. 外币报表折算差额为以记账本位币反映的净资产减去以记账本位币反映的所有者权益后的金额7. 长江公司2009年度所得税汇算清缴于2010年2月28日完成。
长江公司2009年度财务报告经董事会批准于2010年4月25日对外报出,实际对外公布日为2010年4月30日。
长江公司财务负责人在对2009年度财务报告进行复核时,对2009年度的以下交易或事项的会计处理有疑问,其中,下述交易或事项中的(1)、(5)项于2010年2月24日发现, (2) 、(3)、(4)、(6)项于2010年3月5日发现:(1)甲公司为长江公司的第二大股东,持有长江公司20%的股份,共计1800万股。
因甲公司欠长江公司3000万元,逾期未偿还,长江公司于2009年4月1日向人民法院提出申请,要求该法院采取诉前保全措施,保全甲公司所持有的长江公司法人股。
同年9月29日,人民法院向长江公司送达民事裁定书同意上述申请。
长江公司于9月30日对甲公司提起诉讼,要求甲公司偿还欠款。
至2009年12月31 日,此案尚在审理中。
长江公司经估计该诉讼案件很可能胜诉,并可从保全的甲公司所持长江公司股份的处置收入中收回全部欠款,长江公司调整了应交所得税。
长江公司于2009年12月31日进行会计处理如下:借:其他应收款 3000贷:营业外收入 3000(2) 2009年12月1日,A公司认为,由于新技术发展等原因,需要对某项管理用无形资产的摊销方法进行修正,该无形资产系2008年12月10日购入的,原价为200万元,预计摊销年限为l0,预计净残值为零,采用直线法进行摊销。
修正后该无形资产采用双倍余额递减法摊销,摊销年限、预计净残值均不变。
A 公司于2009年12月1日的相关会计处理为:借:利润分配——未分配利润 18盈余公积 2贷:累计摊销 20(3)2009年8月12日,长江公司为研制新产品,研究期间共发生材料费、人员工资等500万元,会计部门将其作为无形资产核算,并于当年摊销100万元,计入管理费用。