8路开关信号显示电路
- 格式:doc
- 大小:1.19 MB
- 文档页数:11
数字电路课程设计报告8路数字抢答器1.概述抢答器同时供8名选手或8个代表队比赛,分别用8个按钮S0 ~ S7表示。
另外设置系统清除开关一个,该开关由主持人控制。
抢答器具有锁存与显示功能。
即选手按动按钮,锁存相应的编号,扬声器发出声响提示,并在七段数码管上显示选手号码。
选手抢答实行优先锁存,优先抢答选手的编号一直保持到主持人将系统清零为止。
当主持人按下清除键后,参赛选手可以进行抢答,同时倒计时电路开始倒计时,抢答有效时,红灯亮,倒计时停止,显示器上显示选手的编号,并保持到主持人将系统清零为止。
2、8路数字抢答器各主要芯片介绍2.1、74LS14874LS148是一个8线—3线优先编码器。
74LS148外部管脚图、真值表如图所示:图一 74ls148 真值表由表不难看出,在0=S 电路正常工作状态下,允许70~I I 当中同时有几个输入端同时为低电平,即有编码输入信号。
7I 的优先权最高,0I 的优先权最低。
当07=I 时,无论其它输入端有无输入信号(表中以x 表示),输出端只给出7I 的编码,即000012=Y Y Y ,当74LS148的功能表输 入输 出S0I 1I 2I 3I 4I 5I 6I 7I2Y 1Y 0Y S Y EX Y1 0 0 0 0 0 0 0 0 0 x x x x x x x x 1 1 1 1 1 1 1 1 x x x x x x x 0 x x x x x x 0 1 x x x x x 0 1 1 x x x x 0 1 1 1 x x x 0 1 1 1 1 x x 0 1 1 1 1 1 x 0 1 1 1 1 1 1 0 1 1 1 1 1 1 1 1 1 1 1 1 1 1 1 0 1 0 0 0 1 0 0 0 1 1 0 0 1 0 1 0 0 1 1 1 0 1 0 0 1 0 1 0 1 1 0 1 1 0 1 0 1 1 1 1 0U CC Y EX Y S I 3 I 2 I 1 I 0 Y 0I 4I 5I 6I7S Y 2Y 1GND 图2 74LS148管脚图16 9 74LS148 1 80167==I I 、时,无论其它输入端有无输入信号,只对6I 编码,即输出为001012=Y Y Y 。
图 1 基于 CH340G 芯片的 USB 接口电路李虹静,华中科技大学工程实训中心,研究方向:电工电子与PLC。
集成电路应用 第 37 卷 第 1 期(总第 316 期)2020 年 1 月 21开关量采集电路则采用的是 EL357N 光耦芯片来实现,其电路原理图如图 4 所示。
当 IN1 的电压为高于 5 V DC 时,U5 的管脚 1 和管脚 2 之间产生电势差,则其内部的发光二极管导通,从而使得 U5 的管脚 3 和管脚 4 之间导通,最终 INPT1 为低电平;当 IN1 的电压低于 5 时,U5 的管脚 1 和管脚 2 之间的电势差不足以点亮其内部的发光二极管,从而使得 U5 的管脚 3 和管脚 4 之间断开,最终 INPT1 为高电平。
二极管 D5 起到反向保护作用。
R11 为限流电阻。
依据 EL357N 的特性,IN1 的高电压极限值在 50 3 STC 单片机的软件设计STC 单片机的程序开发,则使用 Keil 5 开发工具。
依据开关量采集电路系统的硬件设计,其软件设计主要可以分为状态指示灯、UART 通信、开关量采集、蜂鸣器驱动等部分。
图 2 MCU 控制电路原理图图 3 CH340G 芯片 UART 口防电流倒灌电路图 4 基于 EL357N 光耦芯片的开关量采集电路图 5 系统状态指示灯和蜂鸣器驱动电路图 6 定时器 4 初始化及中断服务程序代码图 7 蜂鸣器驱动程序代码图像进行验证,选择另一张图片如图 5 所示。
Pytesseract 进行识别,识别后的结果如表 2 所示。
从识别结果中可以看到,经过预处理后数据的识别成功率可以达到 100%。
4 结语随着智能时代的来临和 Python 的日益普及,走进了实验室,将工程师从烦琐单调的数据处理中解放出来。
智能化测试和数据处理已经成为不可阻挡的趋势,人工智能逐步渗透到人们的工作和生活当中,给我们带来了高效准确的工作模式,也给我们带来了更多的思索。
八路输入模拟信号的数值显示电路作品简介八路输入模拟信号的数值显示电路由以下几部分组成:电源部分,模数转换部分,主控部分,数码显示部分,驱动单元这五个主要单元。
电源部分是由220V电压通过变压器变压变成±12V的正弦波,在经过全桥电路和滤波电容在经过7805后变成5V固定电压,数模转换部分是由ADC0809数模转换模块提供,它的采样频率为8位、是一种以逐次逼近原理进行模—数转换的器件。
其内部有一个8通道多路开关,它可以根据地址锁存译码后的信号,只选通8个模拟输入信号中的一个进行A/D转换,主控电路有单片机STC89C52组成,它是整个电路的核心。
而数码显示电路是由4位共阳极数码管提供,驱动部分采用PNP型的三极管来驱动数码管。
74LS74作为四分频使用,来提供ADC0809的时钟。
引言部分智能仪器是计算机技术和测量仪器结合的产物,是含有微计算机或微处理器的测量仪器,由于他拥有对数据的存储、运算、逻辑判断及自动化操作等功能,具有一定智能作用,因而被称之为智能仪器。
智能仪器的出现,极大地扩充了传统仪器的应用范围。
智能仪器实质上是一种硬件和软件的结合设计,并且充分利用了软件技术的强大功能,它把仪器的主要功能集中放在程序存储器ROM中,因而,当需要增加功能时,不需要全面改变硬件设计,而只要修改存放在ROM中的软件内容就可以很放便地改变仪器的功能。
智能仪器凭借其体积小、功能强、功耗低等优势,迅速地在家用电器、科研单位和工业企业中得到了广泛的应用。
因此单片机的应用使智能仪器具有以下功能特点:1、具有友好的人—机对话能力。
2、自动矫正零点满度和切换量程。
3、多点快速检测。
4、自动修正各类测量误差。
5、数字滤波。
6、数据处理。
7、各种控制规律。
8、多种输出形式。
9、数据通信。
10、自诊断和故障监控。
11、掉电保护。
模数转换:把连续变化的模拟量转化为在时间和幅值上离散的数字量。
模数转换器:实现模数转换的电路或器件,又称A/D转换器或ADC。
ADC0809引脚图与接⼝电路实例ADC0809引脚图与接⼝电路A/D转换器芯⽚ADC0809简介 8路模拟信号的分时采集,⽚内有8路模拟选通开关,以及相应的通道抵制锁存⽤译码电路,其转换时间为100s左右1. ADC0809的内部结构ADC0809的内部逻辑结构图如图9-7所⽰图中多路开关可选通8个模拟通道,允许8路模拟量分时输⼊,共⽤⼀个A/D转换器进⾏转换,这是⼀种经济的多路数据采集⽅法地址锁存与译码电路完成对 ABC 3个地址位进⾏锁存和译码,其译码输出⽤于通道选择,其转换结果通过三态输出锁存器存放输出,因此可以直接与系统数据总线相连,表9-1为通道选择表表9-1 通道选择表2.信号引脚ADC0809芯⽚为28引脚为双列直插式封装,其引脚排列见图9.8对ADC0809主要信号引脚的功能说明如下:START转换启动信号START上升沿时,复位ADC0809;START下降沿时启动芯⽚,开始进⾏A/D转换;在A/D转换期间,START应保持低电平本信号有时简写为ST.ABC地址线通道端⼝选择线,A为低地址,C为⾼地址,引脚图中为ADDA,ADDB 和ADDC其地址状态与通道对应关系见表9-1CLK时钟信号ADC0809的内部没有时钟电路,所需时钟信号由外界提供,因此有时钟信号引脚通常使⽤频率为500KHz的时钟信号EOC转换结束信号EOC=0,正在进⾏转换;EOC=1,转换结束使⽤中该状态信号即可作为查询的状态标志,⼜可作为中断请求信号使⽤OE输出允许信号⽤于控制三态输出锁存器向单⽚机输出转换得到的数据OE=0,输出数据线呈⾼阻;OE=1,输出转换得到的数据Vcc +5V电源Vref参考电源参考电压⽤来与输⼊的模拟信号进⾏⽐较,作为逐次逼近的基准其典型值为+5V(Vref(+)=+5V, Vref(-)=-5V). ADC0809与MCS-51单⽚机的连接如图9.10所⽰电路连接主要涉及两个问题⼀是8路模拟信号通道的选择,⼆是A/D转换完成后转换数据的传送1. 8路模拟通道选择图9.10 ADC0809与MCS-51的连接如图9.11所⽰模拟通道选择信号ABC分别接最低三位地址A0A1A2即(P0.0P0.1P0.2),⽽地址锁存允许信号ALE由P2.0控制,则8 路模拟通道的地址为0FEF8H~0FEFFH.此外,通道地址选择以作写选通信号,这⼀部分电路连接如图9.12所⽰图9.11 ADC0809的部分信号连接图9.12 信号的时间配合从图中可以看到,把ALE信号与START信号接在⼀起了,这样连接使得在信号的前沿写⼊(锁存)通道地址,紧接着在其后沿就启动转换图9.19是有关信号的时间配合⽰意图启动A/D转换只需要⼀条MOVX指令在此之前,要将P2.0清零并将最低三位与所选择的通道好像对应的⼝地址送⼊数据指针DPTR中例如要选择IN0通道时,可采⽤如下两条指令,即可启动A/D转换:2. 转换数据的传送A/D转换后得到的数据应及时传送给单⽚机进⾏处理数据传送的关键问题是如何确认A/D转换的完成,因为只有确认完成后,才能进⾏传送为此可采⽤下述三种⽅式(1)定时传送⽅式对于⼀种A/D转换其来说,转换时间作为⼀项技术指标是已知的和固定的例如ADC0809转换时间为128s,相当于6MHz的MCS-51单⽚机共64 个机器周期可据此设计⼀个延时⼦程序,A/D转换启动后即调⽤此⼦程序,延迟时间⼀到,转换肯定已经完成了,接着就可进⾏数据传送(2)查询⽅式A/D转换芯⽚由表明转换完成的状态信号,例如ADC0809的EOC端因此可以⽤查询⽅式,测试EOC的状态,即可却只转换是否完成,并接着进⾏数据传送(3)中断⽅式把表明转换完成的状态信号(EOC)作为中断请求信号,以中断⽅式进⾏数据传送不管使⽤上述那种⽅式,只要⼀旦确定转换完成,即可通过指令进⾏数据传送⾸先送出⼝地址并以信号有效时,OE信号即有效,把转换数据送上数据总线,供单⽚机接受不管使⽤上述那种⽅式,只要⼀旦确认转换结束,便可通过指令进⾏数据传送所⽤的指令为MOVX 读指令,仍以图9-17所⽰为例,则有MOV DPTR , #FE00HMOVX A , @DPTR效,从⽽打开三态门输出,是转换后的数据通过数据总线送⼊A累加器中这⾥需要说明的⽰,ADC0809的三个地址端ABC即可如前所述与地址线相连,也可与数据线相连,例如与D0~D2相连这是启动A/D转换的指令与上述类似,只不过A的内容不能为任意数,⽽必须和所选输⼊通道号IN0~IN7相⼀致例如当ABC分别与D0D1D2相连时,启动IN7的A/D转换指令如下:MOVX @DPTR, A ;启动A/D转换设有⼀个8路模拟量输⼊的巡回监测系统,采样数据依次存放在外部RAM 0A0H~0A7H单元中,按图9.10所⽰的接⼝电路,ADC0809的8个通道地址为0FEF8H~0FEFFH.其数据采样的初始化程序和中断服务程序(假定只采样⼀次)如下:初始化程序:中断服务程序:⽹友评论:92008-06-21 13:27如果8路模拟通道的地址为0FEF8H~0FEFFH.那么0通道的地址是0FEF8H,那怎么在程序中变成了FE00HMOV DPTR , #FE00H ;送⼊0809的⼝地址MOVX @DPTR , A ;启动A/D转换(IN0)请问你的通道地址是怎么确定的啊?谢谢!!。
dido接口测试方法1、开关量信号输入与输出8路开关量信号输入,可接干接点和湿接点,详细请参考接线图部分;4路开关量信号PNP输出,输出电压等于电源电压,输出电流最大100mA,注意输出不能过载,否则会烧坏输出通道。
2、通讯协议通讯接口: 2个RJ-45网络接口。
每个网口都有两个指示灯,网线插上之后Link灯(绿灯) 会不停闪烁,Data灯(黄灯)会不定时的闪烁。
两个网口之间的数据可以自由交换。
通讯协议:采用Socket自由协议或者MODBUS TCP协议,实现工业以太网数据交换。
也可以通过网页直接访问控制模块。
网络缓存:2K Byte(收与发都是)通信响应时间:小于5mS。
3、抗干扰模块内部有瞬态抑制二极管,可以有效抑制各种浪涌脉冲,保护模块。
产品特点:● 8路开关量输入,4路开关量输出● DI状态变化自动发送状态数据,可以捕获脉冲● DO采用PNP输出,可以直接驱动中间继电器● 同时支持Modbus TCP 通讯协议● 内置网页功能,可以通过网页查询与控制● 双网口支持菊花链连接方便布线● 宽电源供电范围:8 ~ 32VDC● 可靠性高,编程方便,易于应用● 标准DIN35导轨安装,方便集中布线● 用户可在网页上设置模块IP地址和其他参数● 网页登录可设置密码,更安全● 低成本、小体积、模块化设计● 外形尺寸:120 x 70 x 43mm典型应用:● 直接控制电动辊筒驱动卡● 替代PLC控制实现远程控制,降低成本● 智能物流仓库自动分拣系统● 以太网工业自动化控制系统● 智能灯光照明控制系统● 设备运行监测与控制● 传感器信号的测量● 工业相机状态监测与控制● 物联网开关量信号采集产品概述:IBF94产品是一种物联网和工业以太网采集模块,实现了传感器与网络之间形成透明的数据交互。
可以将传感器的数据转发到网络,或者将来自网络的数据转发到传感器。
IBF94系列产品包括电源调理,开关量采集、三极管输出和RJ-45网络接口通信。
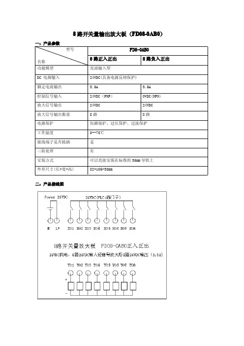
8路开关量输出放大板(FD08-0AB0)一:产品参数
型号名称
FD8-0AB08路正入正出8路负入正出功能模型
直流输入型DC 电源输入
24VDC(具备电源反相保护)额定电流输出
3.5A 3.5A 控制信号输入
24VDC(PNP)0VDC(NPN)放大信号输出
24VDC 24VDC 放大信号输出数量
8路8路电路保护
短路保护、过压保护、过流保护工作温度
0--70℃接线端子是否拔插
是三防处理
有安装方式
可以直接安装在标准的35mm 导轨上外形尺寸(长*宽*高)82*105*38mm
二:产品接线图
8路正入正出接线图
8路负入正出接线图
三:功能描述
PLC广泛应用于液压机械,在连接电磁阀时,通常的做法是用继电器转接。
由于继电器的触点是机械式的,存在切换时间长,机械触点寿命短(通常为100万次)的致命缺陷,特别是不能满足频繁快速通断的要求。
FD08-0AB0开关量输出放大板可以将0.3A、0.5A或0.75A晶体管输出转换为3.5A晶体管输出,直接连接DC24V的电磁阀。
具有没有机械触点,寿命长,切换快等特点;且有短路、过流、过压等保护!放大板上有两排指示灯,上面一排是输入信号指示灯,下面一排是输出信号指示灯,可以很明了的知道信号的输入输出。
四:特别说明
虽然放大后输出电流较大,但是不建议一个输出点带两个阀!。
1 抢答器的基本组成及工作原理1.1 抢答器的组成抢答器的一般构成框图如图1.1所示。
它主要由开关阵列电路、触发锁存电路、编码器、7段显示器几部分组成。
下面逐一给予介绍。
图1.1 抢答器的组成框图(1)开关阵列电路该电路由多路开关所组成,每一竞赛者与一组开关相对应。
开关应为常开型,当按下开关时,开关闭合;当松开开关时,开关自动弹出断开。
(2)触发锁存电路当某一开关首先按下时,触发锁存电路被触发,在输出端产生相应的开关电平信息,同时为防止其它开关随后触发而产生紊乱,最先产生的输出电平变化又反过来将触发电路锁定。
若有多个开关同时按下时,则在它们之间存在着随机竞争的问题,结果可能是它们中的任一个产生有效输出。
(3)编码器编码器的作用是将某一开关信息转化为相应的8421BCD码,以提供数字显示电路所需要的编码输入。
(4)7段显示译码器译码驱动电路将编码器输出的8421BCD码转换为数码管需要的逻辑状态,并且为保证数码管正常工作提供足够的工作电流。
(5)数码显示器数码管通常有发光二极管(LED)数码管和液晶(LCD)数码管。
本设计提供的为LED数码管。
1.2 抢答器的工作原理(1)开关阵列电路图1.2所示为8路开关阵列电路,从图上可以看出其结构非常简单。
电路中,R1~R8为上拉和限流电阻。
当任一开关按下时,相应的输出为低电平,否则为高电平。
图1.2 开关阵列电路(2)触发锁存电路图1.3所示为8路触发锁存电路。
图中,74HC373为8D锁存器,一开始,当所有开关均未按下时,锁存器输出全为高电平,经8输入与非门和非门后的反馈信号仍为高电平,该信号作为锁存器使能端控制信号,使锁存器处于等待接收触发输入状态;当任一开关按下时,输出信号中必有一路为低电平,则反馈信号变为低电平,锁存器刚刚接收到的开关被锁存,这时其它开关信息的输入将被封锁。
由此可见,触发锁存电路具有时序电路的特征,是实现抢答器功能的关键。
也可以采用JK触发器来实现触发锁存电路的功能,具体实现方法请自己考虑。
ADC0809中文资料ADC0809是带有8位A/D转换器、8路多路开关以及微处理机兼容的控制逻辑的CMOS组件。
它是逐次逼近式A/D转换器,可以和单片机直接接口。
(1)ADC0809的内部逻辑结构由下图可知,ADC0809由一个8路模拟开关、一个地址锁存与译码器、一个A/D转换器和一个三态输出锁存器组成。
多路开关可选通8个模拟通道,允许8路模拟量分时输入,共用A/D转换器进行转换。
三态输出锁器用于锁存A/D转换完的数字量,当OE端为高电平时,才可以从三态输出锁存器取走转换完的数据。
(2).ADC0809引脚结构ADC0809各脚功能如下:D7-D0:8位数字量输出引脚。
IN0-IN7:8位模拟量输入引脚。
VCC:+5V工作电压。
GND:地。
REF(+):参考电压正端。
REF(-):参考电压负端。
START:A/D转换启动信号输入端。
ALE:地址锁存允许信号输入端。
(以上两种信号用于启动A/D转换).EOC:转换结束信号输出引脚,开始转换时为低电平,当转换结束时为高电平。
OE:输出允许控制端,用以打开三态数据输出锁存器。
CLK:时钟信号输入端(一般为500KHz)。
A、B、C:地址输入线。
ADC0809对输入模拟量要求:信号单极性,电压范围是0-5V,若信号太小,必须进行放大;输入的模拟量在转换过程中应该保持不变,如若模拟量变化太快,则需在输入前增加采样保持电路。
地址输入和控制线:4条ALE为地址锁存允许输入线,高电平有效。
当ALE线为高电平时,地址锁存与译码器将A,B,C三条地址线的地址信号进行锁存,经译码后被选中的通道的模拟量进转换器进行转换。
A,B和C为地址输入线,用于选通IN0-IN7上的一路模拟量输入。
通道选择表如下表所示。
C B A 选择的通道0 0 0 IN00 0 1 IN10 1 0 IN20 1 1 IN31 0 0 IN41 0 1 IN51 1 0 IN61 1 1 IN7数字量输出及控制线:11条ST为转换启动信号。
ST-08.16A智能开关模块使用说明书一、概述ST-08.16A智能开关模块,通讯采用485总线方式,自带场景控制部分,本身设有继电器开关手动控制,具有远程编程和管理功能。
二、功能特点1、8路继电器开关输出单元2、自带场景控制器,多达128个场景3、每个回路具有灯具保护延时(0-60分钟)4、每个回路具有分批开启延时(0-25秒)5、每个回路继电器开关可手动控制6、具有远程编程和管理功能7、设备重启可选择已开的场景或指定的场景8、采用485总线方式通讯9、标准35mm导轨式安装结构三、主要技术参数1.输入电压:DC24V2.总线耗电:30mA/DC24V3.开关回路:8路4.每开关回路最大电流:16A5.继电器电气寿命:大于60000次(阻性负载)6.环境条件:工作温度0℃~45℃工作相对湿度20%~90%储存温度-40℃~+55℃储存相对湿度10%~93%7.外形尺寸:255mm×110mm×65mm8.重量:0.5kg四、外观说明模块外观和接线示意图如下所示:①1、2、3、4、5、6、7、8共八路继电器开关回路输出端②回路指示灯。
8个指示灯分别与8个手动开关按键一一对应,每个指示灯显示对应回路的开关状态。
③1、2、3、4、5、6、7、8共八路继电器手动按键,每次按下后,继电器状态与当前状态相反。
④电源和异常指示灯,模块正常工作时,指示灯每秒钟闪一次(慢闪),出现异常情况时,指示灯每250ms闪一次(快闪)。
⑤ DC+、DATA+、DATA-、COM为485总线接线端接线端信号定义及与485连线的对应关系为:DC+(+24V)→棕、橙DATA+(信号+)→蓝、绿DATA-(信号-)→蓝白、绿白COM(公共端)→棕白、橙白⑥消防信号接口。
DI-、DI+为消防信号输入接口,DO-、DO+为消防反馈输出接口。
两个接口都为有源信号,都需要外部接入电源,DI-、DI+只允许直流电压输入,范围为DC5V-30V;DO-、DO+也只允许直流电压输入,范围为DC5V-30V,用于驱动DC12V、DC24V中间继电器等设备,两者都切勿接入220V交流信号,1以免设备损坏。
八路模拟开关cd4051与输入信号滤波电路设计原理八路模拟开关CD4051与输入信号滤波电路设计原理如下:
CD4051是一个8路模拟开关,其工作原理基于电压分压和开关电容。
内部有一系列的电压分压器和开关电容,通过S0、S1和S2的选择信号,连接
所需的电压分压器和开关电容。
在给定通道的情况下,CD4051将所选通道的输入信号与内部的电压分压器和开关电容连接起来,然后将分压和开关结果输出到相应的输出引脚。
当选择不同通道时,CD4051会自动切换所需的电压分压器和开关电容,以保证输出的模拟信号的准确性和稳定性。
输入信号滤波电路设计原理是用于减少信号中的噪声和干扰,提高信号的纯度和稳定性。
常见的输入信号滤波电路有低通滤波器、高通滤波器和带通滤波器等。
滤波器通过选择适当的电路元件和参数,实现对特定频率范围的信号进行增强或抑制,以实现信号的平滑处理和噪声的减小。
CD4051与输入信号滤波电路结合使用时,首先将输入信号通过滤波电路进行平滑处理,减少噪声和干扰。
然后,将处理后的信号输入到CD4051中
进行选择和处理。
CD4051根据需要选择相应的通道,通过内部的电压分压器和开关电容对信号进行分压和开关处理,并将结果输出到相应的输出引脚。
这种结合使用可以实现对多个信号源的灵活控制和处理,同时保证信号的质量和稳定性。
以上信息仅供参考,如有需要建议查阅模拟开关的相关书籍或咨询专业人士。
8路继电器模块原理
8路继电器模块是一种常用的开关控制装置,由8个继电器组成,可以同时控制8个电路的开关状态。
其工作原理如下:
1. 电源供电:8路继电器模块通常使用直流电源供电,一般为5V或12V。
通过外部电源连接到继电器模块的电源端,为所有继电器提供工作电压。
2. 控制信号输入:每个继电器都有一个控制继电器工作的信号输入端口。
当接收到控制信号时,继电器会切换其开关状态。
控制信号可以是来自微控制器、开关按钮或其他电子设备。
3. 继电器操作:当控制信号到达时,继电器的工作电磁就会激活。
这时,工作电磁会产生磁场,使得继电器的触点闭合或打开,从而控制相关电路的通断。
4. 电路连接:8路继电器模块通常有8个输出端口,可以将继电器的触点与需要控制的设备或电路连接起来。
触点的通断状态取决于继电器的开关状态。
5. 继电器保护电路:为了保护继电器和被控制的设备,继电器模块通常还会配备保护电路,如电压过流保护、电压过载保护和短路保护等。
这些保护电路能够确保在异常情况下继电器和被控制的设备不会受到损坏。
综上所述,8路继电器模块通过控制信号输入,使得继电器的触点打开或闭合,从而控制相关电路的通断状态。
它是一种常
用的开关控制装置,广泛应用于家电控制、自动化系统以及工业控制等领域。
电子课程设计------8路开关信号显示电路学院:电子信息工程学院专业、班级:自动化091502班姓名:孙艳林学号:200915040223指导教师:李小松2011年12月8路开关信号显示电路一.设计任务与要求设计一个用5根导线(1根数据线,3根数据选择线,地线)分时传输8路开关信号的电路。
要求在发送端发送开关信号,在接收端用发光二极管显示开关的闭合与断开。
二.总体框图2.1题目分析根据题意,若要以5根导线传输8路信号,需要在发送端将并行。
的8路信号转换成串行信号输出,再在接收端将串行信号转换为并行信号。
所以,在前面所学过的器件中,可以使用8选1数据选择器实现并-串转换,使用3线-8线译码器实现串-并转换,8选1数据选择器的数据选择信号与3线-8线译码器的译码输入信号相连,并周期输入数据选择信号,实现8位开关数据的5线传输。
其原理图如图2-1所示。
图2-1 8路开关信号显示电路原理图本电路的核心部分是数据选择器和3线-8线译码器。
若有开关打开则给数据选择器一个高电平,在数据选择信号的作用下,将其传输给译码器,这样便把并行信号转换成为串行信号,译码器在相同的选择信号作用下,将其转换为并行信号输出,则显示电路便可以显示开关的通断了。
2.2.模块功能简介1.开关选择电路:用于产生8路开关信号,若开关闭合,则产生低电平信号,若开关断开,则产生高电平信号。
2.8选1数据选择器:将送入的并行信号转换为串行信号输出。
3.3线-8线译码器:将送入的串行信号转换成为并行信号输出。
4.多谐振荡器:用来产生矩形脉冲信号。
该电路也可以由信号发生器、施密特触发器或单稳态触发器代替,但是信号发生器体积太大,并且还要接220V 交流电源,使用起来不太方便;施密特触发器和单稳态触发器使用时需要加入触发脉冲,较多谐振荡器复杂,所以相比较而言用多谐振荡器较好。
5.计数器:用来产生数据选择信号。
6.显示电路:用来显示开关闭合和断开的情况。
1课程设计目的了解CD4511八路数显抢答器的结构组成和工作原理,初步掌握八路智能抢答器的调整及测试方法,提高实践动手能力和思考问题的能力。
巩固以前学习的理论知识,建立逻辑数字电路的理论和实践的结合,了解八路智能抢答器各单元电路之间的关系及相互影响。
2课程设计的任务与要求2.1 课程设计的任务设计出主要由数字优先编码电路、锁存/译码/驱动电路于一体的CD4511集成电路、数码显示电路和报警电路组成的八路数显抢答器。
2.2课程设计的要求(1)抢答器同时供8名选手或8个代表队比赛,分别用8个按钮S0 ~ S7表示。
(2)设置一个系统清除和抢答控制开关S2,该开关由主持人控制。
(3)抢答器具有锁存与显示功能。
即选手按动按钮,锁存相应的编号,扬声器发出声响提示,并在数码管上显示选手号码。
选手抢答实行优先锁存,优先抢答选手的编号一直保持到主持人将系统清除为止。
3设计方案与论证3.1方案原理:在选手抢答前,“清除/起始”开关S使基本RS触发器输出端Q为0,使集成8线-3线优先编码器禁止;当主持人按下“清除/起始”开关S时,基本RS触发器输出端Q为1,与优先扩展输出端Yex共同作用,使集成8线-3线优先编码器选通输入端ST为0,允许编码,等待数据输入。
此时优先按动序号的组号立即通过编码器按BCD421码输出,经RS锁存器74LS279将该数码锁存到LED显示器上。
与此同时,Yex(引脚为14)由1翻转为0,与非门G1输出为1,选通输入端ST为1,编码器被禁止。
此外,在Yex由1翻转为0时,还驱动报警电路工作,发出声音。
图3-1电路仿真图3.2方案比较在上方案中,它有自身的优点,即基本RS触发器又相当一锁存器(74LS279),它可以对主持人的指令进行进一步的锁存,这样就可以增强它的抗干扰能力,但其线路过于复杂,另外此次实验所用的电路板对电路设计的大小要求很高,而且在布局和焊接上要越精练越好,所以它不是首选方案。
PCI总线8路开关量输入8路开关量驱动输出24路脉冲计数板IO703使用说明书北京瑞博华控制技术有限公司8路开关量输入8路开关量驱动输出24路脉冲计数板IO703一、性能特点:1.采用功率驱动芯片MC1413实现开关量驱动输出2.功率驱动为集电极开路输出3.开关量输出的电流,最大达200mA4.输入可以是开合信号,也可以是电平信号5.复位后,输出低电平,输出三极管断开6.脉冲计数通道中,外部时钟经过斯密特触发器整形,可以对各种脉冲信号进行计数处理,脉冲信号输出,采用驱动输出,大大提高了驱动能力,驱动电流大于8mA.二、功能与指标1、通道数:8路开关量输入,8路开关量输出,24路脉冲计数通道2、输入:断开或闭合输入;电平输入3、电平:输入为TTL电平,输出为集电极开路输出,有微弱上拉4、总线方式:PCI总线5、接头方式:DB37(孔式),IDC34的插针6、软件环境:Win2000/WIN98/WIN95/DOS7、工作温度:0-70℃三、工作原理简介开关量输出的简图如图1所示。
用户电源负载接线端控制信号MC1413地图1 开关量输出接线示意图用户的负载接线方法如图1所示,只需将负载接在用户电源与J37上对应的接线端子上即可。
注意,当用户负载电阻太小时,应注意接限流电阻,以防止输出电流过大,当用户使用的是感性负载时,应注意加限压保护。
开关量输出有微弱的上拉作用,上拉电阻是20K欧,可以用于电平输出,由于该电阻较大,因此基本上可以看作是集电极开路输出,可以直接接继电器。
输入信号的接线示意图如图2所示,输入信号通过插针J1接入,输入接线端子通过4.7千欧的电阻上拉,上拉的电平为+5伏。
用户可以采用电平输入方式以及断开与闭合输入方式(开合方式)。
开合输入方式的方法是:将开关的一端接地,另一端接接线端子,当开关断开时,输入状态为高电平,当开关闭合时,输入状态为低电平。
接线端子缓冲器+5伏4.7千欧图 2 输入接线示意图9片8253分别标记为8253-0,8253-1,8253-2, 8253-3,8253-4,8253-5,8253-6,8253-7和8253-8,每块芯片有3个计数器,分别标记为0、1、2,这样,27路脉冲计数信号分别标记为00、01、02、10、11、12、20、21、22、30、31、32、40、41、42、50、51、52、60、61、62、70、71、72、80、81、82。
电子课程设计------8路开关信号显示电路学院:电子信息工程学院专业、班级:自动化091502班姓名:孙艳林学号:200915040223指导教师:李小松2011年12月8路开关信号显示电路一.设计任务与要求设计一个用5根导线(1根数据线,3根数据选择线,地线)分时传输8路开关信号的电路。
要求在发送端发送开关信号,在接收端用发光二极管显示开关的闭合与断开。
二.总体框图2.1题目分析根据题意,若要以5根导线传输8路信号,需要在发送端将并行。
的8路信号转换成串行信号输出,再在接收端将串行信号转换为并行信号。
所以,在前面所学过的器件中,可以使用8选1数据选择器实现并-串转换,使用3线-8线译码器实现串-并转换,8选1数据选择器的数据选择信号与3线-8线译码器的译码输入信号相连,并周期输入数据选择信号,实现8位开关数据的5线传输。
其原理图如图2-1所示。
图2-1 8路开关信号显示电路原理图本电路的核心部分是数据选择器和3线-8线译码器。
若有开关打开则给数据选择器一个高电平,在数据选择信号的作用下,将其传输给译码器,这样便把并行信号转换成为串行信号,译码器在相同的选择信号作用下,将其转换为并行信号输出,则显示电路便可以显示开关的通断了。
2.2.模块功能简介1.开关选择电路:用于产生8路开关信号,若开关闭合,则产生低电平信号,若开关断开,则产生高电平信号。
2.8选1数据选择器:将送入的并行信号转换为串行信号输出。
3.3线-8线译码器:将送入的串行信号转换成为并行信号输出。
4.多谐振荡器:用来产生矩形脉冲信号。
该电路也可以由信号发生器、施密特触发器或单稳态触发器代替,但是信号发生器体积太大,并且还要接220V交流电源,使用起来不太方便;施密特触发器和单稳态触发器使用时需要加入触发脉冲,较多谐振荡器复杂,所以相比较而言用多谐振荡器较好。
5.计数器:用来产生数据选择信号。
6.显示电路:用来显示开关闭合和断开的情况。
三.选择器件3.1 8选1数据选择器74LS151(1)逻辑功能:根据地址码(ABC)的要求,从多路输入信号(D-7D)中选择其中一路输出,即其具有8个信号输入,一对互补输出信号Y和W,三个数据选择信号,一个使能信号G。
当G=0且输入信号和选择信号的最小项相同时,Y输出高电平,若G=1,则Y输出低电平。
(2)74LS151逻辑功能表如表3-11所示。
(3)74LS151逻辑符号如图3-12所示。
图3-12 74LS151逻辑符号 图3-13 74LS151内部原理图 (4)74LS151内部原理图如图3-13所示。
3.2 3线-8线译码器74LS138(1)逻辑功能:其中C 、B 和A 是译码数据输入端,0Y -7Y 是输出端,也就是输入端C 、B 、A 的各个最小项,1G 、A G 2和B G 2是控制端。
当1G =1,同时A G 2+B G 2=0时,每一个输出端的输出函数为i Y =i m 。
这里i m 为输入C 、B 、A 的最小项。
当1G =1时,同时A G 2+B G 2=0的条件不满足时,不进行编码,所有输出都为高电平。
控制端1G 、A G 2、B G 2又称为片选端,利用它们可以拓展译码器的功能。
(2)74LS138的功能表如表3-21所示。
(3)74LS138的逻辑符号如3-22所示。
(4)74LS138内部逻辑图如图3-23所示。
图3-2274LS138的逻辑符号图3-23 74LS138内部逻辑图3.3 555定时器(1)555定时器的逻辑功能:它内部包括两个电压比较器,三个等值串联电阻,一个RS触发器,一个放电管T及功率输出级。
它提供两个基准电压VCC/3 和2VCC/3。
555定时器的功能主要由两个比较器决定。
两个比较器的输出电压控制RS 触发器和放电管的状态。
在电源与地之间加上电压,当5脚悬空时,则电压比较器C1的同相输入端的电压为 2VCC/3,C2的反相输入端的电压为VCC/3。
若触发输入端TR的电压小于VCC/3,则比较器C2的输出为0,可使RS触发器置1,使输出端OUT=1。
如果阈值输入端TH的电压大于2VCC/3,同时TR端的电压大于VCC/3,则C1的输出为0,C2的输出为1,可将RS触发器置0,使输出为0电平。
555定时器加上外围器件还可以构成施密特触发器以及单稳态触发器。
(2)555定时器功能表如表3-31所示。
(3)555定时器逻辑符号如图3-32所示。
(4)555定时器内部原理图如图3-33所示。
图3-32 555定时器逻辑符号图3-33 555定时器内部原理图3.4 同步可预置数4位十进制加法计数器74LS160(1)逻辑功能:其全称为同步可预置数4位十进制加法计数器,它具有异步清零功能,具有数据输入端A、B、C和D,同步置数端LOAD、异步清零端CLR 和计数控制端ENT和ENP,进位输出端RCO。
当异步清零端CLR=0时异步清零,当置数端CLR=0、CLR=1,CP脉冲上升沿时预置数。
当CLR=LOAD=ENT=ENP=1时,电路工作在计数状态。
当计数值为9时,进位RCO输出一个与Q端高电平部分相同宽度的高电平。
A(2)74LS160功能表如表3-41所示。
(3)74LS160逻辑符号如图3-42所示。
(4)74LS160内部原理图如图4-43所示。
图3-42 74LS160逻辑符号图3-43 74LS160内部原理图3.5 非门74LS04(1)逻辑功能:其又称为反相器,是实现逻辑非运算的逻辑电路。
(2)其逻辑功能表如表3-51所示。
(3)其逻辑符号如图3-52所示。
(4)其内部原理图如图3-53所示。
表3-51 非门74LS04逻辑功能表图3-52 非门逻辑符号图3-53 74LS04内部原理图四.功能模块4.1 模块功能1. 开关选择电路:用于产生8路开关信号,若开关闭合,则产生低电平信号,若开关断开,则产生高电平信号。
开关的输出端与数据选择器的输入端(D-7D)连接。
其电路图如4-11所示。
图4-11开关选择电路图4-12数据选择器电路图4-13 3线-8线译码器2. 数据选择器电路:接收计数器输出端发出的数据选择信号和开关选择电路发出的信号,若开关信号(即D-7D中)某一信号为高电平,则当数据选择端的二进制数的最小项m与之相同时,则在输出端Y输出一高电平,送往3线i-8线译码器的使能端G,这样,便把并行信号转换为串行信号。
其电路图如4-121所示。
3.3线-8线译码器:接收计数器输出端发出的数据选择信号和数据选择器Y 端发出的信号。
当接收到Y端信号时,其输入端的二进制数的最小项与数据选择器输入端的二进制数的最小项相同,则输出端对应的i Y 便发出低电平信号,送往显示电路。
这样便把串行信号变为并行信号。
其电路图如4-13所示。
4.显示电路:由共阳极发光二极管组成,当译码器输出端输出低电平时,发光二极管发光,由此来显示开关闭合和断开的情况。
其电路图如4-14所示。
5.多谐振荡器电路:由555定时器和电阻及电容组成,其工作原理为通过3R 和2R 向电容1C 充电,当充到1c V =2/3cc V 时,比较器1输出低电平,输出端输出低电平,放电管导通,电容通过电阻2R 放电;当放到1c V =1/3cc V 时,比较器2输出低电平,输出端输出高电平,放电管截止,电容开始充电,如此循环,产生震荡。
其电路图如4-15所示。
图4-14 显示电路 图4-15 多谐振荡器电路 图4-16计数器电路 6.计数器:由74LS160组成,接收多谐振荡器发出的脉冲,用来产生数据选择信号。
但是该器件本身为十进制计数器,但是在该电路中需要000-111这七个信号就可以了,所以将74LS160改装成为八进制计数器,即将输出端4Q 连一个非门再接入异步清零端。
将其输出端分别接入数据选择器和3线-8线译码器的数据选择端。
其电路图如4-16所示。
4.2Multisim 仿真结果如图4-22所示。
五.总体设计电路图1.总体电路原理图如图4-21所示。
当第一个开关打开时,在3根数据选择线的作用下,将信号由开关经数据选择器、译码器传至显示电路,则LED1发光,如图4-22所示。
2.各模块之间的连接关系为:开关的输出端与数据选择器74LS151的输入端相连,数据选择器74LS151的输出端与3线-8线译码器74LS138的使能端1G 相连接,3线-8线译码器74LS138的输出端与发光二极管的阴极相连接,由555定时器构成的多谐振荡器的输出端与计数器74LS160的时钟端相连,计数器74LS160的输出端分别与数据选择器74LS151的信号选择端和3线-8线译码器74LS138的输入端相连接。
3.Multisim的仿真结果如图4-22所示。
可以验证整个电路设计的正确性。
4.在模拟、数字实验箱上验证后,可以验证整个电路设计达到了预期功能,实现了分时传输8路开关信号的功能。
图4-21总体电路原理图图4-22 Multisim仿真结果- 11 -。