2015年一级消防工程师考试《消防安全案例分析》真题及解析
- 格式:docx
- 大小:41.21 KB
- 文档页数:14
2015年全国一级注册消防工程师执业资格考试《消防安全案例分析》真题试卷案例(一)某信息中心大楼内设有自动喷水灭火系统、气体灭火系统、火灾自动报警系统等自动消防设施和灭火器。
2015年2月5日,该单位安保部对信息中心的消防设施进行了全面检查测试,部分检查情况如下:表1建筑灭火器检查情况(1)建筑灭火器检查情况(详见表1)(2)湿式自动喷水灭火系统功能测试情况打开湿式报警阀组上的试验阀,水力警铃动作,按规定方法测量水力警铃声强为65dB ,火灾报警控制器(联动型)接收到报警阀组压力开关动作信号,自动喷水给水泵未启动。
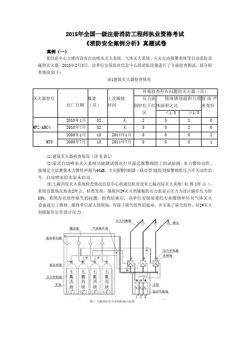
(3)七氟丙烷灭火系统检查情况信息中心的通信机房设有七氟丙烷灭火系统(如图1所示),系统设置情况如表2所示。
检查发现,储瓶间2#灭火剂储瓶的压力表显示压力为设计储存压力的85%,系统存在组件缺失的问题。
检查结束后,该单位安保部委托专业维修单位对气体灭火设备进行了维修。
维修单位派人到现场,焊接了缺失组件的底座,并安装了缺失组件;对2#灭火剂储瓶补压至设计压力。
灭火器型号出厂日期 数量(具) 上次维修时间外观检查存在问题的灭火器(具) 压力表指针位于红区筒体锈蚀面积与筒体面积之比筒体严重变形 <1/3 ≥1/3 MFZ/ABC42010年1月 82 无 2 5 2 0 2010年7月 82 无 3 3 2 0 MT5 2003年1月 18 2014年1月 0 0 0 2 2003年7月182014年7月1表2七氟丙烷灭火系统设置情况1.根据建筑灭火器检查情况,简述哪些灭火器需要维修、报废。
2.指出素材(2)的场景中存在的问题及自动喷水给水泵未启动的原因,并简述湿式自动喷水灭火系统联动功能检查测试的方法。
3.七氟丙烷灭火系统在储瓶间内未安装哪种组件?最大防护区对应的驱动装置为几号驱动气瓶?4.检修维修单位对储瓶间气体灭火设备维修时存在的问题。
案例(二)某购物中心地下2层,地上4层,建筑高度24m,耐火等级二级,地下二层室内地面与室外出入口地坪高差为11.5m。
2015年一级注册消防工程师资格考试消防安全案例分析第一题(20分)某信息中心大楼内设有自动喷水灭火系统、气体灭火系统、火灾自动报警系统等自动消防设施和灭火器,2015年2月5日,该单位安保部对信息中心的消防设施进行了全面检查测试,部分检查情况如下:(一)建筑灭火器检查情况(详见表1)方法测量水力警铃声强为65dB,火灾报警控制器(联动型)接收到报警阀组压力开关动作信号,自动喷水给水泵未启动。
(三)七氟丙烷灭火系统检查情况信息中心的通信机房设有七氟丙烷灭火系统(如图所示),系统设置情况如表2所示。
检查发现,储瓶间2号灭火剂储瓶的压力表显示压力为设计储存压力的85%,系统存在组件缺失的问题。
检查结束后,该单位安保部委托专业维修单位对气体灭火设备进行了维修。
维修单位派人到现场,焊接了缺失组件的底座,并安装了缺失组件;对2号灭火剂储瓶补压至设计压力。
表2七氟丙烷灭火系统设置情况根据以上材料,回答问题:1.根据建筑灭火器检查情况,简述哪些灭火器需要维修、报废。
【答案】(1)MFZ/ABC4(干粉灭火器)满5年需要分批次全部检查,出厂日期为2010年1月的灭火器,其到2015年2月5日已经超过5年,故需要全部检查(2)出厂日期为2010年7月的灭火器中,有2具灭火器的筒体严重锈蚀,锈蚀面积大于筒体面积的1/3,此两具需报废,出厂日期为2003年1月的MT5(二氧化碳灭火器),超过了报废年限要求(12年),故需全部报废;2003年1月中严重变形的1具需报废。
2.根据素材(二)的场景中存在的问题及自动喷水给水泵未启动的原因,并简述温式自动喷水灭火系统联动功能检查测试的方法。
【答案】(1)存在的问题:水力警铃声强为65dB,小于70dB,故错误(2)消防水泵不启动的原因可能包括:①压力开关与水泵的接线有问题②压力开关本身有问题导致不能控制消防水泵启动③消防联动控制设备中的控制模块损坏④水泵控制柜、联动控制设备的控制模式未设定在“自动”状态等。
2015 年一级消防工程师案例分析真题及答案解析第一题(20 分)某信息中心大楼内设有自动喷水灭火系统、气体灭火系统、火灾自动报警系统等全自动消防设施和灭火器,2015 年2 月 5 日,该单位安保部对信息中心的消防设施进行全面检查测试,部分检查情况如下:(一)建筑灭火器检查情况(详见表 1)表 1 建筑灭火器检查情况(二)湿式自动喷水灭火系统功能测试情况打开湿式报警阀组导航的试验阀,水力警铃动作,按规定方法测量水力警铃声强为65dB,火灾报警控制器(联动型)接收到报警阀组压力开关动作信号,自动喷水给水泵未启动。
(三)七氟丙烷灭火系统检查情况信息中心的通信机房设有七氟丙烷灭火系统(如图 1 所示),系统设置情况如表 2 所示。
检查发现,储瓶间 2 号灭火剂储瓶的压力表显示压力为设计储存压力的 85%,系统存在组件缺失的问题。
检查结束后,该单位安保部委托专业维修单位对气体灭火设备进行了维修。
维修单位派人到现场,焊接了却是组件的底座,并安装了缺失组件;对 2 号灭火剂储瓶补压至设计压力。
表 2 七氟丙烷灭火系统设置情况【问题 1】根据建筑灭火器检查情况,简述哪些灭火器需要维修、报废。
(5 分)【答案】综合能力P237 (每个0.5 分)灭火器型号出厂日期数量(具)上次维修时间外观检查存在问题的灭火器(具)压力表指针位于红区筒体锈蚀面积与筒体面积之比筒体严重变形<1/3≧1/3MFZ/abc4 2010 年1 月82 无 2 维修 5 维修 2 报废0 2010 年7 月82 无 3 维修 3 维修 2 报废0MT5 2003 年1 月18 2014 年1 月全部报废0002 2003 年7 月18 2014 年7 月000 1 报废种类首修后出厂后报废水基(s)136干粉(F ) 2510泡沫(P)洁净气体CO2 (T) 12每次送修()个计算单元1/4筒体锈蚀≥()报废1/3【问题 2】根据素材(二)的场景中存在的问题及自动喷水给水泵未启动的原因,并简述湿式自动喷水灭火系统联动功能检查测试的方法。
全国一级注册消防工程师《消防案例分析》历年真题解析(2015-2018)建匠教育新思维网络服务编目录2018年一级注册消防工程师《消防案例分析》真题解析 (3)2017年一级注册消防工程师《消防案例分析》真题解析 (24)2016年一级注册消防工程师《消防案例分析》真题解析 (46)2015年一级注册消防工程师《消防案例分析》真题解析 (61)2018年一级注册消防工程师《消防案例分析》真题解析第一题华北地区的某高层公共建筑,地上7层,地下3层,建筑高度35m,总建筑面积70345㎡,建筑外墙采用玻璃幕墙,其中地下面积28934m2,地下一层层高6m,为仓储式超市(货品高度3.5m),和消防控制室及设备用房;地下二、三层层高均为3.9m,为汽车库及设备用房,设计停车位324个;地下总面积41411㎡,每层层高为5m,一至五层为商场,六、七层为餐饮、健身、休闲场所,屋顶设消防水箱间和稳压泵,水箱间地面高出屋面0.45m。
该建筑消防给水由市政支状供水管引入1条DN150的管道供给,并在该地块内形成环状管网,建筑物四周外援5~150m内,设有3个市政消火栓,市政供水压力为0.25MPa,每个市政消火栓的流量按10L/s设计,消防储水量不考虑火灾期间的市政补水。
地下一层设消防水池和消防泵房,室内外消火栓系统分别设置消防水池,并用DN300的管道连通,水池有效水深3m,室内消火栓水泵扬程84m,室外消火栓系统均采用环状管网。
根据该建筑物业管理记录,稳压泵启动次数20次/h。
根据以上材料,回答下列问题(共18分,每题2分,每题的备选项中,有2个或2个以上符合题意,至少有一个错项,错选,本题不得分:少选,所选的每个选项得0.5分)1.该建筑消防给水及消火栓系统的下列设计方案中,符合规范的有()A.室内外消火栓系统合用消防水池B.室内消火栓系统采用高位水箱稳压的临时高压消防给水系统C.室内外消火栓系统分别设置独立的消防给水管网系统D.室内消火栓系统设置气压罐,不设水锤消除设施E.室内消火栓系统采用由稳压泵稳压的临时高压消防给水系统【新思维答案】ACE【新思维解析】该建筑室内外消火栓系统分别设置消防水池,并用DN300的管道连通。
2015年一级消防工程师《案例分析》考试真题及答案一、考试简介一级消防工程师是消防队伍中最高职业资格的认证。
一级消防工程师拥有深入了解火灾原因、预防和控制火灾的相关知识、熟悉各类灭火设施和器材的使用方法以及火灾应急救援的能力。
一级消防工程师的职业范围广泛,除了承担防火检查、灭火扑救等常规消防工作外,还需要在建筑、材料、设备等方面提供消防安全技术指导。
《案例分析》是一级消防工程师考试中的一个重要科目,考察考生在解决灭火过程中实际问题的分析和解决能力。
以下是2015年一级消防工程师《案例分析》考试真题及答案。
二、考试真题1. 火灾案例某市XX区一家高层住宅楼,20层,建筑面积30000平方米,有地下室一层和顶层两层,共有145户居民。
火源为一户居民家中的烧烤炉,火势猛烈,当地消防队接到报警后,火势已经向外蔓延,面积达到2000平方米,浓烟滚滚,居民惊慌失措。
2. 问题请回答以下问题:1.请简述该火灾的危害程度。
2.该火灾的起火原因是什么?3.该楼房在消防安全方面有哪些缺陷?4.现场消防救援需要注意哪些事项?5.请简述救援措施和方案。
三、考试答案1. 火灾案例某市XX区一家高层住宅楼,20层,建筑面积30000平方米,有地下室一层和顶层两层,共有145户居民。
火源为一户居民家中的烧烤炉,火势猛烈,当地消防队接到报警后,火势已经向外蔓延,面积达到2000平方米,浓烟滚滚,居民惊慌失措。
2. 问题1.请简述该火灾的危害程度。
该火灾危害程度较高,主要体现在以下几个方面: - 住宅楼建筑面积大,20层建筑高度高,火势猛烈,导致火灾面积较大。
- 居民人数多,发生火灾后,当火势向外扩展,很容易引起群体性踩踏,造成人员伤亡。
- 烟雾较大,危及行动不便的居民,验证疏散是否正常运行的难度较大。
2.该火灾的起火原因是什么?该火灾起火原因是某户居民在房间内使用烧烤炉,放置不规范,炉火跳出点燃附近的可燃物品,导致火灾。
3.该楼房在消防安全方面有哪些缺陷?经过救援人员的现场勘查,该楼房消防安全存在以下问题: - 电梯没有设置紧急呼救按钮。
2015一级消防工程师《消防安全案例分析》考试真题完整版一级消防工程师考试真题、模拟题尽收其中,千名业界权威名师精心解析,精细化试题分析、完美解析一网打尽!在线做题就选针题库:/29Bkqkd(选中链接后点击“打开链接”)一、单选题1)、如汽车库必须与中小学校的教学楼、老年人建筑等组合建造时,需检查其是否只设置在建筑的( )。
A.首层B.二、三层C.六层以上D.地下部分2)、建筑高度大于33m的住宅建筑,采用( )。
A.封闭楼梯间B.敞开楼梯问C.室外楼梯间D.防烟楼梯间3)、地下建筑内不同防火分区通向下沉式广场等室外开敞空间的开口最近边缘之间的水平距离不得小于( )。
A.10mB.13mC.24mD.30m4)、供水设施的维护管理规定要求,( )应模拟消防水泵自动控制的条件自动启动消防水泵运转一次,且自动记录自动巡检情况。
A.每年B.每半年C.每季度D.每周5)、水喷雾系统测试时,距水力警铃3m远处警铃声强不应小于( )。
A.50dBB.65dBC.70dBD.80dB6)、医院的病房不宜设置在( )。
A.三级耐火等级建筑首层B.三级耐火等级建筑二层C.地下一层D.地下二层7)、在市政给水管道、进水管道或天然水源不能满足消防用水量,以及当市政给水管道为枝状或只有一条进水管的情况下,室内外消防用水量之和大于( )的建(构)筑物应设消防水池。
A.201/sB.251/sC.301/sD.351/s8)、对于湿式自动喷水灭火系统布置喷头时,易受碰撞的部位应采用( )喷头。
A.下垂型B.边墙型C.直立型D.吊顶型9)、气体灭火系统自动控制装置应在接到( )个独立的火灾信号后才能启动。
A.2B.3C.4D.510)、液化石油气加气站采用埋地储罐时,二、三级站消火栓消防用水量不应小于( )。
A.101/sB.151/sC.201/sD.301/s11)含水率在_________的原油、渣油、重油等为沸溢性油品。
2015年一级注册消防工程师考试《安全案例分析》案例分析题一、苯市童乐厅项目总建筑闻_积10530m2,主体寒筑高度23.10m,台建最高度为29.20m。
卷工程分为音乐厅主|和室外看台两部分。
其中,音乐厅主体为乙等剧场,中型规模,耐火极限一级,地上五层,地上主要使用性质为观众厅(通高一层)、大堂、舞台及相关附属设施、观景平台,地下主要使用性质为舞台机械、升降乐池用房及设备用房;室外看台下为办公服务用房(建筑面积为1481m2立和汽车春(建筑面积为1695m2)。
音乐厅四周疏散广场可形成环形消防车道,且其北、东北、南及东南部分均可作为消防车登高操作场地。
音乐厅按水平、竖向主要分为六个防火分区。
第一至第三防火分区为竖向分区,其余为水平分区。
音乐厅主体部分观众厅的前厅、休息厅为第三防火分区,也是本项目研究的对象,其面智为4383.64m2。
由于建筑设计风格的特殊性能要求,音乐厅核心偷内人员需要通过相邻防火分区(首层前厅、休息厅)才能疏散到室外安全区域,设计上难以做到各个防火分区安全出口直通室外。
除上述疏散问题以外,其他消防设计均满足现行有关国家工程消防技术标准的规定。
在本项目的消防性能化设计评估中,为了解决借用疏散、疏散距离过长问题,通过隔离前厅、休息厅中的商业火灾荷载,限制前厅、休息厅内部的火灾荷载,设置有效的火灾探测、自动灭火、防排烟等消防措施,将前厅、休息厅设置为“临时安全区”,以解决借用前厅、休息厅疏散,以及疏散距离过长等问题。
根据以上场景,回答下列问题1.什么是防火分区?2.影响人员疏散的因素有哪些?3.人员疏散时间由哪些因素决定?4.根据分析,当自动喷水灭火系统失效,机械排烟系统均有效时,音乐厅发生火灾,建筑内的人员不能够在危险来临之前通过疏散楼梯或相邻防火分区疏散到安全区域。
而音乐厅的消防安全既是相对的,又是一个完整的系统总体性能的反映。
为此,请对本工程的消防安全设计及业主提出相应的消防安全管理建议。
2015年消防工程师《消防安全案例分析》考试真题及答案案例分析(1)第一题(20分)某信息中心大楼内设有自动喷水灭火系统,气体灭火系统、火灾自动报警系统等自动消防设施和灭火器。
2015年2月5日,该单位安保部对信息中心的消防设施进行了全面检查测试,部分检查情况如下:(一)建筑灭火器检查情况(详见表1)表1 建筑灭火器检查情况(二)湿式自动喷水灭火系统功能测试情况打开湿式报警阀组上的实验阀,水力警铃动作,按规定方法测量水力警铃声强为65dB,火灾报警控制器(联动型)接受到报警阀组压力开关动作信号,自动喷水给水泵未启动。
(三)七氟丙烷灭火系统检查情况信息中心的通信机房设有七氟丙烷灭火系统(如图1所示),系统设置情况如表2所示,检查发现,储瓶间2#灭火剂储瓶的压力表显示压力为设计储存压力的85%,系统存在组件缺失的问题。
检查结束后,该单位安保部委托专业维修单位对气体灭火设备进行了维修。
维修单位派人到现场,焊接了缺失组件的底座,并安装了缺失组件,对2#灭火剂储瓶补压至设计压力。
表七氟丙烷灭火系统设置情况图1 七氟丙烷灭火系统组成示意图根据以上材料,回答问题:1、建筑灭火器检查情况,简述哪些灭火器需要维修、报废。
2、材(二)的场景中存在的问题及自动喷水给水泵未启动的原因,述湿式自动喷水灭火系统联动功能检查测试的方法。
3、烷灭火系统在储瓶间内未安装哪种组件?最大防护区对应的驱动装置为几号驱动气瓶?4.简析维修单位对储瓶间气体灭火设备维修时存在的问题。
答案:解析:(2)第二题(20分)某购物中心地下2层,地上4层,建筑高度24m,耐火等级二级,地下二层室内地面与室外出入口地坪高差为11.5m。
地下每层建筑面积15200m2.地下二层设置汽车和变配电房、消防水泵房等设备用房及建筑面积5820m2的建材市场(经营五金、洁具、瓷砖、桶装油漆、香蕉水等);地下一层为家具、灯饰商场,设有多部自动扶梯与建材商场连通,自动扶梯上下层相连通的开口部位设置防火卷帘。
2015一级注册消防工程师《消防安全案例分析》真题第一题(20分)某信息中心大楼内设有自动喷水灭火系统、气体灭火系统、火灾自动报警系统等自动消防设施和灭火器。
2015年2月5日,该单位安保部对信息中心的消防设施进行了全面检查测试,部分检查情况如下:(一)建筑灭火器检查情况(详见表1)(二)湿式自动喷水灭火系统功能测试情况打开湿式报警阀组上的实验阀,水力警铃动作,按规定方法测量水力警铃声强为65dB,火灾报警控制器(联动性)接受到报警阀组压力开关动作信号,自动喷水给水泵未启动。
(三)七氟丙烷灭火系统检查情况信息中心的通信机房设有七氟丙烷灭火系统(如图1所示),系统设置情况如表2所示,检查发现,储瓶间2#灭火剂储瓶的压力表显示压力为设计储存压力的85%,系统存在组件缺失的问题。
检查结束后,该单位安保部委托专业维修单位对气体灭火设备进行了维修。
维修单位派人到现场,焊接了缺失组件的底座,并安装了缺失组件,对2#灭火剂储瓶补压至设计压力。
图1 七氟丙烷灭火系统组成示意图根据以上材料,回答问题:1、根据建筑灭火器检查情况,简述哪些灭火器需要维修、报废。
答:需要维修的灭火器,MFZ/ABC4,2010年1月的全部需要维修,MFZ/ABC4,2010年7月的3具压力表指针位于红区,3具锈蚀小于1/3的需要维修。
需要报废的灭火器,MT5,2013年1月的18具灭火器全部报废,MT5,2003年7月的1具锈蚀大于1/3的需要报废。
2、指出素材(二)的场景中存在的问题及自动喷水给水泵未启动的原因,并简述湿式自动喷水灭火系统联动功能检查测试的方法。
答:素材(二)的场景中存在的问题是水力警铃声强65dB是错误的,应该为70dB。
自动喷水给水泵未启动的原因:水泵有问题,控制柜有问题,远程控制线有问题,控制装置未在自动状态。
湿式自动喷水灭火系统联动功能检查测试的方法:启动1只喷头或以0.94~1.5L/s的流量从末端试水装置处放水时,水流指示器、报警阀、压力开关、水力警铃和消防水泵等应及时动作,并发出相应的信号。
2015年消防工程师《消防安全案例分析》考试真题及答案本卷共分为1大题6小题,作答时间为180分钟,总分120 分,72 分及格。
第一题(20分)某信息中心大楼内设有自动喷水灭火系统、气体灭火系统、火灾自动报警系统等自动消防设施和灭火器。
2015年2月5日,该单位安保部对信息中心的消防设施进行了全面检查测试,部分检查情况如下。
(一)建筑灭火器检查情况(详见表1)表1 建筑灭火器检查情况外观检查存在问题的灭火器灭火器型号出厂日期数量/具上次维修时间压力表指针位筒体锈蚀面积与筒体面积之比筒体严重变形于红区<1/3 ≥1/32010年1月82 无 2 5 2 0MFZ/ABC4 2010年7月82 无 3 3 2 02003年1月18 2014年1月0 0 0 2MT5 2003年7月18 2014年7月0 0 0 1(二)湿式自动喷水灭火系统功能测试情况打开湿式报警阀组上的试验阀,水力警铃动作,按规定方法测量水力警铃响度为65dB;火灾报警控制器(联动型)接收到报警阀组压力开关动作信号,自动喷水给水泵未启动。
(三)七氟丙烷灭火器系统检查情况信息中心的通信机房设有七氟丙烷灭火系统(如图1),系统设置情况见表2。
检查发现,储瓶向2#灭火剂储瓶的压力表显示压力为设计储存压力的85%,系统存在组件缺失的问题。
表2 七氟丙烷灭火系统设置情况防护区防护区容积/m3灭火设计浓度(%)灭火剂用量/kg灭火剂钢瓶容积/L灭火剂储存压力/MPa灭火剂钢瓶数量(只)地下一层:疏散的人数:(15200×0.60X0.3)人=2736人(对于建材商店、家具和灯饰展示建筑,其人员密度可按表3的规定值的30%确定)。
地下一层安全出口的最小总净宽度为『(2736/100)×1.00]m=27.36m≈27.4m。
【考点】《消防安全技术实务》教材第87、90页。
4.照度和应急照明备用电源连续供电时间均不正确。
1)疏散走道的地面最低水平照度,不应低于1.01x。
2015 年一级消防工程师案例分析真题及答案解析第一题(20 分)某信息中心大楼内设有自动喷水灭火系统、气体灭火系统、火灾自动报警系统等全自动消防设施和灭火器,2015 年2 月 5 日,该单位安保部对信息中心的消防设施进行全面检查测试,部分检查情况如下:(一)建筑灭火器检查情况(详见表 1)表 1 建筑灭火器检查情况(二)湿式自动喷水灭火系统功能测试情况打开湿式报警阀组导航的试验阀,水力警铃动作,按规定方法测量水力警铃声强为65dB,火灾报警控制器(联动型)接收到报警阀组压力开关动作信号,自动喷水给水泵未启动。
(三)七氟丙烷灭火系统检查情况信息中心的通信机房设有七氟丙烷灭火系统(如图 1 所示),系统设置情况如表 2 所示。
检查发现,储瓶间 2 号灭火剂储瓶的压力表显示压力为设计储存压力的 85%,系统存在组件缺失的问题。
检查结束后,该单位安保部委托专业维修单位对气体灭火设备进行了维修。
维修单位派人到现场,焊接了却是组件的底座,并安装了缺失组件;对 2 号灭火剂储瓶补压至设计压力。
表 2 七氟丙烷灭火系统设置情况【问题 1】根据建筑灭火器检查情况,简述哪些灭火器需要维修、报废。
(5 分)【答案】综合能力P237 (每个0.5 分)灭火器型号出厂日期数量(具)上次维修时间外观检查存在问题的灭火器(具)压力表指针位于红区筒体锈蚀面积与筒体面积之比筒体严重变形<1/3≧1/3MFZ/abc4 2010 年1 月82 无 2 维修 5 维修 2 报废0 2010 年7 月82 无 3 维修 3 维修 2 报废0MT5 2003 年1 月18 2014 年1 月全部报废0002 2003 年7 月18 2014 年7 月000 1 报废种类首修后出厂后报废水基(s)136干粉(F ) 2510泡沫(P)洁净气体CO2 (T) 12每次送修()个计算单元1/4筒体锈蚀≥()报废1/3【问题 2】根据素材(二)的场景中存在的问题及自动喷水给水泵未启动的原因,并简述湿式自动喷水灭火系统联动功能检查测试的方法。
2015年一级注册消防工程师资格考试真题《消防安全案例分析》答案解析案例一【参考答案】1.MFZ/ABC42010年1月的全部需要维修,因此种类灭火器出厂期满5年必须检修。
2010年7月2只筒体腐蚀面积与筒体面积之比大于1/3需报废。
MF52003年1月全部报废,因此种灭火器报废年段为出厂期满12年。
2003年7月1具因筒体严重变形应报废。
2.存在问题:水力警铃声强题中为65dB,实际应为70dB。
自动喷水给水泵未启动是因为:1水力警铃声强未达到规定声强2.水流指示器在水流动作后不报信号检查方法:(1)系统控制装置设置为"自动"控制方式,启动一只喷头或者开启末端试水装置,流量保持在0.94-1.5L/s,水流指示器、报警阀、压力开关、水力警铃和消防水泵等及时动作,并有相应组件的动作信号反馈到消防联动控制设备。
(2)打开阀门放水,使用流量计、压力表核定流量、压力,目测观察系统动作情况。
3.未安装的组件为瓶头阀,最大防火区对应的驱动装置为2号驱动气瓶,因为根据表2,最大的防护区A需要灭火剂钢瓶数量为4只,从图1中可知只有2号驱动气瓶连接4只灭火剂钢瓶,因此对应驱动装置为2号驱动气瓶。
4.(1)组件应厂外焊接厂内安装(2)应到专门补压房间进行补压,并测试(3)查明气罐压力不足原因并维修(4)分级存压。
案列二【参考答案】1.地下二层存在的问题:消防水泵房不得设置在地下室地面与室外地坪高差大于10m的楼层内,题目为11.5m。
2.地上四层存在的问题:(1)游艺厅布置在地上4层及以上楼层时,厅室的建筑面积不得大于200平方米,题中为216平方米错误。
(2)游艺厅及电影院采用不到顶的玻璃隔断,玻璃门与其他部位分隔错误。
应用耐火极限不低于2h的防火隔断和甲级防火门与其他分隔3.地下二层5820×0.56×0.3=977.76人977.76÷250=3.9=4977.76÷4=244.44244.44÷(2×37)=3.3取44×0.55=2.2m2.2×4=8.8m地下一层15200×0.60×0.3=27362000/250+330/400=8.84=92736÷9=304304÷(2×40)=3.8=44×0.55=2.2m2.2×9=19.8m4、正确,人员疏散应急照明在主要通道上最低照度不低于1.0lx总建筑面积12000*3+5600+15200*2=30400+36000+5600<100000平米应急照明备用电源连续供电不少于0.5h5、存在的问题:在楼板处每隔一层用防火封堵材料对空腔进行防火封堵。
2015一级消防工程师《消防安全案例分析》考试真题解析汇总一、案例分析1.某文化馆为砖混结构,建筑面积为3500m2,设有前厅、观众厅、南北过厅和舞台。
该文化馆共有8个对外安全出口,西侧正门有3个出口,安装有铝合金卷帘门,南北两侧过厅的出口全部加装了防盗栅栏门并上锁,观众厅通往过厅(过厅内堆放了一些杂物)的6个过渡门也有2个被锁;通往室外的出口,只有前厅 1个外门开启。
某日,该文化馆举办文艺汇报演出,进行到第四个节目时,舞台正中偏后北侧上方倒数第二道光柱灯(1000W)与纱幕距离过近,高温灯具烤燃纱幕。
由于舞台空间大,舞台用品都是高分子化纤织物,故火灾一开始便迅速形成立体燃烧,火场温度迅速升高,并伴随大量有毒气体产生。
现场灯光因火烧短路而全部熄灭,在场观众因安全疏散门封闭,来不及疏散,短时间内中毒窒息,造成大量人员伤亡。
当地消防支队接警后及时到达现场,积极救人,先后破拆了4个推拉式防盗门、木门和一个钢筋封闭窗,抢救出260名被困人员,并将火灾扑灭。
火灾共造成32人死亡、128人受伤,烧毁观众厅内装饰物品及灯光、音响设备等物资,直接财产损失210余万元。
请结合上述案例。
分析并回答以下问题:(1)该文化馆发生火灾原因和应吸取的主要教训有哪些?(2)该文化馆违反消防法规及标准情况有哪些?2.某住宅建筑地下3层,地上10层,建筑高度为42m。
地下三层为消防水池、水泵房、柴油发电机房及不燃物品库房;地下二层为风机房、消防控制室及不燃物品库房;地下一层为车库,车位50个,设有一个4m宽的汽车疏散出口,且设有室内车道,无汽车叠放层;一、二层为商场;三至十层为办公用房。
标准层建筑面积为1500m2,建筑内部采用三部封闭楼梯间进行疏散,设有一部消防电梯,按规范设置了建筑自动消防设施。
请结合案例。
分析并回答以下问题:(1)该住宅建筑进行消防审核时能否发合格意见书?为什么?(2)该住宅建筑的汽车库防火分类应为几类?(3)该住宅建筑的汽车库是否可以不设置火灾自动报警设施?说明理由。
2015年一级消防工程师《案例分析》真题解析及考情分析第一部分题型题量与分数《案例分析》总分120分,全部是案例题。
总计六题材料题28道小问120分第一题4道小问20分第二题5道小问20分第三题5道小问20分第四题4道小问20分第五题5道小问20分第六题5道小问20分试题在教材中的分布:第一篇建筑防火案例分析2道材料题8道小问第二篇消防设施应用案例分析3道材料题15道小问第三篇消防安全评估案例分析0道材料题0道小问第四篇消防安全管理案例分析1道材料题5道小问第五篇消防安全事故案例分析0道材料题0道小问第二部分内容考点与难点范围高度集中:试题范围主要集中在建筑防火和消防设施相关的内容。
内容高度专业:试题内容主要集中在计算流程和检查检测相关的内容。
问题高度深入:试题问题主要集中在实践实操和细节末梢相关的内容。
第一题(20分-4个小问)1-1根据建筑灭火器检查情况,简述哪些灭火器需要维修、报废。
2-1指出素材(二)的场景中存在的问题及自动喷水给水泵未启动的原因,并简述湿式自动喷水灭火系统联动功能检查测试的方法。
3-1七氟丙烷灭火系统在储瓶间内未安装哪种组件?最大防护区对应的驱动装置为几号驱动气瓶?4-1简析维修单位对储瓶间气体灭火设备维修时存在的问题考试范围——第二篇消防设施应用案例分析(4个小问)主要问题有:消防设施的检查、维修、报废;检查检测方法;设备故障原因;未安装组件;维修错误等。
第二题(20分-5个小问)1-2指出地下二层,地上四层平面布置方面存在的问题。
2-2指出地下商场防火分区方面存在的问题,并提出消防规范的整改措施。
3-2分别列式计算购物中心地下一、二层安全出口的最小总净宽度,地下一层安全出口最小总净宽度应为多少?(以m为单位,计算结果保留1位小数)4-2判断购物中心的疏散照明设置是否正确,并说明理由。
5-2指出购物中心外墙外保温系统防火措施存在的问题。
考试范围:第一篇建筑防火案例分析(3个小问);第二篇消防设施应用案例分析(1个小问)考试内容:平面布置存在的问题;防火分区存在问题及整改措施;安全出口最小总净宽度;疏散照明设置;外墙保温系统防火措施。
真题是指导我们备考的方向2015年一级注册消防工程师考试真题《消防安全案例分析》案例题:第一题(20分)某信息中心大楼内设有自动喷水灭火系统、气体灭火系统、火灾自动报警系统等自动消防设施和灭火器。
2015年2月5日,该单位安保部对信息中心的消防设施进行了全面检查测试,部分检查情况如下:(一)建筑灭火器检查情况(详见表1)表1 建筑灭火器检查情况(二)湿式自动喷水灭火系统功能测试情况打开湿式报警阀组上的试验阀,水力警铃动作,按规定方案测量水力警铃声强为65dB,火灾报警控制器(联动型)接收到报警阀组压力开关动作信号,自动喷水给水泵未启动。
(三)七氟丙烷灭火系统检查情况信息中心的通信机房设有七氟丙烷灭火系统(如图1所示),系统设置情况如表2所示。
检查发现,储瓶间2#灭火剂储瓶的压力表显示压力为设计储存压力的85%,系统存在组件缺失的问题。
检查结束后,该单位安保部委托专业维修单位对气体灭火设备进行了维修,维修单位派人到现场,焊接了缺失组件的底座,并安装了缺失组件;对2#灭火剂储瓶补压至设计压力。
根据以上材料,回答下列问题。
1.根据建筑灭火器检查情况,简述哪些灭火器需要维修、报废。
2.指出素材(二)的场景中存在的问题及自动喷水给水泵未启动的原因,并简述湿式自动喷水灭火系统联动功能检查测试的方法。
3.七氟丙烷灭火系统在储瓶间未安装哪种组件?最大防护区时对应的驱动装置为几号驱动气瓶?4.简述检修维修单位对储瓶间气体灭火设备维修时存在的问题。
1.答:参见《消防安全技术综合能力》教材P237-8.1) 需维修的灭火器如下:①出厂日期为2010年1月的82具MFZ/ABC4,除2具筒体锈蚀面积与筒体面积之比≥1/3的外,剩下的80具需要维修。
②出厂日期为2010年7月的82具MFZ/ABC4,其中3具压力表指针位于红区的以及3具筒体锈蚀面积与筒体面积之比<1/3的需要维修。
2)需报废的灭火器如下:①出厂日期为2003年1月的18具MT5需全部报废,因为二氧化碳灭火器出厂期满12年应予以报废处理。
②出厂日期为2003年7月的18具MT5其中1具筒体严重变形的MT5需报废。
③出厂日期为2010年1月的82具MFZ/ABC4,其中2具筒体锈蚀面积与筒体面积之比≥1/3的需要报废。
④出厂日期为2010年7月的82具MFZ/ABC4,其中2具筒体锈蚀面积之比≥1/3的需要报废。
2.答:参见《消防安全技术综合能力》教材P138. P152. P143.1)存在的问题:水力警铃声强为65dB,小于规定要求的70dB;2)自动喷水给水泵未启动的原因:①压力开关设定值不正确。
②消防联动控制设备中的控制模块损坏。
③水泵控制柜、联动控制设备的控制模式未设定在“自动”状态。
④水泵出现质量问题或故障或损坏。
⑤压力开关与水泵间的接线不牢或错误。
3)湿式自动喷水灭火系统联动功能检测的方法:①首先将系统控制装置设为自动控制方式,打开末端试水装置或启动一只喷头,流量保持在0.94--一1.5L/s,水流指示器、报警阀、压力开关、水力警铃和消防水泵等及时动作,并有相应组件的动作信号反馈到消防联动控制设备。
②检测方法:打开阀门放水,使用流量计、压力表等装置核定流量压力是否符合要求,目测观察系统动作情况。
3.答:参见《消防安全技术综合能力》教材P181-2.1)七氟丙烷灭火系统在储瓶间未安装的组件为安全泄压装置和检漏装置。
2)最大防火区对应的驱动装置为2号驱动气瓶,因为根据表2,最大的防火区A需要灭火剂钢瓶数量为4只,从图1中可知只有2号驱动气瓶连接4只灭火剂钢瓶,因此对应驱动装置为2号驱动气瓶。
4.答:参见《消防安全技术综合能力》教材P188.检修单位存在的问题:1)现场焊接了缺失组件的底座,应该场外进行焊接场内安装。
2)应到专门补压房间进行补压,压力不低于设计压力,且不得超过设计压力的5%并测试。
3)查明气罐压力不足原因并维修。
4)维修单位维修结束以后没有进行系统调试。
案例题:第二题(20分)某购物中心地下2层、地上4层,建筑高度24m,耐火等级二级,地下二层室内地面与室外出入口地坪高差为11.5m。
地下每层建筑面积15200㎡,地下二层设置汽车库和变配电房、消防水泵房等设备用房以及建筑面积5820m2的建材商场(经营五金、洁具、瓷砖、桶装油漆、香蕉水等);地下一层为家具、灯饰商场,设有多部自动扶梯与建材商场连通,自动扶梯上下层相连通的开口部位设置防火卷帘。
地下商场部分的每个防火分区面积不大于2000㎡,采用耐火极限为1.5h的不燃性楼板和防火墙及符合规定的防火卷帘进行分隔,在相邻防火分区的防火墙上均设有向疏散方向开启的甲级防火门。
地上一层至三层为商场,每层建筑面积12000㎡,主要经营服装、鞋类、箱包和电器等商品。
地上四层建筑面积5600㎡,主要功能为餐厅、游艺厅、儿童游乐厅和电影院。
电影院有8个观众厅,每个观众厅建筑面积在186㎡—390㎡之间;游艺厅有2个厅室,建筑面积分别为216㎡、147㎡。
游艺厅和电影院候场区均采用不到顶的玻璃隔断、玻璃门与其他部位分隔,安全出口符合规范规定。
每层疏散照明的地面水平照度为1.01x,备用电源连续供电时间0.6h。
购物中心外墙外保温系统的保温材料采用模塑聚苯板,保温材料与基层墙体、装饰层之前有0.17m—0.6m的空腔,在楼板处每隔一层用防火封堵材料对空腔进行防火封堵。
购物中心按规范配置了室内外消火栓系统、自动喷水灭火系统和火灾自动报警系统等消防设施。
根据以上材料,回答问题:1.指出地下二层、地上四层平面布置方面存在的问题。
2.指出地下商场防火分区方面存在的问题,并提出消防规范规定的整改措施。
3.分别列式计算购物中心地下一、二层安全出口的最小总净宽度,地下一层安全出口最小总净宽度应为多少?(以m为单位,计算结构保留1位小数)。
4.判断购物中心的疏散照明设置是否正确,并说明理由。
5.指出购物中心外墙外保温系统防火措施存在的问题。
(提示:商店营业厅人员密度及百人宽度指标分别见表3、表4)。
1.答:参见《消防安全技术综合能力》教材P46.P43.P44.1)地下二层存在的问题:①消防水泵房不得设置在地下室内地面与室外地坪高差大于10m的地下楼层内,本题高差为11.5m。
②香蕉水和油漆按生产和储存危险性分类属于甲类。
地下商场不得经营甲乙类物品。
2)地上四层存在的问题:①儿童游乐厅设置在该建筑的四层。
因为儿童游乐厅当设置在一、二级的多层和高层建筑内时,应设置在建筑的首层或二、三层。
②游艺厅有2个厅室,其中一个建筑面积为216m2。
因为游艺厅应布置在建筑的首层或二、三层,当布置在其他楼层时,一个厅、室的建筑面积不得大于200m2。
③游艺厅和电影院候场区均采用不到顶的玻璃隔断、玻璃门与其他部位分隔。
因为电影院设置在一、二级耐火等级的多层民用建筑内时,应采用耐火极限不低于2.00h的防火隔墙和甲级防火门与其他区域分隔。
游艺厅的厅、室之间及与建筑的其他部位之间,应采用耐火极限不低于2.00h的防火隔墙和不低于1.00h的不燃性楼板分隔,设置在厅、室墙上的门和该场所与建筑内其他部位相通的门应采用乙级防火门。
2.答:参见《消防安全技术实务》教材P76-77.1)地下商场防火分区方面存在的问题:①地下商场部分的每个防火区面积不大于2000m2。
因为当一、二级耐火等级建筑内的营业厅、展览厅,当设置自动灭火系统和火灾自动报警系统并采用不燃或难燃装修材料时,地下部分每个防火分区不应大于2000m2。
②采用耐火极限为1.5h的不燃性楼板。
因为总建筑面积大于20000m2的地下或半地下营业厅应采用耐火极限不小于2.0h的楼板。
材料中地下商店总建筑面积为:15200(地下一层)+5820(地下二层)=21020 m2。
③采用防火墙及符合规定的防火卷帘进行分隔,在相邻防火分区的防火墙上均设有向疏散方向开启的甲级防火门。
因为总面积大于20000m2的地下商场营业厅应采用无门、窗、洞口的防火墙划分为不大于20000m2的区域。
2)整改措施:①商场营业厅应采用不燃或难燃材料进行装修。
②提高用于分隔地下防火分区的楼板的耐火极限,使其不低于2.00h。
③总建筑面积大于20000m2的地下或半地下商店,应采用无门、窗、洞口的防火墙、耐火极限不低于2.00h的楼板分隔为多个建筑面积不大于20000m2的区域。
相邻区域确需局部连通时,应采用下沉式广场等室外开敞空间、防火隔间、避难走道、防烟楼梯间等方式进行连通,并应符合建筑设计防火规范的要求。
3.答:参见《消防安全技术实务》教材P87.P90。
1) 购物中心地下一、二层安全出口的最小总净宽度:①地下一层:疏散人数=0.6人/m2×0.3×15200m2=2736人(建材商店、家具和灯饰展示建筑,其人员密度可按表3规定值的30%确定。
)地下一层疏散宽度=2736人/100人×1.0m =27.4m②地下二层:疏散人数=0.56人/m2×0.3×5820m2=977.76人地下二层疏散宽度=977.76人/100人×1.0m =9.8m地下二层亦经过地下一层疏散,地下建筑内上层楼梯的总净宽度应该按该层及以下疏散人数最多一层的人数计算,地下一层人数最多,购物中心地下一、二层安全出口的最小总净宽度为27.4m。
2)地下一层安全出口的最小净宽度为27.4m。
4. 答:参见《消防安全技术实务》教材P103。
1)购物中心的疏散照明照度和应急照明备用电源连续供电时间均不正确。
2) ①疏散走道的地面最低水平照度,不应低于1.01x,该建筑属于人员密集场所,所以地面最低水平照度不应低于3.01x。
②楼梯间、前室或合用前室地面最低水平照度不应低于5.01x。
③消防水泵房、变配电房等设备用房以及发生火灾时仍需正常工作的其他房间的消防应急照明,仍应保证正常照明的照度。
④因为虽然总建筑面积(12000×3+5600+15200×2)m2=72000m2<100000m2,但是地下每层建筑面积15200m2,15200m2×2>20000m2,所以应急照明备用电源连续供电应不少于1.0h。
5. 答:参见《消防安全技术实务》教材P152。
1)存在的问题:购物中心外墙外保温系统的保温材料采用模塑聚苯板,保温材料与基层墙体、装饰层之间有0.17~0.6m的空腔,在楼板处每隔一层用防火封堵材料对空腔进行防火封堵。
2)因为模塑聚苯板的燃烧性能等级为B2级,设置人员密集场所的建筑,其外墙外保温材料的燃烧性能应为A级。
保温材料与基层墙体、装饰层之间存在的0.17~0.6m空腔,应在每层楼板处采用防火封堵材料进行封堵。