桥涵_7_1_朱02_14_朱锁扣钢管桩施工工艺标准
- 格式:doc
- 大小:49.00 KB
- 文档页数:7
钢桩施工工艺标准1 适用范围本工艺标准适用于一般钢管桩或H型钢桩基础工程。
2 施工准备2. 1原材料要求2.1.1 钢桩的材料(含其它半成品)进场后,应按规格、品种、牌号堆放,抽样检验,检验结果与合格证相符者方可使用,未经进货检验或未经检验合格的物资不得投入使用。
2.1.2 钢管质量验收:按设计图纸规格尺寸及有关规范,允许误差,实测实量及外观全数检查验货,特别是钢管的垂直度和内外径是否达到要求,作为重点检查,经检查验收合格后,方能进货安装。
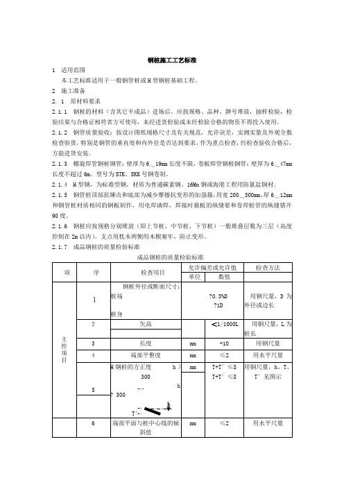
2.1.3 螺旋焊管钢桩钢管:壁厚为6~19mm长度不限,卷板焊管钢桩钢管:壁厚为6~47mm长度不超过6m。
型号为STK、SKK号钢卷制。
2.1.4 H型钢,为标准型钢,材质为普通碳素钢、16Mn钢或海港工程用防氯盐钢材。
2.1.5 钢管桩顶部抗锤击和底部为减少摩擦抗变形的加强箍,用宽200~300mm、厚6~12mm和钢管桩材质相同的钢板制作,用电焊满焊,焊接时箍板的纵缝要和卷焊桩管的纵缝错开90度。
2.1.6 钢桩应按规格分别堆放(即上节桩、中节桩、下节桩)一般堆叠层数为三层(高度控制在2m以内)。
支点用枕木两侧用木楔塞牢,防止变形。
2.1.7 成品钢桩的质量检验标准2.2 主要工机具2.2.1机械设备三点支撑式履带打桩机、轨道式柴油打桩机、轮胎式起重机、运输载重汽车、电焊机、切管机----------------------------精品word文档值得下载值得拥有----------------------------------------------2.2.2 主要工具钢丝绳吊索、卡环、撬杠、气焊工具、扁铲。
2.3 作业条件2.3.1 打桩现场三通一平,处理打桩地基上面障碍物,清理、整平时要设雨水排出沟渠,附近有建筑物的要挖隔震沟,预先充分了解打桩场地,清理妨碍打桩的高空和地下障碍物。
2.3.2 打桩场地整平用压路机碾压平整,并在地表铺10~20cm厚石子使地基承载力达到0.2 Mpa ~0.3Mpa。
钢桩施工工艺标准1 适用范围本工艺标准适用于一般钢管桩或H型钢桩基础工程.2 施工准备2。
1原材料要求2.1.1 钢桩的材料(含其它半成品)进场后,应按规格、品种、牌号堆放,抽样检验,检验结果与合格证相符者方可使用,未经进货检验或未经检验合格的物资不得投入使用。
2.1.2 钢管质量验收:按设计图纸规格尺寸及有关规范,允许误差,实测实量及外观全数检查验货,特别是钢管的垂直度和内外径是否达到要求,作为重点检查,经检查验收合格后,方能进货安装。
2.1.3 螺旋焊管钢桩钢管:壁厚为6~19mm长度不限,卷板焊管钢桩钢管:壁厚为6~47mm 长度不超过6m.型号为STK、SKK号钢卷制。
2。
1。
4 H型钢,为标准型钢,材质为普通碳素钢、16Mn钢或海港工程用防氯盐钢材. 2.1。
5 钢管桩顶部抗锤击和底部为减少摩擦抗变形的加强箍,用宽200~300mm、厚6~12mm 和钢管桩材质相同的钢板制作,用电焊满焊,焊接时箍板的纵缝要和卷焊桩管的纵缝错开90度。
2。
1。
6 钢桩应按规格分别堆放(即上节桩、中节桩、下节桩)一般堆叠层数为三层(高度控制在2m以内)。
支点用枕木两侧用木楔塞牢,防止变形。
2。
1.7 成品钢桩的质量检验标准钢桩外径或断面尺寸:0.5%D1DH钢桩的方正度 h >300h300hT′2.2 主要工机具2。
2.1机械设备三点支撑式履带打桩机、轨道式柴油打桩机、轮胎式起重机、运输载重汽车、电焊机、切管机2.2。
2 主要工具钢丝绳吊索、卡环、撬杠、气焊工具、扁铲。
2.3 作业条件2.3.1 打桩现场三通一平,处理打桩地基上面障碍物,清理、整平时要设雨水排出沟渠,附近有建筑物的要挖隔震沟,预先充分了解打桩场地,清理妨碍打桩的高空和地下障碍物。
2.3。
2 打桩场地整平用压路机碾压平整,并在地表铺10~20cm厚石子使地基承载力达到0。
2 Mpa ~0。
3Mpa。
2.3.3 控制点的设置应尽可能远离施工现场,以减少施工土体扰动对基准点的影响。
钢桩施工工艺标准1 适用范围本工艺标准适用于一般钢管桩或H型钢桩基础工程。
2 施工准备2. 1原材料要求2.1.1 钢桩的材料(含其它半成品)进场后,应按规格、品种、牌号堆放,抽样检验,检验结果与合格证相符者方可使用,未经进货检验或未经检验合格的物资不得投入使用。
2.1.2 钢管质量验收:按设计图纸规格尺寸及有关规范,允许误差,实测实量及外观全数检查验货,特别是钢管的垂直度和内外径是否达到要求,作为重点检查,经检查验收合格后,方能进货安装。
2.1.3 螺旋焊管钢桩钢管:壁厚为6~19mm长度不限,卷板焊管钢桩钢管:壁厚为6~47mm 长度不超过6m。
型号为STK、SKK号钢卷制。
2.1.4 H型钢,为标准型钢,材质为普通碳素钢、16Mn钢或海港工程用防氯盐钢材。
2.1.5 钢管桩顶部抗锤击和底部为减少摩擦抗变形的加强箍,用宽200~300mm、厚6~12mm 和钢管桩材质相同的钢板制作,用电焊满焊,焊接时箍板的纵缝要和卷焊桩管的纵缝错开90度。
2.1.6 钢桩应按规格分别堆放(即上节桩、中节桩、下节桩)一般堆叠层数为三层(高度控制在2m以内)。
支点用枕木两侧用木楔塞牢,防止变形。
2.1.7 成品钢桩的质量检验标准2.2 主要工机具2.2.1机械设备三点支撑式履带打桩机、轨道式柴油打桩机、轮胎式起重机、运输载重汽车、电焊机、切管机2.2.2 主要工具钢丝绳吊索、卡环、撬杠、气焊工具、扁铲。
2.3 作业条件2.3.1 打桩现场三通一平,处理打桩地基上面障碍物,清理、整平时要设雨水排出沟渠,附近有建筑物的要挖隔震沟,预先充分了解打桩场地,清理妨碍打桩的高空和地下障碍物。
2.3.2 打桩场地整平用压路机碾压平整,并在地表铺10~20cm厚石子使地基承载力达到0.2 Mpa ~0.3Mpa。
2.3.3 控制点的设置应尽可能远离施工现场,以减少施工土体扰动对基准点的影响。
2.3.4 施工现场的轴线、水准控制点、桩基布点必须经常检查,妥善保护,设控制点和水准点的数量不应少于2个。
钢管桩施工工艺与施工要点标题:钢管桩施工工艺与施工要点解析一、引言钢管桩作为基础工程中的重要支撑结构,广泛应用于桥梁、码头、高层建筑及海洋工程等领域。
其具有承载力高、施工速度快、适应性强等优点。
本文将详细介绍钢管桩的施工工艺及其施工过程中的关键要点。
二、钢管桩施工工艺1. 施工准备阶段:- 场地清理与平整:确保施工区域无杂物,地质条件满足设计要求。
- 钢管桩预制:根据设计图纸进行下料、卷制、焊接,形成符合规格的钢管桩,并进行质量检测和防腐处理。
2. 钢管桩沉桩施工:- 吊装定位:采用起重机将钢管桩吊至预定位置,通过导向架或全站仪等设备确保垂直度。
- 振动锤沉桩:利用振动锤产生的高频振动和冲击力使钢管桩下沉,过程中需实时监测并调整垂直度和贯入度。
- 冲孔灌注桩法:在软土层中可采用此法,先用冲锤造孔,然后放入钢管桩,最后灌注混凝土。
3. 接桩与封底施工:- 若桩长超过预制长度,需要现场接桩,对接焊缝应严格按照焊接工艺规程操作,并进行超声波或射线探伤检查。
- 桩尖封底:在钢管桩底部设置钢封板或浇筑混凝土封底,以增强承载力和防止地下水渗流。
三、钢管桩施工要点1. 施工前必须对地质情况进行详尽勘察,合理选择桩型和沉桩方式。
2. 确保钢管桩的质量,严格控制焊接质量,做好防腐处理,预防锈蚀。
3. 在沉桩过程中,应密切关注桩身垂直度、沉桩速度、贯入阻力等参数变化,遇到异常情况应及时采取措施。
4. 对于特殊地质条件如砂层、卵石层或岩层,应采用相应的辅助措施如预钻孔、水冲等方式降低沉桩阻力。
5. 安全生产是首要原则,施工全程应严格遵守安全操作规程,防范安全事故的发生。
四、结语综上所述,钢管桩施工是一个技术性、实践性极强的过程,只有全面掌握施工工艺,严格执行施工要点,才能确保工程质量,同时保证施工的安全高效进行。
在实际工程中,应结合具体项目特点和地质条件,灵活运用和创新施工技术,推动钢管桩施工技术的进步与发展。
锁扣钢管桩围堰施工工法锁扣钢管桩围堰施工工法一、前言锁扣钢管桩围堰施工工法是一种常见的围堰施工方法,可以在各种地质和环境条件下进行。
本文将介绍锁扣钢管桩围堰施工工法的特点、适应范围、工艺原理、施工工艺、劳动组织、机具设备、质量控制、安全措施以及经济技术分析。
二、工法特点1.工艺简单:锁扣钢管桩围堰施工工法采用机械化施工方式,工艺简单、效率高。
2.施工速度快:该工法适用于大面积围堰施工,在短时间内完成工程。
3.施工质量高:锁扣钢管桩围堰经过结构计算设计,质量可靠,具有较高的稳定性和承载力。
4.可重复使用:钢管桩可多次拆卸和重复使用,节约材料成本。
三、适应范围锁扣钢管桩围堰施工工法适用于各种条件下的围堰施工,包括河道整治、水库建设、港口码头和桥梁修建等工程。
四、工艺原理锁扣钢管桩围堰施工工法通过将钢管桩嵌入地下,形成连续的桩体,围堰施工时将挖土、取水和盖土等工艺组合起来,以实现地下水的控制和工程施工的顺利进行。
五、施工工艺1.勘察设计:根据施工现场的地质和环境条件,确定桩体的深度和间距。
2.地下桩体施工:采用挖孔方式将钢管桩嵌入地下,确保桩体的牢固和稳定。
3.地下水控制:钢管桩围堰施工过程中,通过控制地下水位,防止挖土过程中产生涌水和泥水流失,保证工程施工的顺利进行。
4.挖土和盖土:挖土时需注意平衡开挖,及时处理土方,保持工程施工的顺利进行。
六、劳动组织锁扣钢管桩围堰施工工法需要合理组织劳动力,包括技术人员、机械操作人员、监测人员等,确保施工过程的顺利进行。
七、机具设备该工法所需的机具设备主要包括挖掘机、起重机、水泥搅拌站等设备,以及用于安装和拆卸钢管桩的专用工具。
这些机具设备具有高效、稳定和安全的特点。
八、质量控制为确保施工质量达到设计要求,锁扣钢管桩围堰施工工法应进行质量控制,包括钢管桩的质量检测、施工工艺的控制和施工现场的监测等。
九、安全措施在施工过程中,应注意对施工人员的安全保护,采取必要的安全措施,包括现场警示标识、安全防护措施等,以确保施工过程的安全。
钢桩施工工艺标准1适用范围本工艺标准适用于一般钢管桩或H型钢桩基础工程。
2施工准备2.1原材料要求2.1.1钢桩的材料(含其它半成品)进场后,应按规格、品种、牌号堆放,抽样检验,检验结果与合格证相符者方可使用,未经进货检验或未经检验合格的物资不得投入使用。
2.1.2钢管质量验收:按设计图纸规格尺寸及有关规范,允许误差,实测实量及外观全数检查验货,特别是钢管的垂直度和内外径是否达到要求,作为重点检查,经检查验收合格后,方能进货安装。
2.2主要工机具2.2.1机械设备三点支撑式履带打桩机、轨道式柴油打桩机、轮胎式起重机、运输载重汽车、电焊机、切管机2.4作业人员2.4.1施工作业人员必须在上岗前进行岗位培训考核合格,持证上岗。
按设计施工不得任意改变设计,应遵守其中有关安全的规定。
2.4.2施工作业人员施工前,必须充分了解地质资料、施工图纸和设计说明以及有关资料。
必须熟知打桩规范、质量评定标准、施工程序、验收标准以及劳动组织分工等。
2.4.3施工作业人员应按国家规定的时间内容进行体格检查,必须持有健康检查合格证、高血压、心脏病、癫痫病患者不得参加打桩作业。
3施工工艺3.1工艺流程3.1.1钢管桩的工艺流程:3.2.1打桩方式3.2.1.1钢桩施工工艺主要依据工程特点、地质水文条件、施工机具的机械性能以及设计要求等决定。
钢桩打桩有三种通用方式:a)自然地面打桩,采用送桩至设计标高施工;b)地面打桩,但不送桩,3.2.23.2.2.13.2.2.23.2.2.33.2.2.43.2.2.53.2.2.63.2.2.73.2.2.83.2.2.93.2.3接桩3.2.3.1钢管桩桩身接头采用桩身内衬套上下对接焊接,H形钢采用坡口对接或连接板贴角焊接,严格按焊接工艺评定指标操作,严禁在没有焊接工艺评定指标情况下操作。
3.2.3.2焊接宜采用二氧化碳气体保护自动焊或半自动二氧化碳气体保护焊,也可以用手工电弧焊,质量要求见前表,当气温低于0℃度时焊口两侧各100mm应预热,焊接完毕后必须冷却大于5min,再进行锤击打桩。
・76・建筑知识施工技术Architectural Knowledge (接上页)参考文献[1]庄祥义,屈曲支撑在军博工程加固中的运用——记军事博物馆旧楼加固监理工作.《城市建设理论研究(电子版)》,2015(2).1 锁扣钢管桩技术在桥梁围堰工程中的具体应用桥梁围堰工程中应用锁扣钢管桩技术,有很多技术细节需要注意,笔者以某工程为例结合实际工作经验,对其进行分析。
希望为类似行业提供一定的借鉴,促进行业技术的进步。
1.1 导向框的设置钢管桩施工过程中,需要通过设置定位架的方式限制沉桩轴线位置,具体操作方式为:在已经搭建好的钢平台管桩及钢栈桥上,临时焊接牛腿,这些牛腿之间保持相应的距离,牛腿上焊接槽钢以定位,沿着槽钢外缘向前在一定距离进行钢管桩插打施工。
1.2 钢管桩插打施工确定好钢管桩插打位置后就需要开始插打施工,为确保插打质量,需要做好以下几方面的内容:首先选择合适的打桩机械,根据现场钢护筒施工经验,打桩施工中应用履带吊配合90型振动锤。
当钢管桩长度较长时,进行拔除与插打施工中遇到钢管桩重量较大的情况,这时就可以利用履带吊帮助施工;其次钢管桩的打拔,当现场钻孔施工结束后,迅速撤离钻机,同时清理干净桩基施工平台。
进行钢管桩施工前,需要进行测量定位工作,控制好钢管桩每一边的位置,确定围堰角点。
将施工设备运送到施工现场,现场需要检测钢管桩的质量,确定质量无误后焊接锁扣。
1.3 围堰施工技术1.3.1 挖土与吸泥这个环节是确保后期工程顺利进行的前提条件,本工程中在清理围堰内的淤泥的时候采用泥浆泵配合高压射水的方法,清理出的淤泥被放置在平台或泥浆船上,接着泥浆车将挖掘出的淤泥运送到指定的堆积位置。
1.3.2 牛腿安装牛腿高程的准确控制有助于提高施工质量,在测量放样过程中确定牛腿高程,检查牛腿高差的时候使用挂线办法,正确控制围檩安装误差,固定方法为满焊固定。
安装支撑时,需要监测钢管桩围堰的变化,嵌塞外侧的时候一般选用木条或棉絮等物,这样可以对锁扣漏水的情况进行有效预防。
锁口钢管桩施工工艺工法(QB/ZTYJGYGF-QL-0203-2011)桥梁工程有限公司何勇潘萍1媒介围堰的情势多种多样,针对不合工程的构造特色和情形前提选择合适的围堰构造进行承台施工,对桥梁施工的安然.工期.经济和社会效益有重要影响.在诸多围堰情势中,锁口钢管桩围堰是个中的一种.锁口钢管桩桩围堰,就是在围堰内施工和建筑基本时,使围堰外的水或土不至于大量涌进围堰内,待基本.墩台构筑出水面后即可将其裁撤,以免堵塞水流或航道,它是一种暂时性构造.锁口钢管桩在钢管两侧参加了锁口装配,可以使两相邻钢管桩之间紧扣相连在一路.2工艺工法特色2.1 比拟单壁钢套箱围堰.咬合钢管桩围堰等,锁口钢管桩围堰具有加工制造简略快速.施工工期短.经济效益高.2.2 锁口钢管桩围堰构造整体刚度大.抗弯才能强.构造整体稳固性好.材料收受接管运用率高.平面安插顺应性强等特色.3实用规模锁口钢管桩围堰实用于水深20m以内.水流流速小于3 m/s,河床为砂类土.黏性土.碎(卵)石类土和风化岩等地层前提下的基坑开挖.4重要技巧尺度《铁路桥涵地基和基本设计规范》()《铁路桥涵工程施工质量验收尺度》(TB 10415)《铁路桥涵施工规范》(TB 10203)《公路桥涵施工技巧规范》(JTG/T F50)5施工办法依据工程地点地场地特色,联合锁口钢管桩的特征.施工办法等方面进行斟酌,制订锁口钢管桩现场施工计划,先由测量人员定出锁口钢管桩围堰的轴线,装配导向架,打桩时运用导向架肯定锁口钢管桩插打地位.运用打桩机等装备插打锁口钢管桩,合龙围堰,设置内支持,锁口止水,进行围堰内施工.待承台.墩身施工出程度后,裁撤锁口钢管桩围堰.6工艺流程及操纵要点锁口钢管桩围堰的施工工艺流程如图1.6.2.1 施工预备1 施工平台桥墩的桩基本施工完成后,将钻机平台上的钻孔装备全部撤离,裁撤影响锁口钢管桩插打的钻孔平台构造,保存其他部分钻孔平台作为锁口钢管桩插打施工的功课平台.2 锁口钢管桩的加工1)锁口钢管桩的材质一般采取Q235A,钢管优先选用螺旋钢管,也可采取直缝焊接钢管.2)其加工制造可在一般钢构造加工场内,也可在施工工地进行.3)在平整的场地上制造咬合钢管桩加工胎架,先将钢管对接成设计长度,然后将锁吵嘴钢与钢管定位焊接,最后焊接加劲肋和限位肋.4)每根咬合钢管桩上的锁口要对称位于钢管的统一向径线上.咬合钢管桩的对接焊缝按照Ⅱ级焊缝质量尺度检磨练收;其余的焊缝按照Ⅲ级焊缝质量尺度作外不雅检讨,请求饱满.无裂纹.不漏水;咬合钢管桩顺直.不折.不弯.5)锁口钢管桩的构造如图2所示.图2锁口钢管桩构造大样图(单位:mm)3 测量定位在围堰高低游必定距离的河岸陆地上设置掌握测量点.在导向梁装配之前,用全站仪测放出围堰的内轮廓线;在咬合钢管桩插打进程中,用两台经纬仪前方交汇法掌握锁口钢管桩的垂直度.4 振动锤及起吊装备选型配套1)振动锤选型为了包管施工时锁口钢管桩可以或许打入到设计入土深度,事先要对用于沉桩的振动锤规格进行盘算选择,请求振动锤的激振力P 大于咬合钢管桩的贯人摩阻力Q,即P/Q >1.1.式中 Q ——单根咬合钢管桩贯人摩阻力(kN); s λ——泥土振动液化系数,s λ=0.3~0.6;u ——桩周长(m );iτ——桩周第i 层土的极限侧阻力尺度值(kPa); i l ——桩周第i 层土的厚度(m ).2)起吊装备选型有栈桥钻孔围堰施工平台的,采取汽车起重机直接行使到平台上起吊振动锤及咬合钢管桩;没有栈桥时,一般采取浮吊.起吊装备的规格依据振动锤的大小选择设置装备摆设.5装配导向架在桩基护筒上焊装双层牛腿,在牛腿上测量定出围堰表里框线,沿着表里框线装配导向圈梁.两层定位架高差要大于2.0m,定位架的牛腿和圈梁采取槽钢焊接,其构造如图3所示.图3定位架构造示意图1 吊桩吊机的主钩吊住锁口钢管桩上口.副钩吊住下口同时晋升使咬合钢管桩悬空,然后主钩持续晋升直至咬合钢管桩垂直,最后松脱副钩.2插打1)吊机吊运咬合钢管桩至沉桩地位,使其锁口与已沉入咬合钢管桩的锁口阴阳咬合,并从定位架中迟缓下放,直至进入河床不沉.自稳为止.2)取下桩头千斤绳,用吊机主钩吊振动锤到桩头,用锤夹夹紧桩壁;启动振动锤沉桩,直至设计深度停滞.下沉进程中要同步松放吊机的起重绳,掌握锤身与桩身保持垂直状况.3)锁口钢管桩不克不及打入到设计深度,可采取桩内射水或吸泥办法帮助下沉.3 纠偏1)第一根咬合钢管桩沉入后的垂直度影响到全部围堰其他咬合钢管桩的垂直度,其打入时要迟缓些,打入到设计深度一半时暂停沉桩,检讨桩身的垂直度是否在0.5%L以内,如知足请求则持续开启振动锤沉桩;不然拔出重打.2)其他的咬合钢管桩在定位架和锁口的合营感化下,一般不会产生较大误差,只需每插打15~20根作一次检讨,包管桩身的垂直度在1%L以内即可.4合龙1)锁口钢管桩一般由围堰上游分两端插打.到下流合龙.2)咬合钢管桩围堰合龙前,在插打至最后4~5根桩时,测量缺口的宽度,精确盘算出合龙桩的外径,加工大小适合的咬合钢管桩运至施工现场插打.3)为包管咬合钢管桩围堰合龙时两侧锁口互相平行,防止运用异型桩进行合龙,减小合龙难度,当咬合钢管桩两端相距10~15根桩的距离时,之后每打人一根桩,均须用经纬仪掌握其垂直度.若桩身消失偏斜,应逐根改正,疏散误差,调剂合龙.锁口止水是锁口钢管桩围堰防水的症结的措施和工序,采取锁口内填筑和防水布整体围护相联合方法.1 锁口内填筑.用棉布缝制比锁口略大的长条型布袋;将布袋放人锁口中,用φ48 mm钢管(灌浆导管)穿入布袋将其插到河床面.砂浆用注浆泵经由过程灌浆导管从孔底向上灌注,边灌边晋升导管,直至孔口溢出砂浆为止;导管埋入砂浆不小于2m.砂浆采取M2.5#.塌落度180~200mm.2 防水布整体保护用双层彩条布缝制成环状布带,其宽度为围堰顶到河床面的高度加7m.最小周长为围堰周长的2倍.全部锁口钢管桩插打完成后,将布袋从围堰顶套下,上口与围堰顶齐平,下口摊铺到河床上.用砂袋压实.3 锁口漏水处理1)抽水进程中或抽水后发明个体锁口漏水,可派潜水工下水检讨漏水处防水布破损地位并用防水布贴补.2)抽水后如产生锁口漏水较大或漏水处较多.贴补无效和不轻易抽干.影响围堰内基本施工时,要停滞抽水.让水回灌入围堰,从新铺设防水布,然后再抽水.1 围囹装配围堰合龙后,依据施工水位器量并在咬合钢管桩上标记出围囹程度地位;在支持邻近将型钢托架焊接在咬合钢管桩上,作为围囹装配的支承.将岸高低料并衔接好的围囹型钢用浮吊吊放到托架上,紧贴咬合钢管桩并与其焊接;不克不及紧贴咬合钢管桩的,在两者之间加小钢板焊接.2 内支持装配1)在围囹上测设出支持的装配地位,并精确测量出每根支持两端围囹间净距;依据净距对支持钢管下料并将其两端切割成企口.为使支持钢管达到轴心受压盘算前提,企口切割时要包管钢管轴线和围囹程度中线重合.2)用吊机将支持吊放到对应地位装配,围囹与支持钢管端头直接焊接稳固.围囹顶面与支持钢管间用衔接钢板焊接衔接.最后装配围堰转角处三角支持.图4 内支持装配示意图3)开挖进程中,围囹及内支持装配本着“边开挖边支持,先支持后开挖”的原则.6.2.5基坑开挖和围堰内回填.封底1 抽水开挖1)围堰底地层透水性较小.稳固性较好的低桩承台,采取抽水开挖办法.2)抽水开挖可选用人工开挖.小型发掘机开挖.爆破开挖等办法,用扒杆.吊机等晋升吊斗出渣.3)开挖时在围堰内周围设排水沟.转角处设积水坑抽水,依据抽水量若干,配备足够数目的抽水机进行围堰内抽水.抽水机宜选择离心泵与潜水泵联合,大小搭配.4)开挖进程中要不雅测围堰咬合钢管桩.围囹.内支持等构造的应力.应变和变形情形,消失应力应变超出设计允许值的情形,要停滞抽水,查明原因,采纳响应加固措施后方可从新抽水开挖.2 不抽水开挖.1)围堰底地层透水性较大.稳固性较差有可能产生涌砂或涌泥地层的低桩承台,宜采取不抽水开挖办法.2)不抽水开挖可选用水力吸泥机.水利吸石筒.空气吸泥机等,以上各类办法如在较慎密土层中,可用射水办法合营松土,以加速挖基进度;亦可采取抓泥斗.发掘机等水下挖基办法.3)开挖根本完成时,用吊线锤测量基底标高,潜水工下水检讨基底平整度并帮助平整基底.3 围堰内回填1)对于高桩承台的围堰,则用砂卵石或废砖砟等将堰内填筑到封底混凝土底面标高.砂卵石填筑数目盘算时留意扣除桩身.桩头废除和铺底混凝土所占的体积.2)填筑物可经由过程栈桥用汽车运输,亦可采取驳船运到围堰边.用抓沙船的抓斗放入.4 封底混凝土施工1)对于不抽水开挖的围堰基坑,采取水下混凝土进行封底,施工办法同沉井封底,封底混凝土的厚度须要盘算肯定.2)对于抽水开挖或堰内填筑的基坑,抽水后废除桩头.整平基坑底,采取通俗混凝土浇注办法封底,封底混凝土厚度0.3~0.5m.6.2.6 锁口钢管桩优化措施1 为增长咬合钢管桩围堰整体抗弯刚度,可以向钢管桩内填充细砂.冲水密实.2 由对口槽钢构成的锁口构造,下端采取坡脚焊焊接钢板,防止插打进程中砂石挤压进入锁口,影响下一部施工.1 堰内承台.墩身施工的各工序施工办法同陆上桥墩基本施工.2 承台混凝土灌注完成7d后,为削减抽水工作量,宜将围堰内水位回灌到比承台顶略低然后才施工墩身.1 墩身施工出水面后,即可裁撤围堰.围堰裁撤按从下流到上游.由低到高.先支持再围囹最后铲除咬合钢管桩的次序进行.2 裁撤位于水面下的支持时,先部分停滞抽水,使围堰内水位答复到待裁撤的支持下,部分均衡围堰内压力差,然后才干进行内支持.围囹裁撤施工.3咬合钢管桩铲除时,先用振动锤轻击桩顶,将桩周土体及锁口内砂浆振动,再进行铲除功课.4 铲除的咬合钢管桩应清刷清洁,修补整洁,除锈涂刷防锈油漆;在运输.存放时,防止变形破坏.7劳动力组织锁口钢管桩围堰施工技巧请求高,专业性较强,请求工种多,且因为其特别性,现场需配备专业技巧人员.人员配备见表1.表1锁口钢管桩围堰施工所需劳动力8重要机具装备锁口钢管桩围堰施工的顺遂进行很大程度决议于施工机械的选择,当决议选用何种机械时,需斟酌现场前提.重要机械装备见表2.表2 锁口钢管桩围堰施工机具装备表表3 起吊装备选型参考表99.1 易消失的质量问题因为河床地质构造庞杂,施工中可能碰到的一些难题:9.1.1 遇障碍物,导致打入深度缺少.9.1.2 侧向积存力不平均,导致偏斜.9.1.3 沿轴线竖直渡过大.9.1.4 地基较软,导致邻桩带入.桩进程中有时赶上大的块石或其他不明障碍物,导致锁口钢管桩打入深度不敷,采取弧形桩绕过障碍物,绕过偏向应为远离承台偏向,但要留意移动距离不要太大.锁口钢管桩杂填地盘段挤进进程中受到石块等侧向挤压感化力大小不合轻易产生偏斜,在产生偏斜地位将锁口钢管桩往上拔,再往下锤进,如斯高低来去振拔数次,可使大的块石被振碎或使其产生位移,让锁口钢管桩的地位得到改正,削减锁口钢管桩的竖直度.锁口钢管桩沿轴线竖直度较大时,采取异形插板来改正,异形插板一般为高低宽度大于或小于尺度宽度的插板,异形插板可依据现实竖直度进行焊接加工.在基本较软处,有时产生施工时将邻桩带人现象,采取的措施是把相邻的数根桩焊接在一路,并且在施打桩的衔接锁口上涂以黄油等润滑润滑剂,减小阻力.10安然措施10.1 重要安然风险剖析咬合钢管桩围堰施工进程中,咬合钢管桩插进锁口后,因锁口阻力缺少,咬合钢管桩忽然脱落下滑.咬合钢管桩插打和铲除时,桩锤各部机件.衔接件的安然.10.2 包管措施合钢管桩槽凹部位应清扫清洁,锁口应先辈行修整或试插.10.2.2 组拼的咬合钢管桩组件,应采取稳固的夹具夹牢,起吊时,用绳子拴牢.挂钩应封钩.钢管桩插进锁口后,因锁口阻力不克不及插放到位而需用桩锤压插时,应先用卷扬机钢丝绳掌握桩锤下落行程,防止桩锤随钢板板桩忽然下滑.10.2.4 插打咬合钢管桩,如因吊机高度缺少,可转变吊点地位,但吊点不得低于桩顶以下1/3桩长地位.在转换吊点时,必须先挂后换,使新吊点轻松后,并肯定稳固,才干裁撤原吊点.10.2.5 运用沉拔桩锤沉拔板桩时,桩锤各部机件.衔接件要确保无缺,电气线路绝缘部分要优越绝缘.天天运用前要卖力检讨,班后要进行保养.操纵时,桩锤和板桩衔接要稳固,系索射水.振动等松动措施.严禁硬拔.11环保措施11.1 树立健全情形呵护治理机构,制订各项规章轨制,并增强监视和检讨.11.2 增强教导宣扬工作,进步全部职工的文明施工和情形呵护意识.11.3 削减施工中噪声和振动,防止扰平易近.11.4 采纳有用措施,防止机械用油.施工和生涯垃圾污染河水. 12运用实例中铁一局沪昆客特长昆湖南段CKTJ Ⅷ××2.5m,其上安插1m 高加台.桥址区地层重要有第四系全新统黏土;黄褐色,硬塑,含细角砾5~10%,粒径0.1-0.2cm,最大 1.5cm,尖棱状,顶部含根系,σ0=160kpa,厚度约为4m阁下;下伏白云质灰岩,灰白色,隐晶质构造,中厚层状,弱风化.节剃头育,呈闭合—微张开状,重要由方解石脉,泥质填充,岩芯较完全,σ0=1000kpa,厚度未探明.桥址处地下水重要为松散聚积层孔隙水,碳酸盐岩裂隙水及基岩风化裂隙水,含水层富水性较弱,地下水重要由大气降水补给.围堰施工前期地质勘察很难精确得反响客不雅真实情形.在围堰施工进程中消失部分不肯定和不成知的成份,在实行进程中依据情形面临可能消失的问题和不服安身分,事先制订了预案和应急措施,做到了有备无患,顺遂的完成了围堰施工.为承台施工打下了坚实的基本.锁口钢管桩插板围堰施工技巧在焦柳铁路特大桥工程中得到了成功的运用,这种围堰方法在浅水域有着异常好的运用远景.图5 锁口钢管桩插打图6锁口钢管桩插打图7 土方开挖前锁口钢管桩围堰图图8加固完毕后锁口钢管桩围堰。
钢桩施工工艺标准1 适用范围本工艺标准适用于一般钢管桩或H型钢桩基础工程。
2 施工准备2. 1原材料要求2.1.1 钢桩的材料(含其它半成品)进场后,应按规格、品种、牌号堆放,抽样检验,检验结果与合格证相符者方可使用,未经进货检验或未经检验合格的物资不得投入使用。
2.1.2 钢管质量验收:按设计图纸规格尺寸及有关规范,允许误差,实测实量及外观全数检查验货,特别是钢管的垂直度和内外径是否达到要求,作为重点检查,经检查验收合格后,方能进货安装。
2.1.3 螺旋焊管钢桩钢管:壁厚为6~19mm长度不限,卷板焊管钢桩钢管:壁厚为6~47mm长度不超过6m。
型号为STK、SKK号钢卷制。
2.1.4 H型钢,为标准型钢,材质为普通碳素钢、16Mn钢或海港工程用防氯盐钢材。
2.1.5 钢管桩顶部抗锤击和底部为减少摩擦抗变形的加强箍,用宽200~300mm、厚6~12mm和钢管桩材质相同的钢板制作,用电焊满焊,焊接时箍板的纵缝要和卷焊桩管的纵缝错开90度。
2.1.6 钢桩应按规格分别堆放(即上节桩、中节桩、下节桩)一般堆叠层数为三层(高度控制在2m以内)。
支点用枕木两侧用木楔塞牢,防止变形。
2.1.7 成品钢桩的质量检验标准2.2 主要工机具2.2.1机械设备三点支撑式履带打桩机、轨道式柴油打桩机、轮胎式起重机、运输载重汽车、电焊机、切管机----------------------------精品word文档值得下载值得拥有----------------------------------------------2.2.2 主要工具钢丝绳吊索、卡环、撬杠、气焊工具、扁铲。
2.3 作业条件2.3.1 打桩现场三通一平,处理打桩地基上面障碍物,清理、整平时要设雨水排出沟渠,附近有建筑物的要挖隔震沟,预先充分了解打桩场地,清理妨碍打桩的高空和地下障碍物。
2.3.2 打桩场地整平用压路机碾压平整,并在地表铺10~20cm厚石子使地基承载力达到0.2 Mpa ~0.3Mpa。
钢桩施工工艺标准1 适用范围本工艺标准适用于一般钢管桩或H型钢桩基础工程。
2 施工准备2. 1原材料要求2.1.1 钢桩的材料(含其它半成品)进场后,应按规格、品种、牌号堆放,抽样检验,检验结果与合格证相符者方可使用,未经进货检验或未经检验合格的物资不得投入使用。
2.1.2 钢管质量验收:按设计图纸规格尺寸及有关规范,允许误差,实测实量及外观全数检查验货,特别是钢管的垂直度和内外径是否达到要求,作为重点检查,经检查验收合格后,方能进货安装。
2.1.3 螺旋焊管钢桩钢管:壁厚为6~19mm长度不限,卷板焊管钢桩钢管:壁厚为6~47mm 长度不超过6m。
型号为STK、SKK号钢卷制。
2.1.4 H型钢,为标准型钢,材质为普通碳素钢、16Mn钢或海港工程用防氯盐钢材。
2.1.5 钢管桩顶部抗锤击和底部为减少摩擦抗变形的加强箍,用宽200~300mm、厚6~12mm 和钢管桩材质相同的钢板制作,用电焊满焊,焊接时箍板的纵缝要和卷焊桩管的纵缝错开90度。
2.1.6 钢桩应按规格分别堆放(即上节桩、中节桩、下节桩)一般堆叠层数为三层(高度控制在2m以内)。
支点用枕木两侧用木楔塞牢,防止变形。
2.1.7 成品钢桩的质量检验标准2.2 主要工机具2.2.1机械设备三点支撑式履带打桩机、轨道式柴油打桩机、轮胎式起重机、运输载重汽车、电焊机、切管机2.2.2 主要工具钢丝绳吊索、卡环、撬杠、气焊工具、扁铲。
2.3 作业条件2.3.1 打桩现场三通一平,处理打桩地基上面障碍物,清理、整平时要设雨水排出沟渠,附近有建筑物的要挖隔震沟,预先充分了解打桩场地,清理妨碍打桩的高空和地下障碍物。
2.3.2 打桩场地整平用压路机碾压平整,并在地表铺10~20cm厚石子使地基承载力达到0.2 Mpa ~0.3Mpa。
2.3.3 控制点的设置应尽可能远离施工现场,以减少施工土体扰动对基准点的影响。
2.3.4 施工现场的轴线、水准控制点、桩基布点必须经常检查,妥善保护,设控制点和水准点的数量不应少于2个。
钢桩施工工艺标准1适用范围本工艺标准适用于一般钢管桩或H型钢桩基础工程。
2施工准备2.1原材料要求2.1.1钢桩的材料(含其它半成品)进场后,应按规格、品种、牌号堆放,抽样检验,检验结果与合格证相符者方可使用,未经进货检验或未经检验合格的物资不得投入使用。
2.1.2钢管质量验收:按设计图纸规格尺寸及有关规范,允许误差,实测实量及外观全数检查验货,特别是钢管的垂直度和内外径是否达到要求,作为重点检查,经检查验收合格后,方能进货安装。
2.2主要工机具2.2.1机械设备三点支撑式履带打桩机、轨道式柴油打桩机、轮胎式起重机、运输载重汽车、电焊机、切管机2.4作业人员2.4.1施工作业人员必须在上岗前进行岗位培训考核合格,持证上岗。
按设计施工不得任意改变设计,应遵守其中有关安全的规定。
2.4.2施工作业人员施工前,必须充分了解地质资料、施工图纸和设计说明以及有关资料。
必须熟知打桩规范、质量评定标准、施工程序、验收标准以及劳动组织分工等。
2.4.3施工作业人员应按国家规定的时间内容进行体格检查,必须持有健康检查合格证、高血压、心脏病、癫痫病患者不得参加打桩作业。
3施工工艺3.1工艺流程3.1.1钢管桩的工艺流程:3.2.1打桩方式3.2.1.1钢桩施工工艺主要依据工程特点、地质水文条件、施工机具的机械性能以及设计要求等决定。
钢桩打桩有三种通用方式:a)自然地面打桩,采用送桩至设计标高施工;b)地面打桩,但不送桩,3.2.23.2.2.13.2.2.23.2.2.33.2.2.43.2.2.53.2.2.63.2.2.73.2.2.83.2.2.93.2.3接桩3.2.3.1钢管桩桩身接头采用桩身内衬套上下对接焊接,H形钢采用坡口对接或连接板贴角焊接,严格按焊接工艺评定指标操作,严禁在没有焊接工艺评定指标情况下操作。
3.2.3.2焊接宜采用二氧化碳气体保护自动焊或半自动二氧化碳气体保护焊,也可以用手工电弧焊,质量要求见前表,当气温低于0℃度时焊口两侧各100mm应预热,焊接完毕后必须冷却大于5min,再进行锤击打桩。
钢管桩施工工艺标准1、适用范围钢管桩主要使用于港口内壁或防波堤,也用于一般基础工程或桥梁工程。
一般用于在水深或软弱基地施工墙壁。
1.1港口工程:在水深的海岸地区的内壁、护岸、防坡提等港口工程时,用于施工支撑强土压力的墙壁。
1.2土木工程:施工桥梁、道路、铁路等的桥台、路堤等土木工程时,用于施工支撑强垂直荷载和水平土压力的墙壁。
1.3水下工程:用于人工岛或桥梁桥墩基础工程。
1.4工民建基础的深基坑支护及围堰。
钢管桩因防水性分为锁口与不锁口两种,但两者施工工艺大同小异,本篇幅重点阐述锁口钢管桩用于桥梁承台围堰的施工工艺标准。
锁口钢管桩易于施工,能缩短工程时间,尤其防水效果好,可安全准确的施工。
2、编制主要应用标准和规范2.1?公路桥涵施工技术规范?(JTJ041-2000)2.2?建筑钢结构焊接规范?(JGJ081-91)2.3?公路桥涵设计通用规范?(JTJ021-89)2.4?钢管桩施工技术规程?(YBJ233-91)2.5?新编实用五金手册?3、施工准备3.1技术准备3.1.1熟悉和分析施工现场的地质、水文资料,编制钢管桩围堰及承台开挖单项施工组织设计,相施工班组进行技术安全一级交底。
3.1.2通过受力分析,选择长度、直径、壁厚合适的无缝钢管做钢管桩。
3.1.3施工放样。
放出承台边线、中线及钢管桩中心线所在位置。
3.1.4在全面插打钢管桩以前,先试打2根,试打是为了核对水文、地质情况,检验选择的施工工艺是否符合相关质量、安全要求,必要时进行修正。
3.1.5插打钢管桩前对施工人员进行全面的技术、操作、安全二级交底,确保施工过程的工程质量和人生安全。
3.2现场状况3.2.1打设钢管桩以前,须先探查预定打设桩位处有无障碍物,去除后方可施工。
3.3打桩设备3.3.1桩锤桩锤可分为落锤、单作用气锤、双作用气锤、柴油机打桩锤、振动打桩锤,施工时应依桩径、桩长及现场地质情况选用适当桩锤。
3.3.2桩架桩架须架设于稳定之台架上或悬吊于吊车之桁架上。
钢桩施工工艺标准1 适用范围本工艺标准适用于一般钢管桩或H型钢桩基础工程。
2 施工准备2. 1原材料要求2.1.1 钢桩的材料(含其它半成品)进场后,应按规格、品种、牌号堆放,抽样检验,检验结果与合格证相符者方可使用,未经进货检验或未经检验合格的物资不得投入使用。
2.1.2 钢管质量验收:按设计图纸规格尺寸及有关规范,允许误差,实测实量及外观全数检查验货,特别是钢管的垂直度和内外径是否达到要求,作为重点检查,经检查验收合格后,方能进货安装。
2.1.3 螺旋焊管钢桩钢管:壁厚为6~19mm长度不限,卷板焊管钢桩钢管:壁厚为6~47mm 长度不超过6m。
型号为STK、SKK号钢卷制。
2.1.4 H型钢,为标准型钢,材质为普通碳素钢、16Mn钢或海港工程用防氯盐钢材。
2.1.5 钢管桩顶部抗锤击和底部为减少摩擦抗变形的加强箍,用宽200~300mm、厚6~12mm 和钢管桩材质相同的钢板制作,用电焊满焊,焊接时箍板的纵缝要和卷焊桩管的纵缝错开90度。
2.1.6 钢桩应按规格分别堆放(即上节桩、中节桩、下节桩)一般堆叠层数为三层(高度控制在2m以内)。
支点用枕木两侧用木楔塞牢,防止变形。
2.1.7 成品钢桩的质量检验标准2.2 主要工机具2.2.1机械设备三点支撑式履带打桩机、轨道式柴油打桩机、轮胎式起重机、运输载重汽车、电焊机、切管机2.2.2 主要工具钢丝绳吊索、卡环、撬杠、气焊工具、扁铲。
2.3 作业条件2.3.1 打桩现场三通一平,处理打桩地基上面障碍物,清理、整平时要设雨水排出沟渠,附近有建筑物的要挖隔震沟,预先充分了解打桩场地,清理妨碍打桩的高空和地下障碍物。
2.3.2 打桩场地整平用压路机碾压平整,并在地表铺10~20cm 厚石子使地基承载力达到0.2 Mpa ~0.3Mpa 。
2.3.3 控制点的设置应尽可能远离施工现场,以减少施工土体扰动对基准点的影响。
2.3.4 施工现场的轴线、水准控制点、桩基布点必须经常检查,妥善保护,设控制点和水准点的数量不应少于2个。
钢管桩施工工艺标准.doc钢管桩施工工艺标准1、适用范围钢管桩主要使用于港口内壁或防波堤,也用于一般基础工程或桥梁工程。
一般用于在水深或软弱基地施工墙壁。
1.1港口工程:在水深的海岸地区的内壁、护岸、防坡提等港口工程时,用于施工支撑强土压力的墙壁。
1.2土木工程:施工桥梁、道路、铁路等的桥台、路堤等土木工程时,用于施工支撑强垂直荷载和水平土压力的墙壁。
1.3水下工程:用于人工岛或桥梁桥墩基础工程。
1.4工民建基础的深基坑支护及围堰。
钢管桩因防水性分为锁口与不锁口两种,但两者施工工艺大同小异,本篇幅重点阐述锁口钢管桩用于桥梁承台围堰的施工工艺标准。
锁口钢管桩易于施工,能缩短工程时间,尤其防水效果好,可安全准确的施工。
2、编制主要应用标准和规范2.1?公路桥涵施工技术规范?(JTJ041-2000)2.2?建筑钢结构焊接规范?(JGJ081-91)2.3?公路桥涵设计通用规范?(JTJ021-89)2.4?钢管桩施工技术规程?(YBJ233-91)2.5?新编实用五金手册?3、施工准备3.1技术准备3.1.1熟悉和分析施工现场的地质、水文资料,编制钢管桩围堰及承台开挖单项施工组织设计,相施工班组进行技术安全一级交底。
3.1.2通过受力分析,选择长度、直径、壁厚合适的无缝钢管做钢管桩。
3.1.3施工放样。
放出承台边线、中线及钢管桩中心线所在位置。
3.1.4在全面插打钢管桩以前,先试打2根,试打是为了核对水文、地质情况,检验选择的施工工艺是否符合相关质量、安全要求,必要时进行修正。
3.1.5插打钢管桩前对施工人员进行全面的技术、操作、安全二级交底,确保施工过程的工程质量和人生安全。
3.2现场状况3.2.1打设钢管桩以前,须先探查预定打设桩位处有无障碍物,去除后方可施工。
3.3打桩设备3.3.1桩锤桩锤可分为落锤、单作用气锤、双作用气锤、柴油机打桩锤、振动打桩锤,施工时应依桩径、桩长及现场地质情况选用适当桩锤。
锁口钢管桩施工工艺工法之马矢奏春创作(QB/ZTYJGYGF-QL-0203-2011)桥梁工程有限公司何勇潘萍1前言围堰的形式多种多样,针对分歧工程的结构特点和环境条件选择适宜的围堰结构进行承台施工,对桥梁施工的平安、工期、经济和社会效益有重要影响。
在诸多围堰形式中,锁口钢管桩围堰是其中的一种。
锁口钢管桩桩围堰,就是在围堰内施工和修建基础时,使围堰外的水或土不至于大量涌进围堰内,待基础、墩台修筑出水面后即可将其裁撤,以免堵塞水流或航道,它是一种临时性结构。
锁口钢管桩在钢管两侧加入了锁口装置,可以使两相邻钢管桩之间紧扣相连在一起。
2工艺工法特点2.1 相比单壁钢套箱围堰、咬合钢管桩围堰等,锁口钢管桩围堰具有加工制作简单快速、施工工期短、经济效益高。
2.2 锁口钢管桩围堰结构整体刚度大、抗弯能力强、结构整体稳定性好、资料回收利用率高、平面安插适应性强等特点。
3适用范围锁口钢管桩围堰适用于水深20m以内、水流流速小于 3 m/s,河床为砂类土、黏性土、碎(卵)石类土和风化岩等地层条件下的基坑开挖。
4主要技术尺度《铁路桥涵地基和基础设计规范》()《铁路桥涵工程施工质量验收尺度》(TB 10415)《铁路桥涵施工规范》(TB 10203)《公路桥涵施工技术规范》(JTG/T F50)5施工方法根据工程所在地场地特点,结合锁口钢管桩的特性、施工方法等方面进行考虑,制定锁口钢管桩现场施工方案,先由丈量人员定出锁口钢管桩围堰的轴线,装置导向架,打桩时利用导向架确定锁口钢管桩插打位置。
利用打桩机等设备插打锁口钢管桩,合龙围堰,设置内支撑,锁口止水,进行围堰内施工。
待承台、墩身施工出水平后,裁撤锁口钢管桩围堰。
6工艺流程及操纵要点锁口钢管桩围堰的施工工艺流程如图1。
6.2.1 施工准备1 施工平台桥墩的桩基础施工完成后,将钻机平台上的钻孔设备全部撤离,裁撤影响锁口钢管桩插打的钻孔平台结构,保存其他部分钻孔平台作为锁口钢管桩插打施工的作业平台。
锁口钢管桩围堰施工工艺标准FHEC-QH-7-1-20071、适用围锁口钢管桩主要使用于港口壁或防波堤,也用于一般基础工程或桥梁工程。
一般用于在水深或软弱基地施工墙壁。
1.1港口工程:在水深的海岸地区的壁、护岸、防坡提等港口工程时,用于施工支撑强土压力的墙壁。
1.2 土木工程:施工桥梁、道路、铁路等的桥台、路堤等土木工程时,用于施工支撑强垂直荷载和水平土压力的墙壁。
1.3 水下工程:用于人工岛或桥梁桥墩基础工程。
1.4工民建基础的深基坑支护及围堰:钢管桩根据是否具有防水性,可分为锁口与不锁口(平行)两种,锁口钢管桩为任意两根钢管桩之间采取联结措施,联结措施即起横向联结又起滞水作用,平行钢管桩为每根钢管桩互相独立,不予联结,无滞水作用。
钢管桩在公路与桥梁施工中常用于基础工程的挡水、挡土、基础工程的开挖施工,适用于非岩石地层的土质地层。
2、编制主要应用标准和规2.1《公路桥涵施工技术规》(JTJ041-2000)2.2《建筑钢结构焊接规》(JGJ081-91)2.3《公路桥涵设计通用规》(JTJ021-89)2.4《钢管桩施工技术规程》(YBJ233-91)2.5《新编实用五金手册》3、施工准备3.1 技术准备3.1.1熟悉和分析施工现场的地质、水文资料,确定用钢管桩围堰开挖承台方案。
3.1.2通过受力分析、计算,选择壁厚、直径、长度合适的锁口钢管桩。
编制钢管桩围堰及承台开挖单项施工组织设计,向施工班组进行技术安全一级交底。
3.1.3施工放样。
放出承台边线、中线及钢管桩中心线所在位置。
3.1.4 插打钢管桩前对施工人员进行全面的技术、操作、安全二级交底,确保施工过程的工程质量和人生安全。
3.1.5在全面插打钢管桩以前,先试打2根,试打是为了核对水文、地质情况,检验选择的施工工艺是否符合相关质量、安全要求,必要时进行修正。
3.2 机具准备3.2.1打桩设备打桩设备有桩锤、桩架、桩帽或桩垫桩锤可分为落锤、单作用气锤、双作用气锤、柴油机打桩锤、振动打桩锤,施工时应依桩径、桩长及现场地质情况选用适当桩锤,锁口钢管桩常选用振动锤。
振动锤的激振力大小主要根据桩和长度和地质条件而定。
桩架须架设于稳定之台架上或悬吊于吊车之桁架上,用于导向。
桩帽或桩垫,打桩前应先将下端径略大于桩径之钢制桩帽套入桩头,以避免因打桩时之转动扭坏桩身,如是锁口钢管桩,则不用桩帽或桩垫,直接用振动锤夹具夹在钢管桩桩壁。
3.2.2 吊装设备根据钢管桩和振动锤的起吊重量选择吊车3.2.3 开挖设备挖掘机、自卸车等。
3.2.4其它:抽水机、跳板、电焊机、气割设备、小型起重设备等3.3 材料准备3.3.1钢管桩系指由无缝钢管或经电弧电焊(含螺旋接缝管)所制成之钢管,施工前应查看制造厂出具的质量证明书。
钢管桩必须符合CNS 7934 A2114规定。
3.3.2工字钢、角钢、电焊条。
3.3.3在钢管桩一侧焊接工字钢,形成公扣,在钢管桩的另一侧距阳口180度角处焊接两角钢,形成母扣。
3.3.4 绘制钢管桩加工的断面形状图3.4 作业条件3.4.1 施工现场完成三通一平,硬化、排水等工作。
完成临时电力布置,安全设施准备就绪。
3.4.2涉及到的机械设备施用良好,3.4.3围堰用的材料经检验合格,材料满足需要。
3.4.4 施工作业人员要求对施工人员进行培训,技术和安全现场交底。
使施工人员熟练掌握吊起、定位、插打、移动等相关技术。
在现场管理中保持熟练操作工人的相对稳定。
4、施工操作工艺4.1工艺流程测量放线定出钢管中心线位置——插打钢管桩——第一次开挖——破除部分灌注桩桩头——清理混凝土及土渣——安装围囹——第二次开挖——破除剩余灌注桩桩头——设置竖向支撑——浇筑封底混凝土——绑扎钢筋——支立模板——浇筑混凝土——承台成品验收——拔出钢管桩4.2施工方法4.2.1平整场地及放样施工前对施工场地进行平整,在吊车位进行硬化平整处理,便于吊车工作;锁口钢管桩位进行平整便于钢管桩位的放样和插打。
根据设计图纸放出钢管桩的具体位置,机械钢管桩等有关材料全部到位。
4.2.2插打钢管桩插打钢管桩是整个承台基坑围堰施工的关键工序,施工难度较大,以下主要叙述锁口钢管桩(钢管桩分平行和锁口两种)的插打施工。
1 设置导向桩导向桩采用壁厚5mm、直径52.9mm,长度为12m的钢管制成。
先根据第一根锁口钢管桩的位置对辅助导向桩进行放样,然后用履带吊吊起电动振动桩锤,通过电动振动桩锤的夹具起吊辅助导向桩,按放样位置将两根辅助导向桩打入地下。
2 第一根锁口钢管桩插打辅助导向桩插打完成后设置导向架,最后用履带吊吊起电动振动桩锤,通过电动振动桩锤的夹具起吊第一根锁口钢管桩,插入导向架,启动电动振动桩锤,将其打入地下,完成第一根锁口钢管桩的插打施工。
3 拆除导向架,拔除辅助导向桩4 第二根锁口钢管桩插打放样后重新插打辅助导向桩,设置横向导向横梁,采用与第一根锁口钢管桩同样的起吊方式吊起第二根锁口钢管桩,将第二根锁口钢管桩的公扣插入第一根桩的母扣,另一侧在导向横梁上焊接临时导向卡,启动电动振动桩锤,将其打入地下,完成第二根锁口钢管桩的插打施工。
5第二根锁口钢管桩施工完毕后,解除临时导向卡,按第二根桩的施工方法进行其余钢管桩的插打施工,直至全部锁口钢管桩插打完毕。
施工过程中要注意角桩的变化情况。
6锁口钢管桩的合拢为使锁口钢管桩的插打正直、顺利合拢,导向卡应随时纠正偏斜,当偏斜过大能用拉挤方法调整时,应拔起重插,如重插无效时,可用特制的钢管桩进行合拢。
4.2.3围囹和支撑设置锁口钢管桩插打完毕形成围堰后即进行围囹和支撑的施工。
1 将基坑一级干开挖至计算需要标高,凿除桩头至计算需要标高,便于围囹和支撑的设置。
2 按照设计位置和间距进行围囹支撑牛腿的焊接施工,要求焊缝饱满,标高一致。
3支撑牛腿施工完毕后,进行围囹的设置施工。
围囹采用工字钢平置于支撑牛腿上,与锁口钢管桩焊接连接,焊接过程中要保证围囹与锁口钢管桩的紧密结合,如遇围囹与锁口钢管桩不能贴紧的情况,要采取加垫钢板的方式进行处理,确保围堰的整体受力效果。
4围囹施工完成后,进行纵横向水平支撑的设置。
水平支撑采用钢管(或其它型钢),与围囹工字钢顶紧后焊接牢固,实现对顶对拉的效果,水平支撑放置于桩头上,防止水平支撑的下挠变形和失稳。
5 围囹和水平支撑施工完成后,全面检查围囹与锁口钢管桩、围囹和水平支撑的连接质量。
4.2.3基坑二级开挖1 采用机械挖掘的方法进行基坑第二阶段的开挖,选用挖掘机作为开挖机械,运输采用自卸翻斗车,弃土运至选定的弃土场规堆放。
2开挖方式为由一台挖掘机在开挖平台上主挖,另设置2台挖掘机向基坑外倒土。
干开挖至计算所需标高(钢管桩围堰与支撑钢管之间的空隙过于狭小,由人工挖掘)。
3开挖平台由自制的路基箱和枕梁构成,材料为工字钢;在支撑的小方格放置相应数量的枕梁及路基箱,共连续布满3-4个小方格,以便挖机行走。
4.2.4垫层混凝土、钢筋绑扎及混凝土浇注整个围堰基坑开挖完后由人工找平基底,设置好支撑的竖向临时支撑,钢管桩用油毛毡覆盖,其他地方用模板支撑,施工平台设置在支撑钢管上,采用泵送混凝土方式进行垫层混凝土的浇注,至设计标高(根据需要也可分块浇注垫层混凝土),完成垫层混凝土的浇注施工。
然后按施工设计方案进行模板施工,钢筋绑扎,浇注大体积砼,回填等工序,完成承台施工4.2.5 在进行模板施工,钢筋绑扎,浇注大体积砼时加强安全检查,防止意外事故发生。
4.2.6 钢管桩拔除承台施工完成后用振拔锤报围堰钢管桩拔起,方法同钢管桩打设类似,逐一拔除,按要求堆放在固定场所。
4.2.7 季节性施工1雨季应对现场做好排水工作,确保道路畅通。
围堰周围应有挡水措施,防止雨水流入围堰。
2雨季施工期间,对现场供电线路、设备进行全面检查,预防触电事故的发生。
5 质量标准5.1施工前应对原材料进行检查,并有合格签证记录。
对施工程序、工艺流程进行检查。
5.2 施工过程中严格控制钢管桩的打入长度。
5.3施工过程中,要对钢管桩的沉降、垂直度、变形及钢管桩周围土体进行观测。
5.4施工过程中,要对围囹、支撑及焊缝进行检查及验算。
6成品保护6.1钢管桩围堰外侧一定围不要堆大体积土或放置重型机具及施工用的钢筋、模板、支架等。
6.2 在竖向支撑未加设前严禁在横向支撑上放置过重的物件,以防横向支撑变形不能保证轴向受力。
6.3 严禁开挖机具在施工过程中碰撞钢管桩围堰。
6.4严禁基坑及四周积水影响土体受力。
6.5 应对突发事件(洪水、船只碰撞等)有应急措施。
7质量记录7.1原材料(钢管、型钢)应有原制造厂出具的品质证明书。
7.2现场放样及复核记录7.3 现场必须作好打桩记录,记录容至少应包括桩号、位置、打桩设备概述、每单位长度打击数、作业起始时间、每打一次贯入量、桩位偏移量、倾斜度、最后长度之锤击度等。
7.4 开挖记录,如下表:(或者按监理工程师要求进行)施工单位:工程名称:施工班组:工程负责人:钢管桩桩长:钢管桩桩顶标高:基底标高:基坑长度:基坑宽度:基坑深度:8 安全、环保措施8.1.1基坑应设置爬梯供施工人员上下基坑。
8.1.2基坑四周钢管桩上必须设置围栏及安全网,挖出的土及时用自卸车运走,不得就近堆放危及基坑围堰安全。
8.1.3施工现场的电工、电焊工必须持证上岗。
8.1.4 围堰四周必须有好的排水措施以确保围堰安全。
8.1.5围堰四周夜间必须有好的照明。
执笔:王茂福审定:朱金坤。