监理招标评分标准
- 格式:doc
- 大小:74.50 KB
- 文档页数:2
招标监理评分标准一、引言招标监理评分标准是为了确保招标程序的公正、公平和合法,以及监理服务的专业性和质量而制定的一套评分指标体系。
招标监理评分标准的制定对于招标人和招标代理机构以及监理公司都具有重要意义。
本文将详细介绍招标监理评分标准的各项指标及其权重,以期为相关方提供参考和指导。
二、评分标准的设计原则制定招标监理评分标准需要遵循以下原则:1. 公正原则:评分标准必须公正、客观、中立,不偏袒任何一方;2. 可行性原则:评分标准必须具有实施可行性,能够在实际操作中得以有效应用;3. 透明度原则:评分标准必须具有透明度,评标人员和投标人均能够理解和遵循;4. 灵活性原则:评分标准应具备一定的灵活性,能够根据不同项目的特点进行调整;5. 对比性原则:评分标准应具备对比性,能够清晰地对不同投标人的优劣进行比较。
三、评分指标及权重1. 公司资质(权重:20%)评估公司的注册资金、执业资质、业绩及信誉等方面的情况,以确保监理公司具备从事招标监理工作的能力和经验。
2. 人员素质(权重:30%)评估监理公司的专业人员的学历、职称及相关经验,以确保监理人员具备良好的专业素质和执业能力。
3. 服务能力(权重:30%)评估监理公司的服务能力,包括服务规模、服务质量和服务项目的组织管理能力等方面的情况,以确保监理服务能够按时、按质完成。
4. 费用合理性(权重:20%)评估监理公司的报价费用是否合理,既要考虑招标监理服务的专业性和质量,又要兼顾费用的合理性。
四、评分流程1. 招标文件评审根据招标文件要求,评审监理公司的注册资金、执业资质、业绩及信誉等情况,进行初步筛选。
2. 人员评审评估监理公司的专业人员的学历、职称及相关经验,对监理团队的人员素质进行评估。
3. 服务能力评审评估监理公司的服务能力,包括服务规模、服务质量和服务项目的组织管理能力,以保证监理服务的有效实施。
4. 费用评审评估监理公司的报价费用是否合理,既要考虑招标监理服务的专业性和质量,又要兼顾费用的合理性。
招标监理评分标准一、前言招标监理评分标准是招标过程中对监理机构进行综合评价的依据,通过对各项评分指标的综合计算,旨在选取出最适合项目需求的监理机构。
本文将介绍招标监理评分标准的制定原则和具体评分指标。
二、制定原则1. 公正公平原则招标监理评分标准应当公正公平,不偏袒任何一方,确保评分过程的公正性和透明度。
2. 真实可行原则评分标准应根据项目需求和监理工作的实际要求进行制定,确保评分标准符合实际情况,并能够真实地衡量监理机构的能力和水平。
3. 可操作性原则评分标准应具备一定的操作性,评分人员应能够根据评分标准进行评分,评分流程应明确、简洁,确保评分结果的准确性。
三、评分指标1. 监理经历评分标准应考虑监理机构的过往经验,包括参与的项目数量、项目规模、项目类型等。
经验丰富的监理机构往往能够有效地组织和管理监理工作,保证项目的顺利进行。
2. 专业资质监理机构应具备相应的资质和证书,评分标准应考虑监理机构的资质情况,包括执业资格证书、注册资格等。
专业资质能够反映监理机构的专业能力和信誉度。
3. 技术实力评分标准应考虑监理机构的技术实力,包括技术人员的数量和素质、技术设备的先进程度等。
技术实力的强弱直接关系到监理工作的质量和效率。
4. 组织管理能力评分标准应考虑监理机构的组织管理能力,包括内部管理制度、人员培训和激励机制等。
良好的组织管理能力能够提高监理工作的效率和质量。
5. 技术方案和工作计划评分标准应考虑监理机构的技术方案和工作计划,包括对项目的整体把控能力、问题解决能力等。
技术方案和工作计划的合理性和可行性直接关系到项目的成功实施。
6. 风险防控措施评分标准应考虑监理机构的风险防控措施,包括对项目风险的认识和处理能力,对合同履约和质量安全等风险的防范措施等。
风险防控能力是评价监理机构综合实力的重要指标。
四、评分方法评分标准可采用加权平均法进行计算,即根据不同指标的重要性给予相应的权重,对各个指标进行评分,并通过计算得出监理机构的综合评分。
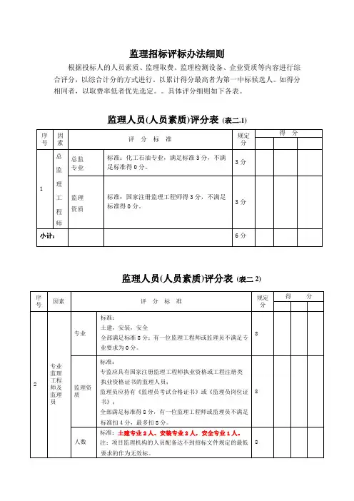
监理投标评分细则监理投标评分细则一、评标原则及内容(一)评标原则1、公开、公平、公正、诚实信用;2、信誉好、价格合理、工期合理;3、反对不正当竞争。
(二)评标内容包括企业信誉及实力、投标报价的评分、投标文件的符合性评审和对降低造价措施等的评定。
二、评标组织评标组织(评标委员会或评标小组)的评委成员由招标人代表组成,人数为不少于5人的奇数。
评标成员对自己的评标行为负责。
三、评标的一般程序如下:(一)评标组织成员审阅投标文件,主要包括:1、投标文件的内容是否实质上响应招标文件的要求;2、投标文件是否有重大的漏项、缺项;(二)根据评标办法的规定,进行评标;(三)评标组织负责人对评标结果进行校核,确定无误后,进行排序;(四)在评标过程中,评标组织认为需要,在招标投标监督管理机构工作人员监督下,可要求投标人对投标文件中的有关问题进行澄清,但投标人不得因此对投标文件作实质性内容修正;(五)评标组织根据评标情况写出书面的评标报告,推荐中标候选人。
四、评标定标办法根据工程的具体情况,招标人可自行选用"百分制计分法"、"合理低标价法"、"条件招标法"、"无标底招标、有标底评标法"等评标定标办法。
评标定标办法必须在招标文件中加以明确,招标投标监督管理机构主要审核评标定标办法是否符合法律、法规,是否体现公开、公平、公正和诚实信用原则,否则招标文件不予核准。
(一)百分制计分法。
即由评标组织依照评定指标和单项分值,对投标文件在总分100分范围内评分,按得分高低确定合格的中标候选人的评标办法。
适用于施工图纸齐全,经济资料较为齐全的工程。
其指标及分值设置为:工程报价 55分企业评价 10分拟派人员资质及经验 10分其它1、工程报价55分土建工程:投标报价在合理标价浮动范围内者暂按基本分35分计。
在此基数上,投标报价与评标标底比,每上浮1%扣4分,每下浮1%加4分,最多扣12分或加20分。
一、评审因素分值构成(一)投标报价15分1、评标基准价:评标基准价=去掉一个最高投标报价和一个最低投标报价的算术平均值。
2、偏差率=|投标人报价-评标基准价|/评标基准价×100%。
3、投标报价得分:15-偏差率×100。
(二)监理大纲40分1、质量控制目标和措施5分。
控制目标明确2分,基本明确1分,不明确0分;控制措施可行3分,基本可行1.5分,不可行0分。
2、安全控制目标和措施5分。
控制目标明确2分,基本明确1分,不明确0分;控制措施可行3分,基本可行1.5分,不可行0分。
3、进度控制目标和措施5分。
控制目标明确2分,基本明确2分,不明确0分;控制措施可行3分,基本可行1.5分,不可行0分。
4、投资控制目标和措施5分。
控制目标明确2分,基本明确1分,不明确0分;控制措施可行3分,基本可行1.5分,不可行0分。
5、对工程难点、要点的监控4分。
根据工程特点,对难点、要点分析合理的2分,一般的1分,不合理的0分;监控措施得力的2分,一般的1分,不得力的0分。
6、关键部位的旁站监理方案3分。
方案完整可行的3分,基本完整可行的1.5分,不完整不可行的0分。
7、针对本工程的合理化建议3分。
合理的建议3分,基本合理的1.5分,不合理的0分。
8、人员的组织分工、权利责任明确4分。
根据工程特点有针对性,切实可行组织分工、权利责任明确的得4分;组织分工、权利责任较明确的得2分;分工、权责不明确的0分。
9、合同和信息管理3分。
有考核制度,责任到人,大型项目有专人管理,中小型项目有兼职人员,并采用计算机信息管理系统等现代化管理手段的3分;责任不到位,管理落后的0分;其它情况酌情得分。
10、仪器及办公设施3分。
满足工程需要的得3分;关键设备少1件扣1分,扣完3分为止。
(三)投标人资信45分1、投标人(18分)(1)同类工程业绩9分。
近5年监理过一项同类及以上工程,且竣工验收合格3分;该工程获国家级质量优良奖的加3分、省级质量优良奖的加2分、市级质量优良奖的加1分;该工程获国家级建筑安全标准化工地的加3分,省级安全文明标准化工地的加2分、市级安全文明标准化工地的加1分,获奖和安全文明工地加分均以最高分记,不累计。
监理招标评标细则
备注:1、监理大纲得分以每位评委的评分去掉一个最低分和一个最高分之后的平均得分;监理综合得分以监理大纲与其他得分汇总后合计得分。
2、综合得分最高者中标,如最高分出现并列时,由评标委员会抽签确定中标人;
3、监理人员各类证书、企业获奖证书、业绩证明材料均以扫描件为准(原件不需要带至开标现场);
4、相关人员的执业资格证书必须注册在本单位,否则不得分。
5、近三年是指2015年7月至今,以此类推。
6、获奖情况:需提供工程获奖证书或表彰文件或建设网下载的文件等证明材料,时间以获奖证书或表彰文件日期为准,当发证时间和发文时间不一致时,以发文时间为准;。
工程建设项目建设监理招标技术标书评分标准(施工、保修阶段)项目分数评分办法质量控制4质量目标分解、规划合理得1分;质量控制体系健全得1分;质量控制措施有效可靠得1分;控制手段先进完善得1分。
进度控制3工期总进度计划科学、优化,工期控制点设置合理得1.5分;控制措施与手段可靠有力得1.5分。
投资控制4风险预测与防范对策有效可行得1分;能抓住工程费用最易突破的环节,明确投资控制重点得1分;控制措施与手段健全得1分;能提出有效的合理化建议,降低工程投资得1分。
安全措施1安全保证体系健全、可靠得0.5分;安全事故控制措施得力,能有针对工程环境及工程特点、难点防范及化解安全事故的发生的措施得0.5分。
组织协调1组织协调内容具体、措施得力得1分。
合同管理1合同管理、控制措施合理全面得1分。
工作制度1验收制度、签证制度、会议制度等各项制度健全得满分,缺一项扣0.5分,扣完为止。
施工保修阶段合计15大型工程建设项目建设监理招标商务标书评标标准项目分数评标办法监理取费12报价在国家规定取费范围内按插值法计算标准以上者得满分,低于标准的,费率每降低0.1%扣3分,不足0.1%不计。
超出国家规定取费范围标书无效。
企业业绩24企业近五年来监理过的同等级以上类似工程的每个加5分,监理的工程获国家建设行政主管部门优良工程奖的每个加3分,获省级(含副省级)建设行政主管部门优良工程奖的每个加2分。
同一获奖工程只计最高奖项,为同等级以上类似工程的合同时计分。
最多加24分。
业绩11近五年来担任总监的工程为同等级以上类似工程的每个加3分,获国优的每个加2分,获省优(含副省级)得每个加1分。
同一获奖工程只计最高奖项,为同等级以上类似工程的可同时计分,最多加至11分。
总监理工程师答辩4项目总监当场回答评标委员会提出的2个问题,每题加2分,根据答辩情况酌情打分。
专业监理工程师16各专业监理工程师均为国家注册监理工程师(造价专业可为注册造价师)或为高级以上职称且有上岗证书,并具有同类工程业绩的满分。
评标标准和评标办法本项目评标采用综合评分法评标和定标,即投标人的监理大纲先进合理可行,响应招标文件要求,监理单位具备有效地履行本合同的信誉、能力、技术经验、人力、物力和财力,综合评分总分最高者中标。
评标小组分为商务标评委和技术标评委,分别对商务标和技术标进行独立评分。
如出现投标人总分相等时,以商务标得分高者为优。
具体办法如下:一、商务标 40分(一)投标报价(满分40分) 1、本次招标的监理费率报价有效范围:、本次招标的监理费率报价有效范围:2、报价评审,满分30分,具体办法标准如下:分,具体办法标准如下:投标文件通过符合性鉴定且投标报价费率在有效范围内,投标报价费率最低的得30分,与最低报价费率相比,报价费率每增加0.01﹪扣1分,得分计算公式:分,得分计算公式:30-(投标报价费率-最低投标报价费率)×100×100×1分。
分。
(分数计算四舍五入,取小数点后三位)。
(最多扣完30分)分)(二)资质条件分(满分4分)投标人具备房屋建筑工程监理甲级资质得2分;同时具备造价咨询资质加2分。
分。
(三)业绩、信誉分(满分6分)1、投标人通过ISO 质量管理体系认证的得1分,满分1分(提供证书复印件,(提供证书复印件,原件备原件备查)。
2、荣获全国工程监理机构政府放心单位荣誉的得3分,满分3分(提供证书复印件,原件备查)。
3、2010年以来完成以来完成或目前正在实施的工程造价为8000万元及以上房建项目监理业务的每项1分,满分2分(提供监理合同复印件,原件备查)。
二、技术标 60分(一)监理方案 21分1、方案中的“质量、投资、进度”三控制、合同与信息管理、组织协调及安全文明施工监理的监理措施,符合监理规范和国家有关法律法规的规定者,并能满足开展本项目监理工作需要的。
本项满分为16分。
分。
(1)质量控制的工作任务与方法(0~3分)分)(2)进度控制的工作任务与方法(0~3分)分)(3)投资控制的工作任务与方法(0~2分)分)(4)保证施工安全的监理控制措施(0~2分)分)(5)合同及信息管理工作任务与方法(0~2分)分)(6)组织协调的工作任务与方法(0~2分)分)(7)监理工作制度及廉洁自律措施(0~2分)分)2、监理方案能够针对本工程特点深入透彻分析本工程的监理重点及难点得4分。
一、概述为了确保监造招标工作的公正、公平、公开,提高招标效率,本评分标准依据《中华人民共和国招标投标法》及相关法律法规,结合监造项目的特点,对投标文件的技术部分进行评分。
本评分标准共分为五个部分,总分100分,各部分权重如下:1. 技术方案(40分)2. 项目团队(30分)3. 质量保证体系(20分)4. 资质与业绩(10分)5. 服务承诺(10分)二、技术方案(40分)1. 技术方案的科学性、合理性(10分)- 投标人应提供详细的技术方案,包括但不限于监造项目的技术要求、工艺流程、质量标准、安全措施等。
- 技术方案应符合国家相关法律法规、行业标准和规范要求。
- 评分标准:- 9-10分:技术方案科学合理,符合国家相关法律法规、行业标准和规范要求。
- 6-8分:技术方案基本科学合理,基本符合国家相关法律法规、行业标准和规范要求。
- 3-5分:技术方案存在较大偏差,不符合国家相关法律法规、行业标准和规范要求。
- 0-2分:技术方案不合理,严重不符合国家相关法律法规、行业标准和规范要求。
2. 技术方案的创新性(10分)- 投标人应提供技术方案的创新点,包括但不限于技术创新、管理创新、服务创新等。
- 评分标准:- 9-10分:技术方案具有显著创新性,对提高监造效率和项目质量具有积极作用。
- 6-8分:技术方案具有一定的创新性,对提高监造效率和项目质量有一定的积极作用。
- 3-5分:技术方案创新性不足,对提高监造效率和项目质量作用不大。
- 0-2分:技术方案缺乏创新性,对提高监造效率和项目质量无积极作用。
3. 技术方案的可行性(10分)- 投标人应提供技术方案的可行性分析,包括但不限于技术实施、人员配置、设备投入、成本控制等。
- 评分标准:- 9-10分:技术方案可行性高,实施过程中风险可控,成本合理。
- 6-8分:技术方案可行性较高,实施过程中风险基本可控,成本基本合理。
- 3-5分:技术方案可行性一般,实施过程中风险较大,成本较高。
一、前言为确保监理招标工作的公平、公正、公开,提高监理服务质量,本招标文件详细规定了监理招标评分的组成及标准。
本评分标准适用于本次监理招标项目,具体内容如下:二、监理招标文件分数组成监理招标文件总分100分,具体分数组成如下:1. 企业资质及业绩(30分)1.1 企业资质(10分)- 具有国家建设行政主管部门颁发的甲级监理资质(5分)- 具有国家建设行政主管部门颁发的乙级监理资质(3分)- 具有国家建设行政主管部门颁发的丙级监理资质(2分)1.2 企业业绩(20分)- 近三年承担过类似工程监理项目(10分)- 近三年承担过大型工程监理项目(5分)- 近三年承担过国家级工程监理项目(5分)2. 项目团队及人员(30分)2.1 项目团队(15分)- 项目总监具备一级注册建造师资格(5分)- 项目总监具备丰富的工程管理经验(5分)- 项目总监具备良好的沟通协调能力(5分)2.2 项目人员(15分)- 项目人员具备相应的专业资格证书(5分)- 项目人员具备丰富的工程实践经验(5分)- 项目人员具备良好的职业道德和敬业精神(5分)3. 监理方案及措施(20分)3.1 监理方案(10分)- 监理方案完整、合理、可行(5分)- 监理方案具有创新性、实用性(5分)3.2 监理措施(10分)- 监理措施具体、详细、全面(5分)- 监理措施具有针对性、可操作性(5分)4. 投标报价(20分)4.1 投标报价合理性(10分)- 投标报价符合市场行情(5分)- 投标报价具有竞争力(5分)4.2 投标报价透明度(10分)- 投标报价清晰、明了、无歧义(5分)- 投标报价符合招标文件要求(5分)三、评分标准及说明1. 企业资质及业绩:企业资质和业绩是监理企业综合实力的体现,也是保证监理服务质量的基础。
本部分满分30分,企业资质和业绩得分将直接影响投标人的综合得分。
2. 项目团队及人员:项目团队及人员是监理项目顺利实施的关键。
监理招标评分标准Chapter 10 n Criteria1.The principle of openness。
fairness。
and impartiality shall be followed。
and the bid XXX.2.The XXX with the law。
consisting of 7 members.3.XXX XXX.4.XXX with a building area of over 50,000 square meters (including 50,000 square meters) or more.5."Recent three years" in this XXX to the three years before the opening of this project.6.In this n process。
numbers XXX decimal places。
rounded to the third decimal place。
XXX (including the XXX) XXX.7.XXX。
XXX.8.XXX project.9.Scoring Criteria: No.XXXScoring Method5.Change Control25 points6.Key Process Control7.n XXX4.Investment Control3.Progress Control1.XXX.2.Quality ControlThe content of quality control measures is comprehensive。
the workflow is appropriate。
and the plan is targeted for this project.The content of progress control measures is comprehensive。
第十章评标标准
一、遵循公开、公平、公正的原则,采用综合评审按得分高低选择中标人。
二、评委由招标人依法组建,评委由7人组成。
三、评标采用百分制。
投标文件必须满足招标文件要求且资格审查合格后方可进入打分阶段。
四、本次评标过程中的类似工程均应理解为单项房建工程或小区住宅工程,且建筑面积在5万平方米以上(含5万平方米)的房屋建筑工程。
五、本次评标过程中的“近三年”均指从本工程开标之日起往前追溯三年。
六、本次评标过程中数字涉及小数的除特殊举例注明外均保留小数点后两位,第三位四舍五入,第四位以后舍去(含第四位)。
七、评标细则中涉及到的原件部分均需提供原件,否则不得分。
八、违反本评标标准的评标结果无效,本评标标准和本招标文件最终解释权属本工程招标人。
九、评分细则
评分细则
十、定标原则:根据综合评分结果,得分最高的为第一中标候选人,得分次高的为第二中标候选人,以此类推。
当中标人综合得分相同时,则由招标人代表现场抽签确定排序。