硬件设备参数详细清单.doc
- 格式:doc
- 大小:430.00 KB
- 文档页数:14
设备参考清单及主要参数需求一、设备及辅材参考清单说明:1、清单中未明确的数量由各公司在现场踏勘时自行确定。
2、各公司选用的设备品牌不得低于清单中规定的品牌,UPS 主机、STS需取得设备原厂授权书。
二、主要参数需求:UPS电源主机技术参数1.容量30KVA,塔式,三进三出,输入电压: 380VAC(-45%到+25%);输入频率 45HZ- 65HZ2.整流器指标:整流器应采用IGBT整流,电压精度:±1%,输入功率因数PF>0.99;对电网辐射的电流谐波含量THDi<3%、THDV<2%3.逆变器指标:逆变器应采用IGBT逆变,电压稳态精度:±1%4.输出电流峰值系数≥3:1;5.要求UPS主机输出功率因数≥0.9;6. 满载时整机效率≥94%;7. 并机能力:具有多台N+X直接并联工作及负载均分性能,并机数量≥4。
8.瞬变响应恢复时间:从输出电压发生阶跃变化起到恢复到稳压精度范围内时止所需要的时间 20ms。
9.市电电池切换时间应为0;10. ★UPS在安装调试完毕正式投运前做30KVA UPS满负载带载测试实验,且为及时掌握电池的后备延时情况,后期需每个季度做一次测试实验,实验所有设备和费用由投标商承担,若UPS电源主机自身需不自带假负载测试技术应于投标清单内加上假负载相关设备及所有测试设备。
11. ★电池组智能管理功能:应具有对蓄电池进行定期自动充放电功能,确保电池活性,并可延长电池使用寿命;要求对该功能的运行原理进行详细描述。
12. 为确保产品质量可靠及稳定性,要求UPS主机必须投入市场运行不低于3年及以上,并提供投标UPS产品系列的泰尔认证证书复印件(复印件上需加盖制造厂商的鲜章);13. ★设备应能提供全中文监控及操作界面和全中文远程监控管理界面,应提供全中文显示的LCD显示器,能够显示输入输出电池电压、电流和相关运行状态以及故障告警信息等;系统应具备RS232或RS485/422,并提供与通信接口配套使用的通信线缆和各种告警信号输出端子,并接入与现有31楼新建机房动力环境监控管理平台进行统一监控管理。
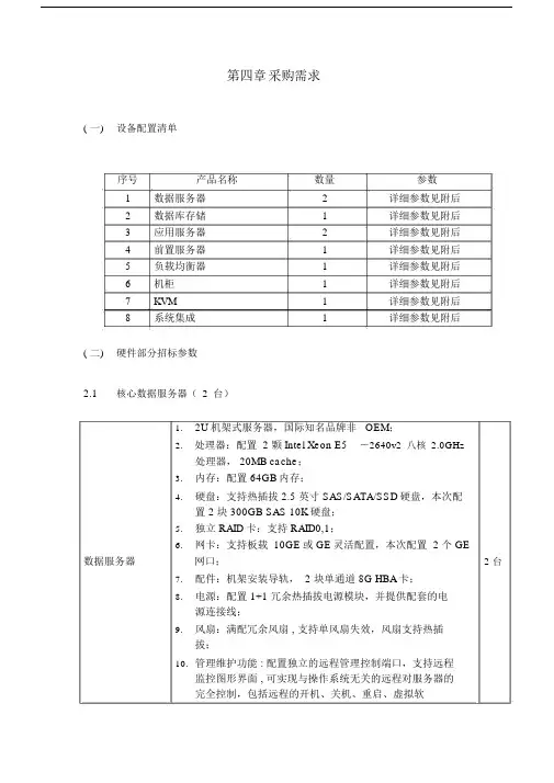
第四章采购需求( 一)设备配置清单序号产品名称数量参数1数据服务器2详细参数见附后2数据库存储1详细参数见附后3应用服务器2详细参数见附后4前置服务器1详细参数见附后5负载均衡器1详细参数见附后6机柜1详细参数见附后7KVM1详细参数见附后8系统集成1详细参数见附后( 二)硬件部分招标参数2.1核心数据服务器(2台)1.2U机架式服务器,国际知名品牌非 OEM;2.处理器:配置 2 颗 Intel Xeon E5-2640v2八核2.0GHz处理器, 20MB cache;3.内存:配置 64GB内存;4.硬盘:支持热插拔 2.5 英寸 SAS/SATA/SSD硬盘,本次配置 2 块 300GB SAS 10K硬盘;5.独立 RAID卡:支持 RAID0,1;6.网卡:支持板载 10GE或 GE灵活配置,本次配置 2 个 GE数据服务器网口; 2 台7.配件:机架安装导轨, 2 块单通道 8G HBA卡;8.电源:配置 1+1 冗余热插拔电源模块,并提供配套的电源连接线;9.风扇:满配冗余风扇 , 支持单风扇失效,风扇支持热插拔;10.管理维护功能 : 配置独立的远程管理控制端口,支持远程监控图形界面 , 可实现与操作系统无关的远程对服务器的完全控制,包括远程的开机、关机、重启、虚拟软驱、虚拟光驱等操作;11.提供原厂 3 年质保承诺函;2.2数据库存储(1台)序号1指标项设备要求配置及技术参数要求厂家自主研发,拥有完整知识产权,非OEM产品2架构环境★SAN架构存储系统,支持 FC-SAN、IP-SAN;标准 2U机架式,单台最大硬盘数量18个驱动器,最大容量3设备概述108TB双控双活控制器,两个控制器均可为存储请求提供服务,实4控制器架构★现其他品牌提供的主动 / 被动结构系统的双倍性能缓存 8GB(每控制器 4GB),提供 Cache保护措施,支持数据写5控制器缓存入磁盘保护6读写性能★顺序读写能力需分别达到2800MB/s和1600MB/sCache断电保护支持数据缓存断电保护,保证电源长期中断后缓存数据不丢7失,备用电池支援的缓存容量每个控制器上的两个RISC引擎★共享每控制器支持接口类型及数量 4个千兆 iSCSI 接口, 4个 8GbFC接口支持类型接口, 4个万兆 iSCSI 接口, 4个 6Gb SAS接口,支持混合 FC 光8★纤口和网口在同一套系统中同时工作。
计算机硬件购买清单【范本模板】以下是一份计算机硬件购买清单的范本模板,您可以根据实际需求进行修改和补充:1. 处理器(CPU)- 品牌:Intel/AMD- 型号:i7-10700K / Ryzen 9 3900X- 数量:12. 主板(Motherboard)- 品牌:ASUS/MSI- 型号:Z490 Premium / X570-TOMAHAWK- 数量:13. 内存(RAM)- 品牌:Corsair/G.Skill- 型号:DDR4 3200MHz 16GB(8GBx2)- 数量:14. 显卡(GPU)- 品牌:NVIDIA/AMD- 型号:RTX 3070 / RX 6700 XT- 数量:15. 固态硬盘(SSD)- 品牌:Samsung/西部数据- 型号:970 EVO Plus 1TB / Black SN750 1TB - 数量:16. 机械硬盘(HDD)- 品牌:Seagate/希捷- 型号:2TB 7200RPM- 数量:17. 电源(PSU)- 品牌:EVGA/Corsair- 型号:750 G5 / RM750x- 数量:18. 机箱(Case)- 品牌:NZXT/Fractal Design- 型号:H510 / Meshify C- 数量:19. 散热器(Cooler)- 品牌:Noctua/Be Quiet!- 型号:NH-D15 / Dark Rock Pro 4 - 数量:110. 显示器(Monitor)- 品牌:ASUS/Dell- 型号:27寸 2K分辨率 IPS面板- 数量:111. 键盘(Keyboard)- 品牌:Logitech/Corsair- 型号:G413 / K65 RGB- 数量:112. 鼠标(Mouse)- 品牌:Razer/Logitech- 型号:DeathAdder V2 / G Pro Wireless - 数量:113. 声卡(Sound Card)- 品牌:ASUS/Creative- 型号:Xonar AE-9 / Sound Blaster AE-9 - 数量:114. 音箱(Speakers)- 品牌:JBL/Bose- 型号:2.1声道音箱- 数量:115. 网络设备(Network Equipment)- 品牌:TP-Link/Netgear- 型号:无线路由器 + 交换机- 数量:1请根据您的需求和预算,对上述清单进行调整。
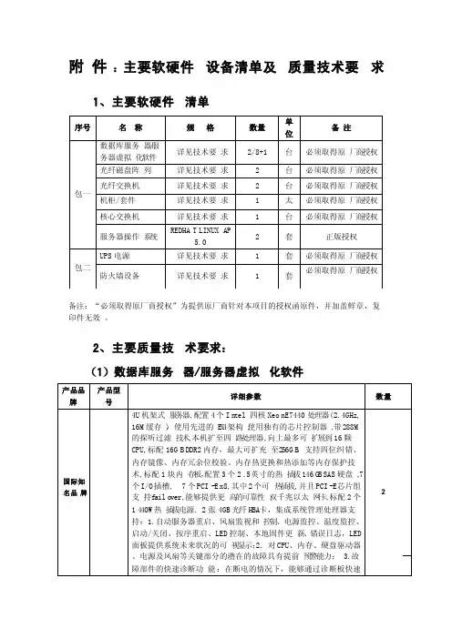
附件:主要软硬件设备清单及质量技术要求1、主要软硬件清单备注:“必须取得原厂商授权”为提供原厂商针对本项目的授权函原件,并加盖鲜章,复印件无效。
2、主要质量技术要求:(1)数据库服务器/服务器虚拟化软件(2)全光纤磁盘阵列系统(3)光纤交换机(4)机柜及套件:(5)核心交换机:服务器操作系统REDHAT LINUX AP 5.0(6)UPS电源系统:(1)要求UP S供电系统为机架式、模块化、热插拔式设计,降低维修时间。
(2).模块智能化功率动态调整技术(3).系统可随需设定为1/1、3/1或3/3的进出线方式(4).采用无主从N+X冗余并机,可根据你需求进行在线升级扩容(5).模块具有功率因素修正电路(PFC)可大大降低总谐波失真((THD)(6).所有功率模块可共享电池组(7).任一功率模块均具有输入、输出电流平均分配功能(8).整机效率大于95%,逆变电流谐波(THDI)小于5%,输入功率因数(PF)大于0.99(9).交流输入采用连续电流模块(CCM)运行,减少对电网干扰(RFI/EMI)(10).可在系统上装置输入、输出隔离变压器(11).当某一工作模块出现故障时,系统也可自动启动相应容量待机模块(12).两台模块之间不需通信用电缆,减少了故障率(13).系统可根据实际负载量自定义冗余模块数量,并使冗余模块处于在线待机状态(14).按序自动分配模块负载电流,确保工作始终保持96%效率(15).系统电池智能检测技术,采用BTM(batter y temper ature manage)智能充电器设计方案(16).高速16位D SP微控制器组成系统监控器,电路结构简单,可靠性高(17).240×64及以上点阵式液晶显示器,显示清晰靓丽(18).系统可接收两组AC输入●系统技术指标要求●系统结构:模块式冗余并联结构,可在线更换●输入电压三相单相可调●输入电压范围:380Vac/220Vac±25%●输入频率:50Hz±5Hz●输入功率因数100%负载时≧0.99●输入谐波电流≤5%●输出电压380/220Vac±1%(静态)●输出频率: 50Hz±0.1Hz(电池模式)●频率同步范围50Hz±2Hz●输入总电压谐波失真:满载效率: ≦3%●输出总电压谐波失真:≦1%(线性负载)≦3%(非线性负载)●旁路输入范围380Va c/220Vac±10%●直流工作电压范围334Vdc~±442Vdc●充电限流:自动限流●系统功率因子:0.8●转换时间:0ms●过载能力:110%60min125% 15min150% 60sec1000% 1sec●整机效率:≧96%(AC-AC满载)●显示:LCD/LED●冷却方式:风冷●噪音:≦50db(距机≧1m)●通信接口:RS232/RS422/RS485/SNMP●防护等级:IP30●运行环境温度:-5℃-40℃●系统总容量:8KVA---50KVA●目前系统要求总容量:8KVA●UPS电池:同一品牌原装电池●UPS及电池支持时间:4小时(7)服务器操作系统REDHAT LINUX AP 5.0(8)安全网关项目:千兆UTM统一安全网关。
设备清单量及技术参数一览表1 8口KVM切换器分辨率:1280x1024,接口数:8端口,切换方式:OSD 菜单,热键,功能键,输入输出接口:VGA,PS/2,带宽:200MHz,工作温度:0-50℃,工作湿度:10-85%,电源电压:5V DC台 12 42U机柜42U,1000mm*600mm*1000mm,符合ANSI/EIA RS-310-D、IEC297-2、DIN41491;PART1、DIN41494;PART7、GB/T3047.2-92标准;兼容ETSI标准,弧形高密度六角网孔前门及高密度六角网孔后门,前后为圆形通风孔的上下框,SPCC优质冷扎钢板制作;厚度:方孔条2.0mm,其他1.2mm,表面处理:脱脂、酸洗、磷化、静电喷塑,最大静载达800KG。
个 23 8孔PDU电源分配器额定输入电压:220V,最大输入电流:16A,8位万用孔,输出电流:10A,工作温度:0-45℃,最大功率6000W,SPD防雷防浪涌模块,5年质保。
个 44 小型机房空调详细要求见后附表★须提供产品彩页并加盖厂家公章台 15 核心交换机三层交换机,4U机架式。
24个千兆以太网电接口,背板带宽:576Gbps,包转发率:288Mpps,电源电压:AC 100-240V,50-60Hz,最大功率63W,Console口》1,千兆光接口》2,千兆电接口模块》4,万兆光接口模块》2,支持802.1Q VLAN,支持QOS,支持可控组播,支持本地命令行CLI、远程Telnet、标准SNMP、图形化NetNumen、集群管理ZGMP(命令行模式、图形模式),支持SSHv2.0,支持用户网管本地、远程认证,支持MAC地址过滤、MAC地址捆绑、广播、组播、单播报文抑制、端口限速。
★要求设备生产商具有TL9000通信行业质量证书★支持无线AP管理功能,与防火墙同一品牌,须提供产品彩页并加盖厂家公章台 16 网络服务器★基于Intel Romley架构的1U标准机架式服务器★主板集成flash芯片,集成三口千兆网卡,可记录所有驱动程序,无需光盘引到安装。