数控车日常点检记录表
- 格式:xls
- 大小:219.00 KB
- 文档页数:2
月保养项目日期
12345678910111213141516171819202122232425262728293031检查传动系统是否正常、无异响 检查主轴、刀架、XZ方向运行是否正常安全部分检查防护门等安全装置的有效性
检查主轴电机、伺服电机是否正常无异响各启动、停止开关是否完好
各散热风机是否正常、控制电气正常无异响机床电压、电流是否正常
冷却部分冷却水供应正常,无漏水润滑部分检查润滑系统的油量、压力,供油间隔时间设备卫生保持设备干净、导轨及工作台保持清洁
异常情况
记录
设备日常保养点检记录
设备名称:数控车床
设备编号:机修工签名
注:1、保养员工必须每天对设备进行认真检查,没有故障或问题打“√”,有故障或问题打“×”,停机状况打“o”,如有故障,立即与上级主管联系!
机械部分
电器部分
2019年1
2、此表为设备点检档案,设备保养人员认真填写,并妥善保管。
数控车床日常点检表
简介
数控车床是一种精密加工设备,它的日常维护和点检对于保证设备的正常运行和延长设备的使用寿命至关重要。
本文将提供一个数控车床日常点检表供大家参考。
点检表
1. 外观检查
•检查机床的外观是否完整,有无损坏。
•检查各零部件是否齐全,包括准备配件(夹具、刀具、量具等)。
•检查各装配部分的紧固状况,如螺丝、销钉、卡圈等是否松动或丢失。
2. 润滑检查
•检查机床各润滑点是否充足,润滑油是否清洁。
•检查润滑盘的润滑油量是否足够充足。
3. 电气检查
•检查机床电气元件是否有松动接触、氧化、断裂等现象。
•检查机床电源、电缆及插头、开关是否正常。
•检查数控系统各个部分及接口的电气连线是否松动。
4. 驱动检查
•手动操作各个轴,检查轴的运动是否平稳、无卡滞现象。
•检查各个轴的行程限制开关是否正常。
5. 检查数控系统
•检查数控机床各种模式切换是否正常,包括手动、自动、MDI等模式。
•检查各自动工作程序是否正常,其运行轨迹、运行速度是否合理。
注意事项
•在进行点检之前,必须确保数控车床电源已经断开,各轴已经复位,床面上不得有余料和零件。
•在进行点检过程中,必须做到仔细认真、认真检查,不得漏检。
总结
数控车床日常点检工作十分重要,其作用不仅在于保障数控车床的正常运行和延长使用寿命,同时也对于人身安全具有重要作用。
点检人员要具备一定的专业知识和操作能力,能够准确地找出问题并及时处理,为机床提供有效的保障。
(
数控车床)设备日常点检
表
( 2017 年月)
设备编号:操作人员维修人员
型号:
维护情况日
期
维护项目
01 02 03 04 05 06 07 08 09 10 11 12 13 14 15 16 17 18 19 20 21 22 23 24 25 26 27 28 29 30 31 1、电器系统
是否工作正常。
操作箱面板各开关是否完好,电机是否有异响,各指示灯是否正常。
电气箱冷却风扇是否运转。
电线、电缆有无破损。
2、各行程开
关是否灵活、
准确。
各系统,各方向行程开关,极限保护开关是否灵活,安全装置是否正常。
3、液压油、
润滑油油质、油量是否符合要求。
主液压站压力是否正常,主轴油箱、油窗、导轨油箱、冷却油箱是否充足。
油水分离器排水加油。
冷却液是否合适,检查油盘过滤器。
4、机床各项
参数是否正确。
操作系统里的参数是否改动,主轴冷却空调温度是否正常。
机床的加工精度是否在规定内。
导轨润滑压力:0.8-1.5Mpa
5、是否有滴
管路、机床外观是否有漏油,漏气,电器打火现象。
皮带的张进力是否合适有无裂纹或刮伤。
设计类别数控机床设备编号1234567891011121314151、开机是否正常
2、设备有无异状
月维护部门:主管审核:
点 检 项 目
3、油箱及润滑装置的油质,油量安全装置及电源等
是否良好.
4、切断电源,清扫擦试设
备,清理工作场地,保持设
备及所附工具清洁
保养2、底地清洗设备,清除油
污
保养人:
5、检查并紧固全部日保养周保
养6、全面查看安全防
保养人:
1、认真清扫控制柜
2、检查,清洗或更
3、检查全部按扭和
4、检查全部电磁铁( ) 月 份
保养人:
点检项目
点 检 状 况1、在每周末和节假日前,
用1-2H较彻
第一周第二周第三周第四周第五周设备日常维护保养点检记录表
设备型号产
16171819202122232425262728293031表格编号:点 检 状 况
点 检 项 目固全部电缆接头并杳看有无腐蚀,破损。
安全防护设施是否完整牢固。
控制柜台内部是否清洁
洗或更换通风系统的空气滤清器是否良好。
按扭和指示灯是否正常。
电磁铁和限位开关是否正常。
份 点 检 状 况
记录表
产地
购买日期。
设备名称12345678910111213141516171819202122232425262728293031123456789备注1、点检结果为:√代表合格;×代表不合格;2、特殊保养、修理项目请在第7、8栏内加以说明;3、如机台因各种原因而未使用,则用“△”表示项
次检查內容
故障简述处理对策结果故障简述处理对策结果检查电气柜各散热通风装置 各电气柜冷却风扇工作正常,风道过滤网无堵塞
检查各种防护装置 导轨、机床防护罩等应无
松动、漏水检查各电气柜过滤网 清洗各电气柜过滤网
检查冷却油箱、水箱 随时检查液面高度,及
时添加油或水,太脏时需要更换清洗油箱、水
箱和过滤器
检查排屑器有无卡住等,经常清理切屑
点检人员确认
处检查及其判定结果检查导轨润滑油箱油标、油量,及时添加润滑
油,润滑泵能及时启动打油及停止。
清除X、Z轴向导轨面切屑及脏物,检查润滑油是否充实,导轨面有无划伤损坏
检查气动控制系统压力,应在正常范围
检查机床液压系统 油箱、油泵无异常噪音,
压力表指示正常,管路及各接头无泄露,工作
油面高度正常
数控车床日常保养点检表
日期: 年 月
数控车床设备编号检查周期每天发现问题处解决问题。
数控车床日常点检表
为了确保数控车床的正常运行和延长使用寿命,进行日常点检是必不可少的。
下面是数控车床日常点检表,供大家参考。
机床外观
•☐检查机床外观是否完好无损
•☐检查机床是否有异味或异响
•☐检查机床上的电源是否处于稳定状态
润滑系统
•☐检查润滑系统的油位是否充足
•☐检查润滑油的颜色是否正常
•☐检查润滑系统是否泄漏
•☐检查润滑系统的油管是否破损或老化
输送系统
•☐检查输送系统的工作状态是否正常
•☐检查输送系统的链轮和链条是否松动或老化
•☐检查输送系统的胶带是否移位或有磨损现象
•☐检查输送系统的电气元件是否处于良好状态
主轴系统
•☐检查主轴系统的工作状态是否正常
•☐检查主轴系统是否存在异响或震动
•☐检查主轴系统的温度是否正常
•☐检查主轴系统的夹具是否牢固
其他部分
•☐检查进给系统、主轴驱动、变速箱等部分是否正常工作
•☐检查电气系统的接线是否安全可靠
•☐检查控制系统的程序是否正确
•☐检查工件的定位是否准确
注意事项
•在点检前,必须先了解设备的相关资料和操作规程
•点检时应关闭设备电源,并带上绝缘手套和防护眼镜
•如发现问题应及时进行记录,并进行排除处理
•点检周期应根据机床的使用情况和维护保养计划进行安排以上就是数控车床日常点检表的内容,希望对大家有所帮助。
保养人: 年 月 日保养项目日期
123456789101112131415161718192021222324252627282930
检查传动系统是否正常、无异响检查主轴、刀架、XZ方向运行是否正常
安全部分检查防护门等安全装置的有效性
检查主轴电机、伺服电机是否正常无异响
各启动、停止开关是否完好
各散热风机是否正常、控制电气正常无异响
机床电压、电流是否正常
冷却部分
冷却水供应正常,无漏水润滑部分
检查润滑系统的油量、压力,供油间隔时间设备卫生保持设备干净、导轨及工作台保持清洁
机修工签名
车间主任签名
注:1、保养员工必须每天对设备进行认真检查,没有故障或问题打“√”,有故障或问题打“×”,停机状况打“o”,如有故障,立即与上级主管联系!
2、此表为设备点检档案,设备保养人员认真填写,并妥善保管。
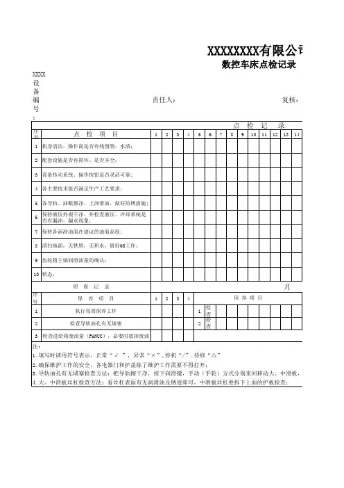
XYRS023-03 Rev: 1/A 设备名称:设备编号:芜湖鑫业汽车零部件有限公司
数控车床日常保养点检记录
机械部分
电器部分
日。