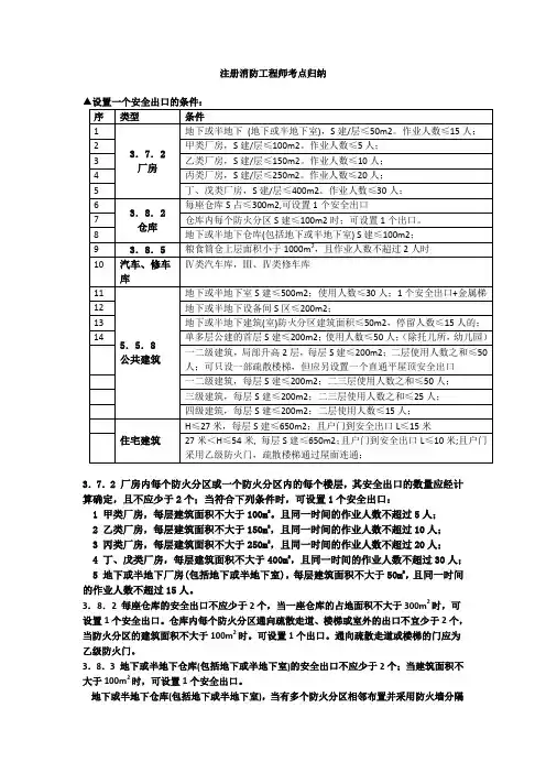
一个防火分区设一个安全出口的条件
- 格式:docx
- 大小:20.84 KB
- 文档页数:3
注册消防工程师考点归纳▲设置一个安全出口的条件:3.7.2 厂房内每个防火分区或一个防火分区内的每个楼层,其安全出口的数量应经计算确定,且不应少于2个;当符合下列条件时,可设置1个安全出口:1 甲类厂房,每层建筑面积不大于100m2。
且同一时间的作业人数不超过5人;2 乙类厂房,每层建筑面积不大于150m2,且同一时间的作业人数不超过10人;3 丙类厂房,每层建筑面积不大于250m2,且同一时间的作业人数不超过20人;4 丁、戊类厂房,每层建筑面积不大于400m2,且同一时间的作业人数不超过30人;5 地下或半地下厂房(包括地下或半地下室),每层建筑面积不大于50m2,且同一时间的作业人数不超过15人。
3.8.2 每座仓库的安全出口不应少于2个,当一座仓库的占地面积不大于300m2时,可设置1个安全出口。
仓库内每个防火分区通向疏散走道、楼梯或室外的出口不宜少于2个,当防火分区的建筑面积不大于100m2时。
可设置1个出口。
通向疏散走道或楼梯的门应为乙级防火门。
3.8.3 地下或半地下仓库(包括地下或半地下室)的安全出口不应少于2个;当建筑面积不大于100m2时,可设置1个安全出口。
地下或半地下仓库(包括地下或半地下室),当有多个防火分区相邻布置并采用防火墙分隔时,每个防火分区可利用防火墙上通向相邻防火分区的甲级防火门作为第二安全出口,但每个防火分区必须至少有1个直通室外的安全出口。
3.8.5 粮食筒仓上层面积小于1000m2,且作业人数不超过2人时,可设置1个安全出口。
5.5.5 除人员密集场所外,建筑面积不大于500m2、使用人数不超过30人且埋深不大于10m的地下或半地下建筑(室),当需要设置2个安全出口时,其中一个安全出口可利用直通室外的金属竖向梯。
除歌舞娱乐放映游艺场所外,防火分区建筑面积不大于200m2的地下或半地下设备间、防火分区建筑面积不大于50m2且经常停留人数不超过15人的其他地下或半地下建筑(室),可设置1个安全出口或1部疏散楼梯。
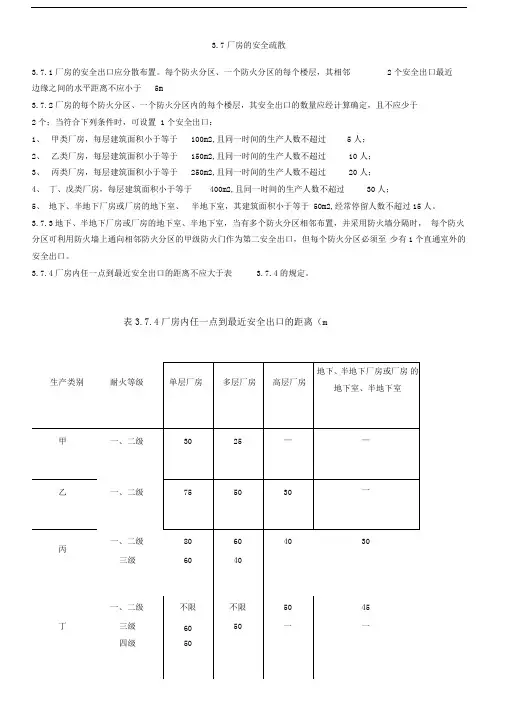
3.7 厂房的安全疏散3.7.1 厂房的安全出口应分散布置。
每个防火分区、一个防火分区的每个楼层,其相邻2 个安全出口最近边缘之间的水平距离不应小于5m。
3.7.2 厂房的每个防火分区、一个防火分区内的每个楼层,其安全出口的数量应经计算确定,且不应少于2个;当符合下列条件时,可设置1 个安全出口:1、甲类厂房,每层建筑面积小于等于100m2,且同一时间的生产人数不超过5 人;2、乙类厂房,每层建筑面积小于等于150m2,且同一时间的生产人数不超过10 人;3 、丙类厂房,每层建筑面积小于等于250m2,且同一时间的生产人数不超过20 人;4、丁、戊类厂房,每层建筑面积小于等于400m2,且同一时间的生产人数不超过30 人;5 、地下、半地下厂房或厂房的地下室、半地下室,其建筑面积小于等于50m2,经常停留人数不超过15 人。
3.7.3 地下、半地下厂房或厂房的地下室、半地下室,当有多个防火分区相邻布置,并采用防火墙分隔时,每个防火分区可利用防火墙上通向相邻防火分区的甲级防火门作为第二安全出口,但每个防火分区必须至少有1 个直通室外的安全出口。
3.7.4 厂房内任一点到最近安全出口的距离不应大于表3.7.4 的规定。
3.7.5 厂房内的疏散楼梯、走道、门的各自总净宽度应根据疏散人数,按表3.7.5 的规定经计算确定。
但疏散楼梯的最小净宽度不宜小于1.1m,疏散走道的最小净宽度不宜小于1.4m,门的最小净宽度不宜小于0.9m。
当每层人数不相等时,疏散楼梯的总净宽度应分层计算,下层楼梯总净宽度应按该层或该层以上人数最多的一层计算。
首层外门的总净宽度应按该层或该层以上人数最多的一层计算,且该门的最小净宽度不应小于1.2m。
3.7.6 高层厂房和甲、乙、丙类多层厂房应设置封闭楼梯间或室外楼梯。
建筑高度大于32m 且任一层人数超过10 人的高层厂房,应设置防烟楼梯间或室外楼梯。
室外楼梯、封闭楼梯间、防烟楼梯间的设计,应符合本规范第7.4 节的有关规定。
消防安全出口设置要求1. 总则消防安全出口是指在火灾等紧急情况下,供人员疏散逃生和救援的通道和设施。
它的设置和维护对于建筑物的火灾安全至关重要。
根据国家相关法律法规的规定,以下是对消防安全出口设置的要求。
2. 设计要求(1)数量和位置:建筑物应根据建筑的性质、高度、使用功能和人员密度等因素合理设置消防安全出口。
一般情况下,每个楼层至少应设置2个疏散通道,且应均匀分布在建筑物的周边或主要人员集中区域。
(2)尺寸和结构:消防安全出口的通道宽度应满足人员疏散的需要,一般要求不小于1.2米。
出口门的宽度应根据人员密度和疏散需求确定,一般不小于0.9米。
同时,出口门应向外开启,便于人员疏散。
(3)照明和标识:消防安全出口应设置相应的照明设施,以确保火灾时人员能够快速找到出口。
同时,出口处应设置醒目的标识,包括“疏散通道”、“出口”等字样。
(4)通风和疏散导向:消防安全出口通道应具有良好的通风条件,以保证人员疏散时不会受到烟雾和有害气体的影响。
通道内应设置明显的疏散导向标识,为人员指引逃生方向。
3. 使用要求(1)禁止占用:任何时候,消防安全出口都不得被用作其他用途,如临时堆放物品、停放车辆等。
保持通道畅通,确保人员疏散通畅。
(2)定期检查和维护:建筑物管理单位应定期对消防安全出口进行检查和维护,确保通道畅通,门窗灵活可开。
一旦发现异常,应立即进行维修和处理。
(3)建筑物管理规范:建筑物管理单位应建立健全的消防安全管理制度,包括定期组织演练、消防设施的维护保养等工作,确保消防安全出口的有效使用。
4. 管理和监督(1)相关部门监督:建设部门、消防部门等相关部门应加强对建筑物消防安全出口的监督检查,确保其符合相关法律法规和标准要求。
(2)建筑物管理单位自查:建筑物管理单位应自觉加强对消防安全出口的管理和维护,积极配合相关部门的监督检查工作,及时处理发现的问题。
(3)违规处罚:对于发现违反消防安全出口设置要求的行为,相关部门应依法进行处罚,督促其整改并提升消防安全管理水平。
安全出口设置的基本要求(一)安全出口设置的基本要求1.每座建筑或每个防火分区的安全出口数目不应少于2个,每个防火分区相邻2个安全出口或每个房间疏散出口最近边缘之间的水平距离不应小于5.0m。
安全出口应分散布置,并应有明显标志。
二级耐火等级的公共建筑内,当一个防火分区的安全出口全部直通室外确有困难时,符合下列规定的防火分区可利用设置在相邻防火分区之间的甲级防火门作为安全出口。
(1)应采用防火墙与相邻防火分区进行分隔。
(2)该防火分区的建筑面积大于1000㎡时,直通室外的安全出口数量不应少于2个;该防火分区的建筑面积小于或等于1000㎡时,直通室外的安全出口数量不应少于1个。
(3)该防火分区通向相邻防火分区的疏散净宽度,不应大于计算所需总净宽度的30%。
公共建筑安全出口的设置要求当符合下列条件之一时,可设置1个安全出口:1.除托儿所、幼儿园外,建筑面积不大于200㎡且人数不超过50人的单层建筑或多层建筑的首层。
2.除医疗建筑、老年人建筑及托儿所、幼儿园的儿童用房和儿童游乐厅等儿童活动场所和歌舞娱乐放映游艺场所等,符合下表规定的2、3层建筑。
公共建筑可设置一个安全出口的条件3. 一、二级耐火等级公共建筑,当设置不少于2部疏散楼梯且顶层局部升高层数不超过2层、人数之和不超过50人、每层建筑面积不大于200㎡时,该局部高出部位可设置一部与下部主体建筑楼梯间直接连通的疏散楼梯,但至少应另设置一个直通主体建筑上人平屋面的安全出口,该上人屋面应符合人员安全疏散要求。
4.相邻两个防火分区(除地下室外),当防火墙上有防火门连通,且两个防火分区的建筑面积之和不超过规范规定的一个防火分区面积的1.40倍的公共建筑。
5.公共建筑中位于两个安全出口之间的房间,当其建筑面积不超过60㎡时,可设置一个门,门的净宽不应小于0.9m;公共建筑中位于走道尽端的房间,当其建筑面积不超过75㎡时,可设置一个门,门的净宽不应小于1.40m。
3.7 厂房的安全疏散3.7.1 厂房的安全出口应分散布置。
每个防火分区、一个防火分区的每个楼层,其相邻2 个安全出口最近边缘之间的水平距离不应小于5m。
3.7.2 厂房的每个防火分区、一个防火分区内的每个楼层,其安全出口的数量应经计算确定,且不应少于2个;当符合下列条件时,可设置1 个安全出口:1、甲类厂房,每层建筑面积小于等于100m2,且同一时间的生产人数不超过5 人;2、乙类厂房,每层建筑面积小于等于150m2,且同一时间的生产人数不超过10 人;3 、丙类厂房,每层建筑面积小于等于250m2,且同一时间的生产人数不超过20 人;4、丁、戊类厂房,每层建筑面积小于等于400m2,且同一时间的生产人数不超过30 人;5 、地下、半地下厂房或厂房的地下室、半地下室,其建筑面积小于等于50m2,经常停留人数不超过15 人。
3.7.3 地下、半地下厂房或厂房的地下室、半地下室,当有多个防火分区相邻布置,并采用防火墙分隔时,每个防火分区可利用防火墙上通向相邻防火分区的甲级防火门作为第二安全出口,但每个防火分区必须至少有1 个直通室外的安全出口。
3.7.4 厂房内任一点到最近安全出口的距离不应大于表3.7.4 的规定。
3.7.5 厂房内的疏散楼梯、走道、门的各自总净宽度应根据疏散人数,按表3.7.5 的规定经计算确定。
但疏散楼梯的最小净宽度不宜小于1.1m,疏散走道的最小净宽度不宜小于1.4m,门的最小净宽度不宜小于0.9m。
当每层人数不相等时,疏散楼梯的总净宽度应分层计算,下层楼梯总净宽度应按该层或该层以上人数最多的一层计算。
首层外门的总净宽度应按该层或该层以上人数最多的一层计算,且该门的最小净宽度不应小于1.2m。
3.7.6 高层厂房和甲、乙、丙类多层厂房应设置封闭楼梯间或室外楼梯。
建筑高度大于32m 且任一层人数超过10 人的高层厂房,应设置防烟楼梯间或室外楼梯。
室外楼梯、封闭楼梯间、防烟楼梯间的设计,应符合本规范第7.4 节的有关规定。
3.7厂房的安全疏散3.7.1厂房的安全出口应分散布置。
每个防火分区、一个防火分区的每个楼层,其相邻2个安全出口最近边缘之间的水平距离不应小于5m3.7.2厂房的每个防火分区、一个防火分区内的每个楼层,其安全出口的数量应经计算确定,且不应少于2个;当符合下列条件时,可设置 1个安全出口:1、甲类厂房,每层建筑面积小于等于100m2,且同一时间的生产人数不超过5人;2、乙类厂房,每层建筑面积小于等于150m2,且同一时间的生产人数不超过10人;3、丙类厂房,每层建筑面积小于等于250m2,且同一时间的生产人数不超过20人;4、丁、戊类厂房,每层建筑面积小于等于400m2,且同一时间的生产人数不超过30人;5、地下、半地下厂房或厂房的地下室、半地下室,其建筑面积小于等于 50m2,经常停留人数不超过15人。
3.7.3地下、半地下厂房或厂房的地下室、半地下室,当有多个防火分区相邻布置,并采用防火墙分隔时,每个防火分区可利用防火墙上通向相邻防火分区的甲级防火门作为第二安全出口,但每个防火分区必须至少有1个直通室外的安全出口。
3.7.4厂房内任一点到最近安全出口的距离不应大于表 3.7.4的规定。
32m 且任一层人数消防电梯可与客、2个安全出口最近一、二级不限 不限 75 60 戊三级 10075一一四级603.7.5厂房内的疏散楼梯、走道、门的各自总净宽度应根据疏散人数,按表 3.7.5的规定经计算确定。
但 疏散楼梯的最小净宽度不宜小于1.1m ,疏散走道的最小净宽度不宜小于1.4m,门的最小净宽度不宜小于0.9m。
当每层人数不相等时,疏散楼梯的总净宽度应分层计算,下层楼梯总净宽度应按该层或该层以上人 数最多的一层计算。
首层外门的总净宽度应按该层或该层以上人数最多的一层计算,且该门的最小净宽度不应小于1.2m 。
3.7.6高层厂房和甲、乙、丙类多层厂房应设置封闭楼梯间或室外楼梯。
建筑高度大于 超过10人的高层厂房,应设置防烟楼梯间或室外楼梯。
消防安全出口设置要求
消防安全出口设置要求如下:
1.出口数量:安全出口数量应根据建筑物面积、人流量、使用性质以及火灾危险等级等情况合理确定。
如
建筑面积在500平方米以下,只要设置一口消防安全出口即可。
2.出入口位置:消防安全出口在建筑物内的位置应当合理、便捷,且符合逃生方向。
应建立在安全疏散路
线上,通道长度不得超过30米,并避免设置在集中用火场所、危险药品存放室、盥洗室等人员密集和危险场所。
3.通道大小:消防安全出口宽度应根据建筑物使用性质及人口流动情况确定,宽度至少要满足1.2米。
若
人流量较大,应增大门宽。
在高度上,一般门洞高度应不小于2米。
4.通道材质:通道材质要求防火性能优异,总体消防等级不低于建筑物本体防火等级,并应具有一定的解
毒作用。
1。
注册消防工程师考点归纳3.7.2 厂房内每个防火分区或一个防火分区内的每个楼层,其安全出口的数量应经计算确定,且不应少于2个;当符合下列条件时,可设置1个安全出口:1 甲类厂房,每层建筑面积不大于100m2。
且同一时间的作业人数不超过5人;2 乙类厂房,每层建筑面积不大于150m2,且同一时间的作业人数不超过10人;3 丙类厂房,每层建筑面积不大于250m2,且同一时间的作业人数不超过20人;4 丁、戊类厂房,每层建筑面积不大于400m2,且同一时间的作业人数不超过30人;5 地下或半地下厂房(包括地下或半地下室),每层建筑面积不大于50m2,且同一时间的作业人数不超过15人。
3.8.2 每座仓库的安全出口不应少于2个,当一座仓库的占地面积不大于300m2时,可设置1个安全出口。
仓库内每个防火分区通向疏散走道、楼梯或室外的出口不宜少于2个,当防火分区的建筑面积不大于100m2时。
可设置1个出口。
通向疏散走道或楼梯的门应为乙级防火门。
3.8.3 地下或半地下仓库(包括地下或半地下室)的安全出口不应少于2个;当建筑面积不大于100m2时,可设置1个安全出口。
地下或半地下仓库(包括地下或半地下室),当有多个防火分区相邻布置并采用防火墙分隔时,每个防火分区可利用防火墙上通向相邻防火分区的甲级防火门作为第二安全出口,但每个防火分区必须至少有1个直通室外的安全出口。
3.8.5 粮食筒仓上层面积小于1000m2,且作业人数不超过2人时,可设置1个安全出口。
5.5.5 除人员密集场所外,建筑面积不大于500m2、使用人数不超过30人且埋深不大于10m的地下或半地下建筑(室),当需要设置2个安全出口时,其中一个安全出口可利用直通室外的金属竖向梯。
除歌舞娱乐放映游艺场所外,防火分区建筑面积不大于200m2的地下或半地下设备间、防火分区建筑面积不大于50m2且经常停留人数不超过15人的其他地下或半地下建筑(室),可设置1个安全出口或1部疏散楼梯。
人防工程安全疏散设计要求
1.每个防火分区安全出口不少于2个,相邻防火分区之间的防火墙上
设有防火门时,每个防火分区可只设置一个直通室外的安全出口;
2.建筑面积不大于500m2,且室内地坪与室外出入口地面高差不大
于10m,容纳人数不大于30人的防火分区,当设置有竖井,且竖井内有金属梯直通地面时,可只设置一个安全出口或一个与相邻防火分区相通的防火门;建筑面积不大于200 m2,且经常停留人数大于3人的防火分区,可只设置一个通向相邻防火分区的防火门;
3.建筑面积不大于50m2的房间,可设置一个
4.疏散距离:
①房间内最远点至房门不应超过15m。
②房门至最近安全距离同“高规”疏散出口。
1、厂房每个防火分区、一个防火分区的每个楼层,其安全出口数量不少于2个,其相邻2个安全出口的最近边缘的距离不小于5m,满足下列条件可设置一个安全出口或一部疏散楼梯:
2、每座仓库、地下或半地下仓库的安全出口不应少于2个,仓库内每个防火分区通向疏散走道、楼梯、或室外的出口不宜少于2个,通向走道或楼梯的门应为乙级防火门,其相邻2个安全出口的最近边缘的距
3、公共建筑每个防火分区、一个防火分区的每个楼层,其安全出口数量不应少于2个,2个安全出口的
公共建筑安全出口的特殊设置情况:
4、住宅建筑每个单元、每层安全出口数量不少于2个,2个安全出口的最近边缘的距离不小于5m,符合下
6、每个房间疏散门数量不应少于2个,每个房间相邻两个疏散门最近边缘之间的水平距离≥5m,符合下列条件可设置1个疏散门:
7、剧场、电影院、礼堂、体育馆的观众厅、多功能厅疏散门的数量经过计算确定且不少于2个,并符合下列要求:。
注册消防工程师考点归纳3.7.2 厂房内每个防火分区或一个防火分区内的每个楼层,其安全出口的数量应经计算确定,且不应少于2个;当符合下列条件时,可设置1个安全出口:1 甲类厂房,每层建筑面积不大于100m2。
且同一时间的作业人数不超过5人;2 乙类厂房,每层建筑面积不大于150m2,且同一时间的作业人数不超过10人;3 丙类厂房,每层建筑面积不大于250m2,且同一时间的作业人数不超过20人;4 丁、戊类厂房,每层建筑面积不大于400m2,且同一时间的作业人数不超过30人;5 地下或半地下厂房(包括地下或半地下室),每层建筑面积不大于50m2,且同一时间的作业人数不超过15人。
3.8.2 每座仓库的安全出口不应少于2个,当一座仓库的占地面积不大于300m2时,可设置1个安全出口。
仓库内每个防火分区通向疏散走道、楼梯或室外的出口不宜少于2个,当防火分区的建筑面积不大于100m2时。
可设置1个出口。
通向疏散走道或楼梯的门应为乙级防火门。
3.8.3 地下或半地下仓库(包括地下或半地下室)的安全出口不应少于2个;当建筑面积不大于100m2时,可设置1个安全出口。
地下或半地下仓库(包括地下或半地下室),当有多个防火分区相邻布置并采用防火墙分隔时,每个防火分区可利用防火墙上通向相邻防火分区的甲级防火门作为第二安全出口,但每个防火分区必须至少有1个直通室外的安全出口。
3.8.5 粮食筒仓上层面积小于1000m2,且作业人数不超过2人时,可设置1个安全出口。
5.5.5 除人员密集场所外,建筑面积不大于500m2、使用人数不超过30人且埋深不大于10m的地下或半地下建筑(室),当需要设置2个安全出口时,其中一个安全出口可利用直通室外的金属竖向梯。
除歌舞娱乐放映游艺场所外,防火分区建筑面积不大于200m2的地下或半地下设备间、防火分区建筑面积不大于50m2且经常停留人数不超过15人的其他地下或半地下建筑(室),可设置1个安全出口或1部疏散楼梯。
根据国家消防标准,厂房仓库的安全出口应分散布置。
每个防火分区、1个防火分区的每个楼层,相邻两个安全出口最近边缘之间的水平距离是不应该小于5米的。
厂房仓库符合以下条件方可以设置1个安全出口。
一、甲类厂房,每层建筑面积不超过100平方米,且同一时间的生产人数不超过5人。
二、乙类厂房,每层建筑面积不超过150平方米,且同一时间的生产人数不超过10人。
三、丙类厂房,每层建筑面积不超过250平米,且同一时间的生产人数不超过20人。
四、丁戊类厂房,每层建筑面积不超过400平方米,且同一时间生产人数不超过30人。
五、地下半地下厂房和厂房的地下室、半地下室,其建筑面积不大于50平方米且经常停留人数不超过15人。
六、一座仓库的占地面积不大于300平方米或防火分区的建筑面积不大于100平方米。
七、地下、半地下仓库或者仓库的地下室,建筑面积不大于100平方米。
需要特别提出的是,地下、半地下建筑每个防火分区的安全出口数目不应少于2个。
但由于地下建筑较多的地上出口有困难,因此当有2个或者2个以上防火分区相邻布置时,每个防火分区可利用防火墙上一个通向相邻分区的甲级防火门作为第二安全出口,但每个防火分区必须有一个直通室外的安全出口。
另外,宾馆逃生面具的数量和摆放位置的要求也要完全按照国家标准。
逃生出口附近灭火器材的摆放应符合实际情况。
不应该给逃生出口和安全疏散通道增加难度。
注册消防备考知识点安全出口一、安全出口设置基本要求每座建筑或每个防火分区的安全出口数目不应少于两个,每个防火分区相邻2个安全出口或每个房间疏散出口最近边缘之间的水平距离不应小于5.0m o 安全出口应分散布置,并应有明显标志。
一、二级耐火等级的建筑,当一个防火分区的安全出口全部直通室外确有困难时,符合下列规定的防火分区可利用设置在相邻防火分区之间向疏散方向开启的甲级防火门作为安全出口:1该防火分区的建筑面积大于IOOOπf时,直通室外的安全出口数量不应少于2个;该防火分区的建筑面积小于等于IOOOnf时,直通室外的安全出口数量不应少于1个;2.该防火分区直通室外或避难走道的安全出口总净宽度,不应小于计算所需总净宽度的70%o二、住宅建筑安全出口设置要求住宅建筑每个单元每层的安全出口不应少于2个,且两个安全出口之间的水平距离不应小于5m o符合下列条件时,每个单元每层可设置1个安全出口:1建筑高度不大于27m,每个单元任一层的建筑面积小于650m2且任一套房的户门至安全出口的距离小于15m;2 .建筑高度大于27m且不大于54m,每个单元任一层的建筑面积小于650m2且任一套房的户门至安全出口的距离不大于IOm,户门采用乙级防火门,每个单元设置一座通向屋顶的疏散楼梯,单元之间的楼梯通过屋顶连通;3 .建筑高度大于54m的多单元建筑,每个单元任一层的建筑面积小于650Irf且任一套房的户门至安全出口的距离不大于IOm,户门采用乙级防火门,每个单元设置一座通向屋顶的疏散楼梯,54m以上部分每层相邻单元的疏散楼梯通过阳台或凹廊连通。
三、厂房、仓库安全出口设置要求每个防火分区、一个防火分区的每个楼层,相邻2个安全出口最近边缘之间的水平距离不应小于5m o厂房、仓库符合下列条件时,可设置一个安全出口:1甲类厂房,每层建筑面积不超过100m2,且同一时间的生产人数不超过5人;2.乙类厂房,每层建筑面积不超过150m2,且同一时间的生产人数不超过10人;3,丙类厂房,每层建筑面积不超过250m2z且同一时间的生产人数不超过20人;4 .丁、戊类厂房,每层建筑面积不超过400m2z且同一时间内的生产人数不超过30人;5 .地下、半地下厂房或厂房的地下室、半地下室,其建筑面积不大于50m2且经常停留人数不超过15人;6 .一座仓库的占地面积不大于300in,或防火分区的建筑面积不大于100m2;7 .地下、半地下仓库或仓库的地下室、半地下室,建筑面积不大于100m2o 需要特别提出的是,地下、半地下建筑每个防火分区的安全出口数目不应少于2个。
厂房的安全疏散3.7.1厂房的安全出口应分散布置。
每个防火分区、一个防火分区的每个楼层,其相邻2个安全出口最近边缘之间的水平距离不应小于5m3.7.2厂房的每个防火分区、一个防火分区内的每个楼层,其安全出口的数量应经计算确定,且不应少于2个;当符合下列条件时,可设置 1个安全出口:1、甲类厂房,每层建筑面积小于等于100m2,且同一时间的生产人数不超过5人;2、乙类厂房,每层建筑面积小于等于150m2,且同一时间的生产人数不超过10人;3、丙类厂房,每层建筑面积小于等于250m2,且同一时间的生产人数不超过20人;4、丁、戊类厂房,每层建筑面积小于等于400m2,且同一时间的生产人数不超过30人;5、地下、半地下厂房或厂房的地下室、半地下室,其建筑面积小于等于 50m2,经常停留人数不超过15人。
3.7.3地下、半地下厂房或厂房的地下室、半地下室,当有多个防火分区相邻布置,并采用防火墙分隔时,每个防火分区可利用防火墙上通向相邻防火分区的甲级防火门作为第二安全出口,但每个防火分区必须至少有1个直通室外的安全出口。
3.7.4厂房内任一点到最近安全出口的距离不应大于表 3.7.4的规定。
32m 且任一层人数 消防电梯可与客、一、二级不限 不限 75 60 戊三级 10075一一四级603.7.5厂房内的疏散楼梯、走道、门的各自总净宽度应根据疏散人数,按表 3.7.5的规定经计算确定。
但 疏散楼梯的最小净宽度不宜小于1.1m ,疏散走道的最小净宽度不宜小于1.4m,门的最小净宽度不宜小于0.9m。
当每层人数不相等时,疏散楼梯的总净宽度应分层计算,下层楼梯总净宽度应按该层或该层以上人 数最多的一层计算。
首层外门的总净宽度应按该层或该层以上人数最多的一层计算,且该门的最小净宽度不应小于1.2m 。
3.7.6高层厂房和甲、乙、丙类多层厂房应设置封闭楼梯间或室外楼梯。
建筑高度大于 超过10人的高层厂房,应设置防烟楼梯间或室外楼梯。
第1篇在现代社会,随着工业生产规模的不断扩大,厂房的安全问题日益凸显。
特别是在火灾等紧急情况下,如何确保员工的生命安全,成为了一个亟待解决的问题。
为了保障员工的生命财产安全,我国制定了严格的安全疏散规定,以下将从多个方面对厂房安全疏散的规定进行详细阐述。
一、厂房安全出口的规定1. 安全出口数量:根据《建筑设计防火规范》的要求,厂房安全出口的数目不应少于两个。
在符合以下条件时,可设一个安全出口:- 使用人数少于50人;- 厂房内最远工作地点到安全出口或楼梯的距离不超过规定;- 厂房内疏散楼梯、走道、门的各自宽度应按规定。
2. 安全出口布置:厂房的安全出口应分散布置,每个防火分区或一个防火分区的每个楼层,其相邻两个安全出口最近边缘之间的水平距离不应小于5米。
3. 安全出口宽度:厂房安全出口的宽度应满足以下要求:- 当使用人数少于50人时,楼梯、走道和门的最小宽度可适当减小;- 厂房安全出口的宽度均指净宽度。
4. 安全出口类型:- 甲、乙、丙类厂房和高层厂房的疏散楼梯应采用封闭楼梯间;- 高度超过32米的且每层人数超过10人的高层厂房宜采用防烟楼梯间;- 高度超过32米的设有电梯的高层厂房,每个防火分区内设一台消防电梯(可与客、货梯兼用),并应符合一系列条件。
二、消防电梯的规定1. 消防电梯设置:高度超过32米的设有电梯的高层厂房,每个防火分区内应设一台消防电梯。
2. 消防电梯前室:- 面积不应小于6平米,与防烟楼梯间合用的前室,其面积不应小于10平米;- 前室宜靠外墙,在底层应设直通室外的出口,或经过长度不超过30米的通道向外开。
3. 消防电梯井、机房:- 与相邻电梯井、机房之间应采用耐火极限不低于2.5小时的墙隔开;- 如在隔墙上开门时,应设甲级防火门。
4. 消防电梯前室:应采用乙级防火门或防火卷帘。
5. 消防电梯:应设电话和消防队专用的操纵按钮。
6. 消防电梯井底:应设排水设施。
三、灭火器和器材的规定1. 灭火剂:水是最方便、来源最丰富的灭火剂。
高层民用建筑安全出口的设置要求1.高层建筑每个防火分区的安全出口不应少于两个.但如符合下列条件之一的,可设一个安全出口;(1)十八层及十八层以下,每层不超过8户、建筑面积不超过650平方米,且设有一座防烟楼梯间和消防电梯的塔式住宅。
(2)每个单元设有一座通向屋顶的疏散楼梯,且从第十层起每层相邻单元设有连通阳台或凹廊的单元式住宅。
(3)除地下室外的相邻两个防火分区,当防火墙上有防火门连通,且两个防火分区的建筑面积之和不超过规定的一个防火分区面积的1.4倍的公共建筑。
2.塔式高层建筑内两座疏散楼梯宜独立设置,当确有困难时,可设置剪刀楼梯,并应符合下列规定:(1)剪刀楼梯间应为防烟楼梯间。
(2)剪刀楼梯的梯段之间,应设置耐火极限不低于1小时的实体墙分隔。
(3)剪刀楼梯应分别设置前室。
塔式住宅确有困难时可设置一个前室,但两座楼梯应分别设加压送风系统。
实践证明,高层建筑采用剪刀楼梯作两个安全出口,是一种既节约建筑面积和投资,又能满足火灾时紧急疏散的较好措施,但由于有的设计人员对剪刀楼梯在安全疏散上应具备的功能不甚了解,在设计上出现了一些缺陷。
例如:有的剪刀楼梯的梯段之间没有用隔墙隔开,不能形成每座楼梯的上面和下面为各自独立的楼梯间,起不到真正两个疏散楼梯的作用;又如有的剪刀楼梯只有一个与电梯厅合用的前室,失火时一旦合用前室被烟火封住,人员无法通过楼梯疏散脱险等等.3。
高层居住建筑的户门不应直接开向前室,当确有困难时,部分开向前室的户门均应为乙级防火门。
4。
高层建筑地下室、半地下室每个防火分区的安全出口不应少于两个.当有两个或两个以上防火分区,且相邻防火分区之间的防火墙上设有防火门时,每个防火区可分别设一个直通室外的安全出口。
房间面积不超过50平方米,且经常停留人数不超过15人的房间,可设一个门。
5。
高层建筑的安全出口应分散布置,两个安全出口之间的距离不应小于5米.6。
高层建筑(除十八层及十八层以下的塔式住宅和顶层为外通廊式住宅通向屋顶的疏散楼梯不宜少于两座,且不应穿越其他房间,通向屋顶的门应向屋顶方向开启。