高二物理传感器
- 格式:ppt
- 大小:896.50 KB
- 文档页数:36
高二物理:电容器电势变化问题和电容式传感器问题班级__________ 座号_____姓名__________ 分数__________一、知识清单1. 电容器中P 点电势变化问题2. 常见电容式传感器二、选择题3. (多选)电容式话筒的保真度比动圈式话筒好,其工作原理如图6-1-9所示。
Q 是绝缘支架,薄金属膜M 和固定电极N 形成一个电容器,被直流电源充电。
当声波使膜片振动时,电容发生变化,电路中形成变化的电流。
在膜片向右运动的过程中( ) A .电容变大B .电容变小C .导线AB 中有向左的电流D .导线AB 中有向右的电流 【答案】AC【解析】声波使膜片向右振动,MN 间距减小,电容变大,A 正确,B错误;MN 间的电压不变,由Q =CU 知Q 变大,继续充电,则导线AB 中有向左的电流,C 正确,D 错误。
4. 如图所示为测定压力的电容式传感器,将平行板电容器、灵敏电流表(零刻度在中间)和电源串联成闭合回路,当压力F 作用于可动膜片电极上时,膜片发生形变,引起电容的变化,导致灵敏电流表指针偏转,在对膜片开始施加压力使膜片电极从图中的虚线推到图中实线位置并保持固定的过程中,灵敏电流表指针偏转情况为(电流从电流表正接线柱流入时指针向右偏)( ) A .向右偏到某一刻度后回到零刻度 B .向左偏到某一刻度后回到零刻度 C .向右偏到某一刻度后不动 D .向左偏到某一刻度后不动 【答案】 A【解析】 [思路点拨] 根据电容的公式C =εr S 4πkd 和C =Q U ,按以下思路进行分析。
压力F 作用下→d 变化→C 变化→Q 变化→回路中产生电流压力F 作用时,极板间距d 变小,由C =εr S4πkd ,电容器电容C 变大,又根据Q =CU ,极板带电荷量变大,所以电容器应充电,灵敏电流计中产生由正接线柱流入的电流,所以指针将右偏。
F 不变时,极板保持固定后,充电结束,指针回到零刻度。
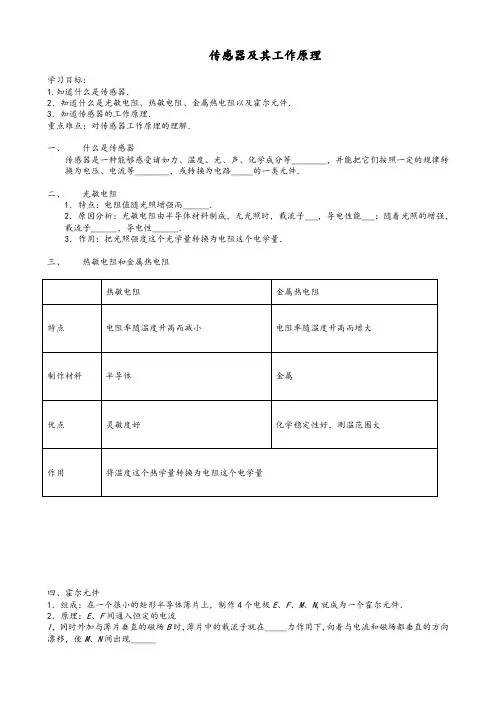
传感器及其工作原理学习目标:1.知道什么是传感器.2.知道什么是光敏电阻、热敏电阻、金属热电阻以及霍尔元件.3.知道传感器的工作原理.重点难点:对传感器工作原理的理解.一、什么是传感器传感器是一种能够感受诸如力、温度、光、声、化学成分等________,并能把它们按照一定的规律转换为电压、电流等________,或转换为电路_____的一类元件.二、光敏电阻1.特点:电阻值随光照增强而______.2.原因分析:光敏电阻由半导体材料制成,无光照时,载流子___,导电性能___;随着光照的增强,载流子______,导电性______.3.作用:把光照强度这个光学量转换为电阻这个电学量.三、热敏电阻和金属热电阻四、霍尔元件1.组成:在一个很小的矩形半导体薄片上,制作4个电极E、F、M、N,就成为一个霍尔元件.2.原理:E、F间通入恒定的电流I,同时外加与薄片垂直的磁场B时,薄片中的载流子就在_____力作用下,向着与电流和磁场都垂直的方向漂移,使M、N间出现______3.霍尔电压:U H=______,d为薄片厚度,k为霍尔系数.一个霍尔元件的d、k为定值,若保持I恒定,则U H的变化就与B成______.4.作用:把____________这个磁学量转换为_____这个电学量.1.如图为电阻R随温度T变化的图线,下列说法中正确的是( ) 多选A.图线1是热敏电阻的图线,它是用金属材料制成的B.图线2是热敏电阻的图线,它是用半导体材料制成的C.图线1的材料化学稳定性好、测温范围大、灵敏度高D.图线2的材料化学稳定性差、测温范围小、灵敏度高2.霍尔元件能转换哪个物理量( )A.把温度这个热学量转换成电阻这个电学量B.把磁感应强度这个磁学量转换成电压这个电学量C.把力这个力学量转换成电压这个电学量D.把光照强弱这个光学量转换成电阻这个电学量3. 如图所示,R1、R2为定值电阻,L为小灯泡,R3为光敏电阻,当光照射到R3上的光强度增大时( ) 多选A.电压表的示数增大B.R2中电流减小C.小灯泡的功率增大D.电路的路端电压增大4. 如图6-1-6所示,R3是光敏电阻,当开关S闭合后在没有光照射时,a、b两点等电势,当用光照射电阻R3时,则( )A .R 3的电阻变小,a 点电势高于b 点电势B .R 3的电阻变小,a 点电势低于b 点电势C .R 3的电阻变大,a 点电势高于b 点电势D .R 3的电阻变大,a 点电势低于b 点电势5. 在温控电路中,通过热敏电阻阻值随温度的变化可实现对电路相关物理量的控制.如图6-1-7所示电路,R 1为定值电阻,R 2为半导体热敏电阻(温度越高电阻越小),C 为电容器.当环境温度降低时( )A .电容器C 的带电量增大B .电压表的读数增大C .电容器C 两板间的电场强度减小D .R 1消耗的功率增大6. 如图6-1-9所示,厚度为h ,宽度为d 的导体板放在垂直于它的磁感应强度为B 的均匀磁场中,实验表明,当磁场不太强时,电势差U 、电流I 和B 的关系为U =k IB d.式中的比例系数k 称为霍尔系数.设电流I 是由电子的定向流动形成的,电子的平均定向速度为v 、电量为e ,(1)求电子所受的洛伦兹力的大小;(2)证明霍尔系数k =1ne.其中n 代表导体板单位体积中电子的个数.7.如图所示是霍尔元件的工作原理示意图,如果用d 表示薄片的厚度,k 为霍尔系数,对于一个霍尔元件d、k为定值,如果保持电流I恒定,则可以验证U H随B的变化情况.以下说法中正确的是( )A.将永磁体的一个磁极逐渐靠近霍尔元件的工作面时,U H将变大B.在测定地球两极的磁场强弱时,霍尔元件的工作面应保持水平C.在测定地球赤道上的磁场强弱时,霍尔元件的工作面应保持水平D.改变磁感线与霍尔元件工作面的夹角,U H将发生变化传感器预习答案1. 选BD.热敏电阻是由半导体材料制成的,其稳定性差,测温范围小,但灵敏度高,其电阻随着温度的升高而减小.金属电阻阻值随温度的升高而增大,图线1是金属电阻,图线2是热敏电阻.2.B3. 当照射光强度增大时,光敏电阻R 3的阻值变小,R 3与L 串联后再与R 2并联的总电阻值变小、干路中总电流变大,R 1两端电压变大,A 正确;R 2两端电压减小,通过R 2的电流减小,B 正确;总电流变大,通过R 2的减小,所以通过小灯泡L 的电流变大,灯泡变亮,功率增大,C 正确.因为干路中电流变大,内电压变大,路端电压变小,D 错误.故选ABC.【答案】 ABC4. 选A.光照射R 3时,由光敏电阻特性,R 3的电阻变小,所以UR 3减小,a 点电势升高,即a 点电势高于b 点电势,A 正确.5. AB当环境温度降低时,R 2变大,电路的总电阻变大,由I =E R 总知I 变小,又U =E -Ir ,电压表的读数U 增大,B 正确;又由U 1=IR 1及P 1=I 2R 1可知U 1变小,R 1消耗的功率P 1变小,D 错误;电容器两板间的电压U 2=U-U 1,U 2变大,由场强E ′=U 2d,Q =CU 2可知Q 、E ′都增大,故A 正确,C 错误. 6. (1)F =evB .(2)电子受到横向静电力与洛伦兹力的作用,两力平衡,有:e U h=evB 得:U =hvB 通过导体的电流I =nev ·d ·h由U =k IB d ,有hvB =k ·nevB ·d ·h d 得k =1ne. 7. 解析:选ABD.一个磁极靠近霍尔元件工作面时,B 增强,由U H =k IB d ,知U H 将变大,故A 正确.两极处磁场可看做与地面垂直,所以工作面应保持水平,故B 正确.赤道处磁场可看做与地面平行,所以工作面应保持竖直,故C 错误.若磁场与工作面夹角为θ则应有qvB sin θ=U H d q ,可见θ变化时,U H 将变化,故D 正确.。
教科版高二物理选修3《传感器》教案及教学反思一、教学目标1.了解传感器的基本概念、分类和工作原理;2.能够描述光电传感器的工作原理;3.能够分析和解决传感器在实际应用中遇到的问题。
二、教学重点1.传感器的分类和工作原理;2.光电传感器的工作原理。
三、教学难点1.传感器的在实际应用中的问题分析与解决。
四、教学方法1.讲授;2.小组合作;3.实验。
五、教学内容第一节:传感器的基本概念和分类一、教学目标1.学生了解传感器的基本概念;2.学生了解传感器的分类。
二、教学重点1.传感器的基本概念;2.传感器的分类。
三、教学难点1.学生理解传感器的基本概念;2.学生理解传感器的分类。
四、教学内容1.传感器的定义:传感器是一种能够将非电信号(如力、形状、温度、光、声、化学等)转换为电信号的器件。
2.传感器的分类:根据不同的物理量对传感器进行分类,主要有光电传感器、磁传感器、压力传感器、温度传感器等。
五、教学方法讲授+小组合作第二节:光电传感器的工作原理一、教学目标1.学生了解光电传感器的工作原理;2.学生掌握光电传感器的运用。
二、教学重点1.光电传感器的工作原理;2.光电传感器的应用。
三、教学难点1.学生理解光电传感器的工作原理;2.学生掌握光电传感器的应用。
四、教学内容1.光电传感器的定义:利用光电效应、光阻效应、光电导效应、光电发射效应等原理,将光辐射的强度和位置信息转化成电信号。
2.光电传感器的工作原理:利用光电晶体在受光后释放出的电子和空穴,形成电子-空穴对,从而产生感电效应,进而输出电信号。
3.光电传感器的应用:主要应用于自动控制、光电测量、机器人、智能控制等领域。
五、教学方法讲授+小组合作+实验第三节:传感器在实际应用中的问题分析与解决一、教学目标1.学生了解传感器在实际应用中的问题;2.学生能够分析和解决传感器在实际应用中遇到的问题。
二、教学重点1.传感器在实际应用中的问题;2.分析传感器在实际应用中遇到的问题,并解决这些问题。
高二传感器知识点总结一、传感器的基本概念传感器是一种能够感知周围环境并将感知到的信息转化为电信号或其他形式信号的器件。
传感器在工业自动化、智能家居、医疗设备、汽车工业等领域都有广泛的应用,对于提高生产效率、改善生活质量有着重要的作用。
二、传感器的分类1. 按照测量物理量分类传感器根据其测量的物理量不同可以分为温度传感器、压力传感器、光敏传感器、湿度传感器、力传感器、位移传感器等多种类型。
2. 按照传感原理分类传感器还可以按照其传感原理不同进行分类,常见的传感原理包括电阻传感器、电容传感器、电感传感器、霍尔传感器、红外线传感器、激光传感器等。
3. 按照传感器的工作原理分类按照传感器的工作原理可以分为接触式传感器和非接触式传感器两种。
接触式传感器需要直接接触被测物体,而非接触式传感器可以通过无线、光学或者声波等方式进行测量。
三、传感器的特点1. 灵敏度高传感器能够感知到微小的变化,具有高的灵敏度。
2. 可靠性高传感器具有良好的稳定性和可靠性,能够长时间稳定工作。
3. 多功能性强传感器可以感知多种物理量,具有多功能性。
4. 体积小、重量轻传感器通常体积小、重量轻,便于安装和携带。
5. 自动化程度高传感器可以实现自动检测和自动控制,有助于提高生产效率。
四、传感器的应用1. 工业自动化传感器在工业自动化领域有着广泛的应用,可以用于测量温度、压力、液位、流量等参数,实现设备的自动化控制。
2. 智能家居在智能家居领域,传感器可以应用于智能灯光控制、温湿度监测、门窗开关检测等方面,提高生活的便利性和舒适性。
3. 医疗设备在医疗设备领域,传感器可以用于心率监测、血压监测、血糖监测等,为医疗人员提供重要的生理参数。
4. 汽车工业在汽车工业中,传感器可以用于车速测量、车重检测、发动机温度检测等,提高车辆的性能和安全性。
五、传感器的未来发展趋势1. 多功能集成传感器未来发展趋势是实现多功能集成,将多种传感功能整合在一个器件中,提高传感器的智能化和多功能性。
高二物理知识点归纳总结一、传感器的及其工作原理1、有一些元件它能够感受诸如力、温度、光、声、化学成分等非电学量,并能把它们按照一定的规律转换为电压、电流等电学量,或转换为电路的通断。
我们把这种元件叫做传感器.它的优点是:把非电学量转换为电学量以后,就可以很方便地进行测量、传输、处理和控制了。
2、光敏电阻在光照射下电阻变化的原因:有些物质,例如硫化镉,是一种半导体材料,无光照时,载流子极少,导电性能不好;随着光照的增强,载流子增多,导电性变好。
光照越强,光敏电阻阻值越小。
3、金属导体的电阻随温度的升高而增大,热敏电阻的阻值随温度的升高而减小,且阻值随温度变化非常明显。
金属热电阻与热敏电阻都能够把温度这个热学量转换为电阻这个电学量,金属热电阻的化学稳定性好,测温范围大,但灵敏度较差。
二、传感器的应用(一)1.光敏电阻。
2.热敏电阻和金属热电阻。
3.电容式位移传感器。
4.力传感器————将力信号转化为电流信号的元件。
5.霍尔元件。
霍尔元件是将电磁感应这个磁学量转化为电压这个电学量的元件。
外部磁场使运动的载流子受到洛伦兹力,在导体板的一侧聚集,在导体板的另一侧会出现多余的另一种电荷,从而形成横向电场;横向电场对电子施加与洛伦兹力方向相反的静电力,当静电力与洛伦兹力达到平衡时,导体板左右两例会形成稳定的电压,被称为霍尔电势差或霍尔电压。
1.传感器应用的一般模式。
2.传感器应用:力传感器的应用——电子秤。
声传感器的应用——话筒。
温度传感器的应用——电熨斗、电饭锅、测温仪。
光传感器的应用——鼠标器、火灾报警器。
四、传感器的应用实例:1、光控开关。
2、温度报警器。
五、传感器定义国家标准GB7665-87对传感器下的定义是:“能感受规定的被测量件并按照一定的规律(数学函数法则)转换成可用信号的器件或装置,通常由敏感元件和转换元件组成”。
中国物联网校企联盟认为,传感器的存在和发展,让物体有了触觉、味觉和嗅觉等感官,让物体慢慢变得活了起来。
第六章传感器第一节传感器及其工作原理学习目标1.知道什么是传感器,理解各类传感器的工作原理2.知道光敏电阻特点及作用3.掌握热敏电阻和金属电阻的特点及区别4.理解霍尔元件的原理及作用5.会用得各类元件(热敏电阻、光敏电阻、霍尔元件等)设计简单的控制电路课本导读一.传感器1.干簧管结构:它只是玻璃管内封入的的两个_______制成的簧片.作用:在电路中起到_______的作用,它是一种能够_______的传感器.2.传感器作用:它是能够把易感受的力、温度、光、声、化学成分等_______按照一定的规律转换为容易进行测量、传输、处理和控制的电压、电流等_______,或转换为_______的一类元件.分类:常见的传感器有色标传感器、温度传感器、_______、电容式位移传感器、电感式位移传感器等等.二.光敏电阻1.构造及特点:光敏电阻是用_______制成的,硫化镉就是一种_______.其特点是电阻率随光照强度的增大而_______,原因是:无光照射,载流子_______,导电性_______.2.作用:光敏电阻能够把_______转化为_______.三.热敏电阻和金属热电阻1.热电阻:金属的电阻率随温度的升高而_______,用多金属做成的传感器称为热电阻.其特点是_______、测温范围_______,但_______较差.2.热敏电阻:半导体材料的导电能力随温度升高而_______,电阻率随温度升高而_______,用_______做成的传感器称为热敏电阻,热敏电阻也可以用_______制成.其特点是灵敏度_______.3.二者的作用:二者都能把_______转化为_______.四. 霍尔元件1.构造(如图6-1-1所示):在很小的矩形_______薄片上,制作四个电极,就成为一个霍尔元件.2.霍尔电压:①形成过程:_______.②表达式U H =_______,式中d 为,k 为_______,其大小与_______有关.3. 作用:用霍尔元件能够把_______转换为_______.典型例题【例1】 如图6-1-2所示,将万用表的选择开关置于“欧姆档”,再将电表的两支表笔与负温度系数的热敏电阻R t 的两端相连,这时表针恰好指在刻度盘的正中间.若往R t 上擦一些酒精,表针将向____(填“左”或“右”移动);若用吹风机将热风吹向电阻,表针将向____(填“左”或“右”移动).【解析】若往R t 上擦一些酒精,由于酒精蒸发吸热,热敏电阻R t 温度降低,电阻值增大,所以电流减少,指针应该向左偏;用吹风机将热风吹向电阻,电阻R t 温度升高,电阻值减少,电流增大,指针向右偏【答案】 左 右【特别提示】(1)热敏电阻的阻值随温度的变化而变化.阻值随温度的升高而增大的我们称之为正温度系数热敏电阻(PTC).阻值随温度的升高而减小的我们称之为负温度系图6-1-1数热敏电阻(NTC).(2)欧姆表的表盘刻度最右侧为0Ω,最左侧为最大值.【例2】如图6-1-3所示为光敏电阻自动计数器的示意图,其中R1为光敏电阻,R2为定值电阻.此光电计数器的基本工作原理是A.当有光照射R1时,信号处理系统获得高电压B.当有光照射R1时,信号处理系统获得低电压C.信号处理系统每获得一次低电压就计数一次D.信号处理系统每获得一次高电压就计数一次【解析】当光照射到光敏电阻R1上时,R1电阻减小,电路中电流增大.R2两端电压升高,信号处理系统得到高电压,计数器每由高电压转到低电压,就计一个数,从而达到自动计数目的,由以上分析选项A、C正确.【特别提示】光敏电阻的阻值随光照强度的增大而减小.达标测试1.下列说法正确的是A.传感器担负着信息采集的任务B.干簧管是一种磁传感器C.传感器不是电视摇控接收器的主要元件D.传感器是力、温度、光、声、化学成分转换为电信号的主要工具2.如图6-1-4为电阻R随温度T变化的图线,下列说法中正确的是图6-1-3A.图线1是热敏电阻的图线,它是用金属材料制成的B.图线2是热敏电阻的图线,它是用半导体材料制成的C.图线1的材料化学稳定性好、测温范围大、灵敏度高D.图线2的材料化学稳定性差、测温范围小、灵敏度高3.用多用电表的同一档位测量热敏电阻和光敏电阻的阻值时,下列说法正确的是A.测热敏电阻时,温度越高,多用电表指针偏角越大B.测热敏电阻时,温度越高,多用电表指针偏角越小C.测光敏电阻时,光照越弱,多用电表指针偏角越大D.测光敏电阻时,光照越弱,多用电表指针偏角越小4.利用半导体材料可制成哪些电子元件A.热敏电阻B.光敏电阻C.晶体管D.标准电阻5.如图6-1-5所示,某半导体热敏电阻的I-U图线可能是6.金属铂的电阻值对温度高低非常敏感,图6-1-6中可能表示金属铂电阻的U -I图线是7.下列说法正确的是A . 金属导体的电阻率随温度增加而减小B . 半导体的电阻率随温度增加而增大C .用半导体制成的热敏电阻,可以作为测温元件D . 用半导体制成的光敏电阻,可以起到开关的作用 8.关于热敏电阻以下说法中正确的是A . 热敏电阻的阻值随温度升高而增大B . 热敏电阻的阻值随温度升高而减小C .热敏电阻的阻值随温度变化而均匀变化D . 热敏电阻可以用金属氧化物制作 9.一般光敏电阻的阻值随入射光强度的增加而_____.由于它对光照较敏感,所以可以作_____传感器.10. 在自动恒温装置中,某半导体材料的电阻率随温度的变化如图6-1-7所示,这种材料具有发热和控温双重功能.回答下列问题:(1)通电后,其电功率 A . 先增大后减小 B . 先减小后增大 C .一直不变D . 无法确定(1) 光其产生的热量与散发的热量相等时,温度保持在 A . t 1 B . t 2C . t 1至t 2的某一值上D . 大于t 2的某一值上11.按图6-1-8连接好电路,合上S,发现小灯泡不亮,原因是_____;用电吹风对热敏电阻吹一会,会发现小灯泡_____,原因是_____;停止吹风,会发现_____;把热敏电阻放入冷水中会发现_____.12.试推导霍尔电压的表达式U B=kIN/d拓展提高★思维升华在理解材料上讲授的常见传感器工作原理的基础上,科学运用知识的正迁移,会分析新的传感器的工作原理,分析它们如何实现把非电学量转换为电学量的.★综合实践与创新1.随着生活质量的提高,自动干手机已经进入家庭.洗手后,将湿手靠近自动干手机,机内的传感器便驱动电热器加热,有热空气从机内喷出,将湿手烘干,手靠近自动干手机能使传感器工作,是因为A.改变了湿度B.改变了温度C.改变了磁场D.改变了电容2.(2000年全国理综)如图6-1-9所示,厚度为h,宽度为d的导体板放在垂直于它的磁感强度为B的均匀磁场中,当电流通过导体板时,在导体板的上侧面A和下侧面A’之间会产生电势差,这种现象称为霍尔效应,实验表明,当磁场不太强时,电势差U、电流I和B的关系为U=KIB/d式中比例系数K称为霍尔系数.图6-1-9霍尔效应可解释如下:外部磁场的洛伦兹力使运动的电子聚集在导体板的一侧,在导体板的另一侧会出现多余的正电荷,从而形成横向电场.横向电场对电子施加与洛伦兹力方向相反的静电力,当静电力与洛伦兹力达到平衡时,导体板上下两侧之间就会形成稳定的电势差.设电流I是由电子的定向流动形成的,电子的平均定向速度为v,电量为e,回答下列问题:(1)达到稳定状态时,导体板上侧面A的电势______下侧面A′的电势(填高于、低于或等于).(2)电子所受的洛伦兹力的大小为______.(3)当导体板上下两侧之间的电势差为U时,电子所受静电力的大小为______.(4)当静电力和洛伦兹力平衡的条件,证明霍尔系统为k=1/ne,其中n 代表导体板单位体积中电子的个数.第二节传感器的应用(一)学习目标1.了解传感器应用的一般模式2.理解应变式力传感器的应用――电子秤的工作原理3.理解声传感器的应用――话筒的工作原理4.理解温度传感器的应用――电熨斗的工作原理5.会用各类传感器(力传感器、声传感器、温度传感器等)设计简单的控制电路课本导读一.应变式力传感器的应用――电子秤1.应变式力传感器的构造:它是由____和_____组成,应变片是一种敏感元件,多用_____制成.2.应变式力传感器的工作原理如图6-2-1所示:弹簧钢制成的梁形元件右端固定,在梁的上下表面各贴一个_____,在梁的自由端施力F,则梁发生弯曲,上表面_____,下表面_____,上表面应变片的电阻变_____,下表面的电阻变_____.F越大,弯曲形变越_____,应变片的阻值变化就越_____.如果让应变片中通过的电流保持恒定,则上面应变片两端的电压变_____,下面应变片两端的电压变_____.因此可得,外力越大,输出的电压差值也就越_____.3.应变力传感器的作用:它能够把_____转换成_____.二、声传感器的应用――话筒1.话筒的作用:话筒是一种常见的声传感器,它能把_____转换为_____. 2.动圈式话筒的构造(如图6-2-2所示)及工作原理:它主要由_____、_____和_____组成.其工作原理可简述为:____________________.3.电容式话筒的构造(如图6-2-3所示)及工作原理:它主要是由_____、_____、和_____组成的一个电容器.4.驻极体话筒的工作原理及特点:它的工作原理与电容式话筒_____,但工作电压不同,它只需_____的电压,而电容式话筒需_____的电压.它的特点有_____、_____、_____、_____.三、温度传感器的应用――电熨斗1.电熨斗的构造(如图6-2-4所示):它主要由_____、_____、_____、弹性铜片、_____、_____、电热丝、金属底板等几部分组成.2.电熨斗的工作原理:常温下上下触点是_____,设定温度时,通过调节_____使弹性铜片下降,与弹性铜片相连接的上触点与_____接通,这样电路接通,电热丝发热产生热量,温度升高,可以熨烫衣物.这图6―2―2时双金属片也由于受热而膨胀,但因双金属片上层金属的膨胀系数_____下层金属,使双金属片向_____弯曲,上下触点脱离,电路断开.由于电路断开,电热丝不再发热,温度降低,双金属片恢复初态,电路又接通加热.不难看出,双金属片温度传感器的作用就是_____.典型例题【例1】 动圈式话筒和磁带录音机都应用了电磁感应现象,图甲是话筒原理图,图乙是录音机的录音、放音原理图,由图6-2-5可知A . 话筒工作时磁铁不动,线圈振动而产生感生电流B . 录音机放音时变化的磁场在静止的线圈产生感生电流C .录音机放音线圈中变化的电流在磁头缝隙处产生变化的磁场D . 录音机录音时线圈中变化的电流在磁头缝隙处产生变化的磁场【解析】话筒的工作原理是,声波迫使金属线圈在磁铁产生的磁场中振动产生感应电流.A 正确.录音时,话筒产生的感应电流经放大电路放大后在录音机磁头缝隙处产生变化的磁场,D 正确.磁带在放音时通过变化的磁场使放音头产生感应电流,经放大电路后再送到扬声器中,B 正确【答案】 ABD【例2】 一般的电熨斗用合金丝作发热元件,合金丝电阻随温度t 变化的关系如图6-2-6中实线①所示.由于环境温度以及熨烫的衣物厚度、干湿等情况不同,熨斗的散热功率不同,因而熨斗的温度可能会在较大范围内被动,易损坏衣物.有一种用主要成分为BaTiO3被称为“PTC ”的特殊材料作发热元件的电熨斗,具有升温快,能自动控制温度的特点.PTC 材料的电阻随温度变化的关系如图中实线②所示.根据图线分析:(1)为什么原处于冷态的PTC熨斗刚通电时比普遍电熨斗升温快?(2)通电一段时间后电熨斗温度t自动地稳定在T____<t<T____范围之内.(填下标数字)【答案】(1)冷态时PTC电阻很少,电功率很大,所以升温快.(2)67自我测评1.下列说法正确的是A.应变式力传感器可以测重力,也可以用来测牵引力B.电子秤的核心元件是应变片,它多用金属材料制成,是一种敏感元件C.应变片能把力学量―――物体形变转换为电学量―――电压D.所有电子秤都应用了应变式力传感器2.关于话筒,下列说法正确的是A.无论动圈式话筒、电容式话筒、还是驻极体话筒,作用相同都将声波――力学量转换成了电压(或电流)――电学量B.电容式话筒和驻极体话筒原理相同,都是声波的变化引起电容变化,进而引起输出电压的变化C.动圈式话筒利用通电线圈在磁场中受安培力振动实现声向电的转化D.因为驻极体话筒价格便宜、灵敏度高,会场大都用驻极体话筒3.下列说法正确的A.电熨斗能自动控制温度主要利用了双金属片,两片金属的膨胀系数相同B.常温下,上下触点是分享的;温度过高时,双金属片发生弯曲使上下触点分享C.需要较高温度熨烫时,要调节温度旋钮,使升降螺丝下移并推动弹性铜片下移D.电熨斗中的双金属片是一种半导体材料4.为解决楼道的照明,在楼道内安装一个传感器与电灯控制电路相接.当楼道内有人走动而发出声响时,电灯即被接通电源而发光,这种传感器为_____,它输入的是______信号,经传感器转换后,输出的是_____信号.5.传感器是一种采集信息的重要器件,图6-2-7是由电容器作为传感器来测定压力变化的电路,当待测压力为F作用于可动膜片电极上时,以下说法中正确的A . 若F 向上压膜片电极,电路中有从a 和b 的电流B .若F 向上压膜片电极,电路中有从b 和a 的电流 C .若F 向上压膜片电极,电路中不会出现电流 D .若电流表有示数,则说明压力F 发生变化6..1999年7月12日,日本原子能公司所属敦贺湾电站由于水管破裂导致国徽冷却剂外流,在检测此重大事故中应用了非电量变化(冷却剂外泄使管中液面变化)转换为电信号的自动化测量技术.如图6-2-8所示是一种测定导电液体深度的装置;包着一层电介质的金属棒与导电液体形成一个电容器,电容量的变化能反映液面的升降情况,则下列叙述中正确的是A .电容增大反映h 增大B .电容增大反映h 减少C .将金属棒间的电压和导电液体分别接电源两极再断开后,液体深度变化时导电液与金属棒间的电压增大反映h 减小D .将金属棒和导电液体分别接电源两极再断开后,液体深度变化时导电液与金属棒间的电压增大反映h 增大7.(2003年高考上海综合)卡拉OK 用的话筒,内有传感器.其中有一种是动圈式的,它的工作原理是在弹性膜片后面粘接一个轻小的金属线圈,线圈处于永磁体的磁场中,当声波使膜片振动时,就将声音信号转换为电信号.下列说法正确的是A .该传感器是根据电流的磁效应工作的B .该传感器是根据电磁感应原理工作的C .膜片振动时,穿过金属线圈的磁通量不变D .膜片振动时,金属线圈中不会产生感应电动势8.如图6-2-9所示,是一种测定角度变化的传感器,当彼此绝缘的金属构成的动片和定片之间的角度0发生变化时,试分析传感器是如何将这种变化转化为电学量的?必要的导线,开关等,设计一个火灾报警装置.要求有安全和报警两种指示.拓展提高★思维升华通过分析传感器的三个典型应用实例电子秤、话筒和电熨斗的工作原理,着重分析它们如何实现非电学量向电学量的转换,尝试着进行简单控制电路的设计,以达到学以致用的目的.★综合实践与创新1.(2001年上海)某学生为了测量一物体的质量,找到一个力电转换器,该转换器的输出电压正比于受压面的压力(比例系数为k),如图所示,测量时先调节输入的电压,使转换器空载时的输出电压为零;而后在其受压面上放一物体,即可测得与物体的质量成正比的输出电压U.现有下列器材:力电转换器、质量m0的砝码、电压表、滑动变阻器、干电池各一个、开关及导线若干、待测物体(可置于力电转换器的受压面上).请在如图所示的方框内完成对该物体质量的测量.(1)设计一个电路,要求力电转换器的输入电压可调,并且使电压的调节范围尽可能大,在方框中画出完整的测量电路图.(2)简要说明测量步骤,示出比例系数k,并测出待测物体的质量m0.请设想实验中可能会出现的一个问题.第三节传感器的应用(二)学习目标1.理解温度传感器的应用――电饭锅的结构及工作原理2.了解温度传感器的应用――各种数字式测温仪的特点及测温元件3.理解光传感器的应用――机械式鼠标器的构造及工作原理4.了解光传感器的应用――火灾报警器的构造及工作原理5.会用各类传感器(光传感器、温度传感器等)设计简单的控制电路课本导读一.温度传感器的应用――电饭锅1.电饭锅的内部结构(如图6-3-1所示):电饭锅主要由接线螺钉、触点、转轴、开关按钮、______、______、______、弹簧、内胆底等构成.其中______为主要元件,它是用______、______和______混合烧结而成的.它的特点主要有:常温下具有铁磁性,能够被磁体吸引,但是上升到______时,就失去______性,不能被磁体吸引了.该温度在物理学中称为该材料的______或______.图6-3-12.电饭锅的工作原理:______________________________.二.温度传感器的应用―――测量仪1.测温仪的原理:温度传感器要以把______转换成______,再由指针式仪表或数字式仪表显示出来.这就是指针式测温仪和数字式测温仪的原理.由于电信号可以远距离传输,所以应用温度传感器可以进行远距离测温.2.测温元件:它可以是______、______、______、______(利用该元件可以实现无接触测温).三.光传感器的应用――鼠标器1.机械式鼠标器的内部结构:它由一个滚球、两个滚轴、两个______(它的边缘开有许多等间距的小齿)、两个______(LED)、还有两个______(两个光传感器)等组成的.2.机械式鼠标器的工作原理:当鼠标器在桌面上移动时,滚球的运动通过______带动两个______转动,红外线接收管就收到的______,输出相应的______.计算机分别统计x,y两个方向的脉冲信号,处理后就使屏幕上的光标产生相应的______.四.光传感器的应用――烟雾散射式火灾报警器1.烟雾散射火灾报警器的构造:带孔的罩子内装有______、______和不透明的档板.2.烟雾散射式火灾报警器的工作原理:平时,______收不到LED发出的光,呈现______状态.烟雾进入罩内后对光有______作用,使部分光线照射到______,其电阻变______,与传感器连接的电路检测发出这种变化,就会发出警报.典型例题【例1】如图6-3-2是电饭煲的电路图,S1是一个控温开关,手动闭合后,当此开关温度达到居里点(103℃)时,会自动断Array开.S2是一个自动控控温开关,当温度低于70℃时,会自动闭合;温度高于80℃时会自动断开,红灯是加热时的指示灯,黄灯是保温时的指示灯,分流电阻R1=R2=500Ω,加热电阻丝R3=50Ω,两灯电阻不计.(1)分析电饭煲的工作原理(2)计算加热和保温两种状态下,电饭煲消耗的电功率之比.(3) 简要回答,如果不闭合开关S 1,能将饭煮熟吗?【解析】(1)电饭煲盛上食物后,接上电源,S 2自动闭合,同时手动闭合S 1,这时黄灯短路,红灯亮,电饭煲处于加热状态,加热到80℃,S 2自动断开,S 1仍闭合;水烧开后,温度升高到103℃时,开关S 1自动断开,这时饭已经煮熟,黄灯亮,电饭煲处于保温状态.由于散热,待温度将至70℃时,S 2自动闭合,电饭煲重新加热,温度达到80℃时,S 2又自动断开,再次处于保温状态.(2)加热时电饭煲消耗的电功率P 1=U 2/R 并,保温时电饭煲消耗的功率P 2=21U R R 并+,两式中212150011R R R R R 并==+ 从而有121121R R P P R 并并+== (3) 如果不闭合开关S 1,开始S 2总是闭合的,R 1被短路,功率为P 1,当温度上升到80℃时,S 2自动断开,功率降为P 2,温度降到70℃,S 2自动闭合……温度只能在70℃――80℃之间变化,不能把水烧开,不能煮熟饭.【例2】 如图6-3-3所示为实验小车中利用光电脉冲测量车速和行程的示意图,A 为光源,B 为光电接收器,A 、B 均固定在小车上,C 为小车的车轮.车轮转动时,A 发出的光束通过旋转齿轮上齿的间隙后变成脉冲光信号,被B 接收并转换成电信号,由电路记录和显示.若实验显示单位时间的脉冲数n ,累积脉冲数为N ,则要测出小车的速度和行程还必须测量的物理数据是_______;小车速度的表达式为V =_______;行程的表达式为s =_________.【解析】小车的速度等于车轮的周长与单位时间内车轮转动圈数的乘积.设车轮的半径为R ,单位时间内车轮转动圈数为k ,则有V =2πRk .若齿轮的齿数为P ,则齿轮转一圈,电子电路显示的脉冲数即为P ,已经单位时间内的脉冲数为n ,所以单位时间内齿轮转动圈数为n/P .由于齿轮与车轮同轴相连,他们在单位时间内转动圈数相等,即k =n/P .由以上两式可得:v =2πRn/P .同理,设车轮转动的累积圈数为k ,则有s=2πRk ,,且k =N/P ,所以s =2πRN/P 可见,要测小车的速度v 和行程s ,必需测出单位时间的脉冲数n 和累积脉冲数N ,图6-3-3车轮半径R和齿轮的齿数P.【答案】车轮的半径R和齿轮的齿数P:2πRn/P2πRN/P自我测评1.下述仪器或装置用到传感器的有A.自动报警器B.电子秤C.电视摇控器D.红外线探测仪2.试说明下列各种场合分别选用怎样的传感器(1)普通电冰箱中的自动温度控制电路(2)马路两侧的路灯控制电路(3)气垫导轨上用的光电门(4)楼梯灯控制电路(5)宾馆的自动门(6)话筒(7)非接触式体温计(8)摇控电视机的接收器3.关于电饭锅,下列说法正确的是A.电饭锅中的传感器磁体是一种半导体材料B.开始煮饭时,压下开关按钮的原因是克服弹簧的弹力使永磁体一端上升,上下触点接触接通电路C.用电饭锅煮米饭,饭熟后水分被大米吸收,锅底的温度会升高,当升高到“居里温度”时,电饭锅会自动断电D.用电饭锅烧水,水沸腾后也可以自动断电4.下列说法中正确的是A.机械式鼠标器中光传感器就是两个红外接收管,它的作用就是光信号(红外线脉冲)转换成电信号(电脉冲)B.机械式鼠标器中光传感器是由两个滚轴,两个码盘,两个红外线发射管(LED)和两个红外接收管组成的C . 火灾报警器中光传感器是光电三极管,它的作用也是把光信号转换成电信号D . 火灾报警器是利用烟雾对光的散射作用来工作的5.(2003年高考上海综合)用摇控器调换电视机频道的过程,实际上就是传感器把光信号转换成电信号的过程.下列属于这类传感器的是A .红外报警装置B .走廊照明灯的声控开关C .自动洗衣机中的压力传感装置D .电饭煲中控制加热和保温的温控器6.计算机光驱的主要部分是激光头,它可以发射脉冲激光信号,激光扫描光盘信息时,激光头利用光敏光阴自动计数器将反射回来的脉冲信号传输给信号处理系统,再通过计算机显示出相应信息.光敏电阻自动计数器的示意图如图6-3-4所示,其中R 1为光敏电阻,R 2为定值电阻,此光电计数器的基本工作原理是A .当有光照射R 1时,处理系统获得高电压B .当有光照射R 2时,处理系统获得低电压C .信号处理系统每获得一次低电压就计数一次D .信号处理系统每获得一次高电压就计数一次7.如图6-3-5是一火警报警装置的一部分电路示意图,其中R2为用半导体热敏材料制成的传感器,电流表为值班室的显示器,a ,b 之间接报警器.当传感R 2所在处出现火情时,显示器的电流I 、报警器两端的电压U 的变化情况是A .I 变大,U 变小B .I 变小,U 变小。
高二物理《传感器的应用》练习题(40分钟50分)一、选择题(本题共5小题,每小题6分,共30分)1.传感器的种类多种多样,其性能也各不相同,当室内温度达到设定的温度后,空调机会自动停止工作,空调机内使用的传感器是()A.生物传感器B.红外传感器C.温度传感器D.压力传感器2.下列说法正确的是()A.话筒是一种常用的声传感器,其作用是将电信号转换为声信号B.电熨斗能够自动控制温度的原因是它装有双金属片温度传感器,这种传感器作用是控制电路的通断C.电子秤所使用的测力装置是应变片D.半导体热敏电阻常用作温度传感器,因为温度越高,它的电阻值越大3.(2013·绍兴高二检测)如图是自动调温式电熨斗,下列说法错误的是()A.常温时上下触点是接触的B.双金属片温度升高时,上金属片形变较大,双金属片将向下弯曲C.原来温度控制在80℃断开电源,现要求60℃断开电源,应使调温旋钮下调一些D.由熨烫丝绸衣物状态转换为熨烫棉麻衣物状态,应使调温旋钮下调一些4.用电流传感器可以清楚地演示一些电学元件对电路中电流的影响。
如图所示,在电路中接入电感线圈,闭合开关时,计算机显示的电流随时间变化的图像会是哪一种()5.(2013·保定高二检测)某种角速度计,其结构如图所示。
当整个装置绕轴OO′转动时,元件A相对于转轴发生位移并通过滑动变阻器输出电压,电压传感器(传感器内阻无限大)接收相应的电压信号。
已知A的质量为m,弹簧的劲度系数为k、自然长度为l,电源的电动势为E、内阻不计。
滑动变阻器总长也为l,电阻分布均匀,装置静止时滑片P在变阻器的最左端B端,当系统以角速度ω转动时,则()A.电路中电流随角速度的增大而增大B.电路中电流随角速度的增大而减小C.弹簧的伸长量为x=D.输出电压U与ω的函数式为U=二、非选择题(本题共2小题,共20分。
需要写出规范的解题步骤)6.(8分)(2013·宿迁高二检测)为了节能和环保,一些公共场所使用光控开关控制照明系统,光控开关可采用光敏电阻来控制,光敏电阻是阻值随着光的照度而发生变化的元件(照度可以反映光的强弱,光越强照度越大,照度单位为Lx)。
学案1传感器及其工作原理[目标定位] 1.了解什么是传感器,感受传感技术在信息时代的作用与意义.2.知道将非电学量转化为电学量的意义.3.了解光敏电阻、热敏电阻、金属热电阻和霍尔元件的性能,知道其工作原理及作用.一、什么是传感器[问题设计]如图1所示,小盒子A的侧面露出一个小灯泡,盒外没有开关,但是把磁铁B放到盒子上面,灯泡就会发光,把磁铁移走,灯泡熄灭.图1盒子里有什么样的装置,才能消灭这样的现象?答案盒子里用到了干簧管.把干簧管串入电路,当磁铁靠近干簧管时,两个簧片被磁化而接通,所以干簧管能起到开关的作用.[要点提炼]1.干簧管结构:如图2所示,它只是玻璃管内封入的两个软磁性材料制成的簧片.图2作用:在电路中起到开关的作用,它是一种能够感知磁场的传感器.2.传感器定义:能够感受诸如力、温度、光、声、化学成分等物理量,并能把它们依据肯定的规律转换为便于传送和处理的另一个物理量(通常是电压、电流等电学量),或转换为电路的通断的元件.3.非电学量转换为电学量的意义:把非电学量转换为电学量,可以便利地进行测量、传输、处理和把握.4.在分析传感器时要明确:(1)核心元件是什么;(2)是怎样将非电学量转化为电学量的;(3)是如何显示或把握开关的.二、光敏电阻[问题设计]在工厂生产车间的生产线上安装计数器后,就可以精确得知生产产品的数量,如图3所示为光敏电阻自动计数器的示意图,其中R1为光敏电阻,R2为定值电阻.此光电计数器的基本工作原理是什么?图3答案当光被产品拦住时,R1电阻增大,电路中电流减小,R2两端电压减小,信号处理系统得到低电压,每通过一个产品就获得一次低电压,并计数一次.[要点提炼]1.光敏电阻:把电阻率与所受光照强度有关的物质(如硫化镉)涂敷在绝缘板上,在其表面再用银浆涂敷两个互不相连的栅状电极,这样就制成了一个光敏电阻.2.原理:无光照时,载流子极少,导电性能不好;随着光照的增加,载流子增多,导电性变好.3.特点:光照越强,电阻越小.4.作用:把光照强弱这个光学量转换为电阻这个电学量.三、热敏电阻和金属热电阻[问题设计]如图4所示,将多用电表的选择开关置于欧姆挡,再将电表的两支表笔与负温度系数的热敏电阻R T(温度上升,电阻减小)的两端相连,这时表针恰好指在刻度盘的正中心.若在R T上擦一些酒精,表针将如何偏转?若用吹风机将热风吹向热敏电阻,表针将如何偏转?图4答案 由于酒精挥发,热敏电阻R T 温度降低,电阻值增大,指针将向左偏;用吹风机将热风吹向热敏电阻,热敏电阻R T 温度上升,电阻值减小,指针将向右偏. [要点提炼]1.热敏电阻:用电阻随温度变化格外明显的半导体材料如(氧化锰)制成.按热敏电阻阻值随温度变化的规律,热敏电阻可分为正温度系数的热敏电阻和负温度系数的热敏电阻. (1)正温度系数的热敏电阻随温度上升电阻增大.(2)负温度系数的热敏电阻(如氧化锰热敏电阻)随温度上升电阻减小.2.金属热电阻:金属的电阻率随温度上升而增大,利用这一特性,金属丝也可以制作成温度传感器,称为热电阻.3.热敏电阻和金属热电阻都能够把温度这个热学量转换为电阻这个电学量.金属热电阻的化学稳定性好,测温范围大,但灵敏度较差. 四、霍尔元件 [问题设计]如图5所示,在矩形半导体薄片E 、F 间通入恒定的电流I ,同时外加与薄片垂直的磁场B ,则薄片中的载流子就在洛伦兹力的作用下,向着与电流和磁场都垂直的方向移动,使M 、N 间消灭了电压,称为霍尔电压U H .试推导其表达式.图5答案 设薄片厚度为d ,EF 方向长度为l 1,MN 方向长度为l 2,薄片中的载流子受到洛伦兹力发生偏转,使半导体内部消灭电场,载流子同时受到电场力和洛伦兹力的作用,当洛伦兹力与电场力平衡时,M 、N 间电势差达到稳定. 即q Ul 2=q v B再依据电流的微观表达式I =nq v S ,S =l 2d 整理得:U =IB nqd令k =1nq ,其中n 为材料单位体积的载流子的个数,q 为单个载流子的电荷量,它们均为常数.则有U =k IBd .[要点提炼]1.组成:在一个很小的矩形半导体薄片上,制作四个电极E 、F 、M 、N ,就成为一个霍尔元件. 2.原理:E 、F 间通入恒定的电流I ,同时外加与薄片垂直的磁场B 时,薄片中的载流子就在洛伦兹力的作用下,向着与电流和磁场都垂直的方向漂移,使M 、N 间消灭电压.霍尔元件在电流、电压稳定时,载流子所受电场力和洛伦兹力二力平衡.3.作用:霍尔电压U H =k IBd (d 为薄片的厚度,k 为霍尔系数).其中U H 与B 成正比,霍尔元件能够把磁感应强度这个磁学量转换为电压这个电学量. 4.霍尔电势凹凸的推断方法由左手定则推断带电粒子的受力方向,假如带电粒子是正电荷,则拇指所指的面为高电势面,假如是负电荷,则拇指所指的面为低电势面,但无论是正电荷还是负电荷,四指指的都是电流方向,即正电荷定向移动的方向,负电荷定向移动的反方向.一、对传感器的生疏例1 如图6是一种测定油箱油量多少或变化多少的装置.图6其中电源电压保持不变,R 是滑动变阻器,它的金属滑片是金属杆的一端.(1)若把一只电压表接在c 、d 之间当油箱中油量削减时,电压表的示数将________(选填“增大”或“减小”). (2)将电压表接在b 、c 之间,当油箱中油量削减时,电压表的示数将________(选填“增大”或“减小”). 解析 (1)当油量削减时,R 的数值会增大,电路中的电流会减小,c 、d 间的电压会减小.当把电压表接在c 、d 两点间,电压表示数减小时,表示油量在减小.(2)把电压表接在b 、c 之间,油量削减时,R 增大,电压表的示数增大. 答案 (1)减小 (2)增大二、对光敏电阻、热敏电阻的生疏及应用例2 如图7所示,R 1、R 2为定值电阻,L 为小灯泡,R 3为光敏电阻,当入射光强度增大时( )图7。
传感器高中物理知识点总结一、传感器的原理传感器的原理是利用物理效应来检测环境中的物理量。
根据不同的物理效应,传感器可以分为多种类型,例如光电传感器、压力传感器、温度传感器、湿度传感器等。
其中,光电传感器利用光电效应将光信号转化为电信号,压力传感器利用压阻效应将压力信号转化为电信号,温度传感器利用热敏效应将温度信号转化为电信号,湿度传感器利用湿敏效应将湿度信号转化为电信号。
二、传感器的分类根据传感器的工作原理和测量物理量的不同,传感器可以分为几类:1. 按测量物理量分类:包括光学传感器、压力传感器、温度传感器、湿度传感器、位移传感器等。
2. 按工作原理分类:包括电阻式传感器、电容式传感器、电磁式传感器、光电式传感器、热敏式传感器等。
3. 按输出信号类型分类:包括模拟传感器和数字传感器。
模拟传感器输出模拟信号,数字传感器输出数字信号。
4. 按应用领域分类:包括工业传感器、农业传感器、医疗传感器、环境传感器等。
三、传感器的工作原理传感器的工作原理主要包括三个过程:传感、转换和输出。
传感阶段是指传感器感知环境中的物理量;转换阶段是指传感器将感知到的物理量转化为电信号或其他形式的信号;输出阶段是指传感器将转换后的信号输出给监测系统或控制系统。
以温度传感器为例,它的工作原理是利用热敏效应。
当环境温度发生变化时,传感器内部的热敏材料也会发生相应的温度变化,从而改变材料的电阻值。
通过测量传感器的电阻值,可以得到环境温度的信息。
类似地,其他类型的传感器也有各自的工作原理。
四、传感器的应用传感器在各个领域都有广泛的应用。
在工业领域,传感器被用于监测生产过程中的各种物理量,以保证生产的质量和效率;在农业领域,传感器被用于监测土壤湿度、气象等信息,从而帮助农民科学地种植作物;在医疗领域,传感器被用于监测患者的生命体征和病情,以帮助医生进行诊断和治疗;在交通领域,传感器被用于监测交通状况和行车安全等。
五、传感器的发展趋势随着科学技术的不断进步,传感器也在不断发展。