通风隐蔽工程验收记录
- 格式:doc
- 大小:79.50 KB
- 文档页数:4
隐蔽工程验收记录(通风空调)1. 验收前准备工作在开始验收之前,施工单位需做好以下准备工作:- 完成通风空调系统的安装和调试工作;- 清理现场并确保通风空调系统没有明显的缺陷或故障。
2. 验收过程验收人员对通风空调系统的运行状态和质量进行检查和评估,包括以下内容:- 风道安装:验证风道的安装是否符合设计要求,检查连接件是否牢固稳定。
- 风机、冷却塔和空调机组:检查设备的安装是否正确,运行是否正常,有无异常噪音或震动。
- 空调箱、过滤器和加湿器:确认空调箱的安装位置和连接是否正确,过滤器是否清洁并进行了更换,加湿器是否能正常工作。
- 控制系统:检查控制面板的安装和连接是否正确,各项功能是否正常运行。
- 通风空调系统的工程附件、管道和接口:确认附件、管道和接口的安装是否合格,有无渗漏或其他问题。
- 运行测试:进行通风空调系统的运行测试,检查系统的冷暖功能、风速、湿度等参数是否达到设计要求。
3. 验收结果经过仔细检查和测试,通风空调系统经验收符合以下情况:- 设备安装正确,连接稳固;- 设备运行正常,无异常噪音或震动;- 空调箱、过滤器和加湿器等配件安装正确,功能正常;- 控制系统各项功能正常运行;- 通风空调系统的工程附件、管道和接口安装合格,无渗漏或其他问题;- 系统的冷暖功能、风速、湿度等参数达到设计要求。
4. 验收结论通风空调系统经过验收,符合设计要求和技术规范,可以投入使用。
5. 验收人员- 验收人员1:____________________ - 验收人员2:____________________日期:____________________6. 备注____________________。
隐蔽工程验收记录的填写方法隐蔽工程验收,这个名字听上去就有点高深,但其实呢,就是把那些藏在墙里、地板下的工程给“抖”出来,确保它们没问题。
嘿,别小看这些隐蔽的东西,没做好可是会给后续的使用带来麻烦啊!今天,我们就来聊聊怎么把这个验收记录给写好,让你在同事面前闪闪发光,绝对不是个马虎的家伙。
1. 了解隐蔽工程的种类首先,我们得搞清楚,隐蔽工程都有哪些。
一般来说,隐蔽工程主要包括电线、电缆、给排水管道、通风管道等等。
想象一下,像是一个大家庭,各种管线在墙里、地板下相互依偎,但可不能让它们成了“黑箱操作”!所以,咱们的第一步,就是得把这些隐蔽的成员都一一列出来,确保它们在验收记录中不掉链子。
1.1 确认工程量然后呢,咱们得对照设计图纸,确认一下实际施工的工程量。
你可不能光看着图纸发呆,得实际去现场转一圈。
比如说,水管多了,电缆少了,或者根本没安装通风管,那可就麻烦了!这个过程就像是在解谜,要把每一个细节都对得上号。
做到这一点,才能让验收记录的准确性大大提升。
1.2 记录施工质量接下来,就是对施工质量进行检查。
你得好好观察一下,材料的质量、连接的牢固程度、管线的排列是否规范,样样都要放在眼里。
就好比你在挑选新衣服,不光要看颜色好不好看,还得注意缝合是不是结实,有没有线头外露。
如果发现了问题,记得及时记录下来,反正有个毛病总比到时候大麻烦要强得多!2. 规范填写验收记录那么,验收记录该怎么写呢?这里就要讲究技巧了。
首先,开头部分一定要写清楚项目名称、验收日期和参与验收的人。
别小看这几项,像是给你这份报告打上了个标签,谁能说这不是个重要的标识呢?2.1 详细描述情况接下来,详细描述每一个隐蔽工程的具体情况。
这儿要用到你的观察能力,写清楚每个项目的施工情况、检查结果和发现的问题。
尽量多用些生动的形容词,像“光滑”、“紧凑”、“牢固”,这些词能让你的记录看起来生动有趣,仿佛在给人讲故事,谁还会觉得这是个枯燥的工作呢?2.2 记录整改意见最后,记得把整改意见也写上。
通风与空调工程管道隐蔽工程检查验收记录一、检查验收地点及时间地点:某某工地时间:20XX年X月X日二、检查验收人员1. 主持验收:某某工程负责人2. 参与验收:某某监理工程师、某某施工单位代表三、检查验收内容1. 检查验收对象:通风与空调工程管道隐蔽工程2. 检查验收内容:(1) 管道铺设是否符合设计要求(2) 管道连接是否牢固(3) 管道是否有渗漏现象(4) 管道保温层是否齐全(5) 管道是否符合防火要求四、检查验收结果经过仔细检查,通风与空调工程管道隐蔽工程符合设计要求,未发现任何质量问题。
五、存在问题及整改要求在检查过程中未发现质量问题,无需整改。
六、检查验收结论经检查验收,通风与空调工程管道隐蔽工程合格,符合相关标准和规范要求,可进行下一步施工工序。
七、检查验收人员签名及日期1. 主持验收:___________________ 日期:20XX年X月X日2. 参与验收:___________________ 日期:20XX年X月X日3. 参与验收:___________________ 日期:20XX年X月X日以上为通风与空调工程管道隐蔽工程检查验收记录,特此备案。
附:相关资料和照片注:此处为检查验收记录中标注的相关资料和照片。
(续写)八、检查过程中的细节记录在进行通风与空调工程管道隐蔽工程的检查验收过程中,我们注意到了一些细节问题,对这些问题我们进行了详细记录并及时进行了整改和修复。
具体情况如下:1. 管道铺设是否符合设计要求在检查过程中,我们发现部分管道的铺设存在一些偏差,导致与设计要求不完全符合,经过与施工单位的交流,我们要求重新测量和调整,确保管道的铺设符合设计要求。
2. 管道连接是否牢固在检查管道连接时,我们发现部分连接处存在松动或者不牢固的现象,这可能会造成管道的渗漏或者漏风。
我们要求施工单位对这些连接处进行加固处理,确保管道连接的牢固性。
3. 管道是否有渗漏现象我们在检查过程中特别关注了管道是否存在渗漏现象,经过仔细观察和测试,未发现管道出现渗漏情况。
通风空调隐蔽整理人尼克工程检查记录隐蔽工程检查验收记录表表D1-1 编号:本表由施工单位填报,城建档案馆、建设单位、施工单位各保存一份隐蔽工程检查验收记录工程名称:建设单位:图号:隐蔽部位:施工单位:隐蔽日期:年月日专业技术负责人:质量检查员:工长:填表人:注:本表适用于砼、钢筋、砌体埋筋、防水、回填土等隐蔽工程。
说明1.回填土方隐蔽检查内容:1.基底状态和基底处理情况、被埋置的部位是否已隐蔽验收;2.回填土料的土质名称、鉴别方法、取土地址;3.回填分层厚度与总厚度、夯压方法、干土质量密度、取土样的分布状态和试样数量情况;4.回填砂土时的贯入度值和灌水情况。
2.混凝土结构工程隐蔽记录的填写:1.隐蔽检查内容:①采用图号、设计变更、设计混凝土强度等级、标高、浇筑方法、留槎情况;②几何尺寸;③混凝土试件强度等级实验报告单、混凝土抗渗试验报告单编号;④试水渗漏情况;⑤管道穿越混凝土墙体的防渗做法。
2.试验单、合格证、焊件编号:包括混凝土的原材料如水泥、骨料等,及预埋件的钢材和焊接试验编号。
3.钢筋隐蔽记录的填写1.隐蔽检查内容:①施工图号、设计变更单编号(用文字叙述不清地方可画出简图说明);②钢筋质量检查中的主要问题,如:钢筋直径、根数、钢号、间距、保护层、搭接或焊接、除锈状况等;③特殊部位或构件钢筋位置、预埋铁件检查情况;④在记录右下角填写本部位有关的钢筋出厂证明、复试报告、焊接报告等试验编号。
基础挖土验槽隐蔽工程检查验收记录工程名称:建设单位:图号:隐蔽部位:施工单位:隐蔽日期:年月日专业技术负责人:质量检查员:填表人:注:本表适用于基础挖土验槽隐蔽工程。
说明基础挖土验槽隐蔽工程验收内容:2.基坑内地下水以及地表水情况及其处理情况。
3.基坑(槽)开挖尺寸(长、上下口宽、深)、有无加宽、加深、换土等情况。
4.基土遇有坑、井、人工土、障碍物等的数量、位置及清除情况。
5.地下遇有电缆、旧的管道、旧房基等位置、数量及处理情况。
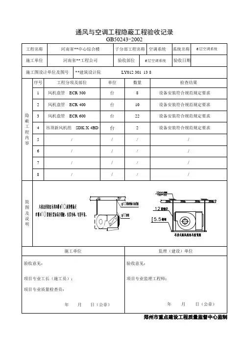
0 0 1工程名称李沧区南岭48班小学工程施工单位青岛建安建设集团有限公司分项工程名称风管系统安装工程监理(建设)单位青岛雍达建设监理有限公司环境温度 0--5℃试验日期2015.12.10图号及管线号负一层风雨操场管径1000*500/500*250/1250*400/1000*250/200*200/200*120/320*250/630*400/630*320/800*320/ 数量256m2 材质镀锌钢板接头形式法兰工作介质空气防腐铝箔/镀锌绝热离心玻璃棉隐蔽方法:隐蔽于装饰吊顶以内简图及说明:说明:防排烟风管采用镀锌钢板,防排烟风管外采用离心玻璃棉绝热后隐蔽于装饰工程吊顶内,支吊架制作及间距满足规范要求,水平段每超过20米及弯头两端加防晃支架;管道在隐蔽前已经进行漏光、漏风试验且试验结果满足设计及规范要求。
试验结论合格施工单位监理(建设)单位试验人:专业质量检查员:项目专业技术质量负责人:(公章)监理工程师:(建设单位项目专业技术负责人):(公章)注:1、简图及说明应把坐标、标高、坡向、坡度及其他管线的相互关系等说明。
2、此表适应于给水、排水、采暖、通风、空调、消防等管道的隐蔽工程验收。
山东省建设工程质量监督总站监制丝杆木方角钢保温风管鲁TK—0120 0 1工程名称李沧区南岭48班小学工程施工单位青岛建安建设集团有限公司分项工程名称风管系统安装工程监理(建设)单位青岛雍达建设监理有限公司环境温度 0--5℃试验日期2015.12.10图号及管线号负一层厨房餐厅管径1000*500/1000*400/1250*800/200*120/400*200*/500*250/1000*320/630*400/1000*320/1600*400/800*250/200*160 数量278m2 材质镀锌钢板接头形式法兰工作介质空气防腐铝箔/镀锌绝热离心玻璃棉隐蔽方法:隐蔽于装饰吊顶以内简图及说明:说明:防排烟风管采用镀锌钢板,防排烟风管外采用离心玻璃棉绝热后隐蔽于装饰工程吊顶内,支吊架制作及间距满足规范要求,水平段每超过20米及弯头两端加防晃支架;管道在隐蔽前已经进行漏光、漏风试验且试验结果满足设计及规范要求。
防排烟风管安装隐蔽工程检查验收记录编号:(01-18/03-02/04-02/05-16/06-17)/08-20 /(09-01)□0□0□1防排烟风管安装隐蔽工程检查验收记录编号:(01-18/03-02/04-02/05-16/06-17)/08-20 /(09-01)□0□0□2防排烟风管安装隐蔽工程检查验收记录编号:(01-18/03-02/04-02/05-16/06-17)/08-20 /(09-01)□0□0□3防排烟风管安装隐蔽工程检查验收记录编号:(01-18/03-02/04-02/05-16/06-17)/08-20 /(09-01)□0□0□4防排烟风管安装隐蔽工程检查验收记录编号:(01-18/03-02/04-02/05-16/06-17)/08-20 /(09-01)□0□0□5防排烟风管安装隐蔽工程检查验收记录编号:(01-18/03-02/04-02/05-16/06-17)/08-20 /(09-01)□0□0□6防排烟风管安装隐蔽工程检查验收记录编号:(01-18/03-02/04-02/05-16/06-17)/08-20 /(09-01)□0□0□7防排烟风管安装隐蔽工程检查验收记录编号:(01-18/03-02/04-02/05-16/06-17)/08-20 /(09-01)□0□0□8防排烟风管安装隐蔽工程检查验收记录编号:(01-18/03-02/04-02/05-16/06-17)/08-20 /(09-01)□0□0□9防排烟风管安装隐蔽工程检查验收记录编号:(01-18/03-02/04-02/05-16/06-17)/08-20 /(09-01)□0□1□0防排烟风管安装隐蔽工程检查验收记录编号:(01-18/03-02/04-02/05-16/06-17)/08-20 /(09-01)□0□1□1防排烟风管安装隐蔽工程检查验收记录编号:(01-18/03-02/04-02/05-16/06-17)/08-20 /(09-01)□0□1□2防排烟风管安装隐蔽工程检查验收记录编号:(01-18/03-02/04-02/05-16/06-17)/08-20 /(09-01)□0□1□3防排烟风管安装隐蔽工程检查验收记录编号:(01-18/03-02/04-02/05-16/06-17)/08-20 /(09-01)□0□1□4防排烟风管安装隐蔽工程检查验收记录编号:(01-18/03-02/04-02/05-16/06-17)/08-20 /(09-01)□0□1□5防排烟风管安装隐蔽工程检查验收记录编号:(01-18/03-02/04-02/05-16/06-17)/08-20 /(09-01)□0□1□6防排烟风管安装隐蔽工程检查验收记录编号:(01-18/03-02/04-02/05-16/06-17)/08-20 /(09-01)□0□1□7通风与空调安装隐蔽工程检查验收记录编号:(01-18/03-02/04-02/05-16/06-17)/08-20 /(09-01)□0□1□8通风与空调安装隐蔽工程检查验收记录编号:(01-18/03-02/04-02/05-16/06-17)/08-20 /(09-01)□0□1□9通风与空调安装隐蔽工程检查验收记录编号:(01-18/03-02/04-02/05-16/06-17)/08-20 /(09-01)□0□2□0通风与空调安装隐蔽工程检查验收记录编号:(01-18/03-02/04-02/05-16/06-17)/08-20 /(09-01)□0□2□1通风与空调安装隐蔽工程检查验收记录编号:(01-18/03-02/04-02/05-16/06-17)/08-20 /(09-01)□0□2□2通风与空调安装隐蔽工程检查验收记录编号:(01-18/03-02/04-02/05-16/06-17)/08-20 /(09-01)□0□2□3通风与空调安装隐蔽工程检查验收记录编号:(01-18/03-02/04-02/05-16/06-17)/08-20 /(09-01)□0□2□4通风与空调安装隐蔽工程检查验收记录编号:(01-18/03-02/04-02/05-16/06-17)/08-20 /(09-01)□0□2□5通风与空调安装隐蔽工程检查验收记录编号:(01-18/03-02/04-02/05-16/06-17)/08-20 /(09-01)□0□2□6通风与空调安装隐蔽工程检查验收记录编号:(01-18/03-02/04-02/05-16/06-17)/08-20 /(09-01)□0□2□7通风与空调安装隐蔽工程检查验收记录编号:(01-18/03-02/04-02/05-16/06-17)/08-20 /(09-01)□0□2□8通风与空调安装隐蔽工程检查验收记录编号:(01-18/03-02/04-02/05-16/06-17)/08-20 /(09-01)□0□2□9通风与空调安装隐蔽工程检查验收记录编号:(01-18/03-02/04-02/05-16/06-17)/08-20 /(09-01)□0□3□0通风与空调安装隐蔽工程检查验收记录编号:(01-18/03-02/04-02/05-16/06-17)/08-20 /(09-01)□0□3□1通风与空调安装隐蔽工程检查验收记录编号:(01-18/03-02/04-02/05-16/06-17)/08-20 /(09-01)□0□3□2通风与空调安装隐蔽工程检查验收记录编号:(01-18/03-02/04-02/05-16/06-17)/08-20 /(09-01)□0□3□3通风与空调安装隐蔽工程检查验收记录编号:(01-18/03-02/04-02/05-16/06-17)/08-20 /(09-01)□0□3□4通风与空调安装隐蔽工程检查验收记录编号:(01-18/03-02/04-02/05-16/06-17)/08-20 /(09-01)□0□3□5通风与空调安装隐蔽工程检查验收记录编号:(01-18/03-02/04-02/05-16/06-17)/08-20 /(09-01)□0□3□6通风与空调安装隐蔽工程检查验收记录编号:(01-18/03-02/04-02/05-16/06-17)/08-20 /(09-01)□0□3□7通风与空调安装隐蔽工程检查验收记录编号:(01-18/03-02/04-02/05-16/06-17)/08-20 /(09-01)□0□3□8通风与空调安装隐蔽工程检查验收记录编号:(01-18/03-02/04-02/05-16/06-17)/08-20 /(09-01)□0□3□9通风与空调安装隐蔽工程检查验收记录编号:(01-18/03-02/04-02/05-16/06-17)/08-20 /(09-01)□0□4□0通风与空调安装隐蔽工程检查验收记录编号:(01-18/03-02/04-02/05-16/06-17)/08-20 /(09-01)□0□4□1通风与空调安装隐蔽工程检查验收记录编号:(01-18/03-02/04-02/05-16/06-17)/08-20 /(09-01)□0□4□2通风与空调安装隐蔽工程检查验收记录编号:(01-18/03-02/04-02/05-16/06-17)/08-20 /(09-01)□0□4□3通风与空调安装隐蔽工程检查验收记录编号:(01-18/03-02/04-02/05-16/06-17)/08-20 /(09-01)□0□4□4通风与空调安装隐蔽工程检查验收记录编号:(01-18/03-02/04-02/05-16/06-17)/08-20 /(09-01)□0□4□5通风与空调安装隐蔽工程检查验收记录编号:(01-18/03-02/04-02/05-16/06-17)/08-20 /(09-01)□0□4□6。
F0401 编号:001# 工程名称项目工程隐检项目通风与空调隐检日期2022 年月日隐检部位通风与空调隐检依据:施工图图号 C 区平面布置图,设计变更/洽商及有关国家现行标准等.主要材料名称及规格/型号:镀锌钢管:各类镀锌风管:各类PVC 管:各类隐检内容:通风管道:材质、规格及管道安装空调水管: 材质、规格及管道安装施工单位检查结论符合设计及验收规范要求专业技术负责人:年月日建设专业工程师:单位验收意见(建设单位专业技术负责人)年月日F0401 编号:002#工程名称隐检项目隐检部位暖通改造工程空调水管隐检日期二层空调水管2022 年月日隐检依据:施工图图号 2 层水系统平面布置图,设计变更/洽商(编号)及有关国家现行标准等.主要材料名称及规格/型号:镀锌钢管:各类PVC 管:各类隐检内容:空调水管:材质、规格及管道安装专业工长(施工员) 班组长施工单位符合设计及验收规范要求检查结论专业监理质检员: 专业技术负责人:年月日监理(建设)专业监理工程师:单位验收意见(建设单位专业技术负责人)年月日F0401 编号:003#工程名称隐检项目隐检部位江暖通改造工程空调水管隐检日期三层空调水管2022 年月日隐检依据:施工图图号 3 层水系统平面布置图,设计变更/洽商(编号)及有关国家现行标准等.主要材料名称及规格/型号:镀锌钢管:各类PVC 管:各类隐检内容:空调水管:材质、规格及管道安装专业工长(施工员) 班组长施工单位符合设计及验收规范要求检查结论专业监理质检员: 专业技术负责人:年月日监理(建设)专业监理工程师:单位验收意见(建设单位专业技术负责人)年月日F0401 编号:004#工程名称隐检项目隐检部位江通改造工程空调水管隐检日期四层空调水管2022 年月日隐检依据:施工图图号 4 层水系统平面布置图,设计变更/洽商(编号)及有关国家现行标准等.主要材料名称及规格/型号:镀锌钢管:各类PVC 管:各类隐检内容:空调水管:材质、规格及管道安装专业工长(施工员) 班组长施工单位符合设计及验收规范要求检查结论专业监理质检员: 专业技术负责人:年月日监理(建设)专业监理工程师:单位验收意见(建设单位专业技术负责人)年月日F0401 编号:005#工程名称隐检项目隐检部位江暖通改造工程空调水管隐检日期五层空调水管2022 年月日隐检依据:施工图图号 5 层水系统平面布置图,设计变更/洽商(编号)及有关国家现行标准等.主要材料名称及规格/型号:镀锌钢管:各类PVC 管:各类隐检内容:空调水管:材质、规格及管道安装专业工长(施工员) 班组长施工单位符合设计及验收规范要求检查结论专业监理质检员: 专业技术负责人:年月日监理(建设)专业监理工程师:单位验收意见(建设单位专业技术负责人)年月日F0401 编号:006#工程名称隐检项目隐检部位江宾馆暖通改造工程空调水管隐检日期六层空调水管2022 年月日隐检依据:施工图图号 6 层水系统平面布置图,设计变更/洽商(编号)及有关国家现行标准等.主要材料名称及规格/型号:镀锌钢管:各类PVC 管:各类隐检内容:空调水管:材质、规格及管道安装专业工长(施工员) 班组长施工单位符合设计及验收规范要求检查结论专业监理质检员: 专业技术负责人:年月日监理(建设)专业监理工程师:单位验收意见(建设单位专业技术负责人)年月日F0401 编号:007#工程名称隐检项目隐检部位江馆暖通改造工程空调水管隐检日期七层空调水管2022 年月日隐检依据:施工图图号7 层水系统平面布置图,设计变更/洽商(编号)及有关国家现行标准等.主要材料名称及规格/型号:镀锌钢管:各类PVC 管:各类隐检内容:空调水管:材质、规格及管道安装专业工长(施工员) 班组长施工单位符合设计及验收规范要求检查结论专业监理质检员: 专业技术负责人:年月日监理(建设)专业监理工程师:单位验收意见(建设单位专业技术负责人)年月日F0401 编号:008#工程名称隐检项目隐检部位江暖通改造工程空调水管隐检日期八层空调水管2022 年月日隐检依据:施工图图号8 层水系统平面布置图,设计变更/洽商(编号)及有关国家现行标准等.主要材料名称及规格/型号:镀锌钢管:各类PVC 管:各类隐检内容:空调水管:材质、规格及管道安装专业工长(施工员) 班组长施工单位符合设计及验收规范要求检查结论专业监理质检员: 专业技术负责人:年月日监理(建设)专业监理工程师:单位验收意见(建设单位专业技术负责人)年月日F0401 编号:001#工程名称隐检项目隐检部位江西暖通改造工程空调风管隐检日期一层空调风管2022 年月日隐检依据:施工图图号 1 层风系统平面布置图,设计变更/洽商(编号)及有关国家现行标准等.主要材料名称及规格/型号:酚醛复合板材隐检内容:空调水管:材质、规格及管道安装专业工长(施工员) 班组长施工单位符合设计及验收规范要求检查结论专业监理质检员: 专业技术负责人:年月日监理(建设)专业监理工程师:单位验收意见(建设单位专业技术负责人)年月日F0401 编号:002#工程名称隐检项目隐检部位暖通改造工程空调风管隐检日期二层空调风管2022 年月日隐检依据:施工图图号 2 层风系统平面布置图,设计变更/洽商(编号)及有关国家现行标准等.主要材料名称及规格/型号:酚醛复合板材隐检内容:空调水管:材质、规格及管道安装专业工长(施工员) 班组长施工单位符合设计及验收规范要求检查结论专业监理质检员: 专业技术负责人:年月日监理(建设)专业监理工程师:单位验收意见(建设单位专业技术负责人)年月日F0401 编号:003# 工程名称隐检项目隐检部位空调风管隐检日期三层空调风管2022 年月日隐检依据:施工图图号 3 层风系统平面布置图,设计变更/洽商(编号)及有关国家现行标准等.主要材料名称及规格/型号:酚醛复合板材隐检内容:空调水管:材质、规格及管道安装专业工长(施工员) 班组长施工单位符合设计及验收规范要求检查结论专业监理质检员: 专业技术负责人:年月日监理(建设)专业监理工程师:单位验收意见(建设单位专业技术负责人)年月日F0401 编号:004#工程名称隐检项目隐检部位江工程空调风管隐检日期四层空调风管2022 年月日隐检依据:施工图图号 4 层风系统平面布置图,设计变更/洽商(编号)及有关国家现行标准等.主要材料名称及规格/型号:酚醛复合板材隐检内容:空调水管:材质、规格及管道安装专业工长(施工员) 班组长施工单位符合设计及验收规范要求检查结论专业监理质检员: 专业技术负责人:年月日监理(建设)专业监理工程师:单位验收意见(建设单位专业技术负责人)年月日F0401 编号:005#工程名称隐检项目隐检部位江西惠改造工程空调风管隐检日期五层空调风管2022 年月日隐检依据:施工图图号 5 层风系统平面布置图,设计变更/洽商(编号)及有关国家现行标准等.主要材料名称及规格/型号:酚醛复合板材隐检内容:空调水管:材质、规格及管道安装专业工长(施工员) 班组长施工单位符合设计及验收规范要求检查结论专业监理质检员: 专业技术负责人:年月日监理(建设)专业监理工程师:单位验收意见(建设单位专业技术负责人)年月日F0401 编号:006#工程名称隐检项目隐检部位江西改造工程空调风管隐检日期六层空调风管2022 年月日隐检依据:施工图图号 6 层风系统平面布置图,设计变更/洽商(编号)及有关国家现行标准等.主要材料名称及规格/型号:酚醛复合板材隐检内容:空调水管:材质、规格及管道安装专业工长(施工员) 班组长施工单位符合设计及验收规范要求检查结论专业监理质检员: 专业技术负责人:年月日监理(建设)专业监理工程师:单位验收意见(建设单位专业技术负责人)年月日F0401 编号:007#工程名称隐检项目隐检部位江西造工程空调风管隐检日期七层空调风管2022 年月日隐检依据:施工图图号7 层风系统平面布置图,设计变更/洽商(编号)及有关国家现行标准等.主要材料名称及规格/型号:酚醛复合板材隐检内容:空调水管:材质、规格及管道安装专业工长(施工员) 班组长施工单位符合设计及验收规范要求检查结论专业监理质检员: 专业技术负责人:年月日监理(建设)专业监理工程师:单位验收意见(建设单位专业技术负责人)年月日F0401 编号:008#工程名称隐检项目隐检部位江通改造工程空调风管隐检日期八层空调风管2022 年月日隐检依据:施工图图号8 层风系统平面布置图,设计变更/洽商(编号)及有关国家现行标准等.主要材料名称及规格/型号:酚醛复合板材隐检内容:空调水管:材质、规格及管道安装专业工长(施工员) 班组长施工单位符合设计及验收规范要求检查结论专业监理质检员: 专业技术负责人:年月日监理(建设)专业监理工程师:单位验收意见(建设单位专业技术负责人)年月日。
隐蔽工程检查验收记录(检查井)隐蔽工程检查验收记录(检查井)引言概述:隐蔽工程检查验收记录是指在建筑工程中,对于隐蔽在结构内部的工程部分进行检查和验收,并记录下相关信息的过程。
其中,检查井作为建筑工程中的重要组成部分,其检查和验收工作尤为重要。
本文将从五个方面详细阐述隐蔽工程检查验收记录(检查井)的相关内容。
一、检查井的施工质量验收1.1 检查井的基础施工验收在检查井的施工过程中,首先需要对其基础进行验收。
验收的主要内容包括基础的平整度、混凝土的浇筑质量以及基础的强度等方面。
同时,还需要检查基础的尺寸和位置是否符合设计要求。
1.2 检查井的墙体施工验收检查井的墙体施工是其重要的组成部分,因此需要进行相应的验收工作。
验收的主要内容包括墙体的垂直度、水平度以及墙体的强度等方面。
同时,还需要检查墙体的尺寸和位置是否符合设计要求。
1.3 检查井的盖板施工验收检查井的盖板是其上部的覆盖部分,也需要进行相应的验收工作。
验收的主要内容包括盖板的平整度、密封性以及盖板的承载能力等方面。
同时,还需要检查盖板的尺寸和位置是否符合设计要求。
二、检查井的材料验收2.1 检查井的基础材料验收检查井的基础材料是其施工的基础,因此需要对其进行相应的验收工作。
验收的主要内容包括基础材料的规格、质量以及基础材料的检测报告等方面。
同时,还需要检查基础材料的存放条件和使用情况是否符合要求。
2.2 检查井的墙体材料验收检查井的墙体材料是其施工的重要组成部分,因此需要进行相应的验收工作。
验收的主要内容包括墙体材料的规格、质量以及墙体材料的检测报告等方面。
同时,还需要检查墙体材料的存放条件和使用情况是否符合要求。
2.3 检查井的盖板材料验收检查井的盖板材料是其上部的覆盖部分,也需要进行相应的验收工作。
验收的主要内容包括盖板材料的规格、质量以及盖板材料的检测报告等方面。
同时,还需要检查盖板材料的存放条件和使用情况是否符合要求。
三、检查井的安装验收3.1 检查井的基础安装验收在检查井的施工过程中,基础的安装是其中的重要环节,因此需要进行相应的验收工作。
隐蔽工程验收记录表C5-1资料编号08-02-C5-×××工程名称××办公楼工程隐检项目排烟系统风管安装隐检日期XX年XX月XX日隐检部位地下一~屋面层○1~○13/○A~○H轴线走道吊顶及排风井道标高隐检依据:施工图图号设施-01、设施-13,设计变更/洽商(编号∕)及有关国家现行标准等。
主要材料名称及规格/型号:镀锌钢板(δ=0.6mm、δ=1.0mm、δ=1.5mm)1200×1200mm、1800×1800mm、500×500mm、200×400mm隐检内容:1.地下一层~屋面层××走道排烟系统风管主立管位于结构竖井内,排烟支管位于楼层走道吊顶内。
2.竖井风管立管全部采用三角斜撑架,支架紧贴风管法兰,并用钢筋抱箍,固定风管。
支架靠墙部分采用膨胀螺栓固定,此段角钢长度为600mm,螺栓数量为2个,此间距为300mm。
支架紧贴法兰或紧贴风管部分采用钢筋抱箍,此段角钢长度为根据风管大小而定,钢筋孔间距根据风管大小而定。
3.水平风管吊杆采用Φ8mm、Φ10mm镀锌通丝杆,吊架间距不大于3m。
水平风管设固定支架,采用40×4mm的角钢。
风管大边长小于等于1250mm的横担采用30×3mm的角钢,风管大边长大于1250mm的横担采用40×4mm的角钢。
4.对于风管大边长小于等于1000mm的风管采用无法兰连接形式,在风管连接时采用钢板抱卡连接,抱卡安装为一正一反,间距不大于150mm;对于风管大边长大于等于1000mm的风管采用法兰连接形式,风管连接件采用M8、M10的镀锌螺母、M8、M10的镀锌螺栓固定,间距不大于150mm,螺栓方向一致,出螺母长度2~3扣。
风管密封垫采用石棉橡胶板、厚度2mm。
5.风阀采用单独的支、吊架,吊杆采用Φ8mm、Φ10mm镀锌通丝杆,采用M8、M10的镀锌螺母、M8、M10的镀锌螺栓固定;安装方向正确,安装后的手动或电动操作装置灵活、可靠,阀板关闭严密;风阀安装距离距墙表面不大于200mm。
01
从年月起 到年月日隐蔽方法:
专业承包安装单
位检查评定结果 监理(建设)单位
验收结论符合要求 专业监理工程师(签名):
(建设单位项目专业技术负责人签名): 年 月 日 专业工长(施工员)(签名)
检查测试负责人(签名)主控项目全部合格,一般项目满足规范要求
项目专业质量检查员(签名):
年 月 日
相关施工图名称及其图号
验收日期: 日 止
隐蔽工程内容(项目名称) 隐蔽方式/施工方法/隐蔽前已进行的检查测试项目及其结果(简述):
专业承包安装单位/项目负责人/ 施工执行的技术标准(含企
业的工艺规程、工法等)名 称及编号
通风与空调工程施工质量验收规范 GB 50243-2016
所属子分部(系统)工程名称
/分项(子系统)工程名称
相关的施工部位
(层、区、段、房、室)
总承包施工单位
项目负责人通风与空调(分部)隐蔽工程验收记录
GD3010217 单位(子单位)工程名称。
For personal use only in study and research; not forcommercial use隐蔽工程验收记录编号:隐蔽工程验收记录编号:隐蔽工程验收记录隐蔽工程验收记录编号:隐蔽工程验收记录编号:隐蔽工程验收记录隐蔽工程验收记录隐蔽工程验收记录隐蔽工程验收记录(钢筋工程)编号:YBJ LⅠ—4隐蔽工程验收记录(钢筋工程)编号:YBJ LⅠ—4隐蔽工程验收记录(钢筋工程)编号:YBJ LⅠ—4隐蔽工程验收记录(钢筋工程)编号:YBJ LⅠ—4For personal use only in study and research; not for commercial use.Nur für den persönlichen für Studien, Forschung, zu kommerziellen Zwecken verwendet werden.Pour l 'étude et la recherche uniquement à des fins personnelles; pas à des fins commerciales.толькодля людей, которые используются для обучения, исследований и не должны использоваться в коммерческих целях.以下无正文For personal use only in study and research; not for commercial use.Nur für den persönlichen für Studien, Forschung, zu kommerziellen Zwecken verwendet werden.Pour l 'étude et la recherche uniquement à des fins personnelles; pas à des fins commerciales.толькодля людей, которые используются для обучения, исследований и не должны использоваться в коммерческих целях.以下无正文。
隐蔽工程验收记录表
隐蔽工程验收记录表
项目名称:XXXX工程
验收时间:XXXX年X月X日
验收单位:XXX公司
施工单位:XXX施工队
序号内容验收情况备注
1 工程隐蔽验收
1.1 电工隐蔽验收□ 通过〇不通过
1.2 给排水隐蔽验收□ 通过〇不通过
1.3 通风隐蔽验收□ 通过〇不通过
1.4 消防隐蔽验收□ 通过〇不通过
2 设备隐蔽验收
2.1 电气设备隐蔽验收□ 通过〇不通过
2.2 给排水设备隐蔽验收□ 通过〇不通过
2.3 暖通设备隐蔽验收□ 通过〇不通过
2.4 消防设备隐蔽验收□ 通过〇不通过
3 其他隐蔽验收
3.1 验收其他相关隐蔽工程□ 通过〇不通过
4 总结与建议
4.1 施工单位总结□ 通过〇不通过
4.2 验收单位总结□ 通过〇不通过
备注:如有不通过项,请在备注中说明具体原因,并提出整改建议。
以上记录表仅为示例,实际根据具体项目和验收要求进行调整。
隐蔽工程验收记录表是用于记录隐蔽工程(如电气、给排水、通风、消防等)的验收情况,确保工程符合相关规范和标准。
在填写记录表时,需要按照具体的验收项目进行逐一填写,并根据实际情况选择“通过”或“不通过”,对于不通过的项目需要
在备注中详细说明原因,并提出整改建议。
最后,在总结与建议部分,施工单位和验收单位可以对整个工程进行总结,并提出建议。
1。
14 隐蔽工程验收记录隐蔽工程是指在是施工过程中,上一道工序的工作成果,将被下一道工序的工作成果覆盖,完工以后无法检查那一部分工程.隐蔽工程验收记录,是指参加隐蔽工程验收的有关人员,对被检查工程同意验收而办理的记录,它是工程交工验收所必需的重要内容之一.一、隐蔽工程验收的内容(1)地基工程隐蔽工程验收的内容为:槽底打钎,槽底土质情况,地槽尺寸和槽底标高,槽底坟、井、坑和橡皮土等的处理情况,地下水的排除情况,排水暗沟、暗管的设置情况.土的更换情况,试桩和打桩记录等。
1)槽底打钎槽底打钎即钎探。
基(槽)坑挖好后,将钢钎打入槽底的基土中,根据每打入一定深度的锤击次数,来判断地基土质情况。
钢钎由钎尖呈60°尖锥状,直径φ22至φ25的钢筋制成,钢钎长度为1.8~2。
0m.大锤采用3。
629kg(8磅)或4。
536kg(10磅)。
打钎时,举锤离钎顶50~70cm,将钢钎垂直地打入土中,并记录每打入土层30cm深的锤击数。
钎孔的布置和钎探的深度,应根据地基土质的复杂情况和基槽(坑)宽度、形状等,由设计单位定出。
全部钎探完成后,应整理钎探记录,并根据钎探资料,在现场重点检查锤击数过多或过少的针孔土质,经各有关方面负责人签定符合设计要求,办理“隐蔽”记录。
2)槽底土质情况槽底土质情况一般通过观察验槽决定。
此项检查验收的内容为:①判明全部基底是否已挖至设计要求的土层;②检查基底土有无局部过松或过硬的地方;③检查基底土有无局部含水异常现象。
以上各点,如有不符设计要求之处,均应会同设计单位研究处理。
3)地槽尺寸和槽底标高检查地槽槽底的宽度和槽底的标高是否符合设计要求。
检查方法为:对槽底的宽度应用尺由中心线向两边量;对槽底的标高应用尺由基槽两边的水平桩向槽底量.4)槽底坟、井、坑和橡皮土等的处理情况内容包括松土坑(填土、坟穴、淤泥),砖井和土井,局部范围内的硬土或橡皮土,古河及古塘等的处理。
处理的原则是使新填土的承载能力尽可能接近设计要求槽底土质的承载能力。
通风穿墙短管 隐 蔽 工 程 验 收 记 录
编号:06-17 □□□ 工程名称
分部(子分部)工程名称
通风与空调
项目经理
施工单位
验 收 部 位
地下室1~7/A ~D 轴地下三层通风穿墙短管
施工图号 设施
施工执行标准名
称及编号
《通风与空调工程施工质量验收规范》GB50243-2002
分项工程名称/ 检验批编号
风管与部件制作安装
联系单号或日期
检查项目
检查情况
说明或简图:
穿墙短管材料型号及规格 符合要求 根据施工图与施工质量验收规范要求,本工程地下室人防区通风管穿地下室人防墙时在墙内预埋I 型DN600的穿墙短管,超压排气活门安装在墙内预埋DN250的穿墙短管,气密测量管穿墙时在墙内预埋DN50I 型穿墙短管,短管采用3mm 厚的钢板焊接成型,隐蔽前已做好短管定位,固定牢固,施工质量符合设计与规范要求。
穿墙短管预埋数量、位置
符合要求 穿墙短管固定
符合要求
检查验收意见
施工单位
项目专业质量检查员(签名):
项目专业技术负责人(签名): 年 月 日
专业监理工程师(签名): (建设单位项目技术负责人)
年 月 日
通风穿墙短管 隐 蔽 工 程 验 收 记 录
编号:06-17 □□□ 工程名称
分部(子分部)工程名称
通风与空调
项目经理
施工单位
验 收 部 位
地下室1~7/D ~K 轴地下三层通风穿墙短管
施工图号 设施
施工执行标准名
称及编号
《通风与空调工程施工质量验收规范》GB50243-2002
分项工程名称/ 检验批编号
风管与部件制作安装
联系单号或日期
检查项目
检查情况
说明或简图:
穿墙短管材料型号及规格 符合要求 根据施工图与施工质量验收规范要求,本工程地下室人防区通风管穿地下室人防墙时在墙内预埋I 型DN500、DN600及DN600III 型的穿墙短管,测压管安装在墙内预埋DN15I 型穿墙短管,放射性监测取样管安装在墙内预埋I 型DN32的穿墙短管,气密测量管穿墙时在墙内预埋DN50I 型穿墙短管,短管采用3mm 厚的钢板焊接成型,隐蔽前已做好短管定位,固定牢固,施工质量符合设计与规范要求。
穿墙短管预埋数量、位置
符合要求 穿墙短管固定
符合要求
检查验收意见
施工单位
项目专业质量检查员(签名):
项目专业技术负责人(签名): 年 月 日
专业监理工程师(签名): (建设单位项目技术负责人)
年 月 日
通风穿墙短管 隐 蔽 工 程 验 收 记 录
编号:06-17 □□□ 工程名称
分部(子分部)工程名称
通风与空调
项目经理
施工单位
验 收 部 位 地下室1/12~18/A ~F 轴地下三层通风穿墙短管 施工图号 设施
施工执行标准名
称及编号
《通风与空调工程施工质量验收规范》GB50243-2002
分项工程名称/ 检验批编号
风管与部件制作安装
联系单号或日期
检查项目
检查情况
说明或简图:
穿墙短管材料型号及规格 符合要求 根据施工图与施工质量验收规范要求,本工程地下室人防区通风管穿地下室人防墙时在墙内预埋I 型DN600及DN600III 型的穿墙短管,超压排气活门安装在墙内预埋DN250的穿墙短管,测压管安装在墙内预埋DN15I 型穿墙短管,放射性监测取样管安装在墙内预埋I 型DN32的穿墙短管,气密测量管穿墙时在墙内预埋DN50I 型穿墙短管,短管采用3mm 厚的钢板焊接成型,隐蔽前已做好短管定位,固定牢固,施工质量符合设计与规范要求。
穿墙短管预埋数量、位置
符合要求 穿墙短管固定
符合要求
检查验收意见
施工单位
项目专业质量检查员(签名):
项目专业技术负责人(签名): 年 月 日
专业监理工程师(签名): (建设单位项目技术负责人)
年 月 日
通风穿墙短管 隐 蔽 工 程 验 收 记 录
编号:06-17 □□□ 工程名称
分部(子分部)工程名称
通风与空调
项目经理
施工单位
验 收 部 位 地下室1/12~18/F ~L 轴地下三层通风穿墙短管 施工图号 设施
施工执行标准名
称及编号
《通风与空调工程施工质量验收规范》GB50243-2002
分项工程名称/ 检验批编号
风管与部件制作安装
联系单号或日期
检查项目
检查情况
说明或简图:
穿墙短管材料型号及规格 符合要求 根据施工图与施工质量验收规范要求,本工程地下室人防区通风管穿地下室人防墙时在墙内预埋I 型DN500、DN600、DN800及DN600III 型的穿墙短管,超压排气活门安装在墙内预埋DN250的穿墙短管,测压管安装在墙内预埋DN15I 型穿墙短管,放射性监测取样管安装在墙内预埋I 型DN32的穿墙短管,气密测量管穿墙时在墙内预埋DN50I 型穿墙短管,短管采用3mm 厚的钢板焊接成型,隐蔽前已做好短管定位,固定牢固,施工质量符合设计与规范要求。
穿墙短管预埋数量、位置
符合要求 穿墙短管固定
符合要求
检查验收意见
施工单位
项目专业质量检查员(签名):
项目专业技术负责人(签名): 年 月 日
专业监理工程师(签名): (建设单位项目技术负责人)
年 月 日。