工程项目管理流程图
- 格式:doc
- 大小:150.00 KB
- 文档页数:14
工程项目管理流程1.工程项目立项机会研究审批开始结束(高友弟)部门分管领导审核(发起人)发起部门经理审批操作提交发起部门经理发起(申请人员)发起人归档相关部门会签相关部门会签(高友弟)部门分管领导审核总经办公司领导传阅并签订意见(李晓霖)三期副总指挥(李晓霖)三期副总指挥审批操作提交退回退回审批操作提交审批操作提交退回退回2. 工程项目立项可行性研究审批开始(申请人员)发起部门经理发起(申请人员)发起人归档结束相关部门会签总经办(李晓霖)三期副总指挥审核(高友弟)分管领导审批公司领导传阅会签意见审批操作提交审批操作提交退回退回3. 工程方案设计审批开始工程技术部发起(申请人员)发起人归档结束工程技术部部门经理审核相关部门会签(造价部经理)工程造价部编制概算审批操作退回有无会议纪要无相关部门传阅有发起人审核修改方案相关部门传阅(造价部经理)工程造价部编制概算4. 施工图设计审批开始工程技术部工程师发起申请(申请人员)发起人归档结束部门经理审核工程管理部经理审核部门经理审核(发起人)工程技术部工程师确认(发起人)工程技术部工程师设计初稿部门经理审核(组织内部评审会议)(发起人)工程技术部工程师设计定稿相关部门会签审批操作审批操作审批操作提交提交退回提交退回退回5. 招标控制价会审流程开始经办人员发起(申请人员)发起人归档结束造价部经理审批三期副总指挥审核审批操作提交退回审批操作提交退回(申请人员)提交预算书终稿(高友弟)分管领导审批操作提交退回6. 招标文件审批流程开始经办部门发起(申请人员)发起人归档结束综合部经理审核(高友弟)常务副总指挥审批(李晓霖)三期副总指挥审批审批操作提交审批操作提交审批操作退回退回相关部门会签综合部经理审核退回7.项目招标申请流程开始经办人发起部门经理审核审批操作提交综合部经理审核审批操作退回提交(李晓霖)分管副总指挥审核审批操作提交(高友弟)常务副总指挥审核审批操作提交综合管理部经理归档结束8. 工程项目直采申请开始经办人发起项目直接委托申请(申请人员)发起人归档结束部门经理审核相关部门会签审批操作提交退回否9. 工程一般变更开始发起变更申请项目经理审核审批操作审批权限外(预算价大于5000)退回(申请人员)发起人归档结束三期副总指挥审核工程造价部经理审批权限内(预算价小于等于5000)工程管理部经理工程管理部经理工程造价部经理分管副总指挥审核审批操作预算价大于5万预算价小于等于5万10.工程设计变更开始发起设计变更项目经理审核(申请人员)发起人归档结束(高友弟)三期副总指挥审核工程造价部经理工程管理部经理工程技术部审核工程造价部经理(李晓霖)分管副总指挥审核审批操作预算价大于5万预算价小于等于5万非施工原因工程技术部审核工程技术部审核施工引起/审批权限内工程技术部审核工程造价部经理工程管理部审核判断施工类型新增项目引起 或者 施工引起/审批权限外11.工程签证管理开始(申请人员)填写申请表部门经理审批审批操作工程造价部经理审批提交审批操作(申请人员)发起人归档结束退回退回提交审批操作否工程管理部项目经理确认工程管理部经理退回工程造价部相关人员会签12.工作联系单审核 开始(申请人员)填写申请表(部门经理)部门经理审批相关人员进行会签提交申请人判断是否归档是结束是否项目经理审核13.工程款支付申请开始(申请人员)填写申请表(部门经理)部门经理审批审批操作退回(工程造价部经理)工程造价部经理审批提交审批操作退回(三期副总指挥)三期副总指挥审批(林惠芳)集团财务部审核审批操作提交退回审批操作是否合同内外提交退回(高友弟)集团分管领导审批审批操作合同内退回(江孔雀)集团领导审批合同外审批操作提交(申请人员)发起人归档结束(转办人员)工程造价部转办转办(集体决策)公司高层领导会签审批(高友弟)集团分管领导审批审批操作提交(林惠芳)集团财务部确认提交是否需要会签是否全部完成会签是否退回退回14.项目工程结算申请开始(申请人员)填写申请表(造价部经理)造价部经理审核审批操作提交(三期副总指挥)三期副总指挥审批审批操作退回(申请人员)提交结算申请终稿(申请人员)发起人归档结束退回退回(工程管理部经理)工程管理部审核(转办人员)工程管理部转办审批操作提交转办退回(高友弟)集团分管领导审批审批操作提交退回15.工程项目统计报表管理开始发起人申请是相关人员进行传阅(申请人员)发起人归档结束。
工程建设项目前期工作流程·基本流程
·建设项目投资决策(建议书、可行性研究报告)流程
工程建设项目管理流程·项目管理基本流程
·招投标基本流程
·合同签订流程
·施工准备流程
·项目风险管理与信息管理流程
1、项目风险管理流程
2、项目信息管理流程
·竣工验收流程
·施工准备阶段监理工作流程
·施工阶段工程投资控制流程
·施工阶段工程进度控制流程
·施工阶段工程质量控制流程
·施工阶段安全监理控制流程
·合同管理控制流
·信息管理控制流程
·组织协调控制流程
·工程质量问题及工程质量事故处理流程
·工程安全事故处理流程
·工程洽商控制及签证工作流程
·工程竣工验收控制流程
·保修阶段监理工作流程
如有侵权请联系告知删除,感谢你们的配合!。
工程项目管理流程图工程项目管理流程图是指在工程项目管理过程中,为了更好地组织、协调和控制项目活动,以达到项目目标,将项目管理过程中的各项活动和流程用图形符号表示出来的一种图解工具。
它能清晰地展现项目管理的全过程,帮助项目管理者和相关人员更好地理解和把握项目管理的关键环节和流程,提高项目管理的效率和质量。
一、项目启动阶段。
在项目启动阶段,首先需要明确项目的目标和范围,明确项目的需求和可行性,进行项目可行性研究,编制项目立项申请书,确定项目的投资预算和时间计划,制定项目管理计划书,明确项目管理组织结构和人员配置等。
这一阶段的关键流程包括项目启动会议、需求分析、可行性研究、项目立项、项目管理计划编制等。
二、项目规划阶段。
在项目规划阶段,需要进行项目范围规划、项目时间规划、项目成本规划、项目风险管理规划、项目质量管理规划、项目采购管理规划等。
项目规划阶段的关键流程包括项目范围规划、项目WBS分解、项目网络计划、项目资源计划、项目成本估算、项目风险识别和评估、项目质量计划、项目采购计划等。
三、项目执行阶段。
在项目执行阶段,需要进行项目团队建设、项目信息传递、项目进度控制、项目成本控制、项目质量控制、项目风险控制、项目采购管理等。
项目执行阶段的关键流程包括项目团队建设、项目进度追踪、项目成本控制、项目质量检查、项目风险应对、项目采购执行等。
四、项目收尾阶段。
在项目收尾阶段,需要进行项目验收、项目成果交付、项目总结、项目结算、项目人员调整等。
项目收尾阶段的关键流程包括项目验收、项目成果交付、项目总结报告、项目结算和决算、项目人员调整等。
以上是工程项目管理流程图中的主要流程和关键环节,通过清晰地展现项目管理的全过程,帮助项目管理者和相关人员更好地理解和把握项目管理的关键环节和流程。
希望本文能够帮助大家更好地理解工程项目管理流程图,提高项目管理的效率和质量。
工程项目建设管理流程图
(
监(市建设工程
交易服务中心)察
局(建设单位
(建设局)
福田区建筑工务局
二○○七年七月
基本建设项目审批程序
一、审批流程
项目建议书——→可行性研究报告——→初步设
计及概算——→ 开工报告——→竣工验收
二、审批条件
1、项目建议书审批所需材料
①项目业主的立项申请;
②有资格的单位编制的项目建议书;
③主管部门的报告或意见;
④建设用地来源;
⑤项目业主的营业执照或事业单位证书;
⑥按项目需提供的其他材料。
2、可研报告审批所需材料
①项目业主申请批准项目可研报告的报告;
②有资格的单位编制的可研报告;
③有资格的评估单位对可研报告的评估意见;
④按项目需提供的其他材料。
3、初步设计及概算
①项目业主关于申请下达项目年度计划的报告(包括项目前期工作进展情况、资金落实情况、当年施工计划、建设内容、当年投资额);
②项目建议书、可研报告、初步设计的概算的批复;
③建设用地规划许可证;
④经市规划局批准的总平面图;
⑤建设用地国土使用证;
⑥资金证明;
⑦按项目所需提供的其他材料。
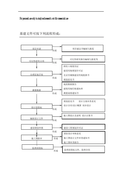
F o r p e r s o n a l u s e o n l y i n s t u d y a n d r e s e a r c h;n o t f o r c o m m e r c i a l u s e 基建文件可按下列流程形成:立项决策文件包括:项目建议书(代可行性研究报告)及其批复、有关立项的会议纪要及相关批示、项目评估研究资料及专家建议等。
根据项目大小、投资主体的不同,项目建议书的批复文件分别由国家、行业或北京市相关政府管理部门审批。
建设用地文件包括:征占用地的批准文件、国有土地使用证、国有土地使用权出让交易文件、规划意见书、建设用地规划许可证等。
建设用地文件分别由国有土地管理部门和规划部门审批形成。
勘查设计文件包括:工程地质勘察报告、土壤氡浓度检测报告、建筑用地钉桩通知单、验线合格文件、设计审查意见、设计图纸及设计计算书、施工图设计文件审查通知书等。
建筑用地钉桩通知单、验线合格文件、审定设计方案通知书由规划部门审批形成。
招投标及合同文件包括:工程建设招标文件、投标文件、中标通知书及相关合同文件。
开工文件包括:建设工程规划许可证、建设工程施工许可证等。
工程开工文件分别由规划部门和建设行政管理部门审批形成。
商务文件包括:工程投资估算、工程设计概算、施工图预算、施工预算、工程结算等。
其他文件包括:工程未开工前的原貌及竣工新貌照片、工程开工、施工、竣工的音像资料、工程竣工测量资料和建设工程概况表等。
(一)立项决策文件包括:项目建议书(代可行性研究报告)及其批复、有关立项的会议纪要及相关批示、项目评估研究资料及专家建议等。
根据项目大小、投资主体的不同,项目建议书的批复文件分别由国家、行业或北京市相关政府管理部门审批。
(二)建设用地文件包括:征占用地的批准文件、国有土地使用证、国有土地使用权出让交易文件、规划意见书、建设用地规划许可证等。
建设用地文件分别由国有土地管理部门和规划部门审批形成。
工程项目管理全套流程图受控状态是指文件被标记为需要严格控制的状态,而非受控状态则是指文件不需要严格控制。
质量管理体系文件的编号为LDSY/QC.05-2013,版本号为A/0,适用于XXX。
该文件包括了工程项目管理流程的各个方面,如招标工作程序、监理工作程序、质量控制程序、工期控制程序、成本控制程序、重要材料控制程序、设计变更程序、隐蔽工程验收程序、竣工验收程序、合同管理程序以及信息和资料管理程序等。
工程项目管理总流程的第一步是签署委托项目管理合同,接下来项目管理公司需要提交项目策划并委任项目经理和组建项目部。
在办公室、形象策划、项目策划、合同管理和信息管理等方面进行前期工程,包括办理前期手续、项目勘察、设计、方案评审以及概、预、决算编制审查等。
在工程管理、工程监理、施工管理、质量鉴定、试运行、竣工验收和后评价等方面进行工作。
同时,还需要进行招标采购、招投标代理、采购管理、投资咨询、规划咨询、融资咨询等工作,包括编制项目建议书和项目可研报告以及计划财务、专项账户、用款计划、资金拨付和财务审计等。
在项目部负责现场管理的过程中,需要进行质量控制、工期控制、成本控制、重要材料控制、设计变更控制、安全管理、合同管理、信息档案管理和组织协调等方面的工作。
最后,项目结束后需要进行总结和归档等工作。
在招标工作程序中,需要进行招标前期准备工作,包括编制资格预审文件和招标文件、发布招标公告、出售资格预审文件、投标人编制和报送资格预审文件、资格预审、发出资格预审合格通知书、出售招标文件、现场考察和标前答疑、投标人编制投标文件、投标文件送达和投标截止、开标、评标、定标以及发出中标通知和签订合同等工作。
监理工作程序需要建立项目监理部,编制监理实施细则,并参加业主组织的设计技术交底会和第一次工地会议。
在监理规划进驻施工现场的过程中,需要协助业主签订承包合同,组织专业监理工程师审查承包单位报送的施工组织设计,审查承包单位现场项目管理机构的质量管理体系、技术管理体系和质量保证体系,并按工程进度分专业进行工作。
_________________ 开发有限公司工程项目管工作流程编制人:年月曰、建设工程审批流程二、招标工作程序三、质量控制程序四、工期控制程序五、成本控制程序六、重要材料控制程序七、设计变更程序八、隐蔽工程验收程序九、竣工验收程序十、信息、资料管理程序建设工程审批流程建设工程设计方案审查建设工程规划许可证施工图审查WORD格式可编辑J竣工测量、规划验收、招标(施工、设计、监理、勘探等)工作程序督监查检三、质量控制程序质量控制审查质量体系审批施工 组织设计组织图纸会审 和设计交底事先控制测量定位施工设备 上岗证 质量自检 工质量预控制工序质量跟踪控制分析处理质量事故签订装饰工程样板签认分部分项工程质量检查验收隐蔽工程审查设计变更工程更改检查原材料构配件事中控制施工控制竣工验收编制织专业知识整理分享验竣事 工后 控控 制制WORD 格式可编辑ES否Y意 同 S No 否YE ——意I Y同四、工期控制程序签订承包合同(业主与施工单位)编制施工进度计划(施工单位)审查施工进度计划(项目管理部)编制年/季/月度/周实施计划(施工单位)审查施工计划(项目管理部)实施进度计划(施工单位)检查计划实施情况(项目管理部)清表工程土方工程房建工程市政道路工程----------- 修改实施进度计划— 审查施工措施_____ — 检查材料、施工设施—检查劳动力落实情况 --- 组织协调各方关系动态管理跟踪控制实际值与计划值对比(项目管理部) ------------- 偏离否YESWORD格式可编辑五、投资控制程序投资预控(事先)优化设计概、预算审查施工招标施工图会审择优选择承建单位动态控制(事中)审查材料、设备订货审查设计变更工程更改审查合同价分解实现投资控制目标六、重要材料控制程序材料进场前提出材料使用计划、村质试验报告申报监理工程师发现疑问专业监理工程师审查报告 ---------------------- 则承包单位重新检验再是次申批准报告、同意材料进场_______________________ 专业监理工程师再次审查不批准承包单位用村,指令并监督不合格材料运出现场业主抽查七、设计变更程序设计单位提出设计变更监理工程师从质量、进度、投资控制角度审查重大修改与业主磋商并取得业主的认可通知承包单位进行造价及工期的估算根据合同条款核定批准承包单位实施设计变更八、隐蔽工程验收程序承包单位自检合格并提交有质检人员签字的隐检记录申报否监理工程师发现不符合要求时退回承包单位重新进行隐检监理工程师审查隐检记录并进行现场随机抽查核验是监理人员复核认可监理工程师批准隐检记录并签字认可承包单位取得隐检认可后进入下道工序施工专业知识整理分享九、竣工验收程序承包单位验收合格后报送验收资料一有问题监理工程师对承包单位报送的竣工资料进行审查总监理工程师组织专业监理工程师对工程质量进行竣工预验收监理工程师就存在的问题要求承包单位及时整改总监签暑工程竣工报验单并提出工程质量评估报告承包单位提出竣工验收申请监理工程师审查申请施工、监理、设计单位参加业主组织竣工验收专项核验(消防等)对验收中提出的问题,监理机构应要求总体核验承包单位进行整改总监会同参加验收的各方签署竣工验收报告竣工验收意见报质监站备案WORD格式可编辑十、信息、资料管理程序表示文件、档案资料的发送建设单位技术负责人设计单位投资管理监理单位总承包单位工程分包单位材料供应单位其他部门。
开始项目可研项目可研评审可研批复申请项目核准制定物资采购计划物资采购设计、监理招标配合初设评审通过初设批复材料清册技术协议施工图及预算审查通过编制资金计划A施工图设计及预算初步设计图 1-1 项目管理工作总体流程(一)施工协调管理流程图 工程指挥部监理单位施工单位补充物资采购A初设材料清册与施工图材料清册对比编制并下达工程进度计划落实开工条件满足合同管理进度管理安全管理质量管理造价管理技术管理档案管理土建 (基础施工)安装 (杆塔组立)调试 (架线附件)竣工验收通过启动投运工程结算资料移交竣工决算资产移交工程结算审计结束评价考核图1-2 项目管理工作总体流程(二)审批工程开工报审表召开工程例会,解决相关施工出现的问题审核工程开工报审表提出相关需要施工单位解决的施工问题是否下达工程暂停令下达工程暂停令配合协调解决问题审批复工申请结束开始办理开工手续组织编写工程开工报审表组织工程开工负责落实解决影响工程施工的相关事项确认整改完成后提出复工申请参加启动工作图1-3 施工协调管理流程汇总物资、施工、监理月报,编制《电网建设月报》,每月5日前报工程指挥部审查施工月报,并编制监理月报,每月27日前报工程部开始编制月报(包括各个专业本月工作情况,存在的困难和问题以及相应对策,下月进度计划),每月23日前报监理单位图1-4 工程建设月报上报流程开始提出档案管理的目标计划及要求工程竣工档案移交至公司档案室结束审查工程竣工档案接受工程竣工档案移交审核相关文档审核工程竣工档案确认工程竣工档案移交确认工程档案管理目标、档案范围及要求收集自身负责的所有相关文档案及影像资料做好纸质文档的收发保管工作,每月整理影像资料按要求对文件资料进行归档工作经施工单位审核后上报验竣工资料工程竣工档案移交图1-5 档案信息管理流程监督检查工程安全管理体的建立和运行符合要求审批参建单位的安全文明施工策划划建立安全管理网络开始建立安全管理制度和安全管理台账督促、检查参建单位编制安全管理制度、台账及危险点预控措施A达到安全文明施工开工条件条件开工前,召开第一次安全会议修改完善监理项目部编制安全监理工作方案,建立安全管理台账施工项目部编制安全文明施工实施细则方案及危险点预控措施,建立安全管理台账施工项目部开工前,落实安全文明措施,落实安全会议精神和风险、应急、分包等管理措施监理项目部审核安措费使用情况,对现场安全文明施工条件及措施落实情况进行把关整改完善图 2-1 项目安全管理工作总体流程(一)全过程安全管理监督检查指导组织开展各类安全检查总结并制定安全管理改进计划检查指导项目安全管理监督改进落实情况并提出预防措施结束A组织实施全过程安全管理定期召开安全会议组织开展安全管理活动组织月度和随机安全检查落实季度及专项安全大检查定期开展危险点预控管理分包管理评价,总结上报监督指导项目问题整改符合要求分析总结评价结果总结上报监理项目部监督检查项目施工现场安全文明状况,对重要工序、危险点、特殊作业实施旁站,协调交叉作业和工序交接中安全文明施工问题施工项目部每月开展安全教育,开展安全检查活动,落实安全会议决定和安评、危险点、应急和分包管理制度和措施,实行隐患整改闭环管理,保持安全文明施工环境对检查和评价中存在的隐患进行整改闭环继续整顿持续动态改进保持良好按文明施工环境图2-2 项目安全管理工作总体流程(二)加强设备采购质量管理和监造工作建立设计质量管理制度定期随机检查在建工程质量开始建立质量管理体系及规章制度对项目质量进行全过程管理组织中间验收A设计单位保证供图进度和质量;派驻工地代表;及时答复参建各方提出的设计问题;参加歌唱质量检查歌唱质量事故调查等工作施工单位建立健全施工质量管理体系和制度;制定落实质量保证措施;加强分包质量管理;严格工序管理,组织好内部质量检查、验收工作,参加工程质量检查,质量事故调查和处理等工作;完善施工质量档案管理监理单位建立健全监理质量控制保证体系,制定见证、旁站、巡视、平行检验等监理工作制度,并确保有效实施;审查施工单位的《施工组织设计》等有关文件;组织检查验收进场设备和材料;严格施工过程质量控制,定期编写过程质量报告;组织或参加过程质量检查,过程质量事故调查和处理;建立健全工程监理质量档案设备供应公司严格执行国家及行业标准、合同规定,提供全套产品质量证明文件,并按合同规定提供技术培训和现场安装试验技术指导及相关服务,配合监造工作调试试验单位严格执行有关规定,编制调试试验大纲,提交准确、齐全的工程调试、试验报告B图3-1项目质量管理工作总体流程(一)项目质量管理工作总体流程(二)工程指挥部参建单位批准工程项目启动计划书参加工程竣工验收工程竣工启动验收编制工程项目启动计划书组织工程质量竣工验收AB汇总竣工验收出现的缺陷并组织复检配合做好复检工作在规定的时限内完成消陷工作结束负责投产后的质量保修工作图3-2 项目质量管理工作总体流程(二)建设部组织施工图交接备案组织竣工验收组织技术交底批准工程质量控制跟踪参与竣工验收参与技术交底审批质量通病防范措施审批施工组织设计审查质量管理体系1、组织机构2、工序管理3、质量自检检查监督1、上岗证2、施工设备监督管理1、检查材料、设备2、审查设计变更、工程变更3、检查验收隐蔽工程4、签认分部分项工程质量5、分析处理质量事故组织中间验收或初检结束配合中间验收或初检开始质量回访配合竣工验收三级自查关键工序过程控制关键材料跟踪管理1、编制施工组织设计2、编制质量通病防范措施3、建立质量管理体系成立施工项目部图3-3 施工质量控制管理流程项目造价管理工作总体流程(一)领导小组工程指挥部监理单位参建单位建设部工程部组织可研估算工作开始批复初步设计组织初步设计评审设计单位配合初步设计评审设计单位编制初步设计概算组织施工图及预算会审批复施工图预算编制底标,组织施工单位招标参与施工图及预算评审设计单位编制施工图预算审批重大设计变更预算审核工程变更重大设计变更审查批准支付审查工程变更预算A审核申请施工单位申请支付工程进度款工程变更费用施工单位申请支付工程预付款施工单位申请其他付款施工单位提出工程变更图4-1项目造价管理工作总体流程(一)结束竣工决算及审计审查批准A汇总工程变更、签证、索赔等资料,对资料的完整性进行审查通过审查签署审查意见编制施工结算书,提出竣工结算申请图4-2项目造价管理工作总体流程(二)审核批准监督材料供应、劳务分包款项的支付情况审查付款申请办理预付款进度款开始编制工程预付款报审表,申请支付工程预付款根据工程施工完成形象进度编制工程进度款报审表审核材料供应、劳务分包提出的付款申请支付预付款进度款结束工程变更管理工作流程图领导小组工程指挥部监理单位施工单位工程部同意是是否图4-3 工程进度款管理工作流程实行重大工程变更审批规定审核是否重大工程变更现场监督实施是否同意工程变更从质量、进度、投资控制角度审查监督实施结束报送工程变更单汇总表组织实施工程变更编制工程变更预算书开始提出工程变更图4-4 工程变更管理工作流程开始优化设计施工图会审概、预算审查1、审查竣工决算2、补偿与索赔3、扣质保金施工招标择优选择施工单位1、审查合同价分解2、审查设计变更、工程变更3、核对材料、设备订货进度款支付动态控制(事中)实现成本控制目标结束竣工验收决算(事后)根据施工合同组建项目部,作出成本管理规划及资金使用计划合同归档并对价款使用进行控制、分析、反馈图4-5 成本控制管理工作流程根据工程立项批复编制工程前期进度计划每月汇总各个工程进度执行情况汇总排定项目设计计划根据施工图编制工程进度计划编制《工程物资供应协调表》汇总工程施工进度计划和物资供应协调表每月检查进度执行情况,及时纠正偏差1、审查施工措施2、检查材料、施工设施3、检查劳动力落实情况4、组织协调各方关系结合月度存在的问题及相应对策,汇总、编制《电网建设月报》工程各节点进度变更造成项目进度变化,实际值与计划值对比是否影响总体进度进度控制审核工程施工进度计划是否满足工期要求审核调整后施工进度计划编制《工程施工进度计划》结束实施施工进度计划报出形象进度报表对相应施工进度计划进行调整图5-1 项目进度管理工作总体流程项目设备、材料供应计划管理流程图物资公司工程指挥部监理单位施工单位工程部否是物资公司采购签订施工合同编制甲供材料设备合同交货计划审批甲供材料设备需求或补充计划通知工程部对进场材料设备验收审核乙供材料工器具需求计划并检查落实审核甲供材料设备需求计划计划审核材料设备补充计划计划组织各参建单位对进场材料设备进行验收质量是否符合规定对质量不符合要求的材料设备提出处理意见结束材料进货检验(设备开箱)流程图物资公司工程指挥部监理单位施工单位工程部否是交付使用安装甲供材料设备补充计划编制施工工器具需求计划编制乙供材料计划编制甲供材料设备需求计划图5-2 项目设备、材料供应计划管理流程按意见处理参加设备开箱验货组织验货对不合格设备提出处理意见并清出现场开始物资(设备)到货,提出物资使用计划,各种试验报告,申请验货进货检验设备开箱是否合格物资发放建立跟踪记录结束乙供材料存在缺陷联系厂家处理进入设备合格区并建立台账图5-3 材料进货检验(设备开箱)流程建设管理单位建设管理单位电网规划可研技术管理设计单位工程部建设部参与施工图设计评审组织初步设计评审施工图评审设计单位建设部工程部设计交底、技术交底、设备技术审核技术方案审核工程变更管理监理单位施工单位设计单位工程部工程部建设部建设部工程部技术总结参与工程启动组织工程启动参与工程竣工验收组织工程竣工验收施工单位设计单位监理单位图6-1 项目技术管理工作总体流程文档附件上传成功,但与已有文档重复,只能自己阅读!文档附件上传成功,但与已有文档重复,只能自己阅读!文档附件上传成功,但与已有文档重复,只能自己阅读!文档附件上传成功,但与已有文档重复,只能自己阅读!文档附件上传成功,但与已有文档重复,只能自己阅读!文档附件上传成功,但与已有文档重复,只能自己阅读!文档附件上传成功,但与已有文档重复,只能自己阅读!文档附件上传成功,但与已有文档重复,只能自己阅读!文档附件上传成功,但与已有文档重复,只能自己阅读!文档附件上传成功,但与已有文档重复,只能自己阅读!文档附件上传成功,但与已有文档重复,只能自己阅读!文档附件上传成功,但与已有文档重复,只能自己阅读!文档附件上传成功,但与已有文档重复,只能自己阅读!文档附件上传成功,但与已有文档重复,只能自己阅读!文档附件上传成功,但与已有文档重复,只能自己阅读!文档附件上传成功,但与已有文档重复,只能自己阅读!文档附件上传成功,但与已有文档重复,只能自己阅读!文档附件上传成功,但与已有文档重复,只能自己阅读!文档附件上传成功,但与已有文档重复,只能自己阅读!文档附件上传成功,但与已有文档重复,只能自己阅读!文档附件上传成功,但与已有文档重复,只能自己阅读!文档附件上传成功,但与已有文档重复,只能自己阅读!文档附件上传成功,但与已有文档重复,只能自己阅读!文档附件上传成功,但与已有文档重复,只能自己阅读!文档附件上传成功,但与已有文档重复,只能自己阅读!文档附件上传成功,但与已有文档重复,只能自己阅读!文档附件上传成功,但与已有文档重复,只能自己阅读!文档附件上传成功,但与已有文档重复,只能自己阅读!文档附件上传成功,但与已有文档重复,只能自己阅读!文档附件上传成功,但与已有文档重复,只能自己阅读!文档附件上传成功,但与已有文档重复,只能自己阅读!文档附件上传成功,但与已有文档重复,只能自己阅读!文档附件上传成功,但与已有文档重复,只能自己阅读!文档附件上传成功,但与已有文档重复,只能自己阅读!文档附件上传成功,但与已有文档重复,只能自己阅读!文档附件上传成功,但与已有文档重复,只能自己阅读!文档附件上传成功,但与已有文档重复,只能自己阅读!文档附件上传成功,但与已有文档重复,只能自己阅读!文档附件上传成功,但与已有文档重复,只能自己阅读!文档附件上传成功,但与已有文档重复,只能自己阅读!文档附件上传成功,但与已有文档重复,只能自己阅读!文档附件上传成功,但与已有文档重复,只能自己阅读!文档附件上传成功,但与已有文档重复,只能自己阅读!文档附件上传成功,但与已有文档重复,只能自己阅读!文档附件上传成功,但与已有文档重复,只能自己阅读!文档附件上传成功,但与已有文档重复,只能自己阅读!文档附件上传成功,但与已有文档重复,只能自己阅读!文档附件上传成功,但与已有文档重复,只能自己阅读!文档附件上传成功,但与已有文档重复,只能自己阅读!文档附件上传成功,但与已有文档重复,只能自己阅读!文档附件上传成功,但与已有文档重复,只能自己阅读!文档附件上传成功,但与已有文档重复,只能自己阅读!文档附件上传成功,但与已有文档重复,只能自己阅读!文档附件上传成功,但与已有文档重复,只能自己阅读!文档附件上传成功,但与已有文档重复,只能自己阅读!文档附件上传成功,但与已有文档重复,只能自己阅读!文档附件上传成功,但与已有文档重复,只能自己阅读!文档附件上传成功,但与已有文档重复,只能自己阅读!文档附件上传成功,但与已有文档重复,只能自己阅读!文档附件上传成功,但与已有文档重复,只能自己阅读!文档附件上传成功,但与已有文档重复,只能自己阅读!文档附件上传成功,但与已有文档重复,只能自己阅读!。
全过程工程项目管理全套流程图目录全过程工程项目管理全套流程图目录 (1)一、工程建设项目前期工作流程 (2)1.1 工程建设项目基本流程 (3)1.2 工程建设项目建设项目投资决策(建议书、可研)流程 (4)1.3 工程建设项目建设项目设计阶段工作流程 (5)1.4 工程建设项目准备阶段工作流程 (6)二、工程建设项目管理流程 (7)2.1 工程建设项目管理基本流程 (8)2.2 招投标基本流程 (9)2.3 合同签订流程 (10)2.4 施工准备流程 (11)三、项目风险管理与信息管理流程 (13)3.1 项目风险管理流程 (14)3.2 项目信息管理流程 (15)3.3 竣工验收流程 (16)四、工程项目工作基本流程 (17)4.1 工程项目实施监理的总流程 (18)4.2 施工准备阶段监理工作流程 (19)4.3 施工阶段工程投资控制流程 (20)4.4 施工阶段工程进度控制流程 (21)4.5 施工阶段工程质量控制流程 (22)4.6 施工阶段安全监理控制流程 (24)4.7 合同管理控制流程 (25)4.8 信息管理控制流程 (27)4.9 组织协调控制流程 (29)4.10 工程质量问题及工程质量事故处理流程 (30)4.11 工程安全事故处理流程 (32)4.12 工程洽商控制及签证工作流程 (33)4.13 工程竣工验收控制流程 (34)4.14 保修阶段监理工作流程 (36)一、工程建设项目前期工作流程项目前期工作,属于项目管理范畴,主要是为项目执行提供一系列的准备工作1.1 工程建设项目基本流程1.2 工程建设项目建设项目投资决策(建议书、可研)流程1.3 工程建设项目建设项目设计阶段工作流程1.4 工程建设项目准备阶段工作流程二、工程建设项目管理流程建设工程项目百管理的内涵:在项目开始至完成,通过项目的规划和控制,以使项目的费用目标、进度目标和质量目标得以实度现2.1 工程建设项目管理基本流程2.2 招投标基本流程2.3 合同签订流程2.4 施工准备流程三、项目风险管理与信息管理流程项目风险管理是识别和分析项目风险及采取应对措施的活动。
建设单位(业主方)工程项目管理工作流程图
图1-1 项目管理工作总体流程(一)
图1-2 项目管理工作总体流程(二)
图1-3 施工协调管理流程
图1-4 工程建设月报上报流程
图1-5 档案信息管理流程
图2-1 项目安全管理工作总体流程(一)
图2-2 项目安全管理工作总体流程(二)
图3-3 施工质量控制管理流程
图4-1项目造价管理工作总体流程(一)
图4-2项目造价管理工作总体流程(二)
图4-3 工程进度款管理工作流程
图4-4 工程变更管理工作流程
图4-5 成本控制管理工作流程
图5-1 项目进度管理工作总体流程
图5-2 项目设备、材料供应计划管理流程
图5-3 材料进货检验(设备开箱)流程
图6-1 项目技术管理工作总体流程。