钢筋弯箍机检查验收表
- 格式:doc
- 大小:457.04 KB
- 文档页数:2
HENAN JINJIAN CONSTRUCT CO.,LTD 中心项目部安全管理资料
钢筋弯箍机检查验收表
验收部位钢筋加工成型区
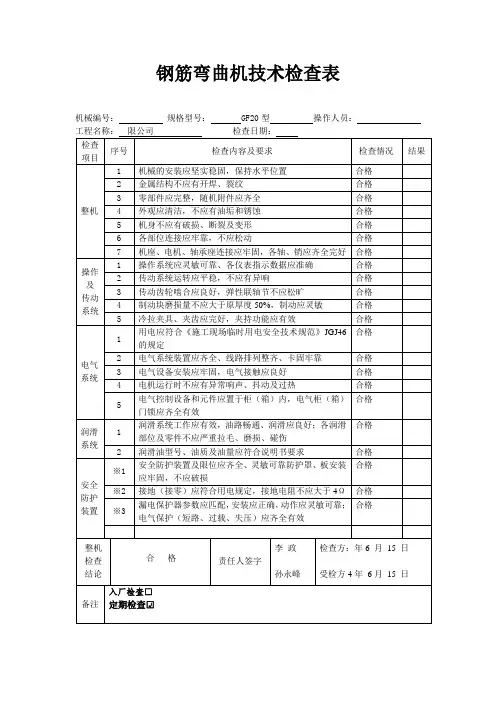
使用机械上海凯瑞机械制造有限公司GW24
验收项目验收内容验收结果安装机身安装稳固,工作台和弯箍机台面保持水平。
转
动箱齿轮油应清洁饱满,转动间隙应符合要求,齿
轮和滑动部位润滑良好,运动无异响。
芯轴和成型
轴、挡铁轴及轴套符合工作需要并且无裂痕和损
伤。
配电开关箱必须符合一机一闸一漏一箱的设置,操作使
用专用设备按钮开关。
电气必须设置保护接零及漏电保护器。
防护传动部位防护罩坚固可靠,弯曲钢筋的作业半径内无障碍物,操作棚防雨、防横砸。
设置操作规程标牌及验收合格牌。
资质、交底作业人员必须是持操作技能上岗证得操作工,作业
前必须接受详细的安全技术交底,严禁使用铁壳倒
顺开关,双方签字确认。
验收结论
验收人员(签字)技术负责设备负责施工负责操作工安全负责
HENAN JINJIAN CONSTRUCT CO.,LTD 中心项目部安全管理资料。
HENAN JINJIAN CONSTRUCT CO.,LTD 中心项目部安全管理资料
钢筋弯箍机检查验收表
验收部位钢筋加工成型区
使用机械上海凯瑞机械制造有限公司GW24
验收项目验收内容验收结果安装机身安装稳固,工作台和弯箍机台面保持水平。
转
动箱齿轮油应清洁饱满,转动间隙应符合要求,齿
轮和滑动部位润滑良好,运动无异响。
芯轴和成型
轴、挡铁轴及轴套符合工作需要并且无裂痕和损
伤。
配电开关箱必须符合一机一闸一漏一箱的设置,操作使
用专用设备按钮开关。
电气必须设置保护接零及漏电保护器。
防护传动部位防护罩坚固可靠,弯曲钢筋的作业半径内无障碍物,操作棚防雨、防横砸。
设置操作规程标牌及验收合格牌。
资质、交底作业人员必须是持操作技能上岗证得操作工,作业
前必须接受详细的安全技术交底,严禁使用铁壳倒
顺开关,双方签字确认。
验收结论
验收人员(签字)技术负责设备负责施工负责操作工安全负责
HENAN JINJIAN CONSTRUCT CO.,LTD 中心项目部安全管理资料。