方针目标管理程序
- 格式:doc
- 大小:76.00 KB
- 文档页数:7
文件制修订记录1 目的本程序为了规范公司质量方针、目标管理,确保公司质量方针、目标得到有效的贯彻和执行。
2 范围本程序适用于公司的质量方针和目标管理。
3 术语无4 职责4.1 董事长负责公司质量方针和质量目标的制定和批准。
4.2 管理者代表负责公司年度质量目标的批准。
4.3 质量部是公司质量目标过程的归口管理部门;负责公司年度质量目标的制定、分解,并对其贯彻实施情况进行跟踪管理。
4.4公司各职能部门负责本部门所管过程质量目标的落实工作。
4.5公司各有关部门负责配合完成质量目标管理过程的各项工作。
5 工作程序5.1 质量方针的制订和审批5.1.1 董事长组织管理者代表、各部门主管制定或修订质量方针。
制定或修改质量方针时应充分考虑以下内容:a) 必须与本公司的宗旨相适应;b) 必须包括对满足顾客的期望和需求及进行持续改进的承诺;c) 为制定质量目标设定框架;d) 容易理解,便于实施与维持。
5.1.2 经讨论确定后的质量方针规定在《质量手册》中,质量部按《文件控制程序》的要求发放到公司的各相关部门。
5.1.3 各部门负责通过培训、标语等方式使本部门员工熟悉并理解公司质量方针。
5.1.4 根据顾客、法律法规等要求,或管理评审的结果等,修订和完善公司质量方针时应按5.1执行。
5.2质量目标的制定和审批5.2.1 每三年由董事长、管理者代表主持召开各部门主管会议,通过对公司质量方针、顾客的要求和期望,以及前三年质量目标的完成情况和趋势分析结果等,制定公司未来三年的质量目标,发放到公司的相关部门。
5.2.2 各部门以培训、会议等形式向员工传达公司质量目标,确保员工熟悉并理解公司质量目标要求。
5.3 年度质量目标的制定和审批5.3.1 公司制度年度质量目标。
5.3.2 每年的12月30日前,质量部会同公司有关的职能部门,依据公司的质量目标,以及本年度质量目标的完成情况,制定公司次年度的质量目标,并经质量部领导审核,报公司管理者代表批准后,下发到各相关部门。
质量方针与目标管理程序前言在现代企业中,质量管理日益重要,制定一份合理的质量方针和目标管理程序对企业的质量管理至关重要。
本文以企业实际情况为背景,结合质量管理理论,制定了一份适用于企业的质量方针和目标管理程序。
质量方针定义质量方针是企业管理层制定的一个关于品质方面的宏观方向性和框架性的文件。
它是企业自身宣传和外部交流的重要依据和途径,也是企业内部操作互相衔接的制度和基础性文件。
目的制定质量方针的目的主要以满足客户需求和提高产品质量为主要目标,从而实现企业的长期发展和成长。
质量方针是企业质量管理的起点,是质量文化培养的起点,也是顾客满意的洪荒之力。
内容本企业质量方针如下:我公司的质量方针是满足客户需求,促进内部合作,持续改善和提高产品质量,实现企业的可持续发展。
目标管理程序定义目标管理是指通过设定明确、可衡量、可追踪的工作目标,优化资源配置,达成价值最大化的管理流程。
目标管理程序是一个相对完整的工作流程,涉及目标制定、目标评估、目标修正、目标达成等方面,有助于规范企业的目标管理流程,提升目标达成度。
目的目标管理程序的主要目的是帮助企业实现其战略目标,提高绩效,并提高员工对企业目标的理解和参与度。
通过制定确切的目标,有助于管理层更好地把握企业发展方向,完善工作流程和体系,提高企业应对市场的反应能力。
内容本企业的目标管理程序如下:第一步:自我评估和制定目标管理层将会在企业的战略方针的指导下,制定出符合市场需求和企业竞争力的目标。
每年初,通过自我评估,对企业内外部资源环境进行分析,制定出具体可衡量、可追踪和可计算的工作目标。
部门负责人需要和员工共同制定出本部门内部的指标和任务,将其紧密地关联于企业的战略目标。
第二步:目标评估和修正本部门每月会对年初制定的目标进行评估,如果目标达成度高于或等于75%,则认为目标已经完成。
如果不足75%,则需要重新制定目标,并制定改善计划。
部门负责人需要与公司战略团队沟通,并得到修正方案的批准。
1.目的:为规范公司质量方针、目标的制定、修订要求,确保公司质量方针、目标有效实施,持续保持质量管理体系的适宜性、有效性,特制定本程序。
2.适用范围:本程序适用于质量管理体系的方针、目标与方案的管理。
3.术语与定义:3.1.方针:由组织最高管理者正式发布的关于质量管理体系方面的总体意图和方向。
3.2.目标:在质量管理体系方面组织所追求的目的。
4.职责和权限:4.1.总经理:负责批准公司质量、环境、职业健康安全管理体系目标与管理方案的实施;负责组织定期评审方针,以确保其持续适宜性,体系持续改进。
4.2.管理者代表:协助总经理制定和评审质量、环境、职业健康安全管理体系的方针,确保在公司各部门得到沟通和理解。
4.3.质量管理部:统筹公司年度质量目标,制定目标与管理方案报总经理批准。
监督、检查各部门质量目标的完成情况,对目标未达成的部门进行跟踪,确认其改善效果。
4.4.各部门负责人:根据公司总目标,制定本部门质量目标,对目标的实施过程安排专人进行数据分析,并对未达成的目标采取纠正预防措施,实施改进。
5.工作程序5.1.质量方针的制定、修订5.1.1.质量方针制定、修订的原则a)质量方针应体现集团公司最高管理者(董事长)在质量方面的意图和方向,并能为公司提供关注焦点,形成全体员工的凝聚力,显示对顾客的质量承诺,得到顾客的信任。
b)应依据公司的战略方向,充分考虑影响公司运营的内外部环境因素及顾客、法律、法规、相关方的需求和期望,在识别风险和机遇的基础上建立质量方针。
5.1.2.质量方针内容的要求a)质量方针应符合集团公司的宗旨,符合总部的整体发展战略规划,符合公司的发展需要。
b)质量方针能通过质量目标来支持实现,为质量目标提供框架。
c)质量方针有针对性,能满足、适应顾客和法律法规的要求,体现公司产品和过程的特性,不断增强顾客满意。
5.2.沟通质量方针5.2.1.本程序明确公司质量方针为:全员参与质量管理,获得顾客最大的满意。
方针、目标、指标与管理方案控制程序随着企业竞争的加剧和市场环境的变动,对企业的管理要求也越来越高。
为了有效地管理企业,制定方针和目标、建立相应的指标体系和管理方案都是必不可少的工作。
本文将从方针、目标、指标和管理方案四个方面进行详细探讨,并介绍管理方案控制程序的应用。
方针方针是企业管理的基本准则,是指企业在一定时期内,在一定范围内,在一定环境下进行经营活动的基本方向和基本态度。
制定方针是企业战略规划的首要任务。
方针的制定要考虑到企业自身的实际情况,以及市场环境和政策的影响因素等。
方针的制定应具有科学性、针对性和前瞻性,方针的质量直接影响企业的未来发展。
目标目标是企业制定方针后所确定的具体的目标,是企业行动计划中最重要的组成部分。
目标的制定要与方针和市场环境相匹配,保证到达目标后的企业利益和市场地位。
目标的制定需要考虑清楚,包括时间限制、可行性、可达性、可量化和可控性等等。
在企业目标实现的过程中,应该对目标进行跟踪和调整,以确保目标的实现。
指标指标是考核企业目标达成情况的具体标准,是管理工作中最直观的表现形式。
指标的制定应考虑到指标的科学性、有效性、可检测性、可比较性和可操作性。
企业的经营管理需要使用一系列指标来对企业的商业模式、市场发展、品牌价值、客户满意度、财务等各方面进行监控和评估。
制定好的指标可以帮助企业进行决策,指引企业走向正确的方向。
管理方案管理方案是制定方针、制定目标和制定指标的完整体系,是实现方针与目标的桥梁和纽带。
管理方案的制定应考虑到企业的可行性、针对性、完整性和详细性,需要采用计划、组织、实施和监控等多个环节的综合控制方式。
企业管理方案的设计应该遵循普适性、可持续性和适应性的要求。
管理方案控制程序管理方案控制程序是指在管理方案的实施过程中所采用的具体行动,以达到对方案的控制和监测。
管理方案控制程序可以采用现代化的信息化技术,将企业的管控体系跨越式转型。
管理方案控制程序包括计划控制、质量控制、资源控制、风险控制和执行控制等多个方面的控制内容。
1.总则方针目标管理是现代管理的科学办法之一。
工厂为了实现本企业的经营目标和达到工效果,每年必须明确制定企业的经营决策、纲领和企业发展方向计划。
方针目标实现的全过程要自上而下地建立目标,制订措施、确定制度,组织实施和严格考核,这有利于动员企业所有部门及全体职工同心协力,共同做好一年的工作,有利于提高企业现代管理水平,增强企业素质,提高经济效益。
2.制订方针目标的依据2.1 国家的方针政策,国家的政治经济形势,上级主管部门下达的产品品种、质量产量、利润等技术经济指标和其它要求。
2.2 本厂的中长期企业发展规划、现代化管理规划、新产品开发规划、产品质量级及全面质量管理发展规划、技术改造规划、生产发展规划、安全环保综合治理规划及其它规划等。
2.3 国内外市场的调查、分析、预测、情报信息资料(包括国内外同行业先进技术平、管理水平等)。
2.4 工厂的实际能力和现有水平,上年度工厂方针目标实施的遗留问题。
3.方针目标编制的程序3.1 在每年初,由工厂各分管厂长、工程师提出下年度工厂目标设想,厂务会集讨论,形成工厂方针目标指导思想,并由厂长下达指令。
3.2 由专人组织,并根据厂长指令,分生产行政部、技术部、组织各职能科室提下年度方针目标设想,并收集准备依据资料。
3.3 部门分头组织可行性分析论证,形成各部方针目标计划。
3.4 发至各部门征求意见,根据反馈意见再讨论修订。
3.5 经厂务会、工厂管理委员会、职代会讨论审议通过,由专人负责按系统图法行,在一月份编制出工厂方针目标执行图。
4.方针目标的执行4.1 方针目标展开一定要坚持以数据说话的原则,目标值尽可能定量化。
其内容般包括品种、质量、生产能力、科研技改、企业管理、技术经济指标、安全环保、文明生产思想交流工作、职工福利等。
4.2 工厂方针要按系统图法执行,纵向到底,横向到边,纵横连锁,层层确保原则进行。
4.3 分管副厂长、工程师方针目标展开,要根据工厂方针目标展开的内容和自分管工作的重点,列出目标值和措施。
HSE承诺方针与目标管理程序范本HSE(健康、安全和环境)是企业发展中不可或缺的重要方面。
为了确保企业在这方面的管理达到最佳水平,制定和遵循一套适当的HSE 承诺方针与目标是非常必要的。
本文将提供一个HSE承诺方针与目标管理程序的范本,来帮助企业建立和实施这套管理系统。
一、HSE承诺方针我们公司致力于保护员工的健康和安全,同时降低对环境的影响。
为了实现这一目标,我们制定以下HSE承诺方针:1. 领导承诺:公司的高层管理人员将以身作则,并积极参与和支持HSE管理。
2. 合规性:我们将遵循所有适用的法律法规,并确保员工在工作场所的安全和健康。
3. 风险识别和管理:我们将积极识别和评估工作场所可能存在的风险,并采取必要的措施来降低这些风险。
4. 培训和教育:我们将为员工提供必要的培训和教育,使他们了解并遵守公司的HSE政策和程序。
5. 持续改进:我们将不断改进公司的HSE绩效,通过监测和评估来确保我们的目标得到实现。
6. 社会责任:我们将积极参与社区事务,并努力减少对环境的负面影响。
二、HSE目标为了实现我们的HSE承诺方针,我们制定了以下HSE目标:1. 零事故:确保公司的工作场所没有发生任何低风险和高风险事故,保障员工的人身安全。
2. 减少环境污染:通过控制和减少排放,降低对环境的负面影响。
3. 健康管理:提供健康的工作环境,减少员工疾病和职业病的发生率。
4. 预防措施:采取必要的预防措施来消除事故和环境污染的潜在风险。
5. 大众参与:积极与员工、供应商、客户和社区合作,促进HSE 管理的共同参与。
6. 持续改进:通过监测和评估,不断改进公司的HSE绩效,并追求行业最佳实践。
三、HSE目标管理程序以下是我们公司的HSE目标管理程序:1. 设定目标:我们将根据公司的HSE承诺方针,制定具体的HSE 目标,并确保这些目标与公司的战略和业务目标保持一致。
2. 资源分配:我们将分配必要的资源来支持实现HSE目标,包括人力资源、技术设备和培训等。
方针管理的实施步骤及要点1. 引言方针是组织内部制定的一种行动指南,包括宗旨、目标、原则等内容,对于组织的发展和运营具有重要意义。
方针管理是指根据组织的战略目标,制定、实施和监督方针的过程。
本文将介绍方针管理的实施步骤及要点,帮助读者理解方针管理的重要性,并提供一些实用的建议。
2. 方针管理的实施步骤方针管理的实施步骤可以概括为以下几个阶段:2.1 明确战略目标在制定方针之前,组织需要明确自己的战略目标。
这些目标应该符合组织的使命和愿景,同时也要考虑外部环境和内部资源的限制。
明确战略目标是方针管理的基础,它将指导后续的方针制定和实施过程。
2.2 制定方针制定方针是根据战略目标,以及组织的价值观和承诺来进行的。
方针应该具有明确的目标和原则,能够指导组织的具体行动。
在制定方针时,需要广泛征求各方面的意见和建议,确保方针具有全面性和公正性。
2.3 传达方针传达方针是方针管理的重要环节。
组织需要将方针传达给所有相关的人员,包括管理层、员工和合作伙伴。
传达方针时需要清晰、简洁地表达方针的目标和原则,同时也要解释方针的具体内容和实施方式。
2.4 实施方针实施方针是方针管理的核心环节。
组织需要采取一系列措施,确保方针能够在实际工作中得到贯彻执行。
这包括制定详细的实施计划、分配资源、培训员工、监督执行等工作。
组织还应该建立监测和评估机制,及时发现和解决方针实施中的问题。
2.5 评估和改进方针方针的评估和改进是方针管理的持续过程。
组织应该定期评估方针的执行情况,收集相关数据进行分析。
对于方针执行中存在的问题,组织需要采取措施进行改进。
评估和改进方针的过程应该与组织的战略目标和运营情况相结合,不断提高方针的有效性和可持续性。
3. 方针管理的要点在进行方针管理时,需要注意以下几个要点:3.1 整体性和一致性方针应该具有整体性和一致性,能够连贯组织的各个方面和活动。
方针之间应该相互协调,不应该存在矛盾和冲突。
整体性和一致性可以提高方针的执行效果,减少工作冗余和资源浪费。
一、活动目的 宝山钢铁股份有限公司特殊钢分公司管 理 文 件文件编号:SWZ07011 第1版 签发:王治政质量方针、质量目标管理程序1总则1.1为了健全和完善宝山钢铁股份有限公司特殊钢分公司(以下简称:分公司)的质量方针、质量目标管理,确保质量方针和质量目标满足要求和持续改进质量管理体系有效性的承诺,特制订本管理程序。
1.2本程序适用于分公司各职能、专业部门、生产厂。
2管理职责分工2.1质量保证部负责提出质量方针,分公司总经理批准签发。
2.2质量保证部负责组织制订质量目标,分公司总经理或管理者代表批准签发。
2.3各部门负责质量目标的实施,并定期进行诊断和改进。
3质量方针的制订3.1 质量保证部根据质量管理体系标准的要求和分公司总的经营发展策略和方向,提出质量方针。
3.2分公司质量委员会对质量方针进行审议,提出修改意见,由分公司总经理批准签发。
3.3质量方针应形成文件,可以单独形成,也可以放在质量手册中。
3.4各部门应认真贯彻执行分公司制定的质量方针,每个职工都应牢记并为其实现负有责任。
4质量目标的制订4.1质量目标是实现质量方针的基础和具体化。
4.2质量目标应结合分公司当前面临的任务、市场状况、质量现状及国外同类产品实物质量水平发展状况制定,质量目标应是可测量的,并与质量方针保持一致。
4.3质量目标的内容包括分公司重点质量管理项目、主要质量指标、操作指标及采取措施。
内部资料注意保存一、活动目的4.4制定目标的方法和程序4.4.1每年四季度制定下一年度的质量目标,由质量保证部负责组织各部门制订下年度质量目标,经充分讨论修改后,于11月下旬交质量保证部部长审核。
4.4.2在每年12月份分公司召开的质量委员会会议上讨论通过质量目标并由分公司总经理或管理者代表批准签发。
5质量方针、质量目标的贯彻实施5.1质量方针、目标由各部门负责传达到全体职工,结合本部门实际情况,制订本部门的质量目标,并层层分解,落实到各岗位。
※※修订履历※※1 目的为建立适合组织目的的质量方针与质量目标,并在组织中各阶层被沟通和了解,适时审查其持续适用性。
2 范围凡本公司方针及公司、部门目标的制订与执行均在本程序书规范之列。
3 职责3.1总经理负责公司方针、目标的制订与实施,部门目标的审批。
3.2管理者代表协助总经理贯彻、实施公司的方针、目标,并对部门工作进行指导。
部门主管负责公司方针、目标在本部门的贯彻落实,具体负责拟订和组织实施部门目标。
3.3品保部归口负责质量方针、目标,并具体负责统计、分析和存档等工作。
4程序4.1公司质量方针、目标的制订4.1.1质量方针及目标制定要求:A)质量方针及目标的制定应尽可能考虑市场及顾客需求、竞争能力和同行业企业水平及公司赶超目标。
B)质量方针应与公司的总体经营理念一致C)质量方针应为制定及评审质量目标的展开提供框架D)质量目标应体现顾客期望,可测量、可操作,并在规定时间内是可实现的。
4.1.2总经理依据企业的长远目标确定公司的经营理念,组织人员制定公司质量环境方针。
4.1.3每年12月底由总经理组织召开管理评审会议,各部门向总经理汇报年度绩效指标完成情况及下年度预计达成目标。
4.1.4质量方针及目标的宣传A)管理部负责在公司内部对所有员工宣传、培训公司质量环境方针及质量环境目标的内容、涵义并予以实施。
B)各部门领导应对质量环境方针及质量环境目标对本部门所产生指导意义向员工做解释,保证方针、目标的有效实施。
C)宣传途径主要为:广告牌、培训、公告及会议中倡导等。
方针、目标应经常、广泛的进行宣传,做到不分层级、不分岗位、人人知晓。
4.2质量目标的策划4.2.1各部门依据公司的方针、目标和本部门上年度达成情况拟订部门目标。
4.2.2目标的制定应保证下一级目标能保证上一级目标的实现。
4.2.3部门主管负责将各级目标宣贯到部门每一位员工并贯彻落实。
4.2.4各级目标制定后应制定相应的措施保证目标的实现。
建立《质量目标管理方案》。
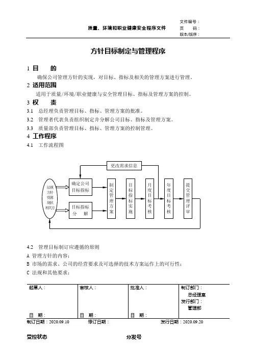
方针目标制定与管理程序1目的确保公司管理方针的实现,对目标、指标及相关的管理方案进行管理。
2适用范围适用于质量/环境/职业健康与安全管理目标、指标及管理方案的控制。
3权责3.1 总经理负责管理目标、指标、管理方案的批准。
3.2 管理者代表负责组织制定并分解公司目标、指标及管理方案。
3.3 质量部负责管理目标、指标、管理方案的控制管理。
4工作程序4.1 工作流程图4.2 管理目标制订应遵循的原则A 管理方针的内容;B 市场的需求、公司的经营要求及可选择的技术方案运作上的可行性;C 法规和其他要求;D 产品质量、重要环境因素、职业健康安全重大危险源和风险因素;E 顾客满意程度及相关方的观点和要求;F 资源状况;G 管理体系持续改进和对污染预防以及改进职业健康安全的承诺;H 目标明确,指标应具体可测量4.3 管理目标与指标制订。
4.3.1 每年底,管理者代表组织各部门负责人、员工代表讨论年度质量/环境/职业健康安全管理目标,包括:A 确定年度公司管理目标与指标B 各部门、车间管理目标与指标4.3.2 《年度质量/环境/职业健康安全管理目标》由质量部汇总拟订后,提交管理者代表审核,总经理批准。
4.4 管理方案的制订4.4.1 在管理者代表、生产部组织有关部门针对重大环境因素和重要危险源制订《管理方案》。
4.4.2 生产部将《管理方案》报管理者代表审核,总经理批准。
4.4.3 《管理方案》的内容,一般包括:A 管理目标与指标;B 方法、措施和技术手段;C 责任人;D 预算经费;E 开始时间和完成时间;F 验证时间。
4.5 实施管理4.5.1 质量部、生产部将《年度质量/环境/职业健康安全管理目标》、《管理方案》交管理部统一发布、发放。
4.5.2 各部门负责人应向本部门员工传达公司年度管理目标、指标、管理方案的要求。
4.5.3 管理室应按管理目标、管理方案规定要求,对各级目标/指标的实施进度及完成情况进行检查考核。
质量方针和目标管理制度
一、总体质量方针
1、以满足客户需求为宗旨,坚持质量第一
2、以实现绩效优良为目标,持续改进全面提升管理水平。
3、努力实现无正负容错,以提高工作效率和降低成本。
4、搭建完善质量管理体系,提高综合竞争能力。
5、加强内部质量控制,加大对质量管控的把控力度,确保按时、按
质完成产品质量目标。
1、质量管理目标
(1)认真实施ISO9001国际质量管理体系和五大流程,全面推进质
量管理体系建设;
(2)制定、实施、完善质量管理制度,不断提高产品质量管理水平;
(3)推动质量管理技术改进,提高质量管理水平;
(4)严格落实产品质量分级管理,确保产品质量满足客户要求。
2、质量目标管理方法
(1)建立完善内部质量管理制度,定期组织专家检查,定期组织质
量评估;
(2)建立质量检查体系,实施质量流程检查,实施产品质量检查;
(3)推行质量改进活动,在业务管理、技术管理、组织管理等方面
改进质量管理;
(4)重点强化质量环节管理,提高产品质量控制效果,改进质量管理水平。
方针、目标和管理方案控制程序1.0目的为建立、实施与改进公司的职业健康安全管理体系,实现职业健康安全方针、目标以及为确保实现目标而制定的管理方案的实现,不断改进公司职业健康安全管理工作。
2.0适用范围适用于公司职业健康安全方针、目标及方案的制定、更改与实施。
3.0职责3.1总经理负责组织制定并批准职业健康安全方针、目标和管理方案。
3.2安全技术部组织目标的制定,管理者代表负责目标、方案的审核,并负责监督方针、目标和方案的实施。
3.3安全技术部负责方案的收集,并监督、验证实施进度。
3.4各部门负责方针、目标和管理方案的具体实施。
4.0工作程序4.1职业健康安全方针4.1.1职业健康安全方针的确定4.1.1.1总经理以保护、改善、提高职业健康安全管理水平为目的,针对公司的实际情况,适当考虑相关方的要求,制定职业健康安全方针并形成文件,传达给全体员工和其它所有在本公司控制下的工作人员。
4.1.1.2职业健康安全方针应确保:a)适合于本公司管道天然气及压缩天然气的供应与服务的性质和规模以及职业健康安全特点、风险的性质和规模;b)对防止人身伤害与健康损害和持续改进职业健康安全管理与职业健康安全绩效的承诺;c)对遵守与其职业健康安全危险源有关的适用法律法规要求和其他要求做出承诺;d)为建立和评审职业健康安全目标提供框架和基础;e)与公司的其它方针保持一致,并形成文件与付诸实施;f)应传达到全体员工和其它所有在本公司控制下的工作人员,使其认识到各自的职业健康安全义务;g)可为相关方所获取;h)应定期评审,以确保其与公司保持相关和适宜。
4.1.2方针的更改每次对公司OHS管理体系的评审,均需对职业健康安全方针进行评审,以确保其持续的适宜性。
当方针需要更改时,应经总经理批准,形成文件后重新向全体员工和其它所有在本公司控制下的工作人员进行传达。
4.1.3方针的宣贯4.1.3.1通过管理手册的分发,以及公司宣传栏、板报、网络等方式,对公司各级管理者、执行人员(包括专业技术人员、外来人员)以及操作人员进行方针的宣贯;4.1.3.2安全技术部负责对全体员工进行方针的培训,以确保对公司职业健康安全方针正确、充分的理解。
⽅针、⽬标和管理⽅案控制程序⽅针、⽬标和管理⽅案控制程序1.0 ⽬的为了保证公司制定的职业安全卫⽣和环境⽬标的完成,以及管理⽅案在计划时间内得以顺利实施,特制定本程序。
2.0 适⽤范围本程序适⽤于公司制定的职业安全卫⽣和环境⽬标及管理⽅案评审与修订⼯作。
3.0 职责3.1 最⾼管理者确定质量环境职业健康安全⽅针,并负责⽅针、⽬标管理⽅案的批准。
3.2 管理者代表组织⽬标、指标的制定,负责⽬标、管理⽅案的审核,并负责监督⽅针、⽬标、指标与管理⽅案的实施。
3.3 经营部负责质量环境职业健康安全管理⽅案的编制,并监督验证实施⼒度。
3.4 各部门负责质量环境职业健康安全⽅针、⽬标与管理⽅案的具体实施。
4.0 ⼯作程序4.1 质量环境职业健康安全⽅针1)质量环境职业健康安全⽅针的制定公司最⾼管理者以加强质量环境职业健康安全为⽬的,针对公司的实际情况,适当考虑相关⽅的要求,批准质量环境职业健康安全⽅针并形成⽂件,传达到全体员⼯。
2)质量环境职业健康安全⽅针应确保符合以下要求:a) 适合于公司的电⼒设计性质和规模、过程和活动特性及质量环境职业健康安全风险;b) 对防⽌⼈⾝伤害与健康损害的持续改进、风险控制作出承诺;c) 对遵守有关法律、法规和其他要求作出承诺;d) 为建⽴和评审质量环境职业健康安全⽬标提供框架和基础;e) 与公司的总体经营⽅针相⼀致并形成⽂件f) 将⽅针传达到体系控制下的相关⼈员,使其认识各⾃的健康安全义务。
g) 考虑相关⽅或公众的要求。
h)定期对⽅针进⾏评审,以确保⽅针的适宜性。
3)质量环境职业健康安全⽅针的更改公司每次管理评审,需对⽅针予以重新评价。
若⽅针需要更改时,须经最⾼管理者批准,形成⽂件后重新传达。
4)质量环境职业健康安全⽅针的宣传a) 通过质量环境职业健康安全管理⼿册的发放,内部刊物、采⽤宣传栏宣传等⽅式对公司各级管理者、专业技术⼈员以及操作⼈员进⾏⽅针的宣贯;b) ⼈事部负责对全体员⼯进⾏质量环境职业健康安全⽅针的培训,以确保对⽅针的充分理解5)质量环境职业健康安全⽅针的公开最⾼管理者应考虑相关⽅或公众的要求,以适当的⽅式公开质量环境职业健康安全⽅针。
方针、目旳、指标与管理方案控制程序(三体系) 1目旳与范围对企业管理体系方针、目旳、指标及管理方案实行管理,以保证方针旳实现,企业管理体系业绩旳持续改善。
合用于全企业范围内管理体系方针、目旳、指标和管理方案旳制定、实行、评审与改善等管理过程旳控制。
2引用文献 Q/PM0501-2023《管理手册》 3术语和定义本程序采用GB/T19000-2023、GB/T24001-2023、GB/T28001-2023原则旳术语和定义。
4职责4.1总经理负责组织企业方针旳制定,并负责企业各类目旳、指标及管理方案旳同意。
4.2管理者代表负责组织制定企业目旳、指标及管理方案,并组织对目旳、指标及管理方案旳评审。
4.3总经办负责组织将各类目旳、指标分解到各有关部门、管理处。
4.4总经理与各部门、管理处、子企业第一负责人签订目旳、指标责任书,并负责对企业经理层人员旳评价与考核。
4.5各部门、管理处、子企业第一负责人负责在本职能范围内分解、下达、实行、检查、考核各部门/班组旳分层目旳、指标,并负责对部门/班组负责人旳评价考核。
4.6品质保障部负责组织实行对各部门、管理处、子企业目旳、指标、管理方案执行状况旳平常检查,负责监督目旳、指标及管理方案旳实行及完毕状况,向管理者代表汇报,同步汇总分析各类目旳、指标旳实现实状况况,输入管理评审。
4.7人力资源部负责组织各级人员旳绩效考核。
4.8各部门/班组负责人负责本职能范围内人员旳绩效考核。
5工作程序5.1方针旳控制规定5.1.1方针旳制定5.1.1.1总经理应针对企业旳实际状况,根据长期发展旳需要,并结合重要有关方旳规定和法律法规规定,组织制定企业总体方针并形成文献。
5.1.1.2方针旳内容应保证:a)合用于企业旳宗旨、活动、产品和服务旳性质、规模以及环境影响和职业健康安全风险;b)包括应遵守旳有关法律、法规及应满足其他规定旳承诺,如:行业、地方和小区等有关方对我司旳规定,以及企业最高管理者提出旳企业自身旳管理规定;c)包括持续改善管理体系有效性和污染及风险防止旳承诺; d)提供建立和评审目旳和指标旳框架;e)与企业旳其他方针一致。
方针目标管理的实施步骤1. 了解方针目标管理的概念方针目标管理是一种管理方法,用于指导组织实现既定的目标和计划。
方针是组织内部定性的要求和规定,而目标则是组织要达到的定量的结果。
方针目标管理通过制定明确的方针和目标,帮助组织实现战略性规划,并使整个组织朝着统一的方向努力。
2. 制定整体战略在实施方针目标管理之前,组织需要先制定整体战略。
整体战略是指组织在长期内要达成的目标和采取的战略性决策。
整体战略的制定需要考虑组织的使命、愿景、核心价值观以及外部环境和内部资源等因素。
•确定组织的使命和愿景•确定组织的核心价值观•分析外部环境和内部资源•制定整体战略3. 制定方针在制定方针时,需要根据整体战略确定组织的方向和原则。
方针是对组织行为的规定,是为了实现整体战略而制定的一系列指导性文件。
方针需要考虑组织的战略目标、价值观以及对内外部利益相关者的要求。
•确定组织的战略目标和长期目标•制定方针原则,明确组织行为的规范•考虑内外部利益相关者的需求和期望4. 制定目标制定目标是方针目标管理的核心步骤之一。
目标是组织为了实现方针而设定的具体、可衡量和可达成的结果。
制定目标时,需要将整体战略和方针转化为具体的行动计划,并分解为各个部门和个人的目标。
•将整体战略和方针转化为具体的行动计划•分解目标到各个部门和个人•确定目标的具体指标和可衡量标准5. 实施和监控实施和监控是方针目标管理的关键环节。
实施过程中,需要确保各个部门和个人按照目标进行工作,并及时调整和优化方案。
监控过程中,需对目标实施情况进行评估和分析,及时发现问题并采取纠正措施。
•将目标落实到具体的行动计划和工作任务中•监控目标的实施情况,及时反馈和调整•评估和分析目标实施的效果,发现并解决问题6. 绩效评估和反馈绩效评估和反馈是方针目标管理的最后一步。
通过对目标实施情况的评估和分析,可以对组织和个人的绩效进行评价和反馈。
绩效评估可以发现问题,确定改进措施,并为将来的目标制定提供参考依据。
目录
0修改记录 1目的
2范围
3职责
4工作程序
5记录
1 目的
公司建立、保持能源方针目标,并根据职能分解,以确保公司能够贯彻执行能源方针目标,持续改进公司能源管理绩效;公司制定、实施并改进能源管理方案,保证能源方针、目标的实现,特制订本程序。
2 范围
适用于公司能源方针、目标和能源管理方案的制定、分解、落实、考核及修订的管理活动。
3 职责
3.1 公司总经理负责制定能源方针目标。
3.2 管理者代表者负责组织修订能源目标,组织制订管理方案。
3.3 设备处负责编制下发每年的管理目标并组织将目标分解到各部门、各岗位并跟踪目标的完成情况。
3.4各部门负责根据公司分解目标制定并实施本部门的目标及管理方案。
4 工作程序
4.1 方针的制定和管理
4.1.1 总经理制定公司的管理方针,并确保:
a)与公司能源使用和消耗的特点、规模相适应;
b)包括改进能源绩效的承诺;
c)包括提供可获得的信息和必需的资源的承诺,以确保实现能源目标和指标;
d)包括公司遵守节能相关的法律法规及其他要求的承诺;
e)为制定和评审能源目标、指标提供框架;
f)支持高效产品和服务的采购,及改进能源绩效的设计;
g)形成文件,在内部不同层面得到沟通、传达;
h)根据需要定期评审和更新。
4.1.2 为在组织内得到沟通和理解,公司的管理方针以文件的形式发布,各部门采取适当的方式传达至全体员工及为组织或代表组织工作的人员,使之理解并贯彻执行。
4.2 目标和指标的制定
4.2.1 目标和指标制定的依据
a)能源方针;
b)法律法规及其他要求;
c)上级下达的目标和指标;
d)可选技术方案、财务、体系运行和经营要求;
e)已取得的质量、职业健康安全、环境绩效及管理评审的结果;
f)顾客及其他相关方的要求等;
g)服务特点。
4.2.2 目标和指标的制定
公司各职能部门应于每年年底或年初根据目标和指标制定的依据以及年度完成情况,起草下一年度(当年)目标和指标草案,提交部门主管领导审核后,经设备处汇总形成公司当年度的《年度方针目标展开图》和《年度部门/分公司目标》,报公司总经理批准后生效。
4.2.3 目标和指标制定的要求:
a)目标和指标应与方针相一致,并可测量;
b)应体现其先进性、可行性和持续改进的要求,其中目标可反映公司中长期期望值,指标反映当年、短期的目标值;
c)目标和指标的内容应考虑满足上级下达的目标和指标要求;符合法律法规及相关方要求。
d)目标指标的制订应关注降低降低能源消耗;完善现场操作和管理制度等关键问题。
4.3 目标、指标和重点工作的分解
4.3.1 各部门按公司下达的目标和指标,具体分解到各部门,重点指标和工作并应细化到岗位,形成部门的年度目标。
4.4 目标和指标的修订
4.4.1 当方针、相关法律法规及其他要求、管理方案的进度状态以及其他内外界因素(包括市场、活动、产品或服务等)发生变更时,目标和指标应重新评审和修订。
4.4.2 目标和指标的修订应由公司主管领导组织职能部门提出,经总经理批准后生效。
4.4.3 目标和指标的修订值应通知各相关职能部门,并按目标和指标的分解要求进行逐级分解落实。
4.5 目标和指标的管理
4.5.1 公司相关职能部门应对所属员工及时进行目标和指标的传达,确保全体员工清楚公司及本部门的目标和指标,并付诸实施。
4.5.2 公司目标和指标经总经理批准后,可向相关方或公众公开本公司的能源目标和指标。
4.5.3部门目标和指标经部门与公司分管领导确认后,在部门方目中予以体现。
部门按月统计目标、指标完成情况,以确保部门体系运行有效。
4.6 方目考核
4.6.1 各部门在每季度末后四个工作日内统计本部门目标指标完成情况进行统计,经部门处长、经理等分管公司领导确认后反馈至设备处,作为实录考核的依据。
4.6.2公司将定期对各部门目标指标及重点工作的完成情况进行分析,并根据分析结果适时调整方目内容。
4.6.3公司每年对能源目标和指标的实现情况在年内进行检查、考核。
并适时针对影响能源目标和指标达标的原因采取纠正和预防措施。
4.6.4 每次管理评审时,均需对能源目标和指标的制定和落实情况进行评审,确保其适宜性。
4.7 能源管理方案
4.7.1 管理方案编制的程序及要求
a)公司各相关职能部门负责起草本系统内的管理方案,报公司主管领导批准后实施;
b)制定管理方案时,应考虑与实现目标和指标有关的作业场所、过程、设备、资金、作业组织等,管理方案应形成文件;
c)管理方案通常以专题工作报告、技术改造方案等的形式体现;
d)管理方案的内容,应考虑依据的目标和指标、方法措施、技术手段、责任部门、预算经费、资源要求、进度安排、验证能源绩效改进的方法、验证结果的方法等。
4.7.2 管理方案的实施
a)管理方案应以文件的形式发至相关职能部门,并保证所需资源的落实,各相关职能部门应按管理方案的要求做好具体组织实施工作;
b)公司主管部门对管理方案的实施进度与效果进行监督和检查。
4.7.3 管理方案的修订和改进
当因目标、指标和措施发生变化或生产经营活动、产品或服务、运行条件发生变化时,相关职能部门应以书面形式提出修订和改进申请,提交主管领导审核,报经公司总经理批准后,由责任部门进行修订和改进。
4.7.4 方案的评审
在管理方案实施过程中,每年至少一次对管理方案进行评审,必要时对其进行修订和改进,以确保其适宜性。
5 记录
5.1 年度目标、指标展开图 DQHC/R-03.01
5.2 年度部门/分公司目标 DQHC/R-03.02
DQHN/R-03.01年目标、指标展开图
DQHN/R-03.02 年集团各部门及公司目标指标。