电气自动化控制柜的设计大全
- 格式:docx
- 大小:64.03 KB
- 文档页数:5
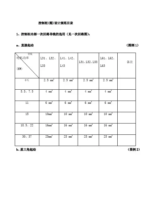
控制柜(箱)设计规范目录1、控制柜内部一次回路导线的选用(见一次回路图):a、直接起动(图例1)b、星三角起动(图例2)c、星三角起动(图例3)L1L2L3图例 3d、自耦起动(图例4)2、控制柜一次回路导线截面的选用(见一次回路图):3、控制柜一次回路TMY铜排截面的选用(见一次回路图):导线选用规格表 (要求从90~315KW一次母线用铜排)a、星三角起动(图例2)b、星三角起动(图例3)L1L2L3图例 35 .2控制柜中总空开的选用:(表2)6.电流互感器与电流表的选用注:一用一备或一用二备的控制柜电流互感器的使用参照表中一用控制柜的使用标准。
二用一备或二用二备的控制柜电流互感器的使用参照表中二用控制柜的使用标准。
三用一备或三用二备的控制柜电流互感器的使用参照表中三用控制柜的使用标准。
四用一备或四用二备的控制柜电流互感器的使用参照表中四用控制柜的使用标准。
五用一备或五用二备的控制柜电流互感器的使用参照表中五用控制柜的使用标准。
如果控制柜中有主泵也有辅泵(或者小泵),并且大小泵有同时工作的情况,但辅泵的功率没有大泵的三分之一大,在选互感器时可不计小泵。
如辅泵的功率大于或等于大功率的三分之一,在选互感器时可将小泵计成大泵选择互感器。
如大小泵没有同时工作的情况,在选择互感器时可不计小泵。
如是两个小泵,并且两个小泵都有同时起动的可能,可将两个小泵的功率相加与大泵比较后再选互感器。
双电源控制柜可把电流折算成功率,然后再按功率选互感器。
7.交流接触器和热继电器的选用a1.直接起动或软起动方式 (第1表共2表用西门子和天正) 图例1a2.直接起动或软起动方式 (第2表共2表用施耐特和天正) 图例11W11V11U11KH1KM1QFM1L63L62L61L53L52L51L41L42L43L33L32L31L3L2L1L42图 例 1注: 施耐德电器:0.37~55KW 热继能与接触器组合安装,不需配热继底座;0 75~200KW 热继可独立安装,不需配热继底座。
机柜图的内容1.机柜总装配图机柜总装配图的用途如下:(1)机柜总装配图是绘制机柜非标准零件图的原始依据。
机柜的非标准零件图必须严格按照机柜总装配图所给出的尺寸和比例进行绘制,否则加工出来的零部件必然会出现相互干涉、无法装配的问题。
(2)机柜总装配图是指导机柜装配的技术文件。
机柜的装配必须严格按照机柜总装配图要求进行。
必须保证加工装配后的尺寸及形位公差,否则将给后续的电气元器件安装造成困难,增加很多不应该出现的二次加工,使产品质量降低。
(3)机柜总装配图是机柜装配完成后进行检验的依据。
机柜装配完成后必须严格按照机柜总装配图要求进行检验。
对于检验中发现的问题,必须进行必要的修整,直至全部项目完全达到机柜总装配图的要求。
2.机柜非标准零件图机柜非标准零件图用途如下:(1)机柜的非标准零件图是制作生产工艺装备的依据;(2)机柜的非标准零件图是在非标准零件加工过程中指导工人进行操作的技术文件;(3)机柜的非标准零件图是工艺技术人员编制加工工艺文件的依据;(4)机柜的非标准零件图是对加工完成后的零部件进行检验的依据。
3.机柜零部件明细表机柜在装配的过程中需要使用大量的标准件,如螺钉、螺栓、螺母、垫圈、弹簧垫圈等;同时还需要很多外购件,如门锁、铰链(合页)、脚轮、吊环等。
这些零部件已经有专业的工厂大批量生产,价格低、质量好。
如果直接制作这些零部件显然是得不偿失,外购是唯一的选择。
机柜零部件明细表是机柜图的重要组成部分,在正规生产企业中是必不可少的,在绘制机柜图时务必注意不要遗漏。
机柜零部件明细表的用途如下:(1)机柜零部件明细表应提供给采购供应部门,作为对外进行采购订货的依据。
(2)机柜零部件明细表应提供给零部件仓库,作为进行零部件入库检验和向生产班组发放的依据。
(3)机柜零部件明细表应提供给财务部门,作为进行产品成本核算的依据。
(4)机柜零部件明细表应提供给机柜装配班组,作为向零部件仓库领取零部件及核对规格、品种、数量的依据。
用柜体做防护的结构设计要求1.外部异物侵入的防护机柜应有足够的能力防止外界固体和液体的侵入,并要考虑到机械运行时的外界影响(即位置和实际环境条件),且应充分防止粉尘、冷却液和切屑侵入。
2.电击的防护设计带电部件应安装在符合有关技术要求的外壳内,直接接触的最低防护等级为IP2X或IPXXB。
应采取保护措施防止意外地触及电压超过50V的带电部件。
电气设备应具备保护人们免受电击的能力。
当按照有关规定将控制设备安装在一个系统中时,下述要求可保证所需要的防护措施。
考虑到控制设备的特殊要求,那些对于控制设备尤为重要的防护措施详细讲述如下。
1)直接接触的防护(1)概述。
电气设备的每个电路或部件,无论是否采取规定的措施,都应遵守下面的规定:可利用控制设备本身适宜的结构措施,也可利用在安装过程中采取的附加措施来获得对直接接触的防护。
可以要求制造商给出资料。
例如,安装了无进一步防护设施的开启式控制设备的场地,只有经过批准的人才允许进入。
例外:在这些防护措施不适用的场合,可以采用遮栏或外护物,将设备置于伸臂范围以外,使用阻挡物,使用结构或安装防护通道技术等来进行防护。
当电气设备安装在任何人(包括残疾人和儿童)都能打开的地方,其直接接触的防护等级应采用至少IP4X或IPXXD。
可以选择下述一种或几种防护设施,并考虑下述条款中提出的要求。
防护设施的选择应依从制造商和用户之间的协议。
制造商的产品目录中给出的资料准许作为协议书。
(2)利用挡板或外壳进行防护。
利用挡板或外壳进行防护应遵守下述要求。
①带电部件应安装在符合有关技术要求的外壳内,所有外壳的直接接触防护等级至少应为IP2X或IPXXB,金属外壳与被保护的带电部件之间的距离不得小于设计规范所规定的电气间隙和爬电距离,如果外壳是绝缘材料制成的则例外。
②如果壳体上部表面是容易接近的,所有外壳的直接接触的最低防护等级应为IP4X或IPXXD。
③所有挡板和外壳均应安全地固定在其位置上。
1、基本思路PLC 电控柜设计的基本思路是一种逻辑思维,只要符合逻辑控制规律、能保证电气安全及满足生产工艺的要求,就可以说是一种好的的设计。
但为了满足电气控制设备的制造和使用要求,必须进行合理的电气控制工艺设计。
这些设计包括PLC 电控柜的结构设计、PLC 电控柜总体配置图、总接线图设计及各部分的电气装配图与接线图设计,同时还要有部分的元件目录、进出线号及主要材料清单等技术资料。
2、PLC 电控柜总体配置设计PLC 电控柜总体配置设计任务是根据电气原理图的工作原理与控制要求,先将控制系统划分为几个组成部分(这些组成部分均称作部件),再根据PLC 电控柜的复杂程度,把每一部件划成若干组件,然后再根据电气原理图的接线关系整理出各部分的进出线号,并调整它们之间的连接方式。
总体配置设计是以电气系统的总装配图与总接线图形式来表达的,图中应以示意形式反映出各部分主要组件的位置及各部分接线关系、走线方式及使用的行线槽、管线等。
PLC 电控柜总装配图、接线图( 根据需要可以分开,也可并在一起)是进行分部设计和协调各部分组成为一个完整系统的依据。
总体设计要使整个电气控制系统集中、紧凑,同时在空间允许条件下,把发热元件,噪声振动大的电气部件,尽量放在离其它元件较远的地方或隔离起来;对于多工位的大型设备,还应考虑两地操作的方便性;控制柜的总电源开关、紧急停止控制开关应安放在方便而明显的位置。
总体配置设计得合理与否关系到电气控制系统的制造、装配质量,更将影响到电气控制系统性能的实现及其工作的可靠性、操作、调试、维护等工作的方便及质量。
2.1 PLC 电控柜组件的划分由于各种电气元件安装位置不同,在构成一个完整的电气控制系统时,就必须划分组件。
划分组件的原则是:(1)把功能类似的元件组合在一起;(2)尽可能减少组件之间的连线数量,同时把接线关系密切的控制电气置于同一组件中;(3)让强弱电控制器分离,以减少干扰;(4)为力求整齐美观,可把外形尺寸、重量相近的电气组合在一起;(5)为了电气控制系统便于检查与调试,把需经常调节、维护和易损元件组合在一起。
控制柜优化设计在现代工业生产和自动化控制系统中,控制柜扮演着至关重要的角色。
它就像是整个系统的“大脑中枢”,负责整合、分配和控制各种电气信号与设备运行。
然而,要实现高效、稳定且可靠的控制功能,控制柜的优化设计是必不可少的。
控制柜的设计并非简单地将各种电气元件堆砌在一起,而是需要综合考虑诸多因素。
首先是功能性需求,要明确控制柜需要实现的具体控制任务和功能。
例如,是用于简单的电机启动停止控制,还是复杂的过程自动化控制?不同的功能需求将直接影响控制柜内部元件的选型和布局。
在元件选型方面,需要根据控制要求选择合适的控制器、继电器、接触器、断路器等。
这些元件的性能参数,如电压、电流、功率、响应时间等,都必须与实际应用相匹配。
如果选型不当,可能会导致控制不准确、设备故障甚至安全事故。
布局设计是控制柜优化的关键环节之一。
合理的布局能够提高控制柜的散热效果,减少电磁干扰,便于设备的安装、调试和维护。
一般来说,发热量大的元件应尽量安装在靠近柜体通风口的位置,以利于散热。
强电和弱电元件应分开布置,避免相互干扰。
同时,为了便于接线和检修,元件之间应保持适当的间距,并留出足够的操作空间。
接线工艺对于控制柜的性能和可靠性也有着重要影响。
电线的选择应根据电流大小和传输距离合理确定,确保线路的载流能力足够且电压降在允许范围内。
接线端子应牢固可靠,接触良好,避免出现松动和接触不良的情况。
线路的走向应整齐有序,尽量减少交叉和缠绕,以提高控制柜的美观度和可维护性。
散热问题在控制柜设计中不容忽视。
随着控制柜内部元件的运行,会产生大量的热量。
如果热量不能及时散发出去,将导致元件温度升高,影响其性能和寿命。
因此,在设计时应充分考虑散热方式,如采用风扇强制散热、柜体开设通风孔等。
同时,还可以在控制柜内部安装温度传感器,实时监测温度变化,当温度超过设定值时及时采取相应的散热措施。
控制柜的防护等级也是需要考虑的重要因素之一。
根据使用环境的不同,控制柜可能需要具备防尘、防水、防腐蚀等功能。
电梯柜体元件安放及配线方案编制校对前言对电梯控柜进行布置时根据电气原理图的工作原理及控制要求,划分为各组成部分,例如将电梯电路大体划分为:主回路、控制回路、信号回路等。
在布线时尽可能使系统集中、紧凑,同时把发热元件,噪声振动大的电气部件(接触器,变压器,变频器等),尽量放在离其它元件较远的地方或隔离起来;为了操作的方便性;例如总电源开关、紧急停止控制开关,机房对讲机应安放在方便而明显的位置。
布置是否合理关系到电气系统的制造、装配质量,更将影响到电气控制系统性能的实现及其工作的可靠性、操作、调试、维护等工作的方便及质量。
一、电气元器件布置细分1.1布置思路(1)、将功能类似的元件组合在一起;尽可能减少组件之间的连线数量,把接线关系密切的控制电器置于同一组件中;(2)、将强弱电控制器分离,以减少干扰;禁止强电电路和弱电电路近距离平行布线,若无法分离请垂直布线.(3)、把外形尺寸、重量相近的电器组合在一起;(4)、为便于检查与调试,把需经常调节、维护和易损元件组合在一起。
1.2布置事项:(1)、同一组件中电器元件的布置应注意将体积大和较重的电器元件安装在电器板的下面,而发热元件应安装在电柜的上部或后部;(2)、强电弱电分开并注意屏蔽,防止外界干扰;(3)、需要经常维护、检修、调整的电器元件安装位置不宜过高或过低,人力操作开关及需经常监视的仪表的安装位置适当。
(4)、电器元件的布置应考虑安全间隙,并做到整齐、美观、对称,外形尺寸与结构类似的电器可安放在一起,以利加工、安装和配线。
(5)、柜体中的各元件必需安装牢固,并在明显位置有清晰的代号,所有连接导线必须有清晰的线号.导线在器件和接线排上应连接牢固,导线的长度应保证温度的变化和正常的动荡.1.3电缆的要求电梯用的导线,电缆应符合GB5013-1977<额定电压450/750V以及以下橡皮绝缘电缆>和GB5023-1997<额定电压450/750V以及以下聚氯乙烯绝缘电缆>的规定。
电气工程自动化控制柜的创新设计摘要:现有的控制柜内部的PLC控制器与变压器的连接大多数都是采用螺丝固定的,虽然固定稳固但是却难以安装,在安装的时候会浪费使用者大量的时间和精力,降低了该装置的实用性。
若想保证设备运行稳定,就需要对控制柜的可靠性及实用性进行提升。
针对现有技术存在的问题,本项目在此基础上加以改进,提供了一种能够较好解决上述问题的新型电气自动化控制柜。
关键词:电气自动化;控制柜;创新设计1新型电气控制柜创新方案绝大多数企业都在应用电气设备进行工作,而为了保证电气设备安全,常常将电气设备安置在电气设备控制柜内。
控制柜是按电气接线要求将开关设备、测量仪表、保护电器和辅助设备组装在封闭或半封闭金属柜中或屏幅上,其布置应满足电力系统正常运行的要求,便于检修,不危及人身及周围设备的安全。
正常运行时可借助手动或自动开关接通或分断电路。
故障或不正常运行时借助保护电器切断电路或报警。
借测量仪表可显示运行中的各种参数,还可对某些电气参数进行调整,对偏离正常工作状态进行提示或发出信号。
对于运行中的电气设备而言,其所需完成越高的规定功能,对电气设备控制柜可靠性的要求就越高。
电气设备控制柜内有大量的功率电子器件,运转过程中会产生大量的热及灰尘等杂物,传统的电气控制柜使用风扇式散热及常规滤网过滤除尘,在使用的过程中常因不能及时有效地对设备进行降温、除尘处理而影响生产效益,同时加速内部元件老化,缩短设备使用寿命,甚至引发设备爆炸等安全事故。
因此基于此现状,现设计一种新型的电气自动化控制柜,具有除尘、散热等功能,在自动除尘、散热保护、能源节约、安装使用等方面进行创新设计。
1.1除尘系统在控制柜本体以及其侧壁加装滤网,阻挡和收集灰尘。
柜体底部两侧滑动连接有两个活动杆,两个活动杆的两端均穿出控制柜本体的侧壁且竖直平行排列,两个活动杆的一端均固定连接有挡板且并排设置,两个活动杆的另一端分别固定连接齿条的一端,且位于下方的活动杆长于上方的活动杆,两个齿条相互错开且锯齿处于相对表面,且挡板与控制柜本体侧面间连接有弹簧并套设活动杆的表面,同时上方活动杆靠近挡板的一端与下方活动杆靠近齿条的一端均固定连接有撞击球,且两个撞击球分别位于控制柜本体两侧壁滤网的下方,通过人为开关控制推拉齿条,使得柜体内部两个撞击球撞击控制柜本体的内壁,从而可对控制柜本体两侧壁的滤网进行振动,将滤网上粘黏的灰尘振落,避免滤网长时间堵塞,能够较长时间保证滤网的滤尘效果,实现半自动除尘作用。
按钮
1.颜色
按钮操动器的颜色代码应符合表1的要求。
启动/接通操动器颜色应为白、灰或黑色,优先用白色,也允许选用绿色,但不允许用红色。
急停和紧急断开操动器应使用红色。
停止/断开操动器应使用黑、灰或白色,优先用黑色,不允许用绿色。
也允许选用红色,但靠近紧急操作器件不建议使用红色。
启动/接通与停止/断开交替操作的按钮操动器的优选颜色为白、灰或黑色,不允许用红、黄或绿色。
对于按动即引起运转而松开则停止运转(如保持—运转)的按钮操动器,其优选颜色为白、灰或黑色,不允许用红、黄或绿色。
复位按钮应为蓝、白、灰或黑色。
如果它们还用作停止/断开按钮,最好使用白、灰或黑色,优先选用黑色,但不允许用绿色。
对于不同功能使用相同颜色白、灰或黑(如启动/接通和停止/
断开操动器都用白色)的场合,应使用辅助编码方法(如形状、位置、符号等)以识别按钮操动器。
2.标记
除了前面所述功能识别以外,建议按钮用给出的符号标记,标记可标在其附近,最好直接标在操动器之上。
按钮符号标记见表2。
电气自动化控制柜的设计大全电气自动化控制柜的设计大全一、引言在现代工业控制系统中,电气自动化控制柜扮演了至关重要的角色。
电气自动化控制柜是将电气元件、仪器仪表、控制器等组装在一起,通过布线、接线等方式实现对电气设备的集中控制和管理。
本文档旨在提供一份详细的电气自动化控制柜设计指南,涵盖了该领域的各个方面。
二、设计前期准备1.设计需求分析-定义控制柜的应用场景和功能需求。
-确定控制柜的输入输出信号类型和数量。
-分析控制柜的运行环境和工作条件。
-考虑控制柜与其他设备的通信和协作需求。
2.选型和采购-选择适合应用场景的柜体材料和规格。
■选购符合设计要求的电气元件、仪器仪表和控制器等。
根据要求选择适配的接线端子、开关、插座等。
3.安全与环保要求-确保设计符合当地的电气安全标准和规范。
-考虑防火、防爆和防水要求。
-遵循环境保护要求,选择符合标准的材料和设备。
三、电路设计1.控制回路设计-根据功能需求设计控制回路的逻辑结构。
-选择适当的传感器和执行器。
-确定信号输入输出的方式和参数。
2.电源系统设计-确定电源系统的功率和电压要求。
-设计稳压、滤波和过载保护电路。
-根据需求选择适当的电源开关和保险丝。
3.接线设计-根据电路图进行合理的接线规划。
-使用合适的电缆和导线进行布线。
保持接线整洁,避免短路和干扰。
四、布局设计1.设备安装与布局-安装电气元件、仪器仪表和控制器等设备。
-确保设备之间的通风和散热。
-留有足够的操作和维修空间。
2.接线通道设计-安排合理的电缆槽、穿线管和接线盒等接线通道。
-保证接线通道的易用性和可维护性。
五、接地与散热设计1.接地设计-使用符合标准的设备接地方法。
-确保接地电阻满足要求。
-防止接地回路和信号回路之间的干扰。
2.散热设计-根据设备功率和工作环境选择散热方式。
-合理布置散热器和风扇等散热设备。
-控制设备温度在安全范围内。
六、维护与安全1.维护设计-提供易于维护的设备接口和开关。
-标示清晰的电气元件和路线标识。
控制柜设计规范控制柜(箱)设计规范目录1、控制柜内部一次回路导线的选用(见一次回路图):a 、直接起动 (图例1)1QFL41L42L43L1L2L3L31L32L331W11V11U11KH1KMM1L63L62L61L53L52L51图 例 1b 、星三角起动 (图例2)图例L3L2L1c 、星三角起动 (图例3)L1L2L3图例 3d、自耦起动(图例4)3KM图例 42、控制柜一次回路导线截面的选用(见一次回路图):3、控制柜一次回路TMY铜排截面的选用(见一次回路图):导线选用规格表 (要求从90~315KW一次母线用铜排)a、星三角起动(图例2)b、星三角起动(图例3)L1L2L3图例 3 5.2控制柜中总空开的选用:(表2)6.电流互感器与电流表的选用注:一用一备或一用二备的控制柜电流互感器的使用参照表中一用控制柜的使用标准。
二用一备或二用二备的控制柜电流互感器的使用参照表中二用控制柜的使用标准。
三用一备或三用二备的控制柜电流互感器的使用参照表中三用控制柜的使用标准。
四用一备或四用二备的控制柜电流互感器的使用参照表中四用控制柜的使用标准。
五用一备或五用二备的控制柜电流互感器的使用参照表中五用控制柜的使用标准。
如果控制柜中有主泵也有辅泵(或者小泵),并且大小泵有同时工作的情况,但辅泵的功率没有大泵的三分之一大,在选互感器时可不计小泵。
如辅泵的功率大于或等于大功率的三分之一,在选互感器时可将小泵计成大泵选择互感器。
如大小泵没有同时工作的情况,在选择互感器时可不计小泵。
如是两个小泵,并且两个小泵都有同时起动的可能,可将两个小泵的功率相加与大泵比较后再选互感器。
双电源控制柜可把电流折算成功率,然后再按功率选互感器。
7.交流接触器和热继电器的选用a1.直接起动或软起动方式 (第1表共2表用西门子和天正) 图例1L42L1L2L3L31L32L33L43L42L41L51L52L53L61L62L63M11QF1KM1KH图 例 11U11V11W1a2.直接起动或软起动方式 (第2表 共2表 用施耐特和天正) 图例11W11V11U11KH1KM1QFM1L63L62L61L53L52L51L41L42L43L33L32L31L3L2L1L42图 例 1注: 施耐德电器:0.37~55KW 热继能与接触器组合安装,不需配热继底座;0 75~200KW 热继可独立安装,不需配热继底座。
电气结构设计规范-开关器件和元件安装设计-位置和安装1.安装场地(位置)的条件根据有关规定,必要时,应采取一些适当的措施(如加热、通风等)以保证维持正常工作所需要的使用条件,例如,继电器、仪表、电子元件等维持正常运行时所需要的最低温度。
2.可接近性安装在同一支架(安装板、安装框架)上的电气元件、单元和外接导线的端子的布置应使其在安装、接线、维修和更换时易于接近。
尤其是外部接线端子,建议设于地面安装控制设备的基础面上方至少0.2m处,并且端子的安装方法应使电缆易于与其连接。
必须在控制设备内进行调整和复位的元件应是易于接近的。
一般来讲,对于地面安装的控制设备,由操作人员观察的指示仪表不应安装在高于控制设备基础面2m处。
操作器件,如手柄、按钮等,应安装在易于操作的高度上;这就是说,其中心线一般不应高于控制设备基础面2m。
紧急开关器件的操作机构应在高于地面0.8~1.6m的范围内,且是易于接近的。
对于墙上安装和地面安装的控制设备,建议安装在可以满足上述关于可接近性和操作高度的要求的位置上。
3.易维修性(1)控制设备的所有元件的设置和排列应使得不用移动它们或其配线就能清楚识别。
对于为了保证能正确运行而需要检验或需要易于更换的元件,应在不拆卸机械的其他设备或部件情况下就能进行维修(开门或卸罩盖、阻挡物除外)。
不是控制设备组件或器件部分的端子也应符合这些要求。
(2)所有控制设备的安装都应易于从正面操作和维修。
当需要用专用工具调整、维修或拆卸器件时,应提供这些专用工具。
为了常规维修或调整而需接近的有关器件,应安设于维修站台以上0.4~2m 之间。
建议端子至少在维修站台以上0.2m,且使导线和电缆能容易连接其上。
(3)除操作、指示、测量、冷却器件外,在门上和通常可拆卸的外壳孔盖上不应安装控制器件。
当控制器件是通过插接方式连接时,它们的插接应通过型号(形状)、标记或项目代号(单个或组合使用)清楚区分。
(4)正常工作中需插拔的插头应具有非互换性,缺少这种特性会导致错误工作。
电气控制柜设计工艺电气控制柜设计工艺及控制柜总装配图和接线图1、基本思路电气控制柜设计的基本思路是一种逻辑思维,只要符合逻辑控制规律、能保证电气安全及满足生产工艺的要求,就可以说是一种好的的设计。
但为了满足电气控制设备的制造和使用要求,必须进行合理的电气控制工艺设计。
这些设计包括电气控制柜的结构设计、电气控制柜总体配置图、总接线图设计及各部分的电器装配图与接线图设计,同时还要有部分的元件目录、进出线号及主要材料清单等技术资料。
2、电气控制柜总体配置设计电气控制柜总体配置设计任务是根据电气原理图的工作原理与控制要求,先将控制系统划分为几个组成部分(这些组成部分均称作部件),再根据电气控制柜的复杂程度,把每一部件划成若干组件,然后再根据电气原理图的接线关系整理出各部分的进出线号,并调整它们之间的连接方式。
总体配置设计是以电气系统的总装配图与总接线图形式来表达的,图中应以示意形式反映出各部分主要组件的位置及各部分接线关系、走线方式及使用的行线槽、管线等。
电气控制柜总装配图、接线图(根据需要可以分开,也可并在一起)是进行分部设计和协调各部分组成为一个完整系统的依据。
总体设计要使整个电气控制系统集中、紧凑,同时在空间允许条件下,把发热元件,噪声振动大的电气部件,尽量放在离其它元件较远的地方或隔离起来;对于多工位的大型设备,还应考虑两地操作的方便性;控制柜的总电源开关、紧急停止控制开关应安放在方便而明显的位置。
总体配置设计得合理与否关系到电气控制系统的制造、装配质量,更将影响到电气控制系统性能的实现及其工作的可靠性、操作、调试、维护等工作的方便及质量。
2.1 电气控制柜组件的划分由于各种电器元件安装位置不同,在构成一个完整的电气控制系统时,就必须划分组件。
划分组件的原则是:(1)把功能类似的元件组合在一起;(2)尽可能减少组件之间的连线数量,同时把接线关系密切的控制电器置于同一组件中;(3)让强弱电控制器分离,以减少干扰;(4)为力求整齐美观,可把外形尺寸、重量相近的电器组合在一起;(5)为了电气控制系统便于检查与调试,把需经常调节、维护和易损元件组合在一起。
电气控制柜设计规范其次,电气控制柜的设计应考虑人身安全。
柜体的接地应符合安全规范,以防止人触电。
柜门应有防爆、防火装置,以确保操作人员的安全。
此外,柜体应具有足够的强度和稳定性,以抵抗外界环境的影响。
第三,电气控制柜的设计应满足布线和插接装置的要求。
布线应按照国际电工委员会(IEC)的标准进行,以确保电气连接的可靠性和灵活性。
插接装置应与柜体配套,并且易于安装和更换。
第四,电气控制柜的设计应考虑到散热问题。
柜内设备运行时会产生热量,如果散热不良会影响设备的性能和寿命。
因此,柜体应设计有合理的散热结构,如散热风扇或散热片,以提供良好的通风和散热效果。
第五,电气控制柜的设计应考虑电磁兼容性(EMC)。
电磁干扰可能影响柜内设备的正常运行,因此柜体应设计有抗干扰的措施,如屏蔽板和滤波装置,以防止外界电磁信号的干扰。
第六,电气控制柜的设计应便于操作和维护。
柜内设备的布局应合理,方便操作和维修。
对于常用的设备,应提供便于操作的面板和按钮。
柜体内的电气元件应有清晰的标识和维护手册,以便操作人员进行维护和故障排除。
最后,电气控制柜的设计应进行严格的测试和验收。
在设计结束后,应对柜体进行各项功能和安全性能的测试。
测试结果应记录在设计文档中,并由相关部门进行验收,以确保柜体的质量和性能符合规范要求。
综上所述,电气控制柜的设计规范包括符合国家和地方规范、考虑人身安全、满足布线和插接装置要求、解决散热问题、考虑电磁兼容性、便于操作和维护,并进行测试和验收。
通过遵循这些规范,可以确保电气控制柜的安全、可靠和高效运行。
控制柜的设计范文控制柜是一种集中管理和控制各种电气设备的设备,广泛应用于工业自动化、能源管理、智能建筑等领域。
控制柜的设计对于设备的安全性、可靠性和易用性等方面起着关键作用。
本文将从控制柜的结构设计、元器件选型和布线设计等方面介绍控制柜的设计要点。
一、控制柜的结构设计控制柜的结构设计要考虑以下几个方面:1.外壳材料和结构:控制柜的外壳需要选用防尘、防水、防腐蚀的材料,如冷轧钢板、不锈钢等。
控制柜的结构要坚固稳定,能够承受设备和元器件的重量,并保证设备的安全和稳定运行。
2.冷却系统:控制柜内的设备长时间工作会产生大量热量,需要通过冷却系统来进行冷却。
常见的冷却方式有风冷、水冷和热交换等。
在选择冷却系统时,要考虑设备的热量产生量和散热需求,并确保控制柜内温度不会超过设备的操作温度范围。
3.绝缘和接地:控制柜的外壳、门和内部布线要保证良好的绝缘和接地。
绝缘可以防止电气设备接触到带电部分,避免触电事故的发生;接地可以防止静电积聚和电磁干扰,并提高设备的抗干扰能力。
二、元器件选型控制柜内需要安装各种元器件,如开关、断路器、继电器、接触器、变压器等。
选型时要考虑以下几个因素:1.额定功率和电流:根据设备的功率和电流需求选择相应的元器件。
过小的元器件会导致设备运行不稳定或过载,过大的元器件则会增加成本和占用空间。
2.工作环境条件:根据控制柜所处的环境条件选择耐高温、耐湿度、耐震动等特性的元器件。
特殊环境下的元器件还需要具备防爆、防腐蚀等功能。
3.品牌和可靠性:选择知名品牌的元器件,其品质和可靠性更有保障。
在选型时要考虑元器件的寿命、故障率等指标,以确保控制柜的稳定运行和长期可靠性。
三、布线设计控制柜的布线设计要满足以下几个要求:1.合理的布局:根据设备和元器件的安装位置,合理规划控制柜内的布线。
将高压线和低压线分开布置,以避免相互干扰和产生火灾隐患。
同时要保证每个元器件的电源线、信号线和地线的长度尽量相等,减少线路阻抗差异。
改善控制柜工作条件的措施-考虑大气湿度所采取的设计户外控制设备或封闭式户内控制设备用于高湿度或温度变化范围很大的场所时,应采取适当的措施(通风或内部加热、排水孔等)防止控制设备内产生有害的凝露,同时仍应保持规定的防护等级。
要求采取正确的电气设备设计来防止偶然性凝露的有害影响,必要时采用适当的附加设施,如内装加热器、空调器、排水孔等。
1.降低湿度设计(1)加热是降低环境湿度、防止凝露危害的有效技术手段。
(2)对设备或组件进行密封是防止潮气及盐雾长期影响的最有效的机械防潮方法。
(3)为了防潮,元器件表面可涂覆有机漆。
对元器件可以采取憎水处理及浸渍等化学防护措施。
(4)对于不可更换的或不可修复的元器件组合装置可以采用环氧树脂灌装。
(5)采用密封措施时,必须注意解决好设备或组合密封后的散热问题,如利用导热性好的材料作外壳,或采用特殊导热措施。
还必须注意消除可能在设备内部造成腐蚀条件的各种因素。
(6)为了防止霉菌对电气控制设备造成危害,应对设备的温度和湿度进行控制,降低温度和湿度并保持良好的通风条件,以防止霉菌生长。
2.防腐设计(1)选择耐腐蚀金属材料,也可以考虑选用工程塑料等非金属材料代替金属材料。
(2)合理选择材料,降低互相接触金属(或金属层)之间的电位差。
(3)当必须把不允许接触的金属材料装配在一起时,可以在两种金属之间涂敷保护层或放置绝缘衬垫;在金属上镀以允许接触的金属层;尽可能扩大阳极性金属的表面积,缩小阴极性金属的表面积。
(4)避免不合理的结构设计。
如避免积水结构,消除点焊、铆接、螺纹紧固处缝隙腐蚀;避免引起应力集中的结构形式;零件应力值应小于屈服极限的75%。
(5)采取适当的工艺消除内应力;加厚易腐蚀部位的构件尺寸。
(6)采取耐腐蚀覆盖层。
金属覆盖层(锌、镉、锡、镍、铜、铬、金、银等镀层);非金覆盖层(油漆等);化学处理层(黑色金属氧化处理——发蓝、黑色金属的磷化处理、铝及铝合金的氧化处理、铜及铜合金纯化和氧化处理等)。
机柜的基本结构模式1.基本结构模式通过长期的实践,电气控制设备的壳体逐步形成了盒、箱、柜(包括屏)、台四大基本结构模式,定义如下:1)机柜用于容纳电气或电子设备的独立式或自支撑的机壳。
机柜通常配置有门、可拆或不可拆的侧板。
机柜一般安装在地面上或大型设备平台上。
2)机箱机箱的体积较小,一般安装在台面、桌面、墙壁上或设备壁龛中,是用于容纳电气或电子设备的小型机壳。
3)控制台安装在台面或地面上,具有水平面、垂直面或倾斜面,以容纳控制、信息和监控设备的机壳。
4)机盒用于容纳电气或电子设备的便携式小型机壳,或用于电气单元隔离的小型机壳(电磁屏蔽盒)。
机盒也可以作为部件安装在机柜、机箱和控制台内。
2.机柜的典型结构由于电气控制设备被广泛应用于多个技术领域,并且由于其功能的差异、使用场合的差异及人们对多样化的需求,电气控制设备的式样极其繁多。
为降低费用并进行专业化批量生产,逐步形成了一些典型机柜结构,其中具有普遍意义的结构模式有:1)嵌套式层次结构(内插式结构)主要是指由IEC297和IEC917系列标准所规定的模式,它是一种插件——插箱——机柜系统,是目前标准化程度最高、应用最广的一种模块化结构模式。
2)外插式结构其基本单元是盒式插件模块,将具有独立功能的模块,并列地直接从外部进行机械和电气互连,从而构成一套新的装置。
3)层叠式结构由具有相对独立功能的机箱模块逐层叠装而成,加上电气互连就可构成一套功能齐全的整机。
4)套装式结构几种模块套装于机箱模块内构成整机,主要用于箱式的仪器。
5)装架(屏)式结构将各种具有规定尺寸的功能模块集装于标准的安装架上构成控制设备。
6)拼装式结构将若干种不同结构形式的模块,按规定的模式组装成一台整机。
通过巧妙的设计,几种有限的模块可组装出多种形态各异的装置,如各种形式的控制台。
7)单元组合式结构由若干风格统一但结构各异、有独立功能的单元组合成的成套装置。
上述各种典型结构又常相互兼容与统一,如屏柜的统一;仪器的插箱、插件化;台型结构引入插箱、插件;机箱结构的台式、上架两用;固定式与移动式的统一(换用多种底脚结构)等。
电气自动化控制系统及设计(第一篇:概述)一、电气自动化控制系统的基本概念电气自动化控制系统,是指利用电气元件、电子器件、计算机技术、网络通信技术等,对生产过程、机械设备等进行自动监测、控制、调节和保护的系统。
它以提高生产效率、降低劳动强度、保证产品质量、节约能源、改善生产环境为目标,广泛应用于国民经济的各个领域。
二、电气自动化控制系统的主要组成部分1. 控制器:控制器是电气自动化控制系统的核心,负责对整个系统进行指挥、协调和监控。
常见的控制器有可编程逻辑控制器(PLC)、工业控制计算机(IPC)等。
2. 执行器:执行器接收控制器的指令,对生产设备进行操作,如电动机、气动元件、液压元件等。
3. 传感器:传感器用于实时监测生产过程中的各种参数,如温度、压力、流量、位置等,并将这些参数转换为电信号传输给控制器。
4. 通信网络:通信网络将控制器、执行器、传感器等设备连接起来,实现数据传输和共享。
5. 人机界面(HMI):人机界面用于实现人与控制系统的交互,包括参数设置、数据显示、故障诊断等功能。
三、电气自动化控制系统设计原则1. 安全性:在设计过程中,要充分考虑系统的安全性,确保生产过程中的人身安全和设备安全。
2. 可靠性:系统设计应保证在各种工况下都能稳定运行,降低故障率。
3. 灵活性:系统设计要具有一定的灵活性,便于后期升级和扩展。
4. 经济性:在满足生产需求的前提下,尽量降低系统成本,提高投资回报率。
5. 易操作性:系统设计要考虑操作人员的技能水平,使操作简便、直观。
电气自动化控制系统及设计(第二篇:设计方法与技术)四、电气自动化控制系统的设计方法1. 需求分析:在进行系统设计前,要充分了解生产过程的需求,包括工艺流程、设备性能、控制要求等,为后续设计提供依据。
2. 系统方案设计:根据需求分析结果,制定系统方案,包括选择合适的控制器、执行器、传感器等设备,以及确定通信网络和人机界面。
3. 控制逻辑编程:根据生产工艺要求,编写控制程序,实现对设备的自动控制。
1、基本思路
PLC电控柜设计的基本思路是一种逻辑思维,只要符合逻辑控制规律、能保证电气安全
及满足生产工艺的要求,就可以说是一种好的的设计。
但为了满足电气控制设备的制造和使
用要求,必须进行合理的电气控制工艺设计。
这些设计包括PLC电控柜的结构设计、PLC 电控柜总体配置图、总接线图设计及各部分的电气装配图与接线图设计,同时还要有部分的元件目录、进出线号及主要材料清单等技术资料。
2、PLC电控柜总体配置设计
PLC电控柜总体配置设计任务是根据电气原理图的工作原理与控制要求,先将控制系统划分为几个组成部分(这些组成部分均称作部件),再根据PLC电控柜的复杂程度,把每一部
件划成若干组件,然后再根据电气原理图的接线关系整理出各部分的进出线号,并调整它们之间的连接方式。
总体配置设计是以电气系统的总装配图与总接线图形式来表达的,图中应以示意形式反映出各部分主要组件的位置及各部分接线关系、走线方式及使用的行线槽、管线等。
PLC电控柜总装配图、接线图(根据需要可以分开,也可并在一起)是进行分部设计和协
调各部分组成为一个完整系统的依据。
总体设计要使整个电气控制系统集中、紧凑,同时在空间允许条件下,把发热元件,噪声振动大的电气部件,尽量放在离其它元件较远的地方或隔离起来;对于多工位的大型设备,还应考虑两地操作的方便性;控制柜的总电源开关、紧急停止控制开关应安放在方便而明显的位置。
总体配置设计得合理与否关系到电气控制系统的制造、装配质量,更将影响到电气控制系统性能的实现及其工作的可靠性、操作、调试、维护等工作的方便及质量。
2.1 PLC电控柜组件的划分
由于各种电气元件安装位置不同,在构成一个完整的电气控制系统时,就必须划分组件。
划分组件的原则是:
(1)把功能类似的元件组合在一起;
(2)尽可能减少组件之间的连线数量,同时把接线关系密切的控制电气置于同一组件中;
(3)让强弱电控制器分离,以减少干扰;
(4)为力求整齐美观,可把外形尺寸、重量相近的电气组合在一起;
(5)为了电气控制系统便于检查与调试,把需经常调节、维护和易损元件组合在一起。
2.2 在划分PLC电控柜组件的同时要解决组件之间、电气箱之间以及电气箱与被控制装置之间的连线方式、PLC电控柜各部分及组件之间的接线方式一般应遵循以下原则:
(1)开关电气、控制板的进出线一般采用接线端头或接线鼻子连接,这可按电流大小及
进出线数选用不同规格的接线端头或接线鼻子;
(2)电气柜、控制柜、柜(台)之间以及它们与被控制设备之间,采用接线端子排或工业联接器连接;
(3)弱电控制组件、印制电路板组件之间应采用各种类型的标准接插件连接;
(4)电气柜、控制柜、柜(台)内的元件之间的连接,可以借用元件本身的接线端子直接连接;过渡连接线应采用端子排过渡连接,端头应采用相应规格的接线端子处理。
3、电气元件布置图的设计与绘制
电气元件布置图是某些电气元件按一定原则的组合。
电气元件布置图的设计依据是部件原理图、组件的划分情况等。
设计时应遵循以下原则:
(1)同一组件中电气元件的布置应注意将体积大和较重的电气元件安装在电气板的下面,而发热元件应安装在PLC电控柜的上部或后部,但热继电气宜放在其下部,因为热继
电气的出线端直接与电动机相连便于出线,而其进线端与接触器直接相连接,便于接线并使走线最短,且宜于散热。
(2)强电弱电分开并注意屏蔽,防止外界干扰。