测试缺陷报告单
- 格式:doc
- 大小:64.00 KB
- 文档页数:4
焊接检测缺陷分析报告模板1. 引言本报告对焊接检测中所发现的缺陷进行分析和评估。
通过对不同类型焊接缺陷的描述和分析,旨在帮助读者了解焊接质量问题的根本原因,并提供相关建议和解决方案以改进焊接过程和质量。
2. 缺陷描述在焊接检测中发现了以下缺陷:1. 缺陷1:描述缺陷1的具体情况,包括缺陷的位置、形状、尺寸等。
例如,焊接接头处存在明显的气孔,数量约为10个,分布不均匀,直径在2-5mm之间。
2. 缺陷2:描述缺陷2的具体情况,同样包括缺陷的位置、形状、尺寸等。
例如,焊缝上存在多个未融合的区域,长度约为20mm,宽度约为2mm。
3. 缺陷分析3.1 缺陷原因根据对缺陷的观察和分析,我们得出以下缺陷产生的主要原因:1. 缺陷1原因:可能是焊接过程中气体的残留造成的。
当焊接材料中存在气体或杂质,并未完全排出时,在焊接过程中会形成气孔。
气孔的分布不均匀可能是由于焊接工艺参数不合理导致的。
2. 缺陷2原因:可能是焊接过程中温度不够高或焊接速度过快导致的。
在焊接过程中,如果温度不够高或焊接速度过快,焊接材料没有完全融化和融合,就会形成未融合的区域。
3.2 缺陷影响在焊接过程中发现的这些缺陷可能会导致以下影响:1. 缺陷1影响:气孔的存在会降低焊接接头的强度和密封性,增加应力集中的风险,从而影响整体焊接件的使用寿命。
2. 缺陷2影响:未融合区域会使焊接接头的强度减弱,容易导致接头脱落或断裂。
4. 解决方案基于对焊接缺陷原因的分析,我们提出以下解决方案以改进焊接质量:1. 解决方案1:通过改进焊接工艺参数,确保焊接材料中的气体和杂质在焊接过程中能够完全排除,从而减少气孔的产生。
可以调整焊接电流、电压、焊接速度等参数来优化焊接质量。
2. 解决方案2:提高焊接温度或降低焊接速度,确保焊接材料完全融化和融合,防止未融合区域的产生。
5. 结论本报告对焊接检测中发现的缺陷进行了详细描述和分析,并提供了改进焊接质量的解决方案。
15工程质量缺陷处理报告单报告单号:15报告日期:2024年XX月XX日项目名称:XXX工程项目责任单位:XXX建设公司责任人:XXX项目经理问题描述:在本次工程项目中,经过质量检查发现以下质量缺陷问题:1.地基处理不到位:施工人员在进行地基处理时未按照设计要求进行,导致地基稳定性不佳,存在隐患。
2.混凝土浇注质量问题:多处地方存在浇注混凝土的浇筑质量问题,包括水灰比不合理、浇注时未使用振动器等,导致混凝土强度不够,存在安全隐患。
3.施工工艺不规范:在部分施工过程中,施工人员未按照规范进行操作,例如未严格按照施工工艺进行操作、使用了不合适的材料等,导致施工质量不符合要求。
4.材料选用不当:部分材料的选用不符合设计要求,例如使用了质量不达标的钢材、粗糙度不符合要求的砖块等,导致工程质量受损。
问题原因分析:1.人员不作为:施工人员在操作过程中存在马虎现象,未能严格按照规范进行操作。
2.材料管理不善:工程材料的进货和管理流程存在问题,部分缺陷材料未能及时发现和淘汰。
3.监督管理不到位:在施工过程中,监督方未能及时发现和纠正施工人员的错误操作,导致问题进一步扩大。
4.缺乏培训和指导:施工人员在技术和操作方面缺乏必要的培训和指导,对施工规范和操作方法理解不够深入。
处置措施:1.地基处理:重新对地基进行处理,按照设计要求进行加固和处理,确保地基稳定性。
2.混凝土浇注:对已浇注的混凝土进行强化处理,并对后续浇注进行严格控制,确保浇注质量。
3.施工工艺规范:加强对施工人员的培训和指导,规范施工工艺,并加强对施工过程的监督,确保施工质量。
4.材料选用:对不符合要求的材料进行淘汰,并加强进货和管理流程,确保材料质量符合要求。
改进措施:1.加强质量管理:成立专项质量管理小组,对施工过程中可能存在的问题进行全面的监督和管理。
2.健全质量管理制度:制定和完善相关质量管理制度,明确各个施工环节的责任和要求,并加强对施工人员的培训和考核。
混凝土内部缺陷检测报告(首页)共页第页委托单位报告编号工程名称工程部位样品名称检测编号样品数量规格型号生产厂家样品状态检测类别检测性质委托人委托日期见证单位见证人检测场所地址联系电话抽样人抽样时间抽样数量抽样基数抽样地点检测日期施工单位建筑面积检测环境检测依据检测项目检测结论检测单位检测专用章(盖章)签发日期:年月日批准:审核:主检:混凝土内部缺陷(内部不密实区)检测报告(附页)共页第页工程名称报告编号检测依据测位选择方式检测编号结构或构件名称外观质量描述缺陷性质缺陷位置缺陷范围缺陷分布示意图检测说明1.委托检测,检测结果仅对被检测构件负技术责任;2.本报告页数不全无效。
混凝土内部缺陷(裂缝)检测报告(附页)共页第页工程名称报告编号检测依据测位选择方式检测编号结构或构件名称裂缝位置裂缝长度(mm)裂缝宽度(mm)裂缝深度(mm)裂缝描述裂缝分布示意图检测说明1.委托检测,检测结果仅对被检测构件负技术责任;2.本报告页数不全无效。
混凝土内部缺陷(内部不密实区)检测原始记录共页第页检测依据设备编号检测日期设备状态检测编号结构或构件名称测位选择方式□双面对测法□对测和斜测结合 钻孔和表面测试相结合□双孔平测法□双孔斜测扇形扫测□钻孔和表面对测相结合测线间距(mm)测点编号测距(mm)声时t i (μs)波幅A i (dB)主频f i (kHz)测点布置示意图检测说明校核:主检:混凝土内部缺陷(裂缝深度)检测原始记录共页第页检测依据设备编号检测日期设备状态检测编号结构或构件名称测位选择方式□单面平测法□双面斜测法钻孔对测法裂缝位置描述测点编号测距l i ‘(mm)声时t i (μs)波幅A i (dB)主频f i (kHz)不跨缝检测12345声时-测距回归方程l=a+bt 各测点超声实际传播距离l i测点编号测距l i ‘(mm)声时t i 0(μs)波幅A i (dB)主频f i (kHz)跨缝检测12345测点布置示意图检测说明校核:主检:。
待测软件名称XX测试缺陷报告书目录1引言 (3)1.1编写目的 (3)1.2背景 (3)1.3定义 (3)1.4参考资料 (3)2测试环境 (4)2.1硬件环境 (4)2.2软件环境 (4)3冒烟测试 (4)3.1被测软件 (4)3.2测试策略 (4)3.3执行步骤 (4)3.4测试用例执行情况 (4)3.4.1 管理员 (4)3.4.2 匿名用户 ................................................................... 错误!未定义书签。
3.4.3 教师用户 ................................................................... 错误!未定义书签。
3.4.4 学生用户(待补充).................................................. 错误!未定义书签。
3.4.5 交叉功能测试 ............................................................ 错误!未定义书签。
3.5结果分析和结论 (9)4功能测试......................................................................................... 错误!未定义书签。
4.1被测软件 ............................................................................... 错误!未定义书签。
4.2测试策略 ............................................................................... 错误!未定义书签。
五金缺陷瑕疵检测报告检测对象:五金产品编号 XXXX检测日期:YYYY年MM月DD日检测单位:(填写检测单位名称)1. 检测目的:本次五金缺陷瑕疵检测旨在对五金产品进行全面检测,以确定其是否存在任何缺陷、瑕疵或质量问题,以确保产品的质量和安全性符合相关标准和要求。
2. 检测标准:本次检测按照(填写适用的标准或规范名称)进行,并遵循相关的国家法规和行业规范。
3. 检测方法:采用(填写采用的具体检测方法,例如目视检查、非破坏性检测、化学分析等)进行五金产品缺陷瑕疵的检测。
4. 检测结果:以下为本次五金缺陷瑕疵检测的结果概要:4.1 外观缺陷:(描述产品外观方面的缺陷,例如划痕、凹陷、变形等)4.2 尺寸不符合要求:(描述产品尺寸方面的缺陷,例如长度、宽度、厚度等不符合要求)4.3 材料质量问题:(描述产品材料方面的质量问题,例如异物、气泡、不均匀组织等)4.4 功能性缺陷:(描述产品功能方面的缺陷,例如操作不灵活、接口松动等)4.5 安全隐患:(描述产品可能存在的安全隐患,例如锋利边缘、易碎部件等)5. 结论:综合以上检测结果,五金产品存在以下缺陷和瑕疵:- 外观方面存在(列举具体缺陷)- 尺寸不符合要求(列举具体缺陷)- 材料质量问题(列举具体缺陷)- 功能性缺陷(列举具体缺陷)- 安全隐患(列举具体缺陷)6. 建议和改进措施:根据检测结果,建议以下措施以改善五金产品的质量和安全性:- 进行外观修复或更换受损部件- 调整尺寸以符合要求- 更换质量不符合标准的材料- 修复功能性缺陷或替换不正常的部件- 消除安全隐患的原因或更换可能存在危险的部件以上建议旨在提高产品的质量和安全性,以确保产品符合相关标准和要求。
7. 检测结论的有效性和限制性陈述:检测结论仅基于针对样品的有限检测,并仅适用于样品在检测时的状态。
对于未检测到的缺陷或瑕疵,不能排除其存在的可能性。
此外,样品在实际使用中可能会暴露于其他因素和环境条件,这些因素和条件可能会影响产品的性能和质量。
公司信息网站发布系统缺陷记录
关于缺陷级别的说明:
A类----严重错误包括:由于程序所引起的死机,非法退出死循环导致数据库发生死锁,数据通讯错误,严重的数值计算错误
B类----较严重错误,包括:功能不符,数据流错误,程序接口错误,轻微的数值计算错误C类----一般性错误,包括:界面错误打印内容、格式错误,简单的输入限制,未放在前台进行控制,删除操作未给提示
D类----较小的错误,包括:辅助说明描述不清楚,显示格式不规范,长时间操作未给用户进度提示,提示窗口文字未采用行业术语,可输入区域和只读区与没有明显的区分标志,系统处理未优化
E类----测试建议(非缺陷)
关于缺陷紧急程度的说明:
一般而言,严重程度是指对于产品的影响,而紧急程度对于的纬度是开发解决上的严重程度有比较明确的定义,一般也就四级
1 –非常严重的缺陷,例如,软件的意外退出甚至操作系统崩溃,造成数据丢失。
2 –较严重的缺陷,例如,软件的某个菜单不起作用或者产生错误的结果;
3 - 软件一般缺陷,例如,本地化软件的某些字符没有翻译或者翻译不准确;
4 - 软件界面的细微缺陷,例如,某个控件没有对齐,某个标点符号丢失等;。
品质缺陷报告单(经典)1. 概述本品质缺陷报告单旨在记录和分析发现的产品品质缺陷,并提供解决方案和改进建议。
本报告单适用于经典产品线的品质控制和改进工作。
2. 缺陷描述2.1 缺陷类型[请在此处填写缺陷类型的详细描述。
]2.2 缺陷级别[请在此处填写缺陷的级别,如严重、一般、轻微等。
]2.3 缺陷描述[请在此处提供详细的缺陷描述,包括缺陷的具体表现、影响范围等。
]2.4 缺陷原因[请在此处描述造成该缺陷的可能原因,如生产工艺、材料质量、人为因素等。
]3. 影响分析3.1 产品影响[请在此处描述缺陷对产品性能、功能、安全性等方面的影响。
]3.2 客户影响[请在此处描述缺陷对客户使用体验、满意度等方面的影响。
]3.3 其他影响[请在此处描述缺陷对其他相关方面的影响,如公司声誉、销售情况等。
]4. 解决方案和改进建议4.1 短期解决方案[请在此处提供缺陷的临时解决方案或应急措施,以减轻其影响。
]4.2 长期解决方案[请在此处提供缺陷的长期解决方案,包括产品设计改进、生产工艺优化等方面的建议。
]4.3 改进计划[请在此处描述实施改进方案的计划安排,包括时间表、责任人等信息。
]5. 监测和验证5.1 监测指标[请在此处列出用于监测产品质量改善的关键指标和测量方法。
]5.2 验证方法[请在此处描述验证产品质量改善效果的方法和步骤。
]6. 结论经分析和评估,针对发现的品质缺陷,我们提供了相应的解决方案和改进建议,并制定了监测和验证计划。
通过有效的执行和监控,我们期待能够提升产品品质,满足客户需求,实现持续改进和增长。
以上报告仅为参考,具体情况请基于实际调查和分析结果进行修改和完善。
测试缺陷报告1. 引言本文档旨在记录测试过程中发现的缺陷,并提供详细的步骤和思考过程。
通过汇报缺陷,可以帮助开发团队更好地了解问题,并进行修复。
2. 缺陷概述在测试过程中,我们发现了以下缺陷:1.缺陷编号:TD-001–缺陷描述:在用户注册页面,输入无效的电子邮件地址时,系统没有给出相应的错误提示信息。
–复现步骤:1.打开注册页面;2.在电子邮件地址输入框中输入无效的地址(例如:abc123);3.点击注册按钮。
–期望结果:系统应该显示一个错误提示信息,告知用户输入的电子邮件地址无效。
2.缺陷编号:TD-002–缺陷描述:在购物车页面,删除商品后,页面没有自动刷新,用户需要手动刷新才能看到已删除的商品。
–复现步骤:1.打开购物车页面;2.选择一个商品;3.点击删除按钮;4.观察页面,发现商品未立即被删除。
–期望结果:商品应该在删除后立即从购物车页面中消失。
3. 缺陷详细说明3.1 缺陷编号:TD-0013.1.1 缺陷描述在用户注册页面,输入无效的电子邮件地址时,系统没有给出相应的错误提示信息。
3.1.2 复现步骤1.打开注册页面;2.在电子邮件地址输入框中输入无效的地址(例如:abc123);3.点击注册按钮。
3.1.3 期望结果系统应该显示一个错误提示信息,告知用户输入的电子邮件地址无效。
3.1.4 实际结果系统没有给出任何错误提示信息,用户无法得知输入的电子邮件地址无效。
3.1.5 附加信息•系统环境:Windows 10•浏览器:Google Chrome 90.0.4430.2123.2 缺陷编号:TD-0023.2.1 缺陷描述在购物车页面,删除商品后,页面没有自动刷新,用户需要手动刷新才能看到已删除的商品。
3.2.2 复现步骤1.打开购物车页面;2.选择一个商品;3.点击删除按钮;4.观察页面,发现商品未立即被删除。
3.2.3 期望结果商品应该在删除后立即从购物车页面中消失。
3.2.4 实际结果商品未立即从购物车页面中消失,用户需要手动刷新页面才能看到已删除的商品。
小钢管缺陷检测报告单小钢管缺陷检测报告单报告单编号: XX-XXXX-XXXX检测日期: 20XX年XX月XX日被检测小钢管信息:钢管编号: XXXX钢管材质: XXX外径: XXXmm壁厚: XXXmm长度: XXXm检测结果:经过本次检测,钢管的外观及内部缺陷情况如下表所示:缺陷类型缺陷位置缺陷长度(mm) 缺陷深度(mm) 缺陷宽度(mm) 缺陷数量缺陷1 壁面1 XXX XXX XXX XX缺陷2 壁面2 XXX XXX XXX XX缺陷3 壁面3 XXX XXX XXX XX...缺陷N 壁面N XXX XXX XXX XX检测结论:根据本次检测结果,分析钢管的缺陷情况如下:1. 缺陷1: 该缺陷位于钢管的壁面1,缺陷长度为XXXmm,缺陷深度为XXXmm,缺陷宽度为XXXmm,共有XX处。
缺陷的检测结果显示为XXXX,表示缺陷属于XXX类型,且缺陷的大小超过了符合标准的范围。
2. 缺陷2: 该缺陷位于钢管的壁面2,缺陷长度为XXXmm,缺陷深度为XXXmm,缺陷宽度为XXXmm,共有XX处。
缺陷的检测结果显示为XXXX,表示缺陷属于XXX类型,且缺陷的大小符合标准的范围。
...根据以上检测结果,针对缺陷1,建议进行修复措施,如磨削、打磨、焊接等。
而对于缺陷2,可以接受并继续使用。
检测设备及方法:本次检测采用XXX设备进行,具体的检测方法是通过XXX进行扫描及分析。
该设备能够实时显示并记录钢管的外观及内部缺陷情况,并进行缺陷类型的分类与识别。
备注:本次检测报告仅对钢管的外观及内部缺陷进行了检测,不包含其他性能及物理测试。
如需获取全面检测结果或其他检测报告,请向我司咨询。
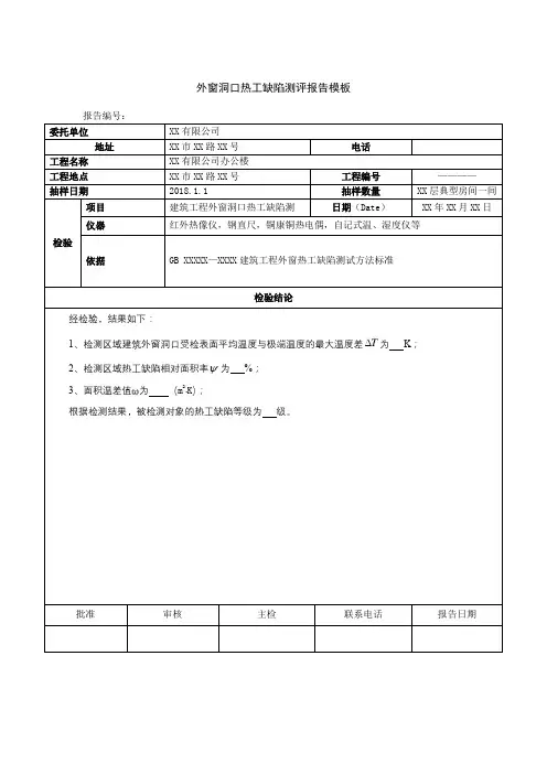
外窗洞口热工缺陷测评报告模板报告编号:委托单位XX有限公司地址XX市XX路XX号电话工程名称XX有限公司办公楼工程地点XX市XX路XX号工程编号————抽样日期2018.1.1 抽样数量XX层典型房间一间检验项目建筑工程外窗洞口热工缺陷测日期(Date)XX年XX月XX日仪器红外热像仪,钢直尺,铜康铜热电偶,自记式温、湿度仪等依据GB XXXXX—XXXX建筑工程外窗热工缺陷测试方法标准检验结论经检验,结果如下:1、检测区域建筑外窗洞口受检表面平均温度与极端温度的最大温度差T∆为K;2、检测区域热工缺陷相对面积率ψ为%;3、面积温差值为(m2·K);根据检测结果,被检测对象的热工缺陷等级为级。
批准审核主检联系电话报告日期报告编号:该工程建设单位为、设计单位为、施工单位为,建筑面积为平米。
于年月施工完成。
外墙保温系统为,基层墙体为 mm 墙,测试房间的外墙尺寸为×mm。
外窗构造为,构造尺寸为× mm,洞口侧面宽度为 mm。
检测区域位于。
检测区域的可见光照片如图所示:测试前后及测试期间建筑为持续供暖状态,测试期间的室内空气温度为,室内空气湿度为,室外空气温度为,室外空气湿度为。
检测区域的参照温度选如图2所示,参照温度为;检测区域的红外热像温度场分布图:检测区域红外热像温度场的可见光照片:∆为K;检测区域建筑外窗洞口受检表面平均温度与极端温度的最大温度差T检测区域热工缺陷相对面积率ψ为%;面积温差值为(m2·K);根据检测结果,被检测对象的热工缺陷等级为级。
测试缺陷报告模板范文一、缺陷概述在本次测试中,我们发现了一些可能影响软件质量和用户体验的缺陷。
这些缺陷涉及到了软件的各个功能模块,包括登录、注册、浏览、搜索、购买等。
二、缺陷详细描述1.登录模块:在输入错误的用户名或密码时,系统没有给出明确的错误提示,而是直接返回了登录失败的结果。
这可能导致用户无法明确知道自己的用户名或密码是否正确。
2.注册模块:在填写注册信息时,如果用户没有填写必填项,系统没有给出明确的提示,而是直接提交了注册信息。
这可能导致用户的注册信息不完整。
3.浏览模块:在浏览商品时,有时候会出现页面加载缓慢的情况,影响了用户的购物体验。
4.搜索模块:在搜索商品时,有时候会出现搜索结果不准确的情况,影响了用户的购物体验。
5.购买模块:在购买商品时,有时候会出现支付失败的情况,影响了用户的购物体验。
三、缺陷影响分析这些缺陷可能会对软件的质量和用户体验产生负面影响,可能会导致用户流失、降低软件口碑、降低用户信任度等问题。
因此,我们需要尽快修复这些缺陷,以提高软件的质量和用户体验。
四、修复建议针对以上缺陷,我们提出以下修复建议:1.对于登录模块的缺陷,建议在输入错误的用户名或密码时,给出明确的错误提示,告诉用户输入的用户名或密码是错误的。
2.对于注册模块的缺陷,建议在用户没有填写必填项时,给出明确的提示,告诉用户需要填写必填项才能完成注册。
3.对于浏览模块的缺陷,建议对服务器进行优化,提高页面加载速度。
4.对于搜索模块的缺陷,建议对搜索算法进行优化,提高搜索结果的准确性。
5.对于购买模块的缺陷,建议对支付接口进行检测和优化,确保支付功能的稳定性。
缺陷报告模版主题:所属模块:附近餐厅页面中按餐厅类型筛选无效(在什么模块,什么情况下,发生怎样的问题what, when, where)(平台/接口)(如果软件端无法修改,需要平台修改或者由于接口不稳定发生的bug,需要将其标注为平台/接口问题)描述:预置条件:如什么网络环境下,手机内存容量,电量情况等(必要条件,无特定条件可不写)操作步骤:复现缺陷的步骤,及操作,一般情况下都已首页为初始界面例:1. 首页->附近餐厅2. 点击餐厅类型3. 选择火锅类型并点击确认预期结果:火锅类型的餐厅被筛选出来(需求中要求的结果)实际结果:筛选功能失效或筛选功能不准确,需指明具体具体错误点出现几率:100%(如通过操作步骤不是每次都出现,表明复现几率,测10次,如3/10) 改进建议:如无明确的需求,或者易用性缺陷,给出适当的改进意见;有明确需求可不写。
另外可以备注其他类似模块是否有同样的问题,最好一起修复<注意:主题和描述中对选项,按钮及输入框等的文字描述最好使用原文,方便搜索>状态:所有新报缺陷都是新建状态优先级:低:易用性缺陷或者UI显示以及刷新问题,现象不严重的;普通:较小的UI问题或者异常操作导致的功能问题,如果不会使程序崩溃等情况发生;高:普通操作导致的功能性问题(不太常用的模块),如果不导致程序崩溃只是没实现功能;立刻或紧急:常用模块功能未实现或导致软件崩溃甚至系统卡死的问题。
指派:新建时将问题指派给模块相应的开发人员,修复或者反馈状态的bug如果还需要反馈则将其指给改变bug状态的开发人员目标版本:选择当前问题发现的目标版本号,如果没有就新建一个版本号(bug建立后只能由测试人员改变目标版本)修复版本:该项有开发人员填写,测试人员根据修复版本号对软件进行验证测试设备:客户端产品:测试设备:小米1(系统版本 4.1.2 JZO54K)客户端版本:xxxx 基于第三方软件的产品(如微官网):测试设备:小米1(系统版本4.1.2 JZO54K)微信版本:5.0.1多个测试设备都出现用逗号分隔文件:添加相应的错误截图责任人:在报bug时选择相应的开发人员,如果修改该bug的开发不是原来指派的人员,则验证关闭或者反馈bug时,责任人改为修复bug的开发人员。
橡胶垫缺陷检查报告单检查报告单日期:XXXX年XX月XX日检查项目:橡胶垫缺陷检查检查人:XXX1. 检查目的:本次检查旨在对橡胶垫进行全面检查,发现并记录任何可能存在的缺陷、磨损或损坏情况。
通过这次检查,及时发现并采取相应的修复措施,确保橡胶垫的使用效果和安全性。
2. 检查内容:2.1 橡胶垫外观检查:- 检查橡胶垫表面是否平整,没有任何明显凹凸或划痕;- 检查橡胶垫的颜色和质地是否均匀,没有色差或变形;- 检查橡胶垫表面是否有裂纹、破损或脱落现象。
2.2 橡胶垫尺寸检查:- 检查橡胶垫的尺寸是否符合设计要求,是否有显著的变形;- 测量橡胶垫的厚度、长度、宽度等尺寸,在检测范围内是否存在尺寸偏差。
2.3 橡胶垫性能检查:- 进行拉伸测试,测试橡胶垫的拉伸强度和弹性;- 进行耐磨性测试,检查橡胶垫的耐磨程度;- 进行耐油性测试,检查橡胶垫的抗油性能。
3. 检查结果:根据对橡胶垫的全面检查,以下为本次检查的结果记录:- 外观检查:橡胶垫表面平整,无明显凹凸或划痕;- 外观检查:橡胶垫颜色和质地均匀,无色差或变形;- 外观检查:橡胶垫表面无裂纹、破损或脱落现象;- 尺寸检查:橡胶垫尺寸符合设计要求,无显著变形;- 尺寸检查:橡胶垫厚度、长度、宽度等尺寸无明显偏差;- 性能检查:橡胶垫拉伸强度和弹性合格;- 性能检查:橡胶垫耐磨性合格;- 性能检查:橡胶垫耐油性合格。
4. 结论与建议:根据本次检查结果,橡胶垫的外观、尺寸和性能均符合设计要求,不存在明显的缺陷、磨损或损坏情况。
建议定期进行橡胶垫的检查和维护,确保其持续的使用效果和安全性。
5. 备注:(根据实际情况填写有关备注信息)本检查报告仅基于本次检查的结果,如后续使用中出现新的缺陷或问题,请及时进行修复和处理,并定期进行检查以确保橡胶垫的良好状态。
检查人签名:日期:。
产品视觉缺陷检测报告单1. 概述本报告是关于针对某产品进行的视觉缺陷检测的结果汇总和分析。
通过对产品外观进行全面检查和细致观察,我们发现了一些存在的视觉缺陷问题,并提供了相应的解决方案。
2. 检测方法为了确保检测的准确性和全面性,我们采用了以下方法:- 目视检查:对产品外观进行全面目视检查,通过观察来确定可能的缺陷问题。
- 放大镜检查:使用放大镜对产品进行细致观察和检查,以便发现微小的缺陷。
- 光线照射:通过不同角度和强度的光线照射,以确保能够发现潜在的缺陷问题。
3. 检测结果下面是我们对产品进行视觉缺陷检测的结果总结和详细分析:3.1 缺陷类型在对产品的检测过程中,我们发现了以下几种常见的缺陷类型:1. 表面划痕:在产品表面存在一些划痕,可能是运输或操作过程中导2. 漆面飞溅:产品表面存在一些涂料飞溅的痕迹,可能是制造过程中操作不当导致的。
3. 气泡:产品表面存在一些气泡,可能是涂料施工过程中未能完全排除气泡导致的。
4. 硬件松动:产品的一些硬件连接部分存在松动现象,可能是装配过程中未能牢固固定。
5. 偏差尺寸:产品的尺寸存在一定的偏差,可能是制造和加工过程中的误差。
3.2 问题严重程度根据对产品缺陷情况的评估,我们将问题的严重程度分为三个级别:1. 严重:缺陷严重影响了产品的外观和功能,需要立即解决。
2. 一般:缺陷对产品的外观和功能有一定影响,但不会对产品的基本使用造成重大问题。
3. 轻微:缺陷对产品的外观和功能影响较小,不会明显影响产品的使用。
3.3 解决方案根据检测结果和问题严重程度,我们提出以下解决方案来修复和改进1. 对于严重缺陷:对有严重缺陷的产品进行替换或重新加工,确保产品外观和功能完好。
2. 对于一般缺陷:对有一般缺陷的产品进行修复和改进,通过涂料修补、松紧调整等方式来解决问题。
3. 对于轻微缺陷:轻微缺陷不需要进行大规模修复,可以通过细致处理和调整来改善产品外观和功能。
4. 检测结论根据对产品的视觉缺陷检测和分析,我们得出以下结论:1. 在产品中存在多种类型的视觉缺陷,包括表面划痕、漆面飞溅、气泡、硬件松动和偏差尺寸等问题。
XXXXXXXXXXXXX文件
QJHQ-YFB-020
HONKON
测试缺陷报告
编制:北京研发中试部
审核:
管代:
批准:
版本: A版
受控状态:
发放号码:
2015-01-06发布2015-03-18实施XXXXXXXXXXX 公司发布
测试问题报告文件更改摘要:
xx科技有限公司第2 页共4 页
测试问题报告
项目标识: ____________________ 记录单号:
ο集成测试状态: ο OPEN
ο系统测试
ο验收测试ο CLOSE ___________ (结束日期)
系统名称: _______________________________ 模块名称: _______________________________
程序标识: _______________________________ 程序说明: ________________________ ____
备注:优先级:1.立即解决 2.高优先级 3.正常排队 4.低优先级。
xx有限公司第3页共4 页
状态:0.new 1.open 2.close。
时机:指错误出现时机,分为A:修改后出现;B:已发现但未修改;C:首次出现。
xx科技有限公司第4 页共4 页。